移位寄存器74HC595中文资料
- 格式:doc
- 大小:298.50 KB
- 文档页数:7
74HC595/74HCT595
它是带控制端的8位串行输入并行输入的移位寄存器,具有3态输出。
特点
➢8位串行输入
➢8位串行或并行输出
➢带有3态输出的存储寄存器
➢移位寄存器具有清零控制端
➢100MHz移位输出频率
➢输出能力:并行输出,总线驱动;串行输出,标准输出
应用
串行数据转并行
远程控制保持寄存器
相关描述
74HC/HCT595是高速硅栅CMOS元件与低功耗肖特基TTL引脚兼容。
它们符合JEDEC第7A号标准。
“595”是一个带存储器的8级串行移位寄存器,有3态输出。
移位寄存器以及存储寄存器有独立的时钟输入端。
当SH_CP端接收一个上跳沿时数据会发生移位。
当ST_CP端接收一个上跳沿时,移位寄存器中的数据将被送入存储寄存器。
当SH_CP端和ST_CP端短接时,移位寄存器当中所存储的数据将会永远比存储寄存器中的数据状态早一个时钟周期。
移位寄存器有一个串行输入(DS端)以及一个标准的串行级联输出端(Q7’)。
该芯片的8位移位寄存器有一个复位引脚(MR,低电平有效)。
存储寄存器有8条并行的3态总线连接至输出引脚。
只要芯片的输出使能引脚(OE)处于低电平,芯片就实时将存储寄存器中的数据输出至输出引脚。
移位寄存器74HC595中文资料--------------------------------------------------------------------------------移位寄存器74HC595中文资料74HC595 是一款漏极开路输出的CMOS 移位寄存器,输出端口为可控的三态输出端,亦能串行输出控制下一级级联芯片。
74HC595特点:高速移位时钟频率Fmax>25MHz标准串行(SPI)接口CMOS 串行输出,可用于多个设备的级联低功耗:TA =25℃时,Icc=4μA(MAX)图1 74HC595引脚图74HC595引脚功能表:管脚编号管脚名管脚定义功能1、2、3、4、5、6、7、15QA—QH三态输出管脚8GND电源地9SQH串行数据输出管脚10SCLR移位寄存器清零端11SCK数据输入时钟线12RCK输出存储器锁存时钟线13OE输出使能14SI数据线15VCC电源端图2 74HC595逻辑图74HC595真值表:输入管脚输出管脚SISCKSCLRRCKOEXXXXHQA—QH 输出高阻XXXLQA—QH 输出有效值XXLXX移位寄存器清零L上沿HXX移位寄存器存储LH上沿HXX移位寄存器存储HX下沿HXX移位寄存器状态保持XXX上沿X输出存储器锁存移位寄存器中的状态值XXX下沿X输出存储器状态保持74HC595参数:Absolute Maximum Ratings绝对最大额定值参数数值Supply Voltage电源电压(VCC)−0.5 to +7.0VDC Input Voltage 直流输入电压(VIN)−1.5 to VCC +1.5VDC Output V oltage 直流输出电压(VOUT)−0.5 to VCC +0.5VClamp Diode Current 钳位二极管电流(IIK, IOK)±20mADC Output Current直流输出电流,每个引脚(输出)±35mADC VCC or GND Current,per pin (ICC)±70mAStorage Temperature Range 储存温度范围(TSTG)−65℃to +150℃Power Dissipation 功耗(PD)(Note 3)600mWS.O. Package only500mWLead Temperature (TL) (Soldering 10 seconds)260℃Recommended Operating Conditions建议操作条件参数最小最大单位Supply Voltage电源电压(VCC)26vDC Input or Output Voltage(VIN, VOUT)输入输出电压0VCCVOperating Temperature Range工作温度范围(TA)−40+85℃Input Rise or Fall Times 输入上升或下降时间(tr,tf) VCC = 2.0V-1000nsVCC = 4.5V-500nsVCC = 6.0V-400nsDC SPECIFICATIONS直流电气规格Symbol 符号Parameter 参数Conditions 条件VCCTA=25℃TA= −40to85℃TA= −55to125℃UNIT 单位典型Guaranteed Limits保证界限VIHMinimum High Level Input V oltage最大高电平输入电压-2.0V-1.51.51.5V4.5V-3.153.153.156.0V-4.24.24.2VILMaximum LOW Level Input V oltage最大低电平输入电压-2.0V-0.50.50.5V4.5V-1.351.351.356.0V-1.81.81.8VOHMinimum HIGH Level Output V oltage最大高电平输出电压VIN=VIH or VIL|IOUT|≤20μA2.0V2.01.91.91.9V4.5V4.54.44.44.46.0V6.05.95.95.9Q'HVIN = VIH or VILV|IOUT| ≤4.0mA4.5V4.23.983.843.7|IOUT| ≤5.2mA6.0V5.25.485.345.2QA thru QHVIN = VIH or VILV|IOUT| ≤6.0mA4.5V4.23.983.843.7IOUT| ≤7.8mA6.0V5.75.485.345.2VOLMaximum LOW Level Output V oltage最大低电平输出电压VIN=VIH or VIL|IOUT| ≤20μA2.0V0.10.10.1V4.5V0.10.10.16.0V0.10.1Q'HVIN = VIH or VILV|IOUT| ≤4mA4.5V0.20.260.330.4|IOUT| ≤5.2mA6.0V0.20.260.330.4QA thru QHVIN = VIH or VILV|IOUT| ≤6.0mA4.5V0.20.260.330.4|IOUT| ≤7.8mA6.0V0.20.260.330.4IINMaximum Input Current最大输入电流VIN=VCC or GND6.0V±0.1±1.0±1.0μAIOZMaximum 3-STATE Output Leakage最大3态输出泄漏电流VOUT = VCC or GND G = VIH6.0V-±0.5±5.0±10μAICCMaximum Quiescent Supply Current电源电流VIN=VCC or GND IOUT = 0μA6.0V-8.080160μA交流电气特性:Symbol 符号Parameter 参数Conditions 条件典型Guaranteed LimitUNIT 单位fMax最高工作频率-5030MHztPHL, tPLHMaximum Propagation Delay,最大传输延迟SCK to Q’HCL = 45 pF1220nstPHL, tPLHMaximum Propagation Delay, 最大传输延迟RCK to QA thru QHCL = 45 pF1830nstPZH, tPZLMaximum Output Enable Time from G to QA thru QH 最大输出启用时间G to QA thru QH RL=1kΩ CL=45pF1728nstPHZ, tPLZMaximum Output Disable Time from G to QA thru QH最大输出禁用时间G to QA thru QH RL=1kΩ CL=5pF1525nstSMinimum Setup Time from SER to SCK--20nstSMinimum Setup Time from SCLR to SCK--20nstSMinimum Setup Time from SCK to RCK--40nstHMinimum Hold Time from SER to SCK--nstWMinimum Pulse Width of SCK or RCK--16ns本文来自: 原文网址:/info/cmos/0083302.html。
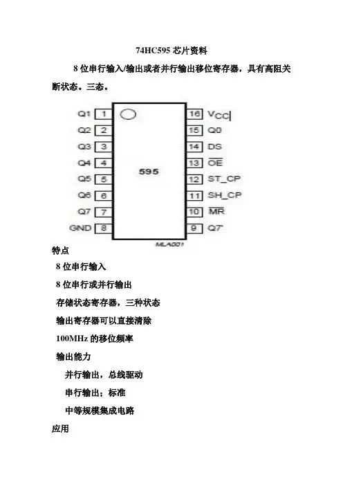
8位串行输入/输出或者并行输出移位寄存器,具有高阻关断状态。
三态。
特点
8位串行输入
8位串行或并行输出
存储状态寄存器,三种状态
输出寄存器可以直接清除
100MHz的移位频率
输出能力
并行输出,总线驱动
串行输出;标准
中等规模集成电路
应用
串行到并行的数据转换
Remote control holding register.
描述
595是告诉的硅结构的CMOS器件,
兼容低电压TTL电路,遵守JEDEC标准。
595是具有8位移位寄存器和一个存储器,三态输出功能。
移位寄存器和存储器是分别的时钟。
数据在SCHcp的上升沿输入,在STcp的上升沿进入的存储寄存器中去。
如果两个时钟连在一起,则移位寄存器总是比存
储寄存器早一个脉冲。
移位寄存器有一个串行移位输入(Ds),和一个串行输出(Q7’),和一个异步的低电平复位,存储寄存器有一个并行8位的,具备三态的总线输出,当使能OE时(为低电平),存储寄存器的数据输出到总线。
参考数据
C PD决定动态的能耗,
P D=C PD×V CC×f1+∑(C L×V CC2×f0)
F1=输入频率,C L=输出电容f0=输出频率(MHz)Vcc=电源电压
引脚说明
功能表
H=高电平状态L=低电平状态↑=上升沿
↓=下降沿
Z=高阻
NC=无变化
×=无效
当MR为高电平,OE为低电平时,数据在SH CP上升沿进入移位寄存器,在ST CP上升沿输出到并行端口。
74HC595简介DS:串行数据输入,接Arduino的某个数字I/O引脚。
Q0~Q7:8位并行数据输出,可以直接控制8个LED,或者是七段数码管的8个引脚。
Q7′:级联输出端,与下一个74HC595的DS相连,实现多个芯片之间的级联。
SH_CP:移位寄存器的时钟输入。
上升沿时移位寄存器中的数据依次移动一位,即Q0中的数据移到Q1中,Q1中的数据移到Q2中,依次类推;下降沿时移位寄存器中的数据保持不变。
ST_CP:存储寄存器的时钟输入。
上升沿时移位寄存器中的数据进入存储寄存器,下降沿时存储寄存器中的数据保持不变。
应用时通常将ST_CP 置为低点平,移位结束后再在ST_CP端产生一个正脉冲更新显示数据。
MR:重置(RESET),低电平时将移位寄存器中的数据清零,应用时通常将它直接连高电平(VCC)。
OE:输出允许,高电平时禁止输出(高阻态)。
引脚不紧张的情况下可以用Arduino的一个引脚来控制它,这样可以很方便地产生闪烁和熄灭的效果。
实际应用时可以将它直接连低电平(GND)。
在一些不是很复杂的应用中,可以将MR和OE分别接VCC和地,只对DS、SH_CP和ST_CP三个引脚进行相关控制。
二 C语言程序#include<reg52.h>#include<intrins.h>#include<lcd.h>#define uchar unsigned char#define uint unsigned intsbit DS = P2^7;sbit SH_CP = P3^0;sbit ST_CP = P3^1;sbit duanx = P3^2;uchar disp_buffer[4];uchar const table[10]={48,49,50,51,52,53,54,55,56,57}; //1到9的ASCII码uchar const table2[]={0x3f,0x06,0x5b,0x4f,0x66,0x6d,0x7d,0x07,0x7f,0x6f,0x77,0x7c,0x39,0x5e,0x79,0x71};//共阴void remove_data(uchar Re_data);void lcd_init(void);void main(void){uint j = 0;uchar *s1 = "VALUE:",temp_data,disp_data,a;write_str(s1,0,0);write_str(s2,0,1);while(1){duanx = 0;a = table2[j++];remove_data(a);delay(100);disp_data = a;temp_data = disp_data/1000; writlcd();write_char(table[temp_data],7,0); temp_data = disp_data%1000/100; writlcd();write_char(table[temp_data],8,0); temp_data = disp_data%100/10; writlcd();write_char(table[temp_data],9,0); temp_data = disp_data%10;write_char(table[temp_data],10,0); if(j == 9 )j = 0;}}void remove_data(uchar Re_data){uint i;for(i=8; i>0; i--){if(Re_data&0x80)//判断高位是否为1 DS = 1;elseDS = 0;SH_CP = 0;_nop_();_nop_();SH_CP = 1;Re_data <<=1; //Re_data左移一位ST_CP = 0;_nop_();_nop_();ST_CP = 1; //上升沿将数据送到输出锁存器_nop_();_nop_();ST_CP = 0;}void lcd_init(void){lcd_rest();lcd_winst(0x01);set_cur(1);其中程序中红色部分便是对74HC595进移位和锁存操作。
74HC595芯片是一种串入并出的芯片,在电子显示屏制作当中有广泛的应用。
74HC595是8位串行输入/输出或者并行输出移位寄存器,具有高阻、关、断状态。
三态。
特点 8位串行输入 8位串行或并行输出存储状态寄存器,三种状态输出寄存器可以直接清除 100MHz的移位频率输出能力并行输出,总线驱动串行输出;标准中等规模集成电路应用串行到并行的数据转换 Remote contr ol holding register. 描述 595是告诉的硅结构的CMOS器件,兼容低电压TTL电路,遵守JEDEC标准。
595是具有8位移位寄存器和一个存储器,三态输出功能。
移位寄存器和存储器是分别的时钟。
数据在SCHcp的上升沿输入,在STcp 的上升沿进入的存储寄存器中去。
如果两个时钟连在一起,则移位寄存器总是比存储寄存器早一个脉冲。
移位寄存器有一个串行移位输入(Ds),和一个串行输出(Q7’),和一个异步的低电平复位,存储寄存器有一个并行8位的,具备三态的总线输出,当使能OE时(为低电平),存储寄存器的数据输出到总线。
CPD决定动态的能耗, PD=CPD×VCC×f1+∑(CL×VCC2×f0) F1=输入频率,CL=输出电容 f0=输出频率(MHz) Vcc=电源电压引脚说明符号引脚描述内部结构结合引脚说明就能很快理解 595的工作情况引脚功能表:管脚编号管脚名管脚定义功能1、2、3、4、5、6、7、15QA—QH 三态输出管脚8 GND 电源地9 SQH 串行数据输出管脚10 SCLR 移位寄存器清零端11 SCK 数据输入时钟线12 RCK 输出存储器锁存时钟线13 OE 输出使能14 SI 数据线15 VCC 电源端真值表:输入管脚输出管脚SI SCK SCLR RCK OEX X X X H QA—QH 输出高阻X X X X L QA—QH 输出有效值X X L X X 移位寄存器清零L 上沿H X X 移位寄存器存储LH 上沿H X X 移位寄存器存储HX 下沿H X X 移位寄存器状态保持X X X 上沿X 输出存储器锁存移位寄存器中的状态值X X X 下沿X 输出存储器状态保持74595的数据端:QA--QH: 八位并行输出端,可以直接控制数码管的8个段。
74HC595芯片中文资料74HC595芯片资料8位串行输入/输出或者并行输出移位寄存器,具有高阻关断状态。
三态。
特点8位串行输入8位串行或并行输出存储状态寄存器,三种状态输出寄存器可以直接清除100MHz的移位频率输出能力并行输出,总线驱动串行输出;标准中等规模集成电路应用串行到并行的数据转换Remote control holding register.描述595是告诉的硅结构的CMOS器件,兼容低电压TTL电路,遵守JEDEC标准。
595是具有8位移位寄存器和一个存储器,三态输出功能。
移位寄存器和存储器是分别的时钟。
数据在SCHcp的上升沿输入,在STcp的上升沿进入的存储寄存器中去。
如果两个时钟连在一起,则移位寄存器总是比存储寄存器早一个脉冲。
移位寄存器有一个串行移位输入(Ds),和一个串行输出(Q7’),和一个异步的低电平复位,存储寄存器有一个并行8位的,具备三态的总线输出,当使能OE时(为低电平),存储寄存器的数据输出到总线。
参考数据符号参数条件TYP单位HC HCtt PHL/t PLH传输延时SHcp到Q7’STcp到Qn MR到Q7’C L=15pFVcc=5V161714212019NsNsNsf max STcp到SHcp最大时钟速度10057MHzC L输入电容Notes 1 3.5 3.5 pF C PD Power dissipation capacitanceper package.Notes2 115 130 pFC PD决定动态的能耗,P D=C PD×V CC×f1+∑(C L×V CC2×f0)F1=输入频率,C L=输出电容f0=输出频率(MHz)Vcc=电源电压引脚说明符号引脚描述Q0…Q715,1,7 并行数据输出GND 8 地Q7’9 串行数据输出MR 10 主复位(低电平)SH CP11 移位寄存器时钟输入ST CP12 存储寄存器时钟输入OE 13 输出有效(低电平)D S14 串行数据输入V CC16 电源功能表输入输出功能SH CP ST CP OE MR D S Q7’Q n××L ↓×L NC MR为低电平时紧紧影响移位寄存器×↑L L ×L L 空移位寄存器到输出寄存器××H L ×L Z 清空移位寄存器,并行输出为高阻状态↑×L H H Q6’NC 逻辑高电平移入移位寄存器状态0,包含所有的移位寄存器状态移入,例如,以前的状态6(内部Q6”)出现在串行输出位。
74HC595简单工作原理74HC595是具有8位移位寄存器和一个存储器,三态输出功能。
移位寄存器和存储器是分别的时钟。
数据在SHcp的上升沿输入,在STcp的上升沿进入的存储寄存器中去。
如果两个时钟连在一起,则移位寄存器总是比存储寄存器早一个脉冲。
移位寄存器有一个串行移位输入(Ds),和一个串行输出(Q7’),和一个异步的低电平复位,存储寄存器有一个并行8位的,具备三态的总线输出,当使能OE时(为低电平),存储寄存器的数据输出到总线。
74HC595各个引脚的功能:Q1~7是并行数据输出口,即储寄存器的数据输出口Q7'串行输出口,其应该接SPI总线的MISO接口STcp存储寄存器的时钟脉冲输入口SHcp移位寄存器的时钟脉冲输入口OE的非输出使能端MR的非芯片复位端Ds串行数据输入端程序说明:每当spi_shcp上升沿到来时,spi_ds引脚当前电平值在移位寄存器中左移一位,在下一个上升沿到来时移位寄存器中的所有位都会向左移一位,同时Q7'也会串行输出移位寄存器中高位的值,这样连续进行8次,就可以把数组中每一个数(8位的数)送到移位寄存器;然后当spi_stcp上升沿到来时,移位寄存器的值将会被锁存到锁存器里,并从Q1~Q7引脚输出;附子程序:voidhc595send_data(uint8data)//要传输的数据,建议用数组的方法来查询{uint8i;IO0CLR=spi_stcp;12脚for(i=0;i<8;i++){IO0CLR=spi_shcp;11脚if((data&0x80)!=0)IO0SET=spi_ds;elseIO0CLR=spi_ds;data<<=1;IO0SET=spi_shcp;}IO0SET=spi_stcp;}1引言单片机应用系统中使用的显示器主要有LED和LCD两种。
近年来也有用CRT显示的。
前者价格低廉,配置灵活,与单片机接口方便;后者可进行图形显示,但接口较复杂,成本也较高。
74HC595芯片资料
8位串行输入/输出或者并行输出移位寄存器,具有高阻关断状态。
三态。
特点
8位串行输入
8位串行或并行输出
存储状态寄存器,三种状态
输出寄存器可以直接清除
100MHz的移位频率
输出能力
并行输出,总线驱动
串行输出;标准
中等规模集成电路
应用
串行到并行的数据转换
Remote control holding register.
描述
595是告诉的硅结构的CMOS器件,
兼容低电压TTL电路,遵守JEDEC标准。
595是具有8位移位寄存器和一个存储器,三态输出功能。
移位寄存器和存储器是分别的时钟。
数据在SCHcp的上升沿输入,在STcp的上升沿进入的存储寄存器中去。
如果两个时钟连在一起,则移位寄存器总是比存储寄存器早一个脉冲。
移位寄存器有一个串行移位输入(Ds),和一个串行输出(Q 7’),和一个异步的低电平复位,存储寄存器有一个并行8位的,具备三态的总线输出,当使能OE时(为低电平),存储寄存器的数据输出到总线。
参考数据
C PD决定动态的能耗,
P D=C PD×V CC×f1+∑(C L×V CC2×f0)
F1=输入频率,C L=输出电容f0=输出频率(MHz)Vcc=电源电压
引脚说明
功能表
H=高电平状态L=低电平状态↑=上升沿
↓=下降沿
Z=高阻
NC=无变化
×=无效。
74HC595芯片中文资料8位串行输入/输出或者并行输出移位寄存器,具有高阻关断状态,三态。
特点8位串行输入8位串行或并行输出存储状态寄存器,三种状态输出寄存器可以直接清除100MHz的移位频率输出能力并行输出,总线驱动串行输出;标准中等规模集成电路应用串行到并行的数据转换Remote control holding register.描述595是告诉的硅结构的CMOS器件,兼容低电压TTL电路,遵守JEDEC标准。
595是具有8位移位寄存器和一个存储器,三态输出功能。
移位寄存器和存储器是分别的时钟。
数据在SHcp的上升沿输入,在STcp的上升沿进入的存储寄存器中去。
如果两个时钟连在一起,则移位寄存器总是比存储寄存器早一个脉冲。
移位寄存器有一个串行移位输入(Ds),和一个串行输出(Q7’),和一个异步的低电平复位,存储寄存器有一个并行8位的,具备三态的总线输出,当使能OE时(为低电平),存储寄存器的数据输出到总线。
参考数据C PD 决定动态的能耗,P D =C PD ×V CC ×f 1+∑(C L ×V CC 2×f 0)F 1=输入频率,C L =输出电容 f 0=输出频率(MHz ) Vcc=电源电压引脚说明功能表H=高电平状态 L=低电平状态↑=上升沿↓=下降沿Z=高阻NC=无变化×=无效当MR为高电平,OE为低电平时,数据在SHCP 上升沿进入移位寄存器,在STCP上升沿输出到并行端口。
74HC595芯片中文资料8位串行输入/输出或者并行输出移位寄存器,具有高阻关断状态。
三态。
特点8位串行输入8位串行或并行输出存储状态寄存器,三种状态输出寄存器可以直接清除100MHz的移位频率输出能力并行输出,总线驱动串行输出;标准中等规模集成电路应用串行到并行的数据转换Remote control holding register.描述595是告诉的硅结构的CMOS器件,兼容低电压TTL电路,遵守JEDEC标准。
595是具有8位移位寄存器和一个存储器,三态输出功能。
移位寄存器和存储器是分别的时钟。
数据在SCHcp的上升沿输入,在STcp的上升沿进入的存储寄存器中去。
如果两个时钟连在一起,则移位寄存器总是比存储寄存器早一个脉冲。
移位寄存器有一个串行移位输入(Ds),和一个串行输出(Q7Q7’’),和一个异步的低电平复位,存储寄存器有一个并行8位的,具备三态的总线输出,当使能OE时(为低电平),存储寄存器的数据输出到总线。
参考数据符号参数条件TYP单位HC HCtt PHL/t PLH传输延时SHcp到Q7Q7’’STcp到Qn MR到Q7Q7’’C L=15pFVcc=5V161714212019NsNsNsf max STcp到SHcp最大时钟速度10057MHzC L输入电容Notes1 3.53.5pF C PD Power dissipation Notes2115pFC PD 决定动态的能耗,P D =C PD ×V CC ×f 1+∑(C L ×V CC 2×f 0)F 1=输入频率,C L =输出电容f 0=输出频率(MHz )Vcc=电源电压引脚说明符号引脚描述Q0…Q715,1,7并行数据输出GND 8地Q7’9串行数据输出MR 10主复位(低电平)SH CP11移位寄存器时钟输入ST CP12存储寄存器时钟输入OE13输出有效(低电平)D S14串行数据输入capacitance per package.130V CC16电源功能表输入输出功能ST CP OE MR D S Q7’Q nSH CP××L↓×L NC MR为低电平时紧紧影响移位寄存器×↑L L×L L空移位寄存器到输出寄存器××H L×L Z清空移位寄存器,并行输出为高阻状态↑×L H H Q6’NC逻辑高电平移入移位寄存器状态0,包含所有的移位寄存器状态移入,例如,以前的状态6(内部Q6”)出现在串行输出位。
74HC595芯片中文资料
8位串行输入/输出或者并行输出移位寄存器,具有高阻关断状态。
三态。
特点
8位串行输入
8位串行或并行输出
存储状态寄存器,三种状态
输出寄存器可以直接清除
100MHz的移位频率
输出能力
并行输出,总线驱动
串行输出;标准
中等规模集成电路
应用
串行到并行的数据转换
Remote control holding register.
描述
595是告诉的硅结构的CMOS器件,
兼容低电压TTL电路,遵守JEDEC标准。
595是具有8位移位寄存器和一个存储器,三态输出功能。
移位寄存器和存储器是分别的时钟。
数据在SCHcp的上升沿输入,在STcp的上升沿进入的存储寄存器中去。
如果两个时钟连在一起,则移位寄存器总是比存储寄存器早一个脉冲。
移位寄存器有一个串行移位输入(Ds),和一个串行输出(Q7’),和一个异步的低电平复位,存储寄存器有一个并行8位的,具备三态的总线输出,当使能OE时(为低电平),存储寄存器的数据输出到总线。
参考数据
C PD决定动态的能耗,
P D=C PD×V CC×f1+∑(C L×V CC2×f0)
F1=输入频率,C L=输出电容f0=输出频率(MHz)Vcc=电源电压
引脚说明
功能表
H=高电平状态
L=低电平状态
↑=上升沿
↓=下降沿
Z=高阻
NC=无变化
×=无效
当MR为高电平,OE为低电平时,数据在SH CP上升沿进入移位寄存器,在ST CP上升沿输出到并行端口。
概述:74HC595 是一款漏极开路输出的CMOS 移位寄存器,输出端口为可控的三态输出端,亦能串行输出控制下一级级联芯片。
特点:高速移位时钟频率Fmax>25MHz标准串行(SPI)接口CMOS 串行输出,可用于多个设备的级联低功耗:TA =25℃时,Icc=4μA(MAX)图2 74HC595逻辑图真值表:输入管脚输出管脚SI SCK SCLR RCK OEX X X X H QA—QH 输出高阻X X X X L QA—QH 输出有效值X X L X X 移位寄存器清零L 上沿H X X 移位寄存器存储LH 上沿H X X 移位寄存器存储HX 下沿H X X 移位寄存器状态保持X X X 上沿X 输出存储器锁存移位寄存器中的状态值X X X 下沿X 输出存储器状态保持引脚功能表:管脚编号管脚名管脚定义功能1、2、3、4、5、6、7、15QA—QH 三态输出管脚8 GND 电源地9 SQH 串行数据输出管脚10 SCLR 移位寄存器清零端11 SCK 数据输入时钟线12 RCK 输出存储器锁存时钟线13 OE 输出使能14 SI 数据线15 VCC 电源端图1 74HC595引脚图Absolute Maximum Ratings绝对最大额定值参数数值Supply Voltage电源电压(VCC)−0.5 to +7.0VDC Input Voltage 直流输入电压(VIN)−1.5 to VCC +1.5V DC Output Voltage 直流输出电压(VOUT)−0.5 to VCC +0.5V Clamp Diode Current 钳位二极管电流(IIK, IOK)±20mADC Output Current直流输出电流,每个引脚(输出)±35mADC VCC or GND Current,per pin (ICC)±70mAStorage Temperature Range 储存温度范围(TSTG)−65℃ to +150℃Power Dissipation 功耗(PD)(Note 3)600mWS.O. Package only500mWLead Tem perature (TL) (Soldering 10 seconds)260℃Recommended Operating Conditions建议操作条件参数最小最大单位Supply Voltage电源电压(VCC)26v DC Input or Output Voltage(VIN, VOUT)输入输出电压0VCC V Operating Tem perature Range工作温度范围(TA)−40+85℃Input Rise or Fall Times 输入上升或下降时间(tr,tf) VCC = 2.0V-1000ns VCC = 4.5V-500ns VCC = 6.0V-400ns DC SPEC IFICATIONS直流电气规格Symbol 符号Parameter 参数Conditions 条件VCCTA=25℃TA=−40to85℃TA=−55to125℃UNIT单位典型Guaranteed Limits保证界限VIH Minimum HighLevel Input Voltage最大高电平输入电压-2.0V- 1.5 1.5 1.5V4.5V- 3.153.15 3.156.0V- 4.2 4.2 4.2VIL Maximum LOWLevel Input Voltage最大低电平输入电压-2.0V-0.50.50.5V4.5V- 1.351.35 1.356.0V- 1.8 1.8 1.8VOH Minimum HIGHLevel OutputVoltage最大高电平VIN=VIH orVIL|IOUT|≤20μA2.0V2.01.9 1.9 1.9V4.5V4.54.4 4.4 4.46.0V6.05.9 5.9 5.9输出电压Q'H VIN = VIH or VILV |IOUT| ≤4.0mA 4.5V 4.2 3.98 3.84 3.7|IOUT| ≤5.2mA 6.0V5.25.485.34 5.2QA thru QH VIN = VIH or VILV |IOUT| ≤6.0mA 4.5V 4.2 3.98 3.84 3.7IOUT| ≤ 7.8mA 6.0V5.75.485.34 5.2VOL Maximum LOWLevel OutputVoltage最大低电平输出电压VIN=VIH orVIL|IOUT| ≤20μA2.0V00.10.10.1V4.5V00.10.10.16.0V00.10.10.1Q'HVIN = VIH or VILV |IOUT| ≤ 4mA 4.5V 0.2 0.26 0.33 0.4|IOUT| ≤5.2mA 6.0V0.20.260.33 0.4QA thru QHVIN = VIH or VILV |IOUT| ≤6.0mA 4.5V 0.20.26 0.33 0.4|IOUT| ≤7.8mA 6.0V0.20.260.330.4IIN Maximum InputCurrent最大输入电流VIN=VCC orGND6.0V-±0.1±1.0±1.0μAIOZ Maximum 3-STATEOutput Leakage最大3态输出泄漏电流VOUT = VCC orGND G = VIH6.0V-±0.5±5.0±10μAICC MaximumQuiescent SupplyCurrent电源电流VIN=VCC orGND IOUT = 0μA6.0V-8.080160μA交流电气特性:Symbol 符号Parameter 参数Conditions条件典型GuaranteedLimitUNIT单位fMax最高工作频率-5030MHztPHL, tPLH Maximum Propagation Delay,最大传输延迟SCK to Q’ HCL = 45 pF1220nstPHL, tPLH Maximum Propagation Delay, 最大传输延迟RCK to QA thru QHCL = 45 pF1830nstPZH, tPZL Maximum Output Enable Tim e from G to QAthru QH 最大输出启用时间G to QA thru QHRL=1kΩCL=45pF1728nstPHZ, tPLZ Maximum Output Disable Tim e from G to QAthru QH最大输出禁用时间G to QA thru QHRL=1kΩCL=5pF1525nstS Minimum Setup Time from SER to SCK--20nstS Minimum Setup Time from SCLR to SCK--20ns tS Minimum Setup Time from SCK to RCK--40ns tH Minimum Hold Time from SER to SCK--0ns tW Minimum Pulse Width of SCK or RCK--16ns 交流电气特性:(续)Symbol 符号Parameter 参数Conditions条件VCCTA = 25℃TA =−40 to85℃TA =−55 to125℃UNIT单位典型Guaranteed Limits 保证界限fMax Maximum OperatingFrequency最高工作频率CL = 50 pF2.0V106 4.8 4.0MHz4.5V453024206.0V50352824tPHL, tPLH Maximum PropagationDelay from SCK to Q’ H最大传输延迟传播延迟CK to QCL = 50 pF 2.0V 58 210 265 315nsCL = 150 pF 2.0V83294367441CL = 50 pF 4.5V 14 42 53 63CL = 150 pF 4.5V17587488CL = 50 pF 6.0V 10 36 45 54CL = 150 pF 6.0V14506376tPHL, tPLH Maximum PropagationDelay from RCK to QA thruQHCK to QCK to Q最大传输延迟RCK to QA thru QHCKto QCK to QCL = 50 pF 2.0V 70 175 220 265nsCL = 150 pF 2.0V105245306368CL = 50 pF 4.5V 21 3544 53CL = 150 pF 4.5V28496174CL = 50 pF 6.0V 18 30 37 45CL = 150 pF 6.0V26425363tPHL, tPLH Maximum PropagationDelay from SCLR to Q’ H最大传输延迟to Q’ H-2.0V-175221261ns4.5V-3544526.0V-303744tPZH, tPZL Maximum Output Enablefrom G to QA thru QH最大输出启用RL=1kΩCL=50pF2.0V 75 175 220 265nsRL=1kΩCL=150pF2.0V100245306368CL= 50pF 4.5V 15 35 44 53CL = 150pF 4.5V20496174CL = 50 pF 6.0V13303745CL = 150 pF 6.0V17425363CPD Power DissipationCapacitance,G = VCC-90 ---pFG = GND150---OutputsEnabled (Note 6)功耗电容CIN Maximum InputCapacitance最大输入电容--5101010pFCOUT Maximum Output最大输出电容--15202020pF图3 74HC595 时序图图应用电路图:图4 87LPC76x与74HC595单片机构成的键盘显示电路图5。
74HC595芯片是一种串入并出的芯片,在电子显示屏制作当中有广泛的应用。
74HC595是8位串行输入/输出或者并行输出移位寄存器,具有高阻、关、断状态.三态。
特点 8位串行输入 8位串行或并行输出存储状态寄存器,三种状态输出寄存器可以直接清除 100MHz的移位频率输出能力并行输出,总线驱动串行输出;标准中等规模集成电路应用串行到并行的数据转换 Remote control holding register。
描述 595是告诉的硅结构的CMOS器件, 兼容低电压TTL电路,遵守JEDEC标准。
595是具有8位移位寄存器和一个存储器,三态输出功能。
移位寄存器和存储器是分别的时钟。
数据在SCHcp的上升沿输入,在STcp的上升沿进入的存储寄存器中去。
如果两个时钟连在一起,则移位寄存器总是比存储寄存器早一个脉冲。
移位寄存器有一个串行移位输入(Ds),和一个串行输出(Q7’),和一个异步的低电平复位,存储寄存器有一个并行8位的,具备三态的总线输出,当使能OE时(为低电平),存储寄存器的数据输出到总线。
CPD决定动态的能耗, PD=CPD×VCC×f1+∑(CL×VCC2×f0) F1=输入频率,CL=输出电容 f 0=输出频率(MHz) Vcc=电源电压引脚说明符号引脚描述内部结构结合引脚说明就能很快理解 595的工作情况74HC595引脚图,管脚图________QB-—|1 16|——VccQC—-|2 15|--QAQD——|3 14|--SIQE—-|4 13|—-/GQF—-|5 12|--RCKQG--|6 11|—-SRCKQH-—|7 10|—-/SRCLRGND- |8 9|-—QH'|________|74595的数据端:QA—-QH: 八位并行输出端,可以直接控制数码管的8个段。
QH':级联输出端。
我将它接下一个595的SI端。
74HC59574HC595芯片是一种串入并出的芯片,在电子显示屏制作当中有广泛的应用。
74HC595是8位串行输入/输出或者并行输出移位寄存器,具有高阻、关、断状态。
三态。
特点8位串行输入8位串行或并行输出存储状态寄存器,三种状态输出寄存器可以直接清除100MHz 的移位频率输出能力并行输出,总线驱动串行输出;标准中等规模集成电路应用串行到并行的数据转换Remote control holding register. 描述595是告诉的硅结构的CMOS器件,兼容低电压TTL电路,遵守JEDEC标准。
595是具有8位移位寄存器和一个存储器,三态输出功能。
移位寄存器和存储器是分别的时钟。
数据在SCHcp 的上升沿输入,在STcp的上升沿进入的存储寄存器中去。
如果两个时钟连在一起,则移位寄存器总是比存储寄存器早一个脉冲。
移位寄存器有一个串行移位输入(Ds),和一个串行输出(Q7’),和一个异步的低电平复位,存储寄存器有一个并行8位的,具备三态的总线输出,当使能OE时(为低电平),存储寄存器的数据输出到总线。
CPD决定动态的能耗,PD=CPD×VCC×f1+∑(CL×VC C2×f0) F1=输入频率,CL=输出电容f0=输出频率(MHz)Vcc=电源电压引脚说明符号引脚描述内部结构结合引脚说明就能很快理解595的工作情况引脚功能表:管脚编号管脚名管脚定义功能1、2、3、4、5、6、7、15 QA—QH 三态输出管脚8 GND 电源地9 SQH 串行数据输出管脚10 SCLR 移位寄存器清零端11 SCK 数据输入时钟线12 RCK 输出存储器锁存时钟线13 OE 输出使能14 SI 数据线15 VCC 电源端真值表:输入管脚输出管脚SI SCK SCLR RCK OEX X X X H QA—QH 输出高阻X X X X L QA—QH 输出有效值X X L X X 移位寄存器清零L 上沿H X X 移位寄存器存储LH 上沿H X X 移位寄存器存储HX 下沿H X X 移位寄存器状态保持X X X 上沿X 输出存储器锁存移位寄存器中的状态值X X X 下沿X 输出存储器状态保持74595的数据端:QA--QH: 八位并行输出端,可以直接控制数码管的8个段。