常用绝缘子术参数
- 格式:doc
- 大小:268.50 KB
- 文档页数:8
绝缘子参数含义及耐压标准绝缘子作为输电线路中重要的组成部分,其性能参数及耐压标准对于电力系统的安全稳定运行具有至关重要的作用。
本文将对绝缘子参数的含义以及耐压标准进行详细介绍,希望能够为相关领域的从业人员提供一定的参考。
一、绝缘子参数的含义1. 破坏拉力:绝缘子在受力过程中发生破坏时所承受的最大拉力。
2. 饱和拉力:绝缘子在受到外部载荷作用时,其表观弹性模量达到极限状态时的拉力。
3. 耐电压:绝缘子在额定工作电压下,能够长期保持不发生击穿的电压值。
4. 破坏压强:绝缘子在受力过程中发生破坏时承受的最大压力。
5. 耐电压比:绝缘子的破坏电压与其额定电压之比,是衡量绝缘子耐压性能的重要指标。
二、绝缘子耐压标准1. 污秽等级:根据绝缘子表面的污秽程度划分为不同的等级,通常分为Ⅰ、Ⅱ、Ⅲ三个等级。
不同污秽等级的绝缘子,在相同工作条件下其额定电压值是不同的,污秽等级越高,绝缘子的额定电压值越低。
2. 海拔高度:不同海拔高度的地区,由于大气压力和空气密度的不同,对绝缘子的耐压性能会有影响。
在设计和选型时需要根据实际海拔高度进行修正。
3. 环境温度:环境温度的升高会导致绝缘子的介电强度下降,因此在不同的环境温度下,绝缘子的耐压标准也会有所不同。
4. 湿度:高湿度环境会导致绝缘子表面污秽,从而影响其耐压性能。
因此在潮湿环境下,需要进行相应的降额处理。
5. 震动载荷:绝缘子在受到风、冰、地震以及输电线路本身振动等因素作用下,其受力情况会有所变化。
因此在设计绝缘子时需要考虑不同震动载荷下的耐压标准。
三、绝缘子耐压标准的重要性绝缘子的耐压标准直接关系到电力系统的安全稳定运行。
合理的耐压标准能够保证绝缘子在不同工作条件下能够稳定可靠地运行,确保输电线路的安全运行。
在设计、选型和使用过程中,必须严格按照相关的绝缘子耐压标准进行执行,以确保电力系统的安全可靠。
四、结语绝缘子作为输电线路中不可或缺的重要部分,其性能参数和耐压标准直接关系到电力系统的安全运行。
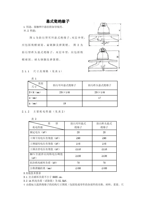
悬式瓷绝缘子1 用途:接触网中悬挂附加导线用。
※.2 性能:图1为防污型耳环悬式绝缘子,双层伞型,应包括铁帽球窝、扁钢脚及弹簧销。
图2为防污型杵头悬式绝缘子,双层伞型,应包括铁帽球窝、球头钢脚及弹簧销。
2.1.1尺寸及规格(见表1)表1类型尺寸防污耳环悬式绝缘子防污杵头悬式绝缘子D×H(mm)254×146 254×146d(mm)17φ(mm)192.1.2主要机电性能(见表2)表2类型机电性能防污耳环悬式绝缘子防污杵头悬式绝缘子额定电压(kV)25 25工频干闪电压有效值(kV)≥90 ≥90工频湿闪电压有效值(kV)≥45 ≥45工频击穿电压有效值(kV)≥110 ≥11050%全波冲击闪络电压峰值(kV)≥130 ≥130 抗拉机电破坏负荷(kN)70 70公称泄漏距离(mm)≥400 ≥4003其他技术要求3.1 打击破坏负荷不小于565N.cm。
3.2 1h机电负荷(试验值)为52.5kN。
4 由投标人提供绝缘子的结构尺寸图纸(包括组成零件的各部件的名称、材料、重量、尺寸等)及必要的说明、绝缘子与吊环及杵座鞍子的连接图。
5 由铁件、涂釉瓷件和钢脚组成,单件重量不超过7 kg。
铁件表面采用热浸镀锌防腐,其技术要求必须符合TB/T2073-98中三级镀锌的标准或JB/T8177。
镀锌层检验方法比照SD218《电力金具制造质量标准-钢铁件热镀锌层》的规定进行。
6瓷件采用高强瓷,并逐件进行红外线探伤检测。
7瓷釉颜色:白色8检查、试验、验收抽样方案及判别依据GB11030-89。
9技术文件9.1投标人提供制造厂的生产情况、产品样本、及相关产品的现场使用情况。
9.2当供货时,投标人应写明规格名称、附加质量良好的弹簧销子。
10质量保证10.1投标人应随生产过程提供必要的质量记录。
10.2产品制造应具有良好的生产条件、工艺装备、检测设备和试验设备。
10.3绝缘子的加工及金属件表面防腐处理应严格按照本技术规格书及相关标准执行。
绝缘子(2)线路和发电厂、变电所设备外绝缘各污秽等级和对应盐密、爬电比距。
(3)常用绝缘子主要数据:35 FXBW2-500/300 3 500 300 24 4450±50 4000 12000 2250 1300 78036 FXBW3-500/300 3 500 300 24 4030±50 3600 13750 2050 1300 78037 FXBW4-500/300 3 500 300 24 4450±50 4000 13750 2250 1300 780表7-3 保定厂棒形悬式复合绝缘子技术性能指标产品型号额定电压(kV)额定机械拉伸负荷(kN)最小电弧距离(mm)结构高度(mm)爬电距离(mm)雷电全波冲击试验电压(kV)操作冲击湿试验电压(kV)1min工频湿试验电压(kV)端部附件耐受50%闪络耐受50%闪络耐受50%闪络联接标记markFXBW-35/70 35 70 470 680 770 ≥230 >260 / / ≥120 >160 16 FXBW-66/70 66 70 730 940 1452 ≥410 >440 / / ≥200 >250 16 FXBW-110/70 110 70 1030 1240 2420 ≥550 >580 / / ≥270 >340 16 FXBW-110/100 110 100 1010 1240 2420 ≥550 >580 / / ≥270 >340 16 FXBW-110/120 110 120 1010 1240 2420 ≥550 >580 / / ≥270 >340 16 FXBW-110/160 110 160 1000 1290 2420 ≥550 >580 / / ≥270 >340 20 FXBW-220/100 220 100 1910 2150 4840 ≥1000 >1175 / / ≥560 >650 16 FXBW-220/120 220 120 1910 2150 4840 ≥1000 >1175 / / ≥560 >650 16 FXBW-220/160 220 160 1900 2210 4840 ≥1000 >1175 / / ≥560 >650 20 FXBW-500/100 500 100 4110 4360 11000 ≥2050 >2400 >1240 >1550 ≥740 >1425 16 FXBW-500/120 500 120 4100 4360 11000 ≥2050 >2400 >1240 >1550 ≥740 >1425 16 FXBW-500/160 500 160 4050 4360 11000 ≥2050 >2400 >1240 >1550 ≥740 >1425 20 FXBW-500/180 500 180 **** **** 11000 ≥2050 >2400 >1240 >1550 ≥740 >1425 20 FXBW-500/210 500 210 4050 4360 11000 ≥2050 >2400 >1240 >1550 ≥740 >1425 20 FXBW-500/240 500 240 4320 4680 9450 ≥2050 >2550 >1240 >1675 ≥740 >1550 24 FXBW -500/300 500 300 4320 4680 9450 ≥2050 >2550 >1240 >1675 ≥740 >1550 24 注:按部颁标准规定要求,将原复合绝缘子HXS2型号改为FXBW。
u400b玻璃绝缘子参数U400B玻璃绝缘子的参数如下:
1. 公称直径D(mm):255
2. 结构高度H(mm):146
3. 公称爬电距离L(mm):320
4. 连接标记(mm):16
5. 额定机械破坏负荷(kN):70
6. 逐个拉伸负荷试验(kN):35
7. 工频干耐受电压(kV):70
8. 工频湿耐受电压(kV):40
9. 雷电冲击耐受电压(kV):100
10. 冲击过电压击穿耐受电压():
11. 最小工频击穿耐受电压(kV):130
12. 无线电干扰10kV;1MHz(µV):≤50
13. 可见电晕电压(脚/帽)(kV):18/22
14. 工频电弧试验:/20kA
15. 绝缘子单片重量(kg):\~
这些参数是针对型号为U70B/146、U80B/146、U100B/146、
U120B/146的绝缘子。
请注意,这些参数可能会因不同型号而有所差异,具体参数应参考产品说明书或制造商提供的信息。
常用绝缘子技术参数绝缘子是一种常用的电力设备,用于在输电线路中支撑导线,同时起到绝缘导线与电杆、电塔之间的作用。
绝缘子的技术参数对于确保输电线路的安全运行具有重要意义。
下面是常用的绝缘子技术参数的介绍:1.绝缘子额定电压:绝缘子的额定电压是指绝缘子能够承受的最高电压。
根据绝缘子使用的环境和具体要求,额定电压可以分为高压、中压和低压等级。
2.绝缘子耐受电压:绝缘子的耐受电压是指绝缘子在额定电压下能够承受的最高电压。
它是绝缘子设计和生产的重要参数,直接关系到绝缘子的使用寿命和安全性。
3.绝缘子介质强度:绝缘子介质强度是指绝缘子在一定条件下能够承受的电场强度。
它是衡量绝缘子绝缘性能优劣的重要指标,与绝缘子的材料和结构密切相关。
4.绝缘子耐电弧能力:绝缘子耐电弧能力是指绝缘子在发生放电时能够耐受和熄灭电弧的能力。
这是绝缘子保持绝缘状态的重要指标,直接影响到绝缘子在电力系统中的可靠性。
5.绝缘子耐污性能:绝缘子耐污性能是指绝缘子在恶劣的自然环境和污染条件下能够保持足够的绝缘性能。
它是绝缘子工作可靠性的重要指标,与绝缘子的表面特性和污秽物质的类型和含量有关。
6.绝缘子抗拉强度:绝缘子抗拉强度是指绝缘子能够承受的最大拉力。
它是绝缘子固定和安装的重要参数,直接影响到绝缘子的可靠性和安全性。
7.绝缘子机械强度:绝缘子机械强度是指绝缘子在一定条件下能够承受的载荷和冲击。
它是绝缘子设计和制造的重要指标,与绝缘子的材料和结构密切相关。
8.绝缘子温度特性:绝缘子温度特性是指绝缘子在不同温度下的绝缘性能特点。
它是绝缘子设计和工作环境选择的重要参考指标,直接影响到绝缘子的可靠性和寿命。
9.绝缘子湿耐性:绝缘子湿耐性是指绝缘子在湿度环境下保持良好绝缘性能的能力。
湿度是绝缘子绝缘性能的重要影响因素,绝缘子的湿耐性直接影响到绝缘子在湿润环境下的可靠性和安全性。
综上所述,绝缘子技术参数包括额定电压、耐受电压、介质强度、耐电弧能力、耐污性能、抗拉强度、机械强度、温度特性和湿耐性等。
常用绝缘子技术参数讲解绝缘子是电力系统中非常重要的组成部分,用于支撑和固定导线,同时起到隔离导线与支架之间的电气绝缘作用。
常用的绝缘子技术参数主要包括额定电压、额定电力频率、对地绝缘子串数、杆距、污秽等级、绝缘子材料等。
首先,额定电压是指绝缘子能够承受的最高电压值。
根据电力系统的需求,绝缘子的额定电压需选择合适的数值,以确保绝缘子在工作状态下不会因电压过高而发生击穿或损坏的情况。
其次,额定电力频率是指绝缘子设计的工作频率范围。
电力系统中常用的频率为50Hz或60Hz,绝缘子的设计需考虑在这个频率范围内的电气性能。
对地绝缘子串数是指绝缘子串联连接的数量。
串数的选择与电压等级、绝缘子材料以及配电系统设计等因素有关。
通过增加串数,可以提高绝缘子的绝缘性能,减少绝缘子与地之间的漏电流。
杆距是指绝缘子中心之间的距离。
杆距的选择与绝缘子的机械强度有关,需要考虑绝缘子对导线的固定能力以及对外界环境因素的抵抗能力。
污秽等级是绝缘子设计中需要考虑的重要参数。
污秽等级是根据周围环境中存在的污秽物质的类型和浓度而确定的。
污秽物质会降低绝缘子表面的绝缘性能,因此需要选用适合的绝缘子材料和清洗方式来提高其抗污秽能力。
绝缘子材料是绝缘子设计中关键的部分。
常用的绝缘子材料包括陶瓷绝缘子、玻璃纤维增强塑料绝缘子等。
不同的材料具有不同的绝缘性能和机械强度,需要根据具体的使用环境来选择合适的材料。
此外,还有一些其他技术参数也需要考虑,如绝缘子的机械载荷、挂弧距离、耐湿漏电距离等。
这些参数与绝缘子的机械强度和电气性能紧密相关,在绝缘子设计过程中需要进行详细的计算和分析。
在电力系统中,不同类型的设备和不同电压级别的系统所使用的绝缘子技术参数可能有所不同。
绝缘子作为电力系统的重要组成部分,其设计和选择应根据具体的电力系统要求进行,并结合实际的运行条件和环境因素进行综合考虑。
通过合理选择绝缘子的技术参数,可以提高电力系统的可靠性和安全性,确保电力传输的正常运行。
绝缘子(1)常用电压等级杆塔绝缘子串的片数(2)线路和发电厂、变电所设备外绝缘各污秽等级和对应盐密、爬电比距。
表1 线路和发电厂、变电所污秽等级表2 各污秽等级下的爬电比距分级数值注:线路和发电厂、变电所爬电比距计算时取系统最高工作电压。
表3 额定电压与系统最高工作电压(3)常用绝缘子主要数据:表1-1 标准型钢化玻璃绝缘子型号和参数(自贡厂)表1-2 标准型钢化玻璃绝缘子型号和参数(自贡厂)表2-1 耐污型钢化玻璃绝缘子型号和参数(自贡厂)表2-2 耐污型钢化玻璃绝缘子型号和参数(自贡厂)表2-3 耐污型钢化玻璃绝缘子型号和参数(自贡厂)表3 标准型钢化玻璃绝缘子型号和参数(南京厂)表4 防污型钢化玻璃绝缘子型号和参数(南京厂)表5 普通型悬式瓷质绝缘子型号参数表6 防(耐)污型悬式瓷质绝缘子型号参数表7-1 JB/T8460-1996标准:棒形悬式复合绝缘子主要尺寸与特性表7-2 MPC国际电工棒形悬式复合绝缘子主要尺寸与特性表7-3 保定厂棒形悬式复合绝缘子技术性能指标(kV)拉伸负荷(kN)距离(mm)(mm)耐受50%闪络耐受50%闪络耐受50%闪络联接标记markFXBW-35/703570470680770≥230>260//≥120>16016 FXBW-66/7066707309401452≥410>440//≥200>25016 FXBW-110/7011070103012402420≥550>580//≥270>34016 FXBW-110/100110100101012402420≥550>580//≥270>34016 FXBW-110/120110120101012402420≥550>580//≥270>34016 FXBW-110/160110160100012902420≥550>580//≥270>34020 FXBW-220/100220100191021504840≥1000>1175//≥560>65016 FXBW-220/120220120191021504840≥1000>1175//≥560>65016 FXBW-220/160220160190022104840≥1000>1175//≥560>65020 FXBW-500/1005001004110436011000≥2050>2400>1240>1550≥740>142516 FXBW-500/1205001204100436011000≥2050>2400>1240>1550≥740>142516 FXBW-500/1605001604050436011000≥2050>2400>1240>1550≥740>142520 FXBW-500/1805001804050436011000≥2050>2400>1240>1550≥740>142520 FXBW-500/2105002104050436011000≥2050>2400>1240>1550≥740>142520 FXBW-500/240500240432046809450≥2050>2550>1240>1675≥740>155024 FXBW -500/300500300432046809450≥2050>2550>1240>1675≥740>155024注:按部颁标准规定要求,将原复合绝缘子HXS2型号改为FXBW。
绝缘子
(1)常用电压等级杆塔绝缘子串的片数
(2)线路和发电厂、变电所设备外绝缘各污秽等级和对应盐密、 爬电比距
表1
线路和发电厂、变电所污秽等级
表2
各污秽等级下的爬电比距分级数值
污秽等级
注:线路和发电厂、变电所爬电比距计算时取系统最高工作电压
表3 额定电压与系统最高工作电压
(3)常用绝缘子主要数据:
表1-1 标准型钢化玻璃绝缘子型号和参数(自贡厂)
表1-2 标准型钢化玻璃绝缘子型号和参数(自贡厂)
表2-1 耐污型钢化玻璃绝缘子型号和参数(自贡厂)
表2-2 耐污型钢化玻璃绝缘子型号和参数(自贡厂)
表2-3 耐污型钢化玻璃绝缘子型号和参数(自贡厂)
表3 标准型钢化玻璃绝缘子型号和参数(南京厂)
表4 防污型钢化玻璃绝缘子型号和参数(南京厂)
表5 普通型悬式瓷质绝缘子型号参数
表6 防(耐)污型悬式瓷质绝缘子型号参数
表7-1 JB/T8460-1996标准:棒形悬式复合绝缘子主要尺寸与特性
表7-2 MPC国际电工棒形悬式复合绝缘子主要尺寸与特性
表7-3 保定厂棒形悬式复合绝缘子技术性能指标
注:按部颁标准规定要求,将原复合绝缘子HXS型号改为FXBW
复合绝缘子结构示图:
复合绝缘子表示方法:
FXB W 3 -110/70 (球寫连接不表示)
薮定机械拉伸员荷70kN 禎定电圧UOkV
设计序号(序号1、2押租电比即为2伽・4¥ 庁号施4折昶电比距为25../IV ) 大小伞
高压线跻用槽形悬式裂合绝绳子
ecu
图5-1。
技术参数表产品型号图号公称结构高度Hmm公称盘径Dmm公称爬电距离Lmm连接型式标记额定机电破坏负荷kN逐个拉伸负荷kN打击破坏负荷N·cm工频耐受电压kV 雷电冲击干耐受电压kV工频击穿电压kV无线电干扰电压重量kgGB/T7253 -2005 新型号GB/T7253-1987国内通用型号干湿对地试验电压kV1MHz最大无线电干扰电压μVU40C/140 XP-40C 1 140 190 200 16C 40 20 565 55 30 75 90 7.5 50 2.9 U40CN/150 XP-40T 2 150 190 200 16C 40 20 565 55 30 75 90 7.5 50 3.4 U70B/146 XP-70 3 146 255 295 16B 70 35 565 70 40 100 110 10 50 4.8 U70C/146 XP-70C 1 146 255 295 16C 70 35 565 70 40 100 110 10 50 4.7U70CN/146 U70CN/170 XP-70T 2146/170255 295 16C 70 35 565 70 40 100 110 10 50 4.6U70B/127 XP1-70 3 127 255 295 16B 70 35 565 70 40 100 110 10 50 4.6U70B/146 XP2-70 3 146 200 210 16B 70 35 565 50 30 100 110 10 50 3.7 XP3-70 4 146 255 310 16B 70 35 565 70 40 100 110 10 50 4.9U70C/146 XP3-70C 5 146 255 310 16C 70 35 565 70 40 100 110 10 50 5.1 U70B/146 XP4-70 4 146 270 330 16B 70 35 565 70 40 100 110 10 50 5.1U100B/146XP-100 6 146 255 295 16B 100 50 678 70 40 100 110 10 50 5.8 XP2-100 6 146 255 340 16B 100 50 678 70 40 100 120 10 50 6.1U100C/146 XP-100C 5 146 255 295 16C 100 50 678 70 40 100 110 10 50 5.8U120B/146XP-120 6 146 255 295 16B 120 60 678 70 40 100 110 10 50 6.1 XP1-120 6 146 255 320 16B 120 60 678 70 40 100 120 10 50 6.6U160B/155 XP-160 6 155 255 305 20 160 80 1017 70 40 100 110 10 50 6.8U160B/146 XP1-160 6 146 255 305 20 160 80 1017 70 40 100 110 10 50 6.8 XP2-160 6 146 280 330 20 160 80 1017 75 42 105 110 10 50 7.6U210B/170XP-210 7 170 280 335 24 210 105 1017 75 42 105 120 10 50 9.8 XP1-210 7 170 280 335 20 210 105 1017 75 42 105 120 10 50 9.4 XP4-210 7 170 280 380 20/24 210 105 1017 75 42 105 120 10 50 9.8U240B/170 XP-240 7 170 280 405 24 240 120 1017 75 45 110 120 10 50 11.4 U300B/195 XP-300 7 195 320 370 24 300 150 1017 75 45 110 120 10 50 13.5(注:公称结构高度栏中第一个数值为常规高度,下同。
x-3c绝缘子基本参数1. 概述x-3c绝缘子是一种高压电力设备,主要用于输电系统。
其具有优良的绝缘性能和可靠性,能够承受高压电流,并保证电力系统的稳定运行。
本文将介绍x-3c绝缘子的基本参数,包括额定电压、插销直径、导线夹持长度、极限承载力等。
2. 额定电压x-3c绝缘子的额定电压是指其能够承受的最高电压值。
根据国家标准,x-3c绝缘子的额定电压为245kV。
这意味着该绝缘子能够稳定承受245kV的电压,有效的保护电力设备和输电线路。
3. 插销直径插销直径是指插销的直径,通常通过插销的插孔来连接x-3c绝缘子和输电线路。
x-3c 绝缘子插销的直径为31.5mm,这也是其与其他型号绝缘子区别之一。
4. 导线夹持长度导线夹持长度是指在x-3c绝缘子上夹持导线的长度。
合适的导线夹持长度是确保导线稳定性和安全性的重要因素。
x-3c绝缘子的导线夹持长度为200mm。
5. 极限承载力极限承载力指x-3c绝缘子在极端情况下所能承受的最高荷载。
其受力性能是x-3c绝缘子使用中最关键的参数之一。
据国家标准规定,x-3c绝缘子的极限承载力为74kN,即可承受74吨左右的荷载。
6. 尺寸重量x-3c绝缘子的尺寸为1344mmx325mmx395mm,重量为约85kg。
这些参数对于x-3c绝缘子的选型和应用也具有一定的重要性。
7. 结论x-3c绝缘子是电力输电系统中常用的一种高压电力设备,其安全可靠的性能是电力系统稳定运行的关键因素。
了解x-3c绝缘子的基本参数,可以帮助更好的了解其特性和应用,为电力系统的运行提供更为完善的保障。
绝缘子范本使用说明1、本技术规范范本按产品类型分为两大类、四个部分:1)交流架空线路用绝缘子:A. 220kV~330kV~500kV线路用盘形绝缘子;B. 220kV~330kV~500kV线路用复合绝缘子。
2)直流架空线路用绝缘子A. ±500kV线路用盘形绝缘子;B. ±500kV线路用复合绝缘子。
上述四种绝缘子的技术范本有着独立的专用部分和通用部分。
2. 通用部分原则上不需要项目招标人(项目单位)填写,不能随意更改。
如对其条款已填写内容确实需要改动,项目单位应填写《技术条款\技术参数变更表》并加盖该网、省公司招投标管理中心公章,及辅助说明文件随招标计划一起提交至招标文件审查会。
经标书审查同意后,对通用部分的修改形成《技术通用部分条款变更表》,放入专用部分中,随招标文件同时发出并视为有效。
3、技术规范范本专用部分技术参数表已统一填写的部分技术参数,原则上不需要改动(各型号的技术参数表已在本使用说明的附录中汇总,项目单位只需根据工程实际需要,拷贝附录中的技术参数表中该型号对应的列的技术参数)。
如对专用部分已填写内容确实需要改动,项目单位应填写《技术条款\技术参数变更表》并加盖该网、省公司招投标管理中心公章,及辅助说明文件随招标计划一起提交至招标文件审查会。
经标书审查同意后,专用部分可以在原表中更改。
范本中未填写的部分技术参数,除标明“投标人提供”外,均应由项目单位全面认真填写;专用部分技术参数表中填有“项目单位填写”的参数,由项目单位填写; 如项目单位不提要求,应填入“投标人提供”,由投标人给出参数值;项目单位与投标人均不需要填写的部分栏目,项目单位应以“──”表示。
4、技术规范范本的页面、标题等均为统一格式,不得随意更改。
5、项目单位填写盘形悬式绝缘子技术规范专用部分中的《货物需求及供货范围一览表》时,应明确玻璃和瓷绝缘子并分别单独列表填写。
6、填写技术规范专用部分《技术参数响应表》的其他注意事项1)附录中所列220~500kV复合绝缘子电气参数均指海拔1000m及以下地区,海拔超过1000m地区使用时均需作海拔修正,并填写《技术条款\技术参数变更表》;750kV复合绝缘子所要求的电气参数均已修正到海拔3000m。