常用导线及绝缘子参数
- 格式:xlsx
- 大小:11.45 KB
- 文档页数:2
1绝缘子的类型架空电力线路的导线,是利用绝缘子和金具连接固定在杆塔上的。
用于导线与杆塔绝缘的绝缘子,在运行中不但要承受工作电压的作用,还要受到过电压的作用,同时还要承受机械力的作用及气温变化和周围环境的影响,所以绝缘子必须在良好的绝缘性能和一定的机械强度。
通常,绝缘子表面被做成波纹形的。
这是因为:一是可以增加绝缘子的泄露距离(又称爬电距离),同时每个波绞又能起到阻断电弧的作用;二是当下雨时,从绝缘子上流下的污水不会直接从绝缘子上部流到下部,避免形成污水柱造成短路事故,起到阻断污水水流的作用;三是当空气中的污秽物质落到绝缘子上时,由于绝缘子波绞的凹凸不平,污秽物质将不能均匀地附在绝缘子上,在一定程度上提高了绝缘子的抗污能力。
架空电力线路用绝缘子种类很多,他可以根据绝缘子的结构型式、绝缘介质、连接方式和承载能力的大小来分类。
结构型式:盘形绝缘子、棒形绝缘子绝缘介质:瓷质绝缘子、玻璃绝缘子、半导体釉绝缘子、复合绝缘子连接方式:球型绝缘子、槽型绝缘子装置场环境、户内绝缘子、户外绝缘子。
承载能力:5kN、10kN、12kN、40kN、60kN、70kN、100kN、120kN、160kN、210kN、300kN、420kN、550kN...2针式柱式绝缘子针式绝缘子主要用于直线杆和角度较小的转角杆支持导线,分为高压、低压两种。
按材料分针式瓷质绝缘子与针式复合绝缘子。
绝缘子型号说明:P——普通型针式绝缘子;PQ1——加强绝缘1型(中污型)针式绝缘子;PQ2——加强绝缘2型(特重污型)针式绝缘子;FPQ——代表复合针式防污型绝缘子;B——瓷件侧槽以上部位,除承烧面外,全部上半导体釉;T——带脚,铁担;M——长脚;L——不带脚,瓷件与脚螺纹连接;LT——带脚,瓷件与脚螺纹连接,铁担;破折号后的数字10表示额定电压10kV;T后的数字16、20表示下端螺纹直径。
如:P-15T16,P表示普通型针式绝缘子,15表示额定电压15kV,16表示下端螺纹直径16mm。
悬式瓷绝缘子1 用途:接触网中悬挂附加导线用。
※.2 性能:图1为防污型耳环悬式绝缘子,双层伞型,应包括铁帽球窝、扁钢脚及弹簧销。
图2为防污型杵头悬式绝缘子,双层伞型,应包括铁帽球窝、球头钢脚及弹簧销。
2.1.1尺寸及规格(见表1)表1类型尺寸防污耳环悬式绝缘子防污杵头悬式绝缘子D×H(mm)254×146 254×146d(mm)17φ(mm)192.1.2主要机电性能(见表2)表2类型机电性能防污耳环悬式绝缘子防污杵头悬式绝缘子额定电压(kV)25 25工频干闪电压有效值(kV)≥90 ≥90工频湿闪电压有效值(kV)≥45 ≥45工频击穿电压有效值(kV)≥110 ≥11050%全波冲击闪络电压峰值(kV)≥130 ≥130 抗拉机电破坏负荷(kN)70 70公称泄漏距离(mm)≥400 ≥4003其他技术要求3.1 打击破坏负荷不小于565N.cm。
3.2 1h机电负荷(试验值)为52.5kN。
4 由投标人提供绝缘子的结构尺寸图纸(包括组成零件的各部件的名称、材料、重量、尺寸等)及必要的说明、绝缘子与吊环及杵座鞍子的连接图。
5 由铁件、涂釉瓷件和钢脚组成,单件重量不超过7 kg。
铁件表面采用热浸镀锌防腐,其技术要求必须符合TB/T2073-98中三级镀锌的标准或JB/T8177。
镀锌层检验方法比照SD218《电力金具制造质量标准-钢铁件热镀锌层》的规定进行。
6瓷件采用高强瓷,并逐件进行红外线探伤检测。
7瓷釉颜色:白色8检查、试验、验收抽样方案及判别依据GB11030-89。
9技术文件9.1投标人提供制造厂的生产情况、产品样本、及相关产品的现场使用情况。
9.2当供货时,投标人应写明规格名称、附加质量良好的弹簧销子。
10质量保证10.1投标人应随生产过程提供必要的质量记录。
10.2产品制造应具有良好的生产条件、工艺装备、检测设备和试验设备。
10.3绝缘子的加工及金属件表面防腐处理应严格按照本技术规格书及相关标准执行。
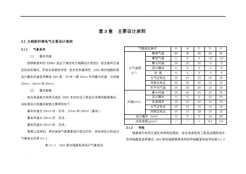
第3章主要设计原则3.1大档距杆塔电气主要设计原则3.1.1气象条件(1)基本风速按照新颁布的《66kV及以下架空电力线路设计规范》,结合南网五省区的实际情况,并综合考虑经济性、安全性和通用性,10kV架空线路标准设计基本风速采用离地10m高,30年一遇10min平均最大风速,分别取25m/s、30m/s和35m/s。
(2)覆冰取值综合考虑南方电网五省区2008年冰灾后工程设计冰厚的取值情况,本标准设计的覆冰取值主要原则如下:基本风速为25m/s时:无冰、10mm和20mm(重冰);基本风速为30m/s时:无冰;基本风速为35m/s时:无冰。
根据上述原则,再对其他气象要素进行适当归并,本标准设计的设计气象组合见表3.1-1。
表3.1-1 10kV架空线路标准设计气象组合3.1.2导线根据南方电网五省区电网规划原则,综合考虑现有工程及远期规划中的导线截面选择情况,10kV架空线路推荐采用的导线截面和型号如表3.1-2..所示,导线的安全系数和主要技术参数分别如表3.1-3和表3.1-4所示。
表3.1-2 导线标称截面和型号表3.1-3 导线安全系数综合考虑实际应用情况并进行适当归并,10kV 架空线路标准设计大档距杆塔按120 mm 2和240mm 2两种导线截面进行的设计。
表3.1-4 钢芯铝绞线主要技术参数表.3.1.3海拔高度根据南方电网五省区海拔高度的不同分布情况(、广西和海南主要为0~1000m,贵州主要为1000~2000m,云南主要为2000~3000m)以及不同海拔高度对塔头间隙的影响较小,本标准设计模块库海拔高度均按0~3000m考虑。
3.1.4杆塔型式及回路数10kV大档距杆塔标准设计考虑了混凝土杆和螺栓角钢塔型式,均只考虑单回路情况。
3.1.5导线排列方式综合考虑南方电网五省区以往10kV架空线路的工程经验,10kV大档距杆塔标准设计杆塔导线排列方式按表3.1-4所示考虑。
表3.1-4 导线排列方式3.1.6杆塔规划杆塔规划必须技术可行、经济合理,针对南方电网五省区的特点,制定规划原则,既考虑统一性,又兼顾差异性,使其在具体工程的应用中杆塔的利用系数尽量接近1.0,取得较好的经济效益。
一、线路柱式复合绝缘子1、简述由玻璃纤维环氧树脂引拨棒,硅橡胶伞裙,金具三部分组成。
其硅橡胶伞裙采用整体注压工艺,从而解决了影响复合绝缘子可靠性的关键问题一界面电气击穿。
玻璃引拨棒与金具的联接采用独特的胶装工艺,并且可采用国内最先进的压接工艺,配有全自动声波探伤检测系统,强度高,外形美观,体积小,重量轻,金具镀锌可防锈蚀,可与瓷绝缘子互换使用,本产品结构可靠,不损伤芯棒,能充分发挥其机械强度。
产品性能:电气性能优越,机械强度高,内部承载的环氧玻璃纤维引拨棒抗张抗弯度比普通钢材高2倍,是高强度瓷材料的8-10倍,有效提高了安全运行的可靠性。
耐污性能好,抗污闪能力强,其湿耐受电压和污秽耐电压为相同爬距瓷绝缘子的2-2.5倍,且不需清扫,能在重污秽地区安全运行。
体积小、重量轻(仅为同电压等级瓷绝缘子的1/6-1/19),结构轻巧,便于运输和安装。
硅橡胶伞裙具有良好的憎水性能,其整体结构保证了内绝缘布受潮,不需进行预防性绝缘监测试验,不需清扫,减少了日常维护工作量。
密封性能好,耐电蚀能力强,伞裙材料耐漏电起痕达YMA4.5级水平,具有良好的耐老化、耐腐蚀、耐低温性能,可适用于-40℃≈+50℃地区。
具有很强的抗冲击性和防震性能,其良好的防脆性和抗蠕变性,不易破碎、抗弯曲、抗扭强度高,可承受内部压强,防爆力强,可与瓷、玻璃绝缘子互换使用。
复合绝缘子系列产品,其机械性能和电气性能均优于瓷绝缘子,运行安全裕度大,是电力线路用的更新产品。
2、主要技术参数GB/T 19519-2004 《标称电压高于1000V的交流架空线路用复合绝缘子——定义、试验方法及验收准则》JB/T 5892-1991 《高压线路用有机复合绝缘子技术条件》GB/T 1000.2-1988 《高压线路针式瓷绝缘子尺寸与特性》型号说明:F——复合绝缘子;P——针式;Q——防污型;1,2,3,4——防污等级;“—”后数字为额定电压值,kV;技术参数表规格型号额定电压kV额定弯曲负荷kN钢脚螺纹直径*长度(mm)夹线范围(mm)结构高度(mm)±10绝缘距离(mm)最小公称爬电距离(mm)雷电全波冲击耐受电压kV工频湿耐受电压1 min kVFPQ4-1/3T161-3 3 16*40 10-30 190 100 230 40 18 FPA-10/2T18 6-12 2 18*40 12-18 225 138 390 95 30 FPA-10/2L18 6-12 2 18*85 16-30 225 138 390 95 30 FPQ3-10/4T16 6-12 4 16*40 16-30 220 120 320 95 30 FPQ3-10/5T18 6-12 5 18*40 16-30 220 120 320 95 30 FPQ3-10/6T20 6-12 6 20*40 16-30 220 120 320 95 30 FPQ4-10/3T20 10-15 3 16*40 16-30 260 160 460 105 40 FPQ4-10/4L20 10-15 4 18*85 16-30 260 160 460 105 40 FPQ4-10/5M20 10-15 5 20*130 16-30 260 160 460 105 40 FPQ-20/3T20 20 3 20*40 16-35 305 205 535 125 50 FPQ-35/2T20 35 2 20*40 16-35 400 320 835 185 80 FPQ-35/5T20 35 5 20*40 16-35 400 320 835 185 80二、交流棒形悬式复合绝缘子1、简述复合绝缘子是由绝缘棒芯、硅橡胶伞套以及两端的连接金具三个部分组成。
第3章主要设计原则3.1大档距杆塔电气主要设计原则3.1.1气象条件(1)基本风速按照新颁布的《66kV及以下架空电力线路设计规范》,结合南网五省区的实际情况,并综合考虑经济性、安全性和通用性,10kV架空线路标准设计基本风速采用离地10m高,30年一遇10min平均最大风速,分别取25m/s、30m/s和35m/s。
(2)覆冰取值综合考虑南方电网五省区2008年冰灾后工程设计冰厚的取值情况,本标准设计的覆冰取值主要原则如下:基本风速为25m/s时:无冰、10mm和20mm(重冰);基本风速为30m/s时:无冰;基本风速为35m/s时:无冰。
根据上述原则,再对其他气象要素进行适当归并,本标准设计的设计气象组合见表3.1-1。
表3.1-1 10kV架空线路标准设计气象组合3.1.2导线根据南方电网五省区电网规划原则,综合考虑现有工程及远期规划中的导线截面选择情况,10kV 架空线路推荐采用的导线截面和型号如表3.1-2所示,导线的安全系数和主要技术参数分别如表3.1-3和表3.1-4所示。
表3.1-2 导线标称截面和型号表3.1-3 导线安全系数综合考虑实际应用情况并进行适当归并,10kV 架空线路标准设计大档距杆塔按120 mm 2和240mm 2两种导线截面进行的设计。
表3.1-4 钢芯铝绞线主要技术参数表3.1.3海拔高度根据南方电网五省区海拔高度的不同分布情况(广东、广西和海南主要为0~1000m,贵州主要为1000~2000m,云南主要为2000~3000m)以及不同海拔高度对塔头间隙的影响较小,本标准设计模块库海拔高度均按0~3000m考虑。
3.1.4杆塔型式及回路数10kV大档距杆塔标准设计考虑了混凝土杆和螺栓角钢塔型式,均只考虑单回路情况。
3.1.5导线排列方式综合考虑南方电网五省区以往10kV架空线路的工程经验,10kV大档距杆塔标准设计杆塔导线排列方式按表3.1-4所示考虑。
表3.1-4 导线排列方式3.1.6杆塔规划杆塔规划必须技术可行、经济合理,针对南方电网五省区的特点,制定规划原则,既考虑统一性,又兼顾差异性,使其在具体工程的应用中杆塔的利用系数尽量接近1.0,取得较好的经济效益。
第3章主要设计原则3.1大档距杆塔电气主要设计原则3.1.1气象条件(1)基本风速按照新颁布的《66kV及以下架空电力线路设计规》,结合南网五省区的实际情况,并综合考虑经济性、安全性和通用性,10kV架空线路标准设计基本风速采用离地10m高,30年一遇10min平均最大风速,分别取25m/s、30m/s和35m/s。
(2)覆冰取值综合考虑南方电网五省区2008年冰灾后工程设计冰厚的取值情况,本标准设计的覆冰取值主要原则如下:基本风速为25m/s时:无冰、10mm和20mm(重冰);基本风速为30m/s时:无冰;基本风速为35m/s时:无冰。
根据上述原则,再对其他气象要素进行适当归并,本标准设计的设计气象组合见表3.1-1。
表3.1-1 10kV架空线路标准设计气象组合3.1.2导线根据南方电网五省区电网规划原则,综合考虑现有工程及远期规划中的导线截面选择情况,10kV架空线路推荐采用的导线截面和型号如表3.1-2所示,导线的安全系数和主要技术参数分别如表3.1-3和表3.1-4所示。
S. . . . . ..S. . . . . ..表3.1-2 导线标称截面和型号表3.1-3 导线安全系数综合考虑实际应用情况并进行适当归并,10kV 架空线路标准设计大档距杆塔按120 mm 2和240mm 2两种导线截面进行的设计。
表3.1-4 钢芯铝绞线主要技术参数表S. . . . . ..3.1.3海拔高度根据南方电网五省区海拔高度的不同分布情况(、广西和主要为0~1000m,主要为1000~2000m,主要为2000~3000m)以及不同海拔高度对塔头间隙的影响较小,本标准设计模块库海拔高度均按0~3000m考虑。
3.1.4杆塔型式及回路数10kV大档距杆塔标准设计考虑了混凝土杆和螺栓角钢塔型式,均只考虑单回路情况。
3.1.5导线排列方式综合考虑南方电网五省区以往10kV架空线路的工程经验,10kV大档距杆塔标准设计杆塔导线排列方式按表3.1-4所示考虑。
第3章主要设计原则3.1大档距杆塔电气主要设计原则3.1.1气象条件(1)基本风速按照新颁布的《66kV及以下架空电力线路设计规范》,结合南网五省区的实际情况,并综合考虑经济性、安全性和通用性,10kV架空线路标准设计基本风速采用离地10m高,30年一遇10min平均最大风速,分别取25m/s、30m/s和35m/s。
(2)覆冰取值综合考虑南方电网五省区2008年冰灾后工程设计冰厚的取值情况,本标准设计的覆冰取值主要原则如下:基本风速为25m/s时:无冰、10mm和20mm(重冰);基本风速为30m/s时:无冰;基本风速为35m/s时:无冰。
根据上述原则,再对其他气象要素进行适当归并,本标准设计的设计气象组合见表3.1-1。
表3.1-1 10kV架空线路标准设计气象组合3.1.2导线根据南方电网五省区电网规划原则,综合考虑现有工程及远期规划中的导线截面选择情况,10kV 架空线路推荐采用的导线截面和型号如表3.1-2所示,导线的安全系数和主要技术参数分别如表3.1-3和表3.1-4所示。
表3.1-2 导线标称截面和型号表3.1-3 导线安全系数综合考虑实际应用情况并进行适当归并,10kV 架空线路标准设计大档距杆塔按120 mm 2和240mm 2两种导线截面进行的设计。
表3.1-4 钢芯铝绞线主要技术参数表3.1.3海拔高度根据南方电网五省区海拔高度的不同分布情况(广东、广西和海南主要为0~1000m,贵州主要为1000~2000m,云南主要为2000~3000m)以及不同海拔高度对塔头间隙的影响较小,本标准设计模块库海拔高度均按0~3000m考虑。
3.1.4杆塔型式及回路数10kV大档距杆塔标准设计考虑了混凝土杆和螺栓角钢塔型式,均只考虑单回路情况。
3.1.5导线排列方式综合考虑南方电网五省区以往10kV架空线路的工程经验,10kV大档距杆塔标准设计杆塔导线排列方式按表3.1-4所示考虑。
表3.1-4 导线排列方式3.1.6杆塔规划杆塔规划必须技术可行、经济合理,针对南方电网五省区的特点,制定规划原则,既考虑统一性,又兼顾差异性,使其在具体工程的应用中杆塔的利用系数尽量接近1.0,取得较好的经济效益。
110kV常用绝缘子简介绝缘子:是将导线绝缘地固定和悬吊在杆塔上的物件。
送电线路常用绝缘子有:盘形瓷质绝缘子、盘形玻璃绝缘子、棒形悬式复合绝缘子。
一、参数的认识上表为某厂盘型瓷质防污型绝缘子的参数1、公称结构高度H:为绝缘子最顶部的钢帽到绝缘子最下端的铁脚的垂直高度2、瓷件公称盘径D:绝缘子成圆形:即为它的直径。
3、最小公称爬电距离:电气间隙的净距离,即为绝缘子瓷件到上下铁件的最小尺寸。
也可以直接理解为泄露距离,如下图示的A~B之间虚线所示的距离泄漏距离:是绝缘子重要特征之一。
在一定的合理的伞棱条件下,绝缘子的污秽闪络电压,随泄漏距离的增加而直线上升。
泄漏比距:指单位电压(每千伏)在绝缘子表面上的泄漏距离。
即绝缘子外绝缘的泄漏距离对系统最高工作电压有效值之比。
泄漏比距是表示绝缘子抗污闪能力的重要技术指标。
4、连接形式标记:16为设计序号,C为槽型连接,球形连接不表示5、机电破坏负荷:即绝缘子能承受的最大机械负荷,在此负荷下绝缘不发生破裂、棒心抽丝的现象。
其读数方法:对于瓷质悬式绝缘子:XP-70: 70即表示70吨的机电破坏负荷.对于合成绝缘子:FXBW-110/110: 110为其适用的电压等级为110kV,100即表示110的机电破坏负荷6、50%全波冲击闪络电压(峰值):也叫冲击放电电压,一般是对试验的绝缘子多次施压,其中半数数据导致绝缘子发生闪络,那么用加权法得到最终数据,它主要用于反映绝缘子受冲击电压的能力。
它与绝缘子的放电距离、轮缘、裙边、空气密度及湿度等有关。
但由于冲击电压作用时间很短,冲击闪络电压绝缘子的冲击干放电7、工频湿放电电压:是指绝缘子受雨量为3毫米/分钟,水电阻率为9500~10500Ω·m,水温为20℃的均匀的与水平面成45°角的雨水作用下,沿绝缘子表面引起火花放电的最小工频电压。
绝缘子的工频湿放电电压与绝缘子的形状,绝缘子的放电距离,下雨时间等有关。
导线型号及相应参数汇总————————————————————————————————作者: ————————————————————————————————日期:ﻩ母线QLFM型全连式离相封闭母线FQFM型分段全连式离相封闭母线规格表GXFM型共箱母线规格表GGFM型共箱隔相母线规格表槽形母线钢母线铝锰合金管形母线铜母线铝母线钢铝绞线LJ铝绞线LGJ型钢芯铝绞线扩径导线绝缘电线聚氯乙烯绝缘电线聚氯乙烯绝缘屏蔽电线高压线路刚性绝缘子高压线路针式瓷绝缘子高压线路横担绝缘子高压线路柱式绝缘子高压线路蝶式绝缘子一、母线QLFM型全连式离相封闭母线产品型号技术参数外形尺寸(mm)重量(kg/m) 额定电压(KV) 额定电流(A) 外壳导体QLFM-6000/15.75-Z15.756000Ø750 Ø300 120QLFM-8000/15.75-Z15.75 8000 Ø850 Ø400 140QLFM-10000/15.75-Z15.7510000 Ø850~Ø900Ø400 140 QLFM-12000/18-Z 18 12000Ø1000 Ø500 172 QLFM-12500/18-Z 18 12500Ø1000Ø500172 QLFM-15000/20-Z20 15000Ø1100Ø900 190 QLFM-22000/20-J 20 22000 Ø1400 Ø900265 QLFM-12000/20-Z-J 20 12000Ø1000 Ø500 172FQFM型分段全连式离相封闭母线规格表产品型号技术参数外形尺寸(mm)重量(kg/m) 额定电压(KV)额定电流(A) 外壳导体FQFM-12000/18-Z 18 12000 Ø1000 Ø500 172GXFM型共箱母线规格表产品型号技术参数外形尺寸(mm)重量(kg/m) 额定电压(KV)额定电流(A) 外壳导体GXFM-1000/10-Z 6.3-1 86 GXFM-1600/10-Z6.3-1 95 GXFM-2000/10-Z 6.3-1100GXFM-2500/10-Z 6.3-1 118 GXFM-3150/10-Z 6.3-10 32GGFM型共箱隔相母线规格表产品型号技术参数外形尺寸(mm)重量(kg/m) 额定电压(KV) 额定电流(A) 外壳导体GGFM-2000/15.75-Z10-15.75 2 48GGFM-2500/15.75-Z 10-15.7525 2槽形母线规格型号重量(kg/m) 规格型号重量(kg/m)规格型号重量(kg/m)A[-175×80×8 6.62 A[-150×65×74.99A[125×55×6.53.9A[-200×100×10 10.26 A[-200×90×1211.45 A[200×90×109.66A[-250×115×10.5 15.37A[75×35×4 1.47A[225×105×12.514.88A[-75×35×3.51.29 A[75×35× 2.01A[250×11515.975.5 ×12.5A[-100×45×5 24.1A[100×45×4.52.19A[-125×55×5.5 3.3A[100×45×6 2.9钢母线规格型号重量(kg/m)规格型号重量(kg/m) 规格型号重量(kg/m) CT-6×70 3.3CT-10×120 9.42 CT-6×55 2.59 CT-6×803.77 CT-3×20 0.47 CT-6×60 2.83 CT-6×90 4.24 CT-3×250.59 CT-10×140 10.99 CT-6×100 4.71 CT-3×300.71 CT-12×80 7.54CT-8×60 3.77 CT-4×30 0.94 CT-12×90 8.48 CT-8×70 4.4 CT-4×35 1.1 CT-12×100 9.42 CT-8×80 5.02CT-4×40 1.26 CT-12×12011.3CT-8×90 5.65CT-4×50 1.57 CT-12×15014.13 CT-8×100 6.28 CT-5×40 1.57 CT-14×90 9.89 CT-10×70 5.5CT-5×50 1.96CT-14×100 10.99 CT-10×80 6.28 CT-5×60 2.36 CT-16×9011.3 CT-10×90 7.07 CT-5×70 2.75 CT-16×100 12.56CT-10×100 7.85 CT-6×50 2.36 CT-16×15018.84铝锰合金管形母线规格型号重量(kg/m) 规格型号重量(kg/m) 规格型号重量(kg/m)Ø30/Ø25 1.1 Ø70/Ø64 3.38 Ø130/Ø116 14.29 Ø40/Ø35 1.54 Ø80/Ø72 5.07 Ø150/Ø136 16.75 Ø50/Ø45 1.98 Ø100/Ø90 7.92Ø60/Ø54 2.85Ø120/Ø110 9.68铜母线规格型号重量(kg/m) 规格型号重量(kg/m) 规格型号重量(kg/m)TMY-30×4 1.07TMY-50×5 2.22 TMY-100×8 7.10TMY-30×5 1.33TMY-50×6 2.66 TMY-100×108.88TMY-30×6 1.59 TMY-60×6 3.19 TMY-120×88.53TMY-40×4 1.42TMY-60×8 4.26TMY-120×10 10.66TMY-40×5 1.78 TMY-80×8 5.68TMY-40×6 2.13TMY-80×107.10铝母线规格型号重量(kg/m)规格型号重量(kg/m)规格型号重量(kg/m)LMY-20×3 0.16LMY-50×50.68 LMY-80×10 2.16 LMY-20×4 0.22LMY-50×6 0.81 LMY-100×6 1.62LMY-30×3 0.24 LMY-60×5 0.81 LMY-100×8 2.16LMY-30×4 0.32 LMY-60×6 0.97 LMY-100×10 2.7LMY-40×4 0.43 LMY-80×6 1.3 LMY-120×9 2.59 LMY-40×5 0.54LMY-80×8 1.73LMY-120×10 3.24二、钢铝绞线LJ铝绞线标称截面(mm2) 外径(mm) 重量(kg/km) 标称截面(mm2) 外径(mm)重量(kg/km) LJ-16 5.145.5LJ-185 17.50503 LJ-25 6.45 69.6 LJ-210 18.75 577.4LJ-357.5 94.1 LJ-240 20 656.9LJ-50 9 135.5 LJ-300 22.4 820.4 LJ-70 10.8 195.1LJ-40025.90 1097LJ-95 12.48 260.5 LJ-500 29.12 1387LJ-12014.25 333.5LJ-63032.67 1744LJ-150 15.75 407.4LJ-80036.92225LGJ型钢芯铝绞线标称截面ﻫ铝/钢(mm2) 外径(mm) 重量(kg/km)标称截面ﻫ铝/钢(mm2)外径(mm) 重量(kg/km)LGJ-10/2 4.5 42.9 LGJ-95/55 16707.7LGJ-16/3 5.55 65.2 LGJ-120/714.5 379LGJ-25/4 6.96 102.6LGJ-120/20 15.07 466.8 LGJ-35/6 8.16 141LGJ-120/25 15.74 526.6LGJ-50/8 9.6 195.1 LGJ-120/7018895.6 LGJ-50/3011.6 372 LGJ-150/8 16461.4 LGJ-70/1011.4275.2 LGJ-150/20 16.67549.4 LGJ-70/40 13.6 511.3 LGJ-150/25 17.1 601 LGJ-95/15 13.61 380.8 LGJ-150/35 17.5 676.2 LGJ-95/20 13.87 408.9 LGJ-185/10 18 584LGJ-185/2518.9 706.1 LGJ-400/50 27.63 1500 LGJ-185/30 18.88 732.6 LGJ-400/65 281600 LGJ-185/45 19.6848.2LGJ-400/9529.14 1860 LGJ-210/10 19 650.7LGJ-500/3530 1642LGJ-210/25 19.98 789.1 LGJ-500/45 30 1688 LGJ-210/35 20.38 853.9 LGJ-500/65 30.96 1897 LGJ-210/5020.86 960.8LGJ-630/45 33.6 2060LGJ-240/3021.6922.2LGJ-630/55 34.34 2209LGJ-240/4021.66 964.3LGJ-630/80 34.822388LGJ-240/55 22.40 1108 LGJ-800/55 38.40 2690LGJ-300/1523.01 939.8LGJ-800/7038.58 2791LGJ-300/20 23.43 1002 LGJ-800/100 38.98 2991 LGJ-300/25 23.761058 LGJJ-12015.5 530 LGJ-300/40 23.94 1133 LGJJ-150 17.5 678 LGJ-300/50 24.26 1210 LGJJ-185 19.6 850LGJ-300/70 25.2 1402 LGJJ-24022.4 1111LGJ-400/20 26.91 1286 LGJQ-15016 559 LGJ-400/25 26.64 1295 LGJQ-185 18.4 687 LGJ-400/35 26.82 1349 LGJQ-240 21.6937扩径导线标称截面(mm) 导线外径(mm) 导线重量(kg/km)标称截面(mm) 导线外径(mm)导线重量(kg/km)LGKK-600 51 2711 LGJK-800 49 3491LGKK-900 49 3650 LGJK-100051 4013 LGKK-1400 57 5159 LGJK-1250 524713LGJK-630 482994 LGJK-1400 51 4962三、绝缘电线聚氯乙烯绝缘电线(GB5023 2-85)标称截面ﻫ芯×(mm2) 外径(mm) 重量(kg/km)标称截面芯×(mm2)外径(mm) 重量(kg/km)BV-0.5 0.5 2.48.5BV-0.75 240 26.5 2350 BV-0.50.75(A)2.6 11.1BV-0.75300 29.5 2930 BV-0.50.75(B)2.8 12.0 BV-0.75 400 33.0 3870BV-0.5 1.0(A) 2.8 13.9BLV-0.752.53.9 17BV-0.51.0(B)3.015.0 BLV-0.75 4 4.4 22 BV-0.75 1.5(A)3.3 20.3 BLV-0.75 6 4.9 29BV-0.751.5(B)3.5 21.6 BLV-0.75 10 7.0 62 BV-0.75 2.5(A)3.931.6 BLV-0.75 16 8.0 78BV-0.752.5(B)4.2 34.8BLV-0.7525 10.0 118 BV-0.75 4(A) 4.4 47.1 BLV-0.75 35 11.5156BV-0.754(B)4.8 50.3 BLV-0.7550 13.0215 BV-0.756(A) 4.9 67.1 BLV-0.75 70 15.0 282 BV-0.75 6(B)5.4 71.2 BLV-0.75 95 17.5385BV-0.75 10 7.0119 BLV-0.7512019.0431BV-0.7516 8.0 179 BLV-0.75 50 21.0 539BV-0.75 25 10.0281 BLV-0.75 185 23.5 666 BV-0.753511.5 381BLV-0.75 240 26.5 857BV-0.75 50 13.0 521 BLV-0.7530029.5 1070BV-0.75 70 15.0 734BLV-0.75 400 33.01390标称截面芯×(mm2) 外径(mm) 重量(kg/km)标称截面ﻫ芯×(mm2)外径(mm) 重量(kg/km)BV-0.7595 17.5 962 BVR-0.75 2.5 4.2 34.7BV-0.75120 19.0 1180 BVR-0.75 4 4.8 51.4 BV-0.75 150 21.0 1470BVR-0.75 6 5.6 73.6 BV-0.7518523.5 1810 BVR-0.7510 7.6 129BVR-0.75 16 8.8 186 BVV-0.54×4(A)14.5 321BVR-0.75 25 11.0 306 BVV-0.54×4(B)15.5346BVR-0.7535 12.5 403 BVV-0.5 4×6(A) 16.0 439 BVR-0.75 50 14.5 553BVV-0.5 4×6(B) 17.5 470BVR-0.7570 16.5 764 BVV-0.55×1.5(A)12.0 192BVV-0.51×0.754.3 23BVV-0.55×1.5(B)12.5205BVV-0.51×1.0 4.5 26.4 BVV-0.55×2.5(A)14.0272BVV-0.51×1.5(A)4.934.6BVV-0.55×2.5(B)14.5 292BVV-0.5 1×1.5(B) 5.2 36.5BVV-0.55×4(A)16.0379BVV-0.51×2.5(A) 5.846.4BVV-0.5 5×4(B)17.0 418BVV-0.51×2.5(B) 6.0 51.5BVV-0.55×6(A)17.5 518BVV-0.51×4(A)6.4 65.9 BVV-0.5 5×6(B) 18.5550 BVV-0.5 1×4(B) 6.8 73.3 BLVV-0.5 2.5 5.8 31.1BVV-0.5 1×6(A)7.0 91.6 BLVV-0.5 46.4 41.0标称截面芯×(mm2) 外径(mm) 重量(kg/km)标称截面ﻫ芯×(mm2)外径(mm) 重量(kg/km)BVV-0.5 1×6(B) 7.4 97.6 BLVV-0.5 67.0 50.6BVV-0.5 1×10 8.8152.0 BLVV-0.5 10 8.8 81.1BVV-0.5 2×1.5(A) 9.8 109 BVVB-0.5 2×0.754.6×7.043.7BVV-0.5 2×1.5(B)10.5 123BVVB-0.5 2×1.04.8×7.4 51.0BVV-0.5 2×2.5(A)11.5 157BVVB-0.52×1.55.4×8.4 65.9BVV-0.52×2.5(B) 12.0172BVVB-0.52×2.56.2×9.8 95.7BVV-0.52×4(A) 12.5 205 BVVB-0.5 2×47.2×11.5146.0 BVV-0.5 2×4(B)13.0 222BVVB-0.5 2×6 8.0×13.0 200.0BVV-0.52×6(A)13.5265BVVB-0.52×109.6×16.0323.0BVV-0.52×6(B)14.5 286 BVVB-0.53×0.754.6×9.4 62.6BVV-0.5 2×1018.0 471 BVVB-0.5 3×1.0 4.8×9.8 74.3 BVV-0.5 3×1.5(A) 10.5 136 BVVB-0.5 3×1.5 5.4×11.5 95.6BVV-0.5 3×1.5(B) 11.0 146BVVB-0.53×2.56.2×13.5 140BVV-0.5 3×2.5(A) 12.0 190BVVB-0.53×47.4×16.5 220BVV-0.5 3×2.5(B)12.5 207BVVB-0.5 3×68.0×18.0 295 BVV-0.5 3×4(A) 13.0 252 BVVB-0.5 3×10 9.6×22.0485 BVV-0.53×4(B) 14.0 272 BVVB-0.52×2.5 6.2×9.8 64.9 BVV-0.53×6(A) 14.5 344 BVVB-0.5 2×4 6.8×11.0 80.7BVV-0.53×6(B)15.5 369 BVVB-0.52×67.4×12.0 1.4BVV-0.53×10 19.0 574 BVVB-0.5 2×10 9.6×16.0 177BVV-0.5 4×1.5(A) 11.5164BVVB-0.53×2.56.2×13.5 93.9BVV-0.54×1.5(B)12.0 174 BVVB-0.53×4 7.0×15.0123BVV-0.5 4×2.5(A)13.0228 BVVB-0.53×6 7.4×17.0 153 BVV-0.54×2.5(B)13.5252 BVVB-O.5 3×10 9.6×22.5 261聚氯乙烯绝缘屏蔽电线标称截面ﻫ芯×(mm2) (一芯椭圆型) 外径(mm)重量(kg/km)标称截面ﻫ芯×(mm2)(一芯椭圆型)外径(mm)重量(kg/km)RVVP(RVVP1)-0.32×0.08 3.4×4.3 16.7RVVP RVVP1-0.3 2×0.125.0 25.4RVVP(RVVP1)-0.3 2×0.12 3.5×5.0 20.2RVVP RVVP1-0.32×0.25.4 33.2RVVP(RVVP1)-0.32 3.7×5.4 25.8 RVVPRVVP1-0.36.2 49.3×0.20 2×0.30RVVP(RVVP1)-0.32×0.304.2×6.2 32.8RVVPRVVP1-0.32×0.406.6 57.0RVVP(RVVP1)-0.32×0.404.4×6.6 43.5RVVP RVVP1-0.3 2×0.506.8 59.2RVVP(RVVP1)-0.32×0.504.5×6.845.6RVVPRVVP1-0.32×0.757.270.7RVVP(RVVP1)-0.32×0.754.7×7.2 55.0RVVP RVVP1-0.3 2×1.008.0 86.7RVVP(RVVP1)-0.3 2×1.005.2×8.0 69.1RVVP RVVP1-0.3 2×1.50 9.0 110.4RVVP(RVVP1)-0.3 2×1.50 6.0×9.0 89.1 RVVPRVVP1-0.3 2×0.125.2 26.2RVVP-0.3 0.035 2.4 6.7RVVP RVVP1-0.3 3×0.20 6.038.6RVVP-0.30.06 2.5 7.1 RVVP RVVP1-0.3 3×0.30 6.648.6RVVP-0.3 0.08 2.79.2 RVVP RVVP1-0.33×0.406.8 56.7RVVP-0.3 0.12 2.810.1 RVVPRVVP1-0.3 3×0.507.0 60.7RVVP-0.3 0.20 3.0 13.1 RVVP RVVP1-0.33×0.757.6 73.6RVVP-0.3 0.303.3 16.0RVVP RVVP1-0.33×1.008.8100RVVP-0.3 0.40 3.522.4 RVVPRVVP1-0.33×1.509.8 131RVVP-0.3 0.503.6 23.5RVVPRVVP1-0.34×0.126.0 35.2RVVP-0.3 0.753.828.2 RVVP RVVP1-0.3 4×0.20 6.2 45.9RVVP-0.31.0 4.6 39.2 RVVPRVVP1-0.34×0.307.0 57.5RVVP-0.31.5 4.945.8 RVVP RVVP1-0.34×0.40 7.4 67.9RVVP-0.3 2.5 5.8 64.4RVVP RVVP1-0.35×0.126.2 40.5RVVP RVVP1-0.32×0.084.3 22.8RVVPRVVP1-0.3 5×0.20 6.6 52.7RVVP RVVP1-0.3 5×0.30 7.6 66.6 RVVPRVVP1-0.312×0.4011.5 175标称截面外径(mm) 重量标称截面外径(mm) 重量(k芯×(mm2)ﻫ(一芯椭圆型) (kg/km) 芯×(mm2)(一芯椭圆型)g/km)RVVPRVVP1-0.35×0.40 8.078.8RVVP RVVP1-0.3 14×0.129.0 87.6RVVP RVVP1-0.3 6×0.126.6 39.7RVVP RVVP1-0.3 14×0.20 10.0127.0RVVP RVVP1-0.3 6×0.20 7.2 59.6RVVP RVVP1-0.3 14×0.3011.5162.0RVVPRVVP1-0.36×0.308.0 76.6RVVPRVVP1-0.314×0.4012.0 197.0RVVP RVVP1-0.36×0.40 9.0 98.3 RVVP RVVP1-0.316×0.129.4 96.3RVVP RVVP1-0.37×0.126.6 48.5RVVP RVVP1-0.316×0.2010.5 139RVVP RVVP1-0.37×0.20 7.2 64.2RVVP RVVP1-0.316×0.3012.0 180RVVP RVVP1-0.3 7×0.30 8.0 80.3RVVP RVVP1-0.3 16×0.4012.5 216RVVPRVVP1-0.37×0.40 9.0 106.0RVVP RVVP1-0.319×0.1210.0117RVVP RVVP1-0.310×0.128.0 65.3 RVVPRVVP1-0.3 19×0.20 11.0 157RVVP RVVP1-0.310×0.20 9.094.3RVVPRVVP1-0.319×0.3012.5203RVVPRVVP1-0.310×0.3010.5 132.0RVVP RVVP1-0.3 19×0.40 13.5 257RVVP RVVP1-0.310×0.40 11.5 157.0RVVPRVVP1-0.324×0.1211.5 142RVVPRVVP1-0.3 13×0.12 8.2 72.4RVVP RVVP1-0.324×0.2012.5 191RVVPRVVP1-0.3 12×0.209.2105RVVP RVVP1-0.324×0.3014.5 199RVVP RVVP1-0.3 12×0.39 11.0 147RVVP RVVP1-0.324×0.4015.5 317四、高压线路刚性绝缘子高压线路针式瓷绝缘子名称规格重量(kg)名称规格重量(kg)名称规格重量(kg) 名称规格重量(kg) P-6T 1.4 P-15M 3.6PQ-10M 2.7 PQ1-10L 5.5P-6M 2.8P-15MC 4.2 PQ-10T16 2.30 PQ1-10LT 6.5P-6W1.6P-20T 7.0 PQ-10MC 3.0PQ1-10BT6.7P-10T 2.2 P-20M7.4 PQ-10L 2.35 PQ1-10BL 5.5P-10M 2.5P-35T 9.6 PQ-10LT 2.35 PQ1-10BLT6.5P-10MC 2.8P-35M 9.9 PQ1-10T 6.7P-15T 3.3PQ-10T 2.35 PQ1-10M 7.3高压线路横担绝缘子名称规格安装孔径(mm) 重量(kg) 名称规格安装孔径(mm) 重量(kg) S-10/2.518 5S-21018 5.7S1-10/2.518 5S-210Z18 5.7S-10/518 6.2 SC-280 229S-35/5 22 12 SC-280Z22 9S2-35/522 19.5 S-280 2212SC-185 18 3 S-280Z22 12SC-185Z 18 3 S-380 22 22.2 S-185 18 5 S-380Z 2224S-185Z 18 5 S-450 22 25.2 SC-21018 4.2 S-450Z 22 27.2 SC-210Z 18 4.2 S-610 22 47.5高压线路柱式绝缘子名称规格主要尺寸(mm)重量(kg) 名称规格主要尺寸(mm)重量(kg)H D H DPS-15/3224120 3 1 11 PS-15/5 281 125 5 1 161 5 1 181 9.5 1 9高压线路蝶式绝缘子名称规格主要尺寸(mm)重量(kg) 名称规格主要尺寸(mm)重量(kg)H D H DE-1 180 1503.0 E-6 145 180 1.8 E-2 150 130 2.1 E-10 175 1503.5。
第3章主要设计原则3.1大档距杆塔电气主要设计原则3.1.1气象条件(1)基本风速按照新颁布的《66kV及以下架空电力线路设计规范》,结合南网五省区的实际情况,并综合考虑经济性、安全性和通用性,10kV架空线路标准设计基本风速采用离地10m高,30年一遇10min平均最大风速,分别取25m/s、30m/s和35m/s。
(2)覆冰取值综合考虑南方电网五省区2008年冰灾后工程设计冰厚的取值情况,本标准设计的覆冰取值主要原则如下:基本风速为25m/s时:无冰、10mm和20mm(重冰);基本风速为30m/s时:无冰;基本风速为35m/s时:无冰。
根据上述原则,再对其他气象要素进行适当归并,本标准设计的设计气象组合见表3.1-1。
表3.1-1 10kV架空线路标准设计气象组合3.1.2导线根据南方电网五省区电网规划原则,综合考虑现有工程及远期规划中的导线截面选择情况,10kV 架空线路推荐采用的导线截面和型号如表3.1-2所示,导线的安全系数和主要技术参数分别如表3.1-3和表3.1-4所示。
表3.1-2 导线标称截面和型号表3.1-3 导线安全系数综合考虑实际应用情况并进行适当归并,10kV架空线路标准设计大档距杆塔按120 mm2和240mm2两种导线截面进行的设计。
表3.1-4 钢芯铝绞线主要技术参数表3.1.3海拔高度根据南方电网五省区海拔高度的不同分布情况(广东、广西和海南主要为0~1000m,贵州主要为1000~2000m,云南主要为2000~3000m)以及不同海拔高度对塔头间隙的影响较小,本标准设计模块库海拔高度均按0~3000m考虑。
3.1.4杆塔型式及回路数10kV大档距杆塔标准设计考虑了混凝土杆和螺栓角钢塔型式,均只考虑单回路情况。
3.1.5导线排列方式综合考虑南方电网五省区以往10kV架空线路的工程经验,10kV大档距杆塔标准设计杆塔导线排列方式按表3.1-4所示考虑。
表3.1-4 导线排列方式3.1.6杆塔规划杆塔规划必须技术可行、经济合理,针对南方电网五省区的特点,制定规划原则,既考虑统一性,又兼顾差异性,使其在具体工程的应用中杆塔的利用系数尽量接近1.0,取得较好的经济效益。
总组装长度(总重量(kg)总受风面积(机械强度(N)用于直线序号电压等级(kV绝缘子串代号11010月2日-0.811.50.170000否21010月1日-0.20.50.0770000是310XP-70-0.49219.50.0756500否410PSQ-15T-0.36514.50.03563000是510LXP-70-0.49217.70.0756500否635FXBW-35/70-0.6840.1570000是735FXBW-35/70-0.6840.1570000否835FXBW4-35/70140.270000是93535XC0.80315.360.1270000是103535SXC 1.01336.930.2170000是113535XC-H0.9417.860.15100000是123535SXC-H 1.18621.140.3100000是133535NZ0.81921.830.1570000否143535NZ-H 1.0958.780.15100000否153535SNZ 1.20450.970.2770000否163535SNZ-H 1.3624.480.3100000否1735XWP2-35/100 1.7342100000否183535-DZ1 1.20438.980.27100000是193535-DZ2 1.20438.340.27100000是203535-DT 1.20450.650.27100000否213535-DN 1.20447.010.27100000否223535/150LS-030.86428.80.2270000否233535/150LS-04 1.0134.30.2270000否243535/150LS-10 1.27963.50.22100000否253535/150XC-070.88525.60.2270000是263535/150XC-080.8526.10.2270000是273535/150XC-250.96946.70.22100000是283535/150XC-260.97946.10.22100000是293535/240LSL-0 1.05537.30.2270000否303535/240LSL-00.9336.80.2270000否313535/240LS-05 1.0937.10.2270000否323535/240LS-06 1.0136.80.2270000否333535/240LS-10 1.279660.22100000否343535/240XC-050.89326.80.2270000是353535/240XC-060.89326.60.2270000是363535/240XC-250.97748.70.22100000是373535/240XC-260.98748.10.22100000是38110110-DZ1 1.4238.980.3100000是39110110-DZ2 1.4238.340.3100000是40110110-DT 1.4250.650.3100000否41110110-DN 1.4247.010.3100000否42110NH-03 2.1529.970.3140000否43110NH-04 2.52533.080.3140000否44110ZH-05 1.72739.010.3140000是45110ZH-06 1.81240.090.3140000是46110NH-01 1.84513.470.370000否47110NH-02 2.23516.590.370000否48110LXY-70 1.4533.020.1776100000是49110XP-7 2.681.7710.396100000否50110XP-83167.560.466100000否51110NP-03 2.02469.430.3140000否52110NP-04 2.39972.540.3140000否53110ZVH01 1.75729.90.3140000是54110NP-01 1.71960.390.370000否55110NP-02 2.10957.270.370000否56110ZP-05 1.445106.210.25140000是57110ZP-06 1.54107.290.25140000是58110ZP-03 1.6999.740.3140000是59110ZP-04 1.71899.510.3140000是60110ZP-01 1.44554.990.370000是61110ZP-02 1.5455.530.2570000是62110ZH-03 1.96244.740.3140000是63110ZH-04 1.98744.510.3140000是64110ZW-03 1.69124.740.3140000是65110ZW-04 1.718124.510.3140000是66110ZW-01 1.44561.390.2570000是67110ZW-02 1.5461.930.2570000是68110NW-01 1.71976.170.370000否69110NW-02 2.10979.290.370000否70110NW-03 2.024121.170.3140000否71110NW-04 2.399123.680.3140000否72110ZW-05 1.445101.410.25140000是73110ZW-06 1.54102.490.25140000是74110ZH-01 1.71721.390.370000是75110ZH-02 1.81221.930.370000是76110110XC 1.2833.720.24100000是77110110SXC 1.48773.650.45100000是78110110NZ 1.4241.910.27100000否79110110SNZ 1.84888.730.51100000否80110110-jy2*70N 2.265700.6100000否81110110-jy2*70Z 1.972800.6100000是82110110-jy70N 2.116400.370000否83110110-jy70Z 1.759430.3370000是84110FXBW-110/10 1.2460.22100000是85110FXBW-110/10 1.2460.22100000否86110FXBW1-110/1 1.68511.110.22100000否87110FXBW2-110/1 1.7511.20.22100000是88110FXBW4-110/1 1.680.25100000是89110FXBW4-110/7 1.680.2570000是90110XWP2-110/10 2.471.63 2.5100000否91110XWP-70 1.859.490.470000是92110XWP-100 1.87561.580.4100000否93110悬垂串 1.55748.640.2570000是94110耐张串 1.65576.760.3100000否95220ZH-01 3.073110.580.5170000是96220ZH-02 3.073221.2 1.02140000是97220ZV1 3.636215.8 1.02100000是98220ZV2 3.041137.140.68100000是99220NH-01 3.4219.73 1.02140000否100220NH-02 3.725233.79 1.02140000否101220SXV1 3.111221.38 1.02100000是102220NV1 3.162115.010.54100000否103220NV2 3.162149.010.72100000否104220BZ50-700.19860.0370000是105220BN50-700.3220.0170000否106220220-jy100Z 3.187740.51100000是107220220-jy2*100 3.562143 1.02200000是108220220-jy2*160 3.912226.8 1.08300000否109220220-jy2*70N 3.7130 1.08100000否110220XV1 3.041105.140.51100000是111220XV2 3.041137.140.68100000是112220SXV3 3.111285.38 1.36100000是113220VXV1 3.038199.71 1.02100000是114220VXV2 3.038248.91 1.28100000是115220VXV3 3.129225.71 1.02100000是116220VXV4 3.129274.91 1.28100000是117220SNV3 3.742320.31 1.44250000否118220SNV4 3.742252.31 1.08250000否119220TH7 2.89982.710.5470000否120220TH8 2.753134.710.6870000否121220TH5 2.877186.55 1.0870000否122220TH6 2.731290.55 1.3670000否123220XD1 2.374.150.4270000是124220XD2 2.374.40.4270000是125220XD3 2.371.50.4270000是126220ND1 2.574.20.4270000否127220ND2 2.7154.480.4270000否128220CC1 1.64347.030.18100000否129220CC2 1.82847.030.18100000否130220FXBW4-220/1 2.5110.3100000是131220XWP2-220/1042583100000否132220fgzd16 1.46535.530.1776100000是133220Z-01-10 2.8364.80.1776100000是134220ZG40-01-10 2.93734.20.1776100000是135220NS-01-16 3.5649.810.1776160000否136220NS-02-21 3.5649.810.1776210000否137220S1ZB-01-07 2.66562.720.4370000是138220S1ZB-02-07 2.88563.940.4370000是139220S2NB-01-10 3.419190.570.69100000否140220S2NB-02-10 3.565201.170.69100000否141330330-ZX1 3.81250.7100000是142330330-NZ1 4.5250 1.3320000否143330330-ZX1 3.81250.7100000是144330330-NZ1 4.5250 1.3320000否14533060-S589S-D0 4.5250 1.3320000否。