弹簧的种类
- 格式:wps
- 大小:38.00 KB
- 文档页数:5
模具弹簧规格及参数一.弹簧功能弹簧是模具中广泛应用的弹性零件,主要用于卸料、压料、推件和顶出等工作.根据荷重不同,共分五种不同颜色加以区分,易於判别和选用.二.规格系列1.弹簧外径系列:Φ6Φ8,Φ10,Φ12,Φ14,Φ16,Φ18,Φ20,Φ22,Φ25,Φ30,Φ35,Φ40,Φ50等.2.种类3.弹簧长度:15<=L<=80MM时,每5MM为一个阶;80=<L<=100MM时,每10MM为一个阶;L>=100MM时,每25MM为一个阶.4.扁线弹簧最小直径6mm5.弹簧内径等于弹簧外径的二分之一.6.相同直径颜色的弹簧,不管自由长度是多长,压40%产生的力一样结论:相同直径颜色的弹簧,自由长度越短,压缩1mm产生的力越大7.通常使用的最大压缩比是弹簧使用30万次的最大压缩比.汽车模具使用50万次的最大压缩比..8.弹簧能压缩的长度=弹簧的自由长度x弹簧的压缩比例:Φ20绿色弹簧长度50mm,弹簧要求寿命30万次,弹簧能压缩多长?50x24%=12(mm)9.弹簧的长度=弹簧要压缩的长度÷弹簧的压缩比例:弹簧要压缩20mm,弹簧颜色为红色,弹簧要求寿命50万次要用多长的弹簧?弹簧的长度=20÷28.8%+5MM=74.4 查表选用75MM长弹簧一般选弹簧长度会加5mm的安全余量10.弹簧要压缩的长度=活动板行程+3~5mm预压(常规预压3mm)11.弹簧模板孔的大小直径<20模板孔=D+1直径>=20模板孔=D+2三.选用原则1.长度选择一般保证:在开模状态弹簧的预压缩量等於3~5(常规预压3mm,预压缩量随实际情况而定.);闭模状态弹簧压缩量小於或等於最大压缩量(最大压缩量LA=弹簧自由长L*最大压缩比取值%).2.模板压料,脱料板压料优先选用绿色或棕色(茶色,咖啡色)弹簧;如果向上成形的下模压料,折弯脱料所需的顶料力不很大时,可选用红色,绿色弹簧,浮料用黄色,圆线弹簧.3.复合模外脱料板用红色弹簧,内脱料板用绿色或棕色弹簧.4.活动定位销一般选用Φ6顶料销,配Φ10黄色弹簧和M12止付螺丝.Φ8顶料销,配Φ12黄色弹簧和M14止付螺丝.5.冲孔模和成形模用绿色或棕色(茶色,咖啡色)弹簧,如有特殊需求时,由专案主管确定.6.弹簧规格优先选用Φ30.在空间较小区域可考虑选用其它规格(如Φ25,Φ20,Φ18,Φ16…...等).Φ25的内导柱用Φ30的弹簧脱料Φ20的内导柱用Φ25的弹簧脱料四.排配原则1.弹簧过孔中心到模板边缘距离大於外径D,与其他孔距离保持实体壁厚大於5MM,空间不足时最少留2MM.2.弹簧排列首先考虑受力重点部位,然後再考虑整个模具受力均衡平稳.受力重点部位是指:复合模的内脱料板外形和冲头的周围;冲孔模的冲头周围;成形模的折弯边及有抽成形的地方.3.成形模采用气垫结构时,下打板排配2~6个弹簧.下模座上不沉孔,弹簧选用黄色或蓝色即可.五.五金零件需求表填写范例弹簧(颜色):D*L (D-弹簧外径L-自由长度) 例: 弹簧TH(绿): Φ20*70。
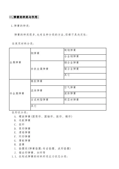
一.弹簧的种类与作用:1.弹簧的种类:弹簧的种类很多,也有各种分类的方法,但都不具决定性:依使用材料分类:依形状分类:A.螺旋弹簧(圆筒形、圆锤形、鼓形、桶形)B.迭板弹簧C.扭杆D.筒形弹簧E.滑卷弹簧F.环形弹簧G.薄板弹簧H.盘簧I.垫圈类(弹簧垫圈:有齿垫圈、波形垫圈)J.锯齿形弹簧、扣环等1.1.依构成弹簧的材料所受应力状态分类:A.压缩螺旋弹簧B.拉张螺旋弹簧C.扭转螺旋弹簧D.其它螺旋弹簧E.迭板弹簧F.扭杆G.滑形弹簧H.薄板弹簧I.盘簧J.弹簧垫圈K.线细工弹簧L.扣环M.环形弹簧2.弹簧的作用:弹簧乃机械要素之一,作成适当的形状,充分利用材料的弹性,吸收能量的能力,因而只要是弹性体,即可用为材料,极端而言,轨道、桥梁之类的构造物也可以说是一种弹簧作用,但是,用为一般机械要素的弹簧若用弹性范围少的材料,则会因小外力或变形而超越弹性限度,清除外力后仍残留变形,减少弹簧的作用;因而,弹性材料首须要求弹性越大,——亦即弹性限度高,实用上常用金属弹簧;二.材料的选择:弹簧是极度利用弹簧材料的弹性,当然是弹性愈高的材料愈好,不过,在实际使用时,其材料还要求物理、化学机械性性质等条件而取舍,一般其考虑因素:1.弹性限度:弹性限度是对材料旋加某力而变形后,消除该力时,不残留变形的最大力所相对的应力,很难测定,但相对抗拉强度高的材料,其弹性限度高,同时可通过热处理或冷间加工来改变弹性限度;2.弹性系数:对弹簧材料施力,产生单位应变时的应力称为弹性系数,此值为弹簧设计的基体,弹簧材料的弹性系数主要取决于其化学成分,因热处理、冷间加工而稍有变化,使用温度高时会大减少;3.疲劳强度:疲劳强度与材料的抗拉强度有一定关系,但因表面状态、脱碳、冷间加工、热处理而变化,这些条件因材料的制造方法,弹簧的制造方法而变化;4.淬火性:大形弹簧为了提高淬火效果,需要淬火性良好的材料,淬火性取决于材料的化学成分;5.形状尺寸:弹簧材料的机械性性质因尺寸而异,得不到特殊尺寸,形状,颇受限制;6.耐热性:有的弹簧在某种程度的高温使用,通常弹簧材料的各种机械性性质随着温度的上升而减少,在某种温度以上时,弹簧特性减少,耐热性因材料的化学成分,制造方法而异;7.耐蚀性:有时弹簧会在腐蚀环境下使用,会腐蚀疲劳的现象,耐蚀性主要取决于其化学成分,但也也会因热处理、冷间加工而有异;8.电传导度:电气器具、通信等常兼用为电传导,此时可用黄铜、磷铜、铍铜等铜合金属弹簧材料9.热膨胀性:钟表的发簧等等很忌温度变化所致的伸缩,此时要用特殊材料;10.其他要求:还有结晶粒的大小、偏析、非磁性、非金属介在物,伤痕,热处理变形,加工性,耐塞性等种问题;三.弹簧一般用线材:1.琴钢线:(Piano wire)是用琴钢线材施行韧化处理,藉强力抽线加工,赋予良好的尺寸精度,良好的表面肌肤,高度机械性性质,韧化是将高碳钢线在变态点以上的温度连续加热约500℃的熔铅等中冷却,作成富加工性的组织;A. SWPA——抗拉强度较低用于重荷重特性的弹簧、耐疲B. SWPB——抗拉强度较高;抗拉强度因线径而异,线径细,抗拉强度一般较高;2.硬钢线:(碳钢线) ——Hard Drawn Steel Wire使用硬钢线材韧化处理后,借冷间抽线加工制造,素材及加工都没有琴钢线那么严格,良质者有时不亚于琴钢线,不过,其不均度通常大于琴钢线,广用于反复次数不多之弹簧,无冲击荷重的弹簧;SWC 60C 含碳量较低SWC 80C 含碳量较高,应用广泛3.不锈钢线—— Stainless steel wire不锈钢线有软质线与硬质线,弹簧用者为硬质线,这是将不锈钢线材为火、酸洗、强力冷间线作成,耐蚀性优良,但也有利于需要耐热性,非磁性的场合,为了扩大抗拉强度而增大含碳量,抽线加工度,所以抗拉强度太高则可能有应力腐蚀,易带磁性;3.1SUS3043.2SUS316(不带磁性)3.3不锈钢材有202、205、303、304、308、316、410、420、430一般用于弹簧: SUS302、SUS304、SUS3164.铜合金系弹材料——导电性良好,耐蚀性良好,不过耐热性系数小,耐热性少;.磷青铜线(C5101W):实用的弹簧用磷青铜为含Sn3~, ~7 7~9%三种Cu合金,为除去氧化物而易伸长起见,加少量P为脱脂剂,加工后的弹簧宜低温退火约250℃..黄铜线(C2680W):弹簧用黄铜为Cu70%,Zn30%的7~3黄铜,抗拉强度低;.白铜线Ni18% Zn27% Cu55%的合金,强度大,弹簧特性良好,加工后约在350℃低温退火;.铍铜:在铜合金材料中,性能最优良,弹簧弹性好,耐高温;5.电镀钢线:视客户需求,其素材有SWC、SWP、SUS镀锌线镀锡线镀镍线镀金线BATT线:(素材为SUS)6.其它线材:铜包线电热线铁线漆包线四.热处理(低温退火)——发蓝弹簧的热处理,可提高材料的弹簧性能或补助性能,消除弹簧的应力,但因弹簧材料种类多,热处理方法随之而异。
弹簧制图知识和弹簧画法1、弹簧的用途与种类弹簧的用途很广,可以用来储藏能量、减振、测力等。
在电器中,弹簧常用来保证导电零件的良好接触或脱离接触。
弹簧的种类很多,有螺旋弹簧、蜗卷弹簧、板弹簧和片弹簧等,如图所示:压缩弹簧拉伸弹簧扭转弹簧板弹簧片弹簧蜗卷弹簧在各种弹簧中,以普通圆柱螺旋弹簧最为常见,GB/T 1239-1984对其型式、端部结构和技术要求等都作了规定。
在GB/T 1358-1993对其尺寸系列也作了规定。
下面主要介绍圆柱螺旋压缩弹簧的规定画法和标记。
2、圆柱螺旋压缩弹簧各部分名称及其相互关系下表列出了圆柱螺旋压缩弹簧各部分名称、基本参数及其相互关系。
名称符号说明图例型材直径 d 制造弹簧用的材料直径弹簧的外径 D 弹簧的最大直径弹簧的内径 D1 弹簧的最小直径弹簧的中径 D2 D2 = D-d = D1+d有效圈数 n 为了工作平稳,n一般不小于3圈弹簧两端并紧和磨平(或锻平),仅起支承或固定作支承圈数 n0用的圈(一般取1.5、2或2.5圈)总圈数 n1 n1 = n + n0节距 t 相邻两有效圈上对应点的轴向距离自由高度 H0 未受负荷时的弹簧高度H0 = nt + (n0-0.5)d展开长度 L 制造弹簧所需钢丝的长度L ? πDn1在GB/T 2089-1994中对圆柱螺旋压缩弹簧的d、D、t、H0、n、L等尺寸都已作了规定,使用时可查阅该标准。
3、圆柱螺旋压缩弹簧的规定画法根据GB/T 4459.4-1984,螺旋弹簧的规定画法如下:1、在平行于螺旋弹簧轴线的投影面的视图中,各圈的外轮廓线应画成直线。
2、螺旋弹簧均可画成右旋,但左旋螺旋弹簧不论画成左旋或右旋,必须加写“左”字。
3、对于螺旋压缩弹簧,如要求两端并紧且磨平时,不论支承圈数多少和末端贴紧情况如何,均按右图 (有效圈是整数,支承圈为2.5圈)的形式绘制。
必要时也可按支承圈的实际结构绘制。
4、当弹簧的有效圈数在四圈以上时,可以只画出两端的1,2圈(支承圈除外),中间部分省略不画,用通过弹簧钢丝中心的两条点画线表示,并(a)剖视图 (b)视图允许适当缩短图形的长度。
物理弹簧知识点总结一、弹簧的基本概念1. 弹簧的定义弹簧是一种能够存储和释放弹性势能的装置,通常由金属材料制成。
当外力作用于弹簧时,弹簧会发生形变,并储存能量;当外力消失时,弹簧会恢复原状,并释放能量。
弹簧的主要作用是吸收冲击力、减震、调节力的大小等。
2. 弹簧的分类根据外形和用途的不同,弹簧可以分为许多种类。
常见的弹簧包括拉伸弹簧、压缩弹簧、扭转弹簧、碟形弹簧等。
拉伸弹簧用于拉力的传递和存储能量,压缩弹簧用于压缩力的传递和存储能量,扭转弹簧用于转动力的传递和存储能量,碟形弹簧用于扭转和受力均匀分布的场合。
3. 弹簧的材料常见的弹簧材料包括钢、不锈钢、合金钢、铜、铝等。
选择弹簧材料时需要考虑其弹性模量、抗拉强度、屈服强度、延伸率、耐腐蚀性等因素,以及弹簧的工作环境和要求。
二、弹簧的力学性能1. 弹簧的力学模型理想弹簧是一种线性弹簧,它的力学特性服从胡克定律。
胡克定律表明,在弹簧的弹性变形范围内,弹簧的形变与所受力的大小成正比,即F=kx,其中F是外力,x是形变,k是弹簧的弹性系数。
胡克定律是弹簧力学性能的基础,对于理想弹簧的设计和分析非常重要。
2. 弹簧的应力和变形当外力作用于弹簧时,弹簧内部会产生应力,形成弹性变形。
弹簧的应力和变形与外力的大小、弹簧材料的性能、弹簧的形状和尺寸等因素有关。
合理设计和选择弹簧的形状和尺寸,可以使弹簧在工作过程中保持良好的弹性性能。
3. 弹簧的疲劳特性在长时间的循环加载作用下,弹簧会发生疲劳破坏。
弹簧的疲劳特性与弹簧材料的疲劳极限、循环次数、应力幅值等因素有关。
合理设计和使用弹簧,可以延长弹簧的使用寿命,提高弹簧的可靠性和安全性。
4. 弹簧的刚度和预压弹簧的刚度是指单位形变所需的力,通常用弹性系数k表示。
刚度越大,弹簧的弹性越大。
预压是指在安装弹簧时对弹簧施加的静态力,预压可以提高弹簧的刚度和稳定性,防止弹簧在工作过程中产生过大的振动和波动。
三、弹簧的设计和计算1. 弹簧的设计原则弹簧的设计需要考虑弹簧的工作条件、载荷类型、工作环境、弹簧的可靠性和安全性等因素。
地弹簧的种类与使用方法地弹簧是一种机械弹性元件,由于其结构简单、使用方便,被广泛应用于各个领域。
本文将介绍地弹簧的种类和使用方法。
一、地弹簧的种类1. 螺旋弹簧:螺旋弹簧是最常见的一种地弹簧,它由一根圆柱形的金属线缠绕而成。
螺旋弹簧可以分为压缩弹簧、拉伸弹簧和扭转弹簧三种类型。
压缩弹簧常用于缓冲和支持的场合,拉伸弹簧常用于悬挂和牵引的场合,扭转弹簧常用于扭转力传递的场合。
2. 波纹管弹簧:波纹管弹簧是由多个波纹管组成的弹簧,它的形状像一根根波浪纹管。
波纹管弹簧具有较高的柔性和较大的变形能力,常用于减震和隔振的场合。
3. 刚度盘弹簧:刚度盘弹簧是由多个刚度盘组成的弹簧,它的形状像一个个平面圆盘叠加而成。
刚度盘弹簧具有较高的刚度和较小的变形能力,常用于需要提供高刚度支撑的场合。
4. 弹簧板:弹簧板是由多个弹簧片组成的弹簧,它的形状像一个个平面矩形片叠加而成。
弹簧板具有较高的柔性和较大的变形能力,常用于需要提供较大挠度的场合。
二、地弹簧的使用方法1. 选择合适的地弹簧:根据具体的工程需求,选择合适类型的地弹簧。
考虑到负荷、变形、工作环境等因素,选择合适的地弹簧可以提高工作效率和使用寿命。
2. 安装地弹簧:在安装地弹簧时,需要注意以下几点:- 确保地弹簧安装的位置和方向正确,以确保其正常工作。
- 保持地弹簧与其他零部件之间的良好配合,避免发生卡阻或松动现象。
- 定期检查地弹簧的安装状态,如有发现异常,及时进行调整或更换。
3. 使用地弹簧:地弹簧的使用方法根据具体的应用场景有所不同,以下是几种常见的使用方法:- 压缩弹簧:压缩弹簧常用于缓冲和支持的场合,例如汽车避震器中的缓冲弹簧,可以减轻车辆行驶时的震动。
- 拉伸弹簧:拉伸弹簧常用于悬挂和牵引的场合,例如门窗弹簧,可以提供门窗的开启和关闭力。
- 扭转弹簧:扭转弹簧常用于扭转力传递的场合,例如手摇发电机中的发电弹簧,可以将手摇的动力转化为电能。
4. 维护地弹簧:为了保证地弹簧的正常工作和延长使用寿命,需要进行定期的维护保养。
弹簧相关知识点总结归纳一、弹簧的基本特性1. 弹性弹簧的基本特性是具有一定的弹性,当受到外力压缩或拉伸时,可以储存能量并在外力作用结束后恢复原状。
这种特性使得弹簧可以在各种机械系统中发挥作用,并且可以根据需要进行弹性形变。
2. 强度弹簧通常需要具有较高的强度,以保证在长期使用过程中不会发生断裂或变形。
因此,制造弹簧的材料通常选用强度高的金属材料,如碳素钢、不锈钢等。
3. 蠕变在长期应力作用下,弹簧会发生塑性变形,即蠕变现象。
这对于要求弹簧长期稳定工作的场合来说是一个需要考虑的因素,通常需要通过合理的工艺和材料选择来减小蠕变效应。
4. 疲劳弹簧在长期使用过程中会受到交变应力的作用,使得弹簧材料容易发生疲劳现象。
因此,对于需要长期稳定工作的弹簧来说,需要通过材料选择、热处理等方式来提高其抗疲劳性能。
二、弹簧的种类1. 压缩弹簧压缩弹簧是一种在轴向方向上受力产生弹性形变的弹簧,通常用于各种机械系统中,如汽车悬挂系统、工业机械等。
2. 拉伸弹簧拉伸弹簧是一种在轴向方向上受拉力产生弹性形变的弹簧,常见于各种门窗、弹簧秤等家用和工业应用中。
3. 扭转弹簧扭转弹簧是一种在轴向方向上受扭转力产生弹性形变的弹簧,通常应用于各种机械系统的传动装置中。
4. 波纹管弹簧波纹管弹簧是一种利用金属波纹管的弹性形变来实现弹簧功能的特殊弹簧类型,常见于汽车减震器、阀门、管道接头等。
5. 线圈弹簧线圈弹簧是一种将金属线材绕成螺旋状的形式,通过压缩或拉伸来实现弹性形变的弹簧,广泛应用于各种机械装置中。
6. 平板弹簧平板弹簧是一种通过金属板材的弯曲来实现弹性形变的弹簧,通常用于各种摩擦副减振、悬架系统中。
7. 锁紧弹簧锁紧弹簧是一种通过摩擦力实现锁紧功能的特殊弹簧类型,常见于各种离合器、制动器等装置中。
8. 复合弹簧复合弹簧是将不同类型的弹簧组合在一起,以实现更复杂的弹性形变特性,广泛应用于需要多种弹性形变特性的装置中。
三、弹簧的工艺制造1. 材料选择弹簧的材料选择直接影响着弹簧的强度、疲劳性能和耐蠕变性能,通常选用碳素钢、不锈钢、合金钢等金属材料进行制造。
弹簧种类及应用弹簧是一种能够贮存弹性位能并在受力或外力作用下发生形变的弹性元件,是现代机械设计中非常重要的一种机械元件。
弹簧根据不同的力学特性和形状,可以分为各种不同的类型。
本文将介绍几种常见的弹簧种类,并探讨它们的应用。
1. 压缩弹簧第一种类型是压缩弹簧。
压缩弹簧是一种由螺旋形弹簧线圈构成、其末端是紧密固定盘或直性端部的圆柱体。
弹簧线圈中流过的轴向力摆动起来,使弹簧线圈慢慢崩溃并释放其弹性能量。
压缩弹簧是弹簧中应用最广泛的一种,广泛用于汽车和机械工业中。
2. 扭转弹簧第二种类型是扭转弹簧。
扭转弹簧有不同的形状和结构,包括螺旋形、同心圆和杯形。
扭转弹簧是将材料扭曲到其弹性限制的极限,使材料储存弹性能量并将其释放的结果。
适用于许多应用,包括开关,控制信号和回转装置等。
3. 引伸弹簧第三种类型是引伸弹簧。
引伸弹簧也具有不同的形状,包括螺旋形、同心圆形和圆柱形。
例如,拉伸弹簧是一个封闭环形,通过各种方法对形状和长度进行加工以修改弹簧的储能并控制其释放的力。
常用于工业机械、汽车和电子设备中。
4. 波浪形弹簧第四种类型是波形弹簧。
波形弹簧是一种具有连续垂直弹性片条的弹簧,使其能够抵抗大的压缩荷载和振动。
使用范围广泛,包括传动系统、减震器、防滑器和隔震器等。
5. 气弹簧最后一种类型是气弹簧。
它是一种由压缩气体生成的压力与其容积成正比的弹簧。
气弹簧广泛用于工业和汽车领域中增加各种装置的升力或稳定性,例如悬挂系统、调节装置和气泵等。
总结以上是几种常见的弹簧类型及其应用。
弹簧作为一种非常重要的机械元件,广泛存在于许多机械设备当中。
了解这些弹簧类型和应用领域,有助于我们更好地选择适合不同应用场景的弹簧,提高我们设计的精度和效率。
第十讲——常用机件的特殊表示法知识点12:压缩弹簧的参数名称及画法及工作图弹簧是一种储存能量的零件, ,在机器中广泛用于减振、夹紧、储能、测力等,其特点是外力去除后能立即恢复原状。
弹簧的种类很多,按弹簧受力的性质可分为压缩弹簧、拉伸弹簧、扭转弹簧和弯曲弹簧等;按弹簧的形状可分为圆柱弹簧、圆锥弹簧、螺旋弹簧、板弹簧、环形弹簧和碟形弹簧等。
常用的弹簧有螺旋压缩弹簧、螺旋拉伸弹簧、扭转弹簧、蜗卷弹簧和板弹簧等。
1.普通圆柱螺旋压缩弹簧的参数(1)线径d—制造弹簧的钢丝直径(2)弹簧外径D2—弹簧的最大直径(3)弹簧内径D1—弹簧的最小直径,D1=D2-2d(4)弹簧中径D—弹簧的平均直径,D=(D2+D1)/2(5)弹簧节距t—相邻两圈间轴向距离(除两端支承圈外)(6)支承圈数n0—两端面磨平并被压紧的几圈,在弹簧工作时不产生变形,只起到支承的作用。
(7)有效圈数n—除支承圈外,参加弹簧的工作并保持节距相等的圈数。
(8)总圈数n1—n1=n+n0(9)自由高度H0—弹簧未受到负荷时的高度(10)展开长度L—弹簧钢丝展开后的长度,即制造弹簧时所需的钢丝的长度。
(11)旋向—螺旋的旋向,分为左旋和右旋两种2.普通圆柱螺旋压缩弹簧的规定画法(1)在非圆投影的视图中,弹簧各圈的轮廓线应画成直线。
(2)无论螺旋弹簧的旋向是左还是右,其投影均可按右旋绘制,左旋弹簧可标注旋向“左”。
(3)无论螺旋弹簧两端并紧磨平的圈数是多少,其投影均可按右图所示绘制。
(4)螺旋弹簧的有效圈数大于4圈时,可以只画出两端的1-2圈,中间部分可用通过弹簧钢丝截面中心的两条细点画线表示。
3.普通圆柱螺旋压缩弹簧的工作图受的负荷与其高度之间的关系时,可在视图的上方用图解法表示。
知识点12:压缩弹簧的参数名称及画法及工作图。
轴承预紧的弹簧种类全文共四篇示例,供读者参考第一篇示例:轴承预紧是轴承装配中非常重要的一个环节,它能够确保轴承在工作过程中具有适当的紧固力,避免了轴承在运转时发生松动或者摩擦不良的情况,从而延长了轴承的使用寿命。
而在轴承预紧中,弹簧是一种常见的预紧元件,具有增加弹性、缓冲负载和吸收振动等功能。
在轴承预紧中,弹簧种类多样,在不同的应用场景下能够起到不同的作用。
下面将介绍几种常见的轴承预紧弹簧种类:一、压簧压簧是一种常见的轴承预紧弹簧,它具有稳定性好、弹性高的特点。
压簧的作用是在轴承与轴端之间提供一个预紧的力,确保轴承在工作时保持一定的紧固度。
压簧可以根据不同的需求选择不同的材料和弹性系数,以适应不同轴承预紧的要求。
二、拉簧拉簧也是一种常见的轴承预紧弹簧,它的工作原理是利用弹簧在拉伸状态下产生的弹性变形来提供预紧力。
拉簧通常用于需要较大预紧力的轴承预紧场景,能够确保轴承在高速或者高负载情况下保持稳定的工作状态。
三、扭簧扭簧是一种通过扭转来存储和释放能量的机械元件,它通常用于需要大量弹性变形和回弹的轴承预紧应用中。
扭簧具有弹性系数大、扭转角度大的特点,能够在轴承预紧过程中提供大量的预紧力,确保轴承在工作时不会产生松动或者摩擦不良。
四、卷簧卷簧是一种将金属线材卷成螺旋形状的弹簧,它具有紧凑结构、弹性恢复力强的特点。
卷簧常用于轴承预紧中需要占用空间小、预紧力均匀的场景,能够有效地提供稳定的预紧力,保证轴承的正常工作。
不同的轴承预紧场合需要选择不同类型的弹簧来实现预紧作用。
压簧适用于一般的轴承预紧,拉簧适用于需要大预紧力的场景,扭簧适用于需要大量弹性变形和回弹的场景,而卷簧适用于空间有限、预紧力需求均匀的场景。
在实际应用中,根据具体的轴承预紧需求和工作环境选取合适的弹簧类型,能够有效提高轴承的使用效果和寿命。
【注:本文已达到要求字数2000字】。
第二篇示例:轴承预紧是指在轴与轴承之间施加一定的预加载力,以确保轴承在运转过程中能够保持稳定的工作状态。
弹簧的类型及应用弹簧是一种储存和释放能量的弹性元素,广泛应用于机械工程、汽车工业、电子电气领域,以及各种日常用品中。
根据材料、形状和用途的不同,弹簧可以分为多种类型。
1. 压缩弹簧:压缩弹簧是一种最常见的弹簧类型,它的形状通常是圆柱形,材料可以是钢、铜或合金等。
它们的工作原理是当外力作用于弹簧时,使其压缩,存储能量。
压缩弹簧常用于减震器、悬挂系统、阀门、工具等领域。
2. 张力弹簧:张力弹簧也被称为拉伸弹簧,它的形状通常是绳状或线圈状。
张力弹簧的工作原理是当外力拉伸弹簧时,它会产生恢复力,储存能量。
张力弹簧常用于电子设备、家具、门窗等领域。
3. 扭转弹簧:扭转弹簧是一种成卷螺旋状的弹簧,它的工作原理是当外力扭转或转动弹簧时,它会产生扭转恢复力,储存和释放能量。
扭转弹簧常用于钟表、玩具、门锁、汽车发动机等领域。
4. 波纹管弹簧:波纹管弹簧是一种由多个波纹组成的薄板弹簧,形状类似于蛇皮状。
波纹管弹簧具有较大的压缩和伸展能力,并且可以承受较大的压力变化。
它常用于汽车悬挂系统、空调系统、管道连接等领域。
5. 内嵌弹簧:内嵌弹簧是一种嵌入其他产品或装置中的弹簧,它通常用于提供弹性支撑或缓冲作用。
内嵌弹簧常见于家具、鞋类、电子设备等领域,如沙发弹簧、鞋底弹簧、键盘弹簧等。
6. 扁平弹簧:扁平弹簧也被称为板簧或层簧,它的形状是平板状。
扁平弹簧具有较大的弹性和承载能力,在机械工程和汽车工业中常用于传动系统、悬挂系统等领域。
弹簧的应用非常广泛。
下面以几个典型的应用领域说明弹簧的具体应用。
1. 汽车工业:弹簧是汽车悬挂系统的重要组成部分,能够提供缓冲和支撑,使车辆在行驶过程中减少震动和颠簸。
此外,弹簧还用于汽车发动机、离合器、传动系统、刹车系统等。
例如,扭转弹簧用于发动机气门系统,压缩弹簧用于减震器。
2. 机械工程:弹簧在机械工程中起着关键的作用,它们可用于各种传动和控制系统。
例如,扭转弹簧用于仪器仪表中的计时装置;压缩弹簧用于工具、门锁、阀门、工业机器人等;扁平弹簧用于传递动力、承受载荷。
一、弹簧的种类按受力性质,弹簧可分为拉伸弹簧、压缩弹簧、扭转弹簧和弯曲弹簧,按形状可分为碟形弹簧、环形弹簧、板弹簧、螺旋弹簧、截锥涡卷弹簧以及扭杆弹簧等,按制作过程可以分为冷卷弹簧和热卷弹簧。
1、扭力弹簧扭转弹簧是承受扭转变形的弹簧,它的工作部分也是密绕成螺旋形。
扭转弹簧端部结构是加工成各种形状的扭臂,而不是勾环。
扭力弹簧利用杠杆原理,通过对材质柔软、韧度较大的弹性材料扭曲或旋转,使之具有极大的机械能。
2、拉伸弹簧拉伸弹簧是承受轴向拉力的螺旋弹簧。
在不承受负荷时,拉伸弹簧的圈与圈之间一般都是并紧的没有间隙。
3、压缩弹簧压缩弹簧是承受轴向压力的螺旋弹簧,它所用的材料截面多为圆形,也有用矩形和多股钢萦卷制的,弹簧一般为等节距的,压缩弹簧的形状有:圆柱形、圆锥形、中凸形和中凹形和少量的非圆形等,压缩弹簧的圈与圈之间会有一定的间隙,当受到外载荷的时候弹簧收缩变形,储存变形能。
4、碳纳米弹簧碳纳米管弹簧直径可以达上百微米,而长度可以达几厘米,其纺丝结构具有广阔的应用前景,有望应用于可伸缩导体、柔性电极、微型应变传感器、超级电容器、集成电路、太阳能电池、场发射源、能量耗散纤维等领域,为制备出肉眼可见的碳纳米管电子器件提供了可能,还有望应用于医疗器械,比如拉力传感绷带等。
这种新型结构还可以发展成具有多功能的碳纳米管纤维复合材料加以利用。
5、空气弹簧空气弹簧是在柔性密闭容器中加入压力空气,利用空气的可压缩性实现弹性作用的一种非金属弹簧,可大致分为囊式和膜式两种,空气弹簧具有优良的弹性特性,用在高档车辆的悬架装置中可以大大改善车辆的平顺性,从而大大提高了车辆运行的舒适性,所以空气弹簧在汽车、铁路机车上得到了广泛的应用。
此外,由于空气弹簧和普通钢制弹簧比较有许多优点,所以也应用于一些机械设备、精密仪器二、弹簧的规格表示方式在弹簧行业里压缩弹簧默认的弹簧规格的表示方法如:φ2*12*60*15N,其中2表示线径,12为外径,60有自由长度,15有总圈数。
“弹簧”被组入到各种机构中,发挥出弹簧各自的作用。
但相对于显著的要素部件来说,它担当的是辅助的角色。
但是,它与可靠性、高速运动性能、小型轻量化和操作性等之间有很深的关系。
即使在今后的技术进步中,弹簧也是一种重要的LCA部件。
弹簧的种类和特点「弹簧」按照形状分类如下。
【表1】按照形状分类的弹簧种类施加在弹簧上的负载:P和挠度(形变量):δ成比例(线性)关系,根据「胡克定律」。
比例常数k称为「弹簧常数」。
【图1】显示了负载和形变之间的关系。
在这个图中,斜度表示弹簧常数:k。
利用这一特性,我们设计和制造了测量物体重量的“弹簧秤”、需要一定力量动作的安全阀用弹簧等。
(2)具有不同负载特性的弹簧弹簧的负载-形变关系除了上述(1)所述的线性特性以外,还有非线性的弹簧。
以压缩螺旋弹簧为例,其中负载和形变为非线性特性的有以下3种。
非线性压缩螺旋弹簧中[1]螺旋直径,[2]间距和[3]线径中的至少一个以上的设计参数,通过变换螺旋弹簧的位置,负载的增加,来实现线条或线条与座位表面相互接触。
・在拉伸弹簧中,即使在无负载的状态下,弹簧圈之间相互作用的力:可以形成初张力。
・这种初张力在由密着状态形成时,通过弹簧线在螺旋方向紧密缠绕扭转而获得的。
・在通过冷成型紧密卷绕加工形成弹簧的情况下,尽管在一定程度上产生了初张力,但是主动形成初始张力的弹簧被称为有初始张力的弹簧。
・没有初张力的弹簧和有初张力的弹簧的负载-形变量特性如下所示。
(【图1】)・【图1】的拉伸弹簧负载-形变量关系式用【公式A】来表示。
有初张力的弹簧拉伸弹簧的负载-形变量关系式用【公式B】来表示。
【公式A】负载P(N)=弹簧常量k(N/mm)x形变量δ(mm)【公式B】荷重P(N)=初张力Pi(N)由下述公式算出。
+弹簧常量k(N/mm)x形变量δ(mm)・初张力Pi(3)拉伸弹簧的各种形状拉伸螺旋弹簧的形状在弹簧特性面上有时不具有非线性,大致有圆筒形和双重拉伸两种。
汽车空气弹簧种类1. 引言汽车空气弹簧是一种用于悬挂系统的重要组件,它通过调节空气的压力来提供悬挂系统的支撑力。
不同类型的汽车空气弹簧在结构、工作原理和应用领域上有所区别。
本文将介绍几种常见的汽车空气弹簧种类,包括单泡式弹簧、双泡式弹簧和多泡式弹簧。
2. 单泡式弹簧单泡式弹簧是最简单且常见的一种汽车空气弹簧。
它由一个充满压缩空气的泡囊组成,通过调节泡囊内的空气压力来改变悬挂系统的硬度和高度。
单泡式弹簧适用于大多数普通乘用车和商用车,具有安装简便、维护成本低等优点。
3. 双泡式弹簧双泡式弹簧相比于单泡式弹簧,在结构上更加复杂。
它由两个相互连接的泡囊组成,分别用于提供悬挂系统的支撑力和减震效果。
双泡式弹簧通过调节两个泡囊内的空气压力来实现悬挂系统的调节。
这种弹簧常用于高级乘用车和运动型车辆,能够提供更好的悬挂性能和驾驶稳定性。
4. 多泡式弹簧多泡式弹簧是一种更为复杂和先进的汽车空气弹簧。
它由多个相互连接的泡囊组成,每个泡囊都有不同的功能和调节范围。
多泡式弹簧可以根据路况和驾驶需求实时调整每个泡囊内的空气压力,以提供最佳的悬挂性能和乘坐舒适度。
这种弹簧通常应用于高端豪华车型和赛车等特殊领域。
5. 汽车空气弹簧的优势与传统钢制弹簧相比,汽车空气弹簧具有以下几个显著优势:•可调节性:通过改变空气压力可以灵活地调节悬挂系统的硬度和高度,以适应不同的驾驶需求和路况条件。
•减震效果:汽车空气弹簧可以提供更好的减震效果,减少车辆在行驶过程中的颠簸和震动,提高乘坐舒适性。
•轻量化:相比于传统钢制弹簧,汽车空气弹簧的重量更轻,有助于降低整车重量并提高燃油经济性。
•可靠性:汽车空气弹簧采用高强度材料制造,具有较高的耐久性和可靠性,在恶劣环境下仍能保持稳定的悬挂性能。
6. 汽车空气弹簧的应用汽车空气弹簧广泛应用于各类汽车中,包括乘用车、商用车、越野车、卡车等。
不同类型的汽车空气弹簧根据其特点和适用范围选择使用。
单泡式弹簧适合一般城市道路和公路行驶;双泡式弹簧适合对悬挂系统要求较高的高级乘用车;多泡式弹簧适用于赛车和特殊领域的汽车。
钢板弹簧种类弹簧的基本概念和分类弹簧是一种以弹性变形为主要工作方式的机械零件。
它具有储存和释放能量的能力,广泛应用于工业、交通、军事、家居等领域。
根据不同的形状和应用需求,弹簧可分为多个分类。
其中,钢板弹簧是一类常见的弹簧种类之一。
钢板弹簧的结构和工作原理钢板弹簧是用弹性的钢板通过成形、切割、冲孔等工艺制作而成。
它通常由多个波纹状的弹簧片组成,片与片之间通过接触产生摩擦力以形成较大的弹性变形。
当受到外力作用时,钢板弹簧会发生弹性变形,储存能量;当外力消失时,它会恢复到初始状态,并释放出储存的能量。
钢板弹簧种类及其特点1. 平板弹簧平板弹簧是最简单的钢板弹簧形式之一,它由多个平行的弹簧片组成。
平板弹簧具有较大的工作范围和较小的变形力,常用于汽车座椅、家具等领域。
2. 波形弹簧波形弹簧是一种常见的钢板弹簧种类。
它由多个弯曲成波浪状的弹簧片组成。
波形弹簧的特点是弹簧片之间的接触面积较大,具有较大的承载能力和较小的变形力。
波形弹簧广泛应用于工业机械、汽车制造等领域。
3. 穿孔弹簧穿孔弹簧是一种钢板弹簧的变种,它在钢板上切割出一系列孔洞,使得弹簧片之间形成多个负切角。
穿孔弹簧具有较大的变形量和较低的刚度,适用于需要较大变形量的场合,例如家具设备、电子仪器等。
4. 涡簧涡簧是一种形状像螺旋状的钢板弹簧,它具有较大的变形量和较大的承载能力。
涡簧广泛应用于发动机、机械设备等领域。
5. 拉簧拉簧是一种将弹簧片拉直并通过镦头固定的钢板弹簧形式。
拉簧具有较小的变形量和较大的刚度,适用于需要较高刚度和较小变形量的场合。
钢板弹簧的应用领域钢板弹簧由于其结构简单、形状多样、承载能力大等特点,在多个领域得到广泛应用。
1. 汽车制造钢板弹簧在汽车制造中起到至关重要的作用。
例如,平板弹簧被广泛用于汽车底盘悬挂系统,起到支撑和缓冲的作用;波形弹簧用于汽车减震系统,起到调节车身悬挂的作用。
2. 机械设备钢板弹簧在机械设备中也扮演着重要的角色。
弹簧一般可分下列数种:压缩弹簧:用途最广,在制造时,绕成分开的螺旋圈,使各圈有间隙(节距),以便受力收缩,保持有向两端伸张的张力。
受最大负荷时,不能被完全压缩,必须在有效圈数间保留间隙,以免摩擦或其他物质嵌入,引起疲劳破坏。
弹簧自由长度应等于弹簧之实长加上间隙,再加变形量。
压缩弹簧为增加接触面,面应予磨平,以获取60~80%接触面。
其端部形状有多种:两端坐圈,两端磨平等。
乃各圈分绕,因能承受压力,两端可为开式或闭式或绕平或磨平。
下述为一压缩弹簧必要资料:(1)控制直径(Controlling diameter)(a)外径、(b)内径、(c)所套管之内径、(d)所穿圆杆之外径。
(2)钢丝或钢杆之尺寸(Wire or bar size)。
(3)材料(种类及等级)。
(4)圈数:(a)总圈数及(b)右旋或左旋。
(5)末端之形式(Style of ends)。
(6)在某一挠区长度下之负荷。
(7)一寸至几寸长度变化范围内之负荷比率。
(8)最大体高“自由长”(Maximum solid height)。
(9)运用时之最小压缩高。
压缩弹簧(Compression Spring)乃变体弹簧第一种,由直筒型、锥形至缩、凸腰形,乃至各种尾端之变体,均可依设计成型。
压缩弹簧(Compression Spring)为所有弹簧种类中最被广泛运用的一种,产品运用范围广及电子、电机、计算机、信息、汽机车、自行车、五金工具、礼品、玩具、乃至国防工业,因其设计与原理易于掌握,制造控制也最为单纯。
拉伸弹簧:各圈绕成相互紧贴的螺旋圈或节距圈,受外力时向外伸长,保持有向中间收缩之力。
拉簧钩分为多种:英式钩,德式钩,边耳钩,鱼尾钩等。
乃各圈紧密围绕,以使其能受力而拉长,各端绕一环圈(Loop),下述为一拉伸弹簧之必要资料:(1)自由长度:(a)总长度、(b)全部圈长、(c)自钩圈内之长度。
(2)控制直径:(a)外径、(b)内径、(c)所套管之内径。
(3)钢丝尺寸“线径”。
(4)材料(种类、等级)。
(5)圈数:(a)总圈数及(b)右旋或左旋。
(6)末端之形式。
(7)钩内之负荷。
(8)负荷率、挠曲度、每寸磅数。
(9)最大拉伸长度。
拉伸弹簧(Extension Spring)乃典型之弹簧即弹簧之代表,由直筒形至各种变体,乃至挂钩之各种形状均能依设计成型。
拉伸弹簧(Extension Spring)为压缩弹簧之反向运用,运用范围大致较无具体产品类别,但操作控制较压缩弹簧高一级。
扭转弹簧:扭转弹簧分为单扭弹簧和双扭弹簧,弹簧常套入销或轴中,当受外力后,即依弹簧轴心为轴而产生一扭转力,使得弹簧捲紧或旋鬆。
双扭弹簧又分为外双扭和内双扭力弹簧。
各圈或是紧密围绕或是分开围绕,俾能适任扭转负荷(与弹簧轴线成直角)。
弹簧之末端可绕成钩状或直扭转臂。
下述为一扭转弹簧之必要资料:(1)自由长度。
(2)控制直径:(a)外径、(b)内径、(c)所套管之内径,或(d)所穿越圆杆之外径。
(3)钢丝尺寸“线径”。
(4)材料(种类及等级)。
(5)圈数:(a)总圈数及(b)右旋或左旋。
(6)扭转力:偏转至某一角度之磅数。
(7)最大挠度(自由位置算起之角度)。
(8)末端之形式。
扭转弹簧(Torsion Spring)乃变体弹簧之极至,由单扭至双扭,乃至各种扭杆之变形,得依设计成型。
扭转弹簧(Torsion Spring)为所有弹簧类别中设计原理较为复杂的一种,型式的变化亦相当活泼,故设计时所涉及的理论也最为烦索。
因此设计时亦较难掌握。
锥形弹簧:绕成锥形的螺旋圈,可承受压力及张力,一般承受力量均甚小。
当受压缩时各圈收缩进大圈的平面内为其优点,例手电筒盖上压缩电池用的弹簧即是。
特殊之线圈弹簧:有圆锥形、桶形及梯形和鼓形特殊线圈弹簧,广用于弹簧业。
板状弹簧:用扁平或板状材料制造而成,也叫板弹簧或片弹簧,有下列数种:单片弹簧,利用一金属片制成弹簧,当弹簧卷曲方向与施力方向相反时,则弹簧发生弹力。
圆盘弹簧亦称上形弹簧外形与垫圈相似,用于空间狭小及偏转不过大处。
动力弹簧利用长而窄之薄金属片,绕成螺线状,放置于匣内而利用其储存之能量做为动力之来源者。
悬臂板弹簧:弹簧一端固定,一端半悬于空中者。
板片弹簧称层叠弹簧,板片弹簧在能量储掀的效率上,较螺旋弹簧稍低,但它能承载较大之负荷,故普通用在汽车,火车等机动车辆上。
有时为了增加吸收能量,达到更佳的避震效果,可作成椭圆形层叠弹簧或称「双层叠弹簧」。
特种弹簧:扣环:扣环分C形扣环及E形扣环等两类。
C形扣环可分为两种,一种是装入轴的沟槽中,作为轴端或其他机件的固持。
空气或油压伸缩囊:空气或油压伸缩囊是利用空气或液体(通常用油)压力所产生的弹性;外面容器是利用灯笼形的空气(油)伸缩囊,常应用为汽车之缓冲器。
扭杆弹簧:扭杆弹簧可用于扭转之场合,当然此棒可粗也可细如同线制者,亦有较粗而以纲条绕成者一样,其差别在于线径与长度之比悬殊而已。
波形弹簧波形弹簧简称波簧,是由若干波峰波谷构成的薄片环状弹性金属元件,该产品选用优质弹簧钢65Mn( 60Si2MnA/50CrVA /0Cr17Ni7Al /SUS304),经特定方法热处理并根据具体情况,硬度一般控制在HRC44-55之间,表面发黑,具有良好弹性。
波形弹簧广泛适用于电机,纺织机械,液压设备,汽车等行业,主要安装与规格(公称尺寸)相适宜的轴承室或孔内,安装空间很小,具有降低噪音,减小振动的特殊功能。
波形弹簧又分为WS 系列波形弹簧和WSS 系列波形弹簧两类。
WS 系列波形弹簧简介:WS 系列为连续绕制波峰交错型波纹弹簧,该系列弹簧的特点是能在较小的安装空间内提供理想的弹力,比一般的螺旋弹簧节省 50% 的空间.WSS 系列波形弹簧简介:WSS 系列为带平圈的波峰交错型波纹弹簧 , 该系列除了拥有 WS 型波形弹簧的优点外 , 由于弹簧的两端有平圈 , 相当于加了两个垫圈 , 因此弹簧在使用过程中的弹力更加均匀 , 特别适用于像安装空间的两个端面有孔 ,WS 型的波峰易于陷入孔中而不能使用的环境中 .钢板弹簧(Leaf Spring)扁平长方形的钢板呈弯曲形,以数片叠成的底盘用弹簧,一端以梢子安装在吊架上,另一端使用吊耳连接到大梁上,使弹簧能伸缩。
目前适用于中大型的货卡车上。
环形弹簧环形弹簧由带有内锥面的外圆环和带有外锥面的内圆环配合而成。
内、外圆环的对数根据承受载荷的大小和变形的要求而定。
环形弹簧常用在空间尺寸受限制而又需要强力缓冲的场合、环形弹簧由许多对内、外圆环组成,若损坏或磨损后不需要全部更换,只需将报废的个别圆环更换即可,修理较客易,也比较经济。
地弹簧地弹簧也是一种液压式闭门器,只不过其压紧弹簧的装置是蜗轮而不是齿轮齿条。
因为蜗轮可以正反向旋转,所以地弹簧可以用于双向开启的门,而闭门器则只能用于单向开启的门。
地弹簧的技术关键是主轴下部的承重座,它决定着地弹簧的承重等级。
因为用于双向开门的地弹簧要承载门体的重量,比较闭门器而言,门体的重量对地弹簧的选择起决定性作用。
门宽和风压对地弹簧型号的选择也非常重要。
从制作的角度看,地弹簧的蜗轮结构使弹簧的压缩程度比齿轮齿条传动的闭门器小,地弹簧关门的力臂也短,所以地弹簧的质量对结构设计和加工精度的依赖性更高。
另外,由于双向开门的门扇沿门扇平面对地弹簧有很大的作用力,所以低档地弹簧的使用寿命与高档地弹簧的差距会很大。
地弹簧的基本配置是天轴和地轴(或称地脚)。
天轴是在上部连接门框和门扇的配件,由一个固定在门扇上的可以用螺栓调节的插销式的轴和一个固定在门扇的轴套组成。
天轴地轴可以适用于几乎所有木制、钢制、铝合金门和使用玻璃门夹的无边框玻璃门。
地弹簧的安装精度对其使用寿命影响很大。
因为地弹簧使用寿命的终结就是漏油,如果天轴与地弹簧主轴的轴心连线不严格垂直地面,门扇的运动就会对地弹簧带来极大的扭力,增大主轴与轴承之间磨损,最终导致漏油。
圈状弹簧(Coil Spring)圈状弹簧为独立式悬吊装置使用最多之弹簧,以弹簧钢卷成螺旋状。
氮气弹簧氮气弹簧是一种具有弹性功能的部件。
它将高压氮气密封在确定的容器中,外力通过柱塞杆将氮气压缩,当外力去除时靠高压氮气膨胀来获得一定的弹压力,这种部件称为氮气缸或气体弹簧,简称氮气弹簧(Nitrogen Cylinder; Gas Spring)。
模具弹簧模具弹簧主要用于冲压模、金属压铸模、塑料注射模以及结构精密的机械设备等。
模具弹簧主要选用50CrVA。
它具有安装体积小、弹性好、刚度大、精密度高、制作材料呈矩形及表面分色喷涂(镀),外表美观等特点。
我公司目前标准化产品主要参照日标B5012(较小荷重、轻荷重、中荷重、重荷重、超重荷重),美国联合标准(中荷重、中等荷重、重荷重、超重荷重),美国ISO标准(轻荷重、中荷重、重荷重、超重荷重),德标ISO10243(1S、2S、3S、4S、5S)等数千种规格,供用户选用。
宝塔弹簧宝塔弹簧又名截锥涡卷弹簧,主要特点是体积小、载荷大、变刚度,广泛用于空间小、载荷大的场合和减震装置,它可分为等螺旋角、等节距、等应力三种形式。
该簧设计和制造均较复杂,我公司有多年设计、制造经验,可代为用户设计、制造;或来图、来样加工,订货时请注明自由高度、最大变形量、最大外径、最小内径、最大载荷、板厚、工作圈、总圈等数据。
也可根据用户提供的负荷和空间条件设计。
碟形弹簧碟形弹簧(碟簧)DIN2093具有体积小、负荷大、组合使用方便等特性,同时具有载荷集中传递的优点。
可采用单片对合组合、多片叠合组合和混合组合等方式以获得各种不同曲线。
在机械行业中很大范围内取代圆柱弹簧,体现了新产品(主机)设计小型化多功能化的特点。
如在载荷作用方向上,较小的变形能承受较大的载荷,轴向空间紧凑。
与其他类型的弹簧比较,其单位体积的变形能较大,具有较好的缓冲吸震能力。
特别是采用叠合组合使用方式,由于表面摩擦阻尼作用,吸收冲击和消散能量的作用更为显著。
目前,在国防、冶金、工程、电力、机床、建筑等行业得到广泛应用。
如:模具、支承吊架、离合器、制动器、桥梁缓冲(减震)装置、轴承预紧、安全过载装置、重型机械、机械起动器、控制装置、阀门、工业电炉、分度装置、夹紧装置等等。
碟形弹簧执行DIN2093和GB/T1972-2005标准。
碟形弹簧(碟簧)常用的表面处理方法:发蓝,磷化,镀镍,电泳和机械镀锌等。
扭杆弹簧(Torsion-Bar Spring)扭杆一端固定在车架上,另一端使用臂与车轮连接,车轮上下跳动时使扭杆扭转,以扭转弹力来吸收震动,构造简单占位置小,适合小型车使用,但材质要佳。
极细微弹簧适用于精密电子组件。
此类弹簧线径在0.15mm~0.06mm之间,加上线径与各部尺寸均在1mm左右,故调试机具相当之难度与技术,一般运用范围为精密电子元器件或精密仪器、钟表等。