弹簧的分类
- 格式:doc
- 大小:29.00 KB
- 文档页数:2
工程力学中的弹簧力学分析工程力学中,弹簧力学是一个重要的分支领域,用于研究和分析弹簧在力学系统中的应用和行为。
弹簧作为一种常见的机械元件,在许多工程领域中都有广泛的应用,如汽车、机械设备、建筑结构等。
本文将介绍弹簧力学分析的原理和方法,以及在工程实践中的应用。
一、弹簧力学的基本原理弹簧力学的基本原理是胡克定律,也称为弹性力学定律。
根据胡克定律,弹簧的变形与所受的力成正比。
具体表达式为:F = k * Δl其中,F是弹簧所受的力,k是弹簧的弹性系数,Δl是弹簧的长度变化量。
弹簧力学分析的核心就是通过计算力和弹簧的变形量之间的关系,从而求解弹簧的力学性能和行为。
二、弹簧的分类根据弹簧的结构和特性,可以将其分为多种类型。
常见的弹簧包括压缩弹簧、拉伸弹簧和扭转弹簧等。
不同类型的弹簧在实际工程中有着不同的应用场景和力学分析方法。
1. 压缩弹簧压缩弹簧是将物体压缩到弹性极限以内并产生一个力时所产生的弹簧。
它通常采用螺旋形式,广泛应用于减震装置、悬挂系统等领域。
在力学分析中,我们可以通过测量压缩弹簧的长度变化量和受力来确定其弹性系数和力学特性。
2. 拉伸弹簧拉伸弹簧是通过拉伸物体并产生一个力时所产生的弹簧。
它通常采用直线形式,常见于弹簧秤、弹簧门等应用中。
在弹簧力学分析中,我们可以通过测量拉伸弹簧的伸长量和受力来确定其弹性系数和力学性能。
3. 扭转弹簧扭转弹簧是通过扭转物体并存储弹性势能时产生的弹簧。
它通常采用螺旋形式,广泛应用于时钟、机械仪器等领域。
扭转弹簧的力学分析主要涉及计算其扭转角度、弹性系数和力学特性。
三、弹簧力学分析的方法在工程实践中,弹簧力学分析常采用实验和理论计算相结合的方法。
通过实验测量弹簧的变形量和受力来确定其弹性系数和力学特性,然后根据测量结果进行理论计算和分析。
1. 弹簧常数的测量弹簧力学分析的第一步是测量弹簧的弹性系数或刚度常数。
通常采用静态拉伸或压缩实验,测量弹簧在不同受力下的伸长量或压缩量。
弹簧的分类、特点及应用弹簧是一种应用很广的弹性零件,它具有易变形、弹性大等特性。
在机器中主要功用如下:1、缓和冲击和吸收振动:这类弹簧具有较大的弹性变形能力,可吸收振动和冲击能量。
如汽车、火车中的缓冲弹簧、联轴器中的吸振弹簧等等。
2、控制机构的运动:这类弹簧要求在某一定变形范围内的作用力变化不大。
如内燃机中的阀门弹簧、离合器中的控制弹簧,自动机床凸轮机构中的弹簧等等。
3、储存能量:这类弹簧既要求有较大的弹性,又要求作用力较稳定。
如钟表弹簧、枪机弹簧、自动机床中刀架自动返回装置中的弹簧等等。
4、测量力的大小:这类弹簧要求其受力与变形呈线性关系。
如测力仪及弹簧秤中的弹簧等等。
弹簧的种类很多,按承受载荷的不同可分为拉伸弹簧、压缩弹簧、扭转弹簧和弯曲弹簧等。
按弹簧形状不同可分为:螺旋弹簧、蝶形弹簧、环形弹簧、盘簧、板弹簧等。
表1弹簧的主要类型、特点及应用结构简单,制造方便,适用范围很广。
载荷增大到一定程度后,弹簧从大圈到小圈依次并紧,特性线由线性变为渐增型,结构紧凑,稳定性好,多用于承受较大载荷和减振。
蝶形片采用不同的组合可得到不同的特性线,能承受很大冲击载荷。
轴向尺寸小,适用于要求缓冲和减振能力强及轴向尺寸受限制的场合。
续表环间有较大的摩擦力,缓冲和吸振能力强,适用于重型机械的缓冲装置。
圈数多,变形角大,储存的能量大,轴向尺寸小,多用作压紧及仪器钟表等储能装置。
板间有摩擦,吸振能力强,适用于车辆中的缓冲和减振装置。
可根据需要设计成理想形状的特性线,高度可调节,主要用于车辆悬挂装置及减振装置。
弹性模量小,形状不受限制,各方向刚度可自由选择,容易得到理想的特性线,可承受多方向载荷。
钢板弹簧分类钢板弹簧是一种用于储存和释放机械能的弹性元件。
它主要由钢板制成,因此得名钢板弹簧。
钢板弹簧广泛应用于各种工业领域,如汽车、机械、电子等。
本文将对钢板弹簧进行分类和介绍,以及其在不同领域的应用。
一、按形状分类1. 扁钢板弹簧:扁钢板弹簧是由扁钢板制成的弹簧,其截面形状为长方形。
扁钢板弹簧具有较大的弹性变形能力和较高的弹性模量,适用于需要承受大载荷和较小变形的场合,如机械设备的传动系统。
2. 弯曲钢板弹簧:弯曲钢板弹簧是由弯曲的钢板制成的弹簧,其截面形状为弯曲的形状。
弯曲钢板弹簧具有较小的弹性变形能力和较低的弹性模量,适用于需要承受小载荷和较大变形的场合,如家具、电子产品等。
3. 卷曲钢板弹簧:卷曲钢板弹簧是由卷曲的钢板制成的弹簧,其截面形状为圆形或螺旋形。
卷曲钢板弹簧具有较大的弹性变形能力和较高的弹性模量,适用于需要承受大载荷和较大变形的场合,如汽车悬挂系统、工程机械等。
二、按用途分类1. 力传递弹簧:力传递弹簧主要用于将机械能从一个部件传递到另一个部件。
例如,在汽车发动机中,曲轴通过钢板弹簧将动力传递给传动系统,使车辆行驶。
2. 减震弹簧:减震弹簧主要用于减少震动和冲击,保护设备和零部件免受损坏。
例如,在汽车悬挂系统中,钢板弹簧起到减震和缓冲的作用,提高了行驶的稳定性和舒适性。
3. 控制弹簧:控制弹簧主要用于控制和调节机械系统的运动和力量。
例如,在工程机械中,钢板弹簧用于控制液压系统的压力和流量,使机械设备正常运行。
三、应用领域1. 汽车工业:钢板弹簧在汽车工业中广泛应用,如发动机、悬挂系统、制动系统等。
它们能够承受大的载荷并保持较小的变形,提高了汽车的安全性和稳定性。
2. 机械工业:钢板弹簧在机械工业中用于传动系统、减震系统、控制系统等。
它们能够传递力量、减少震动并控制机械运动,提高了机械设备的性能和效率。
3. 电子工业:钢板弹簧在电子产品中起到连接和支撑的作用,如开关、插座、接触器等。
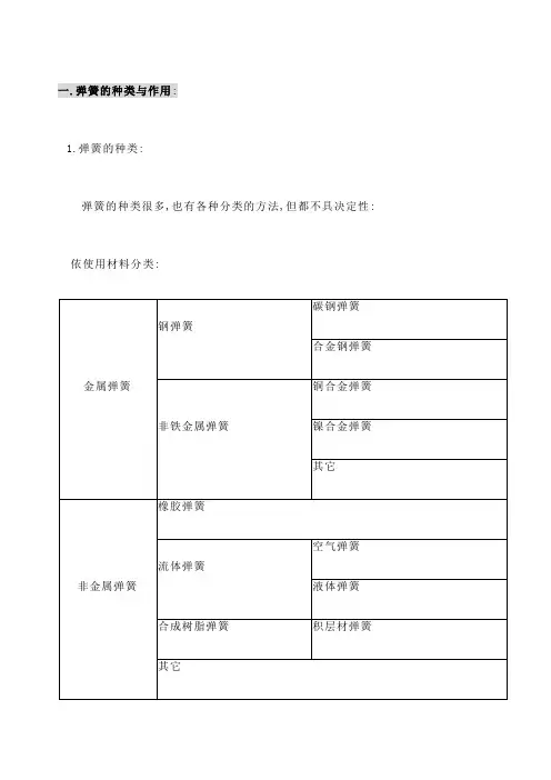
一.弹簧的种类与作用:1.弹簧的种类:弹簧的种类很多,也有各种分类的方法,但都不具决定性:依使用材料分类:依形状分类:A.螺旋弹簧圆筒形、圆锤形、鼓形、桶形B.迭板弹簧C.扭杆D.筒形弹簧E.滑卷弹簧F.环形弹簧G.薄板弹簧H.盘簧I.垫圈类弹簧垫圈:有齿垫圈、波形垫圈J.锯齿形弹簧、扣环等1.1.依构成弹簧的材料所受应力状态分类:A.压缩螺旋弹簧B.拉张螺旋弹簧C.扭转螺旋弹簧D.其它螺旋弹簧E.迭板弹簧F.扭杆G.滑形弹簧H.薄板弹簧I.盘簧J.弹簧垫圈K.线细工弹簧L.扣环M.环形弹簧2.弹簧的作用:弹簧乃机械要素之一,作成适当的形状,充分利用材料的弹性,吸收能量的能力,因而只要是弹性体,即可用为材料,极端而言,轨道、桥梁之类的构造物也可以说是一种弹簧作用,但是,用为一般机械要素的弹簧若用弹性范围少的材料,则会因小外力或变形而超越弹性限度,清除外力后仍残留变形,减少弹簧的作用;因而,弹性材料首须要求弹性越大,——亦即弹性限度高,实用上常用金属弹簧;二.材料的选择:弹簧是极度利用弹簧材料的弹性,当然是弹性愈高的材料愈好,不过,在实际使用时,其材料还要求物理、化学机械性性质等条件而取舍,一般其考虑因素:1.弹性限度:弹性限度是对材料旋加某力而变形后,消除该力时,不残留变形的最大力所相对的应力,很难测定,但相对抗拉强度高的材料,其弹性限度高,同时可通过热处理或冷间加工来改变弹性限度;2.弹性系数:对弹簧材料施力,产生单位应变时的应力称为弹性系数,此值为弹簧设计的基体,弹簧材料的弹性系数主要取决于其化学成分,因热处理、冷间加工而稍有变化,使用温度高时会大减少;3.疲劳强度:疲劳强度与材料的抗拉强度有一定关系,但因表面状态、脱碳、冷间加工、热处理而变化,这些条件因材料的制造方法,弹簧的制造方法而变化;4.淬火性:大形弹簧为了提高淬火效果,需要淬火性良好的材料,淬火性取决于材料的化学成分;5.形状尺寸:弹簧材料的机械性性质因尺寸而异,得不到特殊尺寸,形状,颇受限制;6.耐热性:有的弹簧在某种程度的高温使用,通常弹簧材料的各种机械性性质随着温度的上升而减少,在某种温度以上时,弹簧特性减少,耐热性因材料的化学成分,制造方法而异;7.耐蚀性:有时弹簧会在腐蚀环境下使用,会腐蚀疲劳的现象,耐蚀性主要取决于其化学成分,但也也会因热处理、冷间加工而有异;8.电传导度:电气器具、通信等常兼用为电传导,此时可用黄铜、磷铜、铍铜等铜合金属弹簧材料 9.热膨胀性:钟表的发簧等等很忌温度变化所致的伸缩,此时要用特殊材料;10.其他要求:还有结晶粒的大小、偏析、非磁性、非金属介在物,伤痕,热处理变形,加工性,耐塞性等种问题;三.弹簧一般用线材:1.琴钢线:Piano wire是用琴钢线材施行韧化处理,藉强力抽线加工,赋予良好的尺寸精度,良好的表面肌肤,高度机械性性质,韧化是将高碳钢线在变态点以上的温度连续加热约500℃的熔铅等中冷却,作成富加工性的组织;A. SWPA ——抗拉强度较低B. SWPB ——抗拉强度较高;抗拉强度因线径而异,线径细,抗拉强度一般较高;2.硬钢线:碳钢线 ——Hard Drawn Steel Wire使用硬钢线材韧化处理后,借冷间抽线加工制造,素材及加工都没有琴钢线那么用于重荷重特性的弹簧、耐疲劳严格,良质者有时不亚于琴钢线,不过,其不均度通常大于琴钢线,广用于反复次数不多之弹簧,无冲击荷重的弹簧;SWC 60C 含碳量较低SWC 80C 含碳量较高,应用广泛3.不锈钢线—— Stainless steel wire不锈钢线有软质线与硬质线,弹簧用者为硬质线,这是将不锈钢线材为火、酸洗、强力冷间线作成,耐蚀性优良,但也有利于需要耐热性,非磁性的场合,为了扩大抗拉强度而增大含碳量,抽线加工度,所以抗拉强度太高则可能有应力腐蚀,易带磁性;3.1 SUS3043.2 SUS316不带磁性3.3不锈钢材有202、205、303、304、308、316、410、420、430一般用于弹簧: SUS302、SUS304、SUS3164.铜合金系弹材料——导电性良好,耐蚀性良好,不过耐热性系数小,耐热性少;.磷青铜线C5101W:实用的弹簧用磷青铜为含Sn3~, ~7 7~9%三种Cu合金,为除去氧化物而易伸长起见,加少量P为脱脂剂,加工后的弹簧宜低温退火约250℃..黄铜线C2680W:弹簧用黄铜为Cu70%,Zn30%的7~3黄铜,抗拉强度低;.白铜线Ni18% Zn27% Cu55%的合金,强度大,弹簧特性良好,加工后约在350℃低温退火;.铍铜:在铜合金材料中,性能最优良,弹簧弹性好,耐高温;5.电镀钢线:视客户需求,其素材有SWC、SWP、SUS镀锌线镀锡线镀镍线镀金线BATT线:素材为SUS6.其它线材:铜包线电热线铁线漆包线四.热处理低温退火——发蓝弹簧的热处理,可提高材料的弹簧性能或补助性能,消除弹簧的应力,但因弹簧材料种类多,热处理方法随之而异;热处理是为了改善钢的外观或耐蚀性而暴露于适当温度的空气,水蒸气,化学药品等,在表面形成蓝色氧化物膜的场合,为了提高弹簧的弹性限度,疲劳限度,强度,硬度等,而在200-400℃低温加热的场合;要提高弹性限度时用200-250℃,要提高疲劳限度时用300-380℃,不过受钢的化学成份,冷间加工度影响;五.不同材质热处理后的变化:1. SWC80C. 60C及SWPB. SWPA材质热处理过后:1.1.颜色转浅咖啡色1.2.角度内收缩圈数增加1.3.内圈内径变小1.4.各加工角度微变化1.5.长度变长自由长1.6.力量一般变强视弹簧结构而定材料热处理过后:颜色一般不变化,也有变黄现象角度外扩张,圈数减少肉身内径变大各加工角度微变化力量一般减弱视弹簧结构而有异自由长变短六.防锈油、脱脂剂、汽油的目的与用途:1.防锈油:目的:防止热处理后的弹簧氧化生锈;用途:凡是热处理后而勿须电镀碳钢线产品,表面均须做防锈处理,用喷枪将适量的防锈油均匀的喷施在制品表面;2.脱脂剂:目的:清理弹簧表面油污;用途:平衡杆及表面油污较多的弹簧均须用脱脂剂清洗,清洗后的弹簧干净且有光泽;注意:脱脂剂清洗后之弹簧须赶紧热处理或烘干,若洗后置入太久则弹簧反而会生锈;3.汽油:目的:清理弹簧表面柴油及其它杂物;用途:主要用来清洗镀镍线制弹簧,因镀镍线制弹簧用脱脂剂清洗会容易生锈,而且经汽油清洗后增强了导电性,并易于焊接;注意:汽油清洗后,遇高温会着火,最好使其自然挥发后再热处理;七.热处理流程图:说明:1.振动须切口圆满无毛刺,角度、长度与图面符合;2.试温按图面要求,用光标卡尺、投影机、拉力测试机测量;3.试温发现异常,呈报上级核准后热处理;八.弹簧的认识:1.压簧:因压缩而产生反弹力2.拉簧:因拉伸而产生力量,一般都是密合的3.扭簧:因扭转而产生反弹力4.勾簧:因弯曲而产生反弹力5.其它类:九.弹簧专业名词解释及术语:1.线径:Wire Diameter,英文缩写WD:记号d,制作弹簧时所用材料的圆径外径,称之为线径,一般指线型圆径材料;2.内径: Inside Diameter英文缩写ID,记号D1,线材径加工卷成圆环之形状,其圆内围之直径,不包括两端线在内,单位M/M;3.外径Outside Diameter,英文缩写OD,记号D2,如上述其圆外围之直径,包括两端线在内,OD=ID+2WD;4.中心径Diameter,英文缩写D,又称平均径,平心径、内径与外径的平均值ID+OD/2,即线圈一端的中心点,通过圆心至另一端中心点之间的距离,单位M/M;5.有效圈数Active coils,英文缩写AC,记号Na,弹簧有效作用的圈数,不包括座圈在内;6.总圈数Totac coils,英文缩写,记号Nt,从弹簧的一端到另一端的圈数的总和,称为总圈数,总圈数=有效圈数+座圈;7.座圈:压缩弹簧两接触支持面部分与接着其相邻螺旋线的部分,且无弹力作用的圈数,称之为座圈;8.旋向:弹簧旋转之方向,分左、右向,左向:Left hand,右向:Right hand;9.自由长L自由高H:弹簧在未受外力作用时,原有制作的长高度,单位M/M;10.密着高Hs:弹簧作用至无自由圈数,完全密接的高度,称为密着高,单位M/M;11.直角度:弹簧一般指压缩弹簧成型后,其端面通常无法完全成平面,其切断处均含高出,故置于平面上略呈倾斜状态,其与平面所成的三角度,称之为直角度,一般直角度要求90°~93°之间时,须研磨,修理两端高出部分;12.荷重P:指螺旋弹簧加外力于某一作用长度后,所需要的力量称之为荷重,单位克kgf,或者牛顿N;13.表面处理Finish:为达到美观目的或者为防止生锈,防止氧化,或者为提高焊接能力而采取的一种工艺;14.螺距:记号P又称节距压缩弹簧中一圈到另一圈中心径距离;15.初张力:记号Pi单位kgf;16.初应力:记号Vi,单位kgf/mm217.扭转力距即扭距,记号M,单位:kgf-mm;18.扭转角度:记号d,单位度rad;19.常用化学元素符号:Zn锌 Fe铁O氧Ni镍Na钠C碳Au金Pb铅 B硼 Ag银P磷I碘 Cr铬 Li锂 W钨 Cu铜 Mn锰 Si硅 S硫Mo钥 Ca钙 H氢十.卷向识别:十一.弹簧尺寸与力量之关系:1.压簧A.线径越大,力量越强;B.外径越小,力量越强;C.长度越大,力量越强;D.圈数越多,力量越小;2.扭簧A.线径越粗,力量越强;B.圈数越多,力量越小;C.角度越大,力量越强;3.拉簧A.线径越粗,力量越强;B.外径越小,力量越强;C.圈数越多,力量越小;D.长度越长,力量越小;十二.电镀之种类:1.种类:A.镀镍黑镍、白镍B.化学镍又称无电解镍C.镀金真金、仿金D.镀铜红铜、黄铜另有镍底红铜光泽度比镀红铜亮E.镀锌黑锌、白锌、蓝锌F.染黑又称煲黑G.镀铬H.镀银2.方式:A.滚镀:滚筒滚动翻转,用电解式电镀,产品易纠结、变形则不适用;B.挂镀:单PCS吊镀,一般适用较大易操作吊挂产品;3.浸泡式:上下摇动,染黑,化学镍无电解镍属于浸泡式,此方式不像滚镀,易造成产品纠结变形;十三.其他表面处理:1.研磨、抛光产品抛光研磨后可去除表层之油污,增加表面之光洁度,同时可去除切断面之毛刺,主要的抛光研磨是对不易生锈之SUS材质或研磨后要电镀之产品,产品研磨前一般要进行热处理,避免研磨变形发生;2.珠击产品珠击是为消除其应力而用小钢珠~变速冲击表面,在表面产生压缩残留应力的一种处理方式,经珠击后的弹簧,可有效改善材料的疲劳强度;3.磷酸盐包覆是产品经过磷化剂溶液浸泡或喷涂,使产品表面形成一种磷化膜而增强抗蚀性之处理方式;4.钝化产品经钝化剂浸泡而在产品表面形成一种抗氧化膜之处理方式;。
钢板弹簧分类钢板弹簧是一种常见的机械弹簧,广泛应用于各种机械设备中。
根据不同的形状和用途,钢板弹簧可以分为多种类型。
本文将从形状、用途和制作工艺三个方面介绍钢板弹簧的分类。
一、形状分类1.扁钢弹簧扁钢弹簧是一种长条形的弹簧,其截面形状为矩形或梯形。
扁钢弹簧通常用于需要承受大荷载和变形量较大的场合,如汽车悬挂系统、工程机械等。
2.弯曲弹簧弯曲弹簧是一种弯曲成形的弹簧,其形状多样,可以是圆形、椭圆形、矩形等。
弯曲弹簧通常用于需要承受轻荷载和变形量较小的场合,如钟表、电子设备等。
3.波形弹簧波形弹簧是一种波浪形的弹簧,其形状类似于弯曲弹簧,但是波形更加复杂。
波形弹簧通常用于需要承受大荷载和变形量较小的场合,如汽车减震器、工业机械等。
二、用途分类1.压缩弹簧压缩弹簧是一种在压缩状态下工作的弹簧,通常用于承受压力或支撑重物的场合,如汽车悬挂系统、家具等。
2.拉伸弹簧拉伸弹簧是一种在拉伸状态下工作的弹簧,通常用于承受拉力或连接两个部件的场合,如门锁、电器等。
3.扭转弹簧扭转弹簧是一种在扭转状态下工作的弹簧,通常用于扭转力传递或扭转角度限制的场合,如汽车转向系统、机械传动系统等。
三、制作工艺分类1.热处理弹簧热处理弹簧是一种通过高温处理来改变钢板弹簧的性能的制作工艺。
热处理弹簧通常具有高强度、高韧性和耐疲劳性能,适用于承受大荷载和变形量较大的场合。
2.冷加工弹簧冷加工弹簧是一种通过冷加工来改变钢板弹簧的形状和性能的制作工艺。
冷加工弹簧通常具有较高的精度和表面质量,适用于承受轻荷载和变形量较小的场合。
3.机加工弹簧机加工弹簧是一种通过机械加工来制作钢板弹簧的制作工艺。
机加工弹簧通常具有较高的精度和表面质量,适用于需要特殊形状和精度要求较高的场合。
以上是钢板弹簧的形状、用途和制作工艺三个方面的分类介绍。
钢板弹簧是一种重要的机械弹簧,其分类和应用范围十分广泛。
在实际应用中,需要根据具体的场合和要求选择合适的钢板弹簧。
弹簧的分类性能要求失效形式应用常见弹簧钢弹性合金弹簧是一种利用弹性来工作的机械零件。
用弹性材料制成的零件在外力作用下发生形变,除去外力后又恢复原状。
亦作“弹簧”。
弹簧的分类按受力性质,弹簧可分为拉伸弹簧、压缩弹簧、扭转弹簧和弯曲弹簧,按形状可分为碟形弹簧、环形弹簧、板弹簧、螺旋弹簧、截锥涡卷弹簧以及扭杆弹簧等,按制作过程可以分为冷卷弹簧和热卷弹簧。
普通圆柱弹簧由于制造简单,且可根据受载情况制成各种型式,结构简单,故应用最广。
弹簧的制造材料一般来说应具有高的弹性极限、疲劳极限、冲击韧性及良好的热处理性能等,常用的有碳素弹簧钢、合金弹簧钢、不锈弹簧钢以及铜合金、镍合金和橡胶等。
弹簧的制造方法有冷卷法和热卷法。
弹簧丝直径小于8毫米的一般用冷卷法,大于8毫米的用热卷法。
有些弹簧在制成后还要进行强压或喷丸处理,可提高弹簧的承载能力。
弹簧可以分为以下7类:1、螺旋弹簧即扭转弹簧,是承受扭转变形的弹簧,它的工作部分也是密绕成螺旋形。
扭转弹簧端部结构是加工成各种形状的扭臂,而不是勾环。
2、拉伸弹簧是承受轴向拉力的螺旋弹簧。
在不承受负荷时,拉伸弹簧的圈与圈之间一般都是并紧的没有间隙。
3、压缩弹簧是承受轴向压力的螺旋弹簧,它所用的材料截面多为圆形,也有用矩形和多股钢萦卷制的,弹簧一般为等节距的,压缩弹簧的形状有:圆柱形、圆锥形、中凸形和中凹形和少量的非圆形等,压缩弹簧的圈与圈之间会有一定的间隙,当受到外载荷的时候弹簧收缩变形,储存变形能。
4、扭力弹簧利用杠杆原理,通过对材质柔软、韧度较大的弹性材料扭曲或旋转,使之具有极大的机械能。
5、渐进型弹簧,这种弹簧采用了粗细、疏密不一致的设计,好处是在受压不大时可以通过弹性系数较低的部分吸收路面的起伏,保证乘坐舒适感,当压力增大到一定程度后较粗部分的弹簧起到支撑车身的作用,而这种弹簧的缺点是操控感受不直接,精确度较差。
6、线性弹簧,线性弹簧从上至下的粗细、疏密不变,弹性系数为固定值。
弹簧里的学问评课稿
摘要:
1.弹簧的定义和作用
2.弹簧的分类和特点
3.弹簧的应用领域
4.弹簧的发展历程和前景
正文:
弹簧是一种具有弹性的金属制品,它可以在受到外力作用后产生形变,并在外力消失后恢复原状。
弹簧在工业和生活中有着广泛的应用,如减震、测量、控制等。
弹簧的分类主要有两种:一种是按照材质分类,如碳钢弹簧、不锈钢弹簧、铜弹簧等;另一种是按照形状分类,如螺旋弹簧、圆柱弹簧、平板弹簧等。
每种弹簧都有其独特的特点,例如碳钢弹簧具有较高的弹性模量和耐疲劳性能,不锈钢弹簧则具有良好的耐腐蚀性能。
弹簧的应用领域非常广泛,几乎涵盖了各个行业。
在汽车行业,弹簧用于减震器、座椅等部件,提高驾驶舒适性和安全性。
在仪器仪表行业,弹簧用于测量压力、位移等参数,为工业生产提供精确的数据支持。
此外,弹簧还广泛应用于家电、通讯、医疗等领域。
弹簧的发展历程可以追溯到几千年前,当时人们发现金属具有弹性,并开始利用这一特性制作简单的弹簧。
随着科技的发展,弹簧的材料、制作工艺和应用领域不断拓展。
今天,弹簧已经成为现代工业不可或缺的元件。
展望未来,随着新材料、新技术的不断涌现,弹簧将继续向高性能、多功能、环保等方向发展。
例如,形状记忆合金弹簧能够根据温度变化改变形状,实现智能化控制;纳米材料弹簧则具有更高的强度和韧性。
这些新型弹簧将为各行各业带来更多的创新和突破。
总之,弹簧虽然看似普通,但其中的学问却十分丰富。
弹簧安装方法
弹簧是一种用来储存和释放能量的机械元件,广泛应用于各个领域。
正确安装弹簧可以保证其正常使用和寿命。
下面介绍一些弹簧安装的注意事项和方法。
一、弹簧的分类
首先需要了解弹簧的分类,在安装过程中需要选用正确的弹簧。
1. 压缩弹簧:在压缩状态下储存能量,当受到压力时释放能量。
(1)确定压缩弹簧的长度和直径。
(2)将弹簧压缩到需要的长度后,将其固定在需要的位置上,如螺钉、销等。
(3)松开压缩的弹簧,确保其能正常运行。
注意:安装前应检查弹簧的材料、丝径、弹性系数等参数是否符合要求。
(1)测量需要拉伸的距离。
(2)扭转弹簧,直至达到需要的力矩。
(3)测试扭转弹簧是否符合要求。
三、弹簧的注意事项
1. 弹簧安装前应认真检查所需的参数。
2. 在拆卸或更换弹簧时,应注意弹簧的长度、直径、弹性系数等参数。
3. 弹簧应储存在干燥、通风的环境中,避免污染和腐蚀。
4. 安装弹簧时,应避免损坏弹簧表面,如划伤、裂纹等。
5. 弹簧安装后应进行初设定,并在运行中进行调整。
6. 弹簧使用过程中应定期检查和保养,确保其正常使用和寿命。
弹簧工作原理弹簧是一种常见的力学元件,广泛应用于各个领域,如汽车、机械、电子等。
它具有良好的弹性,并能够储存和释放能量。
本文将介绍弹簧的工作原理和其在不同领域中的应用。
一、弹簧的基本结构和分类弹簧通常由一根具有弹性的金属线或带制成,其形状可以是直线型、螺旋型、盘状等。
根据不同的使用需求,弹簧可分为压缩弹簧、拉伸弹簧和扭转弹簧三种基本类型。
压缩弹簧是指当受到压缩力时,弹簧会发生缩短变形;拉伸弹簧则是在拉伸力的作用下发生伸长变形;而扭转弹簧则是在转动力的作用下进行旋转变形。
不同类型的弹簧在使用时,其工作原理各有不同。
二、弹簧的工作原理弹簧工作的基本原理是利用其材料的弹性特性来储存和释放能量。
当外力作用于弹簧上时,弹簧会发生变形,使其内部的分子间距离发生改变,产生弹性应力。
当外力消失后,弹性应力将重新排列分子并恢复原样,产生反向的变形力,从而实现能量的储存和释放。
具体而言,压缩弹簧受到压力时,其螺旋线圈会逐渐收缩,分子间的力变得更紧密,弹簧内部储存了相应的弹性能量。
而拉伸弹簧则是在拉力的作用下发生伸长变形,分子间的力变得更稀疏,同样储存了弹性能量。
扭转弹簧则是在扭转力的作用下进行旋转变形,并储存能量。
通过控制外力的大小和施加的方式,我们可以控制弹簧的工作状态和所释放的能量。
这使得弹簧成为一种重要的机械元件,在各个领域中得到广泛应用。
三、弹簧的应用领域1. 汽车行业:弹簧作为车辆悬挂系统的重要组成部分,能够吸收和减缓路面的震动,提升乘坐舒适度。
同时,弹簧还用于汽车发动机的气门机构中,通过控制弹簧的紧张程度,实现气门的开闭。
2. 机械工程:弹簧广泛应用于机械设备中的传动系统、减震系统和侧边支撑系统等。
例如,弹簧可以用于减震器中,吸收和缓冲机器运行时产生的震动和冲击力。
3. 电子产品:弹簧在电子领域中也有重要的应用,如连接器中的弹簧接点可以实现电子元器件的可靠连接,而弹簧继电器则可以控制电路的开关。
4. 家居和日常用品:弹簧还应用于家居和日常用品中,如床垫弹簧、弹簧门闩等。
弹簧的特性与分类
1、弹簧的特性
弹簧的主要特性参数有挠度、刚度或柔度。
挠度是指弹簧在外力作用下产生的弹性变形的大小或弹性位移量,而使弹簧产生单位挠度所需的力称为该弹簧的刚度,反之在单位载荷作用下产生的挠度称为该弹簧的柔度。
为了改善弹簧的特性,适应安装位置及空间大小的需要,在轨道车辆上时常采用组合弹簧,这些弹簧有串联、并联和串并联三种组合。
组合弹簧的总刚度、挠度(或称当量刚度、挠度)的特点是:并联布置的弹簧系统的当量刚度等于各个弹簧刚度的代数和,串联布置的弹簧系统的当量挠度等于各个弹簧挠度的代数和。
2、弹簧的分类
(1)扭杆弹簧和环弹簧。
①扭杆弹簧。
②环弹簧。
(2)橡胶弹性元件。
橡胶弹性元件的力学性能不同于一般的金属元件,橡胶的弹性模量比金属小得多,可以获得较大的弹性变形,容易实现预想的非线性特性;可以自由确定其形状,也可以根据设计要求达到在各个方向上不同刚度的要求;橡胶具有较高的内阻,对衰减高频振动和隔声有良好的效果;橡胶比重小,自重轻。
弹簧可以根据其形状、结构和用途的不同进行分类。
以下是一些常见的弹簧分类:
压缩弹簧:当受到外力压缩时,压缩弹簧会产生反弹力,常见的应用包括悬挂系统、减震器等。
拉伸弹簧:当受到外力拉伸时,拉伸弹簧会产生回弹力,常见的应用包括门弹簧、拉簧等。
扭转弹簧:当受到扭转力时,扭转弹簧会产生回弹力,常见的应用包括时钟发条、扭簧等。
扁平弹簧:具有扁平形状的弹簧,常见的应用包括汽车悬挂系统、床弹簧等。
螺旋弹簧:由圆柱形的金属线卷绕而成,常见的应用包括工业机械、家具等。
线圈弹簧:由细金属线成环状卷绕而成,常见的应用包括玩具、笔等。
气弹簧:利用气体的压缩和膨胀产生回弹力,常见的应用包括汽车避震系统、工业机械等。
弹簧的分类主要分类按受力性质,弹簧可分为拉伸弹簧、压缩弹簧、扭转弹簧和弯曲弹簧,按形状可分为碟形弹簧、环形弹簧、板弹簧、螺旋弹簧、截锥涡卷弹簧以及扭杆弹簧等,按制作过程可以分为冷卷弹簧和热卷弹簧。
普通圆柱弹簧由于制造简单,且可根据受载情况制成各种型式,结构简单,故应用最广。
弹簧的制造材料一般来说应具有高的弹性极限、疲劳极限、冲击韧性及良好的热处理性能等,常用的有碳素弹簧钢、合金弹簧钢、不锈弹簧钢以及铜合金、镍合金和橡胶等。
弹簧的制造方法有冷卷法和热卷法。
弹簧丝直径小于8毫米的一般用冷卷法,大于8毫米的用热卷法。
有些弹簧在制成后还要进行强压或喷丸处理,可提高弹簧的承载能力。
根据《中国弹簧制造行业产销需求与投资预测分析报告前瞻》[1]统计,弹簧可以分为以下7类:1、螺旋弹簧即扭转弹簧,是承受扭转变形的弹簧,它的工作部分也是密绕成螺旋形。
扭转弹簧端部结构是加工成各种形状的扭臂,而不是勾环。
2、拉伸弹簧是承受轴向拉力的螺旋弹簧。
在不承受负荷时,拉伸弹簧的圈与圈之间一般都是并紧的没有间隙。
3、压缩弹簧是承受向压力的螺旋弹簧,它所用的材料截面多为圆形,也有用矩形和多股钢萦卷制的,弹簧一般为等节距的,压缩弹簧的形状有:圆柱形、圆锥形、中凸形和中凹形和少量的非圆形等,压缩弹簧的圈与圈之间会有一定的间隙,当受到外载荷的时候弹簧收缩变形,储存变形能。
4、扭力弹簧利用杠杆原理,通过对材质柔软、韧度较大的弹性材料扭曲或旋转,使之具有极大的机械能。
5、渐进型弹簧,这种弹簧采用了粗细、疏密不一致的设计,好处是在受压不大时可以通过弹性系数较低的部分吸收路面的起伏,保证乘坐舒适感,当压力增大到一定程度后较粗部分的弹簧起到支撑车身的作用,而这种弹簧的缺点是操控感受不直接,精确度较差。
6、线性弹簧,线性弹簧从上至下的粗细、疏密不变,弹性系数为固定值。
这种设计的弹簧可以使车辆获得更加稳定和线性的动态反应,有利于驾驶者更好的控制车辆,多用于性能取向的改装车与竞技性车辆,坏处当然是舒适性受到影响。
床垫弹簧的种类床垫是人们日常生活中不可或缺的一部分,而床垫弹簧作为床垫的重要组成部分,直接影响睡眠的质量和舒适度。
床垫弹簧的种类繁多,每种弹簧都有其独特的特点和适用场景。
本文将介绍几种常见的床垫弹簧类型,帮助读者选择合适的床垫。
一、连续弹簧连续弹簧是最早出现的床垫弹簧类型之一,其特点是由一根长而细的钢丝制成,弹簧之间形成连续的弧形,像一条蛇一样蜿蜒曲折。
这种弹簧的优点是弹性好,支撑力均匀,适用于不同体重的人群。
同时,连续弹簧的透气性也较好,床垫不易潮湿。
然而,连续弹簧的缺点是容易产生噪音,而且弹簧之间的连接容易松动,影响床垫的使用寿命。
二、独立袋装弹簧独立袋装弹簧是目前市场上最常见的床垫弹簧类型之一。
它采用将每个弹簧单独装入袋子中的设计,每个弹簧都可以独立运动。
这种弹簧的优点是能够根据身体的不同部位提供不同的支撑力,有效缓解压力,提高睡眠的舒适度。
此外,独立袋装弹簧还具有减震降噪的特点,能够有效减少床垫的噪音。
然而,这种弹簧的透气性相对较差,容易滋生细菌和螨虫,需要定期清洗和消毒。
三、无缝连续弹簧无缝连续弹簧是连续弹簧的升级版,它通过将连续弹簧的每个环节焊接在一起来消除弹簧之间的连接。
这种弹簧的特点是结构稳定,弹性好,支撑力均匀。
与传统连续弹簧相比,无缝连续弹簧的优点是更加耐用,使用寿命更长。
然而,由于弹簧之间无法独立运动,适应性较差,不适合多人共用的床垫。
四、袋装独立弹簧袋装独立弹簧是独立袋装弹簧的改进型,每个弹簧都被包裹在一个独立的袋子中,并通过粘合或缝合的方式固定在一起。
这种弹簧的特点是结构稳定,弹性好,能够根据身体的不同部位提供不同的支撑力。
同时,袋装独立弹簧还具有较好的透气性和减震降噪效果。
然而,由于弹簧之间的连接较为脆弱,容易出现断裂的情况,使用寿命相对较短。
总结而言,床垫弹簧的种类繁多,每种弹簧都有其特点和适用场景。
连续弹簧适用于不同体重的人群,独立袋装弹簧可以提供个性化的支撑力,无缝连续弹簧更加耐用,袋装独立弹簧具有较好的透气性和减震降噪效果。
卡扣弹簧种类
卡扣弹簧是一种常见的弹簧类型,主要用于连接和固定两个物体。
以下是几种常见的卡扣弹簧种类:
1. 拉伸弹簧(Extension Spring):这种弹簧的各圈紧密围绕,使其能受力拉长。
拉伸弹簧有多种形状和变体,可以依据设计进行成型。
2. 压缩弹簧(Compression Spring):这是最被广泛运用的一种弹簧种类,其设计和原理易于掌握,制造控制也较为简单。
压缩弹簧有直筒型、锥形、缩凸腰形等多种变体。
此外,卡扣弹簧还有其他一些种类,如扭力弹簧、恒力弹簧等。
不同的卡扣弹簧种类适用于不同的应用场景,因此在选择卡扣弹簧时,需要根据具体需求和场景进行选择。
钢板弹簧分类
钢板弹簧是一种常见的机械弹簧,它由钢板经过冲压、弯曲、切割等工艺制成。
钢板弹簧具有结构简单、制造成本低、使用寿命长等优点,因此被广泛应用于各种机械设备中。
根据不同的形状和用途,钢板弹簧可以分为以下几类:
1.扭转弹簧
扭转弹簧是一种常见的钢板弹簧,它的形状类似于螺旋形。
扭转弹簧通常用于各种机械设备中,如汽车、电器、仪器等。
扭转弹簧的优点是结构简单、制造成本低、使用寿命长等。
2.压缩弹簧
压缩弹簧是一种常见的钢板弹簧,它的形状类似于圆柱形。
压缩弹簧通常用于各种机械设备中,如汽车、电器、仪器等。
压缩弹簧的优点是结构简单、制造成本低、使用寿命长等。
3.拉伸弹簧
拉伸弹簧是一种常见的钢板弹簧,它的形状类似于直线形。
拉伸弹簧通常用于各种机械设备中,如汽车、电器、仪器等。
拉伸弹簧的优点是结构简单、制造成本低、使用寿命长等。
4.扁平弹簧
扁平弹簧是一种常见的钢板弹簧,它的形状类似于扁平形。
扁平弹簧通常用于各种机械设备中,如汽车、电器、仪器等。
扁平弹簧的优点是结构简单、制造成本低、使用寿命长等。
钢板弹簧是一种常见的机械弹簧,它具有结构简单、制造成本低、使用寿命长等优点,被广泛应用于各种机械设备中。
根据不同的形状和用途,钢板弹簧可以分为扭转弹簧、压缩弹簧、拉伸弹簧和扁平弹簧等几类。
弹簧的分类
弹簧的种类很多,若按照其所承受的载荷性质,弹簧主要分为拉伸弹簧、压缩弹簧、扭转弹簧和弯曲弹簧等四种。
若按照弹簧形状又可分为螺旋弹簧是用弹簧丝卷绕制成,由于制造简便,价格较低,易于检测和安装,所以应用最广。
这种弹簧既可以制成受压缩载荷作用的压缩弹簧,又可以制成受拉伸载荷作用的拉伸弹簧,还可以制成承受扭矩作用或完成扭转运动的扭转弹簧。
、碟形弹簧可以承受很大的冲击载荷,具有良好的吸振能力,常用作缓冲减振弹簧。
在载荷相当大和弹簧轴向尺寸受限制的地方,可以采用碟形弹簧。
、环形弹簧是目前减振缓冲能力最强的弹簧,常用作近代重型机车、锻压设备和飞机起落装置中的缓冲零件。
、板弹簧、盘簧等。
表中列出的是各种弹簧的基本型式。
各种弹簧名称
(2004-8-4) 序号中文名称英文名称相关解释
09.0820 弹簧Spring 利用材料的弹性和结构特点,使变形与载荷之间保持规定关系的一种弹性元件
09.0821 螺旋弹簧Helical spring 呈螺旋状的弹簧
09.0822 圆柱螺旋弹簧Cylindrical helical spring 外廓呈圆柱形的螺旋弹簧09.0823 圆柱螺旋压缩弹簧Cylindrical helical compression spring 承受压缩力的圆柱螺旋弹簧
09.0824 圆柱螺旋拉伸弹簧Cylindrical helical tension spring 承受拉伸力的圆柱螺旋弹簧
09.0825 圆柱螺旋扭转弹簧Cylindrical helical torsion spring 承受扭力矩的圆柱螺旋弹簧
09.0826 不等节距圆柱螺旋弹簧Variable pitch cylindrical helical spring 节距不相等的圆柱螺旋弹簧
09.0827 多股螺旋弹簧Stranded wire helical spring 用多股钢丝拧成钢索制成的圆柱螺旋弹簧
09.0828 中凸形螺旋弹簧Barrel shaped spring 簧圈直径向两端递减的螺旋弹簧
09.0829 中凹形螺旋弹簧Hourglass shaped spring 簧圈直径向两端递增的螺旋弹簧
09.0830 密圈螺旋弹簧Tightly coiled helical spring 在冷卷成形时,沿弹簧轴向施加压力使弹簧各圈间有相互挤压力的螺旋弹簧
09.0831 截锥螺旋弹簧Conical spring 呈截锥状的螺旋弹簧
09.0832 截锥涡卷弹簧Volute spring 用带材料制成的截锥形的截锥螺旋弹簧09.0833 平面涡卷弹簧Spiral spring 螺旋线在一个平面内的弹簧
09.0834 碟形弹簧Belleville spring 外廓呈碟状的弹簧
09.0835 组合碟形弹簧Dish shaped spring 用多片碟形弹簧对合或叠合、或者用几组多片叠合的碟簧再对合而成的组合弹簧
09.0836 环形弹簧Ring spring 利用多个具有内外锥面配合三弹性环组成的弹簧
09.0837 板弹簧Leaf spring 单片或多片板材(簧板)制成的弹簧
09.0838 弹簧箍Buckle 固紧簧板的金属箍
09.0839 弓形板弹簧Semi-elliptic leaf spring 外廓成弓状的板弹簧
09.0840 等钢度弓形板弹簧Constant stiffness semi-elliptic spring 工作中钢度不变化的弓形板弹簧
09.0841 变钢度弓形板弹簧Variable rate semi-elliptic spring 在工作中钢度发生变化的弓形板弹簧
09.0842 椭圆形板弹簧Full-elliptic spring 外廓呈椭圆状的板弹簧
09.0843 等钢度椭圆形板弹簧Constant rate full-elliptic spring 在工作中刚度不变化的椭圆形板弹簧
09.0844 变刚度椭圆形板弹簧Variable rate full-elliptic spring 在工作中刚度发生变化的椭圆形板弹簧
09.0845 悬臂板弹簧Quarter-elliptic spring 在工作中呈悬臂状的板弹簧
09.0846 组合弹簧Combined spring 多个或多种弹簧的组合
09.0847 扭杆弹簧Torsion bar spring 承受扭力矩的杆状弹簧
09.0848 蛇形弹簧Serpentine spring 形状弯曲呈蛇形的弹簧
09.0849 异形弹簧Wire spring 用金属丝(或金属线)制成的特殊形状的弹簧09.0850 片弹簧Flat spring 用带材或板材制成的各种片状弹簧
09.0851 橡胶弹簧Rubber spring 利用橡胶弹簧性起缓冲、减震作用的弹簧09.0852 压缩式橡胶弹簧Compression-type rubber spring 承受压缩力的橡胶弹簧
09.0853 剪切式橡胶弹簧Shear-type rubber spring 承受剪切力的橡胶弹簧09.0854 扭转式橡胶弹簧Torsion-type rubber spring 承受扭力矩的橡胶弹簧09.0855 组合式橡胶弹簧Combined-type rubber spring 由几个简单形状橡胶元件组成的橡胶弹簧
09.0856 层状橡胶弹簧Laminated rubber spring 多个橡胶垫用金属隔板层压而成的橡胶弹簧
09.0857 衬套式橡胶弹簧Sleeve-shape rubber spring 由橡胶套与内外钢套组合而成的橡胶弹簧
09.0858 橡胶挡Rubber stop 限制运动体位移量并起缓冲作用的橡胶元件
09.0859 空气弹簧Air spring 在可伸缩的密闭容器中充以压缩空气,利用空气弹性作用的弹簧
由全国科学技术名词审定委员会公布(2000年)。