接触网倒闸作业标准化程序
- 格式:doc
- 大小:17.50 KB
- 文档页数:2
高速铁路接触网应急处置标准化作业指导书第一部分 适用范围本作业指导书规定了供电调度对高速铁路接触网故障应急处置标准化流程和注意事项第二部分 应急处置原则严格执行“先通后复”原则,接触网故障跳闸后,供电调度尽量通过远动操作隔离故障区段,恢复供电;短时间无法恢复正常供电时,可根据具体情况采取越区供电。
第三部分 应急处理程序1.供电调度应立即收集分析故障跳闸参数,初步判定故障性质,根据故障测距对照表确定故障大概位置。
2.若跳闸重合成功且跳闸参数判定为故障跳闸,供电调度根据变电所跳闸故标指示位置及时向列车调度员提供首趟列车限速,限速里程、区段(站场)名称,并要求通知首趟列车司机加强望。
通知工区出动,供电调度及时了解跳闸供电臂范围内运瞭行列车有无异常信息,检查所内设备。
3.若跳闸重合不成功,第一时间通知列车调度供电臂停电,然后通知相关接触网立即做好抢修出动准备,检查所内设备,再与变电所核对故障参数。
4.询问列车调度员跳闸供电臂范围内的列车有无异常信息,以及车站货物线开关状态,并要求故障供电臂内的所有机车全部降弓,准备强送电一次。
5.若强送成功,通知列车调度员跳闸供电臂已恢复供电,并要求列调车调度员通知跳闸供电臂内的机车依次升弓,通知首趟列车司机加强望。
供电调度根据变电所跳闸故标指示位置限速瞭向列车调度员提供限速(本线80km/h、邻线80 km/h)、限速里程。
6.若强送失败,立即启动故障抢修处理程序,若因所内设备故障短时间无法恢复正常供电时,供电调度立即隔离故障,启动应急供电方案。
7.立即通知相邻的两个接触网工区立即出动,将两次固标的指示点告知抢修负责人,并通知供电处及相关供电段供电综合调度。
8.作好记录。
供电调度应分别将跳闸情况和发现的设备异常及处理经过做好记录,填写故障速报或安全信息,按规定上报。
第四部分 安全风险卡控1.应急供电方案由供电调度负责制定,现场抢修方案由供电段负责制定,由供电调度审核同意后方可实施。
倒闸操作
1、变电所值班人员接到操作任务后,确认操作方案及操作步骤,认真编写操作票。
2、倒闸操作实行三审制,三审后的操作票经队长批准生效。
3、倒闸操作实行一人操作,一人监护。
每进行一项操作,都应遵循唱票~对号~复诵~核对~操作五个程序。
操作票必须按顺序执行。
4、主变的倒闸操作:停送电合上中性点接地刀闸,停电时先停主变负荷侧,后停主变电源侧;送电过程与上相反。
5、倒换变压器时应先将备用变压器送电,证实已带负荷,然后再将运行变压器停电。
6、操作中发生疑问时,应立即停止操作并向值班调度员或值班负责人报告,弄清问题后,再进行操作。
不准擅自更改操作票,不准随意解除闭锁装置。
7、变配电所的上空有雷电活动时,禁止进行户外电气设备的倒闸操作。
倒闸操作时得不进行交接班。
8、在倒闸操作中应加强监视和分析各种仪表的指示情况。
应急操作程序
1、本变电所双回路高压电源,当1#进线线路发生故障停电时,应立即启用2#备用线路,待1#线路修复后再倒回原供电方式。
2、变压器一般情况下一台使用一台备用,当1#变发生故障时,就立即将负荷倒入2#变,待1#变修复后再倒回原供电方式。
3、在供电系统正常供电时,若开关突然停电,首先倒置另一回路,后通知值班电工弄清停电的原因,查看故障显示菜单是漏电、短路、过载,针对故障原因对应检查,无问题后倒置原回路电源正常供电。
高速铁路联调联试接触网停送电标准化作业流程郑广金(中国铁路济南局集团有限公司调度所供电调度室,山东济南250001)摘要:高速铁路牵引供电设备的机电特性、设计考量、技术要求、施工工艺等与普速铁路存在较大差异,联调联试期间更存在施工单位多、维修作业时间不固定等许多临时性变动,采取标准化停送电流程才能确保联调联试安全有序完成及现场作业人员安全。
为加强新建高速铁路联调联试期间停送电安全,明晰管理责任,规范管理制度,在深入研判高铁联调联试供电设备施工作业安全风险的基础上,提出停送电标准化作业流程,确保联调联试期间供电安全。
关键词:高速铁路;联调联试;供电;接触网;停送电;标准化;作业流程;防控措施中图分类号:U223文献标识码:A文章编号:1672-061X(2021)03-0085-04 DOI:10.19550/j.issn.1672-061x.2021.03.0850引言2008年以来,我国铁路建设项目推行标准化管理,形成了以确保工程质量为核心任务,以管理制度标准化、人员配备标准化、现场管理标准化、过程控制标准化为基本内容,以技术标准、管理标准、作业标准和工作流程为基本依据的铁路建设项目标准化管理体系。
随着新建高速铁路的开通运营,大量新技术、新设备的采用,对供电的需求和依赖越来越大,供电安全的重要性日益凸显。
接触网作为高速铁路的重要组成部分,正确组织联调联试期间接触网设备的运行、检修和作业,并与各工种密切配合,应急处理突发事件则显得尤为关键。
结合近年来中国铁路济南局集团有限公司(简称济南局集团公司)牵引供电设备联调联试工作,根据《高速铁路牵引变电所安全工作规则》《高速铁路电力安全工作规则》《高速铁路接触网安全工作规则》《高速铁路供电调度规则》等相关文件规定,从停送电标准化作业流程出发,对高铁联调联试期间供电设备施工作业开展分析及安全管控措施研究。
1联调联试期间接触网停送电安全风险分析目前在联调联试期间,济南局集团公司在现场指挥部设临时供电调度台,负责新建高速铁路供电设备各项工作,包括开关的操作、下达操作和作业命令、指挥供电设备故障抢修等,以及停送电配合其他施工单位,并与临时列车调度台、供电公司地调的联络工作。
接触网检修标准化作业程序一、预想会1、检修作业前一天由工作领导人组织作业组全体人员召开预想会,时间宜定在18:00-20:00点。
2、预想会要全过程录音并做好记录,录音带保存期为7天。
二、预想会前工作领导人、发票人、安全员要做好如下工作:1、核实工作票作业地点及作业内容的可行性和必要性。
2、工作领导人填写分工表和《作业用料、工具清单[,明确作业组成员分工。
3、发票人在黑板上画出作业现场简图中,图上标明作业地点、作业内容、停电设备、封闭区段及带电设备。
4、工作领导人、安全员熟悉和审查工作票。
三、预想会开始1、工作领导人点名并宣读工作票,发票人向作业组人员介绍次日作业的地点、作业内容、安全措施、现场的地理环境、重点设备等情况。
由工作领导人提问作业组成员,使作业成员必须明确:(1)作业地点、范围及作业内容;(2)需停电的设备;(3)装设接地线的位置;(4)封闭和占用线路范围;(5)作业地点附近带电的设备。
2、全体作业组成员复查工作票提出有疑问和不明确的处所,如无异议,正式定票。
3、工作领导人进行作业分工,同时明确:(1)作业中岗位职责;(2)各岗位的安全措施;(3)作业所需携带的工具、材料;(4)作业出乘车巡视的分工。
4、分工后,按分工表(派工单)顺序作业组成员依次进行本岗位安全措施、可控措施的预想,司助人员进行安全预想。
之后,各自在分工表(派工单)上签名。
5、明确作业材料、工具,宣读《作业用材料、工具清单》进行讨论确定,材料员审核材料、工具的项目和数量是否能满足作业需要。
6、工作领导人对整个施工方案及工艺要求和作业组人员讨论,必要时学习有关规定和检修工艺,工作领导人最后确定作业方案,无疑问后预想会结束。
7、预想会后,工作领导人将作业用材料、工具清单交材料员。
材料员根据清单进行备料,并检查材料、工具状态,确保良好使用。
四、作业前1、作业前1个小时全体作业组成员列队点名,工作领导人宣读工作票明确分工,强调安全措施,提问作业有关的内容。
普速铁路接触网作业命令办理标准化作业指导书第一部分 适用范围本作业指导书适用于普速铁路供电调度办理接触网作业命令标准化程序。
第二部分 准备工作1.审核作业内容中的作业地点,作业组成员,作业时间,作业范围与作业内容是否与计划相符。
2. 检查远动系统状态良好;准备好倒闸操作命令记录;通知监护人员、接触网工区(变电所值班人员)做好远动操作准备。
第三部分 作业命令办理流程一.停电作业命令办理1.确认驻站联络员已到达运转室,核对供电臂、作业范围、作业内容、安全措施(撤除重合闸)等是否相符。
2.按规定与列车调度员办理停电手续。
3.供电调度员根据列车调度员发布的停电调度命令,远动停电倒闸(撤除相邻供电臂重合闸)或向牵引变电所(接触网)发布停电倒闸命令。
4.分区所已开环。
5.向驻站联络员发布停电作业。
二.消除停电作业命令办理1.接触网作业完毕送电前,驻站联络员申请消除停电作业命令。
供电调度要确认销令命令号,提醒“人员是否撤离?接地线是否撤除?”后,给予“消令时间”,认真复核该供电臂上所有作业组均已消除作业命令及邻台台间传票请求送电。
2.供电调度员接到申请送电的请求后,确认具备供电条件后,远动送电倒闸或向牵引变电所(接触网)发布恢复供电的操作命令,而后通知列车调度员“供电臂(或某某段)已恢复供电”。
第四部分 安全风险卡控1.接触网停、送电必须按照铁路局公布的供电单元执行,任何人不得擅自变更其范围及控制条件。
2.在同一个停电范围内有几个作业组同时作业时,对每一个作业组,必须分别办理停电作业命令。
3.同一个停电范围内有几个作业组同时作业时,对每一个作业组,供电调度分别办理消除停电作业命令。
4.只有当在停电区段上所有的停电作业命令全部消除完毕,且具备送电条件后,方可办理送电手续。
5.必须严格遵守铁路局安全“红线”规定。
简单的倒闸操作规程倒闸操作规程是保证电网安全运行的重要措施之一,它规范了倒闸操作的步骤、顺序和注意事项,确保电力系统在倒闸过程中不发生事故。
以下是一个简单的倒闸操作规程。
一、准备工作1. 倒闸前要进行必要的安全检查,检查线路的绝缘状况,避免因绝缘破损导致事故发生。
2. 倒闸前要保证操作人员具备相应的操作技能,并且戴好绝缘用具,确保操作人员的个人安全。
二、倒闸前的操作1. 切断电源:先将就近的配电开关切断电源,保证倒闸过程中不会发生电流的危险。
2. 确保环境安全:倒闸前需要确保操作区域没有可燃物和易燃物,以防止发生火灾。
三、倒闸操作步骤1. 根据线路图和操作指南,了解倒闸操作的顺序和步骤。
2. 按照操作指南要求,先将电源切断装置上的隔离开关切断,然后将倒闸刀插入倒闸位置。
3. 将合闸装置上的合闸刀插入合闸位置,确保倒闸刀和合闸刀的位置正确。
4. 注意倒闸过程中的电流变化情况,避免因电流突变而引发危险。
5. 操作结束后,将合闸刀恢复到初始位置,然后将隔离开关切断,断开电源。
四、倒闸操作中的注意事项1. 在倒闸操作过程中,必须要明确操作人员的职责和权限,确保操作的准确性和安全性。
2. 操作人员要时刻注意自身安全,佩戴好绝缘用具,并确保周围环境的安全。
3. 在倒闸过程中,要密切观察线路的变化情况,及时发现异常情况并停止倒闸操作,以防事故发生。
4. 需要在合适的时间和温度条件下进行倒闸操作,避免因环境因素导致事故发生。
5. 操作人员要经常检查和维护倒闸设备的状态,确保其正常运行。
五、倒闸操作后的工作1. 操作完成后要对倒闸设备进行检查,确保设备无异常情况。
2. 做好相关记录,将倒闸操作的时间、人员和设备状态记录下来,以备后续参考。
3. 操作过程中产生的废料和废物要妥善处理,保持操作现场的整洁。
总之,倒闸操作规程是保障电网安全运行的关键措施之一。
操作人员必须要严格按照倒闸操作规程进行操作,做好相关的准备工作和注意事项,确保倒闸操作的准确性和安全性。
接触网隔离开关倒闸操作程序本程序适用于接触网专业所辖隔离开关的操作;规定了郑州地铁接触网5号线试运行期间隔离开关倒闸操作的有关要求。
一、手动隔离开关操作规程1.操作制度1)手动隔离开关倒闸作业应该有两人进行,一人操作,一人监护,操作及监护人(均不低于安全等级三级)均须持有安全合格证。
2)由接触网专业负责管理的手动隔离开关,其倒闸作业必须根据电力调度命令进行,并填写“隔离开关倒闸作业命令票”,按命令内容要求迅速完成。
3)接触网专业管理的手动隔离开关倒闸命令接受程序:(1)由操作人员按照作业程序向电调提出申请或应电调要求提出申请;(2)值班电力调度审查后,发布倒闸作业命令;电力调度倒闸命令第一部分要包括1500V开关柜断路器(直流小车)已断开的描述;(3)操作人员受令,填写隔离开关倒闸命令票并复诵(有疑问就必须问清楚),倒闸人员在接受电调命令时,应认真填写,应将命令清楚、准确、完整的记录并向电调复诵一次,电调给予命令编号及标准时间,否则无效;(4)值班电调确认无误后,给予命令编号和批准时间(无命令编号和批准时间的命令无效);(5)监护人持倒闸命令票大声口述倒闸步骤,操作人手指开关进行复述,验证无误,操作人迅速进行倒闸作业;倒闸作业,监护人必须在场监护;(6)操作完后,操作人员立即向电调汇报,并填写“隔离开关倒闸完成报告单”,注销倒闸命令;(7)值班电力调度及时发布完成时间和编号,并将命令内容等记入“隔离开关倒闸命令记录”;(8)操作人员将“隔离开关倒闸命令票”及“完成报告单”一并归档保存备查。
2.操作程序及技术要领1)操作前戴好安全帽和绝缘手套,穿好绝缘靴;操作前绝缘手套应作漏气检查。
2)确认要操作的开关编号;检查开关状态(包括开关接地装置)是否良好。
3)打开隔离开关操作机构上的挂锁;需检查确定操作手柄(摇把)牢固可靠,与手套接触不粘不滑。
4)手动操作时应平稳迅速,身体不准触及操作机构,但不得发生冲击,一次开合到底,中途不准发生冲击或停滞。
倒闸操作规程倒闸操作规程是指在电网运行中,对于切、割、掐、开、合、切换、抢修等行为的规范和制度。
一、操作准备1. 检查倒闸操作所需的工具、设备和仪表,确保齐全完好。
2. 确认倒闸操作区域符合安全要求,消除可能引起事故的隐患。
3. 查明所要操作的电源、回路及相应的位置。
4. 与相关的工种、部门进行沟通和协调,确保操作的顺利进行。
5. 了解所操作的电网的状态,包括电压、电流、频率等参数。
二、倒闸操作步骤1. 执行人员穿戴好个人防护装备,确保自身安全。
2. 根据所操作的电源和电路确定倒闸的操作台,并切断对应电源的电源开关,确保断电安全。
3. 通过电表或其他测试仪器确认电源已经断开。
4. 操作人员确认周围环境安全无误后,方可进行倒闸的操作。
5. 根据倒闸操作的种类和方式,在电源和回路之间连接好倒闸设备。
6. 操作人员确认倒闸设备连接牢固,并将手柄或操作装置置于中性位置。
7. 根据倒闸的具体要求和流程,进行倒闸操作。
操作人员应注意力集中,动作轻柔、准确。
8. 在倒闸的过程中,密切观察倒闸设备的运动状态,确保其正常运行。
9. 倒闸操作结束后,操作人员应立即将倒闸设备处于中性位置,并确认其已经锁定。
10. 在进行倒闸操作的同时,应密切配合相关的监控和测试人员,确保倒闸操作的正确性和安全性。
三、注意事项1. 在操作过程中,操作人员必须严格按照操作规程进行操作,不得有丝毫的马虎和疏漏。
2. 操作过程中需要保持通讯畅通,及时与其他操作人员进行沟通和确认。
3. 在操作过程中,应随时注意观察相关设备的运行状态和周围环境的变化,及时发现并处理可能的问题。
4. 在操作结束后,应将操作区域保持整洁,清理工具和设备,确保场地的安全和卫生。
5. 严禁未经授权的人员进行倒闸操作,必要时可以设置防护措施或使用密码锁等方式保证安全。
四、事故处理1. 如发生事故或异常情况,操作人员应立刻停止操作,并迅速采取相应的措施进行处理。
2. 在事故处理过程中,应经过公认的专业人员进行检查和修复,确保安全和可靠。
普速铁路接触网应急处置标准化作业指导书第一部分 适用范围本作业指导书规定了供电调度对接触网故障应急处置标准化流程和安全风险卡控第二部分 应急处置原则严格执行“先通后复”原则,接触网故障跳闸后,供电调度尽量通过远动操作隔离故障区段,恢复供电;短时间无法恢复正常供电时,可根据具体情况采取越区供电。
第三部分 应急处理程序1.供电调度应立即收集分析故障跳闸参数,初步判定故障性质,根据故障测距对照表确定故障大概位置。
2.若跳闸重合成功且跳闸参数判定为故障跳闸,供电调度根据变电所跳闸故标指示位置及时向列车调度员提供首趟列车限速(本线45km/h、邻线60 km/h),限速里程、区段名称,并要求通知瞭首趟列车司机加强望。
通知工区出动,供电调度及时了解跳闸供电臂范围内运行列车有无异常信息,检查所内设备。
3.若跳闸重合不成功,第一时间通知列车调度供电臂停电,然后通知相关接触网立即做好抢修出动准备,检查所内设备,再与变电所核对故障参数。
4.询问列车调度员跳闸供电臂范围内的列车有无异常信息,以及车站货物线开关状态,并要求故障供电臂内的所有机车全部降弓,准备强送电一次。
5.若强送成功,通知列车调度员跳闸供电臂已恢复供电,并要求列调车调度员通知跳闸供电臂内的机车依次升弓,通知首趟列车司机加强望。
供电调度根据变电所跳闸故标指示位置限速瞭向列车调度员提供限速(本线45km/h、邻线60 km/h)、限速里程、区段名称。
6.若强送失败,立即启动故障抢修处理程序,若因所内设备故障短时间无法恢复正常供电时,供电调度立即隔离故障,启动应急供电方案。
7.立即通知相邻的两个接触网工区立即出动,将两次固标的指示点告知抢修负责人,并通知供电处及相关供电段供电综合调度。
8.作好记录。
供电调度应分别将跳闸情况和发现的设备异常及处理经过做好记录,填写故障速报或安全信息,按规定上报。
第四部分 安全风险卡控1.应急供电方案由供电调度负责制定,现场抢修方案由供电段负责制定,由供电调度审核同意后方可实施。
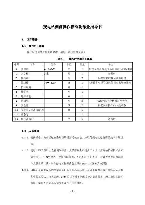
变电站倒闸操作标准化作业指导书1.工作准备:1.1.操作用工器具操作时使用的工器具的名称、型号、单位数量见表1表1:操作时使用的工器具1.2.人员要求1.2.1.倒闸操作人员应经过安全知识培训并考核合格,应取得变电运行值班员技术等级证书;1.2.2.进行220kV及以上设备倒闸操作,人员原则上不得少于4人(正副站长或技术员必须到位);110kV及以下设备倒闸操作,人员不得少于3人;计划大型停电倒闸操作人员由站(队)长在停电工作班前会上具体安排,工区专责应到位。
1.2.3.110kV及以上设备倒闸操作监护人必须具备高级工及以上技术等级;操作人必须具备中级工及以上技术等级。
35kV及以下设备倒闸监护人必须具备中级工及以上技术等级;操作人必须具备初级工及以上技术等级。
1.3.操作前准备1.3.1.值班长或值班负责人提前向调度申请操作预令;1.3.2.值班负责人根据操作性质组织本值人员进行危险点分析预控工作;1.3.3.大型停电工作站(队)长应组织操作人员到现场进行查看,找出操作中的危险点,制定相应的控制措施并由站(队)长组织召开班前会;1.3.4.值班负责人根据预令安排操作监护人、操作人及协助操作人;1.3.5.操作人根据调度操作预令准备倒闸操作票;1.3.6.操作监护人及协助操作人根据值班负责人的安排,准备好操作所需的合格的安全工器具:1.3.6.1.安全帽数量充足,外观检查无裂纹和变型等;1.3.6.2.照明应急灯完好;1.3.6.3.工具(如扳手、梯子、护目眼镜等)外观检查良好;1.3.6.4.钥匙(电脑钥匙是否已充好电,自检程序正确)编号应与操作票所要操作的电气设备名称编号相符;1.3.6.5.绝缘靴、绝缘手套应在试验合格周期内、外观检查良好、无破损;1.3.6.6.验电器应在试验合格周期内、外观检查良好,对验电器进行自检良好;1.3.6.7.接地线有无断股、散股,外护套有无破损,各连接螺丝是否松动;1.3.6.8.遮拦、遮拦杆及相应标示牌数量充足。
接触网检修标准化作业程序及标准一、接触网检修作业时的作业联系标准用语及程序主题内容与适用范围本程序及标准规定了接触网检修作业的联系用语,信号显示和联系方法。
1、联系用语标准1.1 作业时间作业时间以北京时间为标准计时,实行昼夜24小时制。
1.2 作业地点作业地点要记述详细,清楚表示**线、**区间(或站场)、**支柱至**支柱。
如在站场、区间结合部作业时清楚表示**线、**区间(站场)**支柱至**站场(区间)**支柱(V型天窗区段,还应标明“上行”、“下行”或“上、下行”)。
1.3 区间区间应以下行方向简略称呼两端相邻站名称的第一个字。
如“蔡阳区间”,即为蔡家坡-阳平区间。
1.4 站场站场的名称应用全称,不能简化。
如:郑州南站、许昌站、广武站。
站场、区间的概念原则上以接触网平面图为准.1.5 方向京广线"北京方向"、"广州方向";太焦线"太原方向"和"焦作方向",新月线、侯月线“新乡方向”和“洛阳方向”、陇海线“洛阳方向”和“徐州方向”,禁止使用自然方向称呼和"前方"和"后方"等或作业地点的前方站和后方站的全称。
1.6 姓名姓名要用全称,不能用“老张、小李”等称呼。
1.7 对话呼唤应答,应采用复诵方式,不应采用“是”、“好了”之类措词含糊的答语,一次通话只能针对一个人或一次操作。
1.8 工具和材料的名称工具、材料应以规程、规范、材料目录记载的正式名称称呼。
2、行车防护显示标准2.1 凡在封锁区段作业时,作业地点应封锁,在接地线外侧设红牌防护。
2.2 向列车显示手信号时,人员应站在列车运行方向的左侧、面向列车、站于限界之外,保证足够的显示距离。
停车手信号的显示距离:区间和站场正线V≤120Km/h为800m,120km/h<V≤160Km/h为1400m,160Km/h<V为2000m;站场站线为50米。
接触网停电作业标准化程序5则范文第一篇:接触网停电作业标准化程序接触网停电作业标准化程序主题内容与适用范围本程序规定了接触网停电检修作业的程序和安全注意事项。
本程序适用于接触网停电检修作业。
1、工作票的签发:1.1 各工区必须于每天17:00前向供电调度报告次日工作计划。
工作票必须在工作前一天签发,并由发票人将工作票交给工作领导人。
1.2 工作票签发一式两份,第一份发票人保存,第二份(复写件)交工作领导人使用,作业完毕后两份工作票全部交工区专人保管不少于三个月(整月保存)。
1.3 工作票签发时必须按规定进行编号,没有实施的工作票要在工作票右上角盖“作废”章并按规定保存,后续工作票接续编号。
工作票在签发前要核对图纸;签发工作票时,在较复杂的站场和同杆架设电力线、供电线地段作业时,要划出停电范围及作业范围简图,有电部分用红线标出,V型天窗作业时,上、下行分别加盖上、下行印章,必要时注上说明,并向工作领导人交底。
1.4 工作票上发票人与工作领导人必须按如下规定要求及时签字:即工作票发票完毕交工作领导人时发票人应在第二份工作票上签字(证明发票人已经将工作票交给了工作领导人)、工作领导人应在第一份工作票上签字(证明工作领导人已经审核了工作票);工作票使用完毕结束工作票时工作领导人应在第二份工作票上签字(证明作业已结束)、发票人应在第一份工作票上签字(证明工作票已收回)。
1.5 工作票签发实行一天一票制度。
2、停电作业计划的提报:各网工区申报次日停电作业计划的时间为当日17:00前。
3、工作票的审核和接收:3.1 次日上午(5:00-10:00(含))计划停电作业的所有工作票,由夜班值班的供电调度于当天20:00开始负责审核,对工作票存在问题的夜班调度要进行登记,并要求工区整改(考虑到发票人夜间有可能不在工区、因此工区最晚应于次日停电作业“天窗”点前两小时向供电调度汇报工作票问题整改情况),工区不按时汇报整改情况的供电调度有权停止该张工作票执行。
接触网倒闸作业标准化程序主题内容和适用范围本程序规定了接触网倒闸作业命令的授受程序和安全注意事项。
本程序适用于接触网倒闸作业。
1、接触网倒闸作业命令的授受程序1.1 在申请倒闸命令时,先由要令人向供电调度提出申请,供电调度员审查后,发布倒闸命令。
1.2 要令人接受供电调度员发布的倒闸作业命令后,应填写“隔离开关倒闸命令票”,并进行复诵,有疑问时,应问清楚。
1.3 供电调度员确认无误后,给予命令编号和批准时间(无命令编号和批准时间的命令无效)。
发令人要将命令内容填入“倒闸操作命令记录”中,要令人要填写“隔离开关倒闸命令票”。
要令人标准用语:**工区,我是要令人***,要令地点***,申请打开(或闭合)**车站(或区间)**号隔离开关。
供电调度标准用语:***(要令人),申请打开(或闭合)**车站(或区间)**号隔离开关。
***(供电调度)明白。
1.4要令人将填好的倒闸作业命令票中的内容通知监护人。
要令人标准用语:***(监护人),我是要令人***,倒闸命令已下达,打开(或闭合)**车站(或区间)**号隔离开关。
监护人标准用语:打开(或闭合)**车站(或区间)**号隔离开关,***(监护人)明白。
1.5监护人监护操作人迅速进行倒闸。
1.6 确认倒闸后开关状态良好并加锁。
1.7 监护人通知要令人完成倒闸作业。
监护人标准用语:***(要令人),我是监护人***,倒闸作业已完成。
要令人标准用语:***(要令人)明白。
要令人要立即填写“隔离开关倒闸完成报告单”,并向供电调度员汇报。
受令人向供电调度汇报标准用语:**工区,我是***。
****号倒闸命令已完成。
供电调度:***(受令人),***号倒闸命令已完成。
***(供电调度)明白。
1.7 供电调度员给予该通知单完成时间和编号,并记入“倒闸操作命令记录”,至此倒闸作业方告结束。
2、接触网倒闸作业安全注意事项2.1 凡接触网进行隔离开关、负荷开关倒闸时,必须有供电调度员的命令;对车站、机务段或路外厂、矿等单位有权操作的隔离开关,在向供电调度申请倒闸命令之前,要令人需向该站、段、厂、矿等单位主管负责人办理倒闸手续。
标准化倒闸操作流程一、接预令调度:振铃监护人:启动录音、安排监听。
你好,我是××站当值正值×××。
调度:你好,我是×调×××,现在向你下达操作预令,作好记录准备。
监护人:已作好记录准备,请讲。
调度:现在时间是×时×分;操作任务是:“将××KV××线××线路由××转××”监护人:现在复诵,现在时间是×时×分;操作任务是“将××KV××线××线路由××转××”调度:正确,请你拟订好操作票后向我汇报监护人:好的,再见二、通告全值监护人:通告全值,现在下达操作任务(会同操作人走到模拟图板前)监护人:××时××分,刚才×调×××发来操作预令,操作任务是:“将××KV××线××线路由××转××”,现在请进行运行方式核对。
操作人:××KV××线××线路现运行于××KV×母,调度命令与现场运行方式一致。
监护人:“现在进行人员分工:×××,本次操作由你担任操作人,由我担任监护人。
”操作人:是监护人:现在进行危险点分析:本次操作主要危险点有×个,①本次待操作的设备是×××,相邻带电间隔为×××,停电范围为×××;②操作中注意核对设备名称与编号,不能走错间隔。
接触网一次标准化作业一、签发次日“天窗”作业工作票1、停电作业工作票签发人由安全等级不低于四级的人员担当。
2、发票人根据已批复的作业计划签发次日“天窗”作业工作票。
签发工作票时,应按以下要求及注意事项:(1)所安排的作业项目是必要和可能的;(2)所采取的安全措施是正确和完备的;(3)所配备的工作领导人和作业组成员的人数和条件符合规定。
3、工作票的填写要字迹清楚、正确,不得涂改和用铅笔书写。
4、工作票填写一式两份,一份由发票人保管,一份交给工作领导人(工作领导人安全等级不得低于四级)。
5、同一张工作票的签发人和工作领导人必须由二人分别担当,不得互相兼任。
6、工作票填写的内容如填写不下应加附页,即使用与工作票相同规格的纸张复写一式两份,并写明×××号工作票附页,发票人签字。
7、在上网点处作业时,工作票中要指明专人到所、亭内确认馈线地线。
8、签发V型“天窗”工作票时还应注意:(1)作业地点一栏内必须注明“上行”、“下行”字样,工作票右上角应加盖“上行”、“下行”字样章,以示醒目和区别。
(2)需停电设备一栏应写明××变电所、××号馈线、××供电臂停电。
(3)作业区防护一栏写明防护地点,需封闭供电臂内的全部渡线和道岔、区间。
(4)针对V型“天窗”的特殊性,提出防止误触有电设备及感应电伤人的相应措施。
在接线较复杂的区段作业,应在工作票附页画出作业区段简图,并在图上标明停电范围和作业范围。
9、遇到下列情况之一时,应停止工作票的签发:(1)所安排的作业项目没有必要和可行性。
(2)作业组成员的条件和人数、安全等级达不到规定和要求。
(3)对作业地点的情况不清楚,不能确定安全措施。
(4)虽能确定安全措施,但达到安全措施的条件不具备。
二、审查工作票1、发票人应在工作前一天将工作票交给工作领导人,使之有足够的时间熟悉工作票中内容及做好准备工作。
接触网倒闸作业标准化程序
主题内容和适用范围
本程序规定了接触网倒闸作业命令的授受程序和安全注意事项。
本程序适用于接触网倒闸作业。
1、接触网倒闸作业命令的授受程序
1.1 在申请倒闸命令时,先由要令人向供电调度提出申请,供电调度员审查后,发布倒闸命令。
1.2 要令人接受供电调度员发布的倒闸作业命令后,应填写“隔离开关倒闸命令票”,并进行复诵,有疑问时,应问清楚。
1.3 供电调度员确认无误后,给予命令编号和批准时间(无命令编号和批准时间的命令无效)。
发令人要将命令内容填入“倒闸操作命令记录”中,要令人要填写“隔离开关倒闸命令票”。
要令人标准用语:**工区,我是要令人***,要令地点***,申请打开(或闭合)**车站(或区间)**号隔离开关。
供电调度标准用语:***(要令人),申请打开(或闭合)**车站(或区间)**号隔离开关。
***(供电调度)明白。
1.4要令人将填好的倒闸作业命令票中的内容通知监护人。
要令人标准用语:***(监护人),我是要令人***,倒闸命令已下达,打开(或闭合)**车站(或区间)**号隔离开关。
监护人标准用语:打开(或闭合)**车站(或区间)**号隔离开关,***(监护人)明白。
1.5监护人监护操作人迅速进行倒闸。
1.6 确认倒闸后开关状态良好并加锁。
1.7 监护人通知要令人完成倒闸作业。
监护人标准用语:***(要令人),我是监护人***,倒闸作业已完成。
要令人标准用语:***(要令人)明白。
要令人要立即填写“隔离开关倒闸完成报告单”,并向供电调度员汇报。
受令人向供电调度汇报标准用语:**工区,我是***。
****号倒闸命令已完成。
供电调度:***(受令人),***号倒闸命令已完成。
***(供电调度)明白。
1.7 供电调度员给予该通知单完成时间和编号,并记入“倒闸操作命令记录”,至此倒闸作业方告结束。
2、接触网倒闸作业安全注意事项
2.1 凡接触网进行隔离开关、负荷开关倒闸时,必须有供电调度员的命令;对车站、机务段或路外厂、矿等单位有权操作的隔离开关,在向供电调度申请倒闸命令之前,要令人需向该站、段、厂、矿等单位主管负责人办理倒闸手续。
2.2 接触网倒闸作业应由二人进行,一人监护,一人操作,其安全等级均不得低于三级。
2.3 倒闸作业人员必须戴安全帽,操作人操作时必须穿绝缘靴、戴绝缘手套,操作前绝缘手套应作漏气检查。
2.4 隔离开关倒闸作业前,应确认开关编号,检查开关状态是否良好。
2.5 操作时应准确迅速,一次开闭到底,避免冲击,中途不得停顿。
2.6 操作后应确认技术状态,并对传动机构加锁,钥匙放固定地点,专人保管。
2.7 隔离开关不能带负荷进行倒闸作业,允许开、合不超过10公里(延长公里)线路的空载电流。
2.8 对带接地刀闸的隔离开关,应经常处于闭合状态。
因工作需要断开时,当工作完毕后须及时闭合。
2.9 遇有危及人身或设备安全的紧急情况,可不经供电调度批准,先行断开断路器或有条件断开的负荷开关、隔离开关,并立即报告供电调度;但再闭合时必须有供电调度员的命令。
2.10 隔离开关的传动机构必须加锁,不得用铁线扭拧代替,钥匙存放工区值班室,专人保管并有标签注明开关号码。
相邻支柱的隔离开关及同一支柱上的各台隔离开关,其钥匙不得相互通用。