5WHY报告模板
- 格式:xls
- 大小:27.00 KB
- 文档页数:1
序号问题描述问题图片why-1荆州工厂装二车间不合格项分析(5WHY)
1236TE上梁中间位置点
状掉漆
为什么上
梁掉漆?
上梁来料
掉漆;
箱体翻转与皮
带线磕碰;
转箱过程造
成;
打中梁螺钉枪
头划伤;
箱体发泡造成
why-2
为什么掉漆位置相同?
分析
对上梁来料进行检查,挑选20个,无掉漆现象;(假因)
在箱胆拼装岗位进行工程观察,观察30台箱体,无上梁掉漆现象;(假因)
在转箱岗位进行工程观察,观察30台箱体,无上梁掉漆现象;(假因)
对中梁固定螺钉岗位进行工程观察,观察20台箱体,无上梁掉漆现象;(假因)
对出箱口的箱体进行观察,上梁掉漆位置均距离箱体左侧板230mm ,且型号为236TE 电脑冰箱;(真因)
分析why-3分析why-4
经过对掉漆箱体模具号进行检查,均为I线1#模具所生产为什么1#模
具上梁掉
漆?
1#模具为新式涨模,胎具
与上梁接触位置未用铁氟
龙进行防护,且有毛刺
整改措施责任人完成时
间
整改效果
验证
1、临时措施:对毛刺进行打磨后用铁
氟龙进行防护;2、根治措施:新模具
批产前必须由厂家对模具进行全面防
护后才能验收;
肖莎莎 3.21。
5w报告5w报告范文5W是信息学研究术语。
指信息研究过程可划分为五个部分。
即信息传播者研究(who,谁在传播信息)、信息本体研究(what,传播了什么信息)、媒介研究(which,通过什么渠道和方式传播信息)、信息用户研究(whom,对谁传播信息)、信息效益和效果研究(how,信息如何产生效用)。
下面是小编整理的5w报告范文,欢迎大家分享。
篇一:报告5W写法报告:5W写法when:什么时间发生的事情where:在什么地点发生的事情why:为什么发生,主要阐述事情发生的原因。
Who:由谁负责How:怎样来处理Result:结果报告内容应包括:某个事情,在什么时间发生,发生地点,发生原因,由谁负责。
同时要提出解决办法,并把处理结果描述出来。
篇二:5W分析法一种根本系统解决问题的办法——5W分析法5W分析法——连问五次为什么?丰田汽车公司前副社长大野耐一曾举了一个例子来找出停机的真正原因。
有一次,大野耐一在生产线上的机器总是停转,虽然修过多次但仍不见好转。
于是,大野耐一与工人进行了以下的问答:问“为什么机器停了”答“因为超过了负荷,保险丝就断了。
”问“为什么超负荷呢”答“因为轴承的润滑不够。
”问“为什么润滑不够”答“因为润滑泵吸不上油来。
”问“为什么吸不上油来”答“因为油泵轴磨损、松动了。
”问“为什么磨损了呢”再答“因为没有安装过滤器,混进了铁屑等杂质。
”经过连续五次不停地问“为什么”,才找到问题的真正原因和解决的方法,在油泵轴上安装过滤器。
如果我们没有这种追根究底的精神来发掘问题,我们很可能只是换根保险丝草草了事,真正的问题还是没有解决。
车间地上有一滩油----------------------为什么?把它清理掉因为机器漏油--------------------------为什么?因为垫圈劣化了------------------------为什么?换垫圈因为所购的垫圈原料为次品-------------为什么?买更好的垫圈因为它的价码不错----------------------为什么?改变采购政策,因为采购人员的绩效是依其与正常价格的节余而定其实由于我们视而不见,缺乏改善意识,或未能刨根问底,错失了许多改善的机会,以至问题越解决越多,同样的问题接而连三的'发生,我们整天疲于奔命,四处救火。
5WHY分析报告样本1. 背景本次5WHY分析旨在深入挖掘导致某产品生产过程中出现质量问题的根本原因。
通过该分析,我们希望能够找出问题的源头,并采取针对性的措施以提高产品质量和生产效率。
2. 问题描述在某次产品生产过程中,发现有20%的产品存在质量问题,影响了生产进度和产品质量。
问题主要表现为产品尺寸不准确,偏差超过允许范围。
3. 问题分解3.1 为什么会出现尺寸偏差?•原因1:生产线上的机器磨损严重,导致加工精度降低。
•原因2:原料质量不稳定,造成产品尺寸的不准确。
3.2 为什么机器磨损严重?•原因1:缺乏定期的机器维护和检修。
•原因2:机器使用频率过高,超出其承受范围。
3.3 为什么原料质量不稳定?•原因1:供应商提供的原料质量参差不齐。
•原因2:原料的储存和处理过程不符合要求,导致质量下降。
3.4 为什么缺乏维护和检修?•原因1:公司对设备维护和检修的重视程度不够。
•原因2:缺乏专业的维护和检修团队。
3.5 为什么机器使用频率过高?•原因1:生产计划不合理,导致机器长时间连续运行。
•原因2:缺乏对生产过程的实时监控和调度。
4. 根本原因分析通过上述问题分解,我们可以发现,导致产品尺寸偏差的根本原因为:公司对设备维护和检修的重视程度不够,缺乏定期的机器维护和检修;以及生产计划不合理,导致机器长时间连续运行。
5. 改进措施针对上述根本原因,我们提出以下改进措施:1.增加对设备维护和检修的投入,定期对机器进行维护和检修,提高加工精度。
2.对供应商进行严格筛选,确保提供的原料质量稳定。
3.优化生产计划,合理安排机器运行时间,避免长时间连续运行。
4.建立实时监控和调度系统,对生产过程进行有效管理。
6. 总结通过本次5WHY分析,我们深入挖掘了导致产品尺寸偏差的根本原因,并提出了相应的改进措施。
希望通过实施这些措施,提高产品质量和生产效率,减少类似问题的发生。
7. 后续行动计划为确保改进措施的有效实施,特制定以下行动计划:7.1 设备维护和检修•短期目标:在接下来的一个月内,完成对所有关键设备的维护和检修工作。
对步骤3的“操作”进行提问:问:完成了什么?是否必要?(What)答:选取比需要稍长的橡皮管。
该操作为保证需要所必须。
问:为什么?答:怕在柜台上量时不够长,故必须选择稍长的橡皮管。
问:有无其它更好的办法?答:可能有,假如能够储存各种不同长度的管子.问:何处做?(即在什么地方锯)(Where)答:在柜台上。
问:为何在此处(柜台)上锯?答:因为锯子在附近,柜台上有固定尺,柜台平面可作锯切台用.问:有无其它更合适之处?答:如能在存放管子的铁架处锯,则可以节省来回的行走。
问:何时做?(什么时候锯的)(When)答:在整个发料工作进行一半时锯,即大约走了35m之后。
问:为何要此时锯?答:因为要走到后面铁架取橡皮管及A处取锯子,然后才能放到柜台上锯。
问:有无其它更合适的时间锯?答:似可在最初于铁架处取管子时锯,或事先锯好最常用的各种尺寸的管子。
问:由谁做?(由什么人来锯)(Who)答:由发料员锯.问:为何要发料员锯?答:仓库没有其他人。
问:有无其他更合适的人锯?答:如果由具有锯切经验的专人来锯可能更好.问:如何做?(他是如何锯的)(How)答:用左手握住管子,以大拇指按住锯切的地方作为锯切点。
问:为何要如此锯?答:因为在锯切的过程中,并无其它专用夹具.问:有无其它更合适的办法?答:如果使用一个简单的夹具夹住管子,则既可保持平整的锯缝,又不锯伤手指。
对步骤5的“检验”进行提问:问:完成了什么?是否必要?(What)答:找出了锯切点,并用拇指按住.有必要。
问:为什么?答:因为这样可以保证锯出所需的长度。
问:有无其它更好的办法?答:如果仓库存储有所需长度的管子则可取消此动作.问:何处做?(Where)答:在柜台上做。
问:为何要在此处做?答:因为尺固定在柜台的边缘。
问:有无其它更合适的地方?答:有,在最后面的铁架B处。
问:何时做? (When)答:在柜台与铁架间行走约35m后,在A出锯前做。
问:为什么要在那时候?答:因为尺子在柜台上,所以必须将管子携至柜台处后才可做.问:有无其它更合适的时候做?答:有。
5why分析报告模板所谓“5WHY ”分析法,又称“5问法”,就是连续反复使用5次“为什么”方式自问,以打破砂锅问到底方式寻找问题的根本原因的方法。
“5WHY ”不限定必须或只做5次为什么的提问,以找到问题根因为准,也许是3次,也许是10几次都有可能。
一般经验而言,反复提出5次为什么基本就可以寻找到问题的根因。
“5WHY”分析法是根据事实分析找到问题根源,给出治本对策的一个过程。
“为什么”的追问的越深入,发掘的原因就越逼近真实根本的原因。
整体的“5WHY”的基本思考方法如下:最近发现大家知道使用5why分析法进行根因分析,但是经常出现找到的原因并非根因,那么相应的制定的再发防止对策也是无效的。
究其原因就是虽然知道“5WHY”的方法但是却不会运用或者运用的方法不正确,导致不能够找到问题真正的根因。
那么该如何做呢?接下来介绍一下具体的分析过程注意事项。
一般而言,“5WHY”从三个层面来实施:一、为什么会发生?从“制造”的角度。
二、为什么没有发现?从“检验”的角度。
三、为什么没有从系统上预防事故?从“体系”或“流程”的角度。
每个层面连续5次或N次的询问,得出最终结论。
只有以上三个层面的问题都探寻出来,才能发现根本问题,并寻求解决。
那么如何做才能确保根因分析的正确和成功呢?站在组织级视角来寻求改善组织体系/流程和系统性问题。
这是最基本的立场。
通常情况下,很多人站在个人的立场和视角进行问题分析,往往只能找到比较表层的原因,不能找到管理层面,体系架构以及组织级层面的问题。
确保根因分析成功的3个关键视点:〇[为什么]要从个人转向组织/体系/系统层面。
〇[为什么]要从主观意识转向具体行动。
通过问“为什么?”要采取这样的行动,这样才可以从人的主管意识中分离出来。
例如,在A先生泄漏机密信息的情况下,如果我们追溯问到“为什么A先生泄露了信息?”,这样就是站在A先生的主观意识角度来分析问题,如果换个角度问“A先生泄漏了什么信息?”,那么这样看看待问题的角度就指向了组织体系或者管理系统。
5why分析法模板
前言:
5why分析法是一种常用的问题解决方法,它的应用范围非常广泛。
下面是5why分析法模板,供大家参考。
一、问题描述
在这个部分,我们需要描述一个问题或者一个事故。
这个问题可以很短,但是需要准确。
例如,“生产线停机”,或者,“机器故障”。
二、第一问——为什么?
在这一步,我们需要问自己为什么会出现这个问题。
这个问题的答案可以是非常显然的,但是我们需要找到真正的原因。
三、第二问——为什么?
在这一步,我们需要进一步问自己为什么会出现这个问题。
这个问题的答案需要更加深入,需要排除一些错误的假设。
四、第三问——为什么?
在这一步,我们需要继续问自己为什么会出现这个问题。
这个问题的答案可能比较复杂,需要进行更加系统的分析。
五、第四问——为什么?
在这一步,我们需要继续问自己为什么会出现这个问题。
这个问题的答案可能涉及到一些复杂的因素,需要进一步分析。
六、第五问——为什么?
在这一步,我们需要继续问自己为什么会出现这个问题。
这个问题的答案可能非常深入,需要对整个流程进行重新分析。
七、结论
在5why分析法中,最后一个问题是为了找到真正的原因,从
而得出一些结论。
这个结论可能是一些具体的改进建议,也可能
是一些系统优化的方案,需要根据具体情况进行进一步决策。
结语:
以上就是5why分析法模板,希望对大家有所启发。
5why分析
法并不是万能的,但是它可以帮助我们发现一些问题的真正原因,从而提出一些有效的解决方案。
5why分析法模板
概述
5why分析法是一种逐层深入分析问题根本原因的方法。
它通过反复追问问题
的“为什么”,发掘潜在的根本原因,从而找出解决问题的有效途径。
本文将介绍
5why分析法的基本步骤及模板,帮助读者在实际应用中更好地运用这一分析工具。
步骤
1.问题陈述:明确要解决的问题或事件。
2.第一次追问:“为什么会发生这个问题?”
3.第二次追问:“为什么会导致前一个原因?”
4.第三次追问:“为什么会导致上一个原因?”
5.第四次追问:“为什么会导致上一个原因?”
6.第五次追问:“为什么会导致上一个原因?”
7.总结:根据最后一次追问的答案,找出可能的根本原因。
模板示例
1.问题陈述:生产线停机。
2.第一次追问:“为什么生产线停机?”
答案:因为设备故障。
3.第二次追问:“为什么设备会故障?”
答案:因为设备维护不到位。
4.第三次追问:“为什么设备维护不到位?”
答案:因为操作人员没有按规定进行保养。
5.第四次追问:“为什么操作人员没有按规定进行保养?”
答案:因为缺乏相关培训。
6.第五次追问:“为什么缺乏相关培训?”
答案:因为公司没有足够的培训计划。
7.总结:根本原因可能是公司缺乏足够的培训计划,导致操作人员未
按规定进行设备保养,最终导致设备故障,生产线停机。
结论
通过5why分析法,我们可以逐步揭示问题背后的根源,并找出有效的解决方案。
在实际工作中,我们可以根据这一模板,有序地进行问题分析,促进问题解决和持续改进。
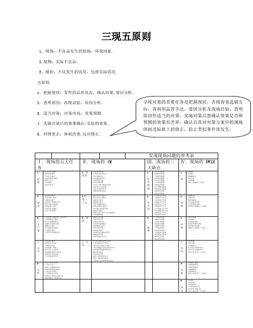
三现五原则
1.现场:不良品发生的原地,环境因素. 2.现物:实际不良品。
3。
现状:不良发生的状况,包括实际状况 五原则
1.把握现状:零件的品质状态,确认结果,要因分析。
2.查明原因:再现试验,原因分析。
3.适当对策:对策内容,效果预测. 4.实施对策后的效果确认:实际的效果5.回馈更正:体制改善,反应修正。
如何做有效的分析与报告
问题解决之五大原则
1.1 发生状况:现场、现物、现状、日期、数量、LOT NO。
1.2 把握现状:基准值与实测的差异,再现试验,要因分析。
现在生产品质状况。
发生对象与相关原材料、中间制品.
1.3 原因的查明:分析主要要因。
再现性原因的确认。
1.4 适当的额对策:暂时或者永久性的对策内容,日期、LOT NO。
在库品处理,已出库品处理. 1.5 确认对策的效果:比较对策前后都额差异。
1.6 回馈。
5why分析法范文English Answer:Problem: Product defects leading to customer complaints and returns.Why 1: Defective raw materials used in production.Why 2: Supplier failed to meet quality specifications.Why 3: Supplier's quality control process was inadequate.Why 4: Supplier's production process was not properly optimized.Why 5: Supplier's training and certification processes were not effective.Root Cause: Supplier's lack of operational efficiencyand quality control measures.Corrective Actions:Establish stricter quality control standards and inspection procedures with the supplier.Institute regular supplier audits to ensure compliance with specifications.Implement supplier training and certification programs to enhance quality processes.Collaborate with the supplier to optimize production processes and minimize defects.Explore alternative suppliers with proven quality track records.Chinese Answer:问题,产品缺陷导致客户投诉和退货。
完整5个why报告模板1. Why 问题问题描述为什么生产线的收益下降了?原因分析1.计划不充分,导致生产计划延误2.员工能力不足,生产效率低下3.设备老化,出现故障率较高4.材料质量不稳定,影响生产质量5.管理不及时,对生产状况掌握不够决策方案1.制定合理的计划,优化生产进度2.提高员工技能,并给员工提供培训机会3.更换设备,并积极维护保养4.与供应商打通信息,监控材料质量5.加强管理,搜集生产数据进行分析和决策2. Why 问题问题描述为什么客户投诉率增加了?原因分析1.产品质量问题2.售后服务不到位3.客户体验不佳4.竞争力下降,顾客转投其它品牌5.公司形象受损决策方案1.严格控制产品质量,加大品质监督力度2.建立高效的客服团队,提供迅速的售后服务3.加强客户沟通,针对客户反馈,做好改进措施4.提升品牌竞争力,争取更多的目标客户5.多参加社交活动,提高公司知名度3. Why 问题问题描述为什么销售目标没完成?原因分析1.销售团队精神不振,效率低下2.销售方式陈旧,无法适应市场变化3.产品价格过高,相比同行竞争劣势明显4.营销宣传不充分,潜在客户数量少5.经销商计划不合理,市场策略不明确决策方案1.提高销售员士气,组建激励机制2.推广新型销售方式,积极开展网络营销3.调整产品价格策略,提高市场竞争力4.加大广告宣传,拓宽潜在客户量5.与经销商密切合作,确定目标市场和营销策略4. Why 问题问题描述为什么员工流失率越来越高?原因分析1.薪资福利待遇不公平2.工作强度过大,工作环境恶劣3.晋升空间不足,员工无职业发展前景4.公司管理理念不合理,员工无归属感5.团队合作氛围不浓厚,个人荣誉感不足决策方案1.公平地制定薪资福利待遇体系,确保员工得到公正对待2.参照国际先进标准,改善工作环境,减轻工作强度3.制定员工晋升计划和职业规划,鼓励员工自我发展4.推行以人为本的公司管理理念,增强员工归属感5.强化团队合作,加强团队文化建设,提高企业凝聚力5. Why 问题问题描述为什么客户转化率日趋低?原因分析1.目标客户定位不准确2.营销活动策划不合理,无法引起客户兴趣3.价格策略不合理,客户不能承受高昂的价格4.销售流程复杂,让客户流失5.客户反馈问题未及时跟进处理决策方案1.精准定位目标客户,针对性制定营销策略2.设计优秀的营销活动,注重宣传传播,吸引客户3.制定针对性的价格策略,满足客户需求4.简洁明了的销售流程,留下良好的印象5.高效处理客户反馈问题,及时回复和解决客户问题。
5WHY分析案例某公司给一客户供应一金属冲压零件A,客户反馈所供产品在客户装配线上发现零件A的边一个安装孔位置偏差,这个安装孔是用模具直接冲压出来的,客户上线400件,挑选出不能安装的81件,同时公司接到反馈后又安排人员去客户处挑选,在客户处库存2500件中又发现300件存在安装孔偏小的问题。
公司对未发货的成品又进行了全检,将无问题的产品紧急发送至客户处更换有问题的零件。
针对此问题公司召开了专题研讨会,会议讨论内容如下:车间王主任:出现了这么多不合格品,质量检验员应该发现的,为什么没有发现?现场检验员小张:这个尺寸我也进行了检测,没有问题啊,现场检测记录都在这,首件检验也没有问题,大家可以看看。
质量部杨经理:我们先不说这个问题责任是哪个部门或哪个人,我们首要的是先分析为什么会有这么多不合格品产生。
生产班长小李:那个冲孔的冲头有时会出现偏差,我们生产时要经常调整,每次调整都是测量这个尺寸无误后才进行生……作业员小王:这个尺寸以前生产都没有问题的,就是了最近常出现问题,上周就出现一次问题,我们向设备科也反映了,冲孔多了,这个设备的定位螺栓容易滑动,造成偏差。
设备科杨科长:小王反映的这个问题我们不清楚,没有收到维修申请单。
设备科设备管理员老张:这个设备问题上周小王是跟我说过,我也去看了下,现场跟踪了100多件产品,没有发现问题,因为正在生产,我们也没有拆开检查。
不过我们发现固定模具的螺栓不是原配的特制螺栓,当时看没有问题,也就没有说什么。
生产班长小李:原来的那个螺栓损坏了,当时因为订单生产紧急,我们临时找的一个螺栓固定的.设备科杨科长:你们怎么能随便拿一个螺栓就用呢,这个螺栓需要原厂特供的螺栓才行。
生产班长小李:我们也不想自己更换螺栓,但找你们设备科维修更换,需要几个领导审批才行,而当时是在晚班,领导都不在,我们要急着赶订单,不得已才这样的。
问题:1、请根据上述大家开会发言内容,写出零件A安装孔位置编差的5WHY分析图2、根据5WHY分析图,这个企业应在哪些方面做出改进?(请从根本原因及流出原因两个维度分析改进机会)。
5why分析法怎么写报告:分析法报告怎么写工作报告怎么写报告书工作报告的范文篇一:5WHY分析基本步骤【精益学堂】5WHY(二) 2014-5-6 第97期精弘益导读:这期讲的是5WHY分析法问题解决方法的基本步骤,大家在用5WHY做问题分析原因调查时都可参照这个框架一步一步来分析。
5WHY分析法问题解决方法的基本步骤第一部分:把握现状1步骤1: 识别问题在方法的第一步中,你开始了解一个可能大、模糊或复杂的问题。
你掌握一些信息,但一定没有掌握详细事实。
问:我知道什么?步骤 2: 澄清问题方法中接下来的步骤是澄清问题。
为得到更清楚的理解,问:实际发生了什么,应该发生什么,2步骤 3: 分解问题在这一步,如果必要,需要向相关人员调查,将问题分解为小的、独立的元素。
关于这个问题我还知道什么,还有其他子问题吗,步骤 4: 查找原因要点 (PoC)现在,焦点集中在查找问题原因的实际要点上。
你需要追溯来了解第一手的原因要点。
问:我需要去哪里,我需要看什么,谁可能掌握有关问题的信息,3步骤 5: 把握问题的倾向要把握问题的倾向,问:谁,哪个,什么时间,多少频次,多大量,在问为什么之前,问这些问题是很重要的。
4第二部分: 原因调查步骤 6: 识别并确认异常现象的直接原因。
如果原因是可见的,验证它。
如果原因是不可见的,考虑潜在原因并核实最可能的原因。
依据事实确认直接原因。
问:这个问题为什么发生,我能看见问题的直接原因吗,如果不能,我怀疑什么是潜在原因呢,我怎么核实最可能的潜在原因呢,我怎么确认直接原因,5篇二:5WHY分析经典案例【精益学堂】5WHY(五) 2014-5-9 第100期精弘益导读:下面两个5WHY案例通过层层追问最终找出了发生问题的根本原因所在,往往通过5WHY分析一个问题得出最终真因时我们会发现很多问题都是由一些平时不注意小问题引起。
5WHY案例停机的真正原因丰田汽车公司前副社长大野耐一曾举了一个例子来找出停机的真正原因问题一:为什么机器停了,答案一:因为机器超载,保险丝烧断了。