4种红外对射防拆接线图培训课件
- 格式:doc
- 大小:742.00 KB
- 文档页数:5
红外对射提示/红外倒车雷达测距项目介绍本红外对射提示/红外倒车雷达测距具有电路结构简单、成本低、电路工作稳定的特点,广泛应用于各种测距场合。
电路使用红外发射管和红外接收管作为传感器件,电路的核心元件包括NE555和运放LM324。
NE555构成多谐振振荡电路发射红外波信号,LM324主要用来放大红外接收信号和构成电压比较器电路,发光二极管用来指示倒车距离范围。
项目目标1.了解红外对射的工作原理。
2.学会识读红外对射电路原理图、安装图。
3.掌握红外对射电路安装工艺。
4.掌握红外对射测量和调试技能。
项目实施(一)红外对射电路1.红外对射电路原理图图1-1 电路原理图2.电路核心元件介绍(1)红外发射和接收管红外发射管也称红外线发射二极管,属于二极管类。
它是可以将电能直接转换成近红外光(不可见光)并能辐射出去的发光器件,主要应用于各种光电开关及遥控发射电路中。
红外线发射管的结构、原理与普通发光二极管相近,只是使用的半导体材料不同。
红外发光二极管通常使用砷化镓(GaAs)、砷铝化镓(GaAlAs)等材料,采用全透明或浅蓝色、黑色的树脂封装。
红外接收管就是将光信号(不可见光)转换成电信号一般是接收、放大、解调一体头,红外信号经接收管解调后,数据“0”和“1”的区别通常体现在高低电平的时间长短或信号周期上,单片机解码时,通常将接收头输出脚连接到单片机的外部中断,结合定时器判断外部中断间隔的时间从而获取数据。
重点是找到数据“0”与“1”间的波形差别。
(2)集成电路NE555555集成电路是一种模拟电路和数字电路相结合的中规模集成器件,它性能优良,适用范围很广,外部加接少量的阻容元件可以很方便地组成单稳态触发器和多谐振荡器,以及不需外接元件就可组成施密特触发器。
因此555集成块被广泛应用于脉冲波形的产生与变换、测量与控制等方面。
图1-2 555集成电路引脚排列和实物图(1)接地GND:地线,通常被连接到电路共同接地。
第一章主动红外对射探测器(探头)第一节双光束主动红外探测器一、产品型号规格1、命名规则SAB-xx室外警戒距离新安宝产品双光束对射系列2、双光束型号规格SAB-20 / 30 / 40 / 60 / 80 / 100室外警戒距离20米/30米/40米/ 60米/80米/100米二、组成及基本工作原理1、双光束主动红外探测器由投光器(T)与受光器(R)两部分组成。
2、由投光器发射出两束红外光,受光器在另一端接收由投光器发出的红外光辐射能量,并经过光电转变为电信号,此电信号经过适当处理后再送往报警控制器电路,如图所示:3、因为红外光为不可见光,所以在投光器与受光器之间构成了一道人眼瞧不同的封锁线,当有人穿越或阻挡红外光时,受光器输出的电信号会发生变化,从而启动报警控制器发出报警号。
三、各组成部件名称(如图2)五、外形尺寸(如图3) 六、探测示意图(如图4)七、产品特点:※自动增益电路(AGC)设计,适应雨、雾、雪等恶劣天气;※采用日本技术菲涅尔螺纹透镜,多重聚焦,抗杂光能力强;※使用进口大功率发射管(金属包装管),光束射程远;※外壳采用PC塑料,韧性好,不变形,抗紫外线穿透能力强;※防雷电路设计。
※受光指示、OK指示、瞄准镜、对准电压测试八、主要技术参数:九、接线方法:十、安装与调试:1、安装方式有墙壁安装方式与固定支架安装方式(见说明书);2、按九所示接线连接;3、调试:⑴取下瞄准镜,进行远距离观察;⑵调整上下调整螺钉及水平调整支架,使对面的探测器影像落入瞄准镜中间部位,此时受光器GOOD指示灯应点亮;⑶将万用表笔插入测试孔,再重复⑵的划线部分操作,使测试电压为4V左右为探测器正常工作状态,如调试使测试电压为4、3~4、5时,受光器GOOD指示灯最亮,探测器则处于最佳工作状态。
十一、注意事项:1、投光器与受光器之间不应遮挡物;2、安装支架(与基础)要稳固;3、受光器不能正对太阳;4、外管保持清洁;。
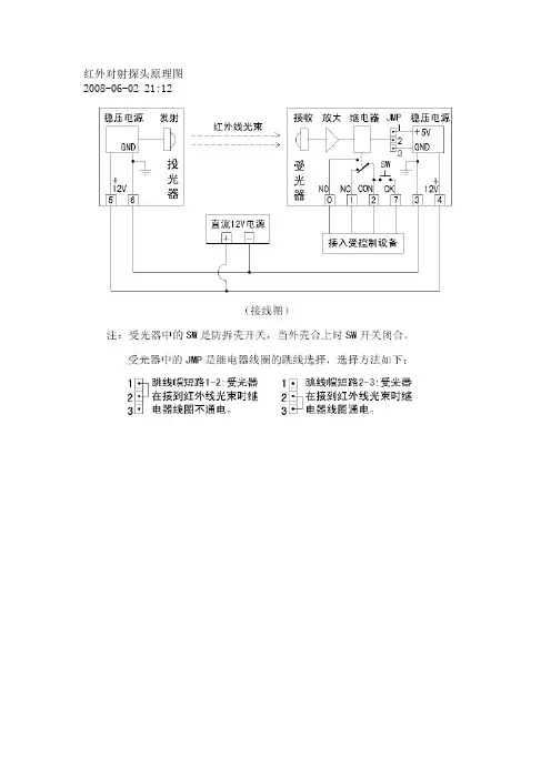
红外对射探头原理图2008-06-02 21:12
红外对射内部原理图
图中7就是防拆壳开关,作用:防止别人拆开对射外壳,破坏对射正常工作。
按规范需要将所有对射的此报警信号集中起来,单独做为一个防区报警。
但从原理图中可以看到,如果接线1-7脚,则可实现“电源防拆壳”功能(不用增加防区,不需要再多布线,也能实现防拆壳效果)。
具体您自己
分析。
电源防拆的办法是,把电源正线接到接线端子1上,用一根线把接线端子2跟7连起来,把电源负线接到接线端子8上,这种方法适用于投光以及受光器的防拆,有的人会说做信号防拆,但是投光器是没有信号的,因此建议做电源防拆。
以上仅供参考,具体接线请看说明书对照上面的原理来分析即可。
周界报警系统(红外对射)接线图,防拆和不防拆的区别主动红外对射在周界防范系统应用中防拆接线图。
我只简单的介绍一下防拆接法就是了:发射端:因为发射端只需要供电就可以了,一旦没有了电,也就没有红外线发射出来,所以可以从供电角度去考虑防拆就可以了(如上图)接收端:接收端除了供电,还有信号。
原本防拆和信号占用不同的防区,但是在施工过程中通常会把它们串联在同一个防区。
只要把防拆开关当作导线即可。
关于常开常闭接法,我在前面的文章中专门提到过“报警主机里面的电阻-线尾电阻的定义,用途,接线方式”。
探测器上常见的接线端子有以下几种:“N.C./C.(COM)” ---- 报警常闭触点(平常闭合,报警时断开)。
接入控制主机的某个防区。
“N.O./C.(COM)” ---- 报警常开触点(平常断开,报警时闭合)。
接入控制主机的某个防区。
“TAMP./TAMP. ” ---- 防拆常闭触点(平常闭合,打开机壳时断开)。
接入控制主机的某个24小时防区。
“V+ / V- ” ---- 电源(12V)。
接入控制主机向探测器供电的电源端子。
“EOL” ---- 空脚。
与探测器内部电路无联系,仅供串接EOL电阻用。
注:其他端子请参照探测器说明书。
电源接线端子,可以由外设提供的,对于防区的接入,在矩阵主机上也是有相应的防区报警接线端子,一定要相对应接!如:使用常闭防区,在主机上也要接在常闭防区接线端子上。
方法有:1、软件法:灯光联动报警只需要你从数据库中设配置,不需要灯光另接线。
2、硬件法:现在报警有NO 、COM 两个接点,灯光有L 、N,两个接点,还需要有电源的L 、N。
接线方法:电源L-报警NO报警COM-灯光L电源N-灯光N。
红外线反射开关电路图红外线反射开关电路图本例介绍一款多用途红外线反射开关,它可广泛应用于防盗、自动门铃、照明灯自动控制、自动水龙头、自动门控制等领域。
电路工作原理该红外线反射开关电路由电源电路、红外信号接收放大电路、检波电路、延时控制电路、控制执行电路、低频振荡器、4OkHz载频振荡器和红外光发射电路组成,如图3-69所示。
电源电路由电源变压器T、整流桥堆UR、滤波电容器C8-ClO、晶体管V5、稳压二极管VS和电阻器R13组成。
红外信号接收放大电路由一体化红外接收头lCl、电容器Cl、电阻器Rl和六施密特反相器集成电路IC2(Dl-D6)内部的Dl组成。
检测电路由电容器C2、C3和二极管VDl、VD2组成。
延时控制电路由IC2内部的D2-D4、二极管VD3、电阻器R3-R5和电容器C4、C5组成。
控制执行电路由电阻器R6、晶体管V2、二极管VD7和继电器K 组成。
低频振荡器由IC2内部的D5、电阻器R7、R8、二极管VD4。
VD6和电容器C6组成。
4OkHz载频振荡器由IC2内部的D6、电阻器R9和电容器C7组成。
红外光发射电路由红外发射二极管VL、晶体管V3、V4和电阻器RlO-Rl2组成。
交流220V电压经T降压、UR整流、ClO滤波及V5、VS等稳压调整后,在C8两端产生+11.4V电压,作为整机的工作电源。
低频振荡器产生的低频振荡信号对4OkHz载频振荡器进行调制。
调制后的载频信号经V3、V4放大后,驱动VL向外发射红外光信号。
当有物体靠近VL时,VL发射的红外光信号经物体反射回来,由一体化红外线接收头接收并进行放大、解调后还原出低频波,该低频波信号经Dl缓冲整形及VDl、VD2检测后变成直流分量,再经D2反相、R3和C4延时、D3反相驱动后,使Vl导通,C5开始快速充电。
当C5两端电压超过D4的阈值电压时,D4输出低电平,使V2导通,K吸合,受控负载通电工作。
随后C5通过R5放电,当C5两端电压低于D4的阈值电压时,D4输出高电平,使V2截止,K释放,负载停止工作。
弱电⼯程主动红外对射接线安装图解弱电⼯程主动红外对射接线安装图解红外线报警系统是由若⼲个红外线报警器构成的⼀个整体的防盗系统,红外线防盗报警器分为主动红外报警和被动红外报警,是⼀种实⽤的⾃卫性威慑报警⼯具。
正⽂:今天介绍⼀下红外对射报警系统的安装⼀、主动红外对射主动红外报警器是由发射机和接收机组成,发射机是由电源、发光源和光学系统组成,接收机是由光学系统、光电传感器、放⼤器、信号处理器等部分组成。
由发射机发射出的红外线经过防范区到达接收机,构成了⼀条警戒线。
正常情况下,接收机收到的是⼀个稳定的光信号,当有⼈⼊侵该警戒线时,红外光束被遮挡,接收机收到的红外信号发⽣变化,提取这⼀变化,经放⼤和适当处理,控制器发出的报警信号。
⼀旦有⼈员或物体挡住了发射器发出的任何相邻两束以上光线超过30m s时,接收器⽴即输出报警信号,当有⼩动物或⼩物体挡住其中⼀束光线时,报警器不会输出报警信号。
主动红外系统⼀般⽤在周界防范,在选择主动红外线报警器时,需要注意以下问题:1、主动红外线报警器受雾影响严重,室外使⽤时均应选择具有⾃动增益功能的设备(此类设备当⽓候变化时灵敏度会⾃动调节);另外,所选设备的探测距离实际警戒距离留出20%以上的余量,以减少⽓候变化引起系统的误报警。
多雾地区、环境脏乱风沙较⼤地区的室外不宜使⽤主动红外⼊侵测器。
2、在室外使⽤时⼀定要选⽤双光束或3光束主动红外线报警器,以减少动物、落叶等引起系统的误报警。
3、在围墙上、屋顶上或空旷地带使⽤主动红外⼊侵报警器时,应选择具有避雷功能的设备。
遇有折墙,且距离⼜较近时,可选⽤反射器件,以减少报警器使⽤数量。
⼆、被动红外对射被动红外报警器主要是根据外界红外能量的变化来判断是否有⼈在移动。
⼈体的红外能量与环境有差别,当⼈通过探测区域时,报警器收集到的这个不同的红外能量的位置变化,进⽽通过分析发出报警。
⼈体都有恒定的体温,⼀般在37度左右。
被动式红外探测器就是通过采⽤对⼈体体温辐射的红外线频段敏感的元件为核⼼,在感应到⽴体空间内的热源时产⽣报警。
一、红外线对射报警器红外对射全名叫“光束遮断式感应器”,其基本的构造包括瞄准孔、光束强度指示灯、球面镜片、LED指示灯等。
1、概述其侦测原理乃是利用红外线经LED红外光发射二极体,再经光学镜面做聚焦处理使光线传至很远距离,由受光器接受。
当光线被遮断时就会发出警报。
红外线是一种不可见光,而且会扩散,投射出去会形成圆锥体光束。
红外光不间歇一秒发1000光束,所以是脉动式红外光束。
由此这些对射无法传输很远距离(600米内)。
利用光束遮断方式的探测器当有人横跨过监控防护区时,遮断不可见的红外线光束而引发警报。
常用于室外围墙报警,它总是成对使用:一个发射,一个接收。
发射机发出一束或多束人眼无法看到的红外光,形成警戒线,有物体通过,光线被遮挡,接收机信号发生变化,放大处理后报警。
红外对射探头要选择合适的响应时间:太短容易引起不必要的干扰,如小鸟飞过,小动物穿过等;太长会发生漏报。
通常以10米/秒的速度来确定最短遮光时间。
若人的宽度为20厘米,则最短遮断时间为20毫秒。
大于20毫秒报警,小于20毫秒不报警。
红外对射探测器广泛应用在城市安防、小区、工厂、公司、学校、家庭、别墅、仓库、资源、石油、化工、燃气输配等众多领域。
2、功能特点▼ 有线,总线兼容,现场全息实时报告▼ 专用DSP芯片,专利多维容错,真检测报警技术▼ 使用偏蚀式球面高精度光学聚焦镜▼ 智能功率发射,自主开发的芯片能够自动的感知周围环境的变化,根据环境状况来自动调整对射的发射功率,大大延长了发射管的使用寿命,也降低电能▼ 数字模糊人工智能识别,采用人工智能模糊判断,误报率降至最低▼ 上下光学镜片同时调整结构,使调整更快,更准确▼ 全功能诊断,环境自适应3、技术参数▼ 型号:AX-80▼ 警戒距离:室外80米▼ 光束数:2束▼ 探测方式:红外线脉冲可调式,2光束同时遮断检知式▼ 消耗电流:40mA/max▼ 电源电压:DC13.8~24V AC11V~18V▼ 环境温度:-25℃~+55℃▼ 光源:长波段双光束红外LED▼ 报警输出:IC继电器接点输出,接点容量DC30V/0.5A MAX▼ 感应速度:50~700毫秒可二、脉冲电子围栏(一)电子围栏:1简介电子围栏是目前最先进的周界防盗报警系统,它由电子围栏主机和前端探测围栏组成。
红外对射接继电器、警灯、地址码(485、网络)接线图
在工程项目中经常会遇到红外对射要接到我们的电子围栏系统中,红外对射报警时我们的MK键盘或者报警主机也要提示报警,这样要用到我们的地址码,所以我画了一个接线图供大家参考。
下图是红外对射接继电器、警灯、网络地址码接线图:
下图是红外对射接继电器、警灯、485地址码接线图:
如果红外对射不需要接警灯报警,可以直接接地址码。
红外对射接485地址码接线示意图如下:
红外对射接网络地址码接线示意图如下:
以上接线图供大家参考。
防盗报警探测器的四种接线方式
一个完整防盗报警系统其主要部件是由报警主机板、前端探测器和警讯输出发送装置(联网报警通讯和现场声光报警)组成的。
前端探测器包括了被动红外探测器、红外对射、红外栅栏、手动报警、火灾探测器、玻璃破碎探测器等等,根据不同的功能适用于不同的环境。
前端探测器是报警系统的传感器,报警系统对外界警情的侦测就是通过前端探测器来完成的。
前端探测器和报警主机间的联系、信号传递,其实就是一个开关量信号的传送和接收过程。
所谓开关量信号,就是一个电气回路的开路和短路过程。
常规报警系统一般采用常闭工作模式,系统加电正常工作;如果探测器失电或被触发,探测器内的继电器发出动作,将触点由闭合状态改变为断开状态,当报警主机侦测到对应防区端口这一变化时,就会根据当前的状态设置采取相应的反应(包括忽略、报警、信号输出等)。
目前的报警主机,针对前端探测器传递的信号通过编程,可以有三大类处理方式,
第一类是常规的报警信号处理,报警主机接到这类信号时,如果报警系统处于布防状态,则将根据所编程的模式类型发出相对应的警情触发,而如果报警系统处于撤防状态,则系统不会对这类信号作出报警触发;
第二类是经过报警主机编程设置为24小时响应或手动紧急报警的模式,当属于这些模式的探测器传递了报警信号,则不管是否处于布防状态均会发出相对应的警情触发;
第三类是线路损坏、设备拆动、破坏的报警信号处理,这类信号的传递是为了加强报警系统的自我防范,一旦接收到这类报警信号,报警主机不管是否处于布防状态均会发出设备被拆动的警情。
而探测器防拆报警功能的启用与否,与探测器的接线方式有很大的关系,如果探测器接线采取了无防拆方式接线,报警主机就无法探测自身系统设备的安全,如果接线方式采取了有防拆接线,或者采取了单线末接线方式、双线末接线方式,则系统就具备了探测自身系统设备安全的功能。
当然,如果探测器按照以上三个之一的方式进行接线,那么报警主机在编程时就一定要将涉及这些设备的防区编程为对应的防拆防区、单线末防区或双线末防区,如果设置方式和接线方式不一致,报警系统将一直认为探测器设备处于破坏状态而不断报警无法正常工作。
那么探测器是如何通过不同的接线方式达到不同的防拆功能的呢,这就是我们要重点谈的问题。
前端探测器的引线端口一般有六个:电源+(一般标记为+)、电源-(一般标记为-)、报警信号常闭输出(一般标记为NC或ALARM)、报警信号公共端(一般标记为C或ALARM)和两个防拆信号输出口(一般标记为T或TAMPER),通过不同的线路接线和电阻配接,共有四种主要的方式,在这里我们以ABT-100主动红外对射及DT7325被动红外探测器为例说明:
1.无防拆接线方法:
不采用探测器的防拆功能,报警系统无法感知探测器是否遭到破坏,这种方式的接线在报警主机不设置单独的防拆防区或防拆设置,探测器的信号线材只需四芯。
其接线方式最为简单、可靠,但安全
性比较差。
在这种接线方式下,报警主机只能感知探测器是否被警情触发,而无法探测到如探测器盒盖被打开,其接线方式如下图:
2.单独防拆防区接线
将探测器防拆端口信号专门接入报警主机专用的防拆防区,这种方式的接线可靠、简单,通过报警主机对防拆防区单独编程达到设备、线路防拆。
因为需要额外的线路传递防拆信号,因此探测器的线材选择必须选用六芯以上。
在这种接线方式下,当探测器盒盖被打开、线路被剪断、探测器失电时,无论报警系统是否处于布防状态,报警主机对应的防拆防区将被立即触发并发出设备被拆动的报警,但这种方式对探测器防拆接口或线路被短路时不会有报警触发,具有一定的局限性。
其接线方式如下图:
3.单线尾电阻接线方法
这种接线方式具备了设备防拆识别,且无需在报警主机设置单独的防拆防区,探测器的信号线材也只需四芯即可,只需要将探测器对应的防区设置为单线尾电阻防区(一般报警主机出厂默认为该工作模式)。
在这种接线方式下,报警主机通过对探测器信号线不同状态输出的不同电阻值来判断所发生的警情是何种警情。
线尾电阻的具体规格不同品牌型号的报警主机有各自的规范,常用的有1KΩ、4.7KΩ、5.6KΩ、6.8KΩ,这里我们以我们ES7816系列主机的规范为例做介绍。
在未发生任何警情和设备线路破坏时,探测器输出的信号线端电阻为2.7KΩ,这时报警主机判定为防区闭合探测器正常无警情;当处于常规的警情触发,探测器输出的信号线端电阻为无穷大(即开路),这时报警主机判定为防区开路,在布防状态时报警系统根据相应的设定发出对应的报警;同样,如果探测器盒盖被打开,探测器输出的信号线端电阻也为无穷大(即开路),这时报警主机依旧判定为防区开路,在布防状态时报警系统根据相应的设定发出对应的报警(而不是防拆报警);但是,如果出现线路被短路,则探测器输出的信号线端电阻为0Ω,报警主机也立即发出报警。
由此可见,这种接线模式不管是探测器被触发、探测器盒盖被打开、探测器失电、线路被剪断还是信号线被短路的情况下,报警系统
都能感知发出报警,因此这种接线方式是比较可靠的。
其接线方式如下图:
注意:多个探测器串接公用一个防区的情况下,只能在其中一个探测器按照单线尾方式接线,其它探测器均需按照无防拆方式接线,不能再接入电阻。
因为单线尾电阻方式报警主机只能正确感知
0Ω、4.7KΩ和无穷大。
(一般不主张串接探测器,因为探测器串接的越多,不能显示到底是哪一个防
区及区域发生警情报警,如果碰到有探测器坏的情况又比较难排查)
探测器的串联接法如下图:
4.双线尾电阻接线
这种接线方式具备了最强的设备防拆识别,且无需在报警主机设置单独的防拆防区,探测器的信号线材也只需四芯即可,只需要将探测器对应的防区设置为双线末电阻防区。
在这种接线方式下,报警主机通过对探测器信号线不同状态输出的不同电阻值来判断所发生的警情是何种警情。
线末电阻的具体规格不同品牌型号的报警主机有各自的规范,常用的有1KΩ、4.7KΩ、5.6KΩ、6.8KΩ,这里我们以Pyronix Matrix系列主机的规范为例做介绍。
在未发生任何警情和设备线路破坏时,探测器输出的信号线端电阻为4.7KΩ,这时报警主机判定为防区闭合探测器正常无警情;当处于常规的警情触发时,NC和C端(或ALARM两端)开路,探测器输出的信号线端电阻变化为9.4KΩ,这时报警主机判定为防区开路而探测器正常,在布防状态时报警系统根据相应的设定发出对应的报警;而当探测器盒盖被打开、设备失电或者线路被剪,探测器输出的信号线端电阻为无穷大(即开路),报警主机将立即被触发发出设备被拆动报警;至于另一种情况,即如果出现线路被短路,则探测器输出的信号线端电阻为0Ω,报警主机也将立即被触发发出设备被拆动报警。
由此可见,这种接线模式只有在常规警情触发探测器,NC和C端(或ALARM两端)开路,探测器输出的信号线端电阻变化为9.4KΩ时才属于正常受布防控制的报警,其它的探测器失电、盒盖被开启、线路被剪导致的信号线开路和信号线被短路的情况,报警系统均会探测到并判定为防拆报警而无需设防状态直接报警。
因此这种方式尽管线路连接较为麻烦,但其对设备的保护确实最周全的。
其接线方式如下图:注意:多个探测器串接共用一个防区的情况下,只能在其中一个探测器按照双线末方式接线,其它探测器C端和T端(或者ALARM和TAPMPER)间的跨接电阻均改为导线直接连同,不能再接入电阻。
因为双线末电阻方式报警主机只能正确感知0Ω、4.7KΩ、9.4KΩ和无穷大。
其它探测器的接法如下图示:。