液位开关_液位开关原理_液位开关接线图
- 格式:doc
- 大小:818.50 KB
- 文档页数:10
电容式液位开关的工作原理(一)电容式液位开关的工作原理1. 引言在工业生产中,液位控制是一个非常重要的参数。
电容式液位开关是一种常用的液位控制设备,它通过测量液体中的电容变化来实现液位的检测。
本文将从浅入深地解释电容式液位开关的工作原理。
2. 基本原理电容是指两个导体之间由于电荷分布而形成的电势差,是一种储能元件。
电容式液位开关利用这一原理,通过改变电容的大小来判断液体的液位高度。
其基本构造包括电容传感器和信号处理电路两部分。
3. 电容传感器电容传感器是电容式液位开关的核心组件,它通常由两个金属电极构成,这两个电极之间就形成了一个电容。
当液体接触到电容传感器时,液体和电容传感器之间形成了一个电介质,从而改变了电容的大小。
4. 电容变化的原理液体的介电常数与液位高度存在一定的关系。
当液位较低时,液体与电极之间的距离较大,液体的介电常数对电容的影响较小;而当液位上升时,液体与电极之间的距离缩小,液体的介电常数对电容的影响较大。
因此,液位的变化会导致电容的变化。
5. 信号处理电路信号处理电路负责接收电容传感器产生的电容变化,并将其转换成相应的电信号。
通常采用的方法是将电容传感器与一个射频振荡电路相连,通过测量振荡频率或振荡电流的变化来判断液位的高低。
6. 工作原理总结综上所述,电容式液位开关通过测量液体中的电容变化来判断液位的高低。
当液位改变时,液体与电容传感器之间的电容发生变化,信号处理电路将这个变化转换成相应的电信号,从而实现液位的检测。
7. 应用领域电容式液位开关是一种灵活、可靠且精确的液位检测设备,广泛应用于工业控制、环保监测、液位报警等领域。
其优势包括高精度、无浸入、不受介质影响等。
8. 结论电容式液位开关通过测量液体中的电容变化来实现液位的检测。
它是一种应用广泛且可靠性高的液位控制设备,为工业生产提供了重要的技术支持。
同时,我们也应该注意在使用电容式液位开关时,根据具体情况选择适合的型号和安装方式,以确保其工作正常。
西安祥天和电子科技有限公司主营产品:液位传感器控制箱报警器GKY仪表液位控制系统,液位控制器,无线传输收发器等详情咨询官网什么是液位开关液位开关原理液位开关,顾名思义,就是根据液位来自动开关水泵。
实现这种功能的方式有很多,主要由所采用的液位传感器来决定。
现在的液位传感器无外乎电极式、UQK/GSK式、光电式、压力式、GKY式等几种。
分析其基本原理就能够发现这些传感器的优缺点。
有些固有的缺点,无论怎么做都无法避免。
当然传感器的制造工艺和材质也会影响其性能,所以市场上有不同品质和价格的液位传感器。
我们先从其实现原理分析,再从其制造工艺和材质来探讨。
液位控制的核心在于液位传感器,它决定了液位控制系统的可靠性、稳定性及使用寿命。
所以应该根据使用环境来慎重选择。
至于如何开关水泵?可以有各种设计方案,实现不同的功能。
具体设计方案可以登录本公司官网的“资料免费下载”栏目下载。
一、电极式液位控制传感器电极式是最早的液位控制方式,其控制原理很简单:因为水是导体,有水的时候两个电极间导电,交流接触器吸合。
图1.1为电极式在水中控制原理示意图。
但是电极在水中会分解而且会吸附很多杂质。
如果不及时清理,电极就会失去作用,这是电极式液位传感器固有的缺陷。
电极式液位传感器的制造非常简单,有人将导线外皮拨开,插到水里就可以做成电极式液位控制器。
所以电极式液位控制器造价很低,价格便宜,但使用寿命很短。
当然,如果采用不锈钢做电极,硬度较强,分解得就会慢一点。
如果表面再处理光滑一些,电镀一下,吸附的杂质就会少一些,使用寿命就会长一点。
但是无论怎么做,其品质都不可能超过干簧管。
二、UQK液位控制原理干簧管将电极触点密封在玻璃管内,接近磁铁,触点就会吸合。
所以人们在浮球里放一块磁铁和上、下两个干簧管,通过导线将浮球固定于水池中,如图2.1。
这就是UQK的液位控制方式。
当水池无水的时候,浮球下垂,磁铁在下限干簧管处,故下限干簧管吸合。
当水池有水的时候如图2.2,浮球上翻,磁铁在上限干簧管处,故上限干簧管吸合。
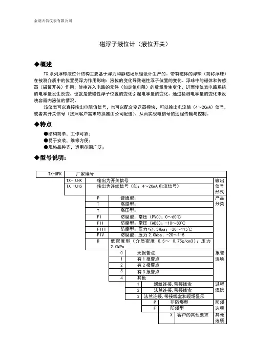
磁浮子液位计(液位开关)◆概述TX系列浮球液位计结构主要基于浮力和静磁场原理设计生产的。
带有磁体的浮球(简称浮球)在被测介质中的位置受浮力作用影响:液位的变化导致磁性浮子位置的变化。
浮球中的磁体和传感器(磁簧开关)作用,使串连入电路的元件(如定值电阻)的数量发生变化,进而使仪表电路系统的电学量发生改变。
也就是使磁性浮子位置的变化引起电学量的变化。
通过检测电学量的变化来反映容器内液位的情况。
该仪表可以直接输出电阻值信号,也可以配合变送器模块,可以输出电流值(4~20mA)信号,或者其开关信号(按照客户需求转换器由公司配送)。
从而实现电信号的远程传输与控制。
◆特点●结构简单,工作可靠;●易于安装,维修方便;●规格品种齐,适用范围广泛;◆型号说明:TX-UFK 厂家编号TX- UHK 输出为开关信号输出信号TX -UHS 输出为连续信号(如:4~20mA电流信号)形式P 普通型:产品分类T 高温型:Y 高压型:FI 防腐型:常压(PVC);0~60℃FII 防腐型:常压(ABS);-10~80℃FIII 防腐型:压力≤1.5Mpa;-20~115℃FIV 防腐型:压力2.0Mpa;-20~115D 低密度型(介质密度 0.5~ 0.75g/cm3):压力2.0MPa0 无报警点报警选项1 有1报警点2 有2报警点3 有3报警点4 其他1 螺纹连接,带接线盒过程连接2 法兰连接,带接线盒3 法兰连接,带接线盒和现场显示P 非防爆型防爆选项F 防爆型X 客户的其他要求其他选项示例说明: UHS P03F 1500磁浮子液位计:4~20mA电流信号输出,配数字显示二次表,法兰连接,带接线盒,测量范围1500mm,普通型,防爆型。
又如: UHK P32P 1500磁浮子液位开关:输出为开关信号,法兰连接,带接线盒,带有两个报警点,插入深度为1500mm,普通型,非防爆型。
注:磁浮球液位计也可以带有输出报警点信号的报警开关。
音叉液位开关的输出方式和接线步骤(附图)液位开关尽管种类繁多,但其接线方式其实大同小异。
下面以计为音叉液位开关为例,就音叉液位开关的输出方式以及接线步骤简要介绍如下,希望对大家有所帮助。
一、音叉液位开关的接线图:音叉液位开关在接线时,请按照如图1和图2所示方式进行安全接线:图1继电器输出方式图2二线制输出方式①电源输出端①电源输入端 8/16mA信号输出端②③继电器信号输出端,DPDT目前,计为Ring-11音叉液位开关有继电器和二线制2种输出方式:图1为继电器(双刀双掷)输出方式。
图1左下角标识“1”接直流“+”或交流“火线”,标识“2”接直流“-”或交流“零线”,交直流通用,有内部电路智能识别,必须注意的是,直流供电范围是20~72VDC,交流供电范围是20~253VAC;标识“3-4”和“6-7”为2组继电器的常闭输出,“4-5”和“7-8”为继电器的常开输出,是接常闭点或者常开点,应依据用户使用要求确定;图2为二线制输出方式。
标识“1-2”既是仪表的直流电源输入(范围:10~36VDC),也是仪表的输出,仪表内部电路将控制整个环路的电流恒定为8mA(安全模式)和16mA(报警模式),也即这2个电流分别标识音叉头是否接触液体(有料无料),另外为了提升Ring-11的自检功能,除8mA和16mA电流外,增设了一个回路电流为<2.3mA的仪表故障电流,也就是说当电路回路电流小于2.3mA时,证明音叉液位开关本身出了故障,建议返厂检修。
二、计为Ring-11音叉液位开关接线步骤:对于隔爆型仪表,只有当环境中不存在会引爆的气体或粉尘时才允许打开外盖操作。
请按照如下步骤进行操作:(1)打开外壳盖;(2)松开电缆螺纹接头上的锁紧螺母;(3)去掉连接电缆大约10cm的外皮和芯线末端大约1cm的绝缘层;(4)将电缆穿过电缆螺纹接头插入外壳中;(5)用螺丝刀打开接线端子;(6)按照接线图将芯线末端插入接线端子中;(7)用螺丝刀拧紧接线端子;(8)通过轻拉接入的电缆线来检查接线是否牢靠;(9)拧紧电缆螺纹接头的锁紧螺母,扣紧密封环;(10)拧上外壳盖。
浮球液位开关接线图浮球液位开关原理动画图:
使用“黑色”和“蓝色”的电线:
浮球在下水位时,接点是接通的状态
浮球在水位时,接点是不通的状态
使用“黑色”和“褐色”的电线:
浮球在下水位时,接点是接通的状态
浮球在水位时,接点是不通的状态
重锤的装置法
将浮球开关的电线从重锤的中心下凹圆孔处穿入后,轻轻推动重锤,使嵌在圆孔上方的塑胶环因电线头之推力而脱落。
(如果有必要的话,也可用螺丝起子把此一塑胶环拆下),再将这个脱落的塑胶环套在电缆上你所想因定重锤以设定水位之置。
轻轻地推动重锤拉出电缆,直到重锤中心扣住塑胶环。
**重锤只要轻扣在塑胶环中即不会滑落,此塑胶环如有损坏或遗失,可用同轻裸铜线扣入电缆代替。
水位控制开关原理详解及水位自动控制装置原理图水位控制开关是反馈液面位置信号,通知值班室中控台,水位是否到达指定水位,并可联动控制相关设备启动或关闭(如,水泵)。
信号电压常为12V或24V安全电压。
水位控制开关--应用领域广泛应用于工业锅炉、民用建筑用水池、水塔、水箱,以及石油化工、造纸、食品、污水处理等行业内开口或密闭储罐,地下池槽中各种液体的液位测量,被检测的介质可分水、油、酸、碱、工业污水等各种导电及非导电液体。
与电动阀组成一套先进的液位显控设备,自动开、关电动阀。
水位控制开关原理--电容式电容式水位开关原理:是采用侦测水位变化时所引起的微小电容量(通常为PF)差值变化,由专用的ADA电容检测芯片进行信号处理,可以输出多种信号通讯协议,如:IO,BCD,PWM,UART,IIC,电容式水位检测的最大优势在于可以隔着任何介质检测到容器内的水位或液体的变化,大大扩展了实际应用,同时有效避免了传统水位检测方式的稳定性、可靠性差的弊端,甚至在某些特殊领域不能检测的问题。
该专用ADA电容检测芯片由于内置MCU双核处理,就可以实现很多特殊控制功能,甚至实现更多的集成化、智能化水位检测功能,诸如太阳能热水器、咖啡壶等应用中掉电后的水位变化也能可靠检测当前水位,电容式水位检测是目前水位开关中最有优势的检测方法。
水位控制开关原理--电子式电子式水位开关原理:(并不是电极式,不是靠通过水的导电性去判断水位,常规尺寸为15020mm)通过内置电子探头对水位进行检测,再由芯片对检测到的信号进行处理,当判断到有水时,芯片输出高电平24V或5V等,当判断到无水时,芯片输出0V。
高低电平的信号通过PLC或其它控制电路板来读取,并驱动水泵等用电器工作。
产品可以任意方向安装,当横向安装时,水位到达蓝线就动作,且精度较高。
产品竖向安装时,水位到达红线就动作,有一定的防波浪功能。
图中的BZ2401为普通型电子式水位开关,适用常温水体环境。
液位计怎么接线
磁性浮子液位计如何接线
一般后盖打开有三个端子,一个是电源正+,一个是电源-,一个是接地,仪表电源电源正接仪表+,然后从一般-,接出线然后到PLC,或与测量仪表串连接到仪表。
报警开关的话是部分正负极的,一个串联电路,注意触电容量就好:电源正--变送器正,信号采集器负--电源负,液位变送器的话大部分是二线制4-20毫安电压DC24V,标有正负极,变送器负--信号采集器正,接线是一般的浮子液位计有传感器和报警开关。
浮球式液位计如何接电源线
浮球液位计通过连接法兰安装于容器顶上,浮球根据排开液体体积相等等原理浮于液面,当容器的液位变化时浮球也随着上下移动,由于磁性作用,浮球液位计的干簧受磁性吸合,把液面位置变化成电信号,通过显示仪表用数字显示液体的实际位置,浮球液位计从而达到液面的远距离检测和控制。
接线如图。
超声波液位计如何接线。
液位开关原理
液位开关是一种常用的工业自动化控制元件,它能够实现液体或粉体物料的液
位监测和控制。
液位开关的原理是基于物料与电极之间的导通或断开来实现的。
下面将详细介绍液位开关的原理及其工作过程。
液位开关的原理主要是利用物料与电极之间的导通或断开来实现的。
当液位达
到或超过设定的位置时,物料会与电极接触,导通电路,使得液位开关输出信号,从而实现液位监测和控制。
液位开关一般由传感器、电路和输出部分组成。
传感器负责感应物料的液位高低,电路负责处理传感器反馈的信号,输出部分负责输出控制信号。
液位开关的工作过程主要包括以下几个步骤,首先,传感器感应物料的液位高低,将信号传送给电路;其次,电路根据传感器反馈的信号进行处理,判断液位是否达到设定位置;最后,输出部分根据电路的判断结果,输出相应的控制信号,实现液位监测和控制。
液位开关的原理非常简单,但是在实际应用中有着广泛的用途。
它可以应用于
化工、石油、制药、食品等领域,用于液位监测和控制。
例如,在化工生产中,液位开关可以用于监测反应釜中的液位,保证生产过程的安全和稳定;在食品加工中,液位开关可以用于监测原料的液位,确保生产过程的连续性和稳定性。
总之,液位开关是一种简单而有效的工业自动化控制元件,其原理基于物料与
电极之间的导通或断开。
通过传感器、电路和输出部分的协同作用,实现了液位的监测和控制。
在实际应用中,液位开关有着广泛的用途,可以提高生产效率,保证生产过程的安全和稳定。
希望本文对液位开关的原理有所了解,谢谢!
以上就是本文的全部内容,希望对您有所帮助。
西安祥天和电子科技有限公司详情咨询官网主营产品:液位传感器水泵控制箱报警器GKY仪表液位控制系统,液位控制器,无线传输收发器等液位控制电路图和原理液位控制系统的主要由以下三个部分组成:液位信号的采集液位信号的传输水泵控制系统1.液位信号的采集液位信号的采集主要是选择合适的液位传感器。
液位传感器的发展从最早的电极式、UQK/GSK传统浮子、到现在的压力式、光电式和GKY液位传感器等,形成了多种液位控制方式。
电极式便宜简单,但在水中会吸附杂质,使用寿命短。
传统浮子与相对滑动轨道之间只有1mm 左右的细缝,很容易被脏东西卡住,可靠性较低。
这些是不能在污水中使用的。
光电式也不能用于污水,因为玻璃反射面脏了就会出现误判断。
GKY液位传感器可以弥补这些缺陷,在污水和清水中可以使用。
所以液位控制的系统设计应该根据具体使用环境慎重选择传感器,如果选择不当,将会导致控制系统故障频发,甚至瘫痪,这是导致现有很多液位自动控制系统使用不到一年就失灵的重要原因。
不同液位传感器检测液位的原理是不同的,具体可参见百度文库中“如何选择液位传感器”“什么是液位开关液位开关原理”等文章。
2.液位信号的传输液位信号的传输可以有有线和无线两种方式。
有线就是通过普通电缆线或屏蔽线传输,大部分传统液位传感器通过普通的BV线就可以了,传输信号易受干扰的压力式、电容式传感器需要用屏蔽线传输而且距离不能太远。
在传输距离远或不方便铺设传输线路的场所,需要使用无线液位传输系统。
无线液位传输系统可以有多种方式:第一种是直接采用无线收发设备传输液位信号,如GKY-WX。
第二种是借助于通讯网络的短信收发功能将液位信号传达到目的地,如GKY-DXSF。
第三种是目前最流行一种传输方式,就是借助中间服务器平台,采用流量卡来传输液位信号,如GKY-GPRSSF。
无线液位传输系统具体可参见百度文库中“无线液位控制器”“无线传输液位控制有哪些方式?”等文章。
3.液位控制电路图和原理传统的控制方式就是传感器将液位信号传到电气控制箱,再由控制箱控制水泵的开关。
储罐液位开关(XC-KC-3)工作原理:
1、一个监测点用吸附于外罐壁的两个探头来实现监测,一个是发射探头,一个是接收探头;
2、发射探头发射超声波,在罐壁中来回反射,接收探头接收沿着罐壁传来,经过衰减后的余振信号;
3、当被监测点有液体时,由于超声波向液体中的透射率高,发射探头发射的超声波信号向液体中传播走、损失掉的能量多,接收探头接收到的剩余能量值就小;
4、当被监测点无液体时,由于超声波在空气中的透射率极低,发射探头发射的超声波信号向气体中传播走、损失掉的能量少,接收探头接收到的剩余能量值就大;
5、接收探头把接收到的信号传给主机,主机会自动根据信号能量值的大小判断被监测点有液或无液;
6、有液或无液输出一个开关量,用于联锁相关设备或进行声光报警。
电极液位开关原理
电极液位开关是一种用于监测液体的液位高低的装置。
其原理基于液体的导电性和电极的接触情况。
电极液位开关一般由两个电极组成,一个位于液体的高位,另一个位于液体的低位。
当液位达到高位电极时,电极与液体之间形成了连通的导电通路,从而使电流流通。
这时,液位开关可以发出信号,表示液位已经到达高位。
相反,当液位下降到低位电极以下时,导电通路被中断,电流无法流通,此时电极液位开关可以发出信号,表示液位已经达到低位。
电极液位开关通常可以通过调整电极的长度来适应不同的液位测量要求。
在使用时,需要将电极正确的安装在液体容器内,并注意保持电极的干净和无氧化物覆盖,以确保准确测量液位。
总的来说,电极液位开关的原理是基于电流的导通和中断来监测液体的液位高低,通过电极与液体之间的接触情况来判断液位位置,并发出相应的信号。
这种液位开关广泛应用于液体储罐、水处理、化工等领域。
电极式液位开关工作原理
在电极式液位开关中,两个电极之间的电阻通常很大,形成一个高阻值状态。
当液体的液位接触到电极时,液体的导电能力会导致电流通过液体到达另外一个电极,使电路形成一个低阻值状态。
当液体的液位进一步上升,液体会接触到两个电极,电路的导通将进一步增强。
通过测量电极之间的电阻变化,电极式液位开关能够判断液体的液位高度。
通常,电极式液位开关的阻值范围可以调节,以适应不同的液位要求。
当液位高度达到设定阈值时,液位开关可以触发相应的控制信号,如开关继电器或警报器。
除了测量液位高度,电极式液位开关还可以用于监测液体的温度。
当液体的温度发生变化时,液体的电阻可能会发生变化,从而影响电路的导通与否。
通过测量电极之间的电阻变化,电极式液位开关可以判断液体的温度变化,并触发相应的控制信号。
电极式液位开关在工业领域广泛应用。
例如,在储罐中,液位开关可以用于监测储罐中液体的液位高度,以避免溢出或干涸。
在化工工艺中,液位开关可以监测化学反应器中的液位,以控制反应过程或防止反应器的溢出。
此外,液位开关还可以用于污水处理、自动灌溉系统以及饮水设备中。
总之,电极式液位开关通过测量液体的导电性,利用电极之间的电阻变化来判断液体的液位高度。
它是一种简单可靠的液位控制设备,被广泛应用于工业和生活中的液位监测与控制领域。
图⽂精讲液位继电器原理图,没见过这么全的!液位控制器是指通过机械式或电⼦式的⽅法来进⾏⾼低液位的控制,可以控制电磁阀、⽔泵等,从⽽来实现半⾃动化或者全⾃动化,⽅法有多种,根据选⽤不同的产品⽽不同。
下⾯⼩编给⼤家介绍⼀下液位继电器原理图。
1.通过电⼦式液位开关(BZ2401或BZ0501)和搭配的⽔位控制器(BZ201、BZ202)来进⾏控液位控制⾃动化。
电⼦式液位开关原理是通过电⼦探头对液位进⾏检测,再由液位检测专⽤芯⽚对检测到的信号进⾏处理,当被测液体到达动作点时,芯⽚输出⾼或低电平信号,再配合⽔位控制器,从⽽实现对液位的控制。
不需浮球和⼲簧管,外部⽆机械动作,耐污耐⽤,不怕漂浮物影响,任意⾓度安装,竖向安装有⼀定的防波浪功能,适宜长时间浸在⽔中,⼯作电压是直流5-24V,很安全。
这种⽅式较实⽤,寿命长,安全,价格实惠。
2.通过浮球开关来控制液位:⼀种是带着⼤⾦属球的浮球开关,浸在液体中时浮⼒⼤,可以控制两个液位,⽐如液体满了,浮球因为浮⼒⽽上升,带动球阀运动,使阀门关闭,停⽌进⽔,当⽔少了,浮球下降,阀门打开,⼜再进⽔,如此循环。
这种⽅式较多应⽤在煮开⽔器上。
另⼀种是带⼲簧管的微型浮球开关,由外⾯的带有磁性⼩浮球使杆⾥⾯的⼲簧管闭合,从⽽控制液位,多数应⽤在清⽔的液位控制,⼀般⼏块钱就有交易了,但易受污物影响。
还有⼀种是电缆式浮球开关,该装置通过⼀弹性电线与⽔泵连接,可⽤于⽔塔、⽔池各种浮球开关⽔位⾼低的⾃动控制和缺⽔保护,允许接的⽤电器是220V,10A左右,平衡锤或弹性电线的某⼀固定点到浮筒间的电线长度,决定⽔位的⾼低。
这种⽔位开关应⽤⼴泛,价格便宜,对于⼀些要求不太严格的场合适⽤。
但存在这样的问题:有⼀定耐污能⼒,浮球易受外界杂物影响其稳定性,特别是纤维状的杂物缠绕⽽有失误,同⼀⼩⽔箱⾥不宜使⽤多个,否则会相缠绕。
使⽤寿命相对短些,⽽且多数直接接220V,存在⼀定的安全隐患,终有⼀天因为电线破损⽽漏电电⼈。
双浮球液位开关原理
双浮球液位开关是一种常用的液位控制器,其原理是基于浮力原理。
该开关由两个浮球和一个悬挂在开关上方的杠杆组成。
当液位上升时,第一个浮球会浮在液面上,随着液面继续上升,第二个浮球也会浮在液面上。
当第二个浮球浮在液面上时,杠杆被拨动,开关触点关闭。
当液位下降时,第二个浮球先下沉,使开关触点打开,然后是第一个浮球下沉,直到液位降至下限。
双浮球液位开关可用于监测液位上下限,实现自动控制。
- 1 -。
液位开关种类及原理1浮球液位开关浮球液位开关结构主要基于浮力和静磁场原理设计生产的。
带有磁体的浮球(简称浮球)在被测介质中的位置受浮力作用影响:液位的变化导致磁性浮子位置的变化。
浮球中的磁体和传感器(磁簧开关)作用,产生开关信号。
2音叉液位开关音叉液位开关的工作原理是通过安装在基座上的一对压电晶体使音叉在一定共振频率下振动。
当音叉液位开关的音叉与被测介质相接触时,音叉的频率和振幅将改变,音叉液位开关的这些变化由智能电路来进行检测,处理并将之转换为一个开关信号,达到液位报警或控制的目的。
为了让音叉伸到罐内,通常使用法兰或者带螺纹的工艺接头将音叉开关安装到罐体的侧面或者顶部。
3电容式液位开关电容式液位开关的测量原理是:固体物料的物位高低变化导致探头被覆盖区域大小发生变化,从而导致电容值发生变化。
探头与罐壁(导电材料制成)构成一个电容。
探头处于空气中时,测量到的是一个小数值的初始电容值。
当罐体中有物料注入时,电容值将随探头被物料所覆盖区域面积的增加而相应地增大,开关状态发生变化。
4外测液位开关外测液位开关是一种利用“变频超声波技术”实现的非接触式液位开关,广泛使用于各种液体的液体检测。
其测量探头安装在容器外壁上,属于一种从罐外检测液位的完全非接触检测仪表。
仪表测量探头发射超声波,并检测其在容器壁中的余振信号,当液体漫过探头时,此余振信号的幅值会变小,这个改变被仪表检测到后输出一个开关信号,达到液位报警的目的。
万联芯城-电子元器件采购网一直秉承着以良心做好良芯的服务理念,为广大客户提供一站式的电子元器件配单服务,客户行业涉及电子电工,智能工控,自动化,医疗安防等多个相关研发生产领域,所售电子元器件均为原厂渠道进货的原装现货库存。
只需提交BOM表,即可为您报价。
万联芯城同时为长电,顺络,先科ST等知名原厂的指定授权代理商,采购代理品牌电子元器件价格更有优势,欢迎广大客户咨询,点击进入万联芯城。
5射频导纳液位开关射频导纳物位控制技术是一种从电容式物位控制技术发展起来的,防挂料、更可靠、更准确、适用性更广的物位控制技术,“射频导纳”中“导纳”的含义为电学中阻抗的倒数,它由阻性成分、容性成分、感性成分综合而成,而“射频”即高频,所以射频导纳技术可以理解为用高频测量导纳。
高频正弦振荡器输出一个稳定的测量信号源,利用电桥原理,以精确测量安装在待测容器中的传感器上的导纳,在直接作用模式下,仪表的输出随物位的升高而增加。
射频导纳技术与传统电容技术的区别在于测量参量的多样性、驱动三端屏蔽技术和增加的两个重要的电路。
射频导纳技术由于引入了除电容以外的测量参量,尤其是电阻参量,使得仪表测量信号信噪比上升,大幅度地提高了仪表的分辨力、准确性和可靠性测量参量的多样性也有力地拓展了仪表的可靠应用领域。
6阻旋式液位开关物料对旋转叶片的阻旋作用,使开关的过负载检测器动作,继电器发出通、断开关式信号,从而使外接控制电路发出信号报警,同时控制给料机。
如当开关作为高位控制时:在物料触及叶片的情况下,开关发出报警信号,同时停止给料机。
当开关作为低位控制时,在物料离开叶片的情况下,开关发出报警信号,同时启动给料机。
7电磁式液位开关电磁式接近开关,又称电感式接近开关,在通电时,震荡回路(线圈等)在磁芯CORE的辅助下向前方发射电磁波,后又回到接近开关,当接近开关前端有金属时,由于金属吸收了电磁,接近开关通过电磁的衰减转换成开关信号,信号处理完成后再控制输出。
8电子式液位开关电子式液位开关工作电压是DC5V-24V,通过内置电子探头对水位进行检测,再由芯片对检测到的信号进行处理,当被测液体的液位到达动作点时,输出DC5V-24V,可以直接与PLC配合使用或者与控制板配合使用,从而实现对液位的控制。
9光电式液位开关光电液位开关使用红外线探测,利用光线的折射及反射原理,光线在两种不同介质的分界面将产生反射或折射现象。
当被测液体处于高位时则被测液体与光电开关形成一种分界面,当被测液体处于低位时,则空气与光电开关形成另一种分界面,这两种分界面使光电开关内部光接收晶体所接收的的反射光强度不同,即对应两种不同的开关状态。
10超声波液位开关超声波液位开关内部压电晶体的叉形探头中间被空气隔开,一个晶体振动频率为1.5MHz把声音信号传到空气间隙中间,探头浸入液体时,晶体,声波偶合,超声波液位开关改变状态。
各液位开关的优缺点及技术指标浮球液位开关优点:浮球开关不含导致故障发生和波纹管、弹簧、密封等部件。
而是采用直浮子驱动开关内部磁铁,浮球开关的简捷的杠杆使开关瞬间动作。
浮子悬臂角限位设计,防止浮子垂直。
浮球液位开关是一种结构简单、使用方便、安全可靠的液位控制器。
它比一般机械开关速度快、工作寿命长;与电子开关相比,它又有抗负载冲击能力强的特点,一只产品可以实现多点控制。
易于维护。
广泛使用于造船、造纸、印刷、发电机设备、石油化工、食品工业、水处理、电工、染料工业、油压机械等方面。
缺点:浮球开关是简单的被动器件,并且不具有自检查功能,因此建议对其进行定期检查与维护。
浮球或浮筒物位计是活动部件,因此用在更浓或黏稠液体中时会被弄脏。
测量精度较差,黏度<0.8mpa*s时不能工作。
对容器内压力、密度、介电常数有要求、安装需停产、清罐、开孔、动火。
技术指标:大电缆长度:30m工作温度:标准型:0~80℃中温型:0~120℃环境温度:-40~70℃工作压力:常压介质密度:≥0.6g/cm触点容量:220VAC 10A 电气接口:M20*1.5防护等级:IP65过程连接:HG20592~20635-97 DN100以上,其他法兰标准(如GB、JB/T、HGJ、ANSI、DIN等)接液材质:不锈钢。
音叉液位开关优点:振动音叉开关能真正地免受流量、气泡、湍流、泡沫、振动、固体含量、沾敷、液体特性以及产品变化的影响。
并且不需要校准,只需要经历短的安装过程便能完成安装。
无活动零件或缝隙真正实现免维护。
强大的自检查与诊断功能保证了高低物位测量的高可靠性,某些型号的物位计甚至可以在出现故障之前,绘出性能曲线和发送故障趋势信号。
缺点:音叉开关不适合用于非常粘的介质。
导致叉子被连接在一起的叉间物料堆积,将干扰物位检测。
技术指标:电源:DC12V~24V,AC220 功率消耗:1W3、振动频率:200Hz4、输出:NPN型、晶体管输出、大30V、100mA(过压和过流有可能烧坏)材质:316不锈钢防护:IP68 大压力:1MPa 密度:液体≥0.8克/立方厘米粉料≥0.2克/立方厘米液体粘度:高1000㎡/s 检测时间:输出动作(停振)0.5秒输出关闭(起振)3秒工作温度:‐10℃~+85℃电容式液位开关优点:防挂料,耐腐蚀。
可适用各种环境,如塑料水泥等非金属罐体,耐酸耐碱。
缺点:校准困难,精度较差,介电常数需>2,对容器内压力、密度、介电常数有要求、安装需停产、清罐、开孔、动火。
外测液位开关优点:1、安全:在测量有毒害、有腐蚀、有压力、易燃爆、易挥发、易泄漏的液体时,不使用阀门、连通管、接头,没有漏点,不接触罐内的液体和气体,非常安全。
即使在仪表损坏或维修状态下,也无引起泄漏、毒害、爆炸的可能。
2、安装、维修方便:安装维修时不动火,不清罐,不影响生产。
3、可靠耐用:传感器和仪表中无机械运动部件,并严格密封,与外界隔离,不会磨损或腐蚀。
4、适用广泛:与被测介质的压力、温度、密度、介电常数、黏度及有无腐蚀性无关。
可广泛用于石化、化工、油库、石油、电力、液体储运、医药等行业。
缺点:对罐体的材质要求为不能是非硬质材料。
对安装要求较高,测量探头安装间距为1米左右,两个探头中间不能有焊缝(即在同一块钢板上)。
射频导纳液位开关优点:1.通用性强:可测量液位及料位,可满足不同温度、压力、介质的测量要求,并可应用于腐蚀、冲击等恶劣场合。
2.防挂料:独特的电路设计和传感器结构,使其测量可以不受传感器挂料影响,无需定期清洁,避免误测量。
3.免维护:测量过程无可动部件,不存在机械部件损坏问题,无须维护。
4.抗干扰:接触式测量,抗干扰能力强,可克服蒸汽、泡沫及搅拌对测量的影响。
5.准确可靠:测量量多样化,使测量更加准确,泽良不受环境变化影响,稳定性高,使用寿命长。
6.适用范围:化工、油田、水及污水处理、造纸、制药、电厂、冶金、水泥、粮食等行业。
阻旋式液位开关优点:1.小料斗专业型技术,三个轴承支撑,运行更可靠;2.独创的密封设计可防止粉尘渗入(专利实际);3.扭力稳定可靠且扭力大小可调节;4.叶片承受过重负载,离合器自动打滑,保护电机不受损坏;5.机电分离式结构,整体免拆卸易维护;6.接线盒IP65技术指标:1.物料为干式粉状、颗粒状,允许物料粒度大尺寸为20mm2.物料容重≥0.5g/cm33.物料温度:a、常温b、高温≤185℃4.控制方式:位式5.供电电源:220V.AC,50Hz6.输出接点容量:250V. AC,5A7.寿命:机械5×107次电气5×105次8.旋转速度:6转/分9.功率消耗:4W10.使用环境温度:-10~+55℃11.相对湿度:不大于85%电磁式液位开关优点:电子式有过压保护功能;电磁式漏电电流保护可到300MA、分断范围多级、应用量大。
电子式液位开关优点:耐污、耐倾摇、耐颠簸、抗摔性强、耐盐雾、耐酸碱,不怕磁场影响、不怕金属体影响、不怕水压变化影响、不怕光线影响,没有盲区,外部无可动部件,不怕固体漂浮物的影响。
适用范围:清水、各种污水、酸碱水、海水、水处理药剂、河涌水、纺织印染水、工业废水,还适合做船舶水位开关等光电式液位开关优点:没有机械运动部件,可靠性高;体积小,性价比高;液位控制精度高,可重复性好。
缺点:不适用于冷冻液体和结晶液体。
超声波液位开关优点:超声波液位计是非接触测量方式,±0.2%精度,1-25米量程,优异的聚焦:5度声束角,多种传感器材质,内置全量程温度补偿。
超声波液位计测量有腐蚀(酸、碱)的介质、有污染的场合,或易产生粘附物的物质。
适合于那些无法用物理方式接触的液体。
缺点:1:与被测介质粘度有关,被测介质粘度较大时不鞥测量;2:受温度影响,当温度高时,传播速度回发生变化,仪表反应迟缓,会延迟报警。
液位开关常见故障分析与解决办法1浮球液位开关常见故障及处理方法:1.浮球不动作:2.①液体比重小于浮球比重3.②浮球漏水4.③异物卡住浮球5.处理方法:6.①重新确认浮球比重7.②公司联系更换浮球8.③清除异物9.10.浮球动作,但无信号输出:11.①浮球位置偏移12.②磁簧开关损坏13.处理方法:14.①调整浮球位置15.②更换磁簧开关16.17.信号输出不正常, 附近有磁场干扰。