3 主要经济技术指标表
- 格式:xls
- 大小:43.00 KB
- 文档页数:2
设计任务书一、设计依据1.基地地形图。
2.《民用建筑设计通则》GB50352—20053.《高层民用建筑设计防火规范》GB50045-95(2005年版)4.《办公建筑设计规范》JGJ67—20065.《城市道路和建筑物无障碍设计规范》JGJ50—20016.其它相关国家及河南省的规范及法规二、设计内容1.建筑创意构思包含文化,地域的相关理念或符号,使之融入到现代办公的空间设计中,可着意关注场地、体量、空间、绿色、人文、材料、建构等方面。
2.总平面设计1.基地范围地质博物馆及地质研究中心位于开元大道以南,景观二支渠以北,通济街以东。
总建筑用地面积11116.995平方米。
2.工程规模该高层设计由办公、商业、酒店住宿三大功能组成,兼容康体休想等功能,总建筑面积100247.36平方米,其中地上总建筑面积83221.54平方米,地下室建筑面积17025.82平方米,建筑高度99.4米。
3.交通组织设计3.1.设计原则A.以确保交通环境为前提,协调好内部交通与外部交通之间的关系。
B.出入交通做到“快进快出”。
C. “以人为本”突出人性化交通理念。
3.2.交通组织A.机动车流车流由通济街,由建筑西侧到达地下车库入口或地面停车场地。
B.人行交通主要人流由建筑北面和西面入口进入。
C.非机动车流在基地周边设置非机动车地面停车场地。
3.平立剖面设计4.建筑用料选取外装修、内墙、楼地面、顶棚、门窗及玻璃等5.消防设计该建筑为高层公共建筑,为一类建筑,耐火等级为一级。
1.总体消防设计在建筑的周边为城市道路,与基地内部道路环通,从而形成环通的消防通道,建筑与周边其他建筑的间距均需满足消防要求。
2.建筑单体消防设计A.防火分区B.消防疏散6.环保卫生设计3.污、废水处理A.室内污、废水分流至室外合流,污水经化粪池处理后排至市政污水管网。
B.室外空调机统一设计,其冷凝水经专用管收集集中排放至区内布水管网。
4.垃圾收集垃圾集中收集于建筑南侧。
主要经济技术指标内容主要经济技术指标是一个反映国家或地区经济发展水平和经济活动状态的重要指标体系。
它们反映了一个经济体的宏观经济状况,包括国内生产总值(GDP)、通货膨胀率、消费者物价指数(CPI)、生产者物价指数(PPI)、失业率、劳动力参与率、财政收入和支出、货币供应量、国际收支等方面的指标。
首先,国内生产总值(GDP)被认为是最重要的经济指标之一、GDP 是一个国家或地区在一定时期内生产的全部最终产品和服务的价值总和。
它反映了经济体的总体经济规模和增长速度。
其次,通货膨胀率是衡量物价水平变动的重要指标。
通货膨胀率反映了一定时期内物价水平的平均上涨幅度,是衡量货币购买力稳定性的重要指标。
高通胀率可能导致消费能力下降,经济不稳定。
消费者物价指数(CPI)和生产者物价指数(PPI)是通货膨胀率的重要组成部分。
CPI衡量一定时期内一般消费品和服务的价格变动情况,对居民购买力的影响较大。
PPI衡量生产过程中的物价变化情况,反映了生产者的成本压力和市场供求关系。
失业率是衡量劳动力市场状况的重要指标。
失业率反映了一定时期内劳动力中没有就业的人口比例。
高失业率通常意味着经济活动疲软,社会稳定性下降。
劳动力参与率是衡量劳动力资源利用情况的重要指标。
劳动力参与率反映了劳动力总人口中参与经济活动的人口比例。
高劳动力参与率可能意味着劳动力资源充分利用,但也可能意味着就业机会有限。
财政收入和支出是衡量财政健康状况的重要指标。
财政收入反映了政府税收收入和其他财政收入的情况,财政支出反映了政府支出的情况。
财政收支平衡是维持经济可持续发展的重要前提。
货币供应量是衡量货币政策状况的重要指标。
货币供应量反映了市场上流通的货币总量。
货币供应量过度膨胀可能导致通货膨胀,货币供应量过度紧缩可能导致经济活动萎缩。
除了以上主要经济技术指标,还有一些其他重要指标如工业产值、企业利润、固定资产投资、住房销售、土地供应等。
这些指标从不同角度反映了一个经济体的产业结构、生产效率、投资状况和土地市场等方面的情况。
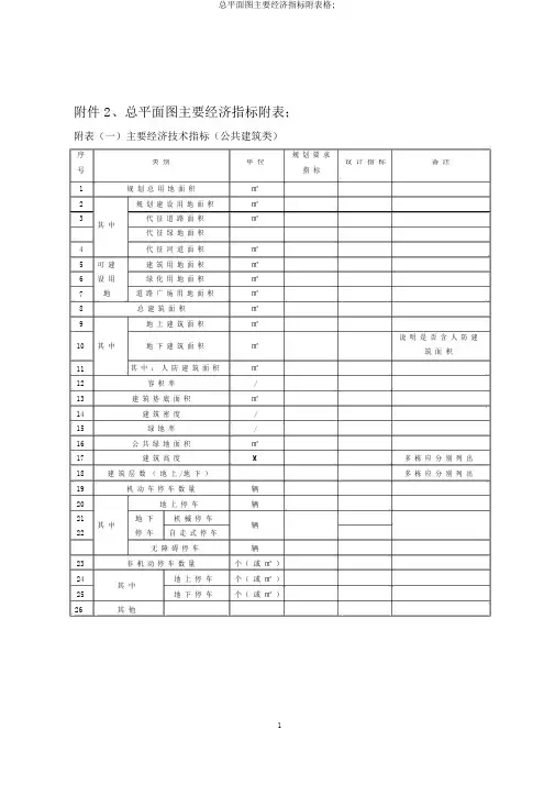
附件 2、总平面图主要经济指标附表;附表(一)主要经济技术指标(公共建筑类)序规 划 要 求 号类 别单 位 设 计 指 标备 注指 标1 规 划 总 用 地 面 积 ㎡2 规 划 建 设 用 地 面 积㎡ 3其 中代 征 道 路 面 积 ㎡代 征 绿 地 面 积4 代 征 河 道 面 积㎡ 5 可 建 建 筑 用 地 面 积 ㎡ 6 设 用 绿 化 用 地 面 积 ㎡ 7 地道 路 广 场 用 地 面 积 ㎡ 8 总 建 筑 面 积 ㎡ 9 地 上 建 筑 面 积㎡10其 中地 下 建 筑 面 积㎡ 说 明 是 否 含 人 防 建筑 面 积11 其 中 : 人 防 建 筑 面 积㎡ 12 容 积 率 / 13 建 筑 基 底 面 积 ㎡ 14 建 筑 密 度 / 15 绿 地 率 / 16 公 共 绿 地 面 积 ㎡17 建 筑 高 度M多 栋 应 分 别 列 出 18 建 筑 层 数 ( 地 上 / 地 下 )多 栋 应 分 别 列 出19 机 动 车 停 车 数 量辆 20地 上 停 车辆 21 其 中地 下 机 械 停 车 辆22 停 车自 走 式 停 车无 障 碍 停 车辆23 非 机 动 停 车 数 量 个( 或 ㎡ ) 24其 中地 上 停 车个( 或 ㎡ )25地 下 停 车 个( 或 ㎡ )26其 他附表(二)主要经济技术指标(居住建筑类)类型单位规划要求指标设计指标备注建设用地面积㎡总建筑面积㎡地上建筑面积㎡住所建筑面积㎡公共建筑面积㎡幼儿园㎡办公、商业等㎡消防控制室㎡办公㎡其基层社区中心㎡中此中物业管理用房㎡总建筑面积的 4‰市政设备㎡配电(如变电所开关站)㎡其燃气调压站㎡中公厕㎡门卫㎡地下建筑面积㎡地下汽车库建筑面积㎡其㎡地下非灵活车库建筑面积中人防建筑面积m建筑基底面积㎡集中绿地面积㎡容积率建筑密度%绿地率%居住户数户人均公共绿地面积㎡灵活车泊车数目辆地上泊车辆地下机械泊车此中辆泊车自走式泊车无阻碍泊车辆非灵活泊车数目个(或㎡)住所泊车位个(或㎡)此中配套设备泊车位个(或㎡)注:表格分项依据有关规划指标要求的公共和市政配套设备增减附表(三)泊车配建指标地块灵活车配建指标表建筑种类计算单位灵活车指标应配建车位数(辆)实质配建车位数(辆)S≤ 90 ㎡车位 / 户 1.0 XX 住所90< S≤144 ㎡车位 / 户 1.2 XX车位 /100 ㎡建筑未分户 1.1面积幼儿园教工车位 /100 教工 2.0学生暂时接送车位 /100 学生 4.0饭馆、旅馆、培训中心车位 / 客房0.5 XX商务办公车位 /100 ㎡建筑2.0面积配套商业设备车位 /100 ㎡建筑0.6面积商业车位 /100 ㎡建筑大型商场 1.3面积独立餐饮娱乐车位 /100 ㎡建筑3.0面积影剧院车位 /100 座位 3.0主题公园车位 / 公顷占地10.0面积总计——XX 注: 1. 表格分项依据有关规划指标要求的公共和市政配套设备增减;2. 灵活车配建比率依据最新的南京市建筑物配建泊车设备设置标准与准则履行.地非块灵活车配建指标表建筑种类计算单位灵活车指标应配建车位数(辆)实质配建车位数(辆)S≤ 90 ㎡车位 / 户 1.8 XX住所90< S≤144 ㎡车位 / 户 1.8 XX车位 /100 ㎡建筑未分户 2.0面积幼儿园车位 /100 师生 5.0饭馆、旅馆、培训中心车位 / 客房 1.0 XX商业设备车位 /100 ㎡建筑2.0面积独立餐饮娱乐车位 /100 ㎡建筑1.0面积影剧院车位 /100 座位 2.0主题公园车位 / 公顷占地5.0面积总计——XX 注: 1. 表格分项依据有关规划指标要求的公共和市政配套设备增减;2. 非灵活车配建比率依据最新的南京市建筑物配建泊车设备设置标准与准则履行.。
主要技术经济指标
主要技术经济指标一般分为:价值指标与实物指标、综合指标与单项指标、宏观指标与微观指标、绝对数量指标与相对数量指标、总量指标与人均指标、数量指标与质量指标。
1、价值指标与实物指标
前者是以价值形态反映出来的指标,后者是以实物形态反映出来的指标。
2、综合指标与单项指标
前者如成本指标包括了原材料、燃料动力、折旧、工资等各种消耗费用,后者如每百元燃料动力费用提供的产值等。
3、宏观指标与微观指标
前者是从整个国民经济角度进行评价的标准,后者是从企业经济角度进行评价的标准。
4、绝对数量指标与相对数量指标
前者如国民收入、利润总额等,后者如产值利润率、投资收益率、成本利润率等。
5、总量指标与人均指标
前者如国民总收入等,后者如人均国民收入等。
6、数量指标与质量指标
前者如能源节约额、资源节约额等,后者如质量等级、优质品率、合格率、废品率等。