钢筋混凝土结构识图基本知识
- 格式:ppt
- 大小:1.79 MB
- 文档页数:51
钢结构图纸基本识图1.绪论;2.制图基本知识;3.投影基本知识;4.投影基本原理;5.投影变换;6.平面建筑形体的投影;7.曲面建筑形体的投影;8.建筑形体的表达方法;9.轴测投影;10.建筑施工图;11.结构施工图;12.正投影中的阴影;13.透视投影;14.展开投影;15.给水排水工程;16.AutoCAD绘图基础。
二:《土木建筑制图》建筑安装工程预决算的编审工作,其基础除了应该了解,熟悉至精通建筑(房屋)的结构构件,组成和部位,相互间的关系和作用。
重要的一课是识图、读图。
工程识图是专业性很强的一门学问。
——什么图可以作为预算的依据?——哪些图可以计算出一件构造的工程量?——从哪些图纸上可以计算出什么材料的实际耗用量?——有了工程量数据怎么来计算它的价值?——工程造价的依据有那些?今天开始的课程将逐步获得答案。
1.1建筑识图与工程量计算(P151)一、建筑识图1、基本概念国家规定,一个工程项目应经过:(1)规划和初步设计阶段;(2)审查后扩大初步设计;(3)审查后施工图设计、又称技术设计。
2、施工图作用:指导施工,技术依据;指导结算,支付进度款依据;指导决算,结算工程款依据。
一套完整的施工图应:A、首页图目:从建施01-、结施01-、水施01-、电施01-(又分强电、弱电、讯施01-)、电通01-。
标准图设计总说明,内容包括:工程设计依据(批文、资金来源、地勘资料等),建筑面积,造价。
设计标准(建筑标准、结构荷载等级、抗震要求,采暖通风要求,照明标准,防火等级等)。
施工要求(技术与材料)项目±0.000与总图绝对标高的相对关系,室内外用材、强度等级。
装修表门窗表B、建筑施工图(简称建施)1、表示建筑物内部布置,外部形状、装修、构造、施工要求等,包括:纵横墙布置、门、窗、楼群梯和公共设施(如洗手间、开水房等)。
2、总平,平、立、剖和各构造详图(包括墙身剖面、楼梯、门窗、厕所、浴室、走廊、阳台等构造和详细做法、尺寸)。
建筑基本识图知识一、平法图(钢筋混凝土结构施工图或简称结构施工图)(一)、梁的表示方法1、梁的集中标注(表达梁的通用数值)(1)梁编号标注①KL——表示框架梁例:KL1(4)——表示框架梁第1号,4跨,无悬挑;若是“框架梁带悬挑端”,则表示为:KL4(3A)——表示框架梁第4号,3跨,一端有悬挑,KL4(3B)——表示框架梁第4号,3跨,两端有悬挑。
其中A表示一端有悬挑、B表示两端有悬挑。
②WKL——表示屋面框架梁例:WKL1(4)——表示屋面框架梁第1号,4跨,无悬挑③KZL——表示框支梁例:KZL1(1)——表示框支梁第1号,1跨,无悬挑④L——表示非框架梁例:L3(2)——表示非框架梁第3号,2跨,无悬挑⑤XL——表示纯悬挑梁例:XL1——表示纯悬挑梁第1号。
(2)、梁的截面尺寸标注,举例如下:①普通梁截面:300×700——表示:截面宽度300㎜、截面高度700㎜;②加腋梁截面:350×700Y500×250——表示:截面宽度350㎜、截面高度700㎜、腋长500㎜、腋高250㎜。
③纯悬挑梁截面:300×700/500——表示:梁根部截面高度700㎜、端部截面高度500㎜。
④框架梁带悬挑端截面:在悬挑端进行原位标注“300×700/500”。
(3)、梁箍筋标注,举例如下:①Φ10@100/200(2)——表示:箍筋为HPB235钢筋,直径为Φ10,非加密区间距为100,加密区间距为200,均为2肢箍。
②Φ10@150/(2)——表示:箍筋为HPB235钢筋,直径为Φ10,2肢箍,间距为150,不分加密区与非加密区。
③Φ8@100(4)/150(2)——表示:箍筋为HPB235钢筋,直径为Φ8,加密区间距为100,4肢箍,非加密区间距为150,2肢箍。
④13Φ10@150/200(4)——表示:箍筋为HPB235钢筋,直径为Φ10,梁的两端各有13个4肢箍间距为150,梁跨中部分间距为200,4肢箍。
一、单选题1.在基础内的第一根柱箍筋到基础顶面的距离是多少()A、50B、100C、3d(d为箍筋直径)D、5d(d为箍筋直径)答案: B2.基础主梁有外伸情况下下部钢筋外伸构造()。
A、伸至梁边向上弯折15dB、伸至梁边向上弯折12dC、第一排伸至梁边向上弯折15d,第二排伸至梁边向上弯折12dD、第一排伸至梁边向上弯折12d,第二排伸至梁边截断答案: D3.基础梁箍筋信息标注为:10φ12@100/φ12@200(6)表示()?A、直径为12的一级钢,从梁端向跨内,间距100设置5道,其余间距为200,均为6支箍B、直径为12的一级钢,从梁端向跨内,间距100设置10道,其余间距为200,均为6支箍C、直径为12的一级钢,加密区间距100设置10道,其余间距为200,均为6支箍D、直径为12的一级钢,加密区间距100设置5道,其余间距为200,均为6支箍答案: B4.基础主梁的箍筋是从框架柱边沿多少开始设置第一根的( )。
A、100mmB、50mmC、箍筋间距/2D、5d答案: B5.柱箍筋在基础内设置不少于( )根,间距不大于 ( )?A、2根;400B、2根;500C、3根;400D、3根;50答案: B6.基础主梁底部非贯通纵筋过柱节点向跨内的延伸长度:()。
A、Ln /3B、Ln/4C、Ln/3、1.2La+Hb+0.5Hc取大值D、1.2La+Hb+0.5Hc答案: A7.支座两侧筏板厚度有变化时,板上部筋深入支座应满足什么要求()?A、深入支座不小于LaB、深入支座≥12d且伸到支座中心线C、不小于500mmD、≥15d答案: A8.抗震箍筋的弯钩构造要求采用135度弯钩,弯钩的平直段取值为()。
A、10d、85mm中取大值B、10d、75mm中取大值C、12d、85mm中取大值D、12d、75mm中取大值答案: B9.当独立基础板底X、Y方向宽度满足什么要求时,X、Y方向钢筋长度=板底宽度*0.9?()A、≥2500B、≥2600C、≥2700D、≥2800答案: A10.承台下部钢筋端部到桩里皮小于35d时,承台钢筋需向上弯折多少()?A、15dB、12dC、承台厚/2D、10d答案: D11.梁板式筏形基础平板LPB1,每跨的轴线跨度为5000,该方向的底部贯通筋为14@150,两端的基础梁JZL1的截面尺寸为500*900,纵筋直径为25mm,基础梁的混凝土强度为C25。
结构图纸识图基础知识总结(干货)一、钢筋常用级别一级钢热轧圆钢二级-四级热轧螺纹钢RRB400也是三级钢,热处理的三级钢图纸里标明直径6的钢筋,按直径6.5的钢筋计算,钢筋只有直径6.5的钢筋,图纸还是按直径6表示,因为理论重量不一样。
钢筋算量的三项核心内容:1、锚固长度(封头或收口)2、连接方式3、数量锚固长度:指钢筋伸入砼支座的长度连接方式有:搭接、焊接和机械连接根数:(轴线长度-扣减值)/布筋间距+1影响钢筋长度两大因素:混凝土标号抗震等级在任何情况下,锚固长度不应小于200mm抗震锚固长度laE,非抗震锚固长度la。
钢筋重量=钢筋设计长度×钢筋根数×钢筋理论重量二、梁的平面注写梁的平面注写包括集中标注与原位标注。
1、梁编号注:(XXA)为一端悬挑,(XXB)为两端悬挑,悬挑不计入跨数例:KL7(5A)表示第7号框架梁,有5跨。
一端有悬挑2、梁截面尺寸3、梁箍筋梁箍筋,包括钢筋级别、直径、加密区和非加密区及肢数。
例:Φ10@100/200(4),表示箍筋为Ⅰ级钢筋,直径Φ10,加密区间距为100,非加密区的间距为200,箍筋为4肢箍。
4、梁上部通长筋或架力筋配置(通长筋可为相同或不同直径的钢筋,采用搭接连接、机械连接、或对焊连接的方式)当同排主筋中既有通长筋又有架力筋时,应用加号“﹢”,将通长筋和架力筋相连例:2Φ22+(4Φ12),其中2Φ22为通长筋,4Φ12为架力筋5、梁侧面纵项构造筋或受扭钢筋的配置当梁腹板高度Hw≥450mm时,须配置纵向构造钢筋,该项注以大写字母G表示,注写设置在梁两个侧面的总配筋值,且对称配置例:G4Φ12,表示梁的两侧共配置4Φ12的纵向构造钢筋,每侧各配置2Φ12当梁侧面需配置受扭纵筋时,该项注以大写字母N表示,注写设置在梁两个侧面的总配筋值,且对称配置例:N6Φ14,表示梁的两侧共配置6Φ14的纵向构造钢筋,每侧各配置3Φ146、原位标注梁支座上部纵筋,含通长筋在内的所有纵筋梁下部纵筋附加箍筋或吊筋用于集中标注不适合于某跨时标注的数值。
钢筋识图要学习的资料钢筋识图要学习平法11G101-(1、2、3)及《混凝土结构设计规范》,你可从陈达飞编著的“平法识图与钢筋计算释疑解惑”这书开始学起。
【之后:结合结构(楼板、局部楼板标高)、梁配筋图(主梁、次梁配筋:底筋[书面:板底钢筋]、面筋[书面:板负筋]、附加钢筋[结合图纸标注]、分布筋[可能有局部分布筋要结合总说明去查看,若板筋只有底筋一层的,才有分布筋,是支撑板与板之间的附加钢筋]{分布筋:板与板之后,支撑附加钢筋且楼板钢筋只有一层的;楼梯:底筋和面筋的横向筋,字母F表格(备注:楼梯的底筋和面筋属于纵向筋,其纵向筋上或下的横向筋,即是分布筋,字母F表格)}))】钢筋平法标注平法标注法---梁(03G101 平面标注法)一、箍筋表示方法:⑴φ10@100/200(2) 表示箍筋为φ10 ,加密区间距100,非加密区间距200,全为双肢箍。
⑵φ10@100/200(4) 表示箍筋为φ10 ,加密区间距100,非加密区间距200,全为四肢箍。
⑶φ8@200(2) 表示箍筋为φ8,间距为200,双肢箍。
⑷φ8@100(4)/150(2) 表示箍筋为φ8,加密区间距100,四肢箍,非加密区间距150,双肢箍。
一、梁上主筋和梁下主筋同时表示方法:⑴3Φ22,3Φ20 表示上部钢筋为3Φ22, 下部钢筋为3Φ20。
⑵2φ12,3Φ18 表示上部钢筋为2φ12, 下部钢筋为3Φ18。
二、梁上部钢筋表示方法:(标在梁上支座处)⑴2Φ20 表示两根Φ20的钢筋,通长布置,用于双肢箍。
⑵2Φ22+(4Φ12)表示2Φ22 为通长,4φ12架立筋,用于六肢箍。
⑶6Φ25 4/2 表示上部钢筋上排为4Φ25,下排为2Φ25。
⑷2Φ22+ 2Φ22 表示只有一排钢筋,两根在角部,两根在中部,均匀布置。
三、梁腰中钢筋表示方法:⑴G2φ12 表示梁两侧的构造钢筋,每侧一根φ12。
⑵G4Φ14 表示梁两侧的构造钢筋,每侧两根Φ14。
一、箍筋表示方法:⑴φ10@100/200(2) 表示箍筋为φ10 ,加密区间距100,非加密区间距200,全为双肢箍。
⑵φ10@100/200(4) 表示箍筋为φ10 ,加密区间距100,非加密区间距200,全为四肢箍。
⑶φ8@200(2) 表示箍筋为φ8,间距为200,双肢箍。
⑷φ8@100(4)/150(2) 表示箍筋为φ8,加密区间距100,四肢箍,非加密区间距150,双肢箍。
一、梁上主筋和梁下主筋同时表示方法:⑴ 3Φ22,3Φ20 表示上部钢筋为3Φ22, 下部钢筋为3Φ20。
⑵ 2φ12,3Φ18 表示上部钢筋为2φ12, 下部钢筋为3Φ18。
⑶ 4Φ25,4Φ25 表示上部钢筋为4Φ25, 下部钢筋为4Φ25。
⑷ 3Φ25,5Φ25 表示上部钢筋为3Φ25, 下部钢筋为5Φ25。
二、梁上部钢筋表示方法:(标在梁上支座处)⑴ 2Φ20 表示两根Φ20的钢筋,通长布置,用于双肢箍。
⑵ 2Φ22+(4Φ12)表示2Φ22 为通长,4φ12架立筋,用于六肢箍。
⑶ 6Φ25 4/2 表示上部钢筋上排为4Φ25,下排为2Φ25。
⑷ 2Φ22+ 2Φ22 表示只有一排钢筋,两根在角部,两根在中部,均匀布置。
三、梁腰中钢筋表示方法:⑴ G2φ12 表示梁两侧的构造钢筋,每侧一根φ12。
⑵ G4Φ14 表示梁两侧的构造钢筋,每侧两根Φ14。
⑶ N2Φ22 表示梁两侧的抗扭钢筋,每侧一根Φ22。
⑷ N4Φ18 表示梁两侧的抗扭钢筋,每侧两根Φ18。
四、梁下部钢筋表示方法:(标在梁的下部)⑴ 4Φ25 表示只有一排主筋,4Φ25 全部伸入支座内。
⑵ 6Φ25 2/4 表示有两排钢筋,上排筋为2Φ25,下排筋4Φ25。
⑶ 6Φ25 (-2 )/4 表示有两排钢筋,上排筋为2Φ25,不伸入支座,下排筋4Φ25,全部伸入支座。
⑷2Φ25 + 3Φ22(-3)/ 5Φ25 表示有两排筋,上排筋为5根。
2Φ25伸入支座,3Φ22,不伸入支座。
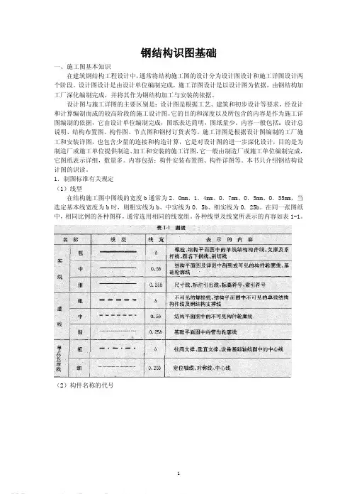
钢结构识图基础一、施工图基本知识在建筑钢结构工程设计中,通常将结构施工图的设计分为设计图设计和施工详图设计两个阶段。
设计图设计是由设计单位编制完成,施工详图设计是以设计图为依据,由钢结构加工厂深化编制完成,并将其作为钢结构加工与安装的依据。
设计图与施工详图的主要区别是:设计图是根据工艺、建筑和初步设计等要求,经设计和计算编制而成的较高阶段的施工设计图。
它的目的和深度以及所包含的内容是作为施工详图编制的依据,它由设计单位编制完成,图纸表达简明,图纸量少。
内容一般包括:设计总说明、结构布置图、构件图、节点图和钢材订货表等。
施工详图是根据设计图编制的工厂施工和安装详图,也包含少量的连接和构造计算,它是对设计图的进一步深化设计,目的是为制造厂或施工单位提供制造、加工和安装的施工详图,它一般由制造厂或施工单位编制完成,它图纸表示详细,数量多。
内容包括:构件安装布置图、构件详图等。
本书只介绍钢结构设计图的识读。
1.制图标准有关规定(1)线型在结构施工图中图线的宽度b通常为2.Omm、1.4mm、O.7mm、O.5mm、O.35mm,当选定基本线宽度为b时,则粗实线为b、中实线为O.5b、细实线为O.25b。
在同一张图纸中,相同比例的各种图样,通常选用相同的线宽组。
各种线型及线宽所表示的内容如表1-1。
(2)构件名称的代号2.材料代号钢材的牌号1.普通碳素结构钢碳素钢是以铁为基本成分,以碳为主要合金元素的铁碳合金。
碳钢除含铁、碳外,还含有少量的有益元素锰、硅及少量的有害杂质元素硫、磷。
普通碳素结构钢按其质量等级不同可分为A、B、C、D四个等级。
其中A级一般不做冲击试验;B级做常温冲击试验;C级做0℃冲击试验;D级做-20℃冲击试验。
因此D级质量最好,C、D级可用做重要的焊接结构。
普通碳素结构钢的牌号是由代表屈服点的字母Q、屈服点的数值以及质量等级和脱氧方法四个部分按顺序组成。
“F”表示沸腾钢,“b”表示为半镇静钢,“Z”表示镇静钢,“TZ”表示特殊镇静钢。
钢筋识图入门知识大全 HUA system office room 【HUA16H-TTMS2A-HUAS8Q8-HUAH1688】N2B12指梁的两个侧面共配2根12的受扭纵向筋(腰筋),每侧各配一根.G2B12指梁的两个侧面共配置2根12的纵向构造筋(腰筋),每侧各配一根.N是受扭筋的意思,G是构造筋的意思!7没有标注N 的就是构造钢筋G,G是15D,N是LaE受力筋:指布置在梁或板的下部.承受拉力的那部分钢筋及抗剪切的起弯筋.吊筋等。
怎么样区分板的受力筋跟分布筋?以板的开间、进深跨度区分:如果是单项板,那么平行于短跨方向的钢筋是受力筋,平行于长跨方向的钢筋是架立筋。
如果是双向板,那么长跨、短跨方向的钢筋全部是受力筋。
以钢筋直径上来区分:钢筋的直径大的为受力筋,直径小的钢筋为分布筋;以布置上来区分:正弯矩筋布置在下的钢筋为受力筋,在之上垂直分布的钢筋为分布筋,负弯矩筋(如悬挑板)相反,在下的钢筋为分布筋,在之上的钢筋为受力筋。
分布筋: 出现在板中,布置在受力钢筋的上部,与受力钢筋垂直。
作用是固定受力钢筋的位置并将板上的荷载分散到受力钢筋上,同时也能防止因混凝土的收缩和温度变化等原因,在垂直于受力钢筋方向产生的裂缝.属于构造钢筋。
(满足构造要求,对不易计算和没有考虑进去的各种因素,所设置的钢筋为构造钢筋。
)图中布置在下的钢筋为受力筋,在之上垂直分布的钢筋为分布筋箍筋:用来满足斜截面抗剪强度,并联结受拉主钢筋和受压区混凝土使其共同工作,此外,用来固定主钢筋的位置而使梁内各种钢筋构成钢筋骨架的钢筋。
是梁和柱抵抗剪力配置的环形(当然有圆形的和矩形的)钢筋,是口字形的,将上部和下部的钢筋固定起来,同时抵抗剪力。
架立筋:是梁上部的钢筋,只起一个结构作用,没实质意义,但在梁的两端则上部的架立筋抵抗负弯距,不能缺少。
(架立钢筋设置在梁的受压区外边缘两侧,用来固定箍筋和形成钢筋骨架。
如受压区配有纵向受压钢筋时,则可不再配置架立钢筋。
钢结构识图培训讲义技术部周耀彬 2009-5-24第一章识图基础一、投影及三视图三视图:正视图(上左)、侧视图(上右)、俯视图(下)三视图在使用是不一定完整,可能只出现其中两个。
有剖视符号的情况下,按照符号所示方向看物体,无剖视符号时,一般习惯的看图方向是:侧视图在正视图的右侧时,表示是站在正视图中物体的右侧向左看;侧视图在正视图的左侧时,表示是站在正视图中物体的左侧向右看;俯视图表示从上向下看到的正视图中的物体看图方向的正确至关重要,决定了装配方向的正确与否,由于详图绘制人员的个体差异,选择表达方式上会有所差异,需要在图面上相互印证,如有不一致处及时和制图人员沟通确认。
二、剖面符号和断面符号1.断面符号表示从符号处剖开看到的断面,不表示断面后方的其他东西;2.剖面符号表示从符号处剖开看到的断面及断面后方的其他东西;3.在钢构详图中,断面符号和剖面符号使用上有些随意,是因为功能上比较接近,着重表达的是看物体的方向。
看物的方向是从粗线朝文字的方向看。
粗线表示人的眼睛,文字表示看的朝向。
三、索引符号及节点符号1.不带剖视方向的索引字母a,如果节点详图不在本图中,就写对应的图纸编号,比如“详图-09”或“09”等。
有时也直接索引出来后直接放大,不用到节点符号,如下图:2.带剖视符号的索引与剖(断)面符号类似,看物的方向是从粗线朝细线的方向看。
粗线表示人的眼睛,细线表示看的朝向。
四、对称符号五、焊缝符号*1.焊缝基本符号(常用):表示焊缝横截面形状的符号2.辅助符号:表示焊缝表面形状特征的符号3.补充符号:补充说明焊缝的某些特征而采用的符号4.尾注:是对焊缝的要求进行备注,一般说明质量等级,适用范围、剖口工艺的具体编号等常用的坡口的形状和尺寸可以查看《建筑钢结构焊接技术规程》(JGJ81-2002),下表是根据规程及我司习惯绘制的坡口节点表,可供参考:5.焊缝尺寸的标注:说明:当无焊缝长度尺寸是表示焊缝是通长连续的;当对接焊缝(含角对接组合焊缝)无有效深度的尺寸标注时,表示全熔透。