湖北省建筑工程施工统一用表版版本完整版
- 格式:docx
- 大小:722.77 KB
- 文档页数:190
工程开工/复工报审表工程名称:编号:工程变更单工程名称:编号:工程开工报告施工组织设计(方案)报审表工程名称:编号:报验申请表工程名称:编号:工程材料/构配件/设备报审表工程名称:编号:监理工程师通知回复单工程名称:编号:工程竣工报验单工程名称:湖北省丹江铝业集团公司四期技改工程检修及电修车间厂房土建项目工程概况表表A1 编号:施工进度计划分析表A6 编号:项目大事记表A7 编号:施工日志表A8 编号:不合格项处置记录建设工程质量事故调(勘)查记录表A10-1 编号:建设工程质量事故报告书表A10-2 编号:工程技术文件报审表表B1 编号:技术交底记录表B2 编号:图纸会审记录设计交底记录设计变更、洽商记录工程定位测量记录表C1 编号:地基验槽记录表C2 编号:楼层放线记录表C3 编号:沉降观测记录表C4 编号:单位工程质量垂直度观测记录表表C5 编号:隐蔽工程检查记录表预检工程检查记录表表D1-2 编号:施工通用记录表表D1-3 编号:001中间检查交接记录表表D1-4 编号:地基处理记录表D2-1 编号:地基钎探记录表D2-2 编号:本表由施工单位填写,城建档案馆、建设单位、施工单位各保存一份。
桩基施工记录表D2-3 编号:混凝土施工记录表D2-4 编号:混凝土养护测温记录表表D2-5 编号:砂浆配合比申请单表D2-6 编号砂浆配合比通知单混凝土配合比申请单混凝土配合比通知混凝土开盘鉴定预应力筋张拉记录(I)预应力筋张拉记录(II)有粘结预应力结构灌浆记录建筑烟(风)道检查记录电梯承重梁、起重吊环埋设隐蔽工程检查记录电梯钢丝绳灌注隐蔽工程检查记录表D3-2 编号:自动扶梯、自动人行道安装调试记录表D3-3 编号:施工试验记录(通用)表E1 编号:超声波探伤报告表E2-1 编号:超声波探伤记录钢构件射线探伤报告混凝土试块强度统计、评定记录砌筑砂浆试块强度统计、评定记录防水工程试水检查记录。
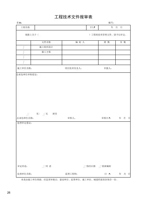
工程技术文件报审表
表B1 编号:
本表由施工单位填报,经监理审批后,建设单位、监理单位、施工单位、城建档案馆各保存一份。
技术交底记录
表B2 编号:
本表由施工单位填写,交底单位与接受交底单位、建设单位、施工单位、城建档案馆各保存一份。
设计交底记录
表B3-1 编号:
由施工单位整理、汇总,各参会单位会签,并经建设单位盖章,有关单位各保存一份。
图纸会审记录
表B3-2 编号:
由施工单位整理、汇总,各参会单位会签,并经各单位盖章,有关单位各保存一份。
设计变更通知单
表B3-3 编号:
本表由设计单位提出,建设单位、监理单位、施工单位、城建档案馆各保存一份。
工程洽商记录
表B3-4 编号:
本表由洽商提出方填写并注明原图纸号,有关单位会签并盖早各保存一份。
危急性较大分部分项工程施工方案专家论证表
表B4 编号:
注:本表一式四份,项目监理机构、建设单位、施工单位、城建档案管理机构各保存一份。
论证专家组组成规定详见建质[2024]8 7号文《危急性较大的分部分项工程平安管理方法》的相关规定要求。
工程概况表表A1 编号:本表由施工单位填写,建设单位、施工单位、城建档案馆各保存份。
建筑节能工程概况表表A1-1 编号:施工项目部管理人员名单表A2 编号:本表由施工单位填写,建设单位、监理单位、施工单位、城建档案馆各保存一份。
另附:企业法定代表人对项目经理的任命书和管理人员岗位证书。
特种作业人员名单表A3 编号:本表由施工单位填写,建设单位、施工单位、城建档案馆各保存一份。
另附:特种作业人员岗位证书。
施工现场质量管理检查记录表A4-1 开工日期:年月日砌体工程施工质量控制等级检查记录GB50203-2011表A4-2 编号:注:1.砂浆、混凝土强度离散性大小根据强度标准差确定;2.配筋砌体不得为C级施工。
工程开工报告表A5 编号:工程竣工报告表A6 编号:工程停工报告表A7 编号:×××工程复工报告表A8 编号:施工进度计划分析表A9 编号:本表由施工单位填报,建设单位、监理单位、施工单位、城建档案馆各保存一份。
项目大事记表A10 编号:本表由施工单位填写,建设单位、施工单位、城建档案馆各保存一份。
施工日志表A11 编号:本表由施工单位填写,建设单位、施工单位、城建档案馆各保存一份。
不合格项处置记录表A12 编号:建设工程质量事故调(勘)查记录表A13-1 编号:建设工程质量事故报告书表A13-2 编号:见证试验检测汇总表表A14 编号:本表由施工单位填写,建设单位、施工单位、城建档案馆各保存一份。
制表人:年月日表A15-1建设单位项目负责人工程质量终身责任承诺书工程名称:本人承诺在工程建设过程中和建筑物设计使用年限内,对工程质量承担全面责任。
在工程建设过程中认真履行下列职责:的构材9、督促勘察、设计、施工、监理等有关单位落实质量责任,对未实行监理的工程,组织建设单位相关人员履行监理单位职责。
10、法律法规及标准规范规定的其他质量责任。
本承诺书一式三份,一份在办理监督于续时提交质量监督机构,一份在建设工程竣工验收合格后与档案资料一并交城建档案管理部门存档,一份建设单位留存。
湖北省建筑工程施工统一用表(上册)A类工程管理资料1、工程概况表(表A1)2、工程开工报告(表A2)3、工程竣工报告(表A3)4、工程停工报告(表A4)5、工程复工报告(表A5)6、施工进度计划分析(表A6)7、项目大事记(表A7)8、施工日志(表A8)9、不合格项处置记录(表A9)10、工程质量事故报告(表A10)(1)建设工程质量事故调(勘)查记录(表A10-1)(2)建设工程质量事故报告书(表A10-2)B类工程技术资料1、工程技术文件报审表(表B1)2、技术交底记录(表B2)3、设计变更文件(表B3)(1)图纸会审记录(表B3-1)(2)设计交底记录(表B3-2)(3)设计变更、洽商记录(表B3-3)C类工程测量记录1、工程定位测量记录(表C1)2、地基验槽记录(表C2)3、楼层放线记录(表C3)4、沉降观测记录(表C4)5、单位工程垂直度观测记录(表C5)D类工程施工记录1、通用记录(表D1)(1)隐蔽工程检查记录表(表D1-1)(2)预检工程检查记录表(表D1-2)(3)施工通用记录表(表D1-3)(4)中间检查交接记录(表D1-4)2、土建专用施工记录(表D2)(1)地基处理记录(表D2-1)(2)地基钎探记录(表D2-2)(3)桩基施工记录(表D2-3)(4)混凝土施工记录(表D2-4)(5)混凝土养护测温记录表(表D2-5)(6)砂浆配合比申请单(表D2-6)(7)混凝土配合比申请单(表D2-7)(8)混凝土开盘鉴定(表D2-8)(9)预应力筋张拉记录(Ⅰ)(表D2-9)(10)预应力筋张拉记录(Ⅱ)(表D2-10)(11)有粘结预应力结构灌浆记录(表D2-11)(12)建筑烟(风)道检查记录(表D2-12)3、建筑安装专用施工记录(表D3)(1)电梯承重梁、起重吊环埋设隐蔽工程检查记录(表D3–1)(2)电梯钢丝绳头灌注隐蔽工程检查记录(表D3-2)(3)自动扶梯、自动人行道安装调试记录(表D3-3)E类工程试验检验记录1、施工试验记录(表E1)2、结构专用施工试验记录(表E2)(1)超声波探伤报告(表E2-1)(2)超声波探伤记录(表E2-2)(3)钢构件射线探伤报告(表E2-3)(4)砌筑砂浆试块强度统计、评定记录(表E2-4)(5)混凝土试块强度统计、评定记录(表E2-5)(6)防水工程试水检查记录(表E2-6)3、设备试运转记录(表E3)(1)设备单机试运转记录(表E3-1)(2)调试报告(表E3-2)4、电气专用施工试验记录(表E4)(1)电气接地电阻测试记录(表E4-1)(2)电气绝缘电阻测试记录(表E4-2)(3)电气器具通电安全检查记录(表E4-3)(4)电气照明、动力试运行记录(表E4-4)(5)综合布线测试记录(表E4-5)(6)光纤损耗测试记录(表E4-6)(7)视频系统末端测试记录(表E4-7)5、管道专用施工试验记录(表E5)(1)管道灌水试验记录(表E5-1)(2)管道强度严密性试验记录(表E5-2)(3)管道通水试验记录(表E5-3)(4)管道吹(冲)洗(脱脂)试验记录(表E5-4)(5)室内排水管道通球试验记录(表E5-5)(6)伸缩器安装记录表(表E5-6)6、通风空调专用施工试验记录(表E6)(1)现场组装除尘器、空调机漏风检测记录(表E6-1)(2)风管漏风检测记录(表E6-2)(3)各房间室内风量测量记录(表E6-3)(4)管网风量平衡记录(表E6-4)(5)通风系统试运行记录(表E6-5)(6)制冷系统气密性试验记录(表E6-6)7、电梯专用施工试验记录(表E7)(1)电梯主要功能检查试验记录表(表E7-1)(2)电梯电气安全装置检查试验记录(表E7-2)(3)电梯整机功能检验记录(表E7-3)(4)电梯层门安全装置检查试验记录表(表E7-4)(5)电梯负荷运行试验记录表(表E7-5)(6)轿厢平层准确度测量记录表(表E7-6)(7)电梯负荷运行试验曲线图(表E7-7)(8)电梯噪声测试记录表(表E7-8)(9)自动扶梯、自动人行道运行试验记录(表E7-9)F类工程物资资料G类施工验收资料施工验收通用用表1、分项工程质量验收记录(表G2)2、分部(子分部)工程质量验收记录(表G3)3、单位(子单位)工程质量竣工验收记录(表G4)4、单位(子单位)工程质量控制资料核查记录(表G5)5、单位(子单位)工程安全和功能检验资料核查及主要功能抽查记录(表G6)6、单位(子单位)工程观感质量检查记录(表G7)7、施工现场质量管理检查记录(表G8)8、工程检验批质量检查记录表(通用)(表G9)地基与基础工程质量验收用表9、地基基础工程各子分部工程与分项工程相关表10、地基基础工程验收资料11、土方开挖工程检验批质量验收记录表01010112、土方回填工程检验批质量验收记录表01010213、排桩墙支护工程检验批质量验收记录表(Ⅰ)01020114、排桩墙支护工程检验批质量验收记录表(Ⅱ)01020115、降水与排水工程检验批质量验收记录表01020216、地下连续墙工程检验批质量验收记录表(Ⅱ)01020317、锚杆及土钉墙支护工程检验批质量验收记录表01020418、加筋水泥土桩墙支护工程检验批质量验收记录表01020519、沉井与沉箱工程检验批质量验收记录表01020620、钢或混凝土支撑工程检验批质量验收记录表01020721、灰土地基工程检验批质量验收记录表01030122、砂或砂石地基检验批质量验收记录表01030223、土工合成材料地基工程检验批质量验收记录表01030324、粉煤灰地基工程检验批质量验收记录表01030425、强夯地基工程检验批质量验收记录表01030526、振冲地基工程检验批质量验收记录表01030627、砂桩地基工程检验批质量验收记录表01030728、预压地基工程检验批质量验收记录表01030829、高压喷射注浆地基工程检验批质量验收记录表01030930、土和灰土挤密桩复合地基检验批质量验收记录表01031031、注浆地基检验批质量验收记录表01031132、水泥粉煤灰碎石桩复合地基工程检验批质量验收记录表01031233、夯实水泥土桩复合地基工程检验批质量验收记录表01031334、水泥土搅拌桩地基工程检验批质量验收记录表01031435、静力压桩工程检验批质量验收记录表01040136、预应力管桩工程检验批质量验收记录表01040237、混凝土预制桩(钢筋骨架)工程检验批质量验收记录表(Ⅰ)01040338、混凝土预制桩工程检验批质量验收记录表(Ⅱ)01040339、钢桩(成品)工程检验批质量验收记录表(Ⅰ)01040440、钢桩施工检验批质量验收记录表(Ⅱ)01040441、混凝土灌注桩(钢筋笼)工程检验批质量验收记录表(Ⅰ)010203 01040542、混凝土灌注桩工程检验批质量验收记录表(Ⅱ)010405地下防水工程用表43、防水混凝土检验批质量验收记录表01050144、水泥砂浆防水层检验批质量验收记录表01050245、卷材防水层检验批质量验收记录表01050346、涂料防水层检验批质量验收记录表01050447、金属板防水层检验批质量验收记录表01050548、塑料板防水层检验批质量验收记录表01050649、细部构造检验批质量验收记录表01050750、锚喷支护防水检验批质量验收记录表01050851、复合式衬砌检验批质量验收记录表01050952、地下连续墙检验批质量验收记录表01051053、盾构法隧道检验批质量验收记录表01051154、渗排水、盲沟排水检验批质量验收记录表01051255、隧道、坑道排水检验批质量验收记录表01051356、预注浆、后注浆检验批质量验收记录表01051457、衬砌裂缝注浆检验批质量验收记录表010515主体结构质量验收用表58、主体结构各子分部工程与分项工程相关表59、主体结构验收资料混凝土工程质量验收用表60、模板安装工程检验批质量验收记录表(Ⅰ)010601 02010161、预制构件模板工程检验批质量验收记录表(Ⅱ)02010162、模板拆除工程检验批质量验收记录表(Ⅲ)010601 02010163、钢筋加工检验批质量验收记录表(Ⅰ)010602 02010264、钢筋安装工程检验批质量验收记录表(Ⅱ)010602 02010265、混凝土原材料及配合比设计检验批质量验收记录表(Ⅰ)010603 02010366、混凝土施工检验批质量验收记录表(Ⅱ)010603 02010367、预应力原材料检验批质量验收记录表(Ⅰ)02010468、预应力制作与安装检验批质量验收记录表(Ⅱ)02010469、预应力张拉、放张、灌浆及封锚检验批质量验收记录表(Ⅲ)02010470、现浇结构外观及尺寸偏差检验批质量验收记录表(Ⅰ)010603 02010571、混凝土设备基础外观及尺寸偏差检验批质量验收记录表(Ⅱ)010603 02010572、预制构件检验批质量验收记录表(Ⅰ)02010673、装配式结构施工检验批质量验收记录表(Ⅱ)02010674、混凝土结构子分部工程结构实体混凝土强度验收记录0201-175、混凝土结构子分部工程结构实体保护层厚度验收记录0201-2砌体工程质量验收用表76、砖砌体(混水)工程检验批质量验收记录表02030177、混凝土小型空心砌体工程检验批质量验收记录表02030278、石砌体工程检验批质量验收记录表02030379、填充墙砌体工程检验批质量验收记录表02030480、配筋砌体工程检验批质量验收记录表020305钢结构工程质量验收用表81、钢结构制作(安装)焊接工程检验批质量验收记录表(Ⅰ)010901 02040182、焊钉(栓钉)焊接工程检验批质量验收记录表(Ⅱ)010901 02040183、普通紧固件连接工程检验批质量验收记录表(Ⅰ)010902 02040284、高强度螺栓连接工程检验批质量验收记录表(Ⅱ)010902 02040285、钢结构零、部件加工工程检验批质量验收记录表(Ⅰ)02040386、钢网架制作工程检验批质量验收记录表(Ⅱ)02040387、单层钢构件安装工程检验批质量验收记录表02040488、多层及高层钢构件安装工程检验批质量验收记录表02040589、钢构件组装工程检验批质量验收记录表02040690、钢构件预拼装工程检验批质量验收记录表02040791、钢网架安装工程检验批质量验收记录表02040892、压型金属板工程检验批质量验收记录表02040993、防腐涂料涂装工程检验批质量验收记录表020905 02041094、防火涂料涂装工程检验批质量验收记录表010906 020411木结构工程质量验收用表95、木屋盖工程检验批质量验收记录表02050196、胶合木工工程检验批质量验收记录表02050297、轻型木结构(规格材、钉连接)工程检验批质量验收记录表02050398、木结构防腐、防虫、防火工程检验批质量验收记录表020504装饰装修工程质量验收用表99、装饰装修工程各子分部工程与分项工程相关表100、建筑装饰装修工程验收资料地面工程质量验收用表101、基土垫层检验批质量验收记录表(Ⅰ)030101102、灰土垫层检验批质量验收记录表(Ⅱ)030101103、砂、砂石垫层检验批质量验收记录表(Ⅲ)030101104、碎石、碎砖垫层检验批质量验收记录表(Ⅳ)030101105、三合土垫层检验批质量验收记录表(Ⅴ)030101106、炉渣垫层检验批质量验收记录表(Ⅵ)030101107、水泥混凝土垫层检验批质量验收记录表(Ⅶ)030101108、找平层检验批质量验收记录表(Ⅷ)030101109、隔离层检验批质量验收记录表(Ⅸ)030101110、填充层检验批质量验收记录表(Ⅹ)030101111、水泥混凝土面层检验批质量验收记录表030102112、水泥砂浆面层检验批质量验收记录表030103113、水磨石面层检验批质量验收记录表030104114、水泥钢(铁)屑面层检验批质量验收记录表030105115、防油渗面层检验批质量验收记录表030106116、不发火(防爆的)面层检验批质量验收记录表030107117、砖面层检验批质量验收记录表030108118、大理石、花岗岩面层检验批质量验收记录表030109119、预制板块面检验批质量验收记录表030110120、料石面层检验批质量验收记录表030111121、塑料板面层检验批质量验收记录表030112122、活动地板面层检验批质量验收记录表030113123、地毯面层检验批质量验收记录表030114124、实木地板面层检验批质量验收记录表030115125、实木复合地板面层检验批质量验收记录表030116126、中密度(强化)复合地板面层检验批质量验收记录表030117 127、竹地板面层检验批质量验收记录表030118装饰装修工程质量验收用表128、一般抹灰工程检验批质量验收记录表030201129、装饰抹灰工程检验批质量验收记录表030202130、清水砌体勾缝工程检验批质量验收记录表030203131、木门窗制作工程检验批质量验收记录表(Ⅰ)030301132、木门窗安装工程检验批质量验收记录表(Ⅱ)030301133、金属门窗安装工程检验批质量验收记录表(Ⅰ)030302 134、金属门窗安装工程检验批质量验收记录表(Ⅱ)030302 135、金属门窗安装工程检验批质量验收记录表(Ⅲ)030302 136、塑料门窗安装工程检验批质量验收记录表030303137、特种门安装工程检验批质量验收记录表030304138、门窗玻璃安装工程检验批质量验收记录表030305139、暗龙骨吊顶工程检验批质量验收记录表030401140、明龙骨吊顶工程检验批质量验收记录表030402141、板材隔墙工程检验批质量验收记录表030501142、骨架隔墙工程检验批质量验收记录表030502143、活动隔墙工程检验批质量验收记录表030503144、玻璃隔墙工程检验批质量验收记录表030504145、饰面板安装工程检验批质量验收记录表030601146、饰面砖粘贴工程检验批质量验收记录表030602147、玻璃幕墙工程检验批质量验收记录表(主控项目)(Ⅰ)030701148、玻璃幕墙工程检验批质量验收记录表(一般项目)(Ⅱ)030701149、金属幕墙工程检验批质量验收记录表(主控项目)(Ⅰ)030702150、金属幕墙工程检验批质量验收记录表(一般项目)(Ⅱ)030702151、石材幕墙工程检验批质量验收记录表(主控项目)(Ⅰ)030703152、石材幕墙工程检验批质量验收记录表(一般项目)(Ⅱ)030703153、水性涂料涂饰工程检验批质量验收记录表030801154、溶剂型涂料涂饰工程检验批质量验收记录表030802155、美术涂饰工程检验批质量验收记录表030803156、裱糊工程检验批质量验收记录表030901157、软包工程检验批质量验收记录表030902158、橱柜制作与安装工程检验批质量验收记录表031001159、窗帘盒、窗台板和散热器罩制作与安装工程检验批质量验收记录表031002 160、门窗套制作与安装工程检验批质量验收记录表031003161、护栏和扶手制作与安装工程检验批质量验收记录表031004162、花饰制作与安装工程检验批质量验收记录表031005屋面工程质量验收用表163、屋面工程各子分部工程与分项工程相关表164、屋面工程验收资料165、屋面保温层检验批质量验收记录表040101 040201166、屋面找平层检验批质量验收记录表040102 040202167、卷材防水层检验批质量验收记录表040103168、涂漠防水层检验批质量验收记录表040203169、细石混凝土防水层检验批质量验收记录表040301170、密封材料嵌缝检验批质量验收记录表040302171、平瓦屋面检验批质量验收记录表040401172、油毡瓦屋面检验批质量验收记录表040402173、金属板材屋面检验批质量验收记录表040403174、细部构造检验批质量验收记录表040104 040204 040303 040404175、架空屋面检验批质量验收记录表040501176、蓄水、种植屋面检验批质量验收记录表040502 040503湖北省建筑工程施工统一用表(下册)第一章:安装部分质量验收用表建筑给水排水与采暖工程质量验收用表1、室内给水管道及配件安装工程检验批质量验收记录表0501012、室内消火栓系统安装工程检验批质量验收记录表0501023、给水设备安装工程检验批质量验收记录表0501034、室内排水管道及配件安装工程检验批质量验收记录表0502015、雨水管道及配件安装工程检验批质量验收记录表0502026、室内热水管道及配件安装工程检验批质量验收记录表0503017、热水供应系统辅助设备安装工程检验批质量验收记录表0503028、卫生器具及给水配件安装工程检验批质量验收记录表0504019、卫生器具排水管道安装工程检验批质量验收记录表05040210、室内采暖管道及配件安装工程质量检验表05050111、室内采暖辅助设备及散热器及金属辐射板安装工程检验批质量验收记录表05050205050312、低温热水地板辐射采暖安装工程检验批质量验收记录表05050413、室外给水管道安装工程检验批质量验收记录表05060114、消防水泵结合器及消火栓安装工程检验批质量验收记录表05060215、管沟及井室检验批工程质量验收记录表05060316、室外排水管道安装工程检验批质量验收记录表05070117、室外排水管沟及井池工程检验批质量验收记录表05070218、室外供热管道及配件安装工程检验批质量验收记录表05080119、建筑中水系统及游泳池水系统安装工程检验批质量验收记录表050901 05090220、锅炉安装工程检验批质量验收记录表05100121、锅炉辅助设备安装工程检验批质量验收记录表(Ⅰ)05100222、工艺管道安装工程检验批质量验收记录表(Ⅱ)05100223、锅炉安全附件安装工程检验批质量验收记录表05100324、换热站安装工程检验批质量验收记录表051004建筑电气工程质量验收用表25、架空线路及杆上电气设备安装检验批质量验收记录表06010126、变压器、箱式变电所安装检验批质量验收记录表060102 06020127、成套配电柜、控制柜(屏、台)和动力、照明配电箱(盘)安装检验批质量验收记录表(Ⅰ)高压开关柜060103,060202,06060128、成套配电柜、控制柜(屏、台)和动力、照明配电箱(盘)安装检验批质量验收记录表(Ⅱ)低压开关柜(屏、台)06040129、成套配电柜、控制柜(屏、台)和动力、照明配电箱(盘)安装检验批质量验收记录表(Ⅲ)照明配电箱(盘)06050130、低压电动机、电加热器及电动执行机构检查接线检验批质量验收记录表06040231、柴油发电机组安装检验批质量验收记录表06060232、不间断电源安装检验批质量验收记录表06060333、低压电气动力设备试验和试运行检验批质量验收记录表06040334、裸母线、封闭母线、插接式母线安装检验批质量验收记录表060203 060301 06060435、电缆桥架安装和桥架内电缆敷设检验批质量验收记录表060302 06040436、电缆沟内和电缆竖井内电缆敷设检验批质量验收记录表060204 06030337、电线导管、电缆导管和线槽敷设检验批质量验收记录表(Ⅰ)室内060304 060405 060502 06060538、电线导管、电缆导管和线槽敷设检验批质量验收记录表(Ⅱ)室外06010439、电线、电缆穿管和线槽敷设检验批质量验收记录表060105 060305 060406 060503 06060640、槽板配线检验批质量验收记录表06050441、钢索配线检验批质量验收记录表06050542、电缆头制作、接线和线路绝缘测试检验批质量验收记录表060106 060205 060306 060407 060506 06060743、普通灯具安装检验批质量验收记录表06050744、专用灯具安装检验批质量验收记录表06050845、建筑物景观照明灯、航空障碍标志灯和庭院灯安装检验批质量验收记录表060107 06050946、开头、插座、风扇安装检验批质量验收记录表060408 06051048、建筑物照明通电试运行检验批质量验收记录表060108 06051149、接地装置安装检验批质量验收记录表060109 060206 060608 06070150、避雷引下线和变配电室接地干线敷设检验批质量验收记录表(Ⅰ)防雷引下线06070251、避雷引下线和变配电室接地干线敷设检验批质量验收记录表(Ⅱ)变配电室接地干线06020752、接闪器安装检验批质量验收记录表06070453、建筑物等电位联结检验批质量验收记录表060703通风与空调工程检验批质量验收记录表54、风管与配件制作检验批质量验收记录表(金属风管)(Ⅰ)080101 080201 080301 080401 08050155、风管与配件制作检验批质量验收记录表(非金属风管、复合材料风管)(Ⅱ)080101 080201 080301 080401 08050156、风管部件与消声器制作检验批质量验收记录表080105 080405 08050557、风管系统安装检验批质量验收记录表(送、排风,防排烟,除尘系统)(Ⅰ)080103080203 080303 080403 08050358、风管系统安装检验批质量验收记录表(空调系统)(Ⅱ)08040359、风管系统安装检验批质量验收记录表(净化空调系统)(Ⅲ)08050360、通风机安装检验批质量验收记录表080107 080207 080306 080407 08050761、通风与空调设备安装检验批质量验收记录表(通风系统)(Ⅰ)08030462、通风与空调设备安装检验批质量验收记录表(空调系统)(Ⅱ)08040463、通风与空调设备安装检验批质量验收记录表(净化空调系统)(Ⅲ)08050464、空调制冷系统安装检验批质量验收记录表08060165、空调水系统安装检验批质量验收记录表(金属风管)(Ⅰ)08070166、空调水系统安装检验批质量验收记录表(非金属风管)(Ⅱ)08070167、空调水系统安装检验批质量验收记录表(设备)(Ⅲ)08070168、工程系统调试验收记录表080100 080200 080300 080400 080500 080600 080700电梯工程质量验收用表69、电梯安装工程设备进场质量验收记录表090101 09020170、电梯安装土建交接质量验收记录表090102 09020271、电梯驱动主机安装工程质量验收记录表(曵引式或强制式)09010372、电梯导轨安装工程质量验收记录表090104 09020473、电力液压电梯门系统安装工程质量验收记录表090105 09020574、电梯轿厢及对重安装工程质量验收记录表090106 09020675、电梯安全部件安装工程质量验收记录表090107 09020776、电梯悬挂装置、随行电缆、补偿装置安装工程质量验收记录表09010877、电梯电气装置安装工程质量验收记录表090109 09020978、电梯整机安装工程质量验收记录表09011079、电梯液压系统安装工程质量验收记录表09020380、液压电梯悬挂装置、随行电缆质量验收记录表09020881、液压电梯整机安装质量验收记录表09021082、自动扶梯、自动人行道设备进场质量验收记录表09030183、自动扶梯、自动人行道土建交接检验质量验收记录表09030284、自动扶梯、自动人行道整机安装质量验收记录表090303第二章部分补充施工用表85、钻孔灌注桩终孔验收记录(表D2-3-1)86、钻孔灌注桩后注浆施工记录表(表D2-3-2)87、钻孔灌注桩施工记录汇总表(表D2-3-3)88、人工挖孔桩隐蔽工程记录(表D2-3-4)89、振动(锤击)沉管灌注桩施工记录(表D2-3-5)90、夯扩桩施工记录表(表D2-3-6)91、长螺旋成孔压灌桩施工记录表(表D2-3-7)92、钢材出厂合格证和试验报告核查要录(表F1)93、水泥合格证、试验报告核查要录(表F2)94、砼砂浆试件抗压强度试验报告核查要录(表F3)。
湖北省建筑工程施工统一用表施工项目安全管理内业资料湖北省建设工程质量安全监督总站二00七年四月目录施工项目安全管理内页资料统一用表 (1)A类安全管理体系 (1)1、工程概况表(表A1) (5)2、项目部安全管理组织结构图(表A2) (6)3、管理人员上岗登记表(表A3) (7)4、职业健康安全管理体系职能分配表(表A4) (8)5、环境管理体系职能分配表(表A5) (9)6、项目经理安全生产责任制考核记录(表A6) (10)7、项目工长安全生产责任制考核记录(表A7) (11)8、项目技术(员)负责人安全生产责任制考核记录(表A8) (12)9、项目安全员安全生产责任制考核记录(表A9) (13)10、项目质检员安全生产责任制考核记录(表A10) (14)11、项目保卫消防员安全生产责任制考核记录(表A11) (15)12、项目材料员安全生产责任制考核记录(表A12) (16)13、项目机械管理员安全生产责任制考核记录(表A13) (17)14、项目班组长安全生产责任制考核记录(表A14) (18)15、项目管理人员安全生产责任制考核汇总录(表A15) (19)16、特种作业人员登记表(表A16) (20)17、架子工登记表(表A17) (21)18、机械操作工登记表(表A18) (22)19、炊事人员登记表(表A19) (23)20、保健药物、器械登记表(表A20) (24)21、会议记录(表A21) (25)22、月份职业健康安全、文明施工计划(表A22) (26)23、工伤事故月报表(表A23) (27)24、职工因工伤亡事故调查报告书(表A24) (28)B类施工组织设计与安全交底 (29)1、安全技术措施方案会签审批表(表B1) (33)2、安全技术(专项)措施会签审批表(表B2) (34)3、危害辨识与风险评价结果一览表(表B3) (35)4、重大危害因素及其控制计划(表B4) (36)5、环境因素评价表(表B5) (37)6、重大环境因素清单(表B6) (38)7、施工现场应急响应小组成员记录。
湖北省建筑工程施工统一用表1工程施工文件分类工程施工文件分为工程施工过程文件、工程竣工验收文件和竣工图。
工程施工过程文件根据文件性质不同,将其划分为工程管理文件(A类)、工程技术文件(B类)、工程测量记录(C类)、工程施工记录(D类)、工程试验检验记录(E类)、工程物资文件(F类)、施工质量验收文件(G类)七类。
工程施工过程文件分类表一、工程管理文件A类1工程开工报告表A32工程竣工报告表A43工程停工报告表A54工程复工标告表A65施工进度计划分析表A76不合格项处置记录表A107建设工程质量事故调(勘)查记录表A11-18建设工程质量事故报告书表A11-2二、工程技术文件B类1、工程技术文件报审表表B12施工组织设计、施工方案3图纸会审记录表B3-14设计交底记录表B3-25设计变更、洽商记录表B3-36其他工程技术管理文件三、工程测量记录C类1地基验槽记录表C22沉降观测记录表C43建筑物垂直度、标高测量记录表C54其他工程测量记录三、工程物资文件F类1钢材出厂合格证、试验报告核查要录表F1-12钢筋机械连接、焊接接头检验报告核查要录表F1-23水泥合格证、试验报告核查要录表F24砖石(砌块)出厂合格证、试验报告核查要录表F35防水材料合格证、检验报告核查要录表F46其他材料、构件核查要录表F57砼、砂浆试件抗压强度试验报告核查要录表F7四、施工质量验收文件G类1地基与基础工程检验批质量验收记录表G12地基与基础分部、子分部、分项工程质量验收记录表G2、G33单位(子单位)工程质量竣工验收记录表G44单位(子单位)工程质量控制资料核查要录表G55单位(子单位)工程安全和功能检验资料核查及主要功能抽查记录表G66单位(子单位)工程观感质量检查记录表G77人民防空工程专业结构验收表防质档-18人民防空工程(防空地下室)试水验收表防质档-29主体分部、子分部、分项工程质量验收记录表G2、G310建筑装饰分部、子分部、分项工程质量验收记录表G2、G311屋面分部、子分部、分项工程质量验收记录表G2、G312建筑给排水、采暖分部、子分部、分项工程质量验收记录表G2、G313建筑电气分部、子分部、分项工程质量验收记录表G2、G314智能建筑分部、子分部、分项工程质量验收记录表G2、G315通风与空调分部、子分部、分项工程质量验收记录表G2、G316电梯分部、子分部、分项工程质量验收记录表G2、G317建筑节能工程分部、分项工程质量验收记录表G2、G318其他施工质量验收文件工程竣工验收文件分类表1竣工验收备案表、备案证▲2人民防空工程竣工验收表▲3人民防空工程竣工备案表▲4建设单位建筑工程竣工验收报告▲5施工单位工程施工自评报告▲⑴地基与基础分部工程施工自评报告▲⑵主体结构分部工程施工自评报告▲⑶建筑节能分部工程施工自评报告▲⑷其他分部工程施工自评报告▲⑸单位工程竣工自评报告▲6监理单位工程质量评估报告⑴地基与基础分部工程质量评估报告▲⑵主体结构分部工程质量评估报告▲⑶建筑节能分部工程质量评估报告▲⑷其他分部工程质量评估报告▲⑸单位工程竣工质量评估报告▲7勘察单位建筑工程质量评估报告(地基与基础部分)▲8设计单位建筑工程质量检查报告▲⑴地基与基础分部工程质量检查报告▲⑵主体结构分部工程质量检查报告▲⑶建筑节能分部工程质量检查报告▲⑷其他分部工程质量检查报告▲⑸单位工程竣工资料检查报告▲9建筑工程验收会议纪要⑴地基与基础分部工程验收会议纪要▲⑵主体结构分部工程验收会议纪要▲⑶建筑节能分部工程验收会议纪要▲⑷其他分部工程验收会议纪要▲⑸单位工程竣工验收会议纪要▲10建筑工程质量保修书、住宅质量保修书、住宅使用说明书▲武汉华胜工程建设科技有限公司 2011、5、1。
湖北省建设工程施工统一表。
项目开工/复工申请表项目名称:编号:致:(监理单位)我方承担的项目已完成以下任务,具备开工/复工条件。
我们特此申请施工。
请检查并签署开工/复工说明。
附件:1.开工报告2.对承包商项目经理每日审核的意见(章节)(支持文件):项目监理机构总监理工程师日常工作变更单项目名称:号码:致:(监理单位)由于种种原因,我们在此提出工程变更(内容见附件),请批准。
附件:就单位代理表的日常期限提出协议:施工单位代表:设计单位代表:项目监理机构:签名:签名:签名:日期、日期、工程开工报告、工程名称、施工单位、工程地点、施工单位、十堰移动通信公司、监理单位:根据合同约定,建设单位已从主管单位取得施工许可证。
开工前,我们已经完成了所有的准备工作。
我们计划于年月日开工,请批准。
完成批准申请的条件如下:□建设工程规划许可证工(复印件)□施工组织设计(包括主要管理人员和特殊工种的资格证书)□施工测量放线□项目负责人(签字),其施工现场的道路、水、电、通讯已达到开工条件:施工单位(章):年、月、日审批意见:批准结论:□同意□不同意总监理工程师(签字):年、月、日表A2数:本表由建设单位填写。
经编制单位批准后,建设单位、监理单位和施工单位应各保留一份施工组织设计(方案)并提交审批。
项目名称: 号码:致:-号码:致:(监理单位)我方承担的项目已完成以下任务,具备开工/复工条件。
我们特此申请施工。
请检查并签署开工/复工说明。
附件:1.开工报告2.对承包商项目经理每日审核的意见(章节)(支持文件):项目监理机构总监理工程师日常工作变更单项目名称:号码:致:(监理单位)由于种种原因,我们在此提出工程变更(内容见附件),请批准。
附件:对单位代理表的日常期限提出协议:施工单位代表:设计单位代表:项目监理机构:签名:签名:签名:日期、日期、工程开工报告、工程名称、施工单位、工程地点、施工单位、十堰移动通信公司、监理单位:根据合同约定,建设单位已从主管单位取得施工许可证。
湖北省建筑工程施工统一用表工程施工资料的分类当前工程项目施工资料一般按工程技术管理、工程质量保证、工程质量验收三大类进行收集和整理,根据资料的性质,可将其划分为以下七小类:A 类工程管理资料1、工程概况表2、工程开工报告3、工程竣工报告4、工程停工报告5、工程复工报告6、施工进度计划分析7、项目大事记8、施工日志9、不合格项处置记录10、施工总结B类工程技术资料1、工程技术文件报审表2、技术管理资料3、设计变更文件C类工程测量记录1、工程定位测量记录2、地基验槽记录3、楼层放线记录4、沉降观测记录5、建筑物垂直度观测记录D类工程施工记录1、通用记录2、土建专用施工记录3、建筑安装专用施工记录E类工程试验检验记录1、施工试验记录(通用)2、结构专用施工试验记录3、设备试运转记录4、电气专用施工试验记录5、管道专用施工试验记录6、通风空调专用施工试验记录7、电梯专用施工试验记录F类工程物质资料施工物质资料统一用表(表F)见现行湖北省建筑工程材料(构件)检验(试验、检测)报告用表。
G类施工验收资料1、工程检验批质量验收记录2、分项工程质量验收记录3、分部(子分部)工程质量验收记录4、单位(子单位)工程质量竣工验收记录5、单位(子单位)工程质量控制资料核查记录6、单位(子单位)工程安全和功能检验资料核查及主要功能抽查记录7、单位(子单位)工程观感质量检查记录8、施工现场质量管理检查记录9、工程检验批质量检查记录表(通用)工程概况表表A1 编号:附:建筑总平面图、建筑立面图、建筑剖面图本表由施工单位填写,城建档案馆和施工单位各保存一份。
表A2 编号:本表由施工单位填报,经监理单位审批后,建设单位、监理单位、施工单位各存一份。
表A3 编号:本表由施工单位填报,经监理单位审批后,建设单位、监理单位、施工单位各存一份。
表A4 编号:本表由施工单位填报,经监理单位审批后,建设单位、监理单位、施工单位各存一份。
表A5 编号:本表由施工单位填报,经监理单位审批后,建设单位、监理单位、施工单位各存一份。
附录G(规范性附录)湖北省建筑工程施工文件统一用表目次A类工程管理文件 (118)B类工程技术文件 (131)C类工程测量记录 (137)D类工程施工记录 (143)E类工程试验检验记录 (188)F类工程物资文件 (266)G类施工质量验收文件 ·········································································(中、下册)工程竣工验收文件 ···············································································(下册)A类工程管理文件1、工程概况表(表A1) (119)2、施工现场质量管理检查记录(表A2) (120)3、工程开工报告(表A3) (121)4、工程竣工报告(表A4) (122)5、工程停工报告(表A5) (123)6、工程复工报告(表A6) (124)7、施工进度计划分析(表A7) (125)8、项目大事记(表A8) (126)9、施工日志(表A9) (127)10、不合格项处置记录(表A10) (128)11、建设工程质量事故调(勘)查记录(表A11-1) (129)12、建设工程质量事故报告书(表A11-2) (130)·118·工程概况表表A1编号:附:本表由施工单位填写,建设单位、施工单位、城建档案馆各保存一份。
湖北省建筑工程施工统一用表版本集团标准化办公室:[VV986T-J682P28-JP266L8-68PNN]预应力灌浆与封锚检验批质量验收记录GB50204-2015现浇结构外观质量、位置和尺寸偏差检验批质量验收记录GB50204-20150102020901020309混凝土设备基础外观质量、位置和尺寸偏差检验批质量验收记录GB50204-20150102021001020310装配式结构预制构件检验批质量验收记录GB50204-2015装配式结构预制构件检验批质量验收记录GB50204-2015装配式结构安装与连接检验批质量验收记录GB50204-2015砖砌体检验批质量验收记录GB50203-2011010201010102021101020311混凝土小型空心砌块砌体检验批质量验收记录GB50203-2011010201020102021201020312石砌体检验批质量验收记录GB50203-201101020103 01020213 01020313配筋砌体检验批质量验收记录GB50203-201101020104 01020214 01020314填充墙砌体检验批质量验收记录GB50203-201101020215 01020315钢结构焊接检验批质量验收记录01020401焊钉(栓钉)焊接工程检验批质量验收记录GB50205-200101020402紧固件连接检验批质量验收记录01020403高强度螺栓连接检验批质量验收记录GB50205-200101020404钢零部件加工检验批质量验收记录01020405 GB50205-2001钢构件组装检验批质量验收记录01020406 02030401钢构件预拼装检验批质量验收记录01020407单层钢结构安装检验批质量验收记录GB50205-200101020408多层及高层钢结构安装检验批质量验收记录GB50205-200101020409压型金属板检验批质量验收记录GB50205-200101020410 02030901防腐涂料涂装检验批质量验收记录01020411防火涂料涂装检验批质量验收记录GB50205-200101020412 02031101GB50628-201001020501GB50628-201001020502钢管构件现场拼装检验批质量验收记录01020502钢管混凝土柱柱脚锚固检验批质量验收记录GB50628-201001020503钢管混凝土构件安装检验批质量验收记录GB50628-201001020504钢管混凝土柱与钢筋混凝土梁连接检验批质量验收记录GB50628-20100102050502040301GB50628-201001020506GB50628-201001020507焊接材料检验批质量验收记录02060101 GB50576-2010铝合金构件焊接检验批质量验收记录GB50576-2010铝合金构件焊接检验批质量验收记录02060102标准紧固件检验批质量验收记录02060201 GB50576-2010普通紧固件连接检验批质量验收记录GB50576-2010高强度螺栓连接检验批质量验收记录GB50576-2010铝合金材料检验批质量验收记录02060301GB50576-2010GB50576-2010球、载加工检验批质量验收记录GB50576-2010铝合金零部件制孔检验批质量验收记录GB50576-2010铝合金零部件槽、豁、幢加工检验批质量验收记录GB50576-2010螺栓球检验批质量验收记录02060401铝合金构件组装检验批质量验收记录GB50576-2010铝合金构件端部就平及安装焊缝坡口检验批质量验收记录GB50576-2010铝合金构件预拼装检验批质量验收记录GB50576-2010。
湖北省建筑工程施工统一用表工程施工资料的分类当前工程项目施工资料一般按工程技术管理、工程质量保证、工程质量验收三大类进行收集和整理,根据资料的性质,可将其划分为以下七小类:A 类工程管理资料1、工程概况表2、工程开工报告3、工程竣工报告4、工程停工报告5、工程复工报告6、施工进度计划分析7、项目大事记8、施工日志9、不合格项处置记录10、施工总结B类工程技术资料1、工程技术文件报审表2、技术管理资料3、设计变更文件C类工程测量记录1、工程定位测量记录2、地基验槽记录3、楼层放线记录4、沉降观测记录5、建筑物垂直度观测记录D类工程施工记录1、通用记录2、土建专用施工记录3、建筑安装专用施工记录E类工程试验检验记录1、施工试验记录(通用)2、结构专用施工试验记录3、设备试运转记录4、电气专用施工试验记录5、管道专用施工试验记录6、通风空调专用施工试验记录7、电梯专用施工试验记录F类工程物质资料施工物质资料统一用表(表F)见现行湖北省建筑工程材料(构件)检验(试验、检测)报告用表。
G类施工验收资料1、工程检验批质量验收记录2、分项工程质量验收记录3、分部(子分部)工程质量验收记录4、单位(子单位)工程质量竣工验收记录5、单位(子单位)工程质量控制资料核查记录6、单位(子单位)工程安全和功能检验资料核查及主要功能抽查记录7、单位(子单位)工程观感质量检查记录8、施工现场质量管理检查记录9、工程检验批质量检查记录表(通用)工程概况表表A1 编号:附:建筑总平面图、建筑立面图、建筑剖面图本表由施工单位填写,城建档案馆和施工单位各保存一份。
表A2 编号:本表由施工单位填报,经监理单位审批后,建设单位、监理单位、施工单位各存一份。
表A3 编号:本表由施工单位填报,经监理单位审批后,建设单位、监理单位、施工单位各存一份。
表A4 编号:本表由施工单位填报,经监理单位审批后,建设单位、监理单位、施工单位各存一份。
表A5 编号:本表由施工单位填报,经监理单位审批后,建设单位、监理单位、施工单位各存一份。
工程开工/复工报审表工程名称:编号:工程变更单工程名称:编号:工程开工报告施工组织设计(方案)报审表工程名称:编号:报验申请表工程名称:编号:工程材料/构配件/设备报审表工程名称:编号:监理工程师通知回复单工程名称:编号:工程竣工报验单工程名称:湖北省丹江铝业集团公司四期技改工程检修及电修车间厂房土建项目工程概况表表A1 编号:施工进度计划分析表A6 编号:项目大事记表A7 编号:施工日志表A8 编号:不合格项处置记录建设工程质量事故调(勘)查记录表A10-1 编号:建设工程质量事故报告书表A10-2 编号:工程技术文件报审表表B1 编号:技术交底记录表B2 编号:表B3-1 编号:设计变更、洽商记录表B3-3 编号:0001工程定位测量记录表C1 编号:地基验槽记录表C2 编号:楼层放线记录表C3 编号:沉降观测记录表C4 编号:单位工程质量垂直度观测记录表表C5 编号:表D1-2 编号:施工通用记录表中间检查交接记录表表D1-4 编号:地基处理记录表D2-1 编号:地基钎探记录表D2-2 编号:本表由施工单位填写,城建档案馆、建设单位、施工单位各保存一份。
桩基施工记录表D2-3 编号:表D2-4 编号:表D2-5 编号:砂浆配合比申请单砂浆配合比通知单混凝土配合比申请单混凝土配合比通知混凝土开盘鉴定(I)(II)有粘结预应力结构灌浆记录表D2-11 编号:建筑烟(风)道检查记录电梯承重梁、起重吊环埋设隐蔽工程检查记录电梯钢丝绳灌注隐蔽工程检查记录表D3-2 编号:自动扶梯、自动人行道安装调试记录表D3-3 编号:施工试验记录(通用)超声波探伤报告表E2-1 编号:超声波探伤记录钢构件射线探伤报告表E2-3 编号:混凝土试块强度统计、评定记录砌筑砂浆试块强度统计、评定记录。
湖北省建筑工程施工统一用表工程施工资料的分类当前工程项目施工资料一般按工程技术管理、工程质量保证、工程质量验收三大类进行收集和整理,根据资料的性质,可将其划分为以下七小类:A 类工程管理资料1、工程概况表2、工程开工报告3、工程竣工报告4、工程停工报告5、工程复工报告6、施工进度计划分析7、项目大事记8、施工日志9、不合格项处置记录10、施工总结B类工程技术资料1、工程技术文件报审表2、技术管理资料3、设计变更文件C类工程测量记录1、工程定位测量记录2、地基验槽记录3、楼层放线记录4、沉降观测记录5、建筑物垂直度观测记录D类工程施工记录1、通用记录2、土建专用施工记录3、建筑安装专用施工记录E类工程试验检验记录1、施工试验记录(通用)2、结构专用施工试验记录3、设备试运转记录4、电气专用施工试验记录5、管道专用施工试验记录6、通风空调专用施工试验记录7、电梯专用施工试验记录F类工程物质资料施工物质资料统一用表(表F)见现行湖北省建筑工程材料(构件)检验(试验、检测)报告用表。
G类施工验收资料1、工程检验批质量验收记录2、分项工程质量验收记录3、分部(子分部)工程质量验收记录4、单位(子单位)工程质量竣工验收记录5、单位(子单位)工程质量控制资料核查记录6、单位(子单位)工程安全和功能检验资料核查及主要功能抽查记录7、单位(子单位)工程观感质量检查记录8、施工现场质量管理检查记录9、工程检验批质量检查记录表(通用)工程概况表表A1 编号:工程名建设单设计单建设用建设地监理单总建筑面施工单开工日竣工单基础类结构类建筑檐地下室面地上面人防等抗震等扶梯自动人行载客(货)电地基与基柱、内外梁板楼外墙装楼地面装屋面防内墙装防火装建设给排水、采暖、气安装及智能建筑统简要描它附:建筑总平面图、建筑立面图、建筑剖面图本表由施工单位填写,城建档案馆和施工单位各保存一份。
.工程开工报告表A2 编号:施工单工程名工程地建设单监理单位根据合同的约定,建设单位已取得主管单位审批建设许可证,我方已完成了开工前的各项备工作,计划日开工,请审批已完成报审的条件有建设工程规划许可证(复印件施工组织设计(含主要管理人员和特殊工种资格证明施工测量放主要人员、材料、设备进施工现场道路、水、电、通讯等已达到开工条项目负责人(签字施工单位(章审批意见审批结论同不同总监理工程师(签字年月日本表由施工单位填报,经监理单位审批后,建设单位、监理单位、施工单位各存一份。
湖北省建筑工程施工统一用表精编版MQS system office room 【MQS16H-TTMS2A-MQSS8Q8-MQSH16898】湖北省建筑工程施工统一用表工程施工资料的分类当前工程项目施工资料一般按工程技术管理、工程质量保证、工程质量验收三大类进行收集和整理,根据资料的性质,可将其划分为以下七小类:A 类工程管理资料1、工程概况表2、工程开工报告3、工程竣工报告4、工程停工报告5、工程复工报告6、施工进度计划分析7、项目大事记8、施工日志9、不合格项处置记录10、施工总结B类工程技术资料1、工程技术文件报审表2、技术管理资料3、设计变更文件C类工程测量记录1、工程定位测量记录2、地基验槽记录3、楼层放线记录4、沉降观测记录5、建筑物垂直度观测记录D类工程施工记录1、通用记录2、土建专用施工记录3、建筑安装专用施工记录E类工程试验检验记录1、施工试验记录(通用)2、结构专用施工试验记录3、设备试运转记录4、电气专用施工试验记录5、管道专用施工试验记录6、通风空调专用施工试验记录7、电梯专用施工试验记录F类工程物质资料施工物质资料统一用表(表F)见现行湖北省建筑工程材料(构件)检验(试验、检测)报告用表。
G类施工验收资料1、工程检验批质量验收记录2、分项工程质量验收记录3、分部(子分部)工程质量验收记录4、单位(子单位)工程质量竣工验收记录5、单位(子单位)工程质量控制资料核查记录6、单位(子单位)工程安全和功能检验资料核查及主要功能抽查记录7、单位(子单位)工程观感质量检查记录8、施工现场质量管理检查记录9、工程检验批质量检查记录表(通用)工程概况表表A1 编号:附:建筑总平面图、建筑立面图、建筑剖面图本表由施工单位填写,城建档案馆和施工单位各保存一份。
表A2 编号:本表由施工单位填报,经监理单位审批后,建设单位、监理单位、施工单位各存一份。
表A3 编号:本表由施工单位填报,经监理单位审批后,建设单位、监理单位、施工单位各存一份。
工程概况表本表由施工单位填写,建设单位、施工单位、城建档案馆各保存份。
建筑节能工程概况表建档案馆各保存一份。
施工项目部管理人员名单另附:企业法定代表人对项目经理的任命书和管理人员岗位证书。
特种作业人员名单表A3本表由施工单位填写,建设单位、施工单位、城建档案馆各保存一份。
另附:特种作业人员岗位证书。
施工现场质量管理检查记录砌体工程施工质量控制等级检查记录GB50203-20112.配筋砌体不得为C级施工。
工程开工报告本表由施工单位填报,经监理单位审批后,建设单位、监理单位、施工单位、城建档案馆各保存一份。
工程竣工报告表A6本表由施工单位填报,经监理单位审批后,建设单位、监理单位、施工单位、城建档案馆各存一份。
工程停工报告本表由施工单位填报,经监理单位审批后,建设单位、监理单位、施工单位、城建档案馆各保存一份。
工程复工报告表A8本表由施工单位填报,经监理单位审批后,建设单位、监理单位、施工单位、城建档案馆各存一份。
施工进度计划分析本表由施工单位填报,建设单位、监理单位、施工单位、城建档案馆各保存一份。
项目大事记表本表由施工单位填写,建设单位、施工单位、城建档案馆各保存一份。
施工日志不合格项处置记录表城建档案馆各保存一份建设工程质量事故调(勘)查记录建设工程质量事故报告书表本表由报告人填写,有关单位各保存一份。
见证试验检测汇总表本表由施工单位填写,建设单位、施工单位、城建档案馆各保存一份。
制表人:年月日表A15-1工程名称:建设单位项目负责人工程质量终身责任承诺书本人承诺在工程建设过程中和建筑物设计使用年限内,对工程质量承担全面责任。
在工程建设过程中认真履行下列职责:1、严格遵守相关法律法规和规范标准,认真履行建设工程合同所规定的责任和义务。
2、将工程发包给具有相应资质等级的施工、监理、勘察、设计、检测和施工图审查等单位,不将建设工程肢解发包。
对按规定必须招标的严格依法依规进行招标,不迫使承包方以低于成本价竞标,不任意压缩合理工期。
预应力灌浆与封锚检验批质量验收记录GB50204-2015现浇结构外观质量、位置和尺寸偏差检验批质量验收记录GB50204-20150102020901020309混凝土设备基础外观质量、位置和尺寸偏差检验批质量验收记录GB50204-20150102021001020310装配式结构预制构件检验批质量验收记录GB50204-2015装配式结构预制构件检验批质量验收记录GB50204-2015装配式结构安装与连接检验批质量验收记录GB50204-2015砖砌体检验批质量验收记录GB50203-2011 010201010102021101020311混凝土小型空心砌块砌体检验批质量验收记录GB50203-2011010201020102021201020312石砌体检验批质量验收记录GB50203-2011 01020103 01020213 01020313配筋砌体检验批质量验收记录GB50203-2011 01020104 01020214 01020314填充墙砌体检验批质量验收记录GB50203-2011 01020215 01020315钢结构焊接检验批质量验收记录01020401焊钉(栓钉)焊接工程检验批质量验收记录GB50205-200101020402紧固件连接检验批质量验收记录01020403高强度螺栓连接检验批质量验收记录GB50205-200101020404钢零部件加工检验批质量验收记录01020405 GB50205-2001钢构件组装检验批质量验收记录01020406 02030401钢构件预拼装检验批质量验收记录01020407单层钢结构安装检验批质量验收记录GB50205-200101020408多层及高层钢结构安装检验批质量验收记录GB50205-200101020409压型金属板检验批质量验收记录GB50205-2001 01020410 02030901防腐涂料涂装检验批质量验收记录01020411防火涂料涂装检验批质量验收记录GB50205-2001 01020412 02031101钢管构件进场验收检验m质量验收记录GB50628-201001020501钢管构件现场拼装检验批质量验收记录GB50628-201001020502钢管构件现场拼装检验批质量验收记录01020502钢管混凝土柱柱脚锚固检验批质量验收记录GB50628-201001020503钢管混凝土构件安装检验批质量验收记录GB50628-201001020504钢管混凝土柱与钢筋混凝土梁连接检验批质量验收记录GB50628-20100102050502040301GB50628-201001020506GB50628-201001020507焊接材料检验批质量验收记录02060101 GB50576-2010铝合金构件焊接检验批质量验收记录GB50576-2010铝合金构件焊接检验批质量验收记录02060102标准紧固件检验批质量验收记录02060201 GB50576-2010普通紧固件连接检验批质量验收记录GB50576-2010高强度螺栓连接检验批质量验收记录GB50576-2010铝合金材料检验批质量验收记录02060301GB50576-2010GB50576-2010球、载加工检验批质量验收记录GB50576-2010铝合金零部件制孔检验批质量验收记录GB50576-2010铝合金零部件槽、豁、幢加工检验批质量验收记录GB50576-2010螺栓球检验批质量验收记录02060401铝合金构件组装检验批质量验收记录GB50576-2010铝合金构件端部就平及安装焊缝坡口检验批质量验收记录GB50576-2010。
湖北省建筑工程施工统
一用表版版本
HUA system office room 【HUA16H-TTMS2A-HUAS8Q8-HUAH1688】
预应力灌浆与封锚检验批质量验收记录
GB50204-2015
现浇结构外观质量、位置和尺寸偏差检验批质量验收记录
GB50204-2015
01020209
01020309
混凝土设备基础外观质量、位置和尺寸偏差检验批质量验收记录
GB50204-2015
01020210
01020310
装配式结构预制构件检验批质量验收记录
GB50204-2015
装配式结构预制构件检验批质量验收记录
GB50204-2015
装配式结构安装与连接检验批质量验收记录
GB50204-2015
砖砌体检验批质量验收记录
GB50203-2011 01020101
01020211
01020311
混凝土小型空心砌块砌体检验批质量验收记录
GB50203-2011
01020102
01020212
01020312
石砌体检验批质量验收记录
GB50203-2011 01020103 01020213 01020313
配筋砌体检验批质量验收记录
GB50203-2011 01020104 01020214 01020314
填充墙砌体检验批质量验收记录
GB50203-2011 01020215 01020315
钢结构焊接检验批质量验收记录
01020401
焊钉(栓钉)焊接工程检验批质量验收记录
GB50205-2001
01020402
紧固件连接检验批质量验收记录
01020403
高强度螺栓连接检验批质量验收记录
GB50205-200101020404
钢零部件加工检验批质量验收记录
01020405 GB50205-2001
钢构件组装检验批质量验收记录
01020406 02030401
钢构件预拼装检验批质量验收记录
01020407
单层钢结构安装检验批质量验收记录
GB50205-2001
01020408
多层及高层钢结构安装检验批质量验收记录
GB50205-2001
01020409
压型金属板检验批质量验收记录
GB50205-2001 01020410 02030901
防腐涂料涂装检验批质量验收记录
01020411
防火涂料涂装检验批质量验收记录
GB50205-2001 01020412 02031101
钢管构件进场验收检验m质量验收记录
GB50628-2010
01020501
钢管构件现场拼装检验批质量验收记录
GB50628-2010
01020502
钢管构件现场拼装检验批质量验收记录
01020502
钢管混凝土柱柱脚锚固检验批质量验收记录
GB50628-2010
01020503
钢管混凝土构件安装检验批质量验收记录
GB50628-2010
01020504
钢管混凝土柱与钢筋混凝土梁连接检验批质量验收记录
GB50628-2010
01020505
02040301
GB50628-2010
01020506
GB50628-2010
01020507
焊接材料检验批质量验收记录
02060101 GB50576-2010
铝合金构件焊接检验批质量验收记录
GB50576-2010
铝合金构件焊接检验批质量验收记录
02060102
标准紧固件检验批质量验收记录
02060201 GB50576-2010
普通紧固件连接检验批质量验收记录
GB50576-2010
高强度螺栓连接检验批质量验收记录
GB50576-2010
铝合金材料检验批质量验收记录
02060301
GB50576-2010
GB50576-2010
球、载加工检验批质量验收记录
GB50576-2010
铝合金零部件制孔检验批质量验收记录
GB50576-2010
铝合金零部件槽、豁、幢加工检验批质量验收记录
GB50576-2010
螺栓球检验批质量验收记录
02060401
铝合金构件组装检验批质量验收记录
GB50576-2010
铝合金构件端部就平及安装焊缝坡口检验批质量验收记录
GB50576-2010。