@湖北省建筑工程施工统一用表(2016年版)B
- 格式:doc
- 大小:34.17 KB
- 文档页数:7
湖北省建筑工程施工统一用表(2016年版)宣贯----A-F类验收资料工程竣工验收资料工程档案管理资料本次表格的修改是基于原2009年版《湖北省建筑工程施工统一用表》,再根据新规范、标准的要求和这几年湖北省在参加全国鲁班奖验收时,各验收组的专家对湖北省地区的工程资料提出的建议,做了部分修改和增加。
1修改说明2修改依据3主要修改内容及解析4一、修改说明随着《建筑工程施工质量验收统一标准》GB50300-2001修编为GB50300-2013,相配套的工程质量验收规范也陆续进行了修编,为了适应新标准的要求,对湖北省建筑工程施工统一用表(2009年版)进行了修改完善。
完善后为湖北省建筑工程施工统一用表(2016年版),其组成部分为A工程管理资料、 B工程技术资料、 C工程测量记录、 D工程施工记录、 E工程试验检验记录、 F工程物质资料、G施工质量验收资料、工程竣工验收资料、工程档案管理资料。
二、修改依据原类别名称现类别名称A工程管理文件A工程管理资料B工程技术文件B工程技术资料C工程测量记录C工程测量记录D工程施工记录D工程施工记录E工程试验检验记录E工程试验检验记录F工程物资文件F工程物资资料G施工质量验收文件G施工质量验收资料1.根据《建筑工程资料管理规程》JGJ/T185-2009、《建筑工程施工质量验收统一标准》GB50300-2013,将“文件”改为“资料”。
2.原湖北省地方标准《建筑节能工程施工文件管理规范》中节能资料融入到新的湖北省建筑工程施工统一用表中。
1.《建筑工程施工质量验收统一标准》GB50300-20132. 相配套的各工程施工质量验收规范3.自动喷水灭火系统施工及验收规范(GB50261-2005)4. 混凝土强度检验评定标准(GB/T50107-2010)5.建筑工程资料管理规程JGJ/185-20096.建筑节能工程施工文件管理规范DB42/T642-20107.建筑工程检测试验技术管理规范JGJ190-20108.建设工程文件归档整理规范GB/T50328-20149.湖北省建筑工程施工统一用表(2009年版)10.湖北施工用表已实行多年,结合与实际工程的应用所反映出的问题(表格修改、增加等)11.湖北省检测中心现行检测用表三、主要修改内容及解析A 工程管理资料表A1 工程概况表表A1-1建筑节能工程概况表表A2 施工项目部管理人员名单表A3 特种作业人员名单表A4-1 施工现场质量管理检查记录表A4-2 砌体施工质量控制等级检查记录表A5 工程开工报告表A6 工程竣工报告表A7 工程停工报告表A8 工程复工报告表A9 施工进度计划分析表A10 项目大事记表A11 施工日志表A12 不合格项处置记录表A13-1 建设工程质量事故调(勘)查记录表A13-2 建设工程质量事故报告书表A14 见证试验检测汇总表表A15-1 建设单位项目负责人工程质量终身责任承诺书表A15-2 监理单位项目负责人工程质量终身责任承诺书表A15-3 施工单位项目负责人工程质量终身责任承诺书表A15-4 勘察单位项目负责人工程质量终身责任承诺书表A15-5 设计单位项目负责人工程质量终身责任承诺书表A15-6 工程质量终身责任信息表表A16 法定代表人授权书表A17 工程竣工永久性质量责任标牌工程管理资料—表A1 工程概况表1.增加勘察单位一栏工程名称要填写全称,与施工许可证、施工图纸中工程名称应一致。
湖北省建筑工程施工统一用表(上册)A类工程管理资料1、工程概况表(表A1)2、工程开工报告(表A2)3、工程竣工报告(表A3)4、工程停工报告(表A4)5、工程复工报告(表A5)6、施工进度计划分析(表A6)7、项目大事记(表A7)8、施工日志(表A8)9、不合格项处置记录(表A9)10、工程质量事故报告(表A10)(1)建设工程质量事故调(勘)查记录(表A10-1)(2)建设工程质量事故报告书(表A10-2)B类工程技术资料1、工程技术文件报审表(表B1)2、技术交底记录(表B2)3、设计变更文件(表B3)(1)图纸会审记录(表B3-1)(2)设计交底记录(表B3-2)(3)设计变更、洽商记录(表B3-3)C类工程测量记录1、工程定位测量记录(表C1)2、地基验槽记录(表C2)3、楼层放线记录(表C3)4、沉降观测记录(表C4)5、单位工程垂直度观测记录(表C5)D类工程施工记录1、通用记录(表D1)(1)隐蔽工程检查记录表(表D1-1)(2)预检工程检查记录表(表D1-2)(3)施工通用记录表(表D1-3)(4)中间检查交接记录(表D1-4)2、土建专用施工记录(表D2)(1)地基处理记录(表D2-1)(2)地基钎探记录(表D2-2)(3)桩基施工记录(表D2-3)(4)混凝土施工记录(表D2-4)(5)混凝土养护测温记录表(表D2-5)(6)砂浆配合比申请单(表D2-6)(7)混凝土配合比申请单(表D2-7)(8)混凝土开盘鉴定(表D2-8)(9)预应力筋张拉记录(Ⅰ)(表D2-9)(10)预应力筋张拉记录(Ⅱ)(表D2-10)(11)有粘结预应力结构灌浆记录(表D2-11)(12)建筑烟(风)道检查记录(表D2-12)3、建筑安装专用施工记录(表D3)(1)电梯承重梁、起重吊环埋设隐蔽工程检查记录(表D3–1)(2)电梯钢丝绳头灌注隐蔽工程检查记录(表D3-2)(3)自动扶梯、自动人行道安装调试记录(表D3-3)E类工程试验检验记录1、施工试验记录(表E1)2、结构专用施工试验记录(表E2)(1)超声波探伤报告(表E2-1)(2)超声波探伤记录(表E2-2)(3)钢构件射线探伤报告(表E2-3)(4)砌筑砂浆试块强度统计、评定记录(表E2-4)(5)混凝土试块强度统计、评定记录(表E2-5)(6)防水工程试水检查记录(表E2-6)3、设备试运转记录(表E3)(1)设备单机试运转记录(表E3-1)(2)调试报告(表E3-2)4、电气专用施工试验记录(表E4)(1)电气接地电阻测试记录(表E4-1)(2)电气绝缘电阻测试记录(表E4-2)(3)电气器具通电安全检查记录(表E4-3)(4)电气照明、动力试运行记录(表E4-4)(5)综合布线测试记录(表E4-5)(6)光纤损耗测试记录(表E4-6)(7)视频系统末端测试记录(表E4-7)5、管道专用施工试验记录(表E5)(1)管道灌水试验记录(表E5-1)(2)管道强度严密性试验记录(表E5-2)(3)管道通水试验记录(表E5-3)(4)管道吹(冲)洗(脱脂)试验记录(表E5-4)(5)室内排水管道通球试验记录(表E5-5)(6)伸缩器安装记录表(表E5-6)6、通风空调专用施工试验记录(表E6)(1)现场组装除尘器、空调机漏风检测记录(表E6-1)(2)风管漏风检测记录(表E6-2)(3)各房间室内风量测量记录(表E6-3)(4)管网风量平衡记录(表E6-4)(5)通风系统试运行记录(表E6-5)(6)制冷系统气密性试验记录(表E6-6)7、电梯专用施工试验记录(表E7)(1)电梯主要功能检查试验记录表(表E7-1)(2)电梯电气安全装置检查试验记录(表E7-2)(3)电梯整机功能检验记录(表E7-3)(4)电梯层门安全装置检查试验记录表(表E7-4)(5)电梯负荷运行试验记录表(表E7-5)(6)轿厢平层准确度测量记录表(表E7-6)(7)电梯负荷运行试验曲线图(表E7-7)(8)电梯噪声测试记录表(表E7-8)(9)自动扶梯、自动人行道运行试验记录(表E7-9)F类工程物资资料G类施工验收资料施工验收通用用表1、分项工程质量验收记录(表G2)2、分部(子分部)工程质量验收记录(表G3)3、单位(子单位)工程质量竣工验收记录(表G4)4、单位(子单位)工程质量控制资料核查记录(表G5)5、单位(子单位)工程安全和功能检验资料核查及主要功能抽查记录(表G6)6、单位(子单位)工程观感质量检查记录(表G7)7、施工现场质量管理检查记录(表G8)8、工程检验批质量检查记录表(通用)(表G9)地基与基础工程质量验收用表9、地基基础工程各子分部工程与分项工程相关表10、地基基础工程验收资料11、土方开挖工程检验批质量验收记录表01010112、土方回填工程检验批质量验收记录表01010213、排桩墙支护工程检验批质量验收记录表(Ⅰ)01020114、排桩墙支护工程检验批质量验收记录表(Ⅱ)01020115、降水与排水工程检验批质量验收记录表01020216、地下连续墙工程检验批质量验收记录表(Ⅱ)01020317、锚杆及土钉墙支护工程检验批质量验收记录表01020418、加筋水泥土桩墙支护工程检验批质量验收记录表01020519、沉井与沉箱工程检验批质量验收记录表01020620、钢或混凝土支撑工程检验批质量验收记录表01020721、灰土地基工程检验批质量验收记录表01030122、砂或砂石地基检验批质量验收记录表01030223、土工合成材料地基工程检验批质量验收记录表01030324、粉煤灰地基工程检验批质量验收记录表01030425、强夯地基工程检验批质量验收记录表01030526、振冲地基工程检验批质量验收记录表01030627、砂桩地基工程检验批质量验收记录表01030728、预压地基工程检验批质量验收记录表01030829、高压喷射注浆地基工程检验批质量验收记录表01030930、土和灰土挤密桩复合地基检验批质量验收记录表01031031、注浆地基检验批质量验收记录表01031132、水泥粉煤灰碎石桩复合地基工程检验批质量验收记录表01031233、夯实水泥土桩复合地基工程检验批质量验收记录表01031334、水泥土搅拌桩地基工程检验批质量验收记录表01031435、静力压桩工程检验批质量验收记录表01040136、预应力管桩工程检验批质量验收记录表01040237、混凝土预制桩(钢筋骨架)工程检验批质量验收记录表(Ⅰ)01040338、混凝土预制桩工程检验批质量验收记录表(Ⅱ)01040339、钢桩(成品)工程检验批质量验收记录表(Ⅰ)01040440、钢桩施工检验批质量验收记录表(Ⅱ)01040441、混凝土灌注桩(钢筋笼)工程检验批质量验收记录表(Ⅰ)010203 01040542、混凝土灌注桩工程检验批质量验收记录表(Ⅱ)010405地下防水工程用表43、防水混凝土检验批质量验收记录表01050144、水泥砂浆防水层检验批质量验收记录表01050245、卷材防水层检验批质量验收记录表01050346、涂料防水层检验批质量验收记录表01050447、金属板防水层检验批质量验收记录表01050548、塑料板防水层检验批质量验收记录表01050649、细部构造检验批质量验收记录表01050750、锚喷支护防水检验批质量验收记录表01050851、复合式衬砌检验批质量验收记录表01050952、地下连续墙检验批质量验收记录表01051053、盾构法隧道检验批质量验收记录表01051154、渗排水、盲沟排水检验批质量验收记录表01051255、隧道、坑道排水检验批质量验收记录表01051356、预注浆、后注浆检验批质量验收记录表01051457、衬砌裂缝注浆检验批质量验收记录表010515主体结构质量验收用表58、主体结构各子分部工程与分项工程相关表59、主体结构验收资料混凝土工程质量验收用表60、模板安装工程检验批质量验收记录表(Ⅰ)010601 02010161、预制构件模板工程检验批质量验收记录表(Ⅱ)02010162、模板拆除工程检验批质量验收记录表(Ⅲ)010601 02010163、钢筋加工检验批质量验收记录表(Ⅰ)010602 02010264、钢筋安装工程检验批质量验收记录表(Ⅱ)010602 02010265、混凝土原材料及配合比设计检验批质量验收记录表(Ⅰ)010603 02010366、混凝土施工检验批质量验收记录表(Ⅱ)010603 02010367、预应力原材料检验批质量验收记录表(Ⅰ)02010468、预应力制作与安装检验批质量验收记录表(Ⅱ)02010469、预应力张拉、放张、灌浆及封锚检验批质量验收记录表(Ⅲ)02010470、现浇结构外观及尺寸偏差检验批质量验收记录表(Ⅰ)010603 02010571、混凝土设备基础外观及尺寸偏差检验批质量验收记录表(Ⅱ)010603 02010572、预制构件检验批质量验收记录表(Ⅰ)02010673、装配式结构施工检验批质量验收记录表(Ⅱ)02010674、混凝土结构子分部工程结构实体混凝土强度验收记录0201-175、混凝土结构子分部工程结构实体保护层厚度验收记录0201-2砌体工程质量验收用表76、砖砌体(混水)工程检验批质量验收记录表02030177、混凝土小型空心砌体工程检验批质量验收记录表02030278、石砌体工程检验批质量验收记录表02030379、填充墙砌体工程检验批质量验收记录表02030480、配筋砌体工程检验批质量验收记录表020305钢结构工程质量验收用表81、钢结构制作(安装)焊接工程检验批质量验收记录表(Ⅰ)010901 02040182、焊钉(栓钉)焊接工程检验批质量验收记录表(Ⅱ)010901 02040183、普通紧固件连接工程检验批质量验收记录表(Ⅰ)010902 02040284、高强度螺栓连接工程检验批质量验收记录表(Ⅱ)010902 02040285、钢结构零、部件加工工程检验批质量验收记录表(Ⅰ)02040386、钢网架制作工程检验批质量验收记录表(Ⅱ)02040387、单层钢构件安装工程检验批质量验收记录表02040488、多层及高层钢构件安装工程检验批质量验收记录表02040589、钢构件组装工程检验批质量验收记录表02040690、钢构件预拼装工程检验批质量验收记录表02040791、钢网架安装工程检验批质量验收记录表02040892、压型金属板工程检验批质量验收记录表02040993、防腐涂料涂装工程检验批质量验收记录表020905 02041094、防火涂料涂装工程检验批质量验收记录表010906 020411木结构工程质量验收用表95、木屋盖工程检验批质量验收记录表02050196、胶合木工工程检验批质量验收记录表02050297、轻型木结构(规格材、钉连接)工程检验批质量验收记录表02050398、木结构防腐、防虫、防火工程检验批质量验收记录表020504装饰装修工程质量验收用表99、装饰装修工程各子分部工程与分项工程相关表100、建筑装饰装修工程验收资料地面工程质量验收用表101、基土垫层检验批质量验收记录表(Ⅰ)030101102、灰土垫层检验批质量验收记录表(Ⅱ)030101103、砂、砂石垫层检验批质量验收记录表(Ⅲ)030101104、碎石、碎砖垫层检验批质量验收记录表(Ⅳ)030101105、三合土垫层检验批质量验收记录表(Ⅴ)030101106、炉渣垫层检验批质量验收记录表(Ⅵ)030101107、水泥混凝土垫层检验批质量验收记录表(Ⅶ)030101108、找平层检验批质量验收记录表(Ⅷ)030101109、隔离层检验批质量验收记录表(Ⅸ)030101110、填充层检验批质量验收记录表(Ⅹ)030101111、水泥混凝土面层检验批质量验收记录表030102112、水泥砂浆面层检验批质量验收记录表030103113、水磨石面层检验批质量验收记录表030104114、水泥钢(铁)屑面层检验批质量验收记录表030105115、防油渗面层检验批质量验收记录表030106116、不发火(防爆的)面层检验批质量验收记录表030107117、砖面层检验批质量验收记录表030108118、大理石、花岗岩面层检验批质量验收记录表030109119、预制板块面检验批质量验收记录表030110120、料石面层检验批质量验收记录表030111121、塑料板面层检验批质量验收记录表030112122、活动地板面层检验批质量验收记录表030113123、地毯面层检验批质量验收记录表030114124、实木地板面层检验批质量验收记录表030115125、实木复合地板面层检验批质量验收记录表030116126、中密度(强化)复合地板面层检验批质量验收记录表030117 127、竹地板面层检验批质量验收记录表030118装饰装修工程质量验收用表128、一般抹灰工程检验批质量验收记录表030201129、装饰抹灰工程检验批质量验收记录表030202130、清水砌体勾缝工程检验批质量验收记录表030203131、木门窗制作工程检验批质量验收记录表(Ⅰ)030301132、木门窗安装工程检验批质量验收记录表(Ⅱ)030301133、金属门窗安装工程检验批质量验收记录表(Ⅰ)030302 134、金属门窗安装工程检验批质量验收记录表(Ⅱ)030302 135、金属门窗安装工程检验批质量验收记录表(Ⅲ)030302 136、塑料门窗安装工程检验批质量验收记录表030303137、特种门安装工程检验批质量验收记录表030304138、门窗玻璃安装工程检验批质量验收记录表030305139、暗龙骨吊顶工程检验批质量验收记录表030401140、明龙骨吊顶工程检验批质量验收记录表030402141、板材隔墙工程检验批质量验收记录表030501142、骨架隔墙工程检验批质量验收记录表030502143、活动隔墙工程检验批质量验收记录表030503144、玻璃隔墙工程检验批质量验收记录表030504145、饰面板安装工程检验批质量验收记录表030601146、饰面砖粘贴工程检验批质量验收记录表030602147、玻璃幕墙工程检验批质量验收记录表(主控项目)(Ⅰ)030701148、玻璃幕墙工程检验批质量验收记录表(一般项目)(Ⅱ)030701149、金属幕墙工程检验批质量验收记录表(主控项目)(Ⅰ)030702150、金属幕墙工程检验批质量验收记录表(一般项目)(Ⅱ)030702151、石材幕墙工程检验批质量验收记录表(主控项目)(Ⅰ)030703152、石材幕墙工程检验批质量验收记录表(一般项目)(Ⅱ)030703153、水性涂料涂饰工程检验批质量验收记录表030801154、溶剂型涂料涂饰工程检验批质量验收记录表030802155、美术涂饰工程检验批质量验收记录表030803156、裱糊工程检验批质量验收记录表030901157、软包工程检验批质量验收记录表030902158、橱柜制作与安装工程检验批质量验收记录表031001159、窗帘盒、窗台板和散热器罩制作与安装工程检验批质量验收记录表031002 160、门窗套制作与安装工程检验批质量验收记录表031003161、护栏和扶手制作与安装工程检验批质量验收记录表031004162、花饰制作与安装工程检验批质量验收记录表031005屋面工程质量验收用表163、屋面工程各子分部工程与分项工程相关表164、屋面工程验收资料165、屋面保温层检验批质量验收记录表040101 040201166、屋面找平层检验批质量验收记录表040102 040202167、卷材防水层检验批质量验收记录表040103168、涂漠防水层检验批质量验收记录表040203169、细石混凝土防水层检验批质量验收记录表040301170、密封材料嵌缝检验批质量验收记录表040302171、平瓦屋面检验批质量验收记录表040401172、油毡瓦屋面检验批质量验收记录表040402173、金属板材屋面检验批质量验收记录表040403174、细部构造检验批质量验收记录表040104 040204 040303 040404175、架空屋面检验批质量验收记录表040501176、蓄水、种植屋面检验批质量验收记录表040502 040503湖北省建筑工程施工统一用表(下册)第一章:安装部分质量验收用表建筑给水排水与采暖工程质量验收用表1、室内给水管道及配件安装工程检验批质量验收记录表0501012、室内消火栓系统安装工程检验批质量验收记录表0501023、给水设备安装工程检验批质量验收记录表0501034、室内排水管道及配件安装工程检验批质量验收记录表0502015、雨水管道及配件安装工程检验批质量验收记录表0502026、室内热水管道及配件安装工程检验批质量验收记录表0503017、热水供应系统辅助设备安装工程检验批质量验收记录表0503028、卫生器具及给水配件安装工程检验批质量验收记录表0504019、卫生器具排水管道安装工程检验批质量验收记录表05040210、室内采暖管道及配件安装工程质量检验表05050111、室内采暖辅助设备及散热器及金属辐射板安装工程检验批质量验收记录表05050205050312、低温热水地板辐射采暖安装工程检验批质量验收记录表05050413、室外给水管道安装工程检验批质量验收记录表05060114、消防水泵结合器及消火栓安装工程检验批质量验收记录表05060215、管沟及井室检验批工程质量验收记录表05060316、室外排水管道安装工程检验批质量验收记录表05070117、室外排水管沟及井池工程检验批质量验收记录表05070218、室外供热管道及配件安装工程检验批质量验收记录表05080119、建筑中水系统及游泳池水系统安装工程检验批质量验收记录表050901 05090220、锅炉安装工程检验批质量验收记录表05100121、锅炉辅助设备安装工程检验批质量验收记录表(Ⅰ)05100222、工艺管道安装工程检验批质量验收记录表(Ⅱ)05100223、锅炉安全附件安装工程检验批质量验收记录表05100324、换热站安装工程检验批质量验收记录表051004建筑电气工程质量验收用表25、架空线路及杆上电气设备安装检验批质量验收记录表06010126、变压器、箱式变电所安装检验批质量验收记录表060102 06020127、成套配电柜、控制柜(屏、台)和动力、照明配电箱(盘)安装检验批质量验收记录表(Ⅰ)高压开关柜060103,060202,06060128、成套配电柜、控制柜(屏、台)和动力、照明配电箱(盘)安装检验批质量验收记录表(Ⅱ)低压开关柜(屏、台)06040129、成套配电柜、控制柜(屏、台)和动力、照明配电箱(盘)安装检验批质量验收记录表(Ⅲ)照明配电箱(盘)06050130、低压电动机、电加热器及电动执行机构检查接线检验批质量验收记录表06040231、柴油发电机组安装检验批质量验收记录表06060232、不间断电源安装检验批质量验收记录表06060333、低压电气动力设备试验和试运行检验批质量验收记录表06040334、裸母线、封闭母线、插接式母线安装检验批质量验收记录表060203 060301 06060435、电缆桥架安装和桥架内电缆敷设检验批质量验收记录表060302 06040436、电缆沟内和电缆竖井内电缆敷设检验批质量验收记录表060204 06030337、电线导管、电缆导管和线槽敷设检验批质量验收记录表(Ⅰ)室内060304 060405 060502 06060538、电线导管、电缆导管和线槽敷设检验批质量验收记录表(Ⅱ)室外06010439、电线、电缆穿管和线槽敷设检验批质量验收记录表060105 060305 060406 060503 06060640、槽板配线检验批质量验收记录表06050441、钢索配线检验批质量验收记录表06050542、电缆头制作、接线和线路绝缘测试检验批质量验收记录表060106 060205 060306 060407 060506 06060743、普通灯具安装检验批质量验收记录表06050744、专用灯具安装检验批质量验收记录表06050845、建筑物景观照明灯、航空障碍标志灯和庭院灯安装检验批质量验收记录表060107 06050946、开头、插座、风扇安装检验批质量验收记录表060408 06051048、建筑物照明通电试运行检验批质量验收记录表060108 06051149、接地装置安装检验批质量验收记录表060109 060206 060608 06070150、避雷引下线和变配电室接地干线敷设检验批质量验收记录表(Ⅰ)防雷引下线06070251、避雷引下线和变配电室接地干线敷设检验批质量验收记录表(Ⅱ)变配电室接地干线06020752、接闪器安装检验批质量验收记录表06070453、建筑物等电位联结检验批质量验收记录表060703通风与空调工程检验批质量验收记录表54、风管与配件制作检验批质量验收记录表(金属风管)(Ⅰ)080101 080201 080301 080401 08050155、风管与配件制作检验批质量验收记录表(非金属风管、复合材料风管)(Ⅱ)080101 080201 080301 080401 08050156、风管部件与消声器制作检验批质量验收记录表080105 080405 08050557、风管系统安装检验批质量验收记录表(送、排风,防排烟,除尘系统)(Ⅰ)080103080203 080303 080403 08050358、风管系统安装检验批质量验收记录表(空调系统)(Ⅱ)08040359、风管系统安装检验批质量验收记录表(净化空调系统)(Ⅲ)08050360、通风机安装检验批质量验收记录表080107 080207 080306 080407 08050761、通风与空调设备安装检验批质量验收记录表(通风系统)(Ⅰ)08030462、通风与空调设备安装检验批质量验收记录表(空调系统)(Ⅱ)08040463、通风与空调设备安装检验批质量验收记录表(净化空调系统)(Ⅲ)08050464、空调制冷系统安装检验批质量验收记录表08060165、空调水系统安装检验批质量验收记录表(金属风管)(Ⅰ)08070166、空调水系统安装检验批质量验收记录表(非金属风管)(Ⅱ)08070167、空调水系统安装检验批质量验收记录表(设备)(Ⅲ)08070168、工程系统调试验收记录表080100 080200 080300 080400 080500 080600 080700电梯工程质量验收用表69、电梯安装工程设备进场质量验收记录表090101 09020170、电梯安装土建交接质量验收记录表090102 09020271、电梯驱动主机安装工程质量验收记录表(曵引式或强制式)09010372、电梯导轨安装工程质量验收记录表090104 09020473、电力液压电梯门系统安装工程质量验收记录表090105 09020574、电梯轿厢及对重安装工程质量验收记录表090106 09020675、电梯安全部件安装工程质量验收记录表090107 09020776、电梯悬挂装置、随行电缆、补偿装置安装工程质量验收记录表09010877、电梯电气装置安装工程质量验收记录表090109 09020978、电梯整机安装工程质量验收记录表09011079、电梯液压系统安装工程质量验收记录表09020380、液压电梯悬挂装置、随行电缆质量验收记录表09020881、液压电梯整机安装质量验收记录表09021082、自动扶梯、自动人行道设备进场质量验收记录表09030183、自动扶梯、自动人行道土建交接检验质量验收记录表09030284、自动扶梯、自动人行道整机安装质量验收记录表090303第二章部分补充施工用表85、钻孔灌注桩终孔验收记录(表D2-3-1)86、钻孔灌注桩后注浆施工记录表(表D2-3-2)87、钻孔灌注桩施工记录汇总表(表D2-3-3)88、人工挖孔桩隐蔽工程记录(表D2-3-4)89、振动(锤击)沉管灌注桩施工记录(表D2-3-5)90、夯扩桩施工记录表(表D2-3-6)91、长螺旋成孔压灌桩施工记录表(表D2-3-7)92、钢材出厂合格证和试验报告核查要录(表F1)93、水泥合格证、试验报告核查要录(表F2)94、砼砂浆试件抗压强度试验报告核查要录(表F3)。
湖北省建筑工程施工统一用表工程施工资料的分类当前工程项目施工资料一般按工程技术管理、工程质量保证、工程质量验收三大类进行收集和整理,根据资料的性质,可将其划分为以下七小类:A 类工程管理资料1、工程概况表2、工程开工报告3、工程竣工报告4、工程停工报告5、工程复工报告6、施工进度计划分析7、项目大事记8、施工日志9、不合格项处置记录10、施工总结B类工程技术资料1、工程技术文件报审表2、技术管理资料3、设计变更文件C类工程测量记录1、工程定位测量记录2、地基验槽记录3、楼层放线记录4、沉降观测记录5、建筑物垂直度观测记录D类工程施工记录1、通用记录2、土建专用施工记录3、建筑安装专用施工记录E类工程试验检验记录1、施工试验记录(通用)2、结构专用施工试验记录3、设备试运转记录4、电气专用施工试验记录5、管道专用施工试验记录6、通风空调专用施工试验记录7、电梯专用施工试验记录F类工程物质资料施工物质资料统一用表(表F)见现行湖北省建筑工程材料(构件)检验(试验、检测)报告用表。
G类施工验收资料1、工程检验批质量验收记录2、分项工程质量验收记录3、分部(子分部)工程质量验收记录4、单位(子单位)工程质量竣工验收记录5、单位(子单位)工程质量控制资料核查记录6、单位(子单位)工程安全和功能检验资料核查及主要功能抽查记录7、单位(子单位)工程观感质量检查记录8、施工现场质量管理检查记录9、工程检验批质量检查记录表(通用)工程概况表表A1 编号:附:建筑总平面图、建筑立面图、建筑剖面图本表由施工单位填写,城建档案馆和施工单位各保存一份。
工程开工报告表A2 编号:本表由施工单位填报,经监理单位审批后,建设单位、监理单位、施工单位各存一份。
工程竣工报告表A3 编号:本表由施工单位填报,经监理单位审批后,建设单位、监理单位、施工单位各存一份。
工程停工报告表A4 编号:本表由施工单位填报,经监理单位审批后,建设单位、监理单位、施工单位各存一份。
2016年版湖北省建筑工程施工统一用表(分部、子分部工程与分项工程检验批相关表)湖北省建设工程质量安全监督总站二○一六年八月十六日整理目录01地基基础工程各子分部工程与分项工程相关表02主体结构各子分部工程与分项工程相关表03装饰装修工程各子分部工程与分项工程相关表04屋面工程各子分部工程与分项工程相关表05建筑给水、排水与采暖分部工程各子分部工程与分项工程相关表06通风与空调分部工程各子分部工程与分项工程相关表07建筑电气安装工程分部(子分部)工程与分项工程相关表08智能建筑分部工程各子分部工程与分项工程相关表09建筑节能分部工程各子分部工程与分项工程相关表10电梯安装分部工程各子分部工程与分项工程相关表A类工程管理资料 (1)表A 1 工程概况表 (1)表A1-1建筑节能工程概况表 (2)表A2施工项目部管理人员名单 (3)表A3特种作业人员名单 (4)表A4-1施工现场质量管理检查记录 (5)表A4-2砌体施工质量控制等级检查记录 (6)表A5工程开工报告 (7)表A6工程竣工报告 (8)表A7工程停工报告 (9)表A8工程复工报告 (10)表A9施工进度计划分析 (11)表A10 项目大事记 (12)表A 11 施工日志 (13)表A 1 2 不合格项处置记录 (14)表A13-1建设工程质量事故调(勘)查记录 (15)表A13-2建设工程质量事故报告书 (16)表A14见证试验检测汇总表 (17)表A15-1建设单位项目负责人工程质量终身责任承诺书 (18)表A15-2监理单位项目负责人工程质量终身责任承诺书 (19)表A15-3施工单位项目负责人工程质量终身责任承诺书 (20)表A15-4勘察单位项目负责人工程质量终身责任承诺书 (21)表A15-5设计单位项目负责人工程质量终身责任承诺书 (22)表A15-6工程质量终身责任信息表 (23)表A16法定代表人授权书 (24)表A17工程竣工永久性质量责任标牌 (25)B类工程技术资料 (26)表B 1 工程技术文件报审表 (26)表B2技术交底记录 (27)表B3 -1 设计交底记录 (28)表B3-2 图纸会审记录 (29)表B3 - 3设计变更通知单 (30)表B 3 - 4 工程洽商记录 (31)表B4危险性较大分部分项工程施工方案专家论证表 (32)C类工程测量记录 (33)表C1工程定位测量记录 (33)表C2地基验槽记录 (34)表C3粧位测量放线检查记录 (35)表C4楼层放线记录 (36)表C5楼层标高抄测记录 (37)表C6沉降观测记录 (38)表C7建筑物垂直度、标高测量记录 (39)表C8钢结构主体结构整体垂直度、平面弯曲、标高观测记录 (40)D类工程施工记录 (41)表D1-1-1隐蔽工程检查记录 (41)表D1-1-2电气接地装置隐蔽工程检查记录 (43)表D1-1-3避雷装置隐蔽工程检查记录 (44)表D1-1-4幕墙及金属门窗避雷装置隐蔽工程检查记录 (45)表D1-1-5电气等电位联结隐蔽工程检查记录 (46)表D1-2预检工程检查记录 (47)表D1-3 施工记录(通用) (48)表D1-4中间检查交接记录 (49)表D2 -1 地基处理记录 (50)表D2-2 地基钎探记录 (51)表D2-3-1粧开孔通知书 (52)表D2-3 -2 钻孔灌注粧施工记录 (53)表D2-3-3钻孔灌注粧后注浆施工记录 (54)表D2-3 -4 钻孔灌注粧施工记录汇总表 (55)表D 2 - 3 - 5钻孔灌注粧终孔验收记录 (56)表D2-3-6人工挖孔粧隐蔽工程记录 (57)表D2-3-7振动(锤击)沉管灌注粧施工记录 (58)表D2-3-8夯扩粧施工记录 (59)表D 2 - 3 - 9长螺旋成孔压灌粧施工记录 (60)表D2-3-10深层搅拌粧施工记录 (61)表D2-3-11静压混凝土预制粧、钢粧施工记录(一) (62)表D2-3-11 静压混凝土预制粧、钢粧施工记录(二) (63)表D2-3 -12锤击混凝土预制粧、钢粧施工记录(一) (64)表D2-3-12 锤击混凝土预制粧、钢粧施工记录(二) (65)表D2-3-13 人工挖孔粧施工记录 (66)表D 2 - 4粧位偏差验收记录表 (67)表D2 - 5工程试打粧记录 (68)表D 2 - 6 混凝土施工记录 (69)表D2-7混凝土坍落度测量记录 (70)表D2-8混凝土养护测温记录 (71)表D2-9大体积混凝土测温记录 (72)表D 2 -1 0同条件养护试块测温记录 (73)表D2-11标养室温湿度记录 (74)表D2-12混凝土开盘鉴定 (75)表D2-13-1预应力筋张拉记录(一) (76)表D2-13-2预应力筋张拉记录(二) (77)表D2-14有粘结预应力结构灌浆记录 (78)表D2-15建筑烟(风)道检查记录 (79)表D 2 -1 6混凝土拆模申请单 (80)表D2-17构件吊装记录 (81)表D2-18钢结构安装检查记录 (82)表D2-19幕墙打胶检查记录 (83)表D2-20设备安装记录 (84)表D2-21电梯承重梁、起重吊环埋设隐蔽工程检查记录 (85)表D2-22电梯钢丝绳头灌注隐蔽工程检查记录 (86)表D2-23自动扶梯、自动人行道安装调试记录 (87)表D2-24-1电力驱动电梯整机安装检查记录(一) (88)表D2-24-2电力驱动电梯整机安装检查记录(二) (89)表D2-25-1自动扶梯、人行道整机安装检查记录(一) (90)表D2-25-2自动扶梯、人行道整机安装检查记录(二) (91)E类工程试验检验记录 (92)表E1 施工试验记录(通用) (92)《复合地基载荷试验检测报告》 (93)《基粧竖向抗压静载荷试验报告》 (94)《粧体质量检测--基粧反射波法检测报告》 (95)土工击实试验检验报告 (96)土工环刀法测密度检验报告 (97)钢结构焊缝超声波探伤检测报告 (98)超声波探伤记录 (99)后置埋件试验检验报告 (100)高强度螺栓连接摩擦面抗滑移系数检验报告 (101)扭剪型高强度螺栓连接副紧固预拉力检验报告 (102)高强度螺栓连接副扭矩系数检验报告 (103)螺栓实物最小荷载检验报告 (104)钢网架挠度检测报告 (105)钢结构涂料涂层厚度检验报告 (106)混凝土中钢筋保护层厚度检验检测报告 (107)超声回弹综合法检测混凝土抗压强度检测报告 (109)回弹法检测混凝土抗压强度检验报告 (110)钻芯法检测混凝土抗压强度检验报告 (111)混凝土现浇楼板厚度检验检测报告 (112)表E1-1混凝土结构子分部工程结构实体位置与尺寸偏差检验记录 (114)表E2-1混凝土试块强度统计、评定记录表 (115)表E2-2砌筑砂浆试块强度统计、评定记录 (116)表E2-3防水工程试水检查记录 (117)表E2-4地下工程防水效果检查记录 (118)表E2- 5幕墙淋水检查记录 (119)建筑外窗检测报告 (120)表E2-6绝热材料点燃试验记录 (121)硅酮结构胶相容性检验报告 (122)《室内环境质量检测报告》 (123)反馈通知单 (124)表E3 -1 设备单机试运转记录 (125)表E3-2调试报告 (126)表E4-1管道灌水试验记录 (127)表E4-2阀门强度、严密性试验记录 (128)表E4-3管道强度、严密性试验记录 (129)表E4-4管道通水试验记录 (130)表E4-5管道吹(冲)洗(脱脂)试验记录 (131)表E4-6室内排水管道通球试验记录 (132)表E4-7伸缩器安装记录 (133)表E4-8水箱满水(闭水)试验记录 (134)表E4-9卫生器具满水试验记录 (135)表E4-10 消火栓试射记录 (136)表E4-11锅炉烘炉、煮炉和试运行记录 (137)表E4-12锅炉报警及联锁保护装置试验记录 (138)表E4-13水系统打压记录 (139)表E4-14自动喷水灭火系统管网冲洗记录 (140)表E4-15自动喷水灭火系统联动试验记录 (141)接地装置检验报告 (142)表E5-1接地电阻测试记录 (143)表E5-2电气绝缘电阻测试记录 (144)表E5-3配电箱、插座、开关、灯具接线(接地)通电检查记录 (145)表E5-4低压成套配电柜交接试验记录 (146)表E5-5避雷带支架拉力测试记录 (147)表E5-6电气照明、动力试运行记录 (148)表E5-7漏电保护器测试记录 (149)表E5-8大型照明灯具吊环承载力试验记录 (150)表E6-1现场组装除尘器、空调机漏风检测记录 (151)表E6-2风管漏光检测记录 (152)表E6-3风管漏风检测记录 (153)表E6-4各房间室内风量测量记录 (154)表E6-5管网风量平衡记录 (155)表E6-6制冷机组、单元式空调机组试运转记录 (156)表E6-7通风、空调系统试运转调试记录 (157)表E6-8空调水系统试运转调试记录 (158)表E6-9防排烟系统联合试运行记录 (159)表E6-10制冷系统气密性试验记录 (160)通风与空调工程水压检验报告 .................................................................................. 16 1 通风与空调工程风速风量检验报告 .. (162)通风与空调工程风压风量检验报告 (163)表E7-1电梯主要功能检查试验记录表 (164)表E7-2电梯电气安全装置检查试验记录 (165)表E7-3电梯整机功能检验记录 (166)表E7-4电梯层门安全装置检查试运行记录表 (167)表E7-5电梯负荷运行试验记录表 (168)表E7-6轿厢平层准确度测量记录表 (169)表E7-7电梯负荷运行试验曲线图 (170)表E7-8电梯噪声测试记录表 (171)表E7-9自动扶梯、自动人行道运行试验记录 (172)表E-J-1 施工试验记录(通用) (173)表E-J-2-预制保温墙板淋水试验记录 (174)表E-J-3采暖系统调试记录表 (175)表E- J - 4米暖房间温度测试记录表 (176)表E-J-5 母线与母线(或电器接线端子)搭接螺栓抒紧力矩测量报告表 (177)表E-J-6系统控制功能及故障报警功能运行检测记录表 (178)表E-J-7监测与计量装置检测计量数据比对记录表 (179)表E-J-8照明自动控制系统功能检测记录表 (180)表E-J-9综合控制系统功能检测记录表 (181)表E-J-10建筑能源管理系统功能检测记录表 (182)表E-J-11子系统检测记录表 (183)表E-J-12 系统检测汇总表 (184)通用检验报告 (185)锚栓现场检验报告 (186)饰面砖粘结强度现场检验报告 (187)建筑幕墙物理性能检验报告 (188)低压配电电源质量性能指标检测报告 (193)外墙节能构造钻芯检验报告 (194)外窗现场气密性检验报告 (196)F类工程物资资料 (197)表F1-1钢材出厂合格证、试验报告核查要录 (197)建筑钢筋力学性能检验报告 (198)抗震结构用热乳带肋钢筋检验报告 (199)预应力混凝土钢绞线力学性能、全封闭防水性能检验报告 (200)表F1-2钢筋机械连接、焊接接头检验报告核查要录 (201)钢筋焊接接头工艺检验报告 (202)钢筋焊接连接力学性能检验报告 (203)钢筋机械连接接头工艺检验报告 (204)钢筋机械连接力学性能检验报告 (205)表F2水泥合格证、试验报告核查要录 (206)水泥物理学性能检验报告 (207)表F3砖石(砌块)合格证、试验报告核查要录 (208)粉煤灰砖(其它墙体砖)强度检验报告 (209)普通混凝土小型空心砌块(其它墙体砌块)检验报告 (210)混凝土预制构件质量检验报告 (211)表F4防水材料合格证、检验报告核查要录 (212)弹性体(塑性体)改性沥青防水卷材检验报告 (213)(氯化聚乙烯)聚氯乙烯防水卷材检验报告 (214)建筑石油沥青检验报告 (215)聚氨酯防水涂料检验报告 (216)聚合物水泥防水涂料检验报告 (217)表F5其它材料、构件核查要录 (218)表F6合格证、检验报告粘贴单 (219)门窗物理性能检测报告 (220)混凝土外加剂匀质性检验报告 (221)混凝土外加剂检验报告 (222)预应力筋用锚具、夹具和连接器检验报告 (223)石材污染性检测报告 (224)建筑材料放射性检测报告 (225)建筑装饰装修材料(涂料)检验报告 (226)材料稳态导热系数检验报告 (227)表F7混凝土、砂浆试件抗压强度试验报告核查要录 (228)混凝土立方体抗压强度检验报告 (229)表F8混凝土抗渗试件试验报告核查要录 (230)混凝土抗渗检验报告 (231)砂浆立方体抗压强度检验报告 (232)建筑用砂检验报告 (233)建筑用卵石、碎石检验报告 (234)()砂浆配合比设计检验报告 (235)表F9设备开箱检验记录 (236)表F1 0电梯设备开箱检验记录 (237)表F11材料、构配件进场检验记录 (238)表F 11 -1商品混凝土进场验收记录 (239)表F12通用试样台账 (240)表F13钢筋试样台账 (241)表F14钢筋连接接头试样台账 (242)表F15混凝土试件台账 (243)表F1 6砂浆试件台账 (244)表F-J-1 节能材料、构件、设备进场抽样检查记录表 (245)表F-J-2节能材料、设备合格证及检验报告核查要录 (246)保温材料检验报告 (247)耐碱网布检验报告 (248)镀锌焊接网报告 (251)胶粘剂检验报告 (252)可见光透射比遮蔽系数检验报告 (254)检验测试中心中空玻璃露点检验报告 (257)隔热铝型材常温纵向剪切检验报告 (258)外窗气密性检验报告 (259)外窗传热系数检验报告 (261)外窗可见光透射比、遮阳系数检验报告 (262)风机盘管机组性能检测报告 (264)电线电缆性能检验报告 (265)G类施工质量验收资料 (266)表G1工程检验批质量检查记录(通用) (266)表G2现场验收检查原始记录 (267)表G3分项工程质量验收记录 (268)表G4-1分部(子分部)工程质量验收记录 (269)表G4-2分部(子分部)工程质量控制资料检查记录 (270)表G4-3分部(子分部)工程安全和功能检验资料核查和主要功能抽查记录 (271)表G4-4分部(子分部)工程观感质量检查记录 (272)表G5单位(子单位)工程竣工预验收记录 (273)表G6单位(子单位)工程质量竣工验收记录 (274)表G7单位(子单位)工程质量控制资料核查记录 (275)表G8单位(子单位)工程安全和功能检验资料核查及主要功能抽查记录 (278)表G9单位(子单位)工程观感质量检查记录 (280)表G10粧基工程质量验收记录 (281)人民防空工程专业结构验收表 (282)人民防空工程试水验收表 (283)工程竣工验收资料 (284)房屋建筑工程和市政基础设施工程竣工验收备案表 (284)房屋建筑工程和市政基础设施工程竣工验收备案证 (288)人民防空工程竣工验收表(防质档3) (289)人民防空工程竣工备案表(防质档4) (290)建筑工程竣工验收报告 (291)施工单位工程施工自评报告 (295)监理单位工程质量评估报告 (296)建筑工程质量检查报告(勘察单位) (297)建筑工程质量检查报告(设计单位) (298)地基与基础工程验收会议纪要 (299)主体工程验收会议纪要 (300)分部工程验收会议纪要 (301)工程竣工验收会议纪要 (302)房屋建筑工程质量保修书 (303)工程档案管理资料 (305)卷内目录 (305)卷内备考表 (306)案卷封面 (307)案卷目录 (308)检验批质量验收记录 (309)01地基与基础 (309)01010101_素土、灰土地基检验批质量验收记录 (309)01010 201_砂和砂石地基检验批质量验收记录 (310)01010301_ 土工合成材料地基检验批质量验收记录 (311)01010401_粉煤灰地基检验批质量验收记录 (312)01010 5 01_强夯地基检验批质量验收记录 (313)01010601_注浆地基检验批质量验收记录 (314)01010701_预压地基检验批质量验收记录 (315)01010801_砂石粧复合地基检验批质量验收记录 (316)01010901_高压旋喷注浆地基检验批质量验收记录 (317)01011001_水泥土搅拌粧地基检验批质量验收记录 (318)01011101_土和灰土挤密粧复合地基检验批质量验收记录 (319)01011201_水泥粉煤灰碎石粧复合地基检验批质量验收记录 (320)01011301_夯实水泥土粧复合地基检验批质量验收记录 (321)01020701_钢筋混凝土预制粧(钢筋骨架)检验批质量验收记录表 (322)01020702_钢筋混凝土预制粧检验批质量验收记录 (323)01020801_混凝土灌注粧(钢筋笼)检验批质量验收记录 (324)01020 802_混凝土灌注粧检验批质量验收记录 (325)01021201_钢粧(成品)检验批质量验收记录 (326)1202_钢粧检验批质量验收记录 (327)01021301_锚杆静压粧检验批质量验收记录 (328)01021501_沉井与沉箱检验批质量验收记录 (329)0201_重复使用钢板粧围护墙检验批质量验收记录 (330)01030202_混凝土板粧围护墙检验批质量验收记录 (331)01030501_ 土钉墙检验批质量验收记录 (332)0103 0601_地下连续墙支护检验批质量验收记录 (333)0103 0809_钢或混凝土支撑系统检验批质量验收记录 (334)010 3 0 9 0 1_锚杆检验批质量验收记录 (335)01040101_降水与排水检验批质量验收记录 (336)010 5 0101_ 土方开挖检验批质量验收记录 (337)01050201_土方回填检验批质量验收记录 (338)01070101_防水混凝土检验批质量验收记录 (339)01070102_水泥砂浆防水层检验批质量验收记录 (340)01070103_卷材防水层检验批质量验收记录 (341)01070104_涂料防水层检验批质量验收记录 (342)01070105_塑料防水板防水层检验批质量验收记录 (343)01070106_金属板防水层检验批质量验收记录 (344)01070107_膨润土防水材料防水层检验批质量验收记录 (345)01070201_施工缝检验批质量验收记录 (346)01070202_变形缝检验批质量验收记录........................................................................ 3 47 01070203_后浇带检验批质量验收记录. (348)01070204_穿墙管检验批质量验收记录 (349)01070205_埋设件检验批质量验收记录 (350)01070206_预留通道接头检验批质量验收记录 (351)010 7 0 2 0 7_粧头检验批质量验收记录 (352)01070208_孔口检验批质量验收记录 (353)01070209_坑、池检验批质量验收记录 (354)010703 01_锚喷支护检验批质量验收记录 (355)01070302_地下连续墙结构防水检验批质量验收记录 (356)01070303_盾构隧道检验批质量验收记录 (357)010 7 0 3 0 4_沉井检验批质量验收记录 (358)010703 05_逆筑结构检验批质量验收记录 (359)01070401_渗排水、盲沟排水检验批质量验收记录 (360)01070402_隧道排水、坑道排水检验批质量验收记录 (361)01070403_塑料排水板排水检验批质量验收记录 (362)01070501_预注浆、后注浆检验批质量验收记录 (363)01070 502_结构裂缝注浆检验批质量验收记录 (364)02主体结构 (365)010101_模板安装检验批质量验收记录 (365)020 1020 1_钢筋材料检验批质量验收记录 (367)010202_钢筋加工检验批质量验收记录 (368)0201 0203_钢筋连接检验批质量验收记录 (369)0201 0204_钢筋安装检验批质量验收记录 (370)020 1030 1_混凝土原材料检验批质量验收记录 (371)020 10302_混凝土拌合物检验批质量验收记录 (372)020 103 03_混凝土施工检验批质量验收记录 (373)020 10401 _预应力材料检验批质量验收记录 (374)020 10402_预应力制作与安装检验批质量验收记录 (375)02010403_预应力张拉与放张检验批质量验收记录 (376)02010404_预应力灌浆与封锚检验批质量验收记录 (377)02010501_现浇结构外观质量、位置和尺寸偏差检验批质量验收记录 (378)02010502_混凝土设备基础外观质量、位置和尺寸偏差检验批质量验收记录 (379)020 1060 1_装配式结构预制构件检验批质量验收记录 (380)020 10602_装配式结构安装与连接检验批质量验收记录 (382)0 2 0 2 0 1 0 1 _砖砌体检验批质量验收记录 (383)0202020 1_混凝土小型空心砌块砌体检验批质量验收记录 (384)0 2 0 2 0 3 0 1 _石砌体检验批质量验收记录 (385)0202040 1_配筋砌体检验批质量验收记录 (386)0202050 1_填充墙砌体检验批质量验收记录 (387)02030 10 1_钢结构焊接检验批质量验收记录 (388)02030102_焊钉(栓钉)焊接工程检验批质量验收记录 (389)0203020 1_紧固件连接检验批质量验收记录 (390)0203 0202_高强度螺栓连接检验批质量验收记录 (391)0203030 1_钢零部件加工检验批质量验收记录 (392)020 3 0401 _钢构件组装检验批质量验收记录 (393)020 3 0402_钢构件预拼装检验批质量验收记录 (394)0203 050 1_单层钢结构安装检验批质量验收记录 (395)0203060 1_多层及高层钢结构安装检验批质量验收记录 (396)0203070 1_钢网架制作检验批质量验收记录 (397)02030702_钢网架安装检验批质量验收记录 (398)0203090 1_压型金属板检验批质量验收记录 (399)0203 100 1_防腐涂料涂装检验批质量验收记录 (400)0203 110 1_防火涂料涂装检验批质量验收记录 (401)02040 10 1_钢管构件进场验收检验批质量验收记录 (402)02040 102_钢管混凝土构件现场拼装检验批质量验收记录 (403)0204020 1_钢管混凝土柱柱脚锚固检验批质量验收记录 (405)02040202_钢管混凝土构件安装检验批质量验收记录 (406)02040301_钢管混凝土柱与钢筋混凝土梁连接检验批质量验收记录 (407)0204050 1_钢管内钢筋骨架检验批质量验收记录 (408)0204060 1_钢管内混凝土浇筑检验批质量验收记录 (409)02060 10 1_焊接材料检验批质量验收记录 (410)02060 102_铝合金构件焊接检验批质量验收记录 (411)0206020 1_标准紧固件检验批质量验收记录 (413)02060202_普通紧固件连接检验批质量验收记录 (414)02060203_高强度螺栓连接检验批质量验收记录 (415)020603 01_铝合金材料检验批质量验收记录 (416)020603 02_铝合金零部件切割加工检验批质量验收记录 (417)020603 03_铝合金零部件边缘加工检验批质量验收记录 (418)020603 04_球、毂加工检验批质量验收记录 (419)020603 05_铝合金零部件制孔检验批质量验收记录 (420)02060306_铝合金零部件槽、豁、榫加工检验批质量验收记录 (421)02060401_螺栓球检验批质量验收记录 (422)02060402_铝合金构件组装检验批质量验收记录 (423)02060403_铝合金构件端部铣平及安装焊缝坡口检验批质量验收记录 (424)02060501_铝合金构件预拼装检验批质量验收记录 (425)02060601_铝合金框架结构基础和支承面检验批质量验收记录 (426)02060602_铝合金框架结构总拼和安装检验批质量验收记录 (427)02060701_铝合金空间网格结构支承面检验批质量验收记录 (429)02060702_铝合金空间网格结构总拼和安装检验批质量验收记录....................................... 43 0 02060 801_铝合金面板检验批质量验收记录 (431)02060802_铝合金面板制作检验批质量验收记录 (432)02060803_铝合金面板安装检验批质量验收记录 (433)02060901_铝合金幕墙结构支承面检验批质量验收记录 (434)02060902_铝合金幕墙结构总拼和安装检验批质量验收记录 (435)02061001_其他材料检验批质量验收记录 (436)02061002_阳极氧化检验批质量验收记录 (437)0 6 10 0 3_涂装检验批质量验收记录 (438)0206 1004_隔离检验批质量验收记录 (439)02070101_方木和原木结构检验批质量验收记录 (440)02070201_胶合木结构检验批质量验收记录 (442)020703 01_轻型木结构检验批质量验收记录 (444)02070401_木结构防护检验批质量验收记录 (446)03建筑装饰装修 (447)03010101_基土检验批质量验收记录 (447)03010102_灰土垫层检验批质量验收记录 (448)03010103_砂垫层和砂石垫层检验批质量验收记录 (449)03010104_碎石垫层和碎砖垫层检验批质量验收记录 (450)03010105_三合土垫层和四合土垫层检验批质量验收记录 (451)03010106_炉渣垫层检验批质量验收记录 (452)03010107_水泥混凝土垫层和陶粒混凝土垫层检验批质量验收记录 (453)0 3 0 10 10 8_找平层检验批质量验收记录 (454)03010109_隔离层检验批质量验收记录 (455)0 3 0 10 1 10_填充层检验批质量验收记录 (456)0 3 0 10 1 1 1 _绝热层检验批质量验收记录 (457)010201_水泥混凝土面层检验批质量验收记录 (458)010202_水泥砂浆面层检验批质量验收记录 (459)0 10203_水磨石面层检验批质量验收记录 (460)010204_硬化耐磨面层检验批质量验收记录 (461)030 10205_防油渗面层检验批质量验收记录 (462)03010206_不发火(防爆)面层检验批质量验收记录 (463)010207_自流平面层检验批质量验收记录 (464)0 10208_涂料面层检验批质量验收记录 (465)0 10209_塑胶面层检验批质量验收记录 (466)03010210_地面辐射供暖水泥混凝土面层检验批质量验收记录 (467)03010211_地面辐射供暖水泥砂浆面层检验批质量验收记录 (468)0 3 0 10 3 0 1_砖面层检验批质量验收记录 (469)03010302_大理石面层和花岗石面层检验批质量验收记录 (470)030 10303_预制板块面层检验批质量验收记录 (471)03 0 103 04_料石面层检验批质量验收记录 (472)03 0 103 05_塑料板面层检验批质量验收记录 (473)030 10306_活动地板面层检验批质量验收记录 (474)03 0 103 07_金属板面层检验批质量验收记录 (475)03 0 103 08_地毯面层检验批质量验收记录 (476)03 010309_地面辐射供暖砖面层检验批质量验收记录 (477)03010310_地面辐射供暖大理石面层和花岗石面层检验批质量验收记录 (478)030103 11_地面辐射供暖预制板块面层检验批质量验收记录 (479)030103 12_地面辐射供暖塑料板面层检验批质量验收记录 ............................................... 4 80 03010401_实木地板、实木集成地板、竹地板面层检验批质量验收记录. (481)03 010402_实木复合地板面层检验批质量验收记录 (482)03 01040 3_浸渍纸层压木质地板面层检验批质量验收记录 (483)03 010404_软木类地板面层检验批质量验收记录 (484)03 010405_地面辐射供暖实木复合地板面层检验批质量验收记录 (485)03010406_地面辐射供暖浸渍纸层压木质地板面层检验批质量验收记录 (486)03 020101_ —般抹灰检验批质量验收记录 (487)03 0203 0 1_装饰抹灰检验批质量验收记录 (488)03 020401_清水砌体勾缝检验批质量验收记录 (489)03040101_木门窗制作检验批质量验收记录 (490)03 040102_木门窗安装检验批质量验收记录 (491)03 040201_钢门窗安装检验批质量验收记录 (492)03 040202_铝合金门窗安装检验批质量验收记录 (493)03040203_涂色镀锌钢板门窗安装检验批质量验收记录 (494)0304030 1_塑料门窗安装检验批质量验收记录 .............................................................. 49 5 03 040401_特种门安装检验批质量验收记录 (496)03 040 50 1_门窗玻璃安装检验批质量验收记录 (497)03 050101_整体面层暗龙骨吊顶检验批质量验收记录 (498)03 050102_整体面层明龙骨吊顶检验批质量验收记录 (499)03 060101_板材隔墙检验批质量验收记录 (500)03060201_骨架隔墙检验批质量验收记录 (501)03 0603 0 1_活动隔墙检验批质量验收记录 (502)03 060401_玻璃隔墙检验批质量验收记录 (503)03 070101_石材安装检验批质量验收记录 (504)03 070201_陶瓷板安装检验批质量验收记录 (505)03 0703 0 1_木板安装检验批质量验收记录 (506)03 070401_金属板安装检验批质量验收记录 (507)03 070501_塑料板安装检验批质量验收记录 (508)03080101_外墙饰面砖粘贴检验批质量验收记录 (509)03080201_内墙饰面砖粘贴检验批质量验收记录 (510)03 090101_玻璃幕墙安装检验批质量验收记录 (511)03 0 9020 1_金属幕墙安装检验批质量验收记录 (513)0309030 1_石材幕墙安装检验批质量验收记录 (515)03 100 10 1_水性涂料涂饰检验批质量验收记录 (517)03 100201_溶剂型涂料涂饰检验批质量验收记录 ........................................................... 5 18 03 1003 0 1_美术涂饰检验批质量验收记录.. (519)0 3 110 101_裱糊检验批质量验收记录 (520)0 3 1 10 2 0 1_软包检验批质量验收记录 (521)03 120101_橱柜制作与安装检验批质量验收记录 (522)03120201_窗帘盒、窗台板和散热器罩制作与安装检验批质量验收记录 (523)03 120301_门窗套制作与安装检验批质量验收记录 (524)03 120401_护栏和扶手制作与安装检验批质量验收记录 (525)120501_花饰制作与安装检验批质量验收记录 (526)04屋面 (527)010101_找坡层检验批质量验收记录 (527)010 2 01_找平层检验批质量验收记录 (528)010 3 01_隔汽层检验批质量验收记录 (529)04010401_隔离层检验批质量验收记录 (530)010 5 01_保护层检验批质量验收记录 (531)04020101_板状材料保温层检验批质量验收记录 (532)04020201_纤维材料保温层检验批质量验收记录 (533)040203 01_喷涂硬泡聚氨酯保温层检验批质量验收记录 (534)04020401_现浇泡沫混凝土保温层检验批质量验收记录 (535)04020501_种植隔热层检验批质量验收记录 (536)04020601_架空隔热层检验批质量验收记录 (537)04020701_蓄水隔热层检验批质量验收记录 (538)04030101_卷材防水层检验批质量验收记录 (539)040 3 0201_涂膜防水层检验批质量验收记录 (540)040303 01_复合防水层检验批质量验收记录 (541)04030401_接缝密封防水检验批质量验收记录 (542)04040101_烧结瓦和混凝土瓦铺装检验批质量验收记录 (543)04040201_沥青瓦铺装检验批质量验收记录 (544)。
表A1 编号:工程概况表.施工项目部管理人员名单鼴籠目3 / 615特种作业人员名单.施工现场质量管理检查记录5 / 615工程名称施工日期表A4-2 砌体工程施工质量控制等级检查记录GB50203-2011编号:建设单位项目负责人设计单位项目负责人监理单位总监理工程师施工单位项目负责人项目技术负责人注:1.砂浆、混凝土强度离散性大小根据强度标准差确定; 2.配筋砌体不得为C级施工.工程开工报告于年月日开工,请审批.己完成报审的条件有:□施工许可证□设计交底及图纸会审□施工组织设计〔含主要管理人员和特殊工种资格证明〕、施工方案□施工测量放线主要人员、材料、设备进场□施工现场道路、水、电、通信等己达到开工条件〇其他项目负责人:施工单位〔公章〕:年月曰审批意见:审批结论:□同意□不同意总监理工程师:<建设单位项目负责人〕监理〔建设〕单位〔公章〕:年月日工程竣工报告表A6 编号: Array致监理〔建设〕单位:根据合同约定,我方己完成合同规定的全部工作内容,工完场清,具备竣工验收条件.特此报告,请批复.项目负责人:施工单位〔公章〕:年月日审批意见:审批结论:□同意□不同意总监理工程师:<建设单位项目负责人〕监理〔建设〕单位〔公章〕:年月日.9 / 615项目负责人:监理〔建设〕单位〔公章〕:工程停工报告要求停止施工,特此报告,请批复.停工原因:施工单位〔公章〕:年月日审批意见:审批结论:□同意 □不同意总监理工程师: <建设单位项目负责人>年月日工程于 年 月 _____ 日开始停工.目前具备复工条件,特此项目负责人:监理〔建设〕单位〔公章〕:工程复工报告报告,请批复.复工具备的条件:施工单位〔公章〕:年月日审批意见: 审批结论:□同意 □不同意总监理工程师: <建设单位项目负责人>年月日施工进度计划分析表A9编号:项目大事记施工日志:项目负责人技术质量安全工作记录:〔技术质量安全活动,技术质量安全问题、检查验收情况等>不合格项处置记录.15 / 615现场物证照片 □有无 共 张 共 页事故证据资料□有无共张 共页建设工程质量事故调〔勘〕查记录被调查人签字本表由调查人填写,有关单位各保存一份.:表A13-2 编号:工程名称建设单位设计单位施工单位监理单位结构类型建筑面积事故发生时间年月日工程造价上报时间年月日经济损失事故经过、后果与原因分析:事故发生后采取的措施:事故发生责任单位、责任人及处理意见:负责人年月日建设工程质量事故报告书建设地点.见证试验检测汇总表17 / 615表A15-1工程名称:本人承诺在工程建设过程中和建筑物设计使用年限内,对工程质量承担全面责任.在工程建设过程中认真履行下列职责:1、严格遵守相关法律法规和规范标准,认真履行建设工程合同所规定的责任和义务.2、将工程发包给具有相应资质等级的施工、监理、勘察、设计、检测和施工图审查等单位,不将建设工程肢解发包.对按规定必须招标的严格依法依规进行招标,不迫使承包方以低于成本价竞标,不任意压缩合理工期.3、向勘察、设计、施工、监理、检测和施工图审查等单位提供真实、准确、齐全的建设项目相关的原始材料.4、将勘察、设计文件送有资质的审查机构进行审查,及时向施工现场提供审查合格并加盖了审查专用章的勘察、设计文件及审查意见.工程有变更的按规定程序办理相关手续,重大设计变更送原审查机构审查合格后再实施.5、严格遵守基本建设程序,在开工前办理质量监督手续,领取施工许可证.6、不明示或暗示勘察、设计、施工、检测等单位违反工程建设强制性标准或使用不合格的建筑材料、建筑配件和设备,降低工程质量.7、工程竣工后,按规定组织勘察、设计、施工、监理等有关单位进行验收,并接受工程质量监督机构监督.在工程验收合格十五日内,办理竣工验收备案手续.工程未经验收合格不得交付使用.8、及时整理文件资料,建立健全工程项目档案,并自竣工验收后三个月内向城建档案管理部门移交建设项目档案.9、督促勘察、设计、施工、监理等有关单位落实质量责任,对未实行监理的工程,组织建设单位相关人员履行监理单位职责.10、法律法规及标准规范规定的其他质量责任.本承诺书一式三份,一份在办理监督手续时提交质量监督机构,一份在建设工程竣工验收合格后与档案资料一并交城建档案管理部门存档,一份建设单位留存.表A15-2工程名称:本人承诺在工程建设过程中和建筑物设计使用年限内,对工程质量承担监理责任.在该工程建设过程中认真履行下列职责:1、严格遵守相关法律法规和规范标准,认真履行建设工程合同所规定的责任和义务.2、严格按规定配备现场监理部关键岗位人员,并确保所有人员到岗履职.根据工程进展及监理工作情况调配监理人员,检查监理人员履行职责情况.3、认真组织编制监理规划,审批监理实施细则.审查施工单位的质量保证技术措施,在施工的全过程对施工质量进行严格监督检查.4、严格依照法律、法规以及有关技术标准、审查合格的施工图设计文件和监理合同约定对施工质量实施监理.对不符合技术标准和设计文件要求的建筑材料、建筑构配件和设备不予签字同意进场使用.5、督促监理工程师严格按照工程监理规范的要求,采取旁站、巡视和平行检验等形式,对工程的建设过程进行监理,并确保所有质量签证及时、真实、准确.6、发现施工过程中责任主体有违法违规和违反工程建设强制性标准行为的,及时制止,拒不整改的报告住房城乡建设主管部门及其工程质量监督机构.7、组织审核分包单位资格.审查施工组织设计、〔专项〕施工方案.签发工程开工令、暂停令和复工令.8、组织检查施工单位现场质量管理体系的建立及运行情况.组织审查和处理工程变更.9、组织验收分部工程,组织审查单位工程质量检验资料.审查施工单位的竣工申请,组织工程竣工预验收,组织编写工程质量评估报告,参与工程竣工验收.10、参与或配合工程质量安全事故的调查和处理.11、组织编写监理月报、监理工作总结,组织整理监理文件资料.12、法律法规及标准规范规定的其他质量责任.本承诺书一式四份,一份在办理监督手续时提交质量监督机构,一份在建设工程竣工验收合格后与档案资料一并交城建档案管理部门存档,一份交建设单位,一份监理单位留存.本人承诺在工程建设过程中和建筑物设计使用年限内,承担因施工导致的工程质量事故或质量问题责任.在工程建表A15-3设过程中认真履行下列职责:1、严格遵守相关法律法规和规范标准,认真履行建设工程合同所规定的责任和义务.2、保证在岗履职,不超范围执业,不同时在两个及以上的工程项目担任项目负责人.3、对工程项目施工质量负全责,负责建立质量管理体系,按要求配备施工现场管理人员,负责落实质量责任制、质量管理规章制度和操作规程.4、负责组织编制施工组织设计,负责组织编制、论证和实施危险性较大分部分项工程专项施工方案 ,负责组织质量技术交底.5、负责组织对进入施工现场的建筑材料、构配件、设备、预拌混凝土等进行检验,未经检验或检验不合格的不投入使用;对涉及结构安全的试块、试件以及有关材料进行见证取样检测,保证送检试样的真实性和代表性,不篡改或伪造检测报告,不明示或暗示检测机构出具虚假检测报告.6、严格按照审查通过的施工图设计文件和技术标准组织施工,负责组织做好隐蔽工程的验收工作,参加地基基础、主体结构等分部工程的验收,参加单位工程和工程竣工验收;在验收文件上签字, 不签署虚假文件.7、不偷工减料,不使用国家明令淘汰、禁止使用的危及施工质量的工艺、设备、材料.8、定期组织质量隐患排查,及时消除质量隐患;落实住房城乡建设主管部门和工程建设相关单位提出的质量隐患整改要求.9、组织对施工现场作业人员进行岗前质量教育,不允许未经质量安全教育和无证人员上岗.10、按规定报告质量安全事故,及时启动应急预案,保护事故现场,开展应急救援.11、法律法规及标准规范规定的其他质量责任.本承诺书一式四份,一份在办理监督手续时提交质量监督机构,一份在建设工程竣工验收合格后与档案资料一并交城建档案管理部门存档,一份交建设单位,一份施工单位留存.本人承诺在该工程建设过程中和建筑物设计使用年限内,承担因勘察导致的工程质量事故或质量问题责任.在工程建设过程中认真履行下列职责:1、严格遵守相关法律法规和规范标准,认真履行建设工程合同所规定的责任和义务..2、严格按照核定的工程勘察资质等级和业务范围开展勘察业务,不超越资质等级许可的范围承揽工程,不转包或违法分包所承揽的勘察业务.3、严格按国家强制性标准要求开展勘察工作,及时整理、核对勘察工作的原始记录,确保取样的真实性、代表性,保证勘察成果内容齐全、图表清晰、数据准确、可靠,结论建议合理,相关的签字、盖章手续齐全,勘察文件满足国家有关法律、技术标准和合同规定的要求.4、及时解决施工过程中涉及到的勘察问题,积极参加地基验槽、基础验收、竣工验收等工作,保证签署的验收结论准确可靠,按规定提交工程质量检查报告.5、法律法规及标准规范规定的其他质量责任.本承诺书一式四份,一份在办理监督手续时提交质量监督机构,一份在建设工程竣工验收合格后与档案资料一并交城建档案管理部门存档,一份交建设单位,一份勘察单位留存.:21 / 615设计单位项目负责人工程质量终身责任承诺书表A15-5工程名称:本人承诺在该工程建设过程中和建筑物设计使用年限内,承担因设计导致的工程质量事故或质量问题责任.在工程建设过程中认真履行下列职责:1、严格遵守相关法律法规和规范标准,认真履行建设工程合同所规定的责任和义务.2、严格按照核定的工程设计资质等级和业务范围开展设计业务,不超越资质等级许可的范围承揽工程,不转包或违法分包所承揽的设计业务.3、严格依据勘察成果文件进行工程设计,保证设计文件符合工程建设强制性标准要求,达到国家规定的文件编制深度要求,并经过严格的内部校对、审核.提供的设计文件加盖有设计单位出图专用章和执业人员印章.4、严格按照相关规定进行设计变更.重大设计变更应按规定和程序进行审查.5、按规定在施工前向施工单位和监理单位做好设计交底和参加图纸会审,及时解决施工过程中涉及到的设计问题,积极参与重要分部分项工程和单位工程竣工验收,真实客观地签署验收结论,积极参加质量事故调查和处理,按规定提交工程质量检查报告.6、法律法规及标准规范规定的其他质量责任.本承诺书一式四份,一份在办理监督手续时提交质量监督机构,一份在建设工程竣工验收合格后与档案资料一并交城建档案管理部门存档,一份交建设单位,一份设计单位留存.:.23 / 615 填报时间:年月日:表A16法定代表人授权书单位名称:法定代表人:身份证号码:被授权人__ 身份证号码:执业资格证号:<单位名称〕的法定代表人〔姓名〕合法地代表我单位,授权〔姓名〕同志为〔工程项目名称〕工程的项目负责人,该项目负责人负责执行一切与本工程项目质量有关的事项和作出相关的决定,承担工程建设过程中和建筑物设计使用年限内法律法规规定职责范围的质量终身责任.本授权有效期为此授权书签发之日起至法定代表人书面声明本授权作废为止.委托单位〔盖章〕:法定代表人〔签名或盖章〕:被授权人〔签名或盖章〕:年月日表A17工程竣工永久性质量责任标牌说明:设计单位负责责任标牌的设计,标牌材料应采用耐久性材料,宽度不小于850 mm,高不小于550mm.文字应采用凹刻宋体,字号根据实际情况确定,颜色根据所选材料确定,可采用黑色或红色,应便于识别.设计文件中应明确责任标牌的安装位置和安装方法.住宅工程设置在单元入口外墙一侧,公共建筑设置在外墙主立面主入口一侧.工程技术文件报审表.技术交底记录<包括工程中的关键性施工技术问题;保证工程施工质量的施工方法、技术措施和安全、环境保护措施等;施工质量标准及验收规范的有关条文;施工图中必须注意的尺寸、标高、轴线及预埋件、预留孔位置;设计变更的具体情况;质量和安全27 / 615表 B 3-1 编号:工程名称共页 第页地点设计交底记录 日期年月日交底内容:由施工单位整理、汇总,各参会单位会签,并经建设单位盖章,有关单位各保存一份.<建设单位公章〕.图纸会审记录29 / 615设计变更通知单.工程洽商记录31 / 615危险性较大分部分项工程施工方案专家论证表注:本表一式四份,项目监理机构、建设单位、施工单位、城建档案管理机构各保存一份.论证专家组组成规定详见建质[2009]87号文《危险性较大的分部分项工程安全管理办法》的相关规定要求..33 / 615图纸编号 施测日期 年月日 坐标依据 复测日期 年月日高程依据 使用仪器 闭合差仪器检定时间 相对标高绝对标尚工程定位测量记录定位抄测示意图: 抄测结果:地基验槽记录工程名称 检查时间表C 3编号:测量部位桩位测量放线检查记录测量内容 测量依据: 放线示意图〔加桩位附图〕桩基施工单位复检结论:放线简图:检查结论:具体意见:□同意□重新放样楼层放线记录.37 / 615抄测说明及简图:检查意见: 具体意见:□同意 □重新抄测.建筑物垂直度、标高测量记录39 / 615钢结构主体结构整体垂直度、平面弯曲、标高观测记录工程名称 隐蔽日期年表D 1-1-1编号:□修改后自行隐蔽□不同意,修改后重新报验隐蔽部位 依据: 施工图纸〔施工图纸编号_ 设计变更/洽商〔编号隐蔽项目 和有关规定、规程.材质:主要材料_ 规格/型号 隐蔽工程检查记录隐蔽内容:特殊工艺:审核意见:□同意隐蔽 质量问题:隐蔽工程检查图片附表表D 1-1-1编号:日沟槽尺寸 土质情况 接地极规格〔mm >打进深度〔mm >防腐处理 接地电阻〔取最大值>审核意见:□ 同意隐蔽 □ 修改后自行隐蔽 □ 不同意,修改后重新报验质量问题:绘制比例要适当,注明各组别编号及有关尺寸.避雷装置隐蔽工程检查记录工程名称验收日期年月日接闪器天气情况施工图编号表D1-1-3编号:部位〔编号〕材质规格结构型式外观检查连接情况防腐处理均压带〔环〕部位材质规格长度敷设方法外观检查连接情况防腐处理引下线部位材质规格长度连接情况断接卡高度〔m>接地体序号防腐处理基础接地部位材质规格长度敷设方法外观检查连接情况防腐处理简图或说明:审核意见:□同意隐蔽□ 修改后自行隐蔽口不同意,修改后重新报验质量问题:表D 1-1-5编号:等电位类别 施工图编号工程名称验收日期年月日部位〔编号〕材质规格 敷设方法 连接情况防腐处理电气等电位联结隐蔽工程检查记录隐蔽内容〔图示或文字说明〕 接地连接线规格 防腐处理幕墙及金属门窗避雷装置隐蔽工程检查记录表D 1-1-4编号:简图或说明: 审核意见:□ 同意隐蔽 □ 修改后自行隐蔽 □ 不同意,修改后重新报验审核意见:□ 同意隐蔽 □ 修改后自行隐蔽 □不同意,修改后重新报验质量问题:预检工程检查记录>和有关规范、规程.依据:施工图纸〔施工图纸编号设计变更/洽商〔编号材质:主要材料和设备规格/型号特殊工艺:检查意见:□合格□不合格质量问题:表D1-3编号:工程名称日期年月日.施工记录〔通用> 施工内容:施工依据与材料:审核意见:质量问题:47 / 615.物业雜r夕權網廣抓雜,麵繼狐瓶侧麵皂賴、49 / 615地基处理记录勃2-1编号:工程名称:施工单位处理部位〔或简图〕:处理方式:处理前状态:〔原土标高、处理深度等> 处理过程简述:记录日期:年月日处理结果:。
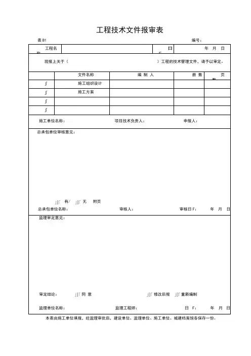
工程技术文件报审表
表B1 编号:
本表由施工单位填报,经监理审批后,建设单位、监理单位、施工单位、城建档案馆各保存一份。
技术交底记录
表B2 编号:
本表由施工单位填写,交底单位与接受交底单位、建设单位、施工单位、城建档案馆各保存一份。
27
设计交底记录
表B3-1 编号:
由施工单位整理、汇总,各参会单位会签,并经建设单位盖章,有关单位各保存一份。
图纸会审记录
表B3-2 编号:
由施工单位整理、汇总,各参会单位会签,并经各单位盖章,有关单位各保存一份。
29
设计变更通知单
表B3-3 编号:
本表由设计单位提出,建设单位、监理单位、施工单位、城建档案馆各保存一份。
工程洽商记录
表B3-4 编号:
本表由洽商提出方填写并注明原图纸号,有关单位会签并盖早各保存一份。
31
危险性较大分部分项工程施工方案专家论证表表B4 编号:
注:本表一式四份,项目监理机构、建设单位、施工单位、城建档案管理机构各保存一份。
论证专家组组成规定详见建质[2009]8 7号文《危险性较大的分部分项工程安全管理办法》的相关规定要求。
工程概况表表A1 编号:本表由施工单位填写,建设单位、施工单位、城建档案馆各保存份。
建筑节能工程概况表表A1-1 编号:施工项目部管理人员名单表A2 编号:本表由施工单位填写,建设单位、监理单位、施工单位、城建档案馆各保存一份。
另附:企业法定代表人对项目经理的任命书和管理人员岗位证书。
特种作业人员名单表A3 编号:本表由施工单位填写,建设单位、施工单位、城建档案馆各保存一份。
另附:特种作业人员岗位证书。
施工现场质量管理检查记录表A4-1 开工日期:年月日砌体工程施工质量控制等级检查记录GB50203-2011表A4-2 编号:2.配筋砌体不得为C级施工。
工程开工报告表A5 编号:工程竣工报告表A6 编号:本表由施工单位填报,经监理单位审批后,建设单位、监理单位、施工单位、城建档案馆各存一份。
表A7 编号:×××表A8 编号:施工进度计划分析表A9 编号:本表由施工单位填报,建设单位、监理单位、施工单位、城建档案馆各保存一份。
11项目大事记表A10 编号:本表由施工单位填写,建设单位、施工单位、城建档案馆各保存一份。
12施工日志表A11 编号:13不合格项处置记录表A12 编号:14建设工程质量事故调(勘)查记录表A13-1 编号:15建设工程质量事故报告书表A13-2 编号:16见证试验检测汇总表表A14 编号:本表由施工单位填写,建设单位、施工单位、城建档案馆各保存一份。
制表人:年月日17建设单位项目负责人工程质量终身责任承诺书工程名称:本人承诺在工程建设过程中和建筑物设计使用年限内,对工程质量承担全面责任。
在工程建设过程中认真履行下列职责:1、严格遵守相关法律法规和规范标准,认真履行建设工程合同所规定的责任和义务。
2、将工程发包给具有相应资质等级的施工、监理、勘察、设计、检测和施工图审查等单位,不将建设工程肢解发包。
对按规定必须招标的严格依法依规进行招标,不迫使承包方以低于成本价竞标,不任意压缩合理工期。
《湖北省建筑工程施工统一用表(2016年版)》配套软件《统一用表》主编单位:湖北省建设工程质量安全监督总站《统一用表》应用指南主编单位:北京筑业志远软件开发有限公司《统一用表》配套资料软件研发单位:北京筑业志远软件开发有限公司土建表格安装表格监理表格安全表格创杯表格分户验收表格竣工备案表格城镇道路表格城市桥梁表格给水排水表格地铁表格消防表格人防表格园林表格技术交底安全交底施组工艺一、软件主要编制依据:1、《湖北省建筑工程施工统一用表(2016年版) 》2016年10月1日实施2、《湖北省施工项目安全管理内业资料汇编2007年版》3、湖北省和武汉市市政工程资料全套新表格(带红章)4、湖北省和武汉市监理资料表格(带红章)5、《武汉市建筑施工现场安全质量标准化达标实施手册》二、适用对象:湖北省建筑、安装、市政等施工企业或监理企业编制内业技术资料、市政资料、安全资料。
三、包含内容:1、《湖北省建筑工程施工统一用表》(2016年版);2、《湖北省施工项目安全管理内业资料汇编2007年版》配套表格;3、《湖北省市政基础设施工程施工统一规定用表》、《武汉市市政基础设施工程施工统一规定用表》、《武汉地区城镇道路工程施工管理统一用表》、《武汉地区城市桥梁工程施工管理用表》、《武汉地区给水排水工程施工管理用表》、《武汉市地铁工程施工质量检验记录统一用表》、《武汉市地铁与隧道土建工程施工管理用表》;4、《建设工程监理规范》GB/T50319-2013配套表格、武汉市建设工程监理规范及配套用表(2015版)、《宜昌市监理统一用表》2015版;5、《湖北省住宅工程质量分户验收管理暂行规定》(鄂建[2008]53号)配套表格;6、湖北省建筑优质工程(楚天杯)、湖北省建筑结构优质工程、湖北省建筑工程安全文明施工现场(楚天杯)等三个奖项系列表格;7、湖北省工程质量监督(竣工验收备案)表格;8、《武汉市建筑施工安全质量标准化工作实施办法》和《武汉市建筑施工现场安全质量标准化达标实施手册》、《建筑施工安全检查标准JGJ59-2011》、《施工企业安全生产评价标准JGJ/T77-2010》配套表格;9、孝感市建筑节能工程施工质量验收资料配套表格;黄石、宜昌、随州、襄樊、十堰等各地区资料表格;10、《人民防空工程施工及验收规范GB50134-2004》配套表格;11、《园林绿化施工技术资料编制手册》配套表格。
湖北省建筑工程施工统一用表Is the eternal love the truth. December 22, 2021湖北省建筑工程施工统一用表工程施工资料的分类当前工程项目施工资料一般按工程技术管理、工程质量保证、工程质量验收三大类进行收集和整理,根据资料的性质,可将其划分为以下七小类:A 类工程管理资料1、工程概况表2、工程开工报告3、工程竣工报告4、工程停工报告5、工程复工报告6、施工进度计划分析7、项目大事记8、施工日志9、不合格项处置记录10、施工总结B类工程技术资料1、工程技术文件报审表2、技术管理资料3、设计变更文件C类工程测量记录1、工程定位测量记录2、地基验槽记录3、楼层放线记录4、沉降观测记录5、建筑物垂直度观测记录D类工程施工记录1、通用记录2、土建专用施工记录3、建筑安装专用施工记录E类工程试验检验记录1、施工试验记录通用2、结构专用施工试验记录3、设备试运转记录4、电气专用施工试验记录5、管道专用施工试验记录6、通风空调专用施工试验记录7、电梯专用施工试验记录F类工程物质资料施工物质资料统一用表表F见现行湖北省建筑工程材料构件检验试验、检测报告用表; G类施工验收资料1、工程检验批质量验收记录2、分项工程质量验收记录3、分部子分部工程质量验收记录4、单位子单位工程质量竣工验收记录5、单位子单位工程质量控制资料核查记录6、单位子单位工程安全和功能检验资料核查及主要功能抽查记录7、单位子单位工程观感质量检查记录8、施工现场质量管理检查记录9、工程检验批质量检查记录表通用工程概况表表A1 编号:附:建筑总平面图、建筑立面图、建筑剖面图本表由施工单位填写,城建档案馆和施工单位各保存一份;表A2 编号:本表由施工单位填报,经监理单位审批后,建设单位、监理单位、施工单位各存一份;表A3 编号:本表由施工单位填报,经监理单位审批后,建设单位、监理单位、施工单位各存一份;表A4 编号:本表由施工单位填报,经监理单位审批后,建设单位、监理单位、施工单位各存一份;表A5 编号:本表由施工单位填报,经监理单位审批后,建设单位、监理单位、施工单位各存一份;施工进度计划分析表A6 编号:本表由施工单位填写,建设单位、监理单位、施工单位各存一份;项目大事记表A7 编号:本表由施工单位填写,建设单位、城建档案馆和施工单位各存一份;施工日志表A8 编号:不合格项处置记录表A9 编号:本表由下达方填写,整改方填报整改结果,双方各存一份;建设工程质量事故调勘查记录表A10-1 编号:本表由调查人填写,各有关单位均保存一份;建设工程质量事故报告书表A10-2 编号:本表由报告人填写,各有关单位均保存一份;工程技术文件报审表表B1 编号:本表由施工单位报填,经监理单位审批后,建设单位、监理单位、施工单位各存一份;技术交底记录表B2 编号:本表由施工单位填写,交底单位与接受交底单位各存一份;表B3-1 编号:由施工单位整理、汇总、各与会单位会签,并经各单位盖章,有关单位各保存一份;表B3-2 编号:由施工单位整理、汇总、各与会单位会签,并经建设单位盖章,有关单位各保存一份;设计变更、洽商记录表B3-3 编号:本表由洽商提出方填写并注明原图纸号,有关单位会签并各保存一份;工程定位测量记录表C1 编号:本表由测量单位提供,城建档案馆、建设单位、监理单位、施工单位各保存一份;地基验槽记录表C2 编号:本表由施工单位填写,城建档案馆、建设单位、监理单位、施工单位各保存一份;楼层放线记录表C3 编号:本表由测量单位提供,施工单位各保存;沉降观测记录表C4 编号:本表由测量单位提供,城建档案馆、建设单位、监理单位、施工单位各保存一份;单位工程垂直度观测记录表表C5 编号:。
湖北省建筑工程施工统一用表On March 12, 2022, study standards and apply standards.湖北省建筑工程施工统一用表工程施工资料的分类当前工程项目施工资料一般按工程技术管理、工程质量保证、工程质量验收三大类进行收集和整理,根据资料的性质,可将其划分为以下七小类:A 类工程管理资料1、工程概况表2、工程开工报告3、工程竣工报告4、工程停工报告5、工程复工报告6、施工进度计划分析7、项目大事记8、施工日志9、不合格项处置记录10、施工总结B类工程技术资料1、工程技术文件报审表2、技术管理资料3、设计变更文件C类工程测量记录1、工程定位测量记录2、地基验槽记录3、楼层放线记录4、沉降观测记录5、建筑物垂直度观测记录D类工程施工记录1、通用记录2、土建专用施工记录3、建筑安装专用施工记录E类工程试验检验记录1、施工试验记录通用2、结构专用施工试验记录3、设备试运转记录4、电气专用施工试验记录5、管道专用施工试验记录6、通风空调专用施工试验记录7、电梯专用施工试验记录F类工程物质资料施工物质资料统一用表表F见现行湖北省建筑工程材料构件检验试验、检测报告用表; G类施工验收资料1、工程检验批质量验收记录2、分项工程质量验收记录3、分部子分部工程质量验收记录4、单位子单位工程质量竣工验收记录5、单位子单位工程质量控制资料核查记录6、单位子单位工程安全和功能检验资料核查及主要功能抽查记录7、单位子单位工程观感质量检查记录8、施工现场质量管理检查记录9、工程检验批质量检查记录表通用工程概况表表A1 编号:附:建筑总平面图、建筑立面图、建筑剖面图本表由施工单位填写,城建档案馆和施工单位各保存一份;表A2 编号:本表由施工单位填报,经监理单位审批后,建设单位、监理单位、施工单位各存一份;表A3 编号:本表由施工单位填报,经监理单位审批后,建设单位、监理单位、施工单位各存一份;表A4 编号:本表由施工单位填报,经监理单位审批后,建设单位、监理单位、施工单位各存一份;表A5 编号:本表由施工单位填报,经监理单位审批后,建设单位、监理单位、施工单位各存一份;施工进度计划分析表A6 编号:本表由施工单位填写,建设单位、监理单位、施工单位各存一份;项目大事记表A7 编号:本表由施工单位填写,建设单位、城建档案馆和施工单位各存一份;施工日志表A8 编号:不合格项处置记录表A9 编号:本表由下达方填写,整改方填报整改结果,双方各存一份;建设工程质量事故调勘查记录表A10-1 编号:本表由调查人填写,各有关单位均保存一份;建设工程质量事故报告书表A10-2 编号:本表由报告人填写,各有关单位均保存一份;工程技术文件报审表表B1 编号:本表由施工单位报填,经监理单位审批后,建设单位、监理单位、施工单位各存一份;技术交底记录表B2 编号:本表由施工单位填写,交底单位与接受交底单位各存一份;表B3-1 编号:由施工单位整理、汇总、各与会单位会签,并经各单位盖章,有关单位各保存一份;表B3-2 编号:由施工单位整理、汇总、各与会单位会签,并经建设单位盖章,有关单位各保存一份;设计变更、洽商记录表B3-3 编号:本表由洽商提出方填写并注明原图纸号,有关单位会签并各保存一份;工程定位测量记录表C1 编号:本表由测量单位提供,城建档案馆、建设单位、监理单位、施工单位各保存一份;地基验槽记录表C2 编号:本表由施工单位填写,城建档案馆、建设单位、监理单位、施工单位各保存一份;楼层放线记录表C3 编号:本表由测量单位提供,施工单位各保存;沉降观测记录表C4 编号:本表由测量单位提供,城建档案馆、建设单位、监理单位、施工单位各保存一份;单位工程垂直度观测记录表表C5 编号:。
预应力灌浆与封锚检验批质量验收记录GB50204-2015现浇结构外观质量、位置和尺寸偏差检验批质量验收记录GB50204-20150102020901020309混凝土设备基础外观质量、位置和尺寸偏差检验批质量验收记录GB50204-20150102021001020310装配式结构预制构件检验批质量验收记录GB50204-2015装配式结构预制构件检验批质量验收记录GB50204-2015装配式结构安装与连接检验批质量验收记录GB50204-2015砖砌体检验批质量验收记录GB50203-2011 010201010102021101020311混凝土小型空心砌块砌体检验批质量验收记录GB50203-2011010201020102021201020312石砌体检验批质量验收记录GB50203-2011 01020103 01020213 01020313配筋砌体检验批质量验收记录GB50203-2011 01020104 01020214 01020314填充墙砌体检验批质量验收记录GB50203-2011 01020215 01020315钢结构焊接检验批质量验收记录01020401焊钉(栓钉)焊接工程检验批质量验收记录GB50205-200101020402紧固件连接检验批质量验收记录01020403高强度螺栓连接检验批质量验收记录01020404钢零部件加工检验批质量验收记录01020405 GB50205-2001钢构件组装检验批质量验收记录01020406 02030401钢构件预拼装检验批质量验收记录01020407单层钢结构安装检验批质量验收记录GB50205-200101020408多层及高层钢结构安装检验批质量验收记录GB50205-200101020409压型金属板检验批质量验收记录GB50205-2001 01020410 02030901防腐涂料涂装检验批质量验收记录01020411防火涂料涂装检验批质量验收记录GB50205-2001 01020412 02031101GB50628-201001020501GB50628-201001020502钢管构件现场拼装检验批质量验收记录01020502钢管混凝土柱柱脚锚固检验批质量验收记录GB50628-201001020503钢管混凝土构件安装检验批质量验收记录GB50628-201001020504钢管混凝土柱与钢筋混凝土梁连接检验批质量验收记录GB50628-20100102050502040301GB50628-201001020506GB50628-201001020507焊接材料检验批质量验收记录02060101 GB50576-2010铝合金构件焊接检验批质量验收记录GB50576-2010铝合金构件焊接检验批质量验收记录02060102标准紧固件检验批质量验收记录02060201 GB50576-2010普通紧固件连接检验批质量验收记录GB50576-2010高强度螺栓连接检验批质量验收记录GB50576-2010铝合金材料检验批质量验收记录02060301GB50576-2010GB50576-2010球、载加工检验批质量验收记录GB50576-2010铝合金零部件制孔检验批质量验收记录GB50576-2010铝合金零部件槽、豁、幢加工检验批质量验收记录GB50576-2010螺栓球检验批质量验收记录02060401铝合金构件组装检验批质量验收记录GB50576-2010铝合金构件端部就平及安装焊缝坡口检验批质量验收记录GB50576-2010铝合金构件预拼装检验批质量验收记录GB50576-2010铝合金框架结构基础和支承面检验批质量验收记录GB50576-2010。
湖北省建筑工程施工统一用表(2016年版)宣贯----A-F类验收资料工程竣工验收资料工程档案管理资料本次表格的修改是基于原2009年版《湖北省建筑工程施工统一用表》,再根据新规范、标准的要求和这几年湖北省在参加全国鲁班奖验收时,各验收组的专家对湖北省地区的工程资料提出的建议,做了部分修改和增加。
1修改说明2修改依据3主要修改内容及解析4一、修改说明随着《建筑工程施工质量验收统一标准》GB50300-2001修编为GB50300-2013,相配套的工程质量验收规范也陆续进行了修编,为了适应新标准的要求,对湖北省建筑工程施工统一用表(2009年版)进行了修改完善。
完善后为湖北省建筑工程施工统一用表(2016年版),其组成部分为A工程管理资料、 B工程技术资料、 C工程测量记录、 D工程施工记录、 E工程试验检验记录、 F工程物质资料、G施工质量验收资料、工程竣工验收资料、工程档案管理资料。
二、修改依据原类别名称现类别名称A工程管理文件A工程管理资料B工程技术文件B工程技术资料C工程测量记录C工程测量记录D工程施工记录D工程施工记录E工程试验检验记录E工程试验检验记录F工程物资文件F工程物资资料G施工质量验收文件G施工质量验收资料1.根据《建筑工程资料管理规程》JGJ/T185-2009、《建筑工程施工质量验收统一标准》GB50300-2013,将“文件”改为“资料”。
2.原湖北省地方标准《建筑节能工程施工文件管理规范》中节能资料融入到新的湖北省建筑工程施工统一用表中。
1.《建筑工程施工质量验收统一标准》GB50300-20132. 相配套的各工程施工质量验收规范3.自动喷水灭火系统施工及验收规范(GB50261-2005)4. 混凝土强度检验评定标准(GB/T50107-2010)5.建筑工程资料管理规程JGJ/185-20096.建筑节能工程施工文件管理规范DB42/T642-20107.建筑工程检测试验技术管理规范JGJ190-20108.建设工程文件归档整理规范GB/T50328-20149.湖北省建筑工程施工统一用表(2009年版)10.湖北施工用表已实行多年,结合与实际工程的应用所反映出的问题(表格修改、增加等)11.湖北省检测中心现行检测用表三、主要修改内容及解析A 工程管理资料表A1 工程概况表表A1-1建筑节能工程概况表表A2 施工项目部管理人员名单表A3 特种作业人员名单表A4-1 施工现场质量管理检查记录表A4-2 砌体施工质量控制等级检查记录表A5 工程开工报告表A6 工程竣工报告表A7 工程停工报告表A8 工程复工报告表A9 施工进度计划分析表A10 项目大事记表A11 施工日志表A12 不合格项处置记录表A13-1 建设工程质量事故调(勘)查记录表A13-2 建设工程质量事故报告书表A14 见证试验检测汇总表表A15-1 建设单位项目负责人工程质量终身责任承诺书表A15-2 监理单位项目负责人工程质量终身责任承诺书表A15-3 施工单位项目负责人工程质量终身责任承诺书表A15-4 勘察单位项目负责人工程质量终身责任承诺书表A15-5 设计单位项目负责人工程质量终身责任承诺书表A15-6 工程质量终身责任信息表表A16 法定代表人授权书表A17 工程竣工永久性质量责任标牌工程管理资料—表A1 工程概况表1.增加勘察单位一栏工程名称要填写全称,与施工许可证、施工图纸中工程名称应一致。
湖北省建筑工程施工统一用表工程施工资料的分类当前工程项目施工资料一般按工程技术管理、工程质量保证、工程质量验收三大类进行收集和整理,根据资料的性质,可将其划分为以下七小类:A类工程管理资料1、工程概况表2345678910B123C12345D123E1234、电气专用施工试验记录5、管道专用施工试验记录6、通风空调专用施工试验记录7、电梯专用施工试验记录F类工程物质资料施工物质资料统一用表(表F)见现行湖北省建筑工程材料(构件)检验(试验、检测)报告用表。
G类施工验收资料1、工程检验批质量验收记录2、分项工程质量验收记录3、分部(子分部)工程质量验收记录4、单位(子单位)工程质量竣工验收记录5、单位(子单位)工程质量控制资料核查记录6、单位(子单位)工程安全和功能检验资料核查及主要功能抽查记录7、单位(子单位)工程观感质量检查记录8、施工现场质量管理检查记录9、工程检验批质量检查记录表(通用)工程概况表表A1编号:附:建筑总平面图、建筑立面图、建筑剖面图本表由施工单位填写,城建档案馆和施工单位各保存一份。
表A2编号:表A3编号:表A4编号:表A5编号:施工进度计划分析表A6编号:本表由施工单位填写,建设单位、监理单位、施工单位各存一份。
项目大事记表A7编号:本表由施工单位填写,建设单位、城建档案馆和施工单位各存一份。
施工日志表A8编号:不合格项处置记录表A9编号:建设工程质量事故调(勘)查记录表A10-1编号:本表由调查人填写,各有关单位均保存一份。
建设工程质量事故报告书表A10-2编号:本表由报告人填写,各有关单位均保存一份。
工程技术文件报审表表B1编号:本表由施工单位报填,经监理单位审批后,建设单位、监理单位、施工单位各存一份。
技术交底记录表B2编号:本表由施工单位填写,交底单位与接受交底单位各存一份。
图纸会审记录表B3-1编号:由施工单位整理、汇总、各与会单位会签,并经各单位盖章,有关单位各保存一份。
工程概况表表A1 编号:本表由施工单位填写,建设单位、施工单位、城建档案馆各保存份。
建筑节能工程概况表表A1-1 编号:本表由施工单位填报,经监理单位审批后,建设单位、监理单位、施工单位、城建档案馆各保存一份。
施工项目部管理人员名单表A2 编号:本表由施工单位填写,建设单位、监理单位、施工单位、城建档案馆各保存一份。
另附:企业法定代表人对项目经理的任命书和管理人员岗位证书。
特种作业人员名单表A3 编号:本表由施工单位填写,建设单位、施工单位、城建档案馆各保存一份。
另附:特种作业人员岗位证书。
施工现场质量管理检查记录表A4-1 开工日期:年月日砌体工程施工质量控制等级检查记录GB50203-2011表A4-2 编号:注:1.砂浆、混凝土强度离散性大小根据强度标准差确定;2.配筋砌体不得为C级施工。
工程开工报告表A5 编号:工程竣工报告表A6 编号:工程停工报告表A7 编号:×××工程复工报告表A8 编号:本表由施工单位填报,经监理单位审批后,建设单位、监理单位、施工单位、城建档案馆各存一份。
施工进度计划分析表A9 编号:本表由施工单位填报,建设单位、监理单位、施工单位、城建档案馆各保存一份。
项目大事记表A10 编号:本表由施工单位填写,建设单位、施工单位、城建档案馆各保存一份。
施工日志表A11 编号:本表由施工单位填写,建设单位、施工单位、城建档案馆各保存一份。
不合格项处置记录表A12 编号:本表由下达方填写,整改方填报整改结果,双方单位、建设单位、监理单位、施工单位、城建档案馆各保存一份建设工程质量事故调(勘)查记录表A13-1 编号:本表由调查人填写,有关单位各保存一份。
建设工程质量事故报告书表A13-2 编号:见证试验检测汇总表表A14 编号:本表由施工单位填写,建设单位、施工单位、城建档案馆各保存一份。
制表人:年月日表A15-1建设单位项目负责人工程质量终身责任承诺书工程名称:本人承诺在工程建设过程中和建筑物设计使用年限内,对工程质量承担全面责任。
工程技术文件报审表
表B1 编号:
本表由施工单位填报,经监理审批后,建设单位、监理单位、施工单位、城建档案馆各保存一份。
技术交底记录
表B2 编号:
本表由施工单位填写,交底单位与接受交底单位、建设单位、施工单位、城建档案馆各保存一份。
设计交底记录
表B3-1 编号:
由施工单位整理、汇总,各参会单位会签,并经建设单位盖章,有关单位各保存一份。
图纸会审记录
表B3-2 编号:
由施工单位整理、汇总,各参会单位会签,并经各单位盖章,有关单位各保存一份。
设计变更通知单
表B3-3 编号:
本表由设计单位提出,建设单位、监理单位、施工单位、城建档案馆各保存一份。
工程洽商记录
表B3-4 编号:
本表由洽商提出方填写并注明原图纸号,有关单位会签并盖早各保存一份。
危险性较大分部分项工程施工方案专家论证表表B4 编号:工程名称
施工单位项目负责人
分包单位分包单位
项目负责人
分项工程名称
专家一览表
姓名性别年龄工作单位职务职称专业专家论证意见(可附加页):
年月日
组长:
签字栏
专家:
成规定详见建质[2009]8 7号文《危险性较大的分部分项工程安全管理办法》的相关规定要求。