生产现场定置图规范和图例
- 格式:doc
- 大小:4.35 MB
- 文档页数:8
可视化定置管理标准一、线型标准6 绿色1000 -2000mm 生产区域安全通道、专用 通道、特大型仓库的主通 道 二、画线标准1、大型设备、主通道区域划分 颜色 线宽 (A) 适用范围 大型设 备、主通道、 黄色 1 大型生产车间 00mm 及大型仓库的 主通道、厂区 交通道路 中小型设 备、次通道、 中小型仓库和 5 小型房间的主 黄色 0mm 通道、货架、 一般物品、可 移动物品、清 扫工具等 待修理 红色 5 品、不良品或■ 0mm 废品、危险区域绿色 ■ 50mm 合格品Ammummo 5定确划规场现150mm 150mm大型工作区域内部的区 域以及功能不 确定的区域特别说明:大区域:大型设备区域划分和生产车间及露天仓库的主通道线使用 100mm 的线宽。
小区域:中小型设备区域划分及次通道、小型仓库和小型房间的主通道线使用50mm 的线宽。
地面分区线:黄色虚线区域为一般物品及功能不确定区,绿色区域 为合格品区,红色区域为待修理品、不良品或废品区。
事例:黄色虚线0mm2、绿色通道3、物品定位(四角定位)特别说明:1.此定位方式比较适用于小于400mm 的物品定位 2.物品投影面与定位线间隔10-20mm 左右的距离 事例图例 , 200mm i mmuoz m Am颜色线宽(A) 适用范围黄色 50mm 一般物品定位:货架、一般物品、可移动物品、清扫工具、泵等 黄色 20mm 桌面或操作台 上物品定位 红色 50mm 危险化学品的 定位线 红色 2 0mm 垃圾桶定位线4、物品定位(实线框定位) 事例 特别说明:1.此定位方式比较适用于大于1000mm X 1000mm 或小于400mmX 400mm 的物品定位。
2.物品投影面与定位线间隔10mm 左右的距离。
图例 动物品、清工具、泵等黄色桌面或操作 位颜色 线宽 适用范围50mm 般物品、可20mm 台上物品定10mm u位:货架、一黄色 一般物品定5、设备安全警戒线(实线框定位)特别说明:1.发电机组周围(距离为1000mm)2.落地安装的转动机械周围(距离为800mm)3.控制盘(台)前(800mm)4.配电盘(屏)前(800mm)5.特殊情况下可以根据现场设备的实际情况进行以上尺寸调整。
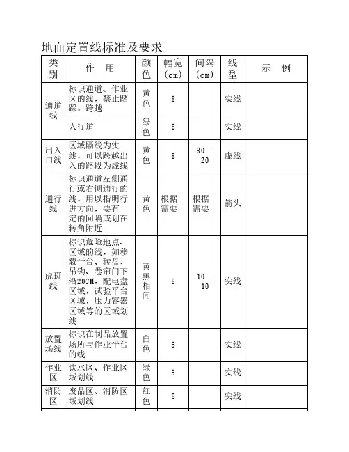
地面定置线标准及要求
类别作用颜色幅宽
(cm)
间隔
(cm)
线型示例
通道线
标识通道、作业区的线,禁止踏踩,跨越黄色8 实线
人行道绿色8 实线
出入口
线
区域隔线为实线,可以跨越出入的路段为虚线黄色8 30-20 虚线
通行线标识通道左侧通行或右侧通行的线,用以指明
行进方向,要有一定的间隔或划在转角附近
黄色根据需要根据需要箭头
虎斑线标识危险地点、区域的线,如移载平台、转盘、
吊钩、卷帘门下沿20CM,配电盘区域,试验平
台区域,压力容器区域等的区域划线
黄黑
相间
8 10-10 实线
放置场
线
标识在制品放置场所与作业平台的线白色 5 实线作业区饮水区、作业区域划线绿色 5 实线消防区废品区、消防区域划线红色8 实线暂存区等处理区,暂存区域划线蓝色 5 实线
1
2。
附录1定置图图例标准附录2 生产现场标志牌及色彩标志标准一、标志牌类1说明:1、固定在专业厂厂房大门外墙上醒目处2、尺寸见图3、颜色:黑框,中间横线较粗(黑色),上半部蓝底白字,"A"为红色。
下半部白底,三角为黄色,尺寸(x)为红色,“m”为黑色4、注解:A--专业厂厂房门自编号,为小写阿拉伯数字X--厂房门洞的高度、宽度2、流水生产线标志牌(1)生产线基本状况标志牌说明:1、悬挂在主要零件流水生产线上空2、尺寸见图3、颜色:绿框、绿线条,白底,大字黑色,小字红色,填写内容黑色4、大字高90,小字高50(2)生产线首(末)工序标志牌说明:1、悬挂在生产线首道(末道)上方2、尺寸见图3、颜色:绿框、绿线条,白底,大字黑色,小字红色,填写内容为黑色 460,小字高35 5为一汽标志(33、装配线标志牌(1)装配线(总装配、大总成)基本情况标志牌说明:1、悬挂在装配线首道工序上方 2、尺寸见图3、颜色:白底、绿线条,大字红色,小字黑色,填写内容为红色(2)、工位标志牌 φ(1) (2)说明:1、悬挂放置或喷漆在装配线、分装点、单机生产所用工位器具上或附近 2、尺寸:(1)见图(2)依据工位器具横栏的宽度定3、颜色:白底红字或以工位器具自身的颜色为低色,字为红色4、注解:×××--零件号M---------最高储备量 N---------每箱件数4说明:1、固定或喷漆在货架侧面上 2、尺寸根据货架定3、颜色:以工位器具自身颜色或白色为底色,黄框,红字4、注解:在货架侧面,该标志牌上要有货架号,为小写阿拉伯数字,红字5、其他标志牌(1)废品点标志牌 (2)返修品点标志牌说明1、放置或固定在废品点(附近) 说明1、放置或固定在返修品点(附近) 2、尺寸:φ220 2、尺寸:φ220 3、颜色:黄底黑字 3、颜色:红底黑字(3)检查台标志牌 (4)待检点标志牌说明1、放置在检查台上 说明1、放置或固定在待检点(附近) 2、尺寸:φ220 2、尺寸:φ220 3、颜色:黄底蓝字 3、颜色:黄底红字(5)待处理品点标志牌 (6)通道标志牌说明:1、放置或固定在待处理 说明:1、置于通道旁醒目处 2、尺寸φ2202、尺寸见图3、颜色:白底黄字 3、颜色:蓝底白字4、注解:×--通道编号(7)、存放区域标志牌(a (b )说明:1、放置在各类存放区醒目处 2、尺寸见图3、颜色:黑框,黑线条,白底,大字黑色,小字红色,填写内容为黑色4、注解:若是长期存放,则时间后无内容;若是临时存放,要注明具体时间二、色彩标志类1、废品箱(架)类 说明:(1)外表为黄色(2)其上有标记,c--专业厂内字标号,d--车间班组代号,红底白字 2、返修品箱(架) 说明:1、外表为黄色 2、其余同废品箱 3、垃圾箱说明:1、外表为深兰色 2、其余同垃圾箱 4、苏打箱说明:1、外表为绿色 2、其余同垃圾箱 5、铝屑箱说明:12、其上有 标记,白底红字,直径200 3 6、铜屑箱说明:1、外表灰色2、其上有 标记,白底红字,直径2003、其余同垃圾箱 7、铁屑箱说明:1、外表颜色铁灰色 2、其余同垃圾箱三、标志线类1、各类通道标志线2、各类物品存放区域标志线(1)、存放成品兰色,宽度80 ,节线长300, 间隔300mm ;(2)、存放废品黄色,宽度80 ,节线长300,间隔300mm ;(3)、存放返修品红色,宽度80,节线长300,间隔300mm ;(4)、存放待处理品颜色斜向相对的角线一对红,一对黄,宽度80,节线长300(5)、存放待检件颜色斜向相对的角线一对蓝,一对黄(6)存放工具箱、工作台、在制品、(7)存放其他物品及车间工位器具工段、生产线、班组颜色:白色的区域划分尺寸:宽度80mm 颜色:白色尺寸:宽度80 ,节线长300,间隔300mm月份现场综合管理报表一、定置率报表定置管理员:二、定置管理、文明生产、仓库管理、物流与工位器具月份工作小结生产科(部)长:。
生产现场定置图规范和图例一、定置图规范生产现场定置图应包括两个层次,分厂区域定置图和班组工位定置图。
工位定置图工作区域详细标明设备、作业台、工具箱、工具工装架、信息栏(包括看板等)、清洁用具存放点、吊具架、存放区域等的名称、位置、摆放方向,并且各项图例所占面积与实际情况应是同比例缩小。
特殊情况比例可适当调整。
文字说明使用华文细黑,字体大小在A4图纸上为12号或14号(不加粗),在其他图纸上同比例放大。
安全警示区继承分厂定置图在班组区域内对应的位置和图例。
二、定置图图例图例1项目图例项目图例清洁用具存放点卫生间吸烟点洗手池消防点检验区12叉车传送带工具架工具架工具箱工具箱平板车小推车压缩机休息区车床焊机加工中心剪切床锯床磨床镗床铣床压床钻床图例2(安全类)安全点名称主要内容图例废弃物废物垃圾区域废弃物收集点(废水、危险废弃物除外)单位根据具体情况决定。
车辆停放区域喷漆作业、调漆作业、电镀作业、磷化作业、淬火(盐炉)作业等;毒害区域(点)如喷砂、抛丸等作业飞溅危害区域废水排放区域乳化液、切屑液、清洗液、电镀废水、油漆废水、含磷废水;粉尘区域(点)电焊作业、切割作业(包括数控切割、手工切割等)、抛(喷)丸作业、批磨作业、砂轮机磨刀作业、工具磨等机加工作业、锅炉工作业、抛光作业;辐射区域高频淬火作业;高温区域电炉作业、淬火(多用炉)作业、锅炉工作业、热处理调质作业等;。
高压触电区域变配电室、变压器;弧光区电焊作业等深坑洞区域如铸造公司落砂机;危险废弃物堆放区域喷漆作业过程产生的油漆漆渣、空桶及电镀废水处理过程中产生的电镀污泥等。
危险化学品定置点油漆稀料、丙酮、液化气、乙炔、油类等等;易发生吊物坠落区域如油漆线的悬挂输送链易滑跌区域如抛丸机铁丸、漏油设备地面油污;易爆区域锅炉、压力容器、气瓶、压力管道、空压机等;易燃区域各种油漆线、库房等噪声区域空压机、批磨作业、柴油机试机作业、产品试车作业、集中的冲、剪、压作业等;。
生产现场定置图规范和图例
一、定置图规范
生产现场定置图应包括两个层次,分厂区域定置图和班组工位定置图。
工位
定置
图
工作区域详细标明设备、作业台、工具箱、工具工装架、信息栏(包括看板等)、清洁用具存放点、吊具架、存放区域等的名称、位置、摆放方向,并且各项图例所占面积与实际情况应是同比例缩小。
特殊情况比例可适当调整。
文字说明使用华文细黑,字体大小在A4图纸上为12号或14号(不加粗),在其他图纸上同比例放大。
安全警示
区
继承分厂定置图在班组区域内对应的位置和图例。
二、定置图图例
图例1
项目图例项目图例
清洁用具存放点卫生间
吸烟点洗手池
消防点检验区
12
叉车传送带
工具架工具架工具箱工具箱平板车小推车
压缩机休息区
车床焊机
加工中心剪切床
锯床磨床
镗床铣床
压床钻床
图例2(安全类)
安全点名称主要内容图例
废弃物废物垃圾区域废弃物收集点(废水、危险废弃物除外)
单位根据具体情况决定。
车辆停放区域
喷漆作业、调漆作业、电镀作业、磷化
作业、淬火(盐炉)作业等;
毒害区域(点)
如喷砂、抛丸等作业
飞溅危害区域
废水排放区域乳化液、切屑液、清洗液、电镀废水、油漆废水、含磷废水;
粉尘区域(点)电焊作业、切割作业(包括数控切割、手工切割等)、抛(喷)丸作业、批磨作业、砂轮机磨刀作业、工具磨等机加工作业、锅炉工作业、抛光作业;
辐射区域
高频淬火作业;
高温区域电炉作业、淬火(多用炉)作业、锅炉工作业、热处理调质作业等;。
高压触电区域
变配电室、变压器;弧光区
电焊作业等
深坑洞区域
如铸造公司落砂机;
危险废弃物堆放区域喷漆作业过程产生的油漆漆渣、空桶及电镀废水处理过程中产生的电镀污泥等。
危险化学品定置点油漆稀料、丙酮、液化气、乙炔、油类等等;
易发生吊物坠落
区域
如油漆线的悬挂输送链
易滑跌区域
如抛丸机铁丸、漏油设备地面油污;
易爆区域锅炉、压力容器、气瓶、压力管道、空压机等;
易燃区域各种油漆线、库房等
噪声区域空压机、批磨作业、柴油机试机作业、产品试车作业、集中的冲、剪、压作业等;。