最新国际防尘防水等级标准.doc
- 格式:doc
- 大小:107.55 KB
- 文档页数:11
ip57防水等级标准IP57是指的一种国际防护等级,用于判断电子产品的防尘和防水性能。
IP的含义是“Ingress Protection”,即防护等级。
57是IP等级中的两个数字,分别表示电子产品的防尘和防水等级。
首先,我们来了解一下IP57中两个数字的含义。
第一个数字5代表防尘等级。
根据IP标准,5表示完全防尘。
这意味着产品内部的任何电子部件都不会受到灰尘的侵入。
它能够防止大颗粒的灰尘进入产品,但无法完全阻挡微小颗粒的侵入。
第二个数字7代表防水等级。
根据IP标准,7表示防水能力较强。
具体来说,它能够在1米深的水中浸泡30分钟,而不会发生损坏。
这意味着产品可以在一些日常使用场景中应对水的接触,如雨水、水池或浴室。
在测试过程中,为了确定产品是否符合IP57标准,通常会先进行防尘测试。
这项测试涉及使用一种特殊的设备将产品表面覆盖上一层细粉尘,并将其放置在特定的时间和环境下。
测试完成后,产品的外壳将被打开,检查是否有灰尘进入到产品内部。
接下来是防水测试,该测试涉及将产品放置在特定的深度和时间下进行浸泡。
对于IP57级别的产品,它们能够在1米深的水中浸泡30分钟,并且在测试后仍能正常工作。
需要注意的是,IP57只是防护等级中的一种,还有其他等级如IP68等级。
不同的防护等级适用于不同的电子产品和使用场景。
在购买电子产品时,我们应该根据实际需求选择符合预期的防护等级。
总结一下,IP57防水等级标准是指电子产品的防尘等级为5级,能够完全防止灰尘进入产品内部;防水等级为7级,能够在1米深的水中浸泡30分钟。
这种防护等级适用于一些日常使用场景中可能遇到的雨水或水池接触。
对于一些需要更高防护等级的场景,我们可以考虑使用防护等级更高的产品。
防水防尘概述防水防尘(IP防护等级)定义:IP等级系统提供了一个以电器设备和包装的防尘、防水和防碰撞程度来对产品进行分类的方法,这套系统得到了多数欧洲国家的认可,并在IEC529(BS EN 60529:1992)外包装防护等级(IP code)中宣布。
防护等级以IP后跟随两个数字来表述,数字用来明确防护的等级。
第一个数字表明设备抗微尘的范围,或者是人们在密封环境中免受危害的程度。
第二个数字表明设备防水的程度。
防水防尘IP防护等级的表示方式0 没有防护没有防护1 可抵御超过50mm的固体物质。
如:手部意外触摸可经受垂直落下的水点。
2 可抵御直径超过12mm直径、长度不超过80mm的固体物质。
如:手指可经受呈15°垂直角的水花的直接喷射。
3 可抵御直径超过2.5mm的固体物质。
如:工具或金属丝可经受呈60°垂直角的水花的直接喷射。
4 可抵御直径超过1.0mm的固体物质。
如:细小金属丝可经受任何方向射来的水花——允许有限的进入。
5 防尘,有限进入(无有害堆积物)。
可经受来自任何方向的低压水柱喷射——允许有限的进入。
6 灰尘难以进入,完全防尘。
可经受来自任何方向的强力水柱喷射——允许有限的进入。
7 不适用。
允许短暂放入0.15m—1m深的水中,时间可长达30分钟。
8 不适用。
可经受压力下长期浸泡。
目前可以进行防水防尘的检测机构有:北欧检测实验室、电器科学研究所、环境可靠性与电磁兼容试验中心等防水防尘IP特性1.在电子产品中,IP另一种意思为防水防尘等级IP(International Protection)防护等级系统是由IEC(International Electro Technical Commission)所起草。
将灯具依其防尘、防止外物侵入、防水、防湿气之特性加以分级。
这里所指的外物包含工具、人的手指等均不可接触到灯具内之带电部分,以免触电。
IP防护等级是由两个数字所组成,第一个数字表示灯具防尘、防止外物侵入的等级;第二个数字表示灯具防湿气、防水侵入的密闭程度。
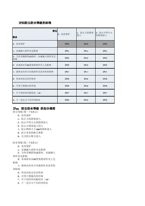
IPXX防尘防水等级的标准
防尘
防水0:没有保护
IP00IP10IP201:水滴滴入到外壳无影响
IP01IP11IP212:当外壳倾斜到15度时,水滴滴入到外壳无影响
IP02IP12IP223:水或雨水从60度角落到外壳上无影响IP03IP13IP234:液体由任何方向泼到外壳没有伤害影响IP04IP14IP245:用水冲洗无任何伤害IP05IP15IP256:可用于船舱内的环境IP06IP16IP267:可于短时间内耐浸水(1m)IP07IP17IP278:于一定压力下长时间浸水
IP08
IP18
IP28
IPxx 防尘防水等级 的划分规则
防尘等级(第一个X表示) 0:没有保护
1:防止大的固体侵入
2:防止中等大小的固体侵入 3:防止小固体进入侵入
4:防止物体大于1mm的固体进入 5:防止有害的粉尘堆积 6:完全防止粉尘进入
防水等级(第二个X表示) 0:没有保护
1:水滴滴入到外壳无影响
2:当外壳倾斜到15度时,水滴滴入到外壳无影响 3:水或雨水从60度角落到外壳上无影响 4:液体由任何方向泼到外壳没有伤害影响 5:用水冲洗无任何伤害 6:可用于船舱内的环境
7:可于短时间内耐浸水(1m) 8:于一定压力下长时间浸水
例:有仪表标示为IP65,表示产品可以完全防止粉尘进入及可用水冲洗无任何伤害
0:没有保护
1:防止大的固体侵入
2:防止中等大小的固体侵入。
七级防尘和九级防水试验防尘试验[项目详细介绍]对于可便携式、户外用以及汽车电子均有防尘测试要求,在国际上不论是IEC、MIL或ETSI以及SAE均有制订相对应的测试要求。
可参考一通检测网站。
IEC/EN60529防尘分为7个等级(等级0 ~ 等级6),防尘等级(e.g. IP5X-防尘等级5)Level 0: 完全无防尘保护Level 1: 可保护避免直径大于50㎜之异物掉入设备内Level 2: 可保护避免直径大于12.5㎜之异物掉入设备内Level 3: 可保护避免直径大于2.5㎜之异物掉入设备内Level 4: 可保护避免直径大于1.00㎜之异物掉入设备内Level 5: 不能完全防止尘埃进入,但进入的灰尘量不得影响设备的正常运行,不得影响安全Level 6: 完全防尘防水试验[项目详细介绍]对于可便携式、户外用以及汽车电子均有防水测试要求,在国际上不论是IEC、MIL或ETSI以及SAE均有制订相对应的测试要求。
IEC/EN60529防水分为9个等级(等级0 ~ 等级8),防水等级(e.g. IPX4-防水等级4):Level 0: 完全防水无保护Level 1: 垂直方向滴水应无有害影响Level 2: 外壳的各垂直面在15°范围内倾斜时,垂直滴水应无有害影响 Level 3: 各垂直面60°范围内淋水,无有害影响Level 4: 向外壳各方向溅水无有害影响Level 5: 向外壳各个方向喷水无有害影响Level 6: 向外壳各个方向强烈喷水无有害影响Level 7: 浸入规定压力的水中经规定时间后外壳进水量不致达到有害程度 Level 8: 按生产厂和用户双方同意的条件(应比Level 7严酷)持续潜水后外壳进水量不致达有害程度防水试验等级试验内容(1)IPX1,垂直滴水试验试样放置:按试样正常工作位置摆放在以1 r/min的旋转样品台上,样品顶部至滴水口的距离不大于200 mm;\试验条件:滴水量为1 0.5 mm/min;试验持续时间:10 min。
国际工业标准防水等级IPX的分级标准2007年06月16日星期六 03:10国际工业防水等级标准IPX和日本工业防水标准的JIS等级是一致的,共分为0-8的9级,录存于此。
0级无保护1级可以消除垂直落下水滴的有害影响2级对与垂直方向在15度以内落下的水滴有防护作用3级可以消除与垂直方向在60度的喷雾状水滴的有害影响4级可以消除从不同方向飞溅水滴的有害影响5级可以消除对各方向喷嘴喷射水流的有害影响6级可以消除对各方向喷嘴强力喷射水流的有害影响7级顶部距离水面0.15—1米,连续30分钟,性能不受影响,不漏水8级顶部距离水面1.5—30米,连续30分钟,性能不受影响,不漏水以后买三防机要留意了,只有7,8级的那才真叫防水;6级的也可以勉强叫防雨吧,户外运动的手机、GPS还是要达到这个等级才好。
IPxx防尘防水等级说明powerloads 发表于: 2007-10-31 20:23 来源: 标准之家IPxx防尘防水等级说明IP防护等级说明(按照EN60529/IEC529)防护等级IP54,IP为标记字母,数字5为第一标记数字,4为第二标记数字第一标记数字表示接触保护和外来物保护等级,第二标记数字表示防水保护等级;接触保护和外来物保护等级(第一个数字) 防水保护等级( 第二个数字)第一个数字防护范围第二个数字防护范围名称说明名称说明0 无防护- 0无防护-1 防护50mm直径和更大的固体外来体探测器,球体直径为50mm,不应完全进入 1 水滴防护垂直落下的水滴不应引起损害2 防护12.5mm直径和更大的固体外来体探测器,球体直径为12.5mm,不应完全进入 2 柜体倾斜15度时,防护水滴柜体向任何一侧倾斜15度角时,垂直落下的水滴不应引起损害3 防护2.5mm直径和更大的固体外来体探测器,球体直径为2.5mm,不应完全进入 3 防护溅出的水以60度角从垂直线两侧溅出的水不应引起损害4 防护1.0mm直径和更大的固体外来体探测器,球体直径为1.0mm,不应完全进入 4 防护喷水从每个方向对准柜体的喷水都不应引起损害5 防护灰尘不可能完全阻止灰尘进入,但灰尘进入的数量不会对设备造成伤害 5 防护射水从每个方向对准柜体的射水都不应引起损害6 灰尘封闭柜体内在20毫巴的低压时不应进入灰尘 6 防护强射水从每个方向对准柜体的强射水都不应引起损害注:探测器的直径不应穿过柜体的孔7 防护短时浸水柜体在标准压力下短时浸入水中时,不应有能引起损害的水量浸入8 防护长期浸水可以在特定的条件下浸入水中,不应有能引起损害的水量浸技术文摘- 防水试验1、范围防水试验包括第二位特征数字为1至8,即防护等级代码为IPX1至IPX8。
IP是Ingress Protection的缩写,IP等级是针对电气设备外壳对异物侵入的防护等级,来源是国际电工委员会的标准IEC 60529,这个标准在2004年也被采用为美国国家标准。
在这个标准中,针对电气设备外壳对异物的防护,IP等级的格式为IPXX,其中XX为两个阿拉伯数字,第一标记数字表示接触保护和外来物保护等级,第二标记数字表示防水保护等级,具体的防护等级可以参考下面的表格。
IP是国际用来认定防护等级的代号 Ip等级由两个数字所组成,第一个数字表示防尘;第二个数字由表示防水,数字越大表示其防护等组长越佳。
防尘等级号码防护程度定义0 无防护无特殊的防护1 防止大于50mm之物体侵入防止人体因不慎碰到灯具内部零件防止直径大于50mm之物体侵入2 防止大于12mm之物体侵入防止手指碰到灯具内部零件3 防止大于2.5mm之物全侵入防止直径大于2.5mm的工具,电线或物体侵入4 防止大于1.0mm之物体侵入防止直径大于1.0的蚊蝇、昆虫或物体侵入5 防尘无法完全防止灰尘侵入,但侵入灰尘量不会影响灯具正常运作6 防尘完全防止灰尘侵入防水等级号码防护程度定义0 无防护无特殊的防护1 防止滴水侵入防止垂直滴下之水滴2 倾斜15度时仍防止滴水侵入当灯具倾斜15度时,仍可防止滴水3 防止喷射的水侵入防止雨水、或垂直入夹角小于50度方向所喷射之水4 防止飞溅的水侵入防止各方向飞溅而来的水侵入5 防止大浪的水侵入防止大浪或喷水孔急速喷出的水侵入6 防止大浪的水侵入灯具侵入水中在一定时间或水压的条件下,仍可确保灯具正常运作7 防止侵水的水侵入灯具无期限的沉没水中在一定水压的条件下,及可确保灯具正常运作8 防止沉没的影响IP(INTERNATIONAL PROTECTION)等级所依据的标准有:1)由IEC(INTERNATIONAL ELECTROTECHNICAL COMMISSION)所起草国际防护和防水试验标准:国际电工委员会标准IEC 529 – 5982)国标GB 700 – 863)GB 4208等。
防尘防水等级标准
防尘防水等级标准
尘防水等级标准是指防尘、防水、防潮、防污染等标准,它们被广泛应用于电子、家用电器、工业、建筑等行业。
这些等级标准是用来保护设备和组件,确保其在复杂的环境中的可靠性与可用性。
一般来说,尘防水等级标准分为四个等级,分别是IPX0、IPX1、IPX2、IPX3。
其中,IPX0代表无任何防护能力;IPX1可以防止垂直落水;IPX2可以防止水从角度15°落水;IPX3可以防止水从角度60°落水。
根据不同的应用环境,尘防水等级标准可以有所不同。
例如,在家用电器中,IPX1可能是最常见的,它能起到一定的防水作用,但不能防止潮湿和污染。
而在工业环境中,更高的防水等级是必要的,例如IPX4可以抵御溅水,IPX5可以抵御喷水,而IPX6可以抵御强力喷水。
在建筑行业,尘防水等级标准可能会更高,比如IPX8可以抵御深水,IPX9可以抵御高压水流,而IPX10可以抵御蒸汽和温水。
综上所述,尘防水等级标准是确保设备可靠性和可用性的重要标准,不同的标准适用于不同的环境,因此在进行选型时,我们需要根据实际情况,选择合适的尘防水等级标准。
IPXX防尘防水等级的标准
防尘
防水0:没有保护
IP00IP10IP201:水滴滴入到外壳无影响
IP01IP11IP212:当外壳倾斜到15度时,水滴滴入到外壳无影响
IP02IP12IP223:水或雨水从60度角落到外壳上无影响IP03IP13IP234:液体由任何方向泼到外壳没有伤害影响IP04IP14IP245:用水冲洗无任何伤害IP05IP15IP256:可用于船舱内的环境IP06IP16IP267:可于短时间内耐浸水(1m)IP07IP17IP278:于一定压力下长时间浸水
IP08
IP18
IP28
IPxx 防尘防水等级 的划分规则
防尘等级(第一个X表示) 0:没有保护
1:防止大的固体侵入
2:防止中等大小的固体侵入 3:防止小固体进入侵入 4:防止物体大于1mm的固体进入 5:防止有害的粉尘堆积 6:完全防止粉尘进入 防水等级(第二个X表示) 0:没有保护
1:水滴滴入到外壳无影响
2:当外壳倾斜到15度时,水滴滴入到外壳无影响
3:水或雨水从60度角落到外壳上无影响
4:液体由任何方向泼到外壳没有伤害影响
5:用水冲洗无任何伤害 6:可用于船舱内的环境
7:可于短时间内耐浸水(1m) 8:于一定压力下长时间浸水
0:没有保护
1:防止大的固体侵入2:防止中等大小的固体侵入
例:有仪表标示为IP65,表示产品可以完全防止粉尘进入及可用水冲洗无任何伤害。
IPXX防尘防水等级的标准
防尘
防水0:没有保护
IP00IP10IP201:水滴滴入到外壳无影响
IP01IP11IP212:当外壳倾斜到15度时,水滴滴入到外壳无影响
IP02IP12IP223:水或雨水从60度角落到外壳上无影响IP03IP13IP234:液体由任何方向泼到外壳没有伤害影响IP04IP14IP245:用水冲洗无任何伤害IP05IP15IP256:可用于船舱内的环境IP06IP16IP267:可于短时间内耐浸水(1m)IP07IP17IP278:于一定压力下长时间浸水
IP08
IP18
IP28
IPxx 防尘防水等级 的划分规则
防尘等级(第一个X表示) 0:没有保护
1:防止大的固体侵入
2:防止中等大小的固体侵入 3:防止小固体进入侵入 4:防止物体大于1mm的固体进入 5:防止有害的粉尘堆积 6:完全防止粉尘进入 防水等级(第二个X表示) 0:没有保护
1:水滴滴入到外壳无影响
2:当外壳倾斜到15度时,水滴滴入到外壳无影响
3:水或雨水从60度角落到外壳上无影响
4:液体由任何方向泼到外壳没有伤害影响
5:用水冲洗无任何伤害 6:可用于船舱内的环境
7:可于短时间内耐浸水(1m) 8:于一定压力下长时间浸水
0:没有保护
1:防止大的固体侵入2:防止中等大小的固体侵入
例:有仪表标示为IP65,表示产品可以完全防止粉尘进入及可用水冲洗无任何伤害。
IPX防水等级电子测量仪器的防水等级反映了仪器防潮和防尘的能力,特别是对于户外活动中,免不了处于高湿或多尘沙的恶劣环境中,仪器的密封和防水能力对于保证仪器的安全运转和寿命就至关重要。
为此,国际上制订IEC529标准。
为了与此相适应,日本工业标准中将电子仪器的防水保护分为10个等级,分别以IPX1、IPX2……表示。
保护等级种类含义0 无保护1 防滴I型垂直落下的水滴无有害的影响2 防滴II型与垂直方向成15“范围内落下的水滴无有害的影响3 防雨型与垂直方向成60度范围内降雨无有害的影响4 防溅型受任意方向的水飞溅无有害的影响5 防喷射型任意方向直接受到水的喷射无有害的影响6 耐水型任意方向直接受到水的喷射也不会入内部7 防浸型在规定的条件下即使浸在水中也不会进入内部8 水中型长时间浸没在一定压力的水中照样能使用9 防湿型在相对湿度大90%以下的湿气一样能使用IPxx 防水等级国际工业标准防水登记IP和日本工业标准的JIS防水等级是接近的,分0-8的9级,IP等级同样对防尘做了规定。
IPxx 防尘防水等级防尘等级(第一个X表示)0 :没有保护1 :防止大的固体侵入2 :防止中等大小的固体侵入3 :防止小固体进入侵入4 :防止物体大于1mm 的固体进入5 :防止有害的粉尘堆积6 :完全防止粉尘进入防水等级(第二个X表示)0 :没有保护1 :水滴滴入到外壳无影响2 :当外壳倾斜到15 度时,水滴滴入到外壳无影响3 :水或雨水从60 度角落到外壳上无影响4 :液体由任何方向泼到外壳没有伤害影响5 :用水冲洗无任何伤害6 :可用于船舱内的环境7 :可于短时间内耐浸水(1m )8 :于一定压力下长时间浸水测试方法例:有秤或显示仪表标示为IP65,表示产品可以完全防止粉尘进入及可用水冲洗无任何伤害。
IPxx等级中关于防水实验的规定。
(1)IPx 1方法名称:垂直滴水试验试验设备:滴水试验装置试样放置:按试样正常工作位置摆放在以1r/min 的旋转样品台上,样品顶部至滴水口的距离不大于200mm试验条件:滴水量为10。
ip防尘防水等级标准
ip防尘防水等级标准
IP防尘防水等级标准是一种国际标准,用于衡量电子设备的防水和防尘能力。
这种标准规定了设备的防水和防尘性能,以便用户可以确定某种设备的实际使用条件。
IP防尘防水等级标准由两部分组成,第一部分用于表示防水性能,第二部分用于表示防尘性能。
防水性能由“IPX”后面跟一个数字表示,数字越大,表示防水性能越好。
例如,“IPX5”表示设备可以抵抗朝向设备的轻微水流,而“IPX7”表示设备可以在深水中维持一定的时间。
另一方面,防尘性能由“IP”后面跟一个字母表示,字母越往后,表示防尘性能越好。
例如,“IP4”表示设备可以抵抗轻微的灰尘,而“IP6”表示设备可以抵抗灰尘的较大打击。
IP防尘防水等级标准是很重要的,它可以帮助我们确定设备的实际使用条件,并了解设备的实际能力。
除了IP等级标准以外,还有其他的防水和防尘标准,这些标准也可以帮助我们了解设备的实际使用环境。
因此,在购买电子设备之前,我们应该确保我们购买的设备具有良好的防水和防尘性能,以确保设备的正常使用。
一、IP等级(防尘防水)定义IP(INGRESS PROTECTION)防护等级系统是由IEC(INTERNATIONAL ELECTROTECHNICAL COMMISSION)所起草,将电器依其防尘防湿气之特性加以分级,是针对电气设备外壳对异物侵入的防护等级。
这里所指的外物含工具,人的手指等均不可接触到电器内之带电部分,以免触电。
IP防护等级是由两个数字所组成,第一个数字表明设备抗微尘的范围,或者是人们在密封环境中免受危害的程度。
第二个数字表明设备防水的程度。
数字越大表示其防护等级越高。
附加字母:防止接近危险部件A 手背B 手指C 工具D 金属线补充字母:专门补充的信息H 高压设备M 做防水试验时试样运行S 做防水试验时试样静止W 气候条件二、IP(INTERNATIONAL PROTECTION)防护等级和防水试验所依据的标准有:1)由IEC(INTERNATIONAL ELECTROTECHNICAL COMMISSION)所起草国际防护和防水试验标准:国际电工委员会标准IEC 529 – 5982)国标GB 700 – 863)GB 4208等。
IP防护等级实验室:目前能进行IP等级试验的实验室主要有环境可靠性与电磁兼容试验中心,航天环境可靠性试验与检测中心、苏州电器科学研究所院、国家电器产品质量监督检验中心等。
三、IPXX等级中关于防水实验的规定(1)IPX 1方法名称:垂直滴水试验试验设备:滴水试验装置试样放置:按试样正常工作位置摆放在以 1r/min 的旋转样品台上,样品顶部至滴水口的距离不大于 200mm试验条件:滴水量为 10.05 mm/min持续时间:10 min(2)IPX 2方法名称:倾斜15°滴水试验试验设备:滴水试验装置试样放置:使试样的一个面与垂线成15°角,样品顶部至滴水口的距离不大于200mm 。
每试验完一个面后,换另一个面,共四次。
试验条件:滴水量为 30.5 mm/min持续时间:4×2.5 min(共10 min )(3)IPX 3方法名称:淋水试验试验方法:a。
七级防尘和九级防水试验防尘试验[项目详细介绍]对于可便携式、户外用以及汽车电子均有防尘测试要求,在国际上不论是IEC、MIL或ETSI以及SAE均有制订相对应的测试要求。
可参考一通检测网站。
IEC/EN60529防尘分为7个等级(等级0 ~ 等级6),防尘等级(e.g. IP5X-防尘等级5)Level 0: 完全无防尘保护Level 1: 可保护避免直径大于50㎜之异物掉入设备内Level 2: 可保护避免直径大于12.5㎜之异物掉入设备内Level 3: 可保护避免直径大于2.5㎜之异物掉入设备内Level 4: 可保护避免直径大于1.00㎜之异物掉入设备内Level 5: 不能完全防止尘埃进入,但进入的灰尘量不得影响设备的正常运行,不得影响安全Level 6: 完全防尘防水试验[项目详细介绍]对于可便携式、户外用以及汽车电子均有防水测试要求,在国际上不论是IEC、MIL或ETSI以及SAE均有制订相对应的测试要求。
IEC/EN60529防水分为9个等级(等级0 ~ 等级8),防水等级(e.g. IPX4-防水等级4):Level 0: 完全防水无保护Level 1: 垂直方向滴水应无有害影响Level 2: 外壳的各垂直面在15°范围内倾斜时,垂直滴水应无有害影响 Level 3: 各垂直面60°范围内淋水,无有害影响Level 4: 向外壳各方向溅水无有害影响Level 5: 向外壳各个方向喷水无有害影响Level 6: 向外壳各个方向强烈喷水无有害影响Level 7: 浸入规定压力的水中经规定时间后外壳进水量不致达到有害程度 Level 8: 按生产厂和用户双方同意的条件(应比Level 7严酷)持续潜水后外壳进水量不致达有害程度防水试验等级试验内容(1)IPX1,垂直滴水试验试样放置:按试样正常工作位置摆放在以1 r/min的旋转样品台上,样品顶部至滴水口的距离不大于200 mm;\试验条件:滴水量为1 0.5 mm/min;试验持续时间:10 min。
国际工业标准防水等级IPX的分级标准
国际工业防水等级标准IPX和日本工业防水标准的JIS等级是一致的,共分为0-8的9级,录存于此。
0级无保护
1级可以消除垂直落下水滴的有害影响
2级对与垂直方向在15度以内落下的水滴有防护作用
3级可以消除与垂直方向在60度的喷雾状水滴的有害影响
4级可以消除从不同方向飞溅水滴的有害影响
5级可以消除对各方向喷嘴喷射水流的有害影响
6级可以消除对各方向喷嘴强力喷射水流的有害影响
7级顶部距离水面0.15—1米,连续30分钟,性能不受影响,不漏水
8级顶部距离水面1.5—30米,连续30分钟,性能不受影响,不漏水
以后买三防机要留意了,只有7,8级的那才真叫防水;6级的也可以勉强叫防雨吧,户外运动的手机、GPS还是要达到这个等级才好。
防尘等级(第一个X表示)
X:没有保护0:没有保护
1:直径50mm的物体不得完全进入壳内
2:直径12.5mm的物体不得完全进入壳内
3:各垂直面在60度范围内淋水,无有害影响
4:直径1.0mm的物体完全不得进入壳内
5:不能完全防止尘埃进入,但进入的灰尘量不得影响设备的正常运行,不得影响安全。
6:无灰尘进入
防水等级(第二个X表示)
1:垂直方向滴水无有害影响
2:当外壳的各垂直面在15度范围内倾斜时,垂直水滴无有害影响
3:直径2.5mm的物体完全不得进入壳内
4:向外壳各个方向溅水无有害影响
5:向外壳各个方向喷水无有害影响
6:向外壳各个方向强烈喷水无有害影响
7:短时间浸水无影响
8:持续潜水无影响
例:防水盒防水性标示为IP65,表示产品可以完全防止粉尘侵入及可用水冲洗无任何影响。
ICS 29.140.40 K 73 备案号:DB44LED 路灯广东省质量技术监督局 发布前言本标准由东莞勤上光电股份有限公司提出。
本标准由广东省质量技术监督局归口。
本标准主要起草单位:东莞勤上光电股份有限公司、清华大学、东莞市质量计量监督检测所。
本标准主要起草人:李旭亮、罗毅、钱可元、祝炳忠、陈大庆、胡振刚、梁鸣娟、廖怀飞、姚志慧、张志海、邓国强、戴良辉、雷宗平、张利强、黄道康、付宝成、欧文、陈海涵、杨长江、黄格雅、翁伟东、郭建坤、劳应海。
LED路灯1 范围本标准规定了LED(发光二极管)路灯的定义、产品分类、型号和命名、技术要求、试验方法、检验规则以及标志、使用说明书、包装、运输和贮存的要求等。
本标准适用于250 V以下直流电源或1 000 V以下交流供电的道路、街路、隧道照明和其他室外公共场所照明用LED(发光二极管)路灯。
本标准与GB 7000.1等相关标准的有关章节一起阅读。
2 规范性引用文件下列文件中的条款通过本标准的引用而成为本标准的条款。
凡是注日期的引用文件,其随后所有的修改单(不包括勘误的内容)或修订版均不适用于本标准,然而,鼓励根据本标准达成协议的各方研究是否使用这些文件的最新版本。
凡是不注日期的引用文件,其最新版本适用于本标准。
GB/T 191 包装储运图示标志(GB/T 191—2008,ISO 780:1997,MOD)GB/T 2900.65 电工术语照明(GB/T 2900.65—2004,IEC 60050-845:1987,MOD)GB 7000.1—2007 灯具第1部分:一般要求与试验(GB 7000.1—2007,IEC 60598-1:2003,IDT)GB 7000.5—2005 道路与街路照明灯具安全要求(GB 7000.5—2005,IEC 60598-1-3:2002,IDT)GB/T 9468 灯具分布光度测量的一般要求GB 17625.1 电磁兼容限值谐波电流发射限值(设备每相输入电流≤16A)GB/T 17626.5 电磁兼容试验和测量技术浪涌(冲击)抗扰度试验电磁兼容试验和测量技术浪涌(冲击)抗扰度试验(GB 17626.5—2008,IEC 61000-4-5:2005,IDT)GB 17743 电气照明和类似设备的无线电骚扰特性的限值和测量方法(GB 17743—2007,CISPR 15:2005,IDT)GB 19510.1 灯的控制装置第1部分:一般要求和安全要求(GB 19510.1—2004,IEC 61347-1:2003,IDT)CJJ 45—2006 城市道路照明设计标准SJ/T 11364 电子信息产品污染控制标识要求IEC 60838-2-2 杂类灯座第2-2部分 LED模块用连接器的特殊要求IEC 61347-2-13 灯的控制装置第2-13部分 LED模块控制装置安全要求IEC 62031 普通照明用LED模块安全要求IEC 62471 灯和灯系统的光生物安全3 术语和定义GB/T 2900.65、GB 7000.1、GB 7000.5和CJJ 45确立的及下述术语和定义适用于本标准。
3.1LED模块 (LED module)一种组合式照明光源装置。
除一个或多个发光二极管(LEDs)外,还可进一步包括其他元件,例如光学、机械、电气和电子元件,但不包括控制装置。
3.2LED热沉 (LED heat-sink)发光二极管(LEDs)产品最靠近芯片的散热部件。
3.3LED 路灯 (LED street lamp)一种符合本标准要求的组合式照明灯具,它由灯具外壳、LED模块、LED模块控制装置、光学部件、机械部件等构成。
3.4初始值 (initial values)LED路灯在不经过老化并在额定条件下燃点2 h时所测得的光电参数值。
3.5平均相关色温 (average CCT)LED 路灯向各方向发射的全部的光经混光后所测得的相关色温。
3.6平均显色指数 (average color rendering index)LED 路灯向各方向发射的全部的光经混光后所测得的显色指数。
3.7LED路灯额定最大温度t c (rated maxium temperature of LED street lamp)在正常工作状态和处于额定电源电压或额定电源电压范围的最大值时,在LED路灯的散热器外表面上(如有标志,在标志所指部位)可能产生的最大允许温度。
4 产品分类按GB 7000.5—2005中第4章的规定进行分类。
5 型号和命名5.1 产品型号LED路灯标志的型号应符合5.2的要求。
5.2 命名方法用大写汉语拼音字母、阿拉伯数字和罗马数字表示产品类别和主要特征,具体见如下:□□-□/□-□-□-□-□防护等级(A—IP67,B—IP66,C—IP65)灯具光效等级,由高到低用Ⅰ、Ⅱ、Ⅲ、Ⅳ表示光斑形状(J—矩形,Y—圆形,T—椭圆形)平均相关色温(G—4000 K~6500 K,D—2700 K~4000 K)电源电压,用数字表示,单位为V电源种类,交流用AC表示,直流用DC表示LED路灯额定功率,用数字表示,单位为WLED路灯,用LLD表示6.一般要求6.1 使用环境要求LED路灯在下列自然条件下应能长期、连续、可靠地工作:a)室外温度:-25℃~+50℃;b)月平均空气相对湿度:不大于90%(25℃±5℃);在超出上述环境范围运行时,应由生产厂家和用户共同商定技术要求。
6.2 设计和制作LED路灯设计和制作应符合CJJ 45中对产品的相关要求。
7.一般技术要求7.1 外观7.1.1 LED路灯表面应无划伤、灯体内外应无危及生产、运输、安装及使用人员的尖角和毛刺。
7.1.2喷涂件表面色泽应均匀一致、涂膜光滑、厚度均匀,无流挂、堆积、露底、皱纹等影响外观的缺陷。
7.1.3焊接部位应平整、牢固,无焊穿、虚焊、飞溅等现象。
7.2 安全7.2.1 LED路灯在标称的额定电源电压及额定频率下应能长期、可靠、正常地工作,并对使用者和环境不产生危害。
7.2.2 LED路灯应符合GB 7000.1和GB 7000.5的规定。
7.2.3 LED路灯的控制装置应符合GB19510.1和相应的国家标准或IEC 61347-2-13的规定。
7.2.4 LED路灯的LED模块应符合相应的国家标准或IEC 62031的规定。
7.2.5 LED路灯的LED模块用连接器应符合相应的国家标准或IEC 60838-2-2的规定。
7.2.6 LED路灯的光生物安全要求应符合相应的国家标准或IEC 62471的规定。
7.3 电磁兼容性LED路灯的电磁兼容要求应符合GB 17743和GB 17625.1的规定。
8 特殊技术要求8.1 灯具电性能LED路灯在标称的额定电源电压及额定频率下工作时,其实际消耗的功率与额定功率之差不应大于10%,功率因素不应小于0.92。
8.2 防护等级LED路灯防护等级A级品不应低于IP67;B级品不应低于IP66;C级品不应IP65。
8.3 平均寿命LED路灯的额定平均寿命不应低于30 000 h。
8.4 最大温度LED路灯额定最大温度t c值不应大于58℃。
8.5 最大热沉温度灯具内各个 LED管的最大热沉温度不应大于65℃。
8.6 主要光参数表1 LED路灯主要参数8.7 抗扰度浪涌抑制性能(抗雷击)的电压保护水平应不低于2 kV(线-线)和4 kV(线-地)。
8.8 配光特性灯具中部分LED灯泡熄灭或整灯调光时,其光斑形状和路面照度均匀性不应发生明显变化。
9 试验方法9.1 外观要求目测检查9.2 安全按GB 7000.1、GB 7000.5、GB19510.1和相应的国家标准或国外标准进行检验。
9.3 电磁兼容性按GB 17743和GB 17625.1的相关规定进行。
9.4 灯具电性能在25℃±2℃的环境温度下,在稳压电源(与灯具标称频率相同)及LED路灯之间接入精度不小于0.5级的交直流电参数测试仪,使LED路灯处于正常工作位置,接通并调节电源电压至额定值(如灯具标称电源电压范围,则分别调节至电源电压范围的最大值和最小值)使LED灯具工作2 h,记录功率和功率因素值。
9.5 防护等级按GB7000.1的规定进行。
9.6 光衰和寿命试验9.6.1 灯具老化方法灯具老化在没有强制通风、温度控制在20℃-30℃的环境中进行,灯具按正常安装姿态架设,按灯具标称额定电压或标称的适用电压范围的最大电压接通电源,灯具以满功率工作。
灯具在老化过程中,每24 H中关闭不少于2次,每次关闭时间应为25 min~35 min,间隔时间至少应为30 min。
样品数量不少于3台。
试验中,灯具不得出现任何故障、烧毁,否则不合格。
9.6.2 光衰和寿命测量推算方法以照度法替代光通量法,在距离灯具高度2米处下方测量中心点和沿道路方向的轴线上每距1米一个点的水平照度值,共测5个点,与各点初始值对比并得出5个点的平均维持率值。
在2 000 H至5 000 H之间,每336 H间隔测一次平均维持率值;如5 000 H时灯具仍然符合要求,则以2 000 H时的各点照度值为初始照度值,已测得的每336H间隔的照度值与2000 H时对应的初始照度值比较并得出平均维持率,由上述10个点的平均维持率拟合曲线推算出平均维持率为75%时的寿命时间加上5000H即为该灯具的寿命。
选取其中1只路灯,同时用光度分布测试法测0H和2 000 H时的光通量,计算出2 000H 光通维持率作为校准值。
测量照度时,环境温度应控制在25℃±1℃稳定3H以上的情况下进行。
9.7 最大温度按GB7000.1—2007中第12章的规定进行。
9.8 最大热沉温度选取LED中的热沉温度最高者,在该LED最靠近底部的散热器放置热电偶。
9.9 灯具的主要光参数9.9.1 平均色温和平均显色指数在25℃±1℃的环境温度和额定电压、额定频率下,用积分光谱测试系统测量,灯具样品放入积分球内,避免直射光射入测试探头,灯具外表面应粘贴不明显影响色温测试的白色覆盖膜。
燃点1 h后测试。
9.9.2 灯具光效和灯具配光曲线在25℃±1℃的环境温度下,用光度分布测试系统测量。
首先测试灯具的光通量及光强分布、配光曲线等,灯具光效为LED路灯的光通量与灯具的实际消耗功率的比值。
9.10 抗扰度按GB 17626.5规定的方法进行。
10.检验规则10.1 检验分类产品检验分为出厂检验和型式检验。
10.2 出厂检验10.2.1 每个灯具应经检验部门检验合格并签发合格证明书后方可出厂。
10.2.2 出厂检验项目见表2;对于抽检项目检测不合格的,应加倍抽样进行检验。