路基边坡检验记录表
- 格式:doc
- 大小:153.50 KB
- 文档页数:3
word 专业资料附录B (规范性附录)检验批质量验收记录表B.1 土方路基工程检验批质量验收记录表表B.4软土地基处治一一袋装砂井、塑料排水板工程检验批质量验收记录表表B.6软土地基处治一一粉喷桩工程检验批质量验收记录表表B.7 土工合成材料处治层工程检验批质量验收记录表word 专业资料表B.8盲沟工程检验批质量验收记录表表B.9护坡工程检验批质量验收记录表表B.11悬臂式和扶臂式挡土墙工程检验批质量验收记录表表B.14 土沟(排水沟)工程检验批质量验收记录表表B.15浆(干)砌边沟(排水沟)工程检验批质量验收记录表表B.16管道基础及钢筋混凝土管节安装工程检验批质量验收记录表表B. 17聚乙烯缠绕结构壁管节安装工程检验批质量验收记录表表B.18检查井(雨水口)砌筑工程检验批质量验收记录表表B. 19 开挖沟槽工程检验批质量验收记录表表B. 20 沟槽回填工程检验批质量验收记录表表B.23 沥青混凝土面层和沥青碎(砾)石面层工程检验批质量验收记录表表B.24 沥青贯入式面层工程检验枇质量验收记录表表B.25表B.26 泥(灰)结碎(砾)石面层、基层工程检验批质量验收记录表表B.27 水泥稳定土基层和底基层工程检验批质量验收记录表表B.28 水泥稳定粒料(碎石、砂砾与矿渣)基层和底基层工程检验批质量验收记录表表B.29 石灰稳定土基层、底基层工程检验批质量验收记录表表B.30 石灰稳定粒料(碎石、砂砾、矿渣)基层和底基层工程检验批质量验收记录表表B.29 石灰稳定土基层、底基层工程检验批质量验收记录表表B. 31 水泥粉煤灰土基层和底基层工程检验枇质量验收记录表表B.32 水泥粉煤灰稳定粒料(碎石、砂砾)基层和底基层工程检验批质量验收记录表表B.33石灰粉煤灰土基层和底基层工程检验批质量验收记录表表B.34 石灰粉煤灰稳定粒料(碎石、砂砾)基层和底基层工程检验批质量验收记录表表B.33石灰粉煤灰土基层和底基层工程检验批质量验收记录表表B.35级配碎(砾)石基层和底基层工程检验批质量验收记录表表B.36 填隙碎石(矿渣)基层和底基层工程检验批质量验收记录表word 专业资料表B.47 防眩设施工程检验批质量验收记录表。
土方路基检验批质量检验记录市政质检·1·1第页,共页第页,共页第页,共页路肩检验批质量检验记录市政质检·1·4第页,共页砂垫层软土路基检验批质量检验记录市政质检·1·5第页,共页反压护道路基检验批质量检验记录市政质检·1·6第页,共页土工材料处理软土路基检验批质量检验记录市政质检·1·7第页,共页袋装砂井检验批质量检验记录市政质检·1·8第页,共页塑料排水板检验批质量检验记录市政质检·1·9第页,共页砂桩处理软土路基检验批质量检验记录市政质检·1·10第页,共页碎石桩处理软土路基检验批质量检验记录市政质检·1·11第页,共页粉喷桩处理软土路基检验批质量检验记录市政质检·1·12第页,共页湿陷性黄土强夯路基检验批质量检验记录市政质检·1·13第页,共页石灰稳定土,石灰、粉煤灰稳定砂砾(碎石),粉煤灰稳定钢渣基层及底基层检验批质量检验记录市政质检·1·14第页,共页水泥稳定土类基层及底基层检验批质量检验记录市政质检·1·15第页,共页级配砂砾(级配砂石)基层及底基层检验批质量检验记录市政质检·1·16第页,共页级配碎石及级配碎砾石基层和底基层检验批质量检验记录市政质检·1·17第页,共页沥青混合料(沥青碎石)基层检验批质量检验记录市政质检·1·18第页,共页沥青贯入式基层检验批质量检验记录市政质检·1·19第页,共页热拌沥青混合料检验批质量检验记录市政质检·1·20第页,共页第页,共页第页,共页第页,共页第页,共页第页,共页沥青贯入式面层检验批质量检验记录市政质检·1·26第页,共页沥青表面处治施工检验批质量检验记录市政质检·1·27第页,共页水泥混凝土面层原材料检验批质量检验记录市政质检·1·28页,共页混凝土面层检验批质量检验记录市政质检·1·29第页,共页铺砌式料石面层检验批质量检验记录市政质检·1·30第页,共页铺砌式预制混凝土砌块面层检验批质量检验记录市政质检·1·31第页,共页广场与停车场料石面层检验批质量检验记录市政质检·1·32第页,共页广场与停车场预制混凝土砌块面层检验批质量检验记录市政质检·1·33第页,共页第页,共页第页,共页料石铺砌人行道面层检验批质量检验记录市政质检·1·36第页,共页混凝土预制铺砌人行道(含盲道)面层检验批质量检验记录市政质检·1·37第页,共页沥青混凝土铺筑人行道面层检验批质量检验记录市政质检·1·38第页,共页人行地道结构地基检验批质量检验记录市政质检·1·39第页,共页人行地道结构防水层检验批质量检验记录市政质检·1·40第页,共页人行地道结构基础模板安装检验批质量检验记录市政质检·1·41第页,共页人行地道结构钢筋加工、成型与安装检验批质量检验记录市政质检·1·42第页,共页人行地道结构基础混凝土检验批质量检验记录市政质检·1·43第页,共页墙与顶板模板安装检验批质量检验记录市政质检·1·44第页,共页墙与顶板混凝土检验批质量检验记录市政质检·1·45第页,共页市政质检·1·46 第页,共页市政质检·1·47 第页,共页墙板、顶板安装检验批质量检验记录市政质检·1·48第页,共页砌筑墙体、钢筋混凝土顶板人行地道结构墙体砌筑检验批质量检验记录市政质检·1·49第页,共页挡土墙地基检验批质量检验记录市政质检·1·50第页,共页。
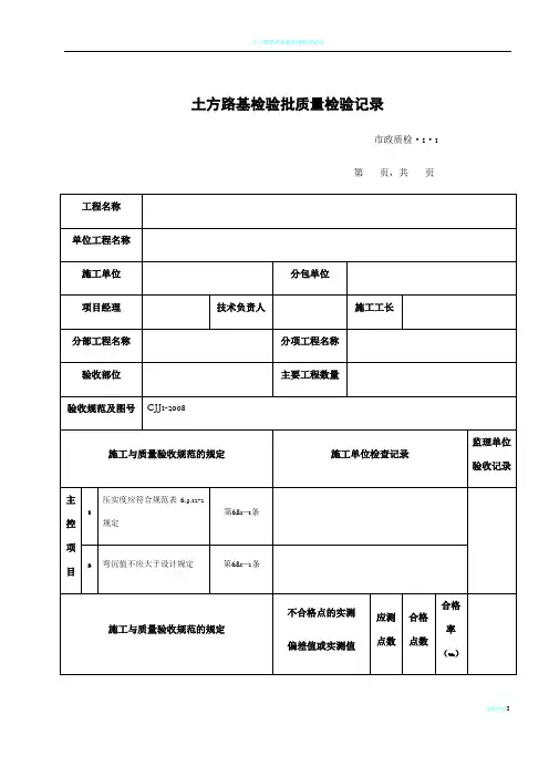
土方路基(路床)检验批质量检验记录表
CJJ1—2008
注:1、B为施工是必要的附加宽度。
2、主控项目、一般项目的检查结果,需用语言描述的项,应按CJJ1-2008的要求详实描述;主控项目的计数检验项先填
写“检验批主控项目计数检验记录表” (G1-1-1),然后将计数检验结果填写在本表相应的检查结果栏内;检验批一般项目计
数检验数据较多、本表空格不够填写的项,可填写“检验批一般项目计数检验记录表”(G1-1-2 ),将该表作为本表的附页。
土方路基(路床)质量检验标准(CJJ1-2008)
6. 8.1 土方路基(路床)质量检验应符合下列规定:
主控项目1路基压实度应符合本规范表6312-2的规定。
检查数量:每1000怦、每压实层抽检3点。
检验方法:环刀法、灌砂法或灌水法。
2弯沉值,不应大于设计规定。
检查数量:每车道、每20m测1点。
检验方法:弯沉仪检测。
一般项目
3 土路基允许偏差应符合表6.8.1的规定。
表6.8.1 土路基允许偏差
注:B为施工时必要的附加宽度
4路床应平整、坚实,无显著轮迹、翻浆、波浪、起皮等现象,路堤边坡应密实、稳定、平顺等。
检查数量:全数检查。
检查方法:观察。
第 页 共 页
洗里公路改建工程
路基填筑过程中质检记录表
第 页 共 页
洗里公路改建工程
路基填筑过程中质检记录表
第 页 共 页
洗里公路改建工程
路基填筑过程中质检记录表
第 页 共 页
洗里公路改建工程
路基填筑过程中质检记录表
第 页 共 页
洗里公路改建工程
路基填筑过程中质检记录表
第 页 共 页
洗里公路改建工程
路基填筑过程中质检记录表
第 页 共 页
洗里公路改建工程
路基填筑过程中质检记录表
第 页 共 页
洗里公路改建工程
路基填筑过程中质检记录表
第 页 共 页
洗里公路改建工程
路基填筑过程中质检记录表
第 页 共 页
洗里公路改建工程
路基填筑过程中质检记录表
第 页 共 页
洗里公路改建工程
路基填筑过程中质检记录表
第 页 共 页
洗里公路改建工程
路基填筑过程中质检记录表
第 页 共 页
洗里公路改建工程
路基填筑过程中质检记录表
第 页 共 页
洗里公路改建工程
路基填筑过程中质检记录表。
土方路基检验批质量检验记录市政质检·1·1第页,共页挖石方路基检验批质量检验记录市政质检·1·2第页,共页填石方路基检验批质量检验记录市政质检·1·3第页,共页路肩检验批质量检验记录市政质检·1·4第页,共页砂垫层软土路基检验批质量检验记录市政质检·1·5第页,共页反压护道路基检验批质量检验记录市政质检·1·6第页,共页土工材料处理软土路基检验批质量检验记录市政质检·1·7第页,共页袋装砂井检验批质量检验记录市政质检·1·8第页,共页塑料排水板检验批质量检验记录市政质检·1·9第页,共页砂桩处理软土路基检验批质量检验记录市政质检·1·10第页,共页碎石桩处理软土路基检验批质量检验记录市政质检·1·11第页,共页粉喷桩处理软土路基检验批质量检验记录市政质检·1·12第页,共页湿陷性黄土强夯路基检验批质量检验记录市政质检·1·13第页,共页石灰稳定土,石灰、粉煤灰稳定砂砾(碎石),粉煤灰稳定钢渣基层及底基层检验批质量检验记录市政质检·1·14第页,共页水泥稳定土类基层及底基层检验批质量检验记录市政质检·1·15 第 页,共 页级配砂砾(级配砂石)基层及底基层检验批质量检验记录市政质检·1·16第页,共页级配碎石及级配碎砾石基层和底基层检验批质量检验记录市政质检·1·17第页,共页沥青混合料(沥青碎石)基层检验批质量检验记录市政质检·1·18第页,共页沥青贯入式基层检验批质量检验记录市政质检·1·19第页,共页热拌沥青混合料检验批质量检验记录市政质检·1·20第页,共页热拌沥青混合料面层检验批质量检验记录市政质检·1·21第页,共页冷拌沥青混合料面层检验批质量检验记录市政质检·1·22第页,共页沥青混合料面层透层检验批质量检验记录市政质检·1·23第页,共页沥青混合料面层粘层检验批质量检验记录市政质检·1·24 第 页,共页沥青混合料面层封层检验批质量检验记录市政质检·1·25第页,共页沥青贯入式面层检验批质量检验记录市政质检·1·26第页,共页。
路基验收记录表
1. 概述
路基验收记录表是在路基工程文件齐全的前提下对道路路基工程进行实地验收时所必须填写的表格。
路基验收记录表由工程验收人员按照实地情况进行填写。
该表格对道路的质量、安全、持久性和经济效益起到了重要的作用。
2. 填写说明
在进行路基工程验收时,需注意以下几点:
1.提前了解施工合同书和规范文件中的验收规定;
2.对施工单位的技术人员进行询问和协商,确保验收的公正、准确;
3.验收工作每日实行填写,实时记录检查内容和结果;
4.检查结果应当在施工单位质量检查报告的基础上验证。
3. 路基验收记录表样本
项目
编号验收项目检查
情况备注
1 路基土石方配合比是否符合设计要求符合
2 路肩宽度、高度是否符合设计要求符合
3 填筑夯实质量是否符合设计要求符合
4 填方、挖方面积和数量、计算是否正确符合
5 开挖土石方是否与设计要求一致,路基边坡
的形状、坡线是否符合要求
符合6 确认工程初始基础是否为第一类层,基础平
整度是否满足要求
符合7 路基土层厚度是否符合要求,压实度是否达
标
符合
8 起伏度、横向坡度是否符合设计要求符合
9 土质路基的草皮是否按规范要求覆盖符合
10 是否存在管线、雨水口等明显缺陷无缺
陷路基验收记录表审核负责人:
4. 结论
路基验收记录表是对道路路基工程进行实地验收的必要手段。
通过该表格的填写,可以全面、准确地记录路基工程的质量情况,及时发现问题并及时处理。
建议工程验收人员仔细阅读填写说明,并在验收现场认真填写路基验收记录表,以确保道路质量、安全、持久性和经济效益的达到验收标准。