开关电源检验规范.
- 格式:doc
- 大小:204.01 KB
- 文档页数:20
1.目的:为使国标电源适配器在采购及新品、新厂商承认导入阶段有依循的标准, 而订定此文件。
2.范围:本规格书适用于国标(不可拆卸的电源软线)电源适配器采购标准规范。
3.权责:3.1国标电源适配器供应商:有责任提供符合本文相关规范之产品。
3.2采购:开发新厂商阶段要求供应商必须满足相关规范制作产品。
3.3工程/硬件:在做新产品/新材料导入评估阶段必须确认本规范要求之所有项目, 并形成相应记录。
3.4本规格书之位皆高于本公司其它国标(不可拆卸的电源软线)电源适配器相关之检验规范文件, 若本规范未明确定义之处请参照GB9254-2008 GB4943-2001 GB17625.1-2003相关标准4.内容:4.1电气特性:安规要求:4.2.1高压测试初级对次级 : 3000Vrms 持续60秒,最大漏电流3.5mA。
4.2.2绝缘电阻初级对次级施加500V直流电压1分钟, 绝缘电阻应不小于20MΩ。
4.2.3输入泄漏电流: 接触电流电源电压为264Vac/50Hz时, 泄漏电流小于0.25mA。
4.2.4国标要符合CCC GB4943-2001并认证。
4.3 使用及贮存环境:4.3.1 温度范围工作温度0℃~ +40 ℃储藏温度-40℃~ +70 ℃4.3.2 湿度范围工作湿度20—80%储藏湿度10—90%4.4 可靠性实验4.4.1跌落试验将实验样品不包装放置在高度为1米高的平面上, 让其自由跌落到混泥面上, 对样品每个面跌落2次, 6个面总共12次, 实验结束后进行外观及性能检查, 适配器无裂缝(裂开),无部件松动;电气测试后,各项电气指标能达到要求。
4.4.2振动试验将实验样品不包装固定在振动台上,按下列要求完成试验:实验样品不通电, 振动频率为10Hz - 55Hz-10Hz,振幅为0.35mm,按X、Y、Z三个轴线方向各扫描5次, 每个轴向持续时间为30分钟, 实验结束后实验样品不出现视觉上的损坏(退化),电气性能符合要求。
1.0 目的:统一定义本司电源产品的测试方法与标准, 给电源的测试提供一个方法依据, 从而使电源的测试能够正确、准确地进行。
2.0 适用范围:适用于测试工程师、技术员和工程测试人员对本司所有电源类产品的测试验证.3.0 定义略4.0 权责:测试组:测试工程师、技术员对各阶段样机进行测试验证, 并提供测试报告研发组: 针对测试组在测试过程中提出的问题点进行改善.5.0 程序内容:5.1 输入电流5.1.1 测试条件5.1.1.1 输入电压: 下限电压/上限电压/额定电压5.1.1.2 负载: 满载条件5.1.1.3 环境温度: 室温5.1.2 测试设备5.1.2.1 可编程交流源5.1.2.2 精密电子负载5.1.2.3 电参数测试仪5.1.3测试方法与步骤5.1.3.1接线方法请参考下图5.1.3.2 说明: 当DC输入时, 图中Power analyzer(电参数测试仪)用万用表替代测试电流5.1.3.3 依照客户规格输入电压设定AC Source/DC Source的输出电压5.1.3.4 依照客户规格的满载条件设定电子负载带载条件5.1.3.5 开启AC Source 电源输出并确认EUT正常动作后, 直接读取电参数测试仪的电流读值或AC SOURCE上的电流读值即为输入电流值5.1.3.6 DC输入时, 用导线直接将DC Source与EUT连接, 用钳流表量测其输入电流5.1.4 判定标准依照客户规格或开发样机规格书所定的标准判定, 若规格无输入电流测试的判定标准, 则此项测试仅供参考5.1.5 注意事项5.1.5.1 若客户对输入电流之量测条件有特别的要求, 则测试标准条件的设定以客户规格为准5.1.5.2 通常在外部环境为高温, EUT 规定的最低电压输入, EUT满载的条件下, 所测得的电流最大5.1.5.3 电参数测试仪上显示的电流值的精确度要比AC Source 显示的电流值要高,建议用电参数测试仪读取5.2 启动冲击电流5.2.1 测试条件5.2.1.1 通常在高温环境、EUT允许最高的输入电压(AC输入的相位角建议为90℃或270℃)及满载条件下所测得的数值最大5.2.1.2 如客户无特别要求, 本司的测试要求在常温条件下测试5.2.1.3 一般而言, 客户所定的冲击电流规格时通常会分别规定热态及冷态时的最大值, 故量测时严格以客户要求为准5.2.2 测试设备5.2.2.1 可编程交流源5.2.2.2 精密电子负载5.2.2.3 数字示波器5.2.2.4 电流探头5.2.3 测试方法与步骤5.2.3.1 依据下图将仪器和待测物接线.5.2.3.2 依照客户规格输入电压之上下限设定AC Source之电压输出.5.2.3.3 依照客户规格作业温度的高温设定外部环境(Chamber)温度.5.2.3.4 依照客户规格的满载条件设定电子负载条件: 满载.5.2.3.5 连接电流探头与示波器, 设置适当的档位, 将示波器触发设定为Normal捕获冲击电流波形.5.2.3.6 开启AC Source/DC Source 电源瞬间, 示波器所取得的电流波形并判读其最高点的读值为冲击电流, 存储该冲击电流波形5.2.4 判定标准依照客户规格或本司企业标准所定标准判定, 若规格无Inrush current测试标准, 则此测试仅供参考5.2.5 注意事项5.2.5.1 冷机定义为: 当通电后, 该EUT必须断电15分钟后方测试5.2.5.2 热机定义为:热机10分钟以上, 则需要在常温下冷却2小时后方算为冷机5.3 调整率测试5.3.1 测试条件5.3.1.1 输入电压: 上限电压、额定电压、下限电压5.3.1.2 环境温度: 下限工作温度, 室温, 上限工作温度5.3.1.3 负载情况:满载(100%Load), 半载(50%Load);轻载(10%Load);空载(0%Load)5.3.2 测试设备5.3.2.1 可编程交流源5.3.2.2 精密电子负载5.3.2.3 恒温恒湿箱5.3.3 测试方法与步骤.1 依据下图将仪器和待测物接线。
B. 在测试时失败或异常,速联系品管负责人或相关人员。
C. 进行此项测试存在危险,检验员在测试中需要特别注意操作安全。
1.2.2 输入浪涌电流(1).测试目的:确保产品在接通电源时,交流回路最大瞬时电流值在标准范围内。
(2).测试条件:a.输入电压为额定输入最大电压,输出为满载状态,测试产品在常温下放置4H以上。
b.测试示意图为:图1c.在交流输入回路中串入无感电阻R0 (R0=0.01Ω),用示波器测量R0在加电峰值时的波形,计算出启动冲击电流,重复测量时必须对电路中储能器件进行放电和热敏电阻冷却后再做测量。
(3). 测试后检验:a.输入冲击电流最大值应小于50倍输入电流的额定值,或由型号产品标准规定。
(4). 备注:A. 检测员严格按照本作业指引进行检验,并作好相关记录,记录表见《综合电气性能测试报告A》。
B. 在测试时失败或异常,速联系品管负责人或相关人员。
1.2.3 输出电压、输入功率、输入功率因素、工作效率(1).测试目的:确保产品的输出电压、输入功率、输入功率因素、工作效率在标准范围内。
(2).测试条件:a.输入电压在额定输入电压范围内变化,一般记录三个点上的数据,即最低输入电压、标称输入电压和最高输入电压。
b.输出为额定负载或空载状态,产品在常温下进行测试。
c.测试示意图为:图2(3). 测试后检验:a.输出电压在额定值的±5%范围内,或由型号产品标准规定。
b.功率因数:不带PFC最小值应大于0.5,带无源PFC最小值应大于0.75,带有源PFC最小值应大于0.8,或由型号产品标准规定。
c.效率:输出总功率与输入总功率之比。
输出电压≤5V η≥65% ;5V<输出电压<12V η≥70%;输出电压≥12V η≥75% ;或由型号产品标准规定。
(4). 备注:A. 检测员严格按照本作业指引进行检验,并作好相关记录,记录表见《综合电气性能测试报告A》。
B. 在测试时失败或异常,速联系品管负责人或相关人员。
开关电源的测试标准与规范对于电源部品认定测试,测试报告要求提供测试数据及结论。
来料检可根据要求减少测试项目,对于测试不合格品的应该表明不合格的测试项。
一.输入特性。
1.工作输入电压和电压变动范围。
2.输入电压的频率和频率变动范围。
3.额定输入电流。
是指在输入电压和输出电流在额定条件时的电流。
4.输入下陷和瞬间停电。
这是一种输入电压瞬间时下降或瞬断的状态,要用额定输出电压和电流加以限定。
测试的指标为电压和时间。
5.冲击电流。
6.漏电流。
7.效率。
因为该指标与发热有关,因此散热时要考虑效率。
8.测试中要标明输入采用单相2线式还是3相三线式。
二.二.输出特性。
1.额定输出电压。
2.额定输出电流。
3.稳压精度。
1)电压稳定度。
2)电流调整率。
3)纹波噪声。
包括最大纹波电压;最大纹波噪声电压。
4.瞬间电流变动导致的输出电压的变动值。
三.附属功能要求。
1.过流保护。
2.过压保护。
3.输入欠压保护。
4.过热保护。
5.绝缘电阻。
输入端与壳体;输入端子和输出端子;输出端子和壳体。
6.绝缘电压。
打高压:输入与输出、输入和地、输入AC两级之间,根据国家标准制定高压值。
四.结构规格。
1.形状条件:如外包装机壳的有无等。
2.确定外型尺寸和尺寸公差。
3.安装条件:安装位置、安装孔、等。
4.冷却条件:强制或自冷以及通风方向,风量和孔径尺寸。
5.接口位置和标志。
6.操作零部件(输出电压可调电阻、开关、指示灯)的位置和提示文字的位置。
7.重量。
五.使用环境条件。
1.温度。
2.湿度。
3.耐振动、冲击。
六.其它条件。
1.输入噪声。
2.浪涌。
3.静电噪声(有外壳的有要求)。
标签:无标签开关电源测试方法开关电源测试方法-12007-5-10 10:58:00开关电源的设计、制造及品质管理等测试需要精密的电子仪器设备来模拟电源供应器实际工作时之各项特性(亦即为各项规格),并验证能否通过。
开关电源有许多不同的组成结构(单输出、多输出、及正负极性等)和输出电压、电流、功率之组合,因此需要具弹性多样化的测试仪器才能符合众多不同规格之需求。
开关电源检验规范.1、⽬的通过进⾏相关的测试检验评估,确保产品符合安规及品质要求。
2、适⽤范围适⽤于本公司所开发/设计的所有开关电源产品。
3、检验所⽤仪器与设备检验所需的设备均须为校验合格的设备,其精度必须⾼于测试所要求的精度⾄少⼀位。
4、检验试验的⼀般条件4.1 检验试验的环境要求如⽆特殊要求,则试验应在下列环境条件下进⾏:环境温度:20 ~ 30℃;相对湿度:35% ~ 75%;⼤⽓压⼒:70 ~ 106KPa。
4.2 检验⽅法各检验项⽬内有检验⽅法,具体的检验操作⽅法参考《检验作业指导书》。
5、检验基本原则及判定准则5.1 检验基本原则5.1.1 以《检验规范》、《产品规格书》依据,以测试数据为准则。
5.1.2 检验过程中若发现问题⽐较严重且⽐较多,需⽴即停⽌并及时向上级汇报。
5.1.3 检验过程中,若抽样产品出现问题,但不影响测试的正常进⾏,则需测完样机的全部项⽬。
5.2 不合格项⽬分类5.2.1 致命问题安规测试不合格;导致电源损坏的所有项⽬。
5.2.2 严重问题技术指标未达到规格的要求;抗⼲扰性指标未达到规格要求。
5.2.3 ⼀般问题测试中指标的裕量不⾜。
5.2.4 讨论问题研究性测试未合格项⽬;产品规格书中未界定的项⽬。
修改记录版次修订⽇期批准审核编写唐恿2012.3.36、检验试验项⽬说明:以下检验⽅法,参照IEC 、GB 、CE 、UL 等标准的通⽤检验⽅法;检验项⽬以产品规格书规定的为准,产品规格书有要求的项⽬为必检项⽬,产品规格书未要求的项⽬可不检验;检验条件如果产品规格书有规定,则以产品规格书为准;当客户对检验项⽬和检验⽅法等有特别要求时,以客户的要求为准。
输⼊全电压范围是指输⼊由最低输⼊电压到最⾼输⼊电压连续调节,但数据只需记录最低输⼊电压,额定输⼊电压,最⾼输⼊电压的情况。
输出全负载范围是指输出负载由最⼩负载到额定负载连续调节,但数据只需记录最⼩负载,半载,额定负载的情况。
开关电源测试标准电源结构的安全要求:1)空间要求:UL、CSA、VDE安全规范强调了在带电部分之间和带电部分与非带电金属部分之间的表面、空间的距离要求UL、CSA要求:极间电压大于等于250VAC的高压导体之间,以及高压导体与非带电金属部分之间(这里不包括导线间),无论在表面间还是在空间,均应有0.1英寸的距离;VDE要求交流线之间有3mm 的徐变或2mm的净空隙;IEC要求:交流线间有3mm的净空间隙及在交流线与接地导体间的4mm的净空间隙另外,VDE、IEC要求在电源的输出和输入之间,至少有8mm的空间间距2)电介质实验测试方法(打高压:输入与输出、输入和地、输入AC两级之间)3)漏电流测量:漏电流是流经输入侧地线的电流,在开关电源中主要是通过静噪滤波器的旁路电容器泄露电流UL、CSA均要求暴露的不带电的金属部分均应与大地相接,漏电流测量是通过将这些部分与大地之间接一个1.5K欧的电阻,其漏电流应该不大于5毫安VDE允许:用1.5K欧的电阻与150nP电容并接并施加 1.06倍额定使用电压,对数据处理设备,漏电流应不大于3.5毫安一般是1毫安左右4)绝缘电阻测试:VDE要求:输入和低电压输出电路之间应有7M欧的电阻,在可接触到的金属部分和输入之间,应有2M欧的电阻或加500V直流电压持续1分钟5)印制电路板要求:要求是UL认证的94V-2材料或比此更好的材料2. 对电源变压器结构的安全要求:1)变压器的绝缘:变压器的绕组使用的铜线应为漆包线,其他金属部分应涂有瓷、漆等绝缘物质2)变压器的介电强度:在实验中不应出现绝缘层破裂和飞弧现象3)变压器的绝缘电阻:变压器绕组间的绝缘电阻至少为10M欧,在绕组与磁心、骨架、屏蔽层间施加500伏直流电压,持续1分钟,不应出现击穿、飞弧现象4)变压器湿度电阻:变压器必须在放置于潮湿的环境之后,立即进行绝缘电阻和介电强度实验,并满足要求潮湿环境一般是:相对湿度为92%(公差为2%),温度稳定在20到30摄氏度之间,误差允许1%,需在内放置至少48小时之后,立即进行上述实验此时变压器的本身温度不应该较进入潮湿环境之前测试高出4摄氏度5)VDE关于变压器温度特性的要求6)UL、CSA关于变压器温度特性的要求注:IEC——International Electrotechnical CommissionVDE——Verbandes Deutcher ElectrotechnicerUL——Underwriters LaboratoriesCSA——Canadian Standards AssociationFCC—— Federal Communications Commission十九.无线电骚扰(按照GB 9254-1998测试)1. 电源端子骚扰电压限值2. 辐射骚扰限值二十.环境实验环境试验是将产品或材料暴露到自然或人工环境中,从而对它们在实际上可能遇到的贮存、运输和使用条件下的性能作出评价⑴低温⑵高温⑶恒定湿热⑷交变湿热⑸冲撞(冲击和碰撞)⑹振动⑺恒加速⑻贮存⑼长霉⑽腐蚀大气(例如盐雾)⑾砂尘⑿空气压力(高压或低压)⒀温度变化⒁可燃性⒂密封⒃水⒄辐射(太阳或核)⒅锡焊⒆接端强度⒇噪声:微打65dB二十一.电磁兼容性试验电磁兼容性试验(electromagnetic compatibility EMC):是指设备或系统在共同的电磁环境中能正常工作且不对该环境中任何事物构成不能承受的电磁干扰的能力电磁干扰波一般有两种传播途径,要按各个途径进行评价一种是以波长的频带向电源线传播,给发射区以干扰的途径,一般在30MHz以下这种波长的频率在附属于电子设备的电源线的长度范围内还不满1个波长,其辐射到空间的量也很少,由此可掌握发生于电源线上的电压,进而可充分评估干扰的大小,这种噪声叫做传导噪声当频率达到30MHz以上,波长也会随之变短这时如果只对发生于电源线的噪声源电压进行评价,就与实际干扰不符因此,采用了通过直接测定传播到空间的干扰波评价噪声大小的方法,该噪声就叫做辐射噪声测定辐射噪声的方法有上述按电场强度对传播空间的干扰波进行直接测定的方法和测定泄露到电源线上的功率的方法电磁兼容性试验包括以下试验:①磁场敏感度:(抗扰性)设备、分系统或系统暴露在电磁辐射下的不希望有的响应程度敏感度电平越小,敏感性越高,抗扰性越差固定频率、峰峰值的磁场②静电放电敏感度:具有不同静电电位的物体相互靠近或直接接触引起的电荷转移300PF电容充电到-15000V,通过500欧电阻放电可超差,但放完后要正常数据传递、储存,不能丢③电源瞬态敏感度:包括尖峰信号敏感度(0.5us 10us 2倍)、电压瞬态敏感度(10%-30%,30S恢复)、频率瞬态敏感度(5%-10%,30S恢复)④辐射敏感度:对造成设备降级的辐射干扰场的度量(14K-1GHz,电场强度为1V/M)⑤传导敏感度:当引起设备不希望有的响应或造成其性能降级时,对在电源、控制或信号线上的干扰信号或电压的度量(30Hz-50KHz 3V ,50KHz-400MHz 1V)⑥非工作状态磁场干扰:包装箱4.6m 磁通密度小于0.525Ut,0.9m 0.525Ut⑦工作状态磁场干扰:上、下、左、右交流磁通密度小于0.5mT⑧传导干扰:沿着导体传播的干扰10KHz-30MHz 60(48)dBuV⑨辐射干扰:通过空间以电磁波形式传播的电磁干扰10KHz-1000MHz 30 屏蔽室60(54)uV/m第二部分测试方法一.耐电压(HI.POT,ELECTRIC STRENGTH ,DIELECTRIC VOLTAGE WITHSTAND)KV1.1 定义:于指定的端子间,例如:I/P-O/P,I/P-FG,O/P-FG间,可耐交流之有效值,漏电流一般可容许10毫安,时间1分钟1.2 测试条件:Ta:25摄氏度;RH:室内湿度1.3 测试回路:1.4 说明:1.4.1 耐压测试主要为防止电气破坏,经由输入串入之高压,影响使用者安全1.4.2 测试时电压必须由0V开始调升,并于1分钟内调至最高点1.4.3 放电时必须注意测试器之Timer设定,于OFF前将电压调回0V1.4.4 安规认证测试时,变压器需另行加测,室内,温度25摄氏度,RH:95摄氏度,48HR,后测试变压器初/次级与初级/CORE1.4.5生产线测试时间为1秒钟二.纹波噪声(涟波杂讯电压)(Ripple & Noise)%,mv2.1定义:直流输出电压上重叠之交流电压成份最大值(P-P)或有效值2.2测试条件:I/P:NominalO/P :Full LoadTa :25℃2.3测试回路:2.4测试波形:2.5说明:2.5.1示波器之GND线愈短愈好,测试线得远离PUS2.5.2使用1:1之Probe2.5.3 Scope之BW一般设定于20MHz,但是对于目前的网络产品测试纹波噪声最好将BW设为最大2.5.4 Noise与使用仪器,环境差异极大,因此测试必须表明测试地点2.5.5测试纹波噪声以不超过原规格值+1%Vo三.漏电流(泄漏电流)(Leakage Current)mA3.1定义:输入一机壳间流通之电流(机壳必须为接大地时)3.2测试条件:I/P:Vin max.×1.06(TUV)/60HzVin max.(UL1012)/60HzO/P:No Load/Full LoadTa:25℃3.3测试回路:3.4说明:3.4.1 L,N均需测3.4.2 UL1012 R值为1K5TUV R值为2K/0 15uF3.4.3 漏电流规格TUV:3.5mA,UL1012:5mA四.温度测试(Temperature Test)4.1定义:温度测试指PSU于正常工作下,其零件或Case温度不得超出其材质规格或规格定值4.2测试条件:I/P:NominalO/P:Full LoadTa :25℃4.3测试方法:4.3.1将Thermo Coupler(TYPE K)稳固的固定于量测的物体上(速干、Tape或焊接方式)4.3.2 Thermo Coupler于末端绞三圈后焊成一球状测试4.3.3我们一般用点温计测量4.4测试零件:热源及易受热源影响部分,例如:输入端子、Fuse、输入电容、输入电感、滤波电容、桥整、热敏、突波吸收器、输出电容、输出电容、输出电感、变压器、铁芯、绕线、散热片、大功率半导体、Case、热源零件下之P.C.B.……4.5零件温度限制:4.5.1零件上有标示温度者,以标示之温度为基准4.5.2其他未标示温度之零件,温度不超过P.C.B.之耐温4.5.3电感显示个别申请安规者,温升限制65℃Max(UL1012),75℃Max(TUV)五.输入电压调节率(Line Regulation), %5.1定义:输入电压在额定范围内变化时,输出电压之变化率Vmax-VnorLine Regulation(+)=------------------VnorVnor-VminLine Regulation(-)=------------------VnorVmax-VminLine Regulation=----------------VnorVnor:输入电压为常态值,输出为满载时之输出电压Vmax:输入电压变化时之最高输出电压Vmin:输入电压变化时之最低输出电压5.2测试条件:I/P:Min./Nominal/MaxO/P:Full LoadTa:25℃5.3测试回路:5.4说明:Line Regulation 亦可直接Vmax-Vnor与Vmin-Vnor之±最大值以mV表示,再配合Tolerance%表示六.负载调节率(Load Regulation)%5.1定义:输出电流于额定范围内变化(静态)时,输出电压之变化率|Vminl-Vcent|Line Regulation(+)=------------------×100%Vcent|Vcent-VfL|Line Regulation(-)=------------------×100%Vcent|VminL-VfL|Line Regulation(%)=----------------×100%VcentVmilL:最小负载时之输出电压VfL:满载时之输出电压Vcent:半载时之输出电压6.2测试条件:I/P:NominalO/P:Min./Half/Full LoadTa:25℃6.3测试回路:6.4 Load Regulation亦可直接Vmin.L-Vcent与Vcent-Vmax.之±最大值以mV表示,再配合Tolerance%表示第三部分测试报告要求的项目:对于电源产品认定测试,测试报告要求提供测试数据及结论可根据要求减少测试项目,对于测试不合格品的应该表明不合格的测试项一.输入特性:1.工作输入电压和电压变动范围2.输入电压的频率和频率变动范围3.额定输入电流:是指在输入电压和输出电流在额定条件时的电流4.输入下陷和瞬间停电:这是一种输入电压瞬间时下降或瞬断的状态,要用额定输出电压和电流加以限定测试的指标为电压和时间5.冲击电流6.漏电流7.效率:因为该指标与发热有关,因此散热时要考虑效率8.测试中要标明输入采用单相2线式还是3相三线式二.输出特性:1.额定输出电压2.额定输出电流3.稳压精度1)电压稳定度2)电流调整率3)纹波噪声:包括最大纹波电压;最大纹波噪声电压4.瞬间电流变动导致的输出电压的变动值三.附属功能要求:1.过流保护2.过压保护3.输入欠压保护4.过热保护5.绝缘电阻:输入端与壳体;输入端子和输出端子;输出端子和壳体6.绝缘电压:打高压:输入与输出、输入和地、输入AC两级之间,根据国家标准制定高压值四.结构规格:1.形状条件:如外包装机壳的有无等2.确定外型尺寸和尺寸公差3.安装条件:安装位置、安装孔等4.冷却条件:强制或自冷以及通风方向,风量和孔径尺寸5.接口位置和标志6.操作零部件(输出电压可调电阻、开关、指示灯)的位置和提示文字的位置7.重量五.使用环境条件:1.温度2.湿度3.耐振动、冲击六.其它条件:1.输入噪声2.浪涌3.静电噪声(有外壳的有要求)。
开关电源验收规范1. 主题:开关电源变压器的验收要求、项目、方法及抽样方案的规范。
2. 常规检验项目2.1 外观包装和标识2.1.1技术要求:外观表面应整洁无污垢,外表无明显伤痕。
引脚、铜带无氧化锈蚀,结构牢固无松动。
包装用泡沫不得粘附于引脚上。
标识完整正确清晰(注意检查警示标签:高压危险)。
磁芯崩缺口应小于2mm无裂纹。
2.1.2检验方法:目视法。
2.2 结构尺寸2.2.1技术要求:外形结构尺寸应符合产品规格书所规定的图纸要求及我司相关补充EDE规定。
试插无高脚现象。
2.2.2检验方法:用卡尺测量与试插目测法相结合。
2.3 电感量、直流铜阻、漏感、匝数、同名端(极性)2.3.1技术要求:符合规格书要求。
2.3.2检验方法:用3201变压器综合测试仪设置测试,注意绕组端设置应与规格书相符。
(特殊尺寸变压器用HM2791及电阻测试仪测试,免测匝数,极性测试每批2pcs)3. 特殊检验项目3.1 耐压、绝缘电阻3.1.13.1.2技术要求:符合产品规格书及我司相关补充EDE规定的要求。
3.1.3检验方法:用TOS8850耐压/绝缘电阻测试仪测试,注意选择合适的档位及泄漏电流以符合规定。
操作人员按安全操作规程进行,确保安全。
耐压强度测试电压按规定值加200V进行,时间缩短为10秒,绝缘电阻测试电压不变,时间缩短为10秒,如果测试不合格按标准电压及时间测试。
4. 试验项目:按《常规试验规范》执行。
5. 检验不合格分类5.1 A类不合格:无EDE、耐压不符、绝缘电阻超差、开路、短路、电感量/漏感/直流铜阻超差、匝数/同名端(极性)不符。
5.2 B类不合格:料单不符、标识错、混规、无标识或不全、标识不良不可辨认、尺寸超差影响使用、试插高脚、引脚无明显氧化。
5.3 C类不合格:来料超期、尺寸略超差不影响使用、标识模糊但可辨认、外观不良、包装不良。
东莞德信诚精品培训课程(部分)内审员系列培训课程查看详情TS16949五大工具与QC/QA/QE品质管理类查看详情 JIT>>> qq:14259839546. 记录数据项目:直流铜阻、电感量、漏感、耐压、绝缘电阻。
1、目的为确保产品生产组装时产品质量良好,特制定本规范2、适用范围适用于公司生产的所有开关电源系列产品。
3、职责3.1装配拉长:负责通知QC产品开拉生产。
3.2IPQC检验员:负责对制造单位各个工位员工操作方法,物料,设备参数及半成品质量进行抽检、确认并做好检验记录。
3.3QE、PE、拉长:负责对IPQC检查不合格项的不良分析处理及对应的纠正和预防措施。
4、定义致命缺陷:当产品特性在使用时会造成生命或安全问题的缺陷;如:耐压、阻燃、绝缘阻抗不良严重缺陷:当产品特性在使用时不能达到所期望之功能或显著降低其使用效果的缺点;如:输入、出电压、电流、机械结构、内有杂物;外观严重缺陷,如:露铜(导电部位)。
轻微缺陷:当产品特性在使用时,实质上不致减低其使用功能致期望目的,虽与所设定的目标有所差异,但产品在使用与操作效用上并无影响。
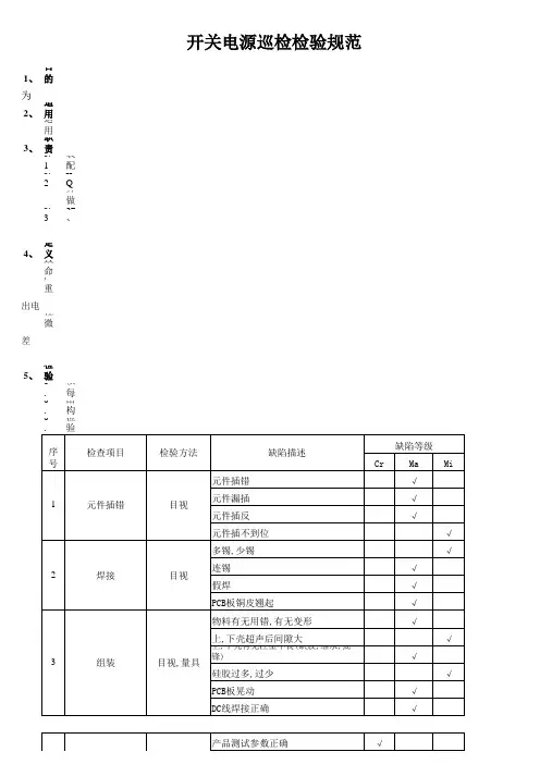
5、检验5.1以每小时的产量为批次抽样,按QC2-QA-01D进行.5.2结构功能检查《IPQC巡检报告》《品质异常通知单》《产品功能测试报告》6.异常处理6.1巡检或抽样时发现不良时IPQC及时通知拉长确认改善,如出现重大异常IPQC需通知QE/QC组长确认,并填写品质异常单反馈生产及相关部门,做好标识,记录.批准:7.表格审核:目视不良品有无标识有无工程录外壳有无破损INT老化后无反应√√√4√功能测试仪器(综合测试仪、806C/D 、)产品测试参数正确产品电压输出电压/电流正确产品电压输入电压/电流正确过载保护失效√7其它5可靠性测试跌落试验(从750CM的高处自由到地,总跌落三次),高压测试(3600V),老化测试(120V2H-220V2H)√√仪器有无点检,记录√高压不良√功能不良√√机内有无异响,部件脱落√√6包装目视及客户要求资料贴纸内容标识正确√数量正确,无多装,少装包材无破损√√外箱标识正确√。
开关电源环境可靠性测试规范1.0 目的:统一定义本司电源产品的环境可靠性测试方法与标准.给电源的测试提供一个方法依据, 从而使电源的测试能够正确、准确地进行。
2.0适用范围:适用于测试工程师、技术员和工程测试人员对本司所有电源类产品的环境可靠性验证.3.0 定义略.4.0权责:测试组:测试工程师技术员对各阶段进行可靠性验证.并提供可靠性验证报告研发组:针对测试组在测试验证过程中出现的问题点进行改善5.0程序内容:5.1低温启动5.1.1测试条件5.1.1.1输入电压:输入下限电压、额定电压、上限电压.5.1.1.2负载条件:满载、轻载(选用条件)5.1.1.3环境温度:EUT要求最低工作环境温度。
5.1.1.4持续时间:》0℃2Hrs;V0℃4Hrs5.1.2测试设备5.1.2.1交流源5.1.2.2电子负载(可用电阻负载代替)5.1.2.3恒温恒湿箱5.1.3测试方法与步骤5.1.3.1接线图如下.按照线路图连接设备:5.1.3.2启动恒温恒湿箱.将箱内温度降至EUT工作的下限环境温度以1 ℃/分钟的速率上升或下降。
如环境温度要求为0摄氏度或以上则保持2小时否则僻持4小时低温环境时间。
5.1.3.3将输出负载设定为满载(如有特别要求除外嫡以输入电压下限输入接着额定电压输入.最后输入电压的上限输入。
5.1.3.4如步骤3中EUT无法启动则将将负载改为轻载然后与步骤3中的输入电压相同顺序测试。
5.1.4判定标准5.1.4.1除非特殊要求.EUT在3项测试中必须能满足。
5.1.4.2输出电压在稳压精度范围内。
5.1.5注意事项5.1.5.1有些机型并不能立即启动.故规定如在10秒内启动算合格。
5.1.5.2温度保持期间不得对EUT进行输入等测试5.2低温工作5.2.1测试条件5.2.1.1试验温度:EUT要求的最低工作温度.误差为±3℃5.2.1.2负载条件:Full load5.2.1.3输入电压VS保持时间顺序输入电压保持时间WON/DFF: ZSeconcs ON;工巳二口口北CFF备注:1 额定电压16Hrs 结束时.做5个ON/OFF测试*2 输入下限电压4Hrs 结束时.做5个ON/OFF测试* 3 输入上限电压4Hrs 结束时做5ON/OFF测试* *ON/OFF:2Seconds ON; 2Seconds OFF5.2.2测试设备5.2.2.1交流源、5.2.2.2电子负载(可用电阻负载代替)5.2.2.3恒温恒湿箱5.2.3测试方法与步骤5.2.3.1试验温度与时间关系曲线图如下:(温度的偏差允许±2℃)5.2.3.2将EUT放置在恒温恒湿箱中.为保证温度平衡性.EUT尽量放置在恒温恒湿箱中间位置;5.2.3.3根据EUT进行接线.选用的线材与考虑通过电流的大小.避免电流过大造成危险。
1、目的
通过进行相关的测试检验评估,确保产品符合安规及品质要求。
2、适用范围
适用于本公司所开发/设计的所有开关电源产品。
3、检验所用仪器与设备
检验所需的设备均须为校验合格的设备,其精度必须高于测试所要求的精度至少一位。
4、检验试验的一般条件
4.1 检验试验的环境要求
如无特殊要求,则试验应在下列环境条件下进行:
环境温度:20 ~ 30℃;
相对湿度:35% ~ 75%;
大气压力:70 ~ 106KPa。
4.2 检验方法
各检验项目内有检验方法,具体的检验操作方法参考《检验作业指导书》。
5、检验基本原则及判定准则
5.1 检验基本原则
5.1.1 以《检验规范》、《产品规格书》依据,以测试数据为准则。
5.1.2 检验过程中若发现问题比较严重且比较多,需立即停止并及时向上级汇报。
5.1.3 检验过程中,若抽样产品出现问题,但不影响测试的正常进行,则需测完样机的全部项目。
5.2 不合格项目分类
5.2.1 致命问题
安规测试不合格;导致电源损坏的所有项目。
5.2.2 严重问题
技术指标未达到规格的要求;抗干扰性指标未达到规格要求。
5.2.3 一般问题
测试中指标的裕量不足。
5.2.4 讨论问题
研究性测试未合格项目;产品规格书中未界定的项目。
修改记录版次修订日期批准审核编写
唐恿
2012.3.3
判定标准:
空载输入功率超标:严重问题6.1.2 空载输出电压
测试说明:
出电压在规格要求的范围内。
2. 负载为最小负载、半载、最大负载、包括容性负载。
判定标准:
探头如图2放置,测试电路如图3接线
图2
图3
测试方法:
1. 先如图3布置好测试电路。
2. 全输入电压范围及各种输出负载;
3. 测量端并联一个容量≥0.1μF 的高频电容和一个10uF 的电解电容(电容的位置如图3中所示)。
4.对于测试纹波应把示波器TIME/DIV 调至4μS 左右,带宽设为20MHz ,,地线要去掉,采用探头上地直接靠的方法,如图2 所示; 5.峰-峰值噪声电压Vp-p 测试
1)在输入电压、输出电流均为额定值时,用示波器测试并记录杂音电压(Vp-p )值; 2)缓慢调节输出负载,在输出端的峰-峰值杂音电压达到最大值记录下来;
3)将输入电压调节为最大值和最小值,负载在满载范围内变化时,测试并记录峰峰值的最大值; 4)取所有测试值中最大值作为峰-峰值杂音电压; 判定标准:
纹波噪音超标:严重问题
纹波噪音震荡:如果幅值没有超标,则为讨论问题;如果幅值超标: 严重问题
6.1.9 输出动态响应
测试说明:
输出负载在发生跳变时。
输出电压的变化情况。
按Spec.要求输入额定电源电压&频率,输出加最大额定负载的20%~80%,频率1.0KHz ;测试输出动态响应符合下表限值。
输出电压
限值
≤ 5.0V
≤ 250mV >5.0V and ≤ 15.0V Vout × 6% >15.0V
≤ 1200mV
测试方框图:
按图3的测试
电路接线,电容C2不接。
电参数测量仪
待测试电源
电子
负载
示波器
电压探头
AC 电源
C1
C2
输出电压上升或下降时波形异常:严重问题
6.1.11 开机延迟时间(启动延时)
定义:从给电源提供工作电压到电源开始产生稳定输出之时间即为开机延迟时间。
测试说明:
测试方法:
1. 如图3 布置好测试电路
2. 输入电压全范围,输出各种负载,分别测试C2(大小由产品技术标准规定)接与不接的情况。
3. 将数字示波器设置到正常捕获状态。
SLOPE 为为上升沿,打开正向超调测量。
6.1.16 效率
测试说明:
参照产品Spec.,输入电源电压(额定电压范围内的电压值),输出满载条件下;测试效率值不能超出Spec.
要求的限值,并且要符合下述的要求:产品在输入115V/60Hz和(或)230V/50Hz两种模式下,输出加
2. 输入电源正常工作电压范围的电压。
3. 电源所带负载为最大额定负载。
4. 逐渐加大输出负载电流,直至电源进入保护状态。
短路不保护:严重问题短路有啸叫:严重问题短路电源损坏:致命问题
3. 用【绝缘(耐压)测试仪】测试电源输入、输出及大地三者之间的绝缘电阻值。
判定标准:
绝缘电阻不合格:致命问题
6.1.23 泄漏电流
3. 相应的负载条件下让电源正常工作,慢慢调高供电电源的电压,直到电源输出关断,此时的输入电压
值即为输入过压点。
4. 接着慢慢往回调低输入电压,直到电源又恢复输出,此时的输入电压即为输入过压恢复点。
试验方法:
1.产品输入额定电压,输出最大额定负载,持续工作8小时。
2.试验后检查产品外观应无不良现象。
测试方法:
1.将测温线用胶水固定在产品的电容、电阻、IC、晶体管、绕组元件、绝缘材料和外壳上,并编号。
2.产品输入额定电压,输出最大额定负载。
2.产品在试验箱内达到<环境试验参数表>要求试验时间后,分别输入额定电压范围的最低、最高电压
值及频率进行启动试验。
3.启动频率为On/Off 5S/5S,启动次数参考<环境试验参数表>。
试验后的介电强度和电性检测若出现问题,按相关问题判断标准来执行。
6.2.4 盐雾试验
试验说明:
产品标记的内容应符合与其相对应的安规标准的要求,并且其标记应是能耐久性和醒目的,通过如下试验来检验其是否具有耐久性。
检查方法:
1.将产品置于检验台,产品标记向上。
试验后检测性能出现不良现象:严重问题
6.3.6 包装振动试验
试验说明:
产品在包装条件下,频率为10 ~ 55Hz,振幅0.35mm,扫频速率为每分钟一个倍频程,振动轴向为X、
判定标准:
任何重要元器件上的标示信息与Spec. BOM清单有不一致的现象:严重问题7、引用和参考文件。