开关电源检验规范
- 格式:doc
- 大小:978.00 KB
- 文档页数:16
B. 在测试时失败或异常,速联系品管负责人或相关人员。
C. 进行此项测试存在危险,检验员在测试中需要特别注意操作安全。
1.2.2 输入浪涌电流(1).测试目的:确保产品在接通电源时,交流回路最大瞬时电流值在标准范围内。
(2).测试条件:a.输入电压为额定输入最大电压,输出为满载状态,测试产品在常温下放置4H以上。
b.测试示意图为:图1c.在交流输入回路中串入无感电阻R0 (R0=0.01Ω),用示波器测量R0在加电峰值时的波形,计算出启动冲击电流,重复测量时必须对电路中储能器件进行放电和热敏电阻冷却后再做测量。
(3). 测试后检验:a.输入冲击电流最大值应小于50倍输入电流的额定值,或由型号产品标准规定。
(4). 备注:A. 检测员严格按照本作业指引进行检验,并作好相关记录,记录表见《综合电气性能测试报告A》。
B. 在测试时失败或异常,速联系品管负责人或相关人员。
1.2.3 输出电压、输入功率、输入功率因素、工作效率(1).测试目的:确保产品的输出电压、输入功率、输入功率因素、工作效率在标准范围内。
(2).测试条件:a.输入电压在额定输入电压范围内变化,一般记录三个点上的数据,即最低输入电压、标称输入电压和最高输入电压。
b.输出为额定负载或空载状态,产品在常温下进行测试。
c.测试示意图为:图2(3). 测试后检验:a.输出电压在额定值的±5%范围内,或由型号产品标准规定。
b.功率因数:不带PFC最小值应大于0.5,带无源PFC最小值应大于0.75,带有源PFC最小值应大于0.8,或由型号产品标准规定。
c.效率:输出总功率与输入总功率之比。
输出电压≤5V η≥65% ;5V<输出电压<12V η≥70%;输出电压≥12V η≥75% ;或由型号产品标准规定。
(4). 备注:A. 检测员严格按照本作业指引进行检验,并作好相关记录,记录表见《综合电气性能测试报告A》。
B. 在测试时失败或异常,速联系品管负责人或相关人员。
开关电源的测试标准与规范对于电源部品认定测试,测试报告要求提供测试数据及结论。
来料检可根据要求减少测试项目,对于测试不合格品的应该表明不合格的测试项。
一.输入特性。
1.工作输入电压和电压变动范围。
2.输入电压的频率和频率变动范围。
3.额定输入电流。
是指在输入电压和输出电流在额定条件时的电流。
4.输入下陷和瞬间停电。
这是一种输入电压瞬间时下降或瞬断的状态,要用额定输出电压和电流加以限定。
测试的指标为电压和时间。
5.冲击电流。
6.漏电流。
7.效率。
因为该指标与发热有关,因此散热时要考虑效率。
8.测试中要标明输入采用单相2线式还是3相三线式。
二.二.输出特性。
1.额定输出电压。
2.额定输出电流。
3.稳压精度。
1)电压稳定度。
2)电流调整率。
3)纹波噪声。
包括最大纹波电压;最大纹波噪声电压。
4.瞬间电流变动导致的输出电压的变动值。
三.附属功能要求。
1.过流保护。
2.过压保护。
3.输入欠压保护。
4.过热保护。
5.绝缘电阻。
输入端与壳体;输入端子和输出端子;输出端子和壳体。
6.绝缘电压。
打高压:输入与输出、输入和地、输入AC两级之间,根据国家标准制定高压值。
四.结构规格。
1.形状条件:如外包装机壳的有无等。
2.确定外型尺寸和尺寸公差。
3.安装条件:安装位置、安装孔、等。
4.冷却条件:强制或自冷以及通风方向,风量和孔径尺寸。
5.接口位置和标志。
6.操作零部件(输出电压可调电阻、开关、指示灯)的位置和提示文字的位置。
7.重量。
五.使用环境条件。
1.温度。
2.湿度。
3.耐振动、冲击。
六.其它条件。
1.输入噪声。
2.浪涌。
3.静电噪声(有外壳的有要求)。
标签:无标签开关电源测试方法开关电源测试方法-12007-5-10 10:58:00开关电源的设计、制造及品质管理等测试需要精密的电子仪器设备来模拟电源供应器实际工作时之各项特性(亦即为各项规格),并验证能否通过。
开关电源有许多不同的组成结构(单输出、多输出、及正负极性等)和输出电压、电流、功率之组合,因此需要具弹性多样化的测试仪器才能符合众多不同规格之需求。
开关电源测试规范 (2007-12-22 17:15)分类:电源技术类文章开关电源测试规范一、安全标准检查工作指导 51、高压测试 52、低输入电压产品使用1800VAC作高压测试 53、绝缘测试 54、漏电流测试 55、接地测试 56、输入电流测试 57、输入端的剩余电压 58、各输出端的最大VA 59、异常操作测试 69.2、特低输入电压测试 69.3、特高电压测试 69.4、过载测试 69.5、长时间的过压保护测试 69.6、适配器内可熔断电阻的安全测试 710、异常处理测试 710.1、严格的跌落测试(对于AC适配器) 710.2、严格的震动测试(对于AC适配器) 711、可见的潜在安全问题检查 711.1、输贴片电容的检查 711.2、AC输入线的检查 711.3、DC输出线的检查 711.4、热组件 812、可燃性检查 813、各种检查 813.1、组件检查 813.2、标贴检查 813.3、空间及爬电距离 8二、环境条件测试 81、高温测试 82、低温操作测试 83、高湿操作测试 84、高低温储存循环测试 85、高湿储存测试 86、振动测试 96.1、非工作状态测试 96.2 工作状态振动测试 97、跌落测试 9三、静态工作特性测试 91、输出电压与电流调整范围 (需在高、低、常温下进行测试) 92、效率测试 (高、低、常温三种条件下进行) 103、起机输入电压测试 (高、低、常温三种条件下进行) 104、输入电压临界电测试(高、低、常温三种条件下进行) 105、输出电压电流特性曲线测试 (高,低,常温三种条件下进行) 106、输出共模噪音电压测试 (在规格中有要求才做) 107、可听噪音测试 10四、动态性能测试 101、浪涌电流测试 101.1、室温冷起机 101.2、室温热起机 112、开关机时输出电压过冲与欠冲测试 113、开机延时及输及电压间跟从测试 114、开机维持时间 125、阶跃负载响应测试 (此测试项须进行低温、常温、高温三种条件的测试) 126、POWER GOOD /FAIL TEST 12五、开短路测试 121、测试范围 122、测试标准 133、测试方法(TEST METHOD) 133.1、开短路测试(Open short method) 143.2、在测试过程中和测试后要观察的项目(Utems to observe doing or after open short) 14六、可靠性测试 151、电解电容寿命的检测 152、RUBYCON公司的电容寿命计算公式 163、温升测试 163.1、外壳温升 163.2、零件温升 163.3、火牛温升 173.4、电容温升测试 173.5、高温开关机测试 173.6、MTBF(平均无故障时间计算) 173.7、组件失效率的计算 17七、组件使用率测试工作指导 181、测试范围 182、测试条件 183、用率要求 184、测试方法 184.1、电阻 194.2、电解电容使用率测试 194.3、电容 204.4、陶瓷电容 204.5、晶体三极管和场效应管 204.6、二极管 204.7、稳压二极管 204.8、反激式功率变压器 214.9、正激式功率变压器 214.10、正激式功率镇流器 214.11、##芯镇流器 21八、设计更改评估工作指引 231、目的 232、步骤 232.2、测试计划与时间表 232.3、测试 232.4反馈问题给开发部 242.5报告 242.6结束 25九、保护电路测试工作指引 251、目的 252 、主要使用仪器 253、步骤 253.1、过流保护 253.2、短路保护 253.3、过压保护 263.4、过温保护 263.5、过温保护余量 26十、设计验证工作指引 261、目的 262、范围 263、步骤 263.1、2MVT 273.2、测试计划 273.3、测试 273.4、反馈问题给开发部 283.5、报告 283.6、结束 29十一、电磁兼容测试工作指引 291、目的 292、使用仪器 293、步骤 303.1、传导电磁干扰测试 303.2、辐射电磁干扰测试 313.3、静电放电测试 323.4、谐波电流测试 33十三、电源干扰测试工作指引 34 1目的 342范围 343使用仪器 344步骤 344.1掉电测试 344.2 400HZ的振铃测试 344.3交流电源功率噪声测试 354.4雷击测试 354.5关机后重新开机测试 354.6输入电压不足测试 35十四、机械性能检查工作 361、目的 362、范围 363、使用仪表 364、机械性能检查 36一、安全标准检查工作指导1、高压测试对于class 2类电源(没有接地端)将初级端的L和N边接在一起,将次级端所有的输出0V电压连接.在初、次级之间输入3600Vac电压持续1分钟.标准:漏电流必须小于10mA2、低输入电压产品使用1800Vac作高压测试对于class 1 类电源(带有接地端)连接初级的L和N,将次级端的所有输出、OV电压和地连接在一起,在初级和次级之间输入1800Vac的电压持续1分钟,标准:漏电流必须小于10mA移去初级和地之间的所有Y-cap,只留下初、次级间的Y-cap,将初级端的L和N 连接,迎接次级端所有的输出和0V电压,留下地是态空的.在初级次级之间入3600Vac的电压持续1分钟.低输入电压产品使用1800Vac作高压测试.标准:漏电流必须小于10mA3、绝缘测试将初级端的L和N连接在一起,连接次级端所有的输出、0V电压和地(如果有的话)用500V的兆欧,绝缘表测量初、次级间的阻值.4、漏电流测试在正常高电压输入(120Vac或240Vac)最大负载情况下进行,连接测试电流表于输入端初级回路的火线或零线跟次级回路的0v电压(若有的话)的漏电,如下图所示:标准:对于class2 设备小于0.25mA对于class1 设备小于0.75mA5、接地测试这个测试适用于只有接地端的设备在接地端和接地的任何可接触的金属部分之间输入25A(交流或直流)电流标准:接地端和共它接地端金属之间的电阻值必须小于0.1欧姆6、输入电流测试本测试适用于AC电源在输入电压等于低于正常电压10%(100Vac或200Vac)等于90 Vac或180 Vac,额定最大负载的情况下,测量输入的有效值电流.标准:输入的有效值电流必须低于定的保险丝和电源标贴上的额定输入电流7、输入端的剩余电压本测试只适用于正常值高于0.1uf的X-cap输入一直流电压等于正常高电压(120 Vac或240 Vac)的峰值,也等于170 Vdc 或340 Vdc给输入装置,负载可以是最大或最小值.用存贮示波器测试电源的2个输入端通过的电压关闭直流输入,记录输入端下降的电压波形.标准:输入端电压上8、各输出端的最大VA对于固有的有限功率电源,和输出不是使用在防火外壳内的设备.还包括电源适配器、充电器,在正常和单一组件损坏的情况下能从各输出得到的最大电流和VS(电压必须附合以下情况输出电输出电流最大VAUoc<=20 < =80 <=5Uoc20<UOC<=30&NBSP;&NBSP;&NBSP;&NBSP;&NBSP;&NBSP;&NBSP;&NBSP;&NBSP;&NBSP ;&NBSP;&NBSP;&NBSP;&NBSP;&NBSP;&NBSP;&NBSP;&NBSP;&NBSP;&NBSP;&NBSP;&N BSP;&NBSP;&NBSP;&NBSP;&NBSP;&NBSP;&NBSP;<=80&NBSP;&NBSP;&NBSP;&NBSP;&NBSP;&NBSP;&NBSP;&NBSP;&NBSP;&NBSP;&NBSP;&NBSP;&NBSP;&NBSP;&NBSP;&NBS P;&NBSP;&NBSP;<="100">30<UOC<=60&NBSP;&NBSP;&NBSP;&NBSP;&NBSP;&NBSP;&NBSP;&NBSP;&NB SP;&NBSP;&NBSP;&NBSP;&NBSP;&NBSP;&NBSP;&NBSP;&NBSP;&NBSP;&NBSP;&NBSP; &NBSP;&NBSP;&NBSP;&NBSP;&NBSP;&NBSP;&NBSP;&NBSP;<=150Uoc是无负载的输出电压最大电流为60秒以后的电流,在任何负载包括短路的情况下,电子负载必须调节至从设备得到可能的最大电流.最大电流为100毫秒以后的电流,在任何负载包括短路的情况下,电子负载必须调节至从设备得到可能的最大率.单一组件损坏情况可以下列情况模仿对于次级限制电流的设备:把限流电阻短路,或把电流反溃回路中的组件短路对于没有次级限制电流却有初级制电流的设备,反流电阻短路,或流过电路上的组件开路.对于没有次级和初级限制电流的设备,寻找初级VT (电压*时间)限制回路上的组件.例如输入电压和补尝二极管,从开路/短路测试的结果,检查当这个二极管开路时输出的是否正常,如果正常,则把一稳压二极管开路作为最大输出VA测试的单一损坏情况.开路VT限制电路上的其它零件也可以作为损坏情况,但它不能很快的损坏设备(可检查开路/短路测试结果),并且得到最大输出VA增幅.9、异常操作测试当设备运行时测变压器的最高绕组温度.使用热电偶测量的标准:对于等级A的火牛<140度对于等级E的火牛<155度对于等级B的火牛<165度测试后要检查高压(初级与次级之间3600V,初级与地之间1800V)测试后检查过热区域的症状,如胶壳变型或底版烧黑针对测试(仅对于AC适配器)用毛毯包裹适配器,使设备运行直到温度稳定,须测试最大/最小输入电压,最大负载/输出的四种组合如果被测机关机或温度保险丝断开,把负载或环境温度降低一点再重新测试,寻找最高变压器温度并保持被测机在这个环境2小时.9.2、特低输入电压测试在输入电压为最小、最大负载条件下,慢慢调低输入电压直到输出开始下降,记下此时最低输入电压,用这个输入电压使设备运行直到温度稳定.9.3、特高电压测试在输入电压为300V、最大负载条件下,运行设备直到温度稳定.9.4、过载测试增加输出负载直至输出功率为最大,运行设备直至温度稳定,须测试最大/最小输入电压.9.5、长时间的过压保护测试9.5.1、对于下列过压保护电路A 输出端放稳压管B 输出端放稳压管及低温锡C输出端放稳压管及弹簧样品收量:50台(可用一台机测但要试50个稳压管)对50台机以不同的方法去仿真过压,包括短路光偶之LED 或把输出电压慢慢调高如稳压管坏后没完全短路用产生热使胶壳变型或底版变黑,那么此测试为不及格如果稳压管坏后开路引致输出电压升高于42.4V,或输出电容爆炸,那么这个测试不合格.(如果输出电压升至超过输出电容额定电压的110%,待1/2小时看电容会不会爆炸)9.5.2 其它过压保护样品数量:1台在输入电压为240V/120V,最小负载条件下,调节输出电压,使其增大到恰好过压保护作用之前(例如设备恰好开机之前,或者输出稳压二极管损坏之前)运行设备直到温度稳下9.6、适配器内可熔断电阻的安全测试如有下列问题发生则此测试为不及格有安全相关的问题发生(例如塑料外壳变形)变压温度超过其对电压等级(AB…)于异常环境下之前之温度限制测试后变压器能不能通过高压测试测试方法:把适配器内之开关晶体管C-E或砀效应管D-S短路,输入85Vac,记下电阻的熔断时间及最高变压器温度,再重复输入0VAC,如果没有安全不及格则此测试为及格.如果有安全不及格,记录当时输入电压为F Vac同、除去开关晶体管C-F或场效应管短路,于晶体管C-B间或场效应管D-G间接一电压为4.2*(85-F)Vdc之稳压管,仿真一半坏之晶体管,在适配器输入85VAC如果晶体管或场效应管没有坏或产生@@,认为不及格.10、异常处理测试10.1、严格的跌落测试(对于AC适配器)从足够高的地方(2.0米)跌落设备,总共六个方位,如果发现有以下症状,则视结果为不及格.塑料盒破裂散热片夹(脚位)错乱零件或螺丝松落10.2、严格的震动测试(对于AC适配器)使用能达到地最大加速度地正弦波扫描震动,频率范围10-500赫兹及三格方向,如果出现以下地症状,则测试为不合格:塑料盒破裂散热片夹(脚位)错乱零件或螺丝松落锋利的边缘切进绝缘11、可见的潜在安全问题检查11.1、输贴片电容的检查如果有以下两种情况同时发生,则测试结果为不合格.(贴片电容可降格为电阻,发热及把塑料外盒熔化)贴片电容横跨在输出端塑料盒与贴片电容之间没有屏蔽或绝缘11.2、AC输入线的检查如果以下两种情况同时发生,则视测试为不合格AC输入线存在有机械压力如果联接导线断裂,导线能晃动及桥接初级/次级11.3、DC输出线的检查如果以下两种情况同时发生,则测试为不合格DC输出线存在有机械压力如果联接线断裂,导线能晃动及桥接初级/次级11.4、热组件对于在异常情况下可能变的很热的组件,不可以放在有机会使外壳变软或熔化的地方,检查以下组件:可熔断电阻;输入电感;功率变压器;开关管/场效应管;输出整流管;功率电阻;使用低频率磁芯地共模电感;过压保护电路12、可燃性检查检查塑料外壳,绝缘片,电路底板地可燃性级数.13、各种检查13.1、组件检查检查以下组件已为适当之安规机构认可保险丝;压敏电阻;X电容;Y电容13.2、标贴检查检查标贴上的信息是否这正确用水擦拭标贴地表面15秒,然后用电油擦拭15秒,检查上面的标贴是否擦掉. 用3M600地胶带贴在标贴上30秒,然后在垂直方向去掉胶带,不能有标贴被粘掉.13.3、空间及爬电距离检查电路底板上初级跟次级铜皮之间的最小爬电距离.检查初级零件跟次级零件之间的最小距离及爬电距离.检查电路底板上火线跟中线的最小爬电距离.二、环境条件测试测试之前记下被测试机的重要电气参数,最少在高电压及低电压检查输出电压和纹波.测试之后,当被测机回到环境温度直到干燥再作以下测试:a 检查电气参数并与测试前的数据进行比较,数据应该没有明显差别;b 被测试的外壳和零件应该没有损坏,PCB板不能因过热而变黑,零件没有因过热而变色,一旦有不正常地现象则记录下来1、高温测试将被测机放在没有风的烤箱内,烤箱的温度设为被测机的最高操作温度.最大输出电压,最大负载,开机12h,然后转到最小输入电压最大负载开机12h 2、低温操作测试将被测机放在烤箱内,烤箱的温度设为被测机的最低操作温度最大输入电压,最大负载,开机12h,然后转到最小输入电压最大负载开机12h, 3、高湿操作测试将被测机放在温度为35摄氏度,湿度为90%(或规定的最大湿度)的烤箱最大输入电压,最大负载,开机12h,然后转到最小输入电压最大负载开机12h 4、高低温储存循环测试将被测机放在烤箱内,无需通电,烤箱的温度设为2个小时高温2个小时低温为一循环,统其需要12个循环,5、高湿储存测试将被测机放在烤箱内48小时,无需通电,烤箱设置为被测机的最高温度和90%湿度6、振动测试6.1、非工作状态测试扫描:每分钟10-50-10HZ的正弦波方向:每个方向2个小时包括X、Y、Z轴三个方向振幅:1.5mm测试之后机械上没有明显的损坏;电气上被测机必须根据其规格进行高压测试且测试结果须符合规格被测机须根据其规格进行绝缘测试且测试结果必须符合规格测试之后被测机能正常操作,其电气参数都在规格之内6.2 工作状态振动测试当规格书中有此要求时,则进行该项测试7、跌落测试7.1 非工作状态跌落测试对于交流转换器或充电器,如果规格书中没有规定,则每一个方向跌落一次,高度为1米,跌落在水泥地上,6个面均须测试,此项测度至少须测试2个样机对于无外榖的交流电源供应器或者有外榖的但在使用中是装配在其它系统内的交电源供应器,只有在规格书中有要求才做跌落测试测试之后:机械上没有明显的损坏电气上:被测机必须根据其规格进行高压测试且测试结果须符合规格被测机须根据其规格进行绝缘测试且测试结果须符合其规格测试之后被测机能正常操作,其电气参数都在规格之内7.2 工作状态跌落测试当格书中有此要求时,则进行该项测试三、静态工作特性测试1、输出电压与电流调整范围 (需在高、低、常温下进行测试)对于高温测试,被测机必须带最大负载放在没有风扇及设置在被测机的最高工作温度下的烤箱内开机半小时以上,等到平衡才能进行测试,如果烤箱内有风扇,用一个与温度测试相似的盒子装着被测机.对于低温测试,被测机必须不带负载,放在设置在被测机的最低工作温度下的烤箱内开机半小时经上,顼要进行测试时开机后马上读数,然后尽快关机以便被测机不会顺工作过久而发热.这项测试需要在最商最低输入电压,浪涌,最大最小负载的各种组合条件下进行所有的电压必须在被测机的连接器末端测量,而不是在负载的终端测量子力学从连接器到负载的线上有电流流过,顺此有电压降,在负载的两端测试得到的输出电压会较低)纹波测试有些规格允许在测量纹波时在输出端并联一个10uF的电解电容和0.1uF的陶瓷电容以滤出纹波尖峰.有些规格要求同时测量纹波及其尖峰,在这种情况下示波器探头必须直接到被测机地联机末端,它们之间不能接有其它联机,示波器地接地线必须很短,以防止在接地线上产生尖峰.有些规格定义使用20兆赫兹带宽的示波器测量纹波尖峰.如果没有定义则只检测100兆赫兹的低频纹波和开关纹波,高频尖峰忽略不测. 合格定义:电压及电流调整0-10%,90-100%纹波:90-100%(假设下限为0mV pp)2、效率测试 (高、低、常温三种条件下进行)这项测试必须使用交流电和功率表在最大和最小两重负载下检查效率和输入有效值电流,输入电压为:对于通用电压或者自动输入电压范围的用:90,100,240,265V对于低输入电压范围的用:90,100,120,135V对于高输入电压范围的用:180,200,240,265V测试空载输入功率时,用直流电源可得到较稳定得读数.但如果与客户数据有出入,则可转回交流电测试.数据合格定义范围:0-5%(假设上限为100%)3、起机输入电压测试 (高、低、常温三种条件下进行)载最小负载下,缓慢增加交流输入电压到输出电压载规格之内,记下这个交流输入电压作为起机电压,用最大负载重复这项测试.起机电压除非另有规定,否则必须比在50赫兹的最小输入电压规格低5V4、输入电压临界电测试(高、低、常温三种条件下进行)在正常输入电压下起机调整到最大负载,观察所有输出端得稳癌电压及输出电压,后缓慢降低输入电压到任意意组输出得恩波或输出电压超出得范围,记下这个临界交流输入电压作为电压临界点.除非另有规定,否则必须比在50赫兹的最小输入电压规格低5V5、输出电压电流特性曲线测试 (高,低,常温三种条件下进行)要求被测机能在恒压恒流模式下工作.需要测试电流上调及下调时得VI曲线在最小输入电压下,使输出电压从零逐渐增大,到电流限制后,把输出电压调至零.在不同测试点记录相应电压电流以至能绘出曲线.在最高输入电压重复这项测试. 最小输入电压下,使输出电压从零逐渐增大,到达稳压后,把输出电流调至零.在不同测试点记录相应电压电流以至能绘出曲线.在最高输入电压重复这项测试. 从0V到1v的范围亦须测试.电子负载不能在这么低电压拉电流,用大功率可调代替.6、输出共模噪音电压测试 (在规格中有要求才做)用100兆赫兹带宽示波器测量出零伏端与地端的噪音.示波器的接地线要与被测机地的金属底架相连接.如果被测机是塑料外壳,则接地线必须连接到交流输入插座的接地端.测试最大,最小输入电压及最大,最小负载的所有组合条件.7、可听噪音测试在最小输入电压下,检查被测机空载到满载的过程中不同负载下的可听噪音大小.特别注意恒压与恒流模式俩者之间转换,如果可听到噪音记录下来,用最大输入电压重复这项测试.试用其它输入电压,列出所有组合条件进行测试并记录.收听方法:把耳朵贴近电源供应器,然后对电源供应器通电.听声音有没有区别.四、动态性能测试1、浪涌电流测试1.1、室温冷起机测试之前被测机至少开机30分钟,被测机与浪涌电流测试仪连接起来,浪涌电流测试仪必须设定到最大交流输入电压的峰值,浪涌电流测试仪的电容必须最少是被测机输入电容的20倍.浪涌电流测试仪通过开机向被测机提供电源,通过串联一个0.1欧姆的电阻来观察电流,并用存储示波器来补捉这个浪涌电流波形.1.2、室温热起机在测试之前被测必须用高压满载至少开机1小时,然后关机,迅速放掉输入电容上的电压至10v以下..连接好浪涌电流测试仪,设其电压至最大输入交流电压的峰值.被测机与浪涌电流测度仪连接起来,浪涌电流测试仪必须设定到最大交流输入电压的峰值,浪涌电流测试仪的电容必须到少是被测机输入电容的20倍.浪涌电流测试仪通过开机向被测机提供电源,通过串联一个0.1欧姆的电阻来观察电流,并用存储示波器来补捉这个浪涌电流波形.计算输入暇流的I^2T的值公式:I^2T=(I1^2+I2^2+I1*I2)*T1/3+(I2^2+I3^2+I2*I3)*T2/3根据这个浪涌电流,列出下面这些组件及它的额定I^2T值,这个额定I^2T值必须大于上面测量的I^2T2值.组件额定: I^2T/2T RATING 合格/不合格/Pass/Fail保险丝输入整流二极管热敏电阻2、开关机时输出电压过冲与欠冲测试(此测试项须进行低温.常温.高温三种条件的测试)如果外接电容被定义,那么的负载必须包括及不包括这个外接电容二种情况输入电压/Vin 负载/load 测试/test最大最大开机最大最小开机最小最大开机最小最小开机最小最大关机最小最小关机负载:使用prodigit或自制的电子负载,如果被测机不能起机,则用电阻作为标准负载1>kikusui,电子负载在电压上升10毫秒扣拉电流,因结它实际上是空载起机.2>prodigit 电子负载在电压很低时已能拉最大电流,扎经起机负载很大,3>自制的电子负载有一个可调恒压模式,仅当输出电压最大恒压模式扎设置的电压时才拉电流 ,如果恒压模式暇压很低,自制的电子负载跟prodigit电子负载起机拉电流情况接近,.使用数字存储示波器去补捉输出电压的波形,以便孋开机机时是否存在过冲与你冲丙象,输出电压的过冲不能超过指定范围,如没指下则不应超过电压规格围.3、开机延时及输及电压间跟从测试在做此测试前,开机及把被测机放入扎要求试的温度环境中保持到少30分钟,使被测机温度达到稳定,如果被测开机后需重新开机,需等几分钟,侍电容放电后再测试.注:对于使用负载所前开关机测试一样.用数字存储示波器去捕捉输入电压及输出电压波形,测出从输入电压开始至输出电压到达额值的90%的时间,对于有多组输出的被测机,用存储示波器捕捉一组跟其它各组输出电压波形,测量的时间是从每组输出的额定值的50%到另一组出的额定值的50%.除有特别规定外,这个时间差必须不超过50ms4、开机维持时间把被测机与掉电测试仪连结起来,使得开机波形能够被捕捉,交流开机的时间至最大,设定交流开机时间至少1秒或更大.设定输入电压为额定低端电压,负载最大,用示波器云捕捉当交汉电压关掉时输出电压与便入电压的波形.测量时间是坐交流电压开机的零点到输出电压降至超过其规格范围的点.这企时间即是关要持时间(或掉电维持时间)5、阶跃负载响应测试 (此测试项须进行低温、常温、高温三种条件的测试) 把被测机连接到电子负载并设为恒流模式,设定两个阶跃负载,每一阶跃时间为5毫秒,上升时间为100微秒(到达额定值的90%),用示波器观察输出电压波形. 至少必须测试下列几种组合输入电压负载最大最大⇓◊最小最大最大⇓◊半载最小最大⇓◊最小最小最大⇓◊半载在阶跃负载时,输出电压上的第三个振铃的振幅必须中于第一个振幅的20%,太多的振铃表刖结机是稳定的.对于多组输出的电源供应器,其中一企图出须带一个输出阶跃负载,另外的输出负载须从最小到最大以找坏情况.监探所有出以确定没有超出规格范围或太多的掁铃,6、power good /Fail Test。
开关电源检验规范.1、⽬的通过进⾏相关的测试检验评估,确保产品符合安规及品质要求。
2、适⽤范围适⽤于本公司所开发/设计的所有开关电源产品。
3、检验所⽤仪器与设备检验所需的设备均须为校验合格的设备,其精度必须⾼于测试所要求的精度⾄少⼀位。
4、检验试验的⼀般条件4.1 检验试验的环境要求如⽆特殊要求,则试验应在下列环境条件下进⾏:环境温度:20 ~ 30℃;相对湿度:35% ~ 75%;⼤⽓压⼒:70 ~ 106KPa。
4.2 检验⽅法各检验项⽬内有检验⽅法,具体的检验操作⽅法参考《检验作业指导书》。
5、检验基本原则及判定准则5.1 检验基本原则5.1.1 以《检验规范》、《产品规格书》依据,以测试数据为准则。
5.1.2 检验过程中若发现问题⽐较严重且⽐较多,需⽴即停⽌并及时向上级汇报。
5.1.3 检验过程中,若抽样产品出现问题,但不影响测试的正常进⾏,则需测完样机的全部项⽬。
5.2 不合格项⽬分类5.2.1 致命问题安规测试不合格;导致电源损坏的所有项⽬。
5.2.2 严重问题技术指标未达到规格的要求;抗⼲扰性指标未达到规格要求。
5.2.3 ⼀般问题测试中指标的裕量不⾜。
5.2.4 讨论问题研究性测试未合格项⽬;产品规格书中未界定的项⽬。
修改记录版次修订⽇期批准审核编写唐恿2012.3.36、检验试验项⽬说明:以下检验⽅法,参照IEC 、GB 、CE 、UL 等标准的通⽤检验⽅法;检验项⽬以产品规格书规定的为准,产品规格书有要求的项⽬为必检项⽬,产品规格书未要求的项⽬可不检验;检验条件如果产品规格书有规定,则以产品规格书为准;当客户对检验项⽬和检验⽅法等有特别要求时,以客户的要求为准。
输⼊全电压范围是指输⼊由最低输⼊电压到最⾼输⼊电压连续调节,但数据只需记录最低输⼊电压,额定输⼊电压,最⾼输⼊电压的情况。
输出全负载范围是指输出负载由最⼩负载到额定负载连续调节,但数据只需记录最⼩负载,半载,额定负载的情况。
开关电源测试规范第一部分:电源指标的概念、定义一.描述输入电压影响输出电压的几个指标形式。
1.绝对稳压系数。
A.绝对稳压系数:表示负载不变时,稳压电源输出直流变化量△U0与输入电网变化量△Ui之比。
既:K=△U0/△Ui。
B.相对稳压系数:表示负载不变时,稳压器输出直流电压Uo的相对变化量△Uo 与输出电网Ui的相对变化量△Ui之比。
急:S=△Uo/Uo/ △Ui/Ui2. 电网调整率。
它表示输入电网电压由额定值变化+-10%时,稳压电源输出电压的相对变化量,有时也以绝对值表示。
3. 电压稳定度。
负载电流保持为额定范围内的任何值,输入电压在规定的范围内变化所引起的输出电压相对变化△Uo/Uo(百分值),称为稳压器的电压稳定度。
二.负载对输出电压影响的几种指标形式。
1.负载调整率(也称电流调整率)。
在额定电网电压下,负载电流从零变化到最大时,输出电压的最大相对变化量,常用百分数表示,有时也用绝对变化量表示。
2.输出电阻(也称等效内阻或内阻)。
在额定电网电压下,由于负载电流变化△IL引起输出电压变化△Uo,则输出电阻为Ro=|△Uo/△IL|欧。
三.纹波电压的几个指标形式。
1.最大纹波电压。
在额定输出电压和负载电流下,输出电压的纹波(包括噪声)的绝对值的大小,通常以峰峰值或有效值表示。
2.纹波系数Y(%)。
在额定负载电流下,输出纹波电压的有效值Urms与输出直流电压Uo之比,既y=Umrs/Uo x100%3.纹波电压抑制比。
在规定的纹波频率(例如50HZ)下,输出电压中的纹波电压Ui~与输出电压中的纹波电压Uo~之比,即:纹波电压抑制比=Ui~/Uo~ 。
这里声明一下:噪声不同于纹波。
纹波是出现在输出端子间的一种与输入频率和开关频率同步的成分,用峰-峰(peak to peak)值表示,一般在输出电压的0.5%以下;噪声是出现在输出端子间的纹波以外的一种高频成分,也用峰-峰(peak to peak)值表示,一般在输出电压的1%左右。
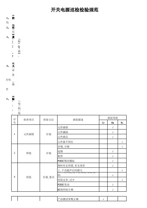
1、目的为确保产品生产组装时产品质量良好,特制定本规范2、适用范围适用于公司生产的所有开关电源系列产品。
3、职责3.1装配拉长:负责通知QC产品开拉生产。
3.2IPQC检验员:负责对制造单位各个工位员工操作方法,物料,设备参数及半成品质量进行抽检、确认并做好检验记录。
3.3QE、PE、拉长:负责对IPQC检查不合格项的不良分析处理及对应的纠正和预防措施。
4、定义致命缺陷:当产品特性在使用时会造成生命或安全问题的缺陷;如:耐压、阻燃、绝缘阻抗不良严重缺陷:当产品特性在使用时不能达到所期望之功能或显著降低其使用效果的缺点;如:输入、出电压、电流、机械结构、内有杂物;外观严重缺陷,如:露铜(导电部位)。
轻微缺陷:当产品特性在使用时,实质上不致减低其使用功能致期望目的,虽与所设定的目标有所差异,但产品在使用与操作效用上并无影响。
5、检验5.1以每小时的产量为批次抽样,按QC2-QA-01D进行.5.2结构功能检查《IPQC巡检报告》《品质异常通知单》《产品功能测试报告》6.异常处理6.1巡检或抽样时发现不良时IPQC及时通知拉长确认改善,如出现重大异常IPQC需通知QE/QC组长确认,并填写品质异常单反馈生产及相关部门,做好标识,记录.7.表格目视不良品有无标识有无工程录外壳有无破损INT老化后无反应√√√4√功能测试仪器(综合测试仪、806C/D 、)产品电压输出电压/电流正确产品电压输入电压/电流正确过载保护失效√7其它5可靠性测试跌落试验(从750CM的高处自由到地,总跌落三次),高压测试(3600V),老化测试(120V2H-220V2H)√√仪器有无点检,记录√高压不良√功能不良√√机内有无异响,部件脱落√6包装目视及客户要求资料贴纸内容标识正确√数量正确,无多装,少装包材无破损√√外箱标识正确√。
开关电源进料检验标准一、引言。
开关电源是现代电子产品中常见的一种电源供应方式,其稳定性和安全性对产品的质量和可靠性有着至关重要的影响。
而开关电源的进料检验标准则是保证产品质量的重要环节之一。
本文将就开关电源进料检验标准进行详细介绍,以期为相关从业人员提供参考。
二、外观检查。
1. 外壳,外壳应完好无损,无明显变形或破损。
2. 接线端子,接线端子应牢固,无松动现象。
3. 标签,产品标签应清晰可见,标注内容准确无误。
三、功能检查。
1. 输入电压范围,检查开关电源的输入电压范围是否符合产品规格要求。
2. 输出电压稳定性,在不同负载情况下,检查输出电压的稳定性是否符合要求。
3. 过压保护,通过外部施加过压情况,检查开关电源的过压保护功能是否正常。
4. 短路保护,模拟短路情况,检查开关电源的短路保护功能是否可靠。
5. 过载保护,在超负载情况下,检查开关电源的过载保护功能是否有效。
四、安全性能检查。
1. 绝缘电阻,检查开关电源的绝缘电阻是否符合安全标准要求。
2. 接地测试,测试开关电源的接地是否良好,以确保产品的安全性。
3. 绝缘强度,进行绝缘强度测试,检查开关电源的绝缘是否能够承受额定电压。
五、环境适应性检查。
1. 温度适应性,在不同温度条件下,检查开关电源的工作性能是否受影响。
2. 湿度适应性,在高湿度环境下,检查开关电源的工作性能是否受影响。
3. 震动适应性,进行震动测试,检查开关电源在震动环境下的可靠性。
六、结论。
开关电源作为电子产品中不可或缺的部分,其进料检验标准对产品质量和安全性有着重要的影响。
通过严格按照上述检查项目进行检验,可以确保开关电源的质量和性能符合标准要求,从而保障产品的可靠性和安全性。
希望本文所述内容能够对相关从业人员有所帮助,提升产品质量和市场竞争力。
开关电源进料检验标准一、引言。
开关电源是现代电子设备中不可或缺的部分,其质量直接影响到设备的稳定性和安全性。
为了确保开关电源的质量,进料检验是至关重要的环节。
本文将从进料检验的标准、方法和要点等方面进行详细介绍。
二、进料检验标准。
1. 外观检验。
外观检验是进料检验的第一步,应对开关电源的外壳、连接线、标识等进行检查。
外壳应无明显变形、裂纹、破损等现象,连接线应完好无损,标识应清晰可见。
2. 尺寸检验。
尺寸检验是为了确保开关电源符合设计要求,应对外形尺寸、安装孔距、连接端子等进行准确测量,确保符合技术要求。
3. 电气性能检验。
电气性能检验是进料检验的核心内容,应对输入电压、输出电压、负载能力、静态功耗等进行全面测试,确保电源的性能稳定可靠。
4. 环境适应性检验。
环境适应性检验是为了确保开关电源在不同环境条件下能够正常工作,应对温度、湿度、震动、冲击等进行测试,确保电源能够适应各种复杂环境。
5. 安全性能检验。
安全性能检验是为了确保开关电源在使用过程中不会对人身和设备造成危害,应对绝缘电阻、漏电流、过载保护等进行测试,确保安全可靠。
三、进料检验方法。
1. 外观检验方法。
采用目测方法和外观尺寸测量仪进行检验,对外壳、连接线、标识等进行全面检查。
2. 尺寸检验方法。
采用卡尺、游标卡尺等工具进行尺寸测量,确保尺寸符合技术要求。
3. 电气性能检验方法。
采用数字电压表、电流表、负载仪等仪器进行测试,记录输入电压、输出电压、负载能力等数据。
4. 环境适应性检验方法。
采用恒温恒湿箱、振动台等设备进行测试,模拟各种复杂环境条件,对电源进行全面检验。
5. 安全性能检验方法。
采用绝缘电阻测试仪、漏电流测试仪等设备进行测试,确保电源的安全性能符合标准要求。
四、进料检验要点。
1. 严格按照标准要求进行检验,确保每一项指标都符合要求。
2. 采用专业仪器进行测试,确保数据准确可靠。
3. 对检验结果进行详细记录和归档,确保溯源可追溯。
开关电源验收规范1. 主题:开关电源变压器的验收要求、项目、方法及抽样方案的规范。
2. 常规检验项目2.1 外观包装和标识2.1.1技术要求:外观表面应整洁无污垢,外表无明显伤痕。
引脚、铜带无氧化锈蚀,结构牢固无松动。
包装用泡沫不得粘附于引脚上。
标识完整正确清晰(注意检查警示标签:高压危险)。
磁芯崩缺口应小于2mm无裂纹。
2.1.2检验方法:目视法。
2.2 结构尺寸2.2.1技术要求:外形结构尺寸应符合产品规格书所规定的图纸要求及我司相关补充EDE规定。
试插无高脚现象。
2.2.2检验方法:用卡尺测量与试插目测法相结合。
2.3 电感量、直流铜阻、漏感、匝数、同名端(极性)2.3.1技术要求:符合规格书要求。
2.3.2检验方法:用3201变压器综合测试仪设置测试,注意绕组端设置应与规格书相符。
(特殊尺寸变压器用HM2791及电阻测试仪测试,免测匝数,极性测试每批2pcs)3. 特殊检验项目3.1 耐压、绝缘电阻3.1.13.1.2技术要求:符合产品规格书及我司相关补充EDE规定的要求。
3.1.3检验方法:用TOS8850耐压/绝缘电阻测试仪测试,注意选择合适的档位及泄漏电流以符合规定。
操作人员按安全操作规程进行,确保安全。
耐压强度测试电压按规定值加200V进行,时间缩短为10秒,绝缘电阻测试电压不变,时间缩短为10秒,如果测试不合格按标准电压及时间测试。
4. 试验项目:按《常规试验规范》执行。
5. 检验不合格分类5.1 A类不合格:无EDE、耐压不符、绝缘电阻超差、开路、短路、电感量/漏感/直流铜阻超差、匝数/同名端(极性)不符。
5.2 B类不合格:料单不符、标识错、混规、无标识或不全、标识不良不可辨认、尺寸超差影响使用、试插高脚、引脚无明显氧化。
5.3 C类不合格:来料超期、尺寸略超差不影响使用、标识模糊但可辨认、外观不良、包装不良。
东莞德信诚精品培训课程(部分)内审员系列培训课程查看详情TS16949五大工具与QC/QA/QE品质管理类查看详情 JIT>>> qq:14259839546. 记录数据项目:直流铜阻、电感量、漏感、耐压、绝缘电阻。
常规开关电源测试规范一、概述本文主要阐述了开关电源必须通过一系列的测试,使其符合所有功能规格、保护特性、安规(如UL 、CSA VDE DEMKOSEMKO长城等之耐压、抗燃、漏电流、接地等安全规格) 、电磁兼容(如FCG CE等之传导与幅射干扰)、可靠性(如老化寿命测试)、及其他特定要求等。
测试开关电源是否通过设计指标,需要各种精密的电子设备去模拟电源在各种环境下实际工作中的性能。
下面是开关电源一些测试项目:1. 功能(Fu nctio ns) 测试:•电压调整率测试(Li ne Regulation Test)•负载调整率测试(Load Regulation Test)•输出纹波及噪声测试(Output Ripple & Noise Test)•功率因数和效率测试(Power Factio n & Efficie ncy Test)•能效测试(Energy Efficiency Test )•上升时间测试(Rise Time Test )•下降时间测试(Fall Time Test )•开机延迟时间测试(Turn On Delay Time Test )•关机保持时间测试(Hold Up Time Test )•输出过冲幅度测试(Output Overshoot Test)•输出暂态响应测试( Output Tran sie nt Respo nse Test )2. 保护动作(Protections) 测试:•过电压保护(OVP, Over Voltage Protection)•短路保护(Short Circuit Protection)•过电流保护(OCP, Over Current Protection)3. 安全(Safety)规格测试:•输入电流、漏电电流等•耐压绝缘:电源输入对地,电源输出对地;电路板线路须有安全间距。
•温度抗燃:零组件需具备抗燃之安全规格,工作温度须於安全规格内。
开关电源测试规范第一部分:电源指标的概念、定义一.描述输入电压影响输出电压的几个指标形式。
1.绝对稳压系数。
A.绝对稳压系数:表示负载不变时,稳压电源输出直流变化量△U0 与输入电网变化量△ Ui 之比。
既:K=△U0/△Ui 。
B.相对稳压系数:表示负载不变时,稳压器输出直流电压Uo 的相对变化量△Uo 与输出电网 Ui 的相对变化量△ Ui 之比。
急:S=△Uo/Uo /△Ui/Ui2.电网调整率。
它表示输入电网电压由额定值变化 +-10%时,稳压电源输出电压的相对变化量,有时也以绝对值表示。
3.电压稳定度。
负载电流保持为额定范围内的任何值,输入电压在规定的范围内变化所引起的输出电压相对变化△ Uo/Uo(百分值),称为稳压器的电压稳定度。
二.负载对输出电压影响的几种指标形式。
1.负载调整率(也称电流调整率)。
在额定电网电压下,负载电流从零变化到最大时,输出电压的最大相对变化量,常用百分数表示,有时也用绝对变化量表示。
2.输出电阻(也称等效内阻或内阻)。
在额定电网电压下,由于负载电流变化△ IL 引起输出电压变化△ Uo,则输出电阻为Ro=|△Uo/△IL| 欧。
三.纹波电压的几个指标形式。
1.最大纹波电压。
在额定输出电压和负载电流下,输出电压的纹波(包括噪声)的绝对值的大小,通常以峰峰值或有效值表示。
2.纹波系数Y(%)。
在额定负载电流下,输出纹波电压的有效值Urms与输出直流电压Uo之比,既y=Umrs/Uo x100%3.纹波电压抑制比。
在规定的纹波频率(例如 50HZ)下,输出电压中的纹波电压 Ui~ 与输出电压中的纹波电压 Uo~之比,即:纹波电压抑制比 =Ui~/Uo~。
这里声明一下:噪声不同于纹波。
纹波是出现在输出端子间的一种与输入频率和开关频率同步的成分,用峰 - 峰( peak to peak)值表示,一般在输出电压的 0.5% 以下;噪声是出现在输出端子间的纹波以外的一种高频成分,也用峰 - 峰(peak to peak)值表示,一般在输出电压的 1%左右。
D.测试方法1).依规格设定测试输入电压和输入频率.2).调整输出负载值.3).记录待测品输出电压值是否在规格内.4).负载调整率=(输出电压的最大/小值-输出电压的额定值)/输出电压的额定值*100%.E.注意事项1).测试前先将待测品热机, 待其输出电压稳定后再进行测试.2).负载调整率的值是输入电压不变, 输出负载变动时计算的值.1.4输出纹波及噪声测试(Output Ripple & Noise Test)A.目的测试电源的直流输出电压的纹波及噪声(常规≤输出额定电压的1%)B.使用仪器设备1).交流电源(或交流调压器)2).电子负载3).示波器C. 测试条件室温下,输入电压和输出最小至最大负载范围内D.测试方法1).按测试回路接好各测试仪器、设备,以及待测品,测试电源在各种输入电压和输出负载2).下图为一典型输出 RIPPLE & NOISE A: RIPPLE+NOISE; B: RIPPLE; C: NOISE媒体编号旧底图总号底图总号拟制日期签名审核BACE.注意事项应避免示波器探头本身干扰所产生的杂讯.1.5功率因数和效率测试(Power Faction & Efficiency Test ) A.目的测试电源的功率因数,效率(规格依照相应的产品规格书) B.使用仪器设备1).交流电源(或交流调压器) 2).电子负载 3).功率计 C.测试条件环境温度 输入电压 输入频率 输出负载设置 25℃100V/120V/150V 47Hz~63Hz最大负载(额定负载) 最小负载(25%额定负载)200V/230V/260VD.测试方法1).依规格设定测试条件: 输入电压, 频率和输出负载.2).从功率计读取输入功率和PF 值, 并读取电子负载上的输出电压,输出电流. 3).功率因数直接读取, 效率=Uout*Iout/Pin*100%;E.注意事项1).测试前先将待测品热机, 待其功率表读数稳定后记录. 2).输出电压依据客户要求在板端或者输出线终端测试. 1.6上升时间测试(Rise Time Test ) A.目的测试电源开机时,输出电压自10%Vout 上升至90%Vout (Vout-额定输出电压)的时间(常规≤20mS).B.使用仪器设备1).交流电源(或交流调压器) 2).电子负载 3).示波器 C.测试条件环境温度 输入电压 输入频率 输出负载设置 25℃100V/120V/150V 47Hz~63Hz最大负载(额定负载)200V/230V/260VD.测试方法1).依规格设定测试条件: 输入电压, 频率和输出负载.2).示波器CH1(通道1)的电压探头正、负极对应接输出的正、负极, 并设置此通道为触发源,触发电平设定在输出电压的60%-80%之间为宜,触发条件设定为上升沿,时间设置成mS 级. 3).用示波器中的光标来计量待测品输出电压从10%Vout 至 90%Vout (Vout-额定输出电压) 的上升时间之差.4).下图为一典型输出上升时间测试波形.( Rise time -- 90Vac(60Hz) @ CC=0.5A )媒体编号旧底图总号底图总号拟 制日期 签名审 核E.注意事项测试前先将待测品处于冷机状态,待电源输出电容的电量放尽后进行测试(关机后20-30S).1.7下降时间测试(Fall Time Test)A.目的测试电源关机时, 输出电压自90%Vo下降至10%Vout(Vout-额定输出电压)的时间(常规定义≥5mS);B.使用仪器设备1).交流电源(或交流调压器)2).电子负载3).示波器C.测试条件环境温度输入电压输入频率输出负载设置25℃100V/120V/150V47Hz~63Hz 最大负载(额定负载)200V/230V/260VD.测试方法1).依规格设定测试条件: 输入电压, 频率和输出负载.2).示波器CH1(通道1)的电压探头正、负极对应接输出的正、负极, 并设置此通道为触发源,触发电平设定在输出电压的60%-80%之间为宜,触发条件设定为下降沿,时间设置成mS级.3).用示波器中的光标来计量待测品输出电压从90%Vout 至 10%Vout(Vout-额定输出电压)的下降时间之差.4).下图为一典型输出下降时间测试波形.( Fall time -- 90Vac(60Hz) @ CC=0.5A)媒体编号旧底图总号底图总号拟制日期签名审核E.注意事项测试前先将待测品热机,待电源输出电压稳定后再进行测试. 1.8开机延迟时间测试(Turn On Delay Time Test ) A.目的测试电源开机时, 输入电压与输出电压建立后的时间差(常规≤3000mS); B.使用仪器设备1).交流电源(或交流调压器) 2).电子负载 3).示波器 C.测试条件环境温度 输入电压 输入频率 输出负载设置 25℃100V/120V/150V 47Hz~63Hz最大负载(额定负载)200V/230V/260VD.测试方法1).依规格设定测试条件: 输入电压, 频率和输出负载(一般为额定负载下,最低输入电压对应开机延迟时间越长).2).示波器CH1(通道1)的电压探头正、负极对应接输出的正、负极, 并设置此通道为触发源, 触发电平设定在输出电压的60%-80%之间为宜,触发条件设定为上升沿,时间设置成mS 级. 3).示波器CH2(通道2)的电压探头接输入的L 、N 端,不区分正、负极4).用示波器中的光标来计量待测品自有交流输入电压至输出电压上升到90%Vout(Vout-额定输出电压)的时间差值.5).下图为一典型开机延迟时间测试波形.Turn on delay time -- 90Vac(60Hz) @ CC=0. 5AE.注意事项1).测试前先将待测品处于冷机状态,待电源输出电容的电量放尽后进行测试(关机后20-30S ). 2).示波器探头需使用差分探头.1.9关机保持时间测试(Hold Up Time Test ) A.目的测试电源关机时, 输入电压与输出电压的时间差(常规≥10mS/120Vac &≥20ms/230Vac);媒体编号旧底图总号底图总号拟 制日期 签名 审 核B.使用仪器设备1).交流电源(或交流调压器) 2).电子负载 3).示波器 C.测试条件环境温度 输入电压 输入频率 输出负载设置 25℃100V/120V/150V 47Hz~63Hz最大负载(额定负载)200V/230V/260VD.测试方法1).依规格设定测试条件: 输入电压, 频率和输出负载.2).示波器CH1(通道1)的电压探头正、负极对应接输出的正、负极, 并设置此通道为触发源, 触发电平设定在输出电压的60%-80%之间为宜,触发条件设定为下降沿,时间设置成mS 级. 3).示波器CH2(通道2)的电压探头接输入的L 、N 端,不区分正、负极4).用示波器中的光标来计量待测品自交流输入电压中断至输出电压下降到90%Vout(Vout-额定输出电压)的时间差值.5).下图为一典型关机保持时间测试波形.Hold up time -- 120Vac(60Hz) @ CC=0.5A E.注意事项 1). 测试前先将待测品处于冷机状态,待电源输出电容的电量放尽后进行测试(关机后20-30S ). 2).示波器探头需使用差分探头.1.10输出过冲幅度测试(Output Overshoot Test ) A.目的测试电源开机时, 输出电压过冲幅度变化量(常规≤10%); B.使用仪器设备1).交流电源(或交流调压器) 2).电子负载 3).示波器 C.测试条件输入电压取最低、最高值(依照规格),输出负载取10%额定负载和额定负载; D.测试方法1).依规格设定测试条件: 输入电压, 频率和输出负载.媒体编号旧底图总号底图总号拟 制日期 签名 审 核2).示波器CH1(通道1)的电压探头正、负极对应接输出的正、负极, 并设置此通道为触发源,触发电平设定在输出电压的60%-80%之间为宜,触发条件设定为下降沿,时间设置成mS级.3)过冲幅度%=△V / Vo *100%;(△V-稳定的输出电压与上冲电压的差值,Vo-稳定的输出电压);4).下图为一典型输出过冲幅度测试波形.Overshoot -- 90Vac(60Hz) @ CC=0.0AE.注意事项电源在CC与CR模式都需要满足规格要求.1.11开机冲击电流测试(Inrush Current Test)A.目的测试电源在冷态开机瞬间的输入冲击电流值(常规<55A);B.使用仪器设备1).交流电源(或交流调压器)2).电子负载3).示波器C.测试条件依照电源规格,通常定义输入电压100-240Vac,额定负载.D.测试方法(接法如下图示)1).依规格设定测试条件: 输入电压, 额定输出负载.2).示波器CH1(通道1)的电压探头正、负极接输入L、N, 并设置此通道为触发源,触发斜坡设为“+”,触发条件设为常规,时基选择以5mS为宜.3).示波器CH2(通道2)接电流探头,将钳流侧夹在输入L、N的任意一条线上,注意电流夹取的方向及选择适宜的电流档位.媒体编号4).以上设定完成后开机,抓取到输入正弦波形在90度或270度时,对应输入最大的.5).下图为一典型输出过冲幅度测试波形.旧底图总号底图总号拟制日期签名审核Inrush Current -- 240Vac(50Hz) @ CC=0.5AE.注意事项1).冷开机:需在常温环境下且电源内电容的电荷须放尽,如电源主路有热敏电阻应使其达到常温状态下,然后仅能第一次开机,若需第二次开机须再待电荷放尽才可开机测试. 2).示波器的电压探头须选用差分探头. 2. 功护动作(Protections)测试:2.1输出过压保护(OVP, Over Voltage Protection) A.目的当电源内部稳压环路出现故障或者由于用户操作不当引起输出电压超过标称值并持续升高,导致输出电压超过设计值时,触发过压保护以防止损坏后级用电设备和保护电源内部开关管. (常规定义:Vout<12V,过压保护点为1.6~1.8倍输出电压; Vout≥12V,.过压保护点为1.3~1.5倍输出电压). B.使用仪器设备1).交流电源(或交流调压器) 2).示波器或万用表3).直流电源(对于内置式过压电源,无需此设备) C.测试条件依照规格设定典型输入电压和额定负载值 D.测试方法 1).内置过压式:拿掉待测品反馈电阻或短路次级侧光耦,空载,开机测试输出电压变化情况(示波器或万用表).2).外灌过压式:待测品输出端外接直流电源(注意正、负极对应),当直流电源施加到一定电压时(规格书过压值以内),待测品空载开机后1-3S 关闭直流电源,测试输出电压变化情况(示波器或万用表),如未触发过压,将直流电压值升高,直至触发过压保护.媒体编号旧底图总号底图总号拟 制日期 签名审 核E.注意事项1).手捂式、拔插式、可携带式电源测试高度通常为1000mm+10mm.2).跌落条件可参考安规标准要求.媒体编号旧底图总号底图总号拟制日期签名审核。