开关电源检验标准规范
- 格式:xls
- 大小:130.00 KB
- 文档页数:8
1、目的通过进行相关的测试检验评估,确保产品符合安规及品质要求。
2、适用范围适用于本公司所开发/设计的所有开关电源产品。
3、检验所用仪器与设备检验所需的设备均须为校验合格的设备,其精度必须高于测试所要求的精度至少一位。
4、检验试验的一般条件4.1 检验试验的环境要求如无特殊要求,则试验应在下列环境条件下进行:环境温度:20 ~ 30℃;相对湿度:35% ~ 75%;大气压力:70 ~ 106KPa。
4.2 检验方法各检验项目内有检验方法,具体的检验操作方法参考《检验作业指导书》。
5、检验基本原则及判定准则5.1 检验基本原则5.1.1 以《检验规范》、《产品规格书》依据,以测试数据为准则。
5.1.2 检验过程中若发现问题比较严重且比较多,需立即停止并及时向上级汇报。
5.1.3 检验过程中,若抽样产品出现问题,但不影响测试的正常进行,则需测完样机的全部项目。
5.2 不合格项目分类5.2.1 致命问题安规测试不合格;导致电源损坏的所有项目。
5.2.2 严重问题技术指标未达到规格的要求;抗干扰性指标未达到规格要求。
5.2.3 一般问题测试中指标的裕量不足。
5.2.4 讨论问题研究性测试未合格项目;产品规格书中未界定的项目。
6、检验试验项目说明:以下检验方法,参照IEC、GB、CE、UL等标准的通用检验方法;检验项目以产品规格书规定的为准,产品规格书有要求的项目为必检项目,产品规格书未要求的项目可不检验;检验条件如果产品规格书有规定,则以产品规格书为准;当客户对检验项目和检验方法等有特别要求时,以客户的要求为准。
输入全电压范围是指输入由最低输入电压到最高输入电压连续调节,但数据只需记录最低输入电压,额定输入电压,最高输入电压的情况。
输出全负载范围是指输出负载由最小负载到额定负载连续调节,但数据只需记录最小负载,半载,额定负载的情况。
高温低温分别指产品的工作温度或存储温度的上限和下限。
输入电源的频率要求为最小输入电压时47Hz(当设备能力达不到47 Hz时按设备能达到的最小频率输入)、最大输入电压时63Hz、额定高电压输入时为50 Hz、额定低电压输入时为60 Hz。
B. 在测试时失败或异常,速联系品管负责人或相关人员。
C. 进行此项测试存在危险,检验员在测试中需要特别注意操作安全。
1.2.2 输入浪涌电流(1).测试目的:确保产品在接通电源时,交流回路最大瞬时电流值在标准范围内。
(2).测试条件:a.输入电压为额定输入最大电压,输出为满载状态,测试产品在常温下放置4H以上。
b.测试示意图为:图1c.在交流输入回路中串入无感电阻R0 (R0=0.01Ω),用示波器测量R0在加电峰值时的波形,计算出启动冲击电流,重复测量时必须对电路中储能器件进行放电和热敏电阻冷却后再做测量。
(3). 测试后检验:a.输入冲击电流最大值应小于50倍输入电流的额定值,或由型号产品标准规定。
(4). 备注:A. 检测员严格按照本作业指引进行检验,并作好相关记录,记录表见《综合电气性能测试报告A》。
B. 在测试时失败或异常,速联系品管负责人或相关人员。
1.2.3 输出电压、输入功率、输入功率因素、工作效率(1).测试目的:确保产品的输出电压、输入功率、输入功率因素、工作效率在标准范围内。
(2).测试条件:a.输入电压在额定输入电压范围内变化,一般记录三个点上的数据,即最低输入电压、标称输入电压和最高输入电压。
b.输出为额定负载或空载状态,产品在常温下进行测试。
c.测试示意图为:图2(3). 测试后检验:a.输出电压在额定值的±5%范围内,或由型号产品标准规定。
b.功率因数:不带PFC最小值应大于0.5,带无源PFC最小值应大于0.75,带有源PFC最小值应大于0.8,或由型号产品标准规定。
c.效率:输出总功率与输入总功率之比。
输出电压≤5V η≥65% ;5V<输出电压<12V η≥70%;输出电压≥12V η≥75% ;或由型号产品标准规定。
(4). 备注:A. 检测员严格按照本作业指引进行检验,并作好相关记录,记录表见《综合电气性能测试报告A》。
B. 在测试时失败或异常,速联系品管负责人或相关人员。
开关电源的测试标准与规范对于电源部品认定测试,测试报告要求提供测试数据及结论。
来料检可根据要求减少测试项目,对于测试不合格品的应该表明不合格的测试项。
一.输入特性。
1.工作输入电压和电压变动范围。
2.输入电压的频率和频率变动范围。
3.额定输入电流。
是指在输入电压和输出电流在额定条件时的电流。
4.输入下陷和瞬间停电。
这是一种输入电压瞬间时下降或瞬断的状态,要用额定输出电压和电流加以限定。
测试的指标为电压和时间。
5.冲击电流。
6.漏电流。
7.效率。
因为该指标与发热有关,因此散热时要考虑效率。
8.测试中要标明输入采用单相2线式还是3相三线式。
二.二.输出特性。
1.额定输出电压。
2.额定输出电流。
3.稳压精度。
1)电压稳定度。
2)电流调整率。
3)纹波噪声。
包括最大纹波电压;最大纹波噪声电压。
4.瞬间电流变动导致的输出电压的变动值。
三.附属功能要求。
1.过流保护。
2.过压保护。
3.输入欠压保护。
4.过热保护。
5.绝缘电阻。
输入端与壳体;输入端子和输出端子;输出端子和壳体。
6.绝缘电压。
打高压:输入与输出、输入和地、输入AC两级之间,根据国家标准制定高压值。
四.结构规格。
1.形状条件:如外包装机壳的有无等。
2.确定外型尺寸和尺寸公差。
3.安装条件:安装位置、安装孔、等。
4.冷却条件:强制或自冷以及通风方向,风量和孔径尺寸。
5.接口位置和标志。
6.操作零部件(输出电压可调电阻、开关、指示灯)的位置和提示文字的位置。
7.重量。
五.使用环境条件。
1.温度。
2.湿度。
3.耐振动、冲击。
六.其它条件。
1.输入噪声。
2.浪涌。
3.静电噪声(有外壳的有要求)。
标签:无标签开关电源测试方法开关电源测试方法-12007-5-10 10:58:00开关电源的设计、制造及品质管理等测试需要精密的电子仪器设备来模拟电源供应器实际工作时之各项特性(亦即为各项规格),并验证能否通过。
开关电源有许多不同的组成结构(单输出、多输出、及正负极性等)和输出电压、电流、功率之组合,因此需要具弹性多样化的测试仪器才能符合众多不同规格之需求。
开关电源进料检验标准一、引言。
开关电源是现代电子产品中常见的一种电源供应方式,其稳定性和安全性对产品的质量和可靠性有着至关重要的影响。
而开关电源的进料检验标准则是保证产品质量的重要环节之一。
本文将就开关电源进料检验标准进行详细介绍,以期为相关从业人员提供参考。
二、外观检查。
1. 外壳,外壳应完好无损,无明显变形或破损。
2. 接线端子,接线端子应牢固,无松动现象。
3. 标签,产品标签应清晰可见,标注内容准确无误。
三、功能检查。
1. 输入电压范围,检查开关电源的输入电压范围是否符合产品规格要求。
2. 输出电压稳定性,在不同负载情况下,检查输出电压的稳定性是否符合要求。
3. 过压保护,通过外部施加过压情况,检查开关电源的过压保护功能是否正常。
4. 短路保护,模拟短路情况,检查开关电源的短路保护功能是否可靠。
5. 过载保护,在超负载情况下,检查开关电源的过载保护功能是否有效。
四、安全性能检查。
1. 绝缘电阻,检查开关电源的绝缘电阻是否符合安全标准要求。
2. 接地测试,测试开关电源的接地是否良好,以确保产品的安全性。
3. 绝缘强度,进行绝缘强度测试,检查开关电源的绝缘是否能够承受额定电压。
五、环境适应性检查。
1. 温度适应性,在不同温度条件下,检查开关电源的工作性能是否受影响。
2. 湿度适应性,在高湿度环境下,检查开关电源的工作性能是否受影响。
3. 震动适应性,进行震动测试,检查开关电源在震动环境下的可靠性。
六、结论。
开关电源作为电子产品中不可或缺的部分,其进料检验标准对产品质量和安全性有着重要的影响。
通过严格按照上述检查项目进行检验,可以确保开关电源的质量和性能符合标准要求,从而保障产品的可靠性和安全性。
希望本文所述内容能够对相关从业人员有所帮助,提升产品质量和市场竞争力。
开关电源进料检验标准一、引言。
开关电源是现代电子设备中不可或缺的部分,其质量直接影响到设备的稳定性和安全性。
为了确保开关电源的质量,进料检验是至关重要的环节。
本文将从进料检验的标准、方法和要点等方面进行详细介绍。
二、进料检验标准。
1. 外观检验。
外观检验是进料检验的第一步,应对开关电源的外壳、连接线、标识等进行检查。
外壳应无明显变形、裂纹、破损等现象,连接线应完好无损,标识应清晰可见。
2. 尺寸检验。
尺寸检验是为了确保开关电源符合设计要求,应对外形尺寸、安装孔距、连接端子等进行准确测量,确保符合技术要求。
3. 电气性能检验。
电气性能检验是进料检验的核心内容,应对输入电压、输出电压、负载能力、静态功耗等进行全面测试,确保电源的性能稳定可靠。
4. 环境适应性检验。
环境适应性检验是为了确保开关电源在不同环境条件下能够正常工作,应对温度、湿度、震动、冲击等进行测试,确保电源能够适应各种复杂环境。
5. 安全性能检验。
安全性能检验是为了确保开关电源在使用过程中不会对人身和设备造成危害,应对绝缘电阻、漏电流、过载保护等进行测试,确保安全可靠。
三、进料检验方法。
1. 外观检验方法。
采用目测方法和外观尺寸测量仪进行检验,对外壳、连接线、标识等进行全面检查。
2. 尺寸检验方法。
采用卡尺、游标卡尺等工具进行尺寸测量,确保尺寸符合技术要求。
3. 电气性能检验方法。
采用数字电压表、电流表、负载仪等仪器进行测试,记录输入电压、输出电压、负载能力等数据。
4. 环境适应性检验方法。
采用恒温恒湿箱、振动台等设备进行测试,模拟各种复杂环境条件,对电源进行全面检验。
5. 安全性能检验方法。
采用绝缘电阻测试仪、漏电流测试仪等设备进行测试,确保电源的安全性能符合标准要求。
四、进料检验要点。
1. 严格按照标准要求进行检验,确保每一项指标都符合要求。
2. 采用专业仪器进行测试,确保数据准确可靠。
3. 对检验结果进行详细记录和归档,确保溯源可追溯。
常规开关电源测试规范一、概述本文主要阐述了开关电源必须通过一系列的测试,使其符合所有功能规格、保护特性、安规(如UL 、CSA VDE DEMKOSEMKO长城等之耐压、抗燃、漏电流、接地等安全规格) 、电磁兼容(如FCG CE等之传导与幅射干扰)、可靠性(如老化寿命测试)、及其他特定要求等。
测试开关电源是否通过设计指标,需要各种精密的电子设备去模拟电源在各种环境下实际工作中的性能。
下面是开关电源一些测试项目:1. 功能(Fu nctio ns) 测试:•电压调整率测试(Li ne Regulation Test)•负载调整率测试(Load Regulation Test)•输出纹波及噪声测试(Output Ripple & Noise Test)•功率因数和效率测试(Power Factio n & Efficie ncy Test)•能效测试(Energy Efficiency Test )•上升时间测试(Rise Time Test )•下降时间测试(Fall Time Test )•开机延迟时间测试(Turn On Delay Time Test )•关机保持时间测试(Hold Up Time Test )•输出过冲幅度测试(Output Overshoot Test)•输出暂态响应测试( Output Tran sie nt Respo nse Test )2. 保护动作(Protections) 测试:•过电压保护(OVP, Over Voltage Protection)•短路保护(Short Circuit Protection)•过电流保护(OCP, Over Current Protection)3. 安全(Safety)规格测试:•输入电流、漏电电流等•耐压绝缘:电源输入对地,电源输出对地;电路板线路须有安全间距。
•温度抗燃:零组件需具备抗燃之安全规格,工作温度须於安全规格内。
开关电源测试规范第一部分:电源指标的概念、定义一.描述输入电压影响输出电压的几个指标形式。
1.绝对稳压系数。
A.绝对稳压系数:表示负载不变时,稳压电源输出直流变化量△U0 与输入电网变化量△ Ui 之比。
既:K=△U0/△Ui 。
B.相对稳压系数:表示负载不变时,稳压器输出直流电压Uo 的相对变化量△Uo 与输出电网 Ui 的相对变化量△ Ui 之比。
急:S=△Uo/Uo /△Ui/Ui2.电网调整率。
它表示输入电网电压由额定值变化 +-10%时,稳压电源输出电压的相对变化量,有时也以绝对值表示。
3.电压稳定度。
负载电流保持为额定范围内的任何值,输入电压在规定的范围内变化所引起的输出电压相对变化△ Uo/Uo(百分值),称为稳压器的电压稳定度。
二.负载对输出电压影响的几种指标形式。
1.负载调整率(也称电流调整率)。
在额定电网电压下,负载电流从零变化到最大时,输出电压的最大相对变化量,常用百分数表示,有时也用绝对变化量表示。
2.输出电阻(也称等效内阻或内阻)。
在额定电网电压下,由于负载电流变化△ IL 引起输出电压变化△ Uo,则输出电阻为Ro=|△Uo/△IL| 欧。
三.纹波电压的几个指标形式。
1.最大纹波电压。
在额定输出电压和负载电流下,输出电压的纹波(包括噪声)的绝对值的大小,通常以峰峰值或有效值表示。
2.纹波系数Y(%)。
在额定负载电流下,输出纹波电压的有效值Urms与输出直流电压Uo之比,既y=Umrs/Uo x100%3.纹波电压抑制比。
在规定的纹波频率(例如 50HZ)下,输出电压中的纹波电压 Ui~ 与输出电压中的纹波电压 Uo~之比,即:纹波电压抑制比 =Ui~/Uo~。
这里声明一下:噪声不同于纹波。
纹波是出现在输出端子间的一种与输入频率和开关频率同步的成分,用峰 - 峰( peak to peak)值表示,一般在输出电压的 0.5% 以下;噪声是出现在输出端子间的纹波以外的一种高频成分,也用峰 - 峰(peak to peak)值表示,一般在输出电压的 1%左右。
图1c.在交流输入回路中串入无感电阻R0 (R0=Ω),用示波器测量R0在加电峰值时的波形,计算出启动冲击电流,重复测量时必须对电路中储能器件进行放电和热敏电阻冷却后再做测量。
(3). 测试后检验:a.输入冲击电流最大值应小于50倍输入电流的额定值,或由型号产品标准规定。
(4). 备注:A. 检测员严格按照本作业指引进行检验,并作好相关记录,记录表见《综合电气性能测试报告A》。
B. 在测试时失败或异常,速联系品管负责人或相关人员。
输出电压、输入功率、输入功率因素、工作效率(1).测试目的:确保产品的输出电压、输入功率、输入功率因素、工作效率在标准范围内。
(2).测试条件:a.输入电压在额定输入电压范围内变化,一般记录三个点上的数据,即最低输入电压、标称输入电压和最高输入电压。
b.输出为额定负载或空载状态,产品在常温下进行测试。
c.测试示意图为:图2(3). 测试后检验:b.示波器设定:带宽20M,探头10X,其接地线长度不应该超过12cm 。
c.在尽量靠近负载端并上两个电容C1,C2;其中C1一般采用10uF电解电容,C2一般采用高频电容(电容容量或参考产品标准规定)。
d.测试示意图为:图3(3). 测试后检验:a. 输出直流电压中所包括的交流分量峰一峰值≤输出电压额定值1%,或由型号产品标准规定。
(4). 备注:A. 检测员严格按照本作业指引进行检验,并作好相关记录,记录表见《综合电气性能测试报告A》。
b.在输出电压、电流均为标称值时,输入电压标称值分别阶跃到110%和90%,用示波器分别测出电压的过冲暂态恢复时间c.输入电压、输出电压均为标称值时,负载电流从25%阶跃到100%阶跃,再从100%阶跃到25%,观察输出波形。
如图7所示:图7:过冲幅度及暂状恢复时间波形图(3).测试后检验:a.过冲幅度≤输出额定电压5%或由型号产品标准规定b.暂态恢复时间≤10ms或由型号产品标准规定(4).备注:A.检测员严格按照本作业指引进行检验,并作好相关记录,记录表见《综合电气性能测试报告A》。
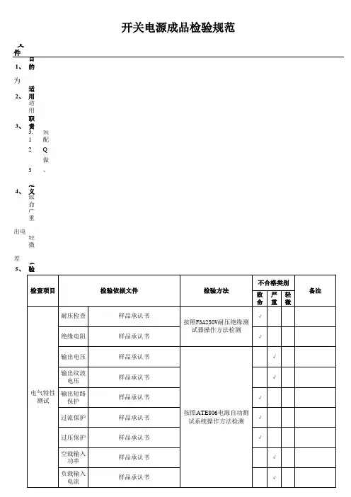
4.1电气特性:4.2安规要求:4.2.1高压测试初级对次级 : 3000Vrms 持续60秒,最大漏电流3.5mA。
4.2.2绝缘电阻初级对次级施加500V直流电压1分钟,绝缘电阻应不小于20MΩ。
4.2.3输入泄漏电流: 接触电流电源电压为264Vac/50Hz时,泄漏电流小于0.25mA。
4.2.4国标要符合CCC GB4943-2001并认证。
4.3 使用及贮存环境:4.3.1 温度范围工作温度0℃~ +40 ℃储藏温度-40℃~ +70 ℃4.4.1跌落试验将实验样品不包装放置在高度为1米高的平面上, 让其自由跌落到混泥面上,对样品每个面跌落2次,6个面总共12次,实验结束后进行外观及性能检查,适配器无裂缝(裂开),无部件松动;电气测试后,各项电气指标能达到要求。
4.4.2振动试验将实验样品不包装固定在振动台上,按下列要求完成试验:实验样品不通电,振动频率为10Hz - 55Hz-10Hz,振幅为0.35mm,按X、Y、Z三个轴线方向各扫描5次,每个轴向持续时间为30分钟,实验结束后实验样品不出现视觉上的损坏(退化),电气性能符合要求。
4.4.3冲击试验4.4.3.1工作状态:加速度:100m/s²,半正弦波, 脉冲持续时间:11ms,冲击方向:三个轴、六个方向。
4.4.3.2不工作:加速度:400m/s²半正弦波,脉冲持续时间:11ms,冲击方向:三个轴、六个方向。
4.4.3.3与7.3.2分别实验结束后实验样品不出现视觉上的损坏(退化),电气性能符合要求。
4.5 盐雾试验将实验样品不包装置于温度为+35°C,盐水浓度为5%的盐雾试验设备中连续喷雾24小时后,用流动水洗去表面盐沉积物,放置在常温下8小时后,适配器外露金属件及电镀件无腐蚀生锈现象。
4.6平均无故障时间(MTBF)50000小时4.7 模拟环境测试4.7.1低温存储将实验样品不包装放入-40℃的低温实验箱中,持续时间16小时后,将样品取出放于常温下恢复2小时后,样品应无损外观,各项性能指标符合要求。