砂浆生产工艺流程图
- 格式:docx
- 大小:36.88 KB
- 文档页数:2
一、施工工艺(一)工艺原理本工法采用现场抹灰成型保温层的做法,墙体基层用水泥砂浆找平,使吸水率不同的材料附着力均匀一致;现场成型无板缝,保温层形成一个整体,减缓增长强度的配比及大量纤维的添入使保温层不易发生空鼓;柔性抗裂砂浆复合耐碱玻纤网格布增强了面层柔性变形能力、提高了抗裂性能;弹性底涂可有效阻止液态水进入,并有利于气态水排出;柔性耐水腻子位于保温层的面层,具有更强的柔韧性;外饰面宜选用丙烯酸类水溶性涂料,以予保温层变形相适应。
系统各构造材料柔韧性逐层渐变,充分释放热应力。
基本构造见下表:(二)施工依据:1、《建筑产品优选集》(2001YJ114)2、《胶粉聚苯颗粒保温材料外墙内保温施工法》(YJGF41-2000)3、《建筑装饰修工程质量验收规范》(GB50210-2001)4、《外墙保温施工技术规程》DBJ/T01-50-20025、《胶粉聚苯颗粒外墙外保温系统》(JG158-2004)6、建设设计院的建筑实际施工图。
(三)施工要求1、施工前准备基层预处理:经过工程验收达到质量标准的结构承重墙面或非承重墙面使用砂浆抹面后即可进行外墙保温施工,对建筑墙体进行保温工作前,需对外墙表面进行检查,空鼓处要彻底清除,开裂处应认真修补,墙面平整度超差部分应剔凿修补。
如果基层墙体的附着力不能满足要求,应对基层墙体外表面彻底清理,或增加粘结面积率,或考虑加设机械锚固件。
门窗洞口尺寸位置达到设计和质量要求,门窗框或铺框应已立完。
2、施工条件(1)基层墙体应符合《混凝土结构工程施工质量验收规范》(GB50204—2002)和《砌体工程施工质量验收规范》(GB50203—2002)及相应基层墙体质量验收规范的要求。
完成雨水管卡、设备洞口管道的安装,安装时要考虑保温层的厚度,并将洞口四周水泥砂浆抹平,所有的墙面需干燥。
(2)外窗的辅框安装完毕,门窗边框与墙体缝隙应分层填塞严密,做好门窗表面保护。
(3)外墙面的阳台栏杆,雨漏管托架,外挂消防梯等安装完毕,并应考虑到保温系统厚度的影响。
浆砌石工程施工工艺本工程浆砌石主要为大坝工程(坝顶浆砌石、房屋基础)及溢洪道工程(边墙、基础、护坡)M7.5浆砌石施工。
1浆砌石砌筑施工工序浆砌石工程工艺流程图2砌筑准备(1)测量放样测量放样:采用GPS或全站仪放样,测放出浆砌石结构边线,洒灰线标识并挂线。
(2)砂浆拌制与入仓方式及石材搬运砂浆在浆砌石各砌筑施工作业面按已审批的配合比采用ZJ400L砂浆搅拌机现场拌制,采用人工桶装搬运至各施工作业面。
浆砌石所需的材料外购后采用自卸汽车通过进场公路及场内施工便道运至现场后,采用人工搬运至各施工作业面。
3浆砌石施工(1)原材料①石料砌筑浆砌石所用的石料必须现场验收,砌石材质应坚硬新鲜,无风化及剥落层或裂纹,用于表面的石材,应色泽均匀。
石材表面无污垢、水锈等杂质。
②水泥和水水泥品种和强度等级应符合规定,采用的普通硅酸盐水泥,禁止使用受潮结块的水泥。
用水标准为适宜饮用的水均可使用,不应影响混凝土、砂浆强度的增长,水中氯化物等含量要符合规范要求,如果该水制成砂浆的抗压强度低于标准水制成的砂浆28天龄期抗压强度的90%以下时,则此水不能使用。
③砂砂的质量应符合有关规范的规定,砂浆采用的砂料的粒径要求为0.15~5mm,其最大粒径不大于5mm,细度模数2.2~3.O0④砌筑工程的水泥砂浆砂浆的配合比必须满足施工图纸规定的强度和施工和易性要求,配合比必须通过试验的确定。
施工中需改变水泥砂浆的配合比时,需重新试验,并报监理人批准。
拌制砂浆时,应严格按照试验确定的配合比进行配料,配料的称量允许误差符合下列规定:水泥为±2%,砂为±3%,水、外加剂为土l%0水泥砂浆在拌合工程中应保持细骨料含水率的稳定性,根据骨料含水量的变化情况,随时调整用水量,以保证水灰比的准确性。
水泥砂浆的拌和时间:机械拌和不少于2~3min,一般不应采用人工拌和。
局部少量的人工拌和至少干拌三遍,再湿拌至色泽均匀,方可使用。
水泥砂浆应随拌随用。
一套完整的土建施工工艺流程(附施工工艺流程图),非常实用!1. 垫层熟悉施工图→看规划红线→复核水准点→塔吊基础施工(设集水沟)→原始地貌标高测量→保护定位桩→塔吊(报装)安装→放开挖线→技术交底→机械挖土→放线→人工挖土平土→测量桩头标高并做好标记→破桩头→大小应变检测→地槽验收→放线→木工支模→垫层砼→拆模→清理2. 基础基础柱定位放线→技术交底→木工支模→承台钢筋绑扎→承台钢筋电焊定位→柱筋定位→水电预埋→基础砼→拆模→清理→基础验收→土方回填3. 外架搭设技术交底→外架硬化→排水沟→集水沟→外架搭设→硬质封闭→挂安全网→外架验收4. 主体主体柱定位放线→技术交底→柱筋绑扎→抄水平(1米关系线)→水电预埋→木工支模→板筋绑扎→水电预埋→检查(垂直、几何尺寸、节点)→砼浇注→养护→拆模→清理→弹建筑1米线→砼强度检测→房屋沉降观测→人货梯基础→人货梯(报装)安装5. 砌体砌体放线→技术交底→植筋→植筋拉拔检测→反坎支模→反坎砼→砌底砖→预制砼过梁和砼配块→砌加气块→拉结筋安放→检查垂平度→窗台压顶支模→窗台压顶砼→窗台压顶拆模→砌预制砼配块→弹建筑1米线→安放砼过梁→顶砌→安装消防箱→构造柱支模→构造柱砼→构造柱拆模→清理6. 抹灰(油漆)技术交底→外墙挂钢丝网→湿水→甩浆→灰饼→护角→洞口交接→门窗安装→湿水→抹糙面灰→抹面层灰→养护→贴砖→勾缝→清洗→门窗打胶→安装玻璃→一遍腻子→二遍腻子→打磨→底漆→一遍面漆→二遍面漆→零星收口→水电安装→洞口吊洞→油漆技术交底→内墙挂钢丝网→湿水→甩浆→灰饼→护角→水电预埋→补线槽→门窗安装→湿水→抹糙面灰→抹面层灰→养护→弹建筑1米线→门窗交接→门窗收口→清理→门窗打胶→安装玻璃→一遍腻子→二遍腻子→打磨→底漆→一遍面漆→二遍面漆技术交底→一遍保温→二遍保温→抗裂砂浆→网格布→抗裂砂浆→弹建筑1米线→门窗交接→门窗收口→清理→门窗打胶→安装玻璃→一遍腻子→二遍腻子→打磨→底漆→一遍面漆→二遍面漆技术交底→安装伸缩缝→去保护膜→挂钢丝网→扫浆→抹灰→油漆或贴砖电梯井拆架→井道交接→电梯安装→电梯门收口→清理7. 外架拆除例会告知→技术交底→拉结点内拉→结构拉结点凿打→氧割结构拉结点→细石砼修补→补砖、补漆→拆除安全网→检查外立面→外墙验收→外架报拆→拆除外架→清理8. 栏杆技术交底→结构预埋→立挺安装→挂片安装→木扶手安装→木扶手油漆→清理9. 屋面技术交底→水电安装→吊洞→人工清理→R角→结构闭水→基层交接→防水施工→防水闭水→防水交接→砂浆找平→保温板→PVC透气管安装→内设¢4@200×200钢筋网→留缝宽10@6000×6000(周边必须留缝)→C20细石砼→留缝处灌油→清理10. 地坪技术交底→水电打压→地坪机械清理→湿水→灰饼→扫浆→浇注→养护→清理→地板安装11. 墙砖技术交底→水电打压→排版→找方→铺贴→清理→勾缝→清理→厨卫间吊顶→洁具安装→橱柜安装→小五金安装12. 地砖技术交底→水电打压→水电安装→吊洞→大理石门坎石安装→人工清理→R角(有防水要求)→结构闭水→基层交接→防水施工→防水闭水→防水交接→排版→找方→铺贴→清理→勾缝→清理13. 户内门技术交底→打眼→钉木塞→安装底框→安装门套→安装贴脸→安装门扇→安装门锁→清理14. 吊顶技术交底→水电打压→弹线→画龙骨分档线→安装主龙骨吊杆→安装主龙骨→安装次龙骨→隐蔽验收→安装石膏板→刷防锈漆→安装压条→清理15. 人货梯拆除人货梯(报拆)拆除→收口16. 进户门技术交底→打眼→钉螺丝→安装门框→安装门扇→安装门锁→清理17. 水电技术交底→基础预埋→主体预埋→砌体开槽→安装线盒、线管、水管→补线槽→打压→安装立管→吊洞→室内穿钢丝→室内穿线→安装灯具→电测试18. 物业验收分项验收→瓷片→油漆→地坪→吊顶→塑钢门窗→户内门→进户门→橱柜→栏杆→大理石→专项验收→打压→通球→闭水→淋水→电测试19. 管网施工→园建施工20. 交付前验收备案→预验收→整改→工地开放→整改→验收合格→收钥匙21. 交付交付许可证→确定交付时间→安排各工种人员、工具→交付→整改→交钥匙附施工过程中的各种工艺流程图:施工工艺流程图填方施工流程图挡土墙施工工艺流程图质量管理机构质量保证体系现场质量检查程序回填土压实质量检验程序工期保证组织机构工期保证体系施工进度控制系统安全保证体系住宅楼工程总体施工程序零平下结构工程施工程序±0.00层以上结构工程施工程序内外装饰装修施工程序卫生间装饰施工程序电气安装工程施工程序。
硫磺砂浆配合比申请批复单表4承包单位:中国中铁股份有限公司沈阳四环快速路交通BT工程总包项目经理部第八项目经理部合同号:八合同段配合比编号:PB-S08-20120305001 硫磺砂浆配合比设计说明书类别:M50硫磺砂浆配合比中铁一局沈阳四环快速路交通BT工程第八合同段工地试验室二零一二年三月五日一、工程概括沈阳四环快速路新建工程第八合同段位于沈阳市苏家屯区(K97+225~K108+400)全长11.175km。
二、施工条件及环境硫磺砂浆采用现场人工拌制,人工称量。
三、依据规范标准《建筑砂浆基本性能试验方法》 JGJ 70-2009四、配合比设计技术条件1、使用部位:桥梁临时支座2、拌合方法:人工3、设计强度等级:M50五、硫磺砂浆原材料1、硫磺硫磺用一般工业用粉状或块状硫磺,含硫量不低于95%,其中不得含有木屑、草末、石块等杂质,并要求保持干燥。
如是块状硫磺,使用前要经机械破碎,并需通过5mm孔径的筛子过筛,以免颗粒过大,熔化时不仅速度慢,并且熔化不均匀,影响质量。
硫磺在使用中主要起胶结作用。
2、水泥(辽阳天瑞水泥P.O42.5)水泥用普通硅酸盐水泥,强度等级不限,最好不低于42.5Mpa,水泥是砂浆固体中的填料,如受潮结块,必须先用孔径2mm的筛子过筛后方可使用。
3、砂子(陈相砂场)砂子在砂浆固体中起骨料作用。
粒径不得大于2mm,含泥量不得大于5%,并保持清洁。
使用前,应在钢板上加热烘烤,除去水分。
六、设计步骤1、硫磺砂浆配合比应根据气候和材料条件,在以下规定质量配合比范围内,试验选定其用量。
硫磺:水泥:砂子=1:0.4~0.6:1.2~1.5如少量使用时可采用:硫磺:水泥:砂子=1:0.5:1.3重量比应满足硫磺:水泥:砂子=1:(0.3~0.6):(1.0~1.5)。
在选定配合比时,应当用实际采用的材料做成试件进行试验,以求得最佳配合比,试件的抗压强度不低于50Mpa,重量必须用磅秤来量取。
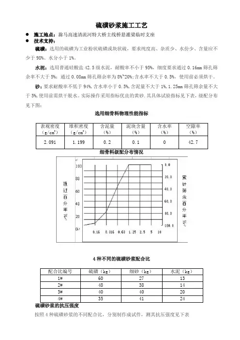
硫磺砂浆施工工艺●施工地点:滁马高速清流河特大桥主线桥悬灌梁临时支座●技术支持:硫磺:选用的硫磺为工业粉状硫磺或块状硫,要求纯度高、杂质少、水份少、含量应不少于98%、水分小于1%。
水泥:选用普通硅酸盐42.5级水泥,耐酸率不小于95%,细度要求通过0.16mm筛孔筛余率不大于5%;通过0.08mm筛孔筛余率为8%~20%;含水率不大于0.5%,使用前必须烘干。
砂:要求耐酸率不低于94%,含水率小于0.5%,含泥量不大于1%,1.25mm筛孔筛余量不大于5%,使用前需烘干脱水。
实际操作采用指标优良的黄砂.其具体试验指标见下表,级配分布见下图:选用细骨料物理性能指标表观密度(g/cm3)堆积密度(g/cm3)含泥量(%)泥块含量(%)含水率(%)空隙率(%)2.091 1.199 0.2 0.1 0 42.7细骨料级配分布情况4种不同的硫磺砂浆配合比配合比编号硫磺(kg)细砂(kg)水泥(kg)1# 60 27 132# 48 38 143# 40 40 204# 35 41 24硫磺砂浆的抗压强度硫磺砂浆的抗压强度配合比编号配合比(硫磺:砂:水泥)实测抗压强度(Mpa)1# 60:27:13 26.52# 48:38:14 31.63# 40:40:20 43.14# 35:41:24 51.7方形和圆形预制块的优越性对比形状固化反应吊装冲击方形预制块表层开裂、涌泡、凹陷边角破碎、断裂圆形预制块局部裂纹、少量涌泡少量掉块施工工艺硫磺砂浆的熬制方法:①先将硫磺打成2~5cm的小块,按比例称好分批放入锅中,加热130~150℃熔化,边熔边放边搅,注意防止局部过热,以达到充分脱水的目的。
②硫磺脱水后,分批将已搅拌均匀的130℃烘干细骨料、水泥放入锅中不断搅拌、脱水,混合均匀;注意要严格控制熬制温度,一般为140~170℃,最高不超过180℃,约熬制3~4小时。
③待硫磺砂浆熬制均匀、颜色一致、汽泡完全消失时,先取样检查,以确定其熬制质量,如不符合要求时,应继续熬制,直到合格;④硫磺砂浆质量鉴定,在140℃时,浇入“8”字型抗拉试模中,观察其冷却时应无涌泡、凹陷、不密实、分层现象,将其打断观察,其颈部断面内,肉眼看可见小孔多于5个,说明熬制时间不够,通常延长熬制时间,直到眼见小孔小于或等于5个为止。
一、石材地面装饰构造:室内地面所用石材一般为磨光的板材,板厚20毫米左右,目前也有薄板,厚度在10毫米左右,适于家庭装饰用。
每块大小在300毫米×300毫米~500毫×500毫米。
可使用薄板和1:2水泥砂浆掺107胶铺贴。
石材地面装饰基本工艺流程:清扫整理基层地面→水泥砂浆找平→定标高、弹线→选料→板材浸水湿润→安装标准块→摊铺水泥砂浆→铺贴石材→灌缝→清洁→养护交工。
三、施工要点:基层处理要干净,高低不平处要先凿平和修补,基层应清洁,不能有砂浆、尤其是白灰砂浆灰、油渍等,并用水湿润地面。
铺装石材、瓷质砖时必须安放标准块,标准块应安放在十字线交点,对角安装。
铺装操作时要每行依次挂线,石材必须浸水湿润,阴干后擦净背面。
石材、瓷质砖地面铺装后的养护十分重要,安装24小时后必须洒水养护,铺巾完后覆盖锯末养护。
四、注意事项。
(1)铺贴前将板材进行试拼,对花、对色、编号,以入铺设出的地面花色一致。
(2)石材必须浸水阴干。
以免影响其凝结硬化,发生空鼓、起壳等问题。
(3)铺贴完成后,2~3天内不得上人。
铺贴陶瓷地面砖基本工艺流程1、铺贴彩色釉面砖类:处理基层→弹线→瓷砖浸水湿润→摊铺水泥砂浆→安装标准块→铺贴地面砖→勾缝→清洁→养护。
2、铺贴陶瓷锦砖(马赛克)类:处理基层→弹线、标筋→摊铺水泥砂浆→铺贴→拍实→洒水、揭纸→拨缝、灌缝→清洁→养护。
铺贴陶瓷地砖的施工要点1、混凝土地面应将基层凿毛,凿毛深度5~10毫米,凿毛痕的间距为30毫米左右。
之后,清净浮灰,砂浆、油渍,产散水刷少将地面。
2、铺贴前应弹好线,在地面弹出与门道口成直角的基准线,弹线应从门口开始,以保证进口处为整砖,非整砖臵于阴角或家具下面,弹线应弹出纵横定位控制线。
3、铺贴陶瓷地面砖前,应先将陶瓷地面砖浸泡阴干。
4、铺贴时,水泥砂浆应饱满地抹在陶瓷地面砖背面,铺贴后用橡皮棰敲实。
同时,用水平尺检查校正,擦净表面水泥砂浆。
5、铺贴完2~3小时后,用白水泥擦缝,用水泥、砂子=1:1(体积比)的水泥砂浆,缝要填充密实,平整光滑。
1总则1.1适用范围本标准规定了水泥砂浆防水层的施工要求、方法和质量控制标准。
本标准适用于混凝土或钢筋混凝土结构、砌体结构的基层上采用多层抹面的水泥砂浆防水层。
不适用环境有侵蚀性、持续振动和受冲击作用或温度高于80℃的地下工程。
1.2编制依据GB50300-2001 建筑工程施工质量验收统一标准GB50208-2002 地下防水工程质量验收规范GB50108-2001 地下工程防水技术规范2术语2.1地下防水工程指对工业与民用建筑地下工程、防护工程、隧道及地下铁道等建(构)筑物,进行防水设计、防水施工和维护管理等各项技术工作的工程实体。
2.2防水等级根据地下工程的重要性和使用中对防水的要求,所确定结构允许渗漏水量的等级标准。
2.3刚性防水层采用较高强度和无延伸能力的防水材料,如防水砂浆、防水混凝土所构成的防水层。
3施工准备3.1 技术准备3.1.1施工前应对操作人员进行技术交底,并编制施工作业指导书。
3.1.2根据设计要求确定防水外加剂的品种、性能及需用计划。
3.1.3确定水泥砂浆施工配合比及各种材料用量。
3.1.4将作业面基层上的杂物清理干净,保持基层湿润、清洁、平整、坚实、使基层与面层有很好的粘结性能。
3.1.5当工程在地下水位以下时,施工前应将地下水位降到抹面层以下。
地表积水应清理干净。
3.2材料准备3.2.1水泥a)水泥品种应按设计要求选用,宜采用强度等级不低于32.5 级的普通硅酸盐水泥,亦可采用矿渣硅酸盐水泥,火山灰硅酸盐水泥。
b)不应使用过期或受潮结块水泥;禁止将不同品种或强度等级的水泥混用。
c)水泥应有出厂合格证和复检报告。
3.2.2砂子砂宜采用中砂,砂颗粒应坚硬、粗糙洁净,粒径3mm以下,含泥量不得大于1% ,硫化物和硫酸盐含量不得大于1%,使用前必须过3mm~5mm 孔径的筛。
3.2.3水施工用水应符合《混凝土拌合用水标准》JGJ63规定。
3.2.4掺合料砂浆中掺用的聚合物乳液的外观质量应无颗粒、异物和凝固物。
彭溪镇中心小学综合楼、食堂、厕所外墙保温施工方案编制人: __________审核人:________审批人:---------颗粒砂浆保温(外饰为贴砖的)施工工艺一、作业条件:1、基层墙体的质量必须符合相关质量验收规范和标准要求,主体结构已验收,并办理四方验收手续。
2、脚手架安装完毕并通过验收。
3、外门窗通过验收并有相应成品保护措施。
4、外阳台部位电器暗管,接线盒安装完毕,外墙雨水管卡预埋完毕。
5、FIRST B.M体系正常施工温度5C以上,风力超过5级或中雨以上天气不得施工。
施工完毕后应防止阳光直晒。
、主要材料与施工工具:1、保温专用胶粉:保温专用胶粉是一种聚合物干混料,在现场与聚苯颗粒加水混合成为聚合物保温砂浆,用于保温层。
其主要技术性能指标详见下表。
项目实验方法单位技术指标1胶粉料干密度kg/m3W 750初凝时间h > 4终凝时间h W 12拉伸粘结强度标养28d, MPa > 0.6 浸水拉伸粘结强度标养28d,浸水7d MPa > 0.4胶粉料软化系数> 0.72、聚苯板颗粒:为外墙外保温聚苯颗粒砂浆保温做法中的轻骨料,主要作用为保温材料,聚苯颗粒性能见下表。
项目单位指标表观密度kg/m3> 12.0细度mm 95%通过5mm筛3、镀锌钢丝网:镀锌钢丝网应用于抹面砂浆中,不仅能增强抹面砂浆强度,还能阻止裂纹生长,达到防裂的目的。
保温专用镀锌钢丝网表面经镀锌处理,具有耐锈蚀功能,其主要技术性能指标详见检验报告。
4、面层抗裂砂浆:面层抗裂砂浆由抗裂专用胶和干混料混合搅拌组成,配以镀锌钢丝网形成耐水、抗裂的保护层,其中抗裂砂浆技术指标如下:抗裂砂浆应满足以下性能要求:抗裂砂浆整体技术指标如下:5、主要施工工具(1)抹子、砂纸、2m靠尺、弹线墨盒、壁纸刀、铲刀、阴阳角抿子(2)电动搅拌机、角磨机(3)其他劳保及安全用具三、施工工艺流程及要求:1、施工工艺流程图:外墙聚苯颗粒外保温体系施工流程图2、施工要点:(1)基层墙体的处理:基层墙体表面不得有油污、脱模剂、浮尘等污染物,墙面不平整处可用角磨机打磨,松动或风化的部分可用水泥砂浆填实后找平。
砂浆锚杆施工工艺流程图
中空锚杆施工工艺流程图
自进式锚杆施工工艺流程图
施工准备
结 束开挖面超欠挖处理初喷混凝土 测定钢架位置清除拱(柱)脚底浮渣铺设钢筋网、架立钢架
安装纵向钢筋连接筋
安装质量检测
合格
锚杆固定、打锁脚锚杆喷混凝土
校正处理
不合格运入洞内拼装校正处理
合格不
合
格
钢架试拼、检测钢构件加工
原材料检测
钢架施工工艺流程图
(资料素材和资料部分来自网络,供参考。
可复制、编制,期待你的好评与关注)。
第十二节无机保温砂浆外墙保温施工方法及措施一、施工准备:(一)基层墙体准备1、施工前清除墙面浮灰、油污、隔离剂及墙角杂物,保证施工作业面干净,混凝土墙面因有不同的隔离剂,需做适当的界面处理。
其他墙面要剔除突出墙面大于10㎜的异物保证干净。
2、基层墙面,外墙四角,洞口等处的表面平整及垂直度应满足有关施工验收规范的要求。
3、按垂直,水平方向在墙角、阳台栏板等处弹好厚度控制线。
4、按厚度控制线,用无机活性保温砂浆作标准厚度灰饼,冲筋,间隔适度。
二、施工工艺流程及要求:㈠施工工艺流程图:外墙无机活性保温砂浆施工流程图㈡作业条件:⑴结构工程全部完工,并经有关部门验收合格。
⑵门窗框与墙体联结处的缝隙按规范规定嵌塞。
⑶施工墙面的灰尘、污垢和油渍应清理干净。
⑷脚手架搭设完成并验收合格。
横竖杆与墙面、墙角的间距应保证满足保温层厚度和满足施工要求⑸施工环境温度不低于5℃,严禁雨天施工。
㈢施工要求:⑴当窗框安装完毕后将窗框四同分层填满密实,保温层包裹窗框尺寸控制在10㎜。
⑵在清理干净的墙面上,用配好的保温料浆压抹第一层(厚度不大于20㎜),使料浆均匀密实将墙面覆盖,稍待干燥后按设计要求抹至规定厚度,并且大杠搓平,门窗、洞口、垂直度平整度均达到了规范质量要求后,再在表面进行收平压实。
⑶待第一次抹灰浆硬化后即可进行第二次抹浆,抹涂方法与普通砂浆相同。
⑷外贴面砖的墙体,待保温砂浆硬化后在其表面涂刮上3㎜聚合物抹面抗裂砂浆,铺设低碳镀锌钢丝网,打上锚固钉,固定在主体墙壁上,再涂刷上2㎜的聚合物抹面抗裂砂浆,然后待其干燥后用专用的面砖粘结砂浆粘贴面砖。
⑸首层外保温的阳角,须用专用金属护角处理。
其余各层阴角、阳角以及门窗洞口角各部用玻纤网格布搭接增强。
⑹色带:设计要求用色带来体现立面效果时,在保温砂浆施工完毕后,弹出色带控制线,用壁纸刀开出设定的凹槽,深度约为10㎜,处理时应做工精细,保证色带内表面和侧面的平整和光滑。
抗裂砂浆施工时,色带和大面同时进行,色带部位用专用小型工具,作出阴阳角,并保证平整和顺直。
墙体彩色饰面砂浆施工工艺彩色砂浆是以无机胶凝材料、填料、添加剂和骨料所组成的一种工厂预混、新型环保装饰材料。
在发达国家,彩色砂浆已广泛代替瓷砖和涂料应用于建筑物的内、外墙装饰。
通过接受不同的施工方法和工具,可形成各种颜色和纹理的立体装饰效果。
施工工艺① 工艺流程:② 基层处理:a 基层表面不得粘有灰尘、油迹、铁锈及砂浆、砼块。
b 建筑物外立面处理,应严格按设计要求和有关技术规定执行。
全部分格条、线条应用质硬挺立的材料制成。
c 基层含水率应小于10%,全部基材PH 值必需小于10。
底涂施工工序a 刷封闭漆:待基层清理干净后,匀整涂刷封闭底漆一遍,涂刷要求匀整,不行漏刷。
b 刷封闭底涂:待封闭底漆干燥之后,再刷饰面砂浆底涂,要求涂刷匀整,不行纰漏。
用专用刷子从上至下进行施工,先竖向涂刷,再横向涂刷,不允许斜向涂刷。
同一面墙应在同一时段做完,不允许分遍作业。
底涂施工3h 后方可进行面涂施工。
材料配制:彩色砂浆底涂粉料和水的比例为1:0.48,搅拌过程中应严格限制加水量。
加水量限制方法:粉料包装为25kg/袋,搅拌时应先称取12kg 的水,用计量工具严格称取,在盛水桶的水位线高度划线标记,并沿线打洞。
将称量好的水倒入一半至搅拌容器内,再加入一袋干粉彩色砂浆底涂粉料,用电动搅拌机搅拌2分钟左右,然后倒入剩余的水,接着搅拌2min ,后静置3~5分钟,再搅拌15~30秒至匀整即可运用。
留意:要严格限制加水量,加水量的多少对彩色砂浆的颜色有干脆影响。
面层施工工序1 总体原则:由上往下、水平分段、竖向分层,合理支配;手工抹灰。
2 将仿砖型模板或美纹纸粘贴在基层底涂墙体上,然后抹面层饰面砂浆,砂浆厚度为2mm 左右,要求平整、匀整。
3 仿砖型模板或美纹纸应在搓毛完成后立刻撕掉,不要等时间太长,否则会影响造型作业。
同一面墙应在同一时段做完,不允许分遍作业。
4 同一面墙应在每天的同一时段分段施工,即一面墙施工时为阳面就均为阳面,为阴面就均为阴面。
深圳市建工集团股份有限公司3—19 聚合物水泥砂浆施工工艺标准1 总则1.1 适用范围聚合物水泥砂浆,不仅具有优良的机械力学性能,还具有优良的抗裂性和抗渗性,因而适用于地下和地上建(构)筑物的防水工程;它可以在潮湿的基面上直接施工,特别适用于渗漏地下工程从背水面施作防水层;适用于人防、涵洞、地下沟道、地铁、水下隧道的防水工程。
1.2 编制依据1《建筑装饰工程施工质量验收规范》JGJ 73—912《建筑施工手册》(第四版)3《建筑装饰装修工程质量验收规范》GB50210—20012 术语2。
1 抹灰基层抹灰施工前的墙面2。
2 灰饼指抹灰施工时基层面做的抹灰厚度控制点3 施工准备3。
1 机具准备主要机具包括:砂浆搅拌机、5mm的筛子、大平锹、小平锹,除抹灰工一般常用工具外,还应备有软毛刷、钢丝刷、粉线包、喷壶、小水壶、水桶、米厘条、分格条、扫帚、锤子、錾子等。
3。
2 材料、设备准备1、水泥:一般采用强度等级为32.5或42.5普通硅酸盐水泥和矿渣硅酸盐水泥.水泥应有出厂合格证书及性能检测报告。
水泥进场需核查其品种、规格、强度等级、出场日期等,并进行外观检查,做好进场验收记录。
水泥进场后应对其凝结时间、安定性和抗压强度进行复验。
当水泥出厂超过3个月时应按试验结果使用。
用于同一部位的水泥应采用同一品种、同一批号的产品,保证颜色一致。
2、砂:中砂,平均粒径为0。
35~0.5mm,砂的颗粒要求坚硬洁净,不得含有粘土、草根、树叶、碱质及其他杂质。
砂在使用前应根据使用要求用不同孔径的筛子过筛。
3、其他掺合料:增粘剂、防裂剂、防冻剂、聚合物等外加剂,必须符合设计要求及国家产品标准的规定,其掺量应按照产品说明书配制并通过试验确定.掺合料的性能应与抹灰墙面涂料的性能相匹配,做溶剂型涂料饰面的抹灰砂浆中不得掺有含有食盐和氮化钙的外加剂。
4、冬期抹灰砂浆应采用热水拌合,并采取保温措施,抹灰时砂浆温度不应低于5℃。
为防止抹灰层早期受冻,水泥砂浆内不得掺入石灰膏。
1.0硫磺砂浆的组份1.1硫磺硫磺是硫磺砂浆的胶粘剂,通常的硫磺分为纯硫磺和改性硫磺。
纯硫磺在常温下为淡黄色固体,比重2.07,熔点112.8。
C,佛点为444.6。
C,在不同的温度下,将形成不同的同素异形体和三态。
固态的斜方硫加温至95.5。
C形成固态单斜硫,加温至119.25。
C,形成液态黄色硫,加温至160, 。
C形成褐色液态硫,加温至444.6。
C,形成气态硫,加温至1000。
C,形成气态硫蒸气。
熔融的硫磺,其粘度变化较为复杂。
粘度与其温度的变化情况见表1: 当温度为115。
C时,粘度为0.0125Pa.s;160度时为0.0066Pa.s;165。
C时其粘度增加1000倍以上;198.8。
C时,其粘度高达90Pa.s,增加10000倍以上。
因此硫磺在施工过程中温度应介于115~160。
C之间,易于操作施工。
硫磺的强度随温度的不同而变化,在20~40。
C时其强度最大。
表1 硫磺温度与粘度变化情况温度/c 115 160 165 198.8粘度/Pa.s 0.0125 0.0066 6.7 90纯硫磺在熔融、冷却、凝固过程中,由于晶格变化,当从单斜硫转变为斜方硫时,体积缩小,形成收缩应力。
是硫磺的耐热稳定性及其他特性(如粘度、强度、抗冲击强度等)大为降低。
在冷热交替及干燥环境中结构极易破坏。
为了防止和减少单斜硫转变为斜方硫,在硫磺中加入少量的聚硫橡胶(为硫磺用量的1.7%~3.3%左右)形成硫磺胶泥,它的耐热稳定性、粘结强度及其冲击性能均有大幅度提高(见表2),硫的工程特性见表3。
表2 聚硫橡胶对硫磺胶泥性能的影响配合比急冷急热残余抗拉强度(MPa)与瓷板粘结强度(MPa)抗冲击强度(MPa)30天收缩率(%)硫磺:石英粉60:400.35 0.32 0.068 0.165硫磺:石英粉:聚硫橡胶58.5:40:1.52.85 1.43 0.574 0.105表3 硫的工程特性性质数值弹性模量13.9x10^3 MPa显微硬度716 MPa抗弯强度6~8 MPa抗压强度25~30 MPa热膨胀系数55x10-6/。
砂浆生产工艺流程图
砂浆是建筑工程中常用的一种建筑材料,用于连接和封闭建筑结构,保证建筑的牢固和耐久。
下面是一份砂浆生产工艺流程图的简介。
首先,砂浆的原材料包括水泥、砂子和特殊添加剂。
水泥是砂浆的主要成分,负责固化砂浆的作用。
砂子是砂浆的填充物,用于增加砂浆的强度和耐磨性。
特殊添加剂则是用于改善砂浆的工作性能和性能的材料。
第一步是原料的准备和称量。
水泥、砂子和特殊添加剂根据配比要求精确称量,确保各个组分的配比准确。
第二步是原料的混合。
在混合设备中,将水泥、砂子和特殊添加剂混合均匀,形成均质的砂浆料。
混合设备可以是搅拌机、混凝土搅拌车或其他适用的设备。
第三步是砂浆料的输送和储存。
混合好的砂浆料通过输送系统,将其输送到储存仓或螺旋输送器中。
储存仓可用于砂浆料的暂时储存,以备后续使用。
第四步是砂浆的调配和施工。
根据具体的工程要求,将储存仓中的砂浆料调配出需要的砂浆。
调配时可以根据需要添加适当的水,以调整砂浆的黏度和流动性。
然后,砂浆料被输送到施工现场,并通过机械或人工的方式进行施工。
第五步是砂浆的养护和固化。
砂浆在施工后需要进行养护,以
确保其正常固化和硬化。
养护可以采用覆盖、喷水、湿刷等方式,根据具体的砂浆类型和工程要求选择适当的养护方法。
最后,砂浆的品质检验和质量控制是生产过程中不可或缺的一部分。
通过对砂浆样品的强度、密度、流动性等指标进行检测,在保证砂浆质量的前提下,对生产工艺进行调整和优化。
综上所述,砂浆生产工艺流程主要包括原料准备和称量、原料混合、砂浆料输送和储存、砂浆的调配和施工、砂浆的养护和固化,以及砂浆的品质检验和质量控制。
通过严格控制每个环节的质量和效率,可以生产出优质的砂浆,满足建筑工程的需求。