干混砂浆生产工艺流程之令狐文艳创作
- 格式:doc
- 大小:65.51 KB
- 文档页数:5
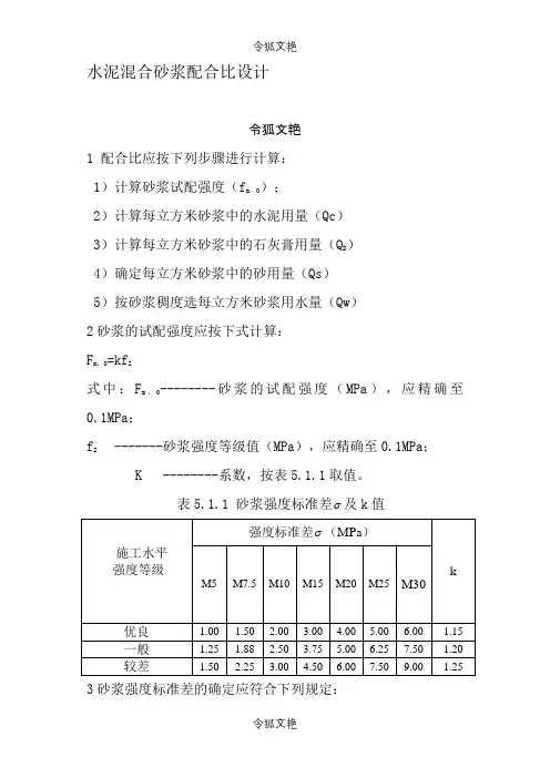
水泥混合砂浆配合比设计令狐文艳1 配合比应按下列步骤进行计算:1)计算砂浆试配强度(f m,0);2)计算每立方米砂浆中的水泥用量(Qc)3)计算每立方米砂浆中的石灰膏用量(Q D)4)确定每立方米砂浆中的砂用量(Qs)5)按砂浆稠度选每立方米砂浆用水量(Qw)2砂浆的试配强度应按下式计算:F m,0=kf2式中:F m,0--------砂浆的试配强度(MPa),应精确至0.1MPa;f2 -------砂浆强度等级值(MPa),应精确至0.1MPa;K --------系数,按表5.1.1取值。
表5.1.1 砂浆强度标准差σ及k值3砂浆强度标准差的确定应符合下列规定:1)当有统计资料时,砂浆强度标准差应按下式计算:式中:f m,i------统计周期内同一品种砂浆第i组试件的强度(MPa)μ -----统计周期内同一品种砂浆第n组试件强度的平均值fm(MPa)N ------统计周期内同一品种砂浆试件的总组数,n≥25.2)当无统计资料时,砂浆强度标准差可按表5.1.1取值。
4 水泥用量的计算应符合下列规定:1)水泥用量的计算1000(ƒm,o-β)Qc=────────α׃ce式中:Qc--水泥用量,精确至1kgƒm,o--砂浆试配强度,精确至0.1MPaƒce--水泥的实测强度,精确至0.1MPaα、β—砂浆的特征系数,其中α=3.03,β=-15.09。
2)计算掺合料的量每立方砂浆的掺合料用量按下式计算:QD=QA-QC式中:QD--每立方米砂浆的掺合量,精确至1kg石灰膏使用时的稠度宜为120mm±5mmQA--每立方米砂浆中水泥和掺加料的总量,精确至1kg,宜在300~350 kg/m3之间。
QC--每立方米砂浆中水泥的用量,精确至1kg 3)砂子用量每立方米砂浆中的砂子用量,应以干燥状态(含水率小于0.5%)的堆积密度值作为计算值。
4)用水量可根据砂浆稠度等要求选用210㎏-310㎏。
干混砂浆生产线工艺流程嘿,咱今儿就来唠唠干混砂浆生产线工艺流程这档子事儿啊!你想想看,这干混砂浆生产线就好比是一个超级大厨的厨房。
原材料呢,那就是各种食材啦,得精心挑选。
就像咱做饭得挑新鲜的菜一样,这生产线也得用质量杠杠的原材料呀!先来说说骨料的处理吧,那可不能马虎。
就好比做菜前得把肉切好、菜洗干净,这骨料也得破碎、筛分,弄成合适的大小和形状。
这一步要是没做好,后面的“菜”可就不美味啦!然后呢,就是把各种材料按照一定的比例掺和在一起啦。
这就像是调调料一样,盐多了咸,盐少了没味,得恰到好处才行。
掺和的时候可得仔细咯,不能有一点儿马虎。
接下来就是关键的搅拌环节啦。
这搅拌就像是炒菜时的翻炒,得让每一粒材料都充分融合,都能沾到“调料”。
搅拌得好,那生产出来的干混砂浆才会质量过硬呀!搅拌好了,还得把它们运到该去的地方。
这运输过程就像是上菜的过程,得稳稳当当的,不能洒了也不能弄乱了。
再想想,这生产线是不是也像一个乐队呀?各种设备就是不同的乐器,得配合默契才能演奏出美妙的乐章。
要是有一个环节出了岔子,那整首曲子可就不和谐啦!你说这干混砂浆生产线工艺流程重要不重要?那肯定重要啊!要是哪一步没做好,生产出来的产品质量不行,那不是白瞎功夫嘛!所以啊,每一个环节都得认真对待,不能有一丝一毫的松懈。
咱老百姓盖房子、搞装修,不都得用这干混砂浆嘛。
要是质量不好,那房子能牢固吗?装修能漂亮吗?这可不是闹着玩的呀!所以说啊,这干混砂浆生产线工艺流程就是要精益求精,要像对待艺术品一样对待每一个生产环节。
只有这样,才能生产出高质量的干混砂浆,才能让我们的生活更美好呀!这就是我的看法,你觉得呢?。
目录令狐文艳41.编制依据2.1总体概况2.2.1混凝土强度等级分布如下:3.1质量目标按照北京市结构长城杯要求,达到清水混凝土的质量。
3.2混凝土的供应本工程混凝土均由北京建工集团有限责任公司商品混凝土中心建恒搅拌站提供商品混凝土。
3.3施工流水段的划分根据工程实际情况,将本工程结构分若干流水段进行组织施工:基础底板分二个流水段(F~G轴跨中三分之一处分段)及五层施工不分流水段。
3.3.1地下结构流水段划分:3.3.5±0.000至10.5m施工流水段划分图:3.3.610.5m及以上流水段划分:3.4混凝土施工机械的配备3.5.1大型设备的配置3.5.1.1基础底板施工阶段,施工段采用一台地泵、漏槽配合使用,以保证混凝土供应连续、及时。
3.5.1.2 每台每小时混凝土泵送量为60m3,保证现场混凝土的泵送量。
3.5.2劳动力配置及人员组织管理人员组织机构图详见后附图。
本工程将根据工程各阶段施工配置劳动力,并根据施工生产情况及时调配相应专业劳动力,对劳动力实行动态管理。
现场设总调度长一名,混凝土浇筑前由总调度先进行各方面协调、联络和布置,施工时由总调度进行总指挥处理各种关系,同时根据现场情况,协调混凝土的搅拌和运输速度。
4.1混凝土配合比计及审核4.1.1施工各部位混凝土设计强度等级详见工程概况(章节)。
4.1.2混凝土配合比的确定混凝土配合比由混凝土搅拌站根据项目需要的混凝土强度等级及各种技术指标进行混凝土预配,最后得出优化配合比,并把试配结果提前3天报送到项目经理部,由项目部主任工程师审核合格后,方可使用。
混凝土配合比的配置标准必须按现行的《普通混凝土配合比设计规程》(JGJ55-2000)予以执行,混凝土的强度要符合国家现行《混凝土强度检验评定标准》的有关规定。
根据施工季节和气候条件,以及所使用的原材料,通过计算和试配确定各种材料的用量,包括其它外掺剂的用量,如粉煤灰、缓凝剂、高效减水剂、泵送剂等,同时确保混凝土的可泵送性。
M10水泥砂浆配合比设计说明令狐文艳一、工程概况国家高速公路网G6911线(安康至来凤)陕西境平利至镇平(陕渝界)高速公路LJ-18合同段起讫桩号ZK75+570.0~ZK81+403.0、YK75+548.0~YK81+423.0)路线全长5.85km。
范围内的路基、桥梁、涵洞、隧道、附属构造物等工程建设设计标准公路等级:双向四车道高速公路;设计行车速度:80km∕h;路基宽度:整体式25.5m、分离式12.75m;设计荷载:公路—Ⅰ级;设计洪水频率:特大桥1/300,大中桥及路基1/100。
平利至镇坪高速公路LJ-18标合同段路线起点位于东风村梯子口,与LJ-17合同段剪刀峰特大桥相接,向南途经东风村梯子口隧道、天生桥隧道、古盐道特大桥1座、沙坪村大桥、孙家院子大桥、同车坝大桥、三坪大桥,终点至三坪与重庆巫溪至镇平高速公路相接。
并在猫子庙设主线收费站,线路起讫桩K79+440-K80+350。
二、设计目的及要求M10水泥砂浆:主要用于平利至镇坪高速公路LJ-18合同段路基工程、桥梁工程、隧道工程的防护工程,设计稠度为70~90mm。
三、依据规范标准1、《砌筑砂浆配合比设计规程》JGJ/T98-20102、《建筑砂浆基本性能试验方法标准》JGJ/T70-20093、《公路工程水泥及水泥混凝土试验规程》JTG E30-20054、《公路工程质量检验评定标准》JTG F80/1-20045、《公路工程集料试验规程》JTG E42-20056、《公路桥涵施工技术规范》JTG/T F50-20117、设计图纸四、原材料说明1、水泥:陕西金龙有限公司生产的P·O42.5,各项指标如下:2、细集料:石泉县白火石湾村砂场,细度模数为 2.72,属于Ⅱ区中砂,各项指标如下表:3、水:猫子庙东风村饮用水。
以上原材料均按试验规程通过试验选用,符合公路桥涵技术规范(JTG/T F50-2011)要求;原材料试验报告附后五、设计说明1.砂浆试配强度计算:ƒm,0=κƒ2表1 砂浆强度标准差σ及κ值ƒm,0=κƒ2=1.20×10=12.0Mpa2.水泥用量的计算:Q C=1000(ƒm,0-β)/(α·ƒce)= 1000(12.0+15.09)/(3.03·48.1)=27090/145.743=186kg式中:ƒce-水泥实测强度(Mpa),精确至0.1Mpa;此处取48.1Mpaα、β-为砂浆的特征系数,其中α取 3.03,β取-15.09根据施工工艺和经验初选水泥用量310kg.3.每立方米砂浆中的砂用量,按干燥状态(含水率小于0.5%)的堆积密度值作为计算值;砂的实测自然堆积密度值1558kg/m3。
干混砂浆生产工艺流程干混砂浆生产是各种原材料在干燥, 松散的状态下处理的。
这些原材料统称为散体物料, 具体指的是粉状,颗粒状松散堆积的材料. 在建筑材料干混砂浆中常用的颗粒直径为0—5毫米.1.1工艺流程技术干混砂浆工业技术的基础是力学工艺流程技术(mechanische Verfahrenstechnik/mechanical processing technique). 它是针对不同物料的特性要求相适应的基础处理方法和机器设备。
就散体物料而言,其基本的处理工艺有储存输送, 提升分级筛分均匀混合计量称着破碎, 碾磨分离清洗烘干(涉及热力学处理工艺)各种物料的特性研究和描述是散体物料力学(Schuettgutmechanik/Bulk solids mechanics)的范畴,它是力学工艺流程技术的理论基础。
散体物料和流体,固体不一样, 有许多特异的性能如砂对筒仓壁面产生的压力和液体不一样. 它不会直线增加。
到目前为止,散体物料力学还是半经验科学, 主要是采用试验手段, 通过相似力学,统计学和数学建模来描述其特性和工程. 现代计算机的高速发展也给其研究提供了新的方法, 如散体颗粒采用随机过程力学模型的计算模拟固-气两相管流等.1.2干混砂浆的散体物料特性在干混砂浆中用到的许多不同的散体材料,其中以下的的物理特性对于工艺和设备选型非常主要:—流动性—流化性—固体密度和散装密度- 颗粒大小和分布—颗粒的形状—磨损性这些特性决定着在干混砂浆生产工艺流程及方案的设计,设备的选型, 比如干砂机,筛分机的选型, 物料的输送, 料仓卸料是否顺利, 结桥如何处理,计量装置中如何考虑解决时压效应给计量精度带来的负作用。
除此之外, 考虑干混砂浆中常常加入纤维如何分散, 包装机的选型等等.首先我们谈谈原材料中的骨料之一的砂石,大多数干粉产品其含砂量达60%至80%, 所以它来源和成分以及物理特性不但对最终产品的质量是否符合规定合要求, 同时对生产设备的设计和选型,以及后续的应用施工比如机械化施工中产生的磨损,压力损失均有不可低估的影响.a)集料砂石骨料主要是石英砂,河砂,破碎的石灰石等。
干混砂浆工艺流程
《干混砂浆工艺流程》
干混砂浆是一种以水泥、石灰、石膏等为粘结料,砂、矿粉、轻集料等为主要骨料,再加入适量的添加剂,通过一定的工艺混合制成的建筑材料。
它具有施工方便、强度高、耐水性好等特点,在建筑工程中得到了广泛应用。
干混砂浆的生产工艺一般包括原材料准备、配料、搅拌、包装等几个主要步骤。
首先是原材料的准备。
根据配方的要求,将水泥、砂、石灰、石膏、轻集料等原材料进行称量和储存,保证原材料的质量和充分满足生产需求。
其次是配料。
按照一定比例将各种原材料进行卸料和混合,并对混合的骨料和粘结料进行初步搅拌,保证混合均匀。
然后是搅拌。
将混合均匀的原材料送入搅拌机进行充分的混合搅拌,使粘结料和骨料均匀的分布,同时加入适量的添加剂以提高砂浆的性能。
最后是包装。
经过搅拌后的砂浆送入包装机,根据工程需要进行包装,以便于运输和使用。
除了以上的基本工艺流程外,干混砂浆的生产过程中还需要进行质量检验和质量控制,包括对原材料的抽样、成品的检验、
包装的外观及尺寸等。
同时,还需要对生产设备进行维护保养和清洁,以防止设备故障影响生产。
综上所述,《干混砂浆工艺流程》是一个复杂的过程,需要严格遵循生产工艺,确保产品质量,以满足建筑工程的需要。
同时,通过不断的技术创新,可以提高生产效率,降低能耗,推动干混砂浆行业的可持续发展。
搅拌站中商品混凝土生产工艺流程令狐文艳一、生产准备1、生产部根据供货合同签发“混凝土出产任务通知单”,转发到搅拌站、资料科、技能质量科。
拌和站、资料科、技能质量科应按需求做好出产预备作业。
2、关于大方量混凝土,出产付司理根据公司出产供给计划安排交底,预备出产。
3、关于特种混凝土,公司技能负责人还需根据公司质量计划进行技能交底。
根据技能交底内容,公司各部分做好出产预备。
二、原资料预备1、市场部依照《收购操控程序》和混凝土出产供给计划的需求,预备出产用各种原资料。
2、市场部依照《收购操控程序》安排资料出场,并依照《标识和可追溯性操控程序》和有关文件的需求做好商品维护和标识作业。
3、市场部依照《查验和实验操控程序》对出场的原资料进行抽样送检,合格后方可运用。
不合格依照《不合格品操控程序》履行。
三、配合比实验室根据混凝土出产任务通知单的内容和沙石含水率,规划混凝土合作比,向拌和站和质检员下达混凝土合作比技能文件。
四、生产前检查1、持证上岗操作工、实验员、质检员有必要经过专业培训,经考试合格后持证上岗。
2、查验和丈量设备查验和丈量设备均应强制性定时校验,保证其准确度和精密度。
3、出产设备设备主管和修理部分应及时对设备进行修理保养,提高设备的利用率和完好率,满意出产需求。
4、作业环境公司出产部要查看各工序出产环境是不是符合需求。
拌和站要保证操作室的清洁,冬期施工时要保证物料及拌和机室温度。
车队要保证在装运混凝土前倒尽罐车内存水和保证车体整齐。
有关部分要监督和查看设备的作业环境。
五、开盘判定1、混凝土的开盘判定作业由公司技能负责人安排质检员、实验员、操作工参与,依照“混凝土开盘判定”表中的内容进行判定。
判定合格签字认可后方可正式开盘出产。
2、混凝土开盘判定内容记载要齐全,履行《记载操控程序》。
六、搅拌拌和站在拌和进程中有必要严格履行《预拌混凝土操作技能规程》、混凝土施工合作比、质量计划等有关文件,严格依照需求操控计量精度、投料次序和拌和时间,保证混凝土的质量标准。
干混砂浆生产工艺流程一、原料准备。
干混砂浆的生产嘛,那原料可得先准备好。
咱这原料种类还不少呢。
比如说水泥,这可是很重要的基础原料,就像盖房子打地基一样重要。
水泥有不同的标号,得根据咱要生产的干混砂浆的具体要求来选择。
还有砂,砂的颗粒大小和质量也很关键哦。
要是砂太粗或者太细,都会影响干混砂浆最后的性能。
而且砂得干净,不能有太多杂质,不然就像炒菜的时候菜没洗干净一样,做出来的东西肯定不好。
另外,还有一些添加剂,像是保水增稠剂、纤维素醚之类的。
这些添加剂虽然用量不多,但是作用可大啦。
就好比做菜的时候放的那些调味料,一点点就能让整道菜的味道大不一样。
二、配料环节。
原料准备好之后,就到配料环节啦。
这就像是大厨做菜的时候按照菜谱称食材一样。
各种原料得按照一定的比例配好。
比如说水泥、砂还有添加剂的比例,那都是有讲究的。
这得靠精确的计量设备来完成。
要是比例配错了,那生产出来的干混砂浆可能就不符合标准啦。
就像你做蛋糕的时候,面粉和糖的比例不对,那蛋糕要么太硬,要么太甜,都不好吃。
在配料的时候,操作人员可得小心仔细,眼睛得盯着那些计量设备,确保每一种原料的量都是准确无误的。
三、混合搅拌。
配料完成后,就该把这些原料混合搅拌在一起啦。
这时候就有专门的混合设备上场了。
把配好的原料一股脑儿地放进混合机里,然后就开始搅拌。
这个搅拌的过程就像是在跳舞一样,各种原料在混合机里欢快地跳动、旋转,然后渐渐地融合在一起。
搅拌的时间也很重要哦。
如果搅拌时间太短,原料可能还没有完全混合均匀,就像你搅面糊的时候,要是没搅匀,里面就会有小疙瘩。
要是搅拌时间太长呢,又可能会对原料的性能有影响。
所以得掌握好这个度。
在搅拌的过程中,混合机发出那种嗡嗡嗡的声音,就像是它在唱歌一样,可有意思啦。
四、包装储存。
混合搅拌均匀之后,干混砂浆就做好啦。
接下来就是包装储存环节了。
对于干混砂浆的包装,有不同的方式呢。
有的是用袋子装,一袋一袋的,方便运输和使用。
包装的时候,袋子得密封好,就像给干混砂浆穿上一件严实的衣服,防止它受潮或者被污染。
干混砂浆生产工艺
干混砂浆是一种现代化、高效、环保的建筑材料,广泛应用于墙体、地面、屋面等建筑装饰和修复工程中。
下面是一个大致的干混砂浆生产工艺。
首先是原材料的准备。
干混砂浆的主要原材料有水泥、石灰、石膏、沙子等。
这些原材料需要进行筛分、破碎和除尘等处理,以确保原材料的质量和粒度符合要求。
接下来是配料、混合。
将经过处理的原材料按照一定的配比放入干混砂浆生产线的配料机中。
配料机会根据配比自动调整混合的比例,将原材料进行均匀混合。
混合后的原料会被输送到称重、包装机上。
在这个过程中,会通过称重系统自动将砂浆进行计量,确保每袋砂浆的重量一致。
然后,将砂浆放入包装袋中,通过包装机将其密封。
最后,包装好的砂浆会进行堆放和质检。
砂浆需要进行一定的时间的养护,以确保其强度和质量。
质检人员会对砂浆进行抽检,检查其外观、强度、水分和PH值等指标,确保达到标准
要求。
以上是一个大致的干混砂浆生产工艺。
当然,在实际生产中,还会有更多的细节和环节需要考虑,比如原材料的储存和保管、设备的运行和维护等。
希望对你有所帮助!。
干混砂浆生产工艺流程技术1.原材料准备:首先确定生产所需的水泥、石灰、砂子和其他添加剂的种类和比例,然后对原材料进行准确的配比和称重。
2.原材料混合:将配好比例的水泥、石灰、砂子和其他添加剂放入混合机中进行混合搅拌,确保各种原料充分混合均匀。
3.包装和存储:经过混合的砂浆将被装入包装袋中,并经过包装机进行包装密封,然后将成品砂浆存储到合适的场地上。
4.生产管理:在整个生产过程中,需要严格控制原材料配比、搅拌时间和包装密封等环节,以确保生产出符合标准的干混砂浆产品。
5.质量检测:在生产过程中,需要对原材料和成品进行定期的质量检测,检测项目包括原材料的化学成分和物理性能,成品砂浆的流动性、强度、和粘结性等指标。
6.设备维护:生产过程中的混合机、包装机等设备需要定期保养和维护,以确保设备的正常运行和生产效率。
通过以上的工艺流程技术,可以保证干混砂浆产品的质量稳定,满足不同工程需要,为建筑行业的发展提供强有力的支持。
干混砂浆生产工艺流程技术是建筑行业中不可或缺的一环。
其质量直接影响到建筑物的稳定性和耐久性。
因此,严格的工艺流程技术对于确保干混砂浆产品的质量和性能至关重要。
在进行干混砂浆生产时,需要注意以下几个关键点:1. 原材料的质量控制:水泥、石灰、砂子等原材料的品质直接影响到砂浆产品的强度和耐久性。
因此,在选购原材料时,需要选择优质的供应商,严格按照配方要求进行原材料的配比和称重,并确保原材料的储存条件符合要求。
2. 混合工艺控制:混合过程中需要控制混合时间、混合速度和搅拌均匀度,在确保各种原料充分混合的同时,避免过度搅拌导致原材料的变质和水泥凝固。
3. 添加剂的使用:在干混砂浆生产中,通常会添加一些改性剂、粘结剂和保水剂等,以改善砂浆的流动性、粘结性和耐候性。
精准控制添加剂的用量和质量,是确保产品性能稳定一致的重要因素。
4. 包装和储存管理:包装过程需要保证砂浆的密封性和包装质量,避免受潮和污染。
干混砂浆的工艺流程干混砂浆是指由水泥、石灰、石膏和一定数量的骨料、填料以及特殊添加剂等原材料在工厂里进行干混,完成后成为一种适宜于使用的建筑砂浆。
干混砂浆在建筑工程中广泛应用,可以提高施工效率、保证工程质量、节省成本。
以下是干混砂浆的工艺流程。
1. 原材料加工1.1 石灰将质量合格的石灰经过分组后,进入石灰制备车间,经过石灰石的煅烧、破碎、研磨、筛分、称量等原材料加工过程,使其成为精制石灰粉。
1.2 水泥将质量合格的生料经过破碎、预热、分解、煅烧、冷却等工艺加工过程,制得水泥熟料。
经过适当比例的熟料磨料混合后,加入适量石膏,进行粉磨、筛分、包装等制备工艺过程,最终成为精制水泥粉。
1.3 骨料和填料骨料是主要从岩石中采取,在自然环境下发生的一种物理变化,经过多道工艺处理可制得质量合格的骨料。
填料则采用适合建筑砂浆配合比的原材料,如石粉、灰渣等。
1.4 特殊添加剂根据建筑砂浆的需要,加入适量的特殊添加剂,如防水剂、防火剂、抗裂剂、增强剂等。
2. 包装与储存经过原材料加工后,将各种原材料按砂浆配合比混合,进行包装。
包装方式为塑料包装袋,每袋净重25kg。
未包装的散装干混砂浆,应置于干燥、通风、遮阳、防潮的堆场或库房内。
在储存过程中应避免混合,同时应储存于通风良好的场地,以防止日晒、雨淋、泡水等现象。
3. 搅拌与制备3.1 搅拌设备搅拌设备应技术先进、管理规范、操作安全可靠,能够满足生产工艺和质量要求。
干混砂浆的常见搅拌设备有双轴强制式搅拌机、螺旋式搅拌机、高效研磨机等。
3.2 技术流程将25kg的干混砂浆加入搅拌机,按照需要的配合比加入清水,通过强制式搅拌或干拌法进行混合,直至得到质量符合要求的砂浆。
3.3 控制要点制备干混砂浆需要控制好各项工艺参数,如搅拌时间、水灰比、骨料沙率、严格按照配合比配料、机械能耗等,从而保证产品质量的稳定性和可靠性。
4. 成品包装经过制备后的干混砂浆充分干燥,经过粉碎、筛分等工艺处理后,用塑料包装袋包装。
目录令狐文艳一、编制依据---------------------------------------------2二、工程概况---------------------------------------------2三、施工安排---------------------------------------------4四、施工准备---------------------------------------------6五、施工方法---------------------------------------------8六、质量要求---------------------------------------------20七、安全文明施工-----------------------------------------27八、成品保护---------------------------------------------29九、主要管理措施-----------------------------------------30十、附图-------------------------------------------------35一、编制依据表1-1二、工程概况表2-1三、施工安排3.1施工部位及工期要求表3-13.2供应方式本工程全部采用商品混凝土,柱、梁、板、墙体采用泵送。
地下部分采用汽车泵浇筑。
首层及以上结构混凝土采用汽车泵或地泵浇筑。
泵管随结构施工同步升高,与顶板用架子管顶牢并加固。
泵送混凝土最大高度为22m。
根据施工工序及工期安排,混凝土浇筑尽量安排在白天进行,若混凝土浇筑量较大,白天不能浇筑完成不能留置施工缝时,现场管理人员分成两班,每班12小时,各专业有关领导及施工人员跟班作业,负责检查,同时做好各方协调工作。
3.2.1对原材料的要求表3-23.2.2配合比的主要参数要求3.2.2.1水灰比:控制在0.55以下。
干混砂浆工艺流程干混砂浆是一种先将水泥、砂子、填充料等原材料按一定比例混合,并在工厂进行干混搅拌的一种砂浆。
它广泛应用于建筑、道路、桥梁等工程领域。
下面介绍一下干混砂浆的工艺流程。
首先,根据所需砂浆的性能指标和施工要求,确定使用的原材料种类和比例。
一般情况下,水泥、砂子、填充料和添加剂是制作干混砂浆的主要原料。
然后,将水泥从仓库中取出,并根据需要的用量进行称重。
接着,将砂子也从仓库中取出,并进行筛分。
筛分的目的是去除砂子中的杂质和异物,确保砂子的质量。
在此基础上,将水泥和砂子按照一定的比例放入干混搅拌机中。
在搅拌过程中,可以适量添加一些填充料,如轻质骨料、纤维素或颗粒硅酸盐等。
这些填充料的添加可以改善砂浆的性能,并增加其强度和耐久性。
同时,根据需要,还可以添加一些添加剂,如减水剂、防水剂等。
这些添加剂的使用可以提高砂浆的流动性和工作性能,并增加其粘结力和耐水性。
搅拌过程中,一般会持续搅拌30分钟左右,直到混合均匀且成为具有一定粘度的砂浆。
最后,将搅拌好的砂浆装入袋子或桶中,储存或销售。
整个干混砂浆的生产过程中,需要严格控制原材料的比例和质量,确保砂浆的性能符合要求。
同时,搅拌的过程中,要保证搅拌均匀,使砂浆各组分充分混合,减少杂质的存在。
此外,根据不同的砂浆种类和用途,还可以调整原材料的比例和添加剂的使用量,以满足不同工程的需求。
总之,干混砂浆的生产工艺流程是根据一定的比例和标准将原材料进行筛分、配比、搅拌、装袋等一系列操作。
通过控制好每个环节,可以生产出质量好、性能稳定的干混砂浆,满足各种工程施工的需求。
抹灰工程操作规程令狐文艳范围本工艺标准适用工业与民用建筑的水泥砂浆、水泥混合砂浆等墙面、天棚一般抹灰。
当设计无具体要求时,外墙及厨厕墙面采用水泥砂浆,内墙及天棚采用水泥混合砂浆;并且按普通抹灰施工和验收。
2 施工准备2.1 主要材料和机具:2.1.1水泥:32.5及其以上硅酸盐水泥或普通硅酸盐水泥,颜色一致,宜采用同一批号的水泥,严禁不同品种的水泥混用。
水泥进场后应对水泥的凝结时间和安定性进行复验。
2.1.2 平均粒径0.35~0.5mm的中砂,砂颗粒要求坚硬洁净,不得含有粘土、草根、树叶、碱质及其它有机物等有害物质。
砂在使用前应根据使用要求过不同孔径的筛子,筛好备用。
2.1.3 石灰膏:应用块状生石灰淋制淋制时使用的筛子其孔径不大于3mm×3mm,并应贮存在沉淀池中的。
熟化时间,常温一般一少于是15d;用于罩面时间不应少于30d,使用时石灰膏内不应含有未熟化颗粒和其它杂质。
2.1.4 磨细生石灰粉:其细度过0.125mm的方孔筛,累计筛余量不大于13%。
使用前用水泡透使其充分熟化,熟化时间不少于3。
2.1.5 磨细粉煤灰:细度过来0.08mm的方孔筛,其筛余量不大于5%,粉煤灰可取代水泥来拌制砂浆,其最多掺量不大于水泥用量的25%,若在砂浆中取代白灰膏,最大掺料不宜大于50%。
2.1.6其它掺合料:107胶、外加剂,其掺入量应通过试验决定。
2.1.7 主要机具:搅拌机、5mm及2mm孔径的筛子、大平锹、小平锹,除抹灰工一般常用的工具外,还应备有;软毛刷、钢丝刷、筷子笔、粉线包、喷壶、小水壶、水桶、分格条、笤帚、锤子、錾子等。
2.2 作业条件:2.2.1 结构工程全部完成,并经有关部门验收,达到合格标准。
2.2.2 抹灰前应检查门窗的位置是否正确,与墙体连接是否牢固。
连接处和缝隙应用1:3水泥砂浆或1:1:6水泥混合砂浆分层嵌塞密实。
铝合金门窗框缝隙所用嵌缝材料应符合设计要求,并事先粘贴好保护膜。
gan hemt工艺流程干混砂浆(gan hemt)工艺流程那可真是个有趣的事儿呢。
一、原材料准备。
干混砂浆的原材料种类可不少哦。
就像沙子,这可是很重要的基础材料。
咱得找那种颗粒大小合适的沙子,太粗了或者太细了都不行。
太粗的话,砂浆抹起来不平整,太细呢,又可能会影响砂浆的强度。
还有水泥,这就像是干混砂浆的“胶水”,把各种材料黏合在一起。
水泥的质量那必须得把关好,要那种品质可靠的,这样才能保证干混砂浆的质量杠杠的。
另外,可能还会有一些添加剂,像保水剂之类的。
这些添加剂虽然用量不多,但是作用可大了呢。
就好比是做菜时候的调料,少了它们,这干混砂浆就少了点“味道”。
比如说保水剂吧,它能让砂浆保持一定的水分,不至于很快干掉,这样在施工的时候就方便多了。
二、配料环节。
这个环节就像是在厨房做菜搭配食材一样。
各种原材料按照一定的比例混合。
这比例可是经过很多次试验才得出来的呢。
要是沙子放多了,水泥少了,那做出来的干混砂浆可能就软趴趴的,没有足够的强度。
要是水泥放多了,成本又上去了,而且还可能会出现裂缝之类的问题。
在配料的时候,工人师傅得特别细心,用那些专业的设备精确地称量各种原材料。
这可不能马虎呀,就像我们在生活中,哪怕是做个小点心,配料比例不对,做出来的点心味道就不对,干混砂浆也是这个道理。
三、混合搅拌。
把配好的原材料一股脑儿地放进搅拌机里搅拌。
搅拌机就像一个大厨师在大力翻炒食材一样。
搅拌的时候,那些原材料就在里面欢快地翻滚着,互相融合。
搅拌的时间也很有讲究呢。
时间太短了,原材料还没有充分混合好,就像我们搅拌咖啡的时候,没有搅拌均匀,喝到嘴里就会有的地方甜有的地方苦。
干混砂浆要是搅拌不均匀,在使用的时候就会出现有的地方强度高,有的地方强度低的情况。
但是搅拌时间太长了也不行,可能会把一些原材料搅得太碎,影响整体性能。
四、包装储存。
搅拌好的干混砂浆就该包装起来啦。
就像我们把做好的小点心装到盒子里一样。
包装材料也得选好,要能保证干混砂浆在储存和运输过程中不会受潮或者漏出来。
预拌(干混)砂浆与现场自拌砂浆的比较一、令狐文艳二、预拌(干混)砂浆与传统砂浆的对应关系表三、预拌(干混)砂浆与现场自拌砂浆本质区别1.现场自拌砂浆(1)产品质量控制: 无专业实验室,砂浆配方取得不科学;砂浆生产过程缺乏监控,原材料质量及砂浆成品质量无保障;无专业计量设备,导致实际生产配方偏离大加上混合设备混合方式落后(多为搅拌机),砂浆质量无法始终如一;基本不掺外加剂(掺外加剂的,品种选择也不一定对),无法根据现场施工需要配制专用砂浆。
(2)砂浆施工性能:和易性差,施工性不好;无法进行机械化施工,只能手工施工,导致施工效率低下,是建筑业走向现代化的巨大障碍;砂浆质量不稳定,导致空鼓、色差、开裂等现象随处可见。
(3)施工环境:材料露天堆放,占地面积大,灰砂扬尘无法控制,无法真正做到文明施工;现场搅拌数量难控制,浪费大,不利于建设节约型社会。
2.预拌(干混)砂浆(1)产品质量控制:专业实验室(配备专业技术人员和实验设备)提供精确砂浆配方,并对砂浆生产进行全过程监控,生产所用原材料及出厂产品质量有保障;工厂化生产(专业计量设备、混合设备)能确保砂浆质量始终如一;专业外加剂配制专用砂浆,完全符合现场施工需要。
(2)砂浆施工性能:和易性好,易于施工;砂浆质量稳定可靠,可基本杜绝常见的空鼓、色差、开裂等砂浆“病”;适宜于机械化施工可大幅提高施工效率。
(3)施工环境:密封运输、密封储存,杜绝“滴跑漏冒”;精确搅拌使用,用多少搅多少,绝无浪费;无须材料堆场,占地面积小,真正做到文明施工。
四、预拌(干混)砂浆给工程带来的隐形效益1、给建设单位带来的效益(1)提高施工单位的施工效率,从而缩短整个工程的施工周期,即可以让建设单位早日得到投资收益,并减轻相应的财务负担。
(2)预拌(干混)砂浆的使用可以让建设单位对建筑材料的资金用量更加容易把握,即资金用在明处,用的放心。
(3)使用预拌(干混)砂浆可以减少抹灰层厚度,即可减少建筑物结构自重,也可增加建筑物使用面积(0.5%~1%),增加单位建筑面积收益。
干混砂浆工艺流程干混砂浆工艺流程包含以下几个步骤:成分筛选、原料配比、原料混合、加水调制、混合搅拌、储存和使用。
首先,在干混砂浆工艺流程中,需要进行成分筛选。
根据具体需求,选择适合的砂、水泥、粉煤灰、矿渣粉等原材料。
这些原材料应具备一定的强度、粘结力和流动性。
接下来是原料配比。
根据砂浆的强度等要求,按照一定比例进行原料配比。
不同的工程需要使用不同配比的原料,因此需要根据具体情况进行调整。
然后是原料的混合。
将砂、水泥等原料放入混合机中,利用机械力和重力的作用,使各种原料充分混合。
这样可以提高砂浆的均匀度和稳定性,并确保各种原料的充分接触和反应。
接下来是加水调制。
根据配比的要求,将适量的水加入到原料混合物中。
水的加入会导致砂浆的流动性增加,同时也可以使粉状材料更好地溶解和分散。
加水调制需要控制好水的用量,以保证砂浆的质量和稳定性。
接下来是混合搅拌。
将加水调制好的原料放入搅拌机中进行混合搅拌。
搅拌机的转速和时间需要根据具体情况进行调整,以获得适合的砂浆质量。
在混合搅拌的过程中,砂浆的流动性和均匀度会得到进一步的提高。
最后是砂浆的储存和使用。
混合好的砂浆需要进行储存,并在需要的时候进行使用。
储存期间,需要注意保持砂浆的湿润和稳定,以防止干燥和变质。
在使用时,将砂浆倒入施工现场,并根据具体施工要求进行铺设、抹平等操作。
综上所述,干混砂浆工艺流程包括成分筛选、原料配比、原料混合、加水调制、混合搅拌、储存和使用。
通过科学的工艺流程和严格的质量控制,可以获得稳定、均匀、高强度的砂浆。
这种干混砂浆广泛用于建筑、装修等领域,提高了施工效率和工程质量。
令狐文艳创作
干混砂浆生产工艺流程
令狐文艳
干混砂浆生产是各种原材料在干燥, 松散的状态下处理的. 这些原材料统称为散体物料, 具体指的是粉状, 颗粒状松散堆积的材料. 在建筑材料干混砂浆中常用的颗粒直径为0-5毫米.
1.1工艺流程技术
干混砂浆工业技术的基础是力学工艺流程技术(mechanische Verfahrenstechnik/mechanical processing technique). 它是针对不同物料的特性要求相适应的基础处理方法和机器设备. 就散体物料而言, 其基本的处理工艺有
储存
输送, 提升
分级筛分
均匀混合
计量称着
破碎, 碾磨
分离
清洗
烘干(涉及热力学处理工艺)
各种物料的特性研究和描述是散体物料力学(Schuettgutmechanik/Bulk solids mechanics)的范畴, 它是力学工艺流程技术的理论基础. 散体物料和流体, 固体不一样, 有许多特异的性能如砂对筒仓壁面产生的压力和液体不一样. 它不会直线增加. 到目前为止, 散体物料力学还是半经验科学, 主要是采用试验手段, 通过相似力学, 统计学和数学建模来描述其特性和工程. 现代计算机的高速发展也给其研究提供了新的方法, 如散体颗粒采用随机过程力学模型的计算模拟固-气两相管流等.
1.2干混砂浆的散体物料特性
在干混砂浆中用到的许多不同的散体材料, 其中以下的的物理特性对于工艺和设备选型非常主要:
- 流动性
- 流化性
- 固体密度和散装密度
- 颗粒大小和分布
- 颗粒的形状
- 磨损性
这些特性决定着在干混砂浆生产工艺流程及方案的设计, 设备的选型, 比如干砂机,筛分机的选型, 物料的输送, 料仓卸料是否顺利, 结桥如何处理,计量装置中如何考虑解决时压效应给计量精度带来的负作用. 除此之外, 考虑干混砂浆中常常加入纤维如何分散, 包装机的选型等等.
首先我们谈谈原材料中的骨料之一的砂石,大多数干粉产品其含砂量达60%至80%,所以它来源和成分以及物理特性不但对最终产品的质量是否符合规定合要求,同时对生产设备的设计和
选型, 以及后续的应用施工比如机械化施工中产生的磨损,压力损失均有不可低估的影响.
a) 集料
砂石骨料主要是石英砂,河砂,破碎的石灰石等. 在使用前必须检验其杂质含量及颗粒大小分布,含杂质的砂必须冲洗烘干;其最后的湿度必须小于0.5%.烘干好的,干燥的河砂粗砂(d>1.0 mm)流动性比较好, 砂的颗粒形状为园角, 堆积角度小. 这些特性除对最终产品本身的影响外, 还对干燥机和筛分机的选型和设计都有重要影响. 此外, 这类砂做成的干混砂浆施工性能好, 在后续的施工机器的水灰均混, 泵送和喷涂时比机制砂要好. 在作配方试验应检验其粒径分布曲线,而且尽可能使用生产筛分机筛分的砂石,避免配方误差.
b) 胶结材料和填料
其次是胶结材料和填料.胶结材料的作用是将砂之内颗粒粘在一起,凝固后产生一定的强度. 如前面所列举的胶结材料主要有水泥,石膏,石灰,等. 使用不同胶结材料会直接影响成品的性能如防水, 收缩, 强度等. 所以, 对其品质必须进行进厂检验, 以保证和在实验室所作配方要求一致. 对白水泥还要求进行色度检验. 石灰石粉, 粉煤灰(有活性)等主要用来作填料. 这些粉状的材料大多数流动性比干燥的砂差, 而且具有时效性, 如在流化状态不同的情况下其散体密度和时间相关, 流动性由于时效性在不同的压力下而不同. 这些特性在筒仓的设计, 计量输送螺旋的设计以及工艺上要求的清洗要特别考虑.
c) 轻质骨料
还有一类轻质骨料如膨胀珍珠岩, 发泡EPS颗粒, 蛭石, 发泡微珠等, 它们的特性主要是容重, 传热系数,颗粒大小, 强度, 吸水性等. 由于这些特性使得其计量方式更复杂一些, 比如通常需要附加体积计量称. 对混合机的要求和动力参数也不一样. 例如膨胀珍珠岩易碎, 在工艺上要尽可能避免多余的环节, 混合时间不易过长. 在使用发泡EPS颗粒时注意其颗粒形状和大小分布, 选用合适的包装, 避免离析.
d) 化学添加剂
干混砂浆中使用的高效化学添加剂如高分子聚合物等均以微量加入. 它极大地提高了最终产品的性能, 还可以增加新的功能, 扩大了应用范围.市面上化学添加剂有两种形式:固体粉末状的和液体的. 液体添加剂必须以喷雾式加入搅拌. 添加剂是以微量来进行计量的,通常是以一比一千至万的数量级的比例进行混合. 所以计量和搅拌的精确均匀是非常关键的. 除上面提到的特性外, 添加剂的使用要考虑温度. 要在添加剂供货商给定的工作温度范围内使用包括储运等环节. 添加剂的流动性较差, 和工作温度有关.
e) 颜料和纤维
我们所看见的那些绚丽多彩,富有个性建筑物要用到的彩色装饰干粉产品.在复合配制这些干粉时主要使用对人体无害,自然的矿物颜料粉末.质量好的颜料颗粒微小均匀.所以颜料粉末颗粒吸附在一起,必须使用特殊的搅拌方法使之均匀分散在其他骨料颗粒上,形成鲜艳的色彩. 这里人们使用高速刀片混合技
术, 还能节省颜料. 高速刀片还可以用来分散纤维. 人们使用耐碱纤维来增强产品的抗裂强度. 在不适当地使用纤维和工艺欠缺时, 会产生如料仓堵塞, 纤维结团等影响生产和质量的严重问题.
1.3 干混砂浆生产基本工艺流程
干混砂浆的生产过程主要分三部分:
1) 砂预处理包括采石场,破碎,干燥,(碾磨),筛分,储存. 若有河砂,则只须干燥,筛分. 然后
a) 砂仓储。
b)
胶结料,填料以及添加剂的仓储
2) 配料计量称重
3) 高效均匀混合
4) 包装和/或散装.
5) 全自动过程电脑控制系统
原材料对干粉产品的质量有至关重要的影响.按使用要求不同,需要哪些原材料和对这些原材料的要求也有所不同.
图 错误!文档中没有指定样式的文字。
1干混砂浆基本工艺流程
干粉料生产厂按要求及市场不同有不同方案. 常用的是塔式工艺布局,将所有预处理好的原料提升到原料筒仓顶部,依靠原料自身的重量自然从料仓中流出,经称量、配料、混合、包装等工序后成为最终产品。
全部生产是在现代化的微机控制系统操作下完成的. 操作人员只要指定产品的类型与数量,其余操作全部由控制系统自动完成,无需人工干预。
全部采用密闭的
生产系统设备,不但现场清洁,无粉尘污染,保证了工人的健康. 设备为模块式结构, 生产容量能和市场的发展相衔接、配料精度高, 使用灵活和便于扩展等优点.
1.4流程工艺要求
工艺方案的设计和众多因素有关, 首先是投资者选择的市场, 通过市场分析导出市场定位和产品纲领, 然后确定前期的主要产品, 综合为商务参数. 接下来是具体的工艺参数. 从而导出相应的具体工艺要求:
-原材料 (堆放, 湿度, 温度, 干燥度, 颗粒度, 流动性, 时效性, 磨损性, 腐蚀性)
-仓储要求(体积, 高度, 可靠性(破拱要求), 安全性)
-输送过程(可靠性, 安全性, 密封要求, 除尘要求, 经济性) -产品质量要求(计量, 混合精度要求, 物料污染许可度)
-机器设备(自动化程度, 实用性, 维护性, 培训要求, 使用可靠性)
-场地条件(劳力, 高度限制, 地质条件, 环保要求, 交通状况)
这些将影响干混砂浆生产线的整体和各环节的工艺过程参数的确定和设备的正确选型. 正确适合的方案工艺设计在保证产品质量可靠安全的生产, 同时可以避免后遗症(如多余的设备, 多余的处理, 错误的工艺顺序造成拆了重建等等), 扩充时对现有生产不影响或较少影响, 节省造价(比如尽可能将钱化在刀刃, 设备部件, 元器件等, 尽可能降低基础建设等). 同样, 正确的设备选型和优化的设计即可以保证工程质量, 还可以节省大量资金.
1.5产品结构和方案
选择产品结构当然首先应考虑市场的需求.选择国家鼓励提倡的产品. 以下我们考虑其中的几个典型的产品方案.
(一) 墙体隔热复合系统建筑干粉系列
商品干混砂浆率先在上海市推广使用. 为了使干混砂浆相对现场搅拌砂浆有竞争力, 在满足砂浆标准的前提下, 开发应用了一种称为商品砂浆稠化粉的复合材料. 砂浆在生产中由水泥, 干砂, 粉煤灰或钢渣粉加稠化粉混合而成. 这样的干混砂浆视强度等级不同在上海的销售价格约230-280元/吨.
商品干混砂浆指的是砌筑, 抹灰和地坪砂浆不同的强度等级. 所有的原材料均为散装供应. 普通砂浆的量的比例占整个干混砂浆材料的80%, 所以其商业理性模式是: 大量+散装.
考虑国情以及最简单的管理, 推广商品砂浆的合理方案是专题产品方案, 即设计最适合作普通砂浆的设备, 做单一的, 专业的, 好的产品.
(二) 墙体隔热复合系统建筑干粉系列
墙体隔热复合系统建筑干粉系列是高附加值的技术产品. 不认是在旧房改造, 还是在建筑新房, 其隔热节能效果超过50%.聚合物改良水泥基保温板粘结干粉尚在推广中, 其市场前景十分看好. 尤其在北方地区迫切需要. 墙体隔热复合系统建筑干粉系列主要包括:
•基体预处理干粉(找平, 改善基体表面吸附性等)
•保温板粘结和加固干粉
•保温板(发泡聚苯乙烯板, 岩棉保温板等)•加固玻璃纤维网格
•表面防水彩色装饰干粉。