监理企业信用评价表格
- 格式:xls
- 大小:45.00 KB
- 文档页数:6
房屋建筑和市政基础设施工程监理企业不良信用信息记分记录
表
以下是房屋建筑和市政基础设施工程监理企业不良信用信息记分记录表的一种示例,具体内容可以根据实际情况进行修改和补充:
---------------------------------------------------------------------------------------------
不良信用信息记分记录表
企业名称:______________
序号记录时间不良信用信息内容记分
1. 日期1 内容1 3分
2. 日期2 内容2 2分
3. 日期3 内容3 4分
4. 日期4 内容4 1分
5. 日期5 内容5 5分
... ... ... ...
总计得分:(根据总分计算企业信用等级)
说明:
1. 根据不良信用信息的严重程度,每条记录分别记分,分值可以根据实际情况进行设定;
2. 记录时间为企业不良信用信息发生时间;
3. 不良信用信息内容包括但不限于:违反合同约定、严重拖延工期、施工质量不合格等;
4. 根据企业不良信用信息的总得分,可以计算企业的信用等级,例如:总得分小于10分为优秀信用等级,10-20分为良好信用等级,20-30分为一般信用等级,30分以上为不良信用等级。
---------------------------------------------------------------------------------------------
请注意,以上仅为一种示例记分记录表,具体的内容和记分标准可以根据实际需要进行修改和调整。
在实际使用中,可以根据监理企业的经营情况和管理要求进行定制,以便更好地记录和评估企业的不良信用信息。
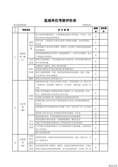
二、现场监理部履职情况(50分)监理资料1、未建立项目监理资料档案的,扣2分;检查情况:2、监理资料以《建设工程监理规范》等相关技术规范、标准规定的内容为准,具体以《建设工程监理服务指南》中35项工作内容为主,每缺少1项扣0.5分;每项资料不完整的,扣0.1分。
其中:按规定会审施工图;审查施工组织设计;审查施工质量和安全生产保证体系、施工(含分包)单位及人员资格条件;审查开工安全生产条件、日常检查与处理重大危险源等资料;每缺1项扣1分;每项资料不完整的,扣0.5分现场监理部人员1、总监及总监代表按规定资格不符合要求的,扣2分;检查情况:2、现场监理部人员配备不足的,每人次扣1分;3、每发现一名专监无省级以上注册监理工程师证的扣1分;每发现一名监理员无省建设监理协会颁发的监理员证或其他有效证件的扣1分;4、监理部人员与投标文件不一致,无变更手续的每人次扣1分;5、每发现一人无劳动合同或无社保参保证明的扣0.5分。
现场监理部从业人员履行职责情况一1、现场监理部工作分工不明确的,以及对履行推进安全质量标准化、监督规范化的职责分工未做明确要求的,每项扣1分;检查情况:2、每发现一起现场监理部签认、审核、验收等工作不及时,扣2分;3、每发现一起资料不符合有关规定及不真实的扣2分;4、总监及总监代表履职不到位的扣2分;每发现一名专监履职不到位的扣1分;每发现1名监理员履职不到位的扣1分;5、每发生一起投诉经查实的扣2分现场监理部从业人员履行职责情况二1、未按规定会审施工图纸的扣2分;检查情况:2、未按规定对施工(含分包)单位资质资格条件进行审查的扣2分;对人员资格查验不到位的,每人次扣0.5分;3、未结合监督规范化,严格审查施工(含分包)单位人员到岗和履职、项目安全防护文明施工措施费用拨付及使用、施工现场保证质量和安全生产基础条件、重大危险源识别和控制管理等情况的,每项次扣2分;4、未按规定积极配合执行安全质量标准化、信息化的,每发现一次(项)扣2分;其他工作未按规定开展的扣1分。
附表1:水务施工企业质量安全管理评价得分汇总表1、填表阐明:2、本表中各分项评价得分①为施工企业质量、安全管理评价表中得分值;3、实得分③=参评各分项评价得分①*权重值②附表2:水务监理企业质量安全管理评价得分汇总表1、填表阐明:2、本表中各分项评价得分①为监理企业质量、安全管理评价表中得分值;3、实得分③=参评各分项评价得分①*权重值②附表3: 水务施工企业质量管理评价表填表阐明: 1.本表总分满分值为100分, 缺项评价对应扣分分值栏须填写“/”。
2.工作质量、档案两部分计分阐明:⑴无缺项时, 评价得分③=(100-各项目扣分小计②)*权重值①, 实得分=评价得分;⑵表中各项目分项若有缺项时, 该项目评价得分③=(100-缺项各分项最多扣分值之和-扣分小计)*权重值①, 实得分=评价得分/(100-缺项各分项最多扣分值之和)*100⑶扣分分值为“0”时, 也须填写清晰“0”。
3、实体质量部分计分阐明:实体质量部分实得分为附表7中总实得分。
4.若“项目及权重值①”栏中无缺项时, 合计分为工作质量、档案和实体质量三部分实得分之和;有缺项时, 合计分=各项实得分之和/(100一缺项权重×100) ×100。
附表4: 水务监理企业质量管理评价表填表阐明:1.本表总分满分值为100分。
扣分分值为“0”时, 也须填写“0”;缺项评价对应扣分分值栏须填写“\”;2.本次评价实得分计算:没有缺项时, 本次评价实得分=评价得分总计;遇有缺项时, 本次评价实得分=[评价得分总计/(100-缺项各分项满分分值之和)]×100。
附表5: 广州市水务施工企业诚信评价项目安全文明施工评分表填表阐明:1、表中分项总分为100分, 子项扣分分值为“0”时, 填写“0”, 缺项填写“/”;2.表中各项目评价得分③=(100-各分项扣分小计②)*权重值①;3、表中各项目分项若有缺项时, 该项目评价得分③= 参评各分项评价得分之和②/(100-缺项各分项最多扣分值之和)*100*权重值①附表6: 广州市水务监理企业诚信评价项目安全文明施工评分表填表阐明:1、表中分项总分为100分, 子项扣分分值为“0”时, 填写“0”, 缺项填写“/”;2.表中各项目评价得分③=(100-各分项扣分小计②)*权重值①;名称: 施工单位名称:填表阐明:1.本表满分为100分, 缺项分部实得分栏必须填写“/”;2、本表中各分部(分项)实得分数应按对应附表评价实得分:3.本表实得分=参与评价各分部(分项)实得分数之和/参与评价分部个数附表7-1: 地基基础评价表1.本表总分满分值为100分。
附件1信用评价信息分项明细表评价期间:2019年1月1日至2019年6月30日填表日期:年月日部门负责人(签字):说明:1、此表“评价标准”中的“项目”、“分值”和“序号”应与《关于做好2019年上半年南京市建设工程监理企业信用评价工作的通知》中“南京市建设工程监理企业信用评价标准”中的“项目”、“分值”和“序号”一致;2、发生时间请用“年-月-日”格式,例如行为发生时间为2019年6月30日,表中用“2019-06-30”表示;3、“填报部门”,各部门(科室)上报时只需要填写第一行;4、市场处联系方式: 83278264 930783542@- 4 -附件:2关于信用评价标准中有关事项的说明一、关于信用评价标准中评价信息有效期的说明加分信息有效期,原则上与加分事项发文或确认周期一致,一般情况为一年;扣分信息有效期,原则上与加分信息有效期匹配。
二、各项评价标准中,评价主体均分为多个层级,即:国家级、住建部级、省级、市级、区级,所有园区参照区级参评。
有特殊说明的国家级、省级、市级按照具体评价标准条款执行。
三、各项评价标准未尽解释和说明处,可直接咨询各标准制定部门。
四、企业业绩以企业上报且被确认的业绩为准。
五、信用评价考评企业以评价期未持有有效信用手册的企业为准。
附件3南京市建设工程监理企业信用评价标准(市场,30分)南京市建设工程监理企业信用评价标准(质量,30分)南京市建设工程监理企业信用评价标准(安全,30分)注:所有扣分项均作累计扣分。
南京市建设工程监理企业信用评价标准(业绩,5分)南京市建设工程监理企业信用评价标准(在监理行业中的信誉度,5分)注:在监理企业信用评价中引入了社会各方参评机制,我委委托南京建设监理协会负责采集社会各方对监理企业的其他评价信息,依据监理企业在行业中的信誉度作出信用评价,评价分为A、B、C、D、E共5个等级,对应得分分别为5、4、3、2、1分。
由南京建设监理协会负责归集、汇总、测评评价打分后加权平均计算得分。
附件2:安徽省水利工程建设施工监理企业信用评价报告格式二企业信用评价报告(合同履行部分)申报单位: (盖章)通讯地址:邮编:企业法定代表人: (签章)联系人:联系电话(手机):E-mail:传真:申报日期:2009年月日目录一、安徽省水利工程建设施工监理企业项目(合同)信誉评价表二、安徽省水利工程建设施工监理企业分项目(合同)信誉评价情况汇总表三、附件《各工程项目(合同)信誉评价报告》总表2安徽省水利工程建设施工监理企业项目(合同)信誉评价表总表3安徽省水利工程建设施工监理企业分项目(合同)信誉评价情况汇总表附件:编号工程项目(合同)信誉评价报告申报单位:(盖章)通讯地址:邮编:企业法定代表人:(签章)联系人:联系电话(手机):E-mail:传真:申报日期: 2009 年月日(注:应按项目单独装订成册(报告封面“编号”同附件二总表3序号。
))说明一、《项目(合同)信誉评价报告》评价的项目为,甲级、乙级、丙级监理资质的企业在2007年、2008年度在建或完成的合同价款分别超过30、10和5万元的所有水利基建项目。
二、安徽省水利工程建设施工监理企业项目(合同)信誉评价表1、各市(含县区)组织实施的水利水电工程,施工监理企业应将项目法人复评意见报各市水利(水务)局审核.2、省水利厅、流域机构直接组织实施的水利水电工程,市水利(水务)局审核得分栏同项目法人复评得分,并在备注栏注明“厅直”、“淮委"、“长委”。
3、报告中资料的完整性、概况、存在的主要问题、整改措施有缺项或分析不够到位的,酌情给予扣分。
三、安徽省水利工程建设施工监理企业信用评价评分表1、评分说明栏监理企业填写内容系按扣分标准设定,达到评分标准的相关内应在“—-"处填“/”或“0”;2、备注栏中“本指标要求提供的主要背景材料目录”所列内容是对企业提交资料的基本要求,所有与本次评价有关的监理与被监理单位相应资料监理企业均应收集齐全备查.3、本指标要求提供的主要背景材料应在自评工作完成后即整理完毕,以备复评、审核、复核阶段查阅。
附件1 吉林省建设工程监理企业综合信用评价
申 请 表
企业名称(盖章): 申请日期: 年 月 日
吉林省住房和城乡建设厅制 一、企业基本情况表 企业名称 法定代表人 通信地址 邮政编码 办公场所 (平方米) 电子邮箱
工商 营业执照
注册号 注册资金(万元) 最近一次年审 时间 结论
注册地址
监理资质 资质类别 资质等级
2017年 监理业绩
监理工程项数 监理合同额
监理工程质量 合格 (项) 不合格 (项) 现有 注册人员
总注册人次 注册监理师
其他注册
师
持省级证书 高级 人,中级 人,初级 人
社会信誉 获奖情况
惩戒情况 监理统计报表情况
自评得分 扣分项目 二、企业信用等级申请审批表 企业申请 本企业根据自评情况,申请信用等级为:□A □B □C □D 企业法定代表人(签字): 企业签章:
市级住房 城乡建设 部 门 初审意见
按照《吉林省建设工程监理企业和人员信用评价管理规定》审查,该企业符合□A □B □C □D信用等级条件,同意上报评定。
审查人(签字): 市级住房城乡建设主管部门(签章) 年 月 日
省建筑工程质量监督站 评定结论 根据企业申请材料和市级住房城乡建设主管部门初审意见,按照《吉林省建设工程监理企业和人员信用评价管理规定》,该企业信用等级评价结果为□A □B □ C □D,予以公示。 审查人(签字):
吉林省建设监理协会(签章) 年 月 日 附件2: 吉林省建设工程监理企业综合信用评价标准
指标类别 评价内容及评分标准 核查内容 分值 扣分 得分 备注
企业 资格和素质 (20分)
企业上一年度内监理工程业绩满足经营发展,财务审计报告中的利润额为正值的,得1分;否则0分。 企业财务审计报告 1
企业技术负责人从业经历达到规定年限或资格达标的,得2分;否则0分. 毕业证书、职称证书 2
企业具有固定办公场所的,得1分;否则0分。 房屋产权证或租赁合同 1
企业按规定及时办理资质证书延续及有关内容变更手续、注册人员证书延续及变更手续,得2分;否则0分. 企业资质证书、国家注册人员证书 2 不符合资
附件1信用评价信息分项明细表评价期间:2019年1月1日至2019年6月30日填表日期:年月日部门负责人(签字):说明:1、此表“评价标准”中的“项目”、“分值”和“序号”应与《关于做好2019年上半年南京市建设工程监理企业信用评价工作的通知》中“南京市建设工程监理企业信用评价标准”中的“项目”、“分值”和“序号”一致;2、发生时间请用“年-月-日”格式,例如行为发生时间为2019年6月30日,表中用“2019-06-30”表示;3、“填报部门”,各部门(科室)上报时只需要填写第一行;4、市场处联系方式: 83278264 930783542@- 4 -附件:2关于信用评价标准中有关事项的说明一、关于信用评价标准中评价信息有效期的说明加分信息有效期,原则上与加分事项发文或确认周期一致,一般情况为一年;扣分信息有效期,原则上与加分信息有效期匹配。
二、各项评价标准中,评价主体均分为多个层级,即:国家级、住建部级、省级、市级、区级,所有园区参照区级参评。
有特殊说明的国家级、省级、市级按照具体评价标准条款执行。
三、各项评价标准未尽解释和说明处,可直接咨询各标准制定部门。
四、企业业绩以企业上报且被确认的业绩为准。
五、信用评价考评企业以评价期未持有有效信用手册的企业为准。
附件3南京市建设工程监理企业信用评价标准(市场,30分)南京市建设工程监理企业信用评价标准(质量,30分)南京市建设工程监理企业信用评价标准(安全,30分)注:所有扣分项均作累计扣分。
南京市建设工程监理企业信用评价标准(业绩,5分)南京市建设工程监理企业信用评价标准(在监理行业中的信誉度,5分)注:在监理企业信用评价中引入了社会各方参评机制,我委委托南京建设监理协会负责采集社会各方对监理企业的其他评价信息,依据监理企业在行业中的信誉度作出信用评价,评价分为A、B、C、D、E共5个等级,对应得分分别为5、4、3、2、1分。
由南京建设监理协会负责归集、汇总、测评评价打分后加权平均计算得分。