常见告警汇总
- 格式:xls
- 大小:25.50 KB
- 文档页数:2
SDH常见告警及处理故障定位关键是:将故障点准确地定位到单站。
故障定位的一般原则可总结为四句话:先外部,后传输;先网络,后网元;先高速,后低速;先高级,后低级。
故障定位的一般原则可总结如下:先定位外部,后定位传输在定位故障时,应先排除外部的可能因素,如光纤断,对接设备故障或电源问题等。
先定位网络,后定位网元在定位故障时,首先要尽可能准确地定位出是哪个站的问题。
先高速部分,后低速部分从告警信号流中可以看出,高速信号的告警常常会引起低速信号的告警;因此在故障定位时,应先排除高速部分的故障。
先分析高级别告警,后分析低级别告警在分析告警时,应首先分析高级别的告警,如紧急告警、主要告警;然后再分析低级别的告警,如次要告警和提示告警。
一、紧急告警类1、R_LOS 告警表示接收线路侧信号丢失(Receive loss ofsignal),为紧急告警,SL16板会上报此告警。
告警原因●断纤;●线路衰耗过大;●本板接收方向故障;●对端站发送部分故障,线路发送失效;●对端站交叉时钟板故障或不在位。
处理步骤:●如果相邻两端的线路板同时告R-LOS,用网管查询发射光功率正常,则应该为光缆故障。
●检查对端光板发射功率是否正常,如果不正常,更换线路板●清洁本站尾纤接头和线路板接收光口,查看告警是否排除●用光功率计检查本站光接收是否正常,如果正常,更换线路板●检查本站的法兰盘和光衰减器是否连接正确,光衰减器的衰减值是否过大。
正确使用法兰盘和光衰减器后,查看告警是否排除。
R_LOS告警为高级告警,跟随它出现的会有R_LOF、APS_INDI、AU_AIS、MS_AIS,往往处理完R_LOS告警后,跟随它出现的许多告警会随着消失。
2、BUS_ERR. 概述BUS_ERR告警表示总线错误告警(Bus error),为紧急告警,GXCS,EXCS板会上报此告警。
告警原因交叉芯片损坏;线路板到交叉板的母板总线坏。
处理步骤危险:如果交叉时钟没有热备份,复位、更换该单板,会导致业务中断,属危险操作。
华为SDH故障1.1 R_LOS告警名称或故障现象:R_LOS告警表示接收线路侧信号丢失(Receive loss of signal),为紧急告警。
告警产生原因:1、断纤;2、线路衰耗过大;3、本板接收方向故障;4、对端站发送部分故障,线路发送失效;5、对端站交叉时钟板故障或不在位。
告警处理方法:1、现场用光功率计检测告警单板的接收光功率是否正常。
如果接收光功率正常,请转至步骤8。
2、检查光缆是否有故障,排除光缆故障后,查看告警是否排除。
3、清洁本站尾纤接头和线路板接收光口,查看告警是否排除。
4、检查本站的法兰盘和光衰减器是否连接正确,光衰减器的衰减值是否过大。
正确使用法兰盘和光衰减器后,查看告警是否排除。
5、用光功率计检查对端站的发射光功率是否正常,如果发射光功率不正常,更换线路板。
6、如果发射光功率正常,清洁对端站的尾纤接头,查看告警是否排除。
7、检查对端站的法兰盘和光衰减器是否连接正确,光衰减器的衰减值是否过大。
正确使用法兰盘和光衰减器后,查看告警是否排除。
8、更换本站上报告警的线路板,查看告警是否排除。
9、更换对端站的线路板,查看告警是否排除。
1.2 R_LOF、R_OOF告警名称或故障现象:R_LOF告警表示接收线路侧帧丢失(Receive loss of frame),为紧急告警。
告警产生原因:1、接收信号衰减过大;2、对端站发送信号无帧结构;3、本板接收方向故障。
告警处理方法:1、在网管上查看是否有高级别的R_LOS告警,优先处理这些高级别告警后,查看告警是否排除。
2、检测告警单板的接收光功率是否正常。
如果接收光功率正常,请转至步骤9。
如果收光不正常,让现场定位衰耗点在机房内还是在线路上,如果在线路上,转至步骤8。
3、清洁本站尾纤接头和线路板接收光口,查看告警是否排除。
4、检查本站的法兰盘和光衰减器是否连接正确,光衰减器的衰减值是否过大。
正确使用法兰盘和光衰减器后,查看告警是否排除。
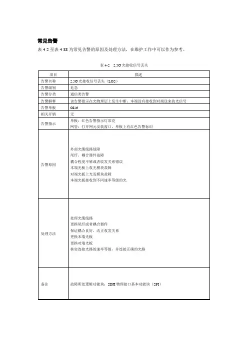
常见告警表4-2至表4-88为常见告警的原因及处理方法,在维护工作中可以作为参考。
表4-2 2.5G光接收信号丢失表4-3 622M光接收信号丢失表4-4 155M光接收信号丢失表4-5 140M电信号丢失表4-6 45M电信号丢失表4-7 34M电信号丢失表4-8 2M电信号丢失表4-9 CV性能超值表4-10 帧丢失表4-11 不可用时间开始(再生段)表4-12 B1 UAS性能超值表4-13 帧失步表4-14 OFS性能超值(OFS:帧失步秒)表4-15 再生段信号劣化表4-16 B1 SES性能超值表4-17 B1 ES性能超值表4-18 B1 BBE性能超值表4-19 复用段告警指示信号表4-20 不可用时间开始(复用段)表4-21 复用段远端缺陷指示表4-22 B2 UAS性能超值表4-23 B2 FEUAS性能超值表4-24 复用段信号劣化表4-25 B2误码过限表4-26 B2 SES性能超值表4-27 B2 FESES性能超值表4-28 B2 ES性能超值表4-29 B2 FEES性能超值表4-30 B2 BBE性能超值表4-31 B2 FEBBE性能超值表4-32 复用段保护倒换事件表4-33 AU4通道告警指示信号、不可用时间开始表4-34 AU4指针丢失表4-35远端缺陷指示(高阶VC4通道虚容器)表4-36 B3 UAS性能超值(高阶VC4通道虚容器)表4-37B3 FEUAS性能超值(高阶VC4通道虚容器)表4-38 复帧丢失(高阶VC4通道虚容器)表4-39 VC4高阶通道信号劣化表4-40 B3 SES性能超值(高阶VC4通道虚容器)表4-41 B3 FESES性能超值(高阶VC4通道虚容器)表4-42 B3 ES性能超值(高阶VC4通道虚容器)表4-43 B3 FEES性能超值(高阶VC4通道虚容器)表4-44 B3 BBE性能超值(高阶VC4通道虚容器)表4-45 B3 FEBBE性能超值(高阶VC4通道虚容器)表4-46 VC4高阶通道未装载表4-47 VC4高阶通道跟踪标识失配表4-48 VC4信号标识失配表4-49 VC4高阶通道净荷失配表4-50 AU4 PJE+性能超值、AU4 PJE-性能超值表4-51 AU4保护倒换事件。
NOKiA 常见告警列表1252--数据连接错误率过多--EXCESSIVE ERROR RATE ON DATA LINK CONNECTION--不通知1569--安全报告达到临界极限--CRITICAL LIMIT IN SECURITY REPORTING REACHED--不通知2007--文件更新到备份储存器失败--FILE UPDATING ON AUXILIARY STORAGE IS NOT PROCEEDIN--通知(用DUQ查询是否更新成功,0为正常)2015-- MB单元通讯错误--MB COMMUNICATION ERROR--通知2017--文件分配错误--FILE DISTRIBUTION ERROR--不通知2018--标志池满--DYNAMIC FLAGPOOL FULL--如果附加信息为告警号0003、0004、0026、0691、0860、1001、1007、1014、1016、1020、1023、1024、1071、1072、1078、1559,1571、1645、1677、1860引起的告警,立即通知话务室,其他不通知(由附加信息第一项的告警产生过多引起,一般不会自动消失,需手动清除)2039--ET时钟失败--ET CLOCK FAILURE--通知2054--CHECKSUM ERROR IN BOOT PROM--通知2055--VANG FAILURE--通知2056--CHECKSUM ERROR IN VANG SAMPLE--不通知2064--ROUTE SEA无效--ROUTE SET UMAVAILABIE--通知---用NRI指令查看路由状态,正常状态为AV-EX或AV-SP2068--文件分配失败--FILE DISTRIBUTION FAILURE2069--信令检验失败--SIGNALLING LINK TEST FAILED--通知(一般由传输环路引起)---用NEL指令查LINK状态2070--LINK SET异常--LINK SET UNAVAILABLE--通知---用NSI指令查看状态,正常状态为AV2072--LINK激活或恢复失败--FAILURE IN SIGNALLING LINK ACTIVATION OR RESTORATION--通知---用NEL指令查LINK状态2099--不成功的呼叫率超过门限—忙时需重视(白天很重要,发单)——TUT:SER查询未接通率2122--多功能缺少--MULTIFRAE MISSING--不通知2123--REMOTE END MULTIFRAME MISSING--不通知2130—CCS电路错误状态CCS CIRCUIT IN FAILURE STA TE--不通知2137--插件单元位置错误--PLUG-IN UNIT LOCATION ERROR--通知2138--软件包插件单元校验错误--PLUG-IN UNIT SOFTWARE PACKAGE CHECK SUM ERROR--通知2139--软件包插件单元装载失败--OFTWARE PACKAGE LOAD FAILURE--通知2153--CIRCUIT RELEASING FAILED IN CAS--不通知2160--预处理单元重启失败--PREPROCESSOR UNIT RESTART FAILURE--通知2163--线路信号反常--ABNORMAL LINE SIGNAL RECEIVED --不通知2184--OSI CLNS MANAGEMENT INFORMA TION CORRUPTED--不通知2186--不通知2185--路由操作失败--ROUTING OF OSI OUTGOING CALL FAILED--不通知2205--传输告警--ET2 FAILURE--不通知(个别时隙不好)2224--ERROR IN MSU HANDLING--不通知2227--事件日志保留错误--EVENT LOG SAVING ERROR--不通知2234--计费文件缓存器已满--HOT BILLING RAM-BUFFER IS FILLING UP--不通知2241--SCCP子系统被禁止--SCCP SUBSYSTEM PROHIBITED--通知---用NHI查看子系统状态,正常状态为AV-EX2246--SCCP路由失败--SCCP ROUTING FAILURE--不通知2247--信令消息错误--SS7 ERRONEOUS SIGNALLING MESSAGE--不通知2250--D信道激活或恢复失败--FAILURE IN D-CHANNEL ACTIVATION OR RESTORATION--通知(附加信息最后一位是ET号)ZDTF:ET,ET号;2252--主要存取终端上的循环测试失败--LOOP TEST FAILED IN PRIMARY RATE ACCESS TERMINAL--通知2254--网络中的SCCP没有定义--SCCP NOT DEFINED FOR NETWORK--不通知2259--数据库不一致--DATABASE IS INCONSISTE NT--通知,发单2262--OSI子系统界面状态不好--OSI SUBNETWORK INTERFACE OUT OF ORDER--不通知(一般伴随3053告警,大量闪断时通知,重要时需发单)2269--错误的磁盘缓存尺寸--ERRONEOUS DISK CACHE SIZE--通知2272--BOOT LOADING ERROR2274--SOMAFI文件错误--SOMAFI ERROR--通知(SOMFI文件很重要)2381--空闲存储空间减少--AMOUNT OF FREE MEMORY CRITICALLY REDUCED 2386—VDS设备数据文件写入过多而无法转移--OVERWRITING UNTRANSFERREDVDS-DEVICE DATA FILE--不通知2390--时钟外同步信号丢失--EXTERNAL CLOCK SYNCHRONIZATION SIGNAL MISSING--不通知2393--FALLBACK COPYING TERMINATED IN ERROR--通知(ZZ所有HLR通知)2397—数据库文件将满--DATABASE FILE IS IN DANGER TO GET FULL--通知,发单2398--订户操作被阻止--SUBSCRIBER HANDLING BATCH JOB INTERRUPTED--不通知2399--数据库无法更新--DATABASE DISK UPDATES ARE PREVENTED--通知2402--AFS板连接故障--AFS CONNECTION FAILURE--通知2403--连续的信道错误--SERIAL CHANNEL FAILURE--通知2410--A口电路连接失败--CONNECTION OF A CIRCUIT HAS FAILED IN THE SWITCHING NETWORK2424--记录数据和位图内容不一致--DISCREPANCY BETWEEN RECORD DATA AND BITMAP----不通知2439--MSC和短信中心无连接--NO LINK BETWEEN MSC AND SMSC--通知并发单(MSC至SMSC断连,会影响短信收发,重要告警)2445--单元类型无冗余--UNIT TYPE HAS NO REDUNDANCY--通知2449--MSRN操作错误--MSRN HANDLING ERROR--2494—MSRN保留率--MSRN RESERVATION RATIO—立刻通知2503--计费丢失--DETAILED CHARGING LOST--2504--计费文件满--CHARGING FILE FILLING UP—2518--系统备份未完成--NO VALID FALLBACK COPY FOR DEFAULT RACKAGE--通知对端备份---用WQO:CR;查软件包状态,看FB包时间是否是最新2525--计费数据存储失败--FAILURE IN STORING OF DETAILED CHARGING DATA--2532--网络适配器丢失--ANALYSIS FOR NETWORK GENRATED NBR OR FOR CHA CASE IS MISSING--不通知2533--路由数字丢失--ROUTING NUMBER MISSING FROM RZN TABLE--通知2536--VLR上用户数据满--SUBSCRIBER DATABASE FILE IN VLR IS FULL--2547--调制解调器错误--MODEM FAILURE--2549--不可用的VDS存储器数据文件达到首要告警界限--FIRST ALARM LIMIT FOR UNAVAILABLE VDS-DEVICE DATA FILES REACHED--通知---用IFO:CHU:GSMCHA:,FULL;查询---用IFS:CHO:GSMCHA:号码&&号码:T;改状态ZIFS:STU:GSMCHA:3,TRANS,:T:;2550--不可用的VDS存储器数据文件达到第二告警界限--SECOND ALARM LIMIT FOR UNAVAILABLE VDS-DEVICE DATA FILES REACHED2551--可用的VDS存储器数据文件溢出--OUT OF AVAILABLE VDS-DEVICE DATA FILES 2558--回声抑制器连接失败--ECHO CANCELLER CONNECTION FAILURE-- (附加信息第一位为ET号)2559--数据访问出错--DATA CALL ERROR RATIO EXCEEDED-不通知2562--NUMBER NOT FOUND FROM HRNFIL OR INVALID DATA--通知(一般由于单元重启引起,可能不会自动消失,需手动清除)2568--ERROR IN GSAPRB ANALYSIS FILE--通知2590--ERROR IN OPENING OUTPUT FILE--通知2595--时隙失败--EC/IWF TIME SLOT FAILURE--不通知2596--SCCP登记错误--SCCP REGISTRATION ERROR--通知2618--计数器更新错误--UPDATING ERROR OF ACCOUNTING COUNTERS--附加信息第二项为FFFFFFFF第五项为 9999d的不用通知,若出现其他信息则需通知2621--时隙测试失败--FAULTY TIME SLOT IN TESTING OF TIME SLOT BASED UNIT--不通知2632--时钟震荡器故障--OSCILLATOR FAILURE--通知2638--同步单元故障--FAILURE IN BUS BETWEEN SYNCHRONIZATION UNITS --通知2639--FAILURE IN SYNCHRONIZATION UNIT SWITCHOVER--通知2641--同步输入信号失败--FAILURE IN SYNCHRONIZATION SIGNAL--通知,需发单(若为传输引起,查询传输不会显示局向)---用DRI查询看哪个2M不好(TUT:SER查呼叫失败率,20%为正常)2646--路由协议失败--PROTOCOL ROUTING FAILURE--不通知2650--硬盘数据存储失败--STORING OF THE DATA FAILED ON ONE DISK--通知2651--双方硬盘数据存储失败--STORING OF THE DATA FAILED ON BOTH DISKS--通知2653--管理文件操作失败--FAILURE IN THE HANDLING OF CONTROL FILES--不通知2654--核心网触发键无服务包--NO SERVICE PACKAGE FOR CORE INAP TRIGGER KEY--通知(该告警的出现是因为对端HLR中参数所引起,当用户漫游到河南时,用户数据里插入的有SSET参数,河南的SSET参数为20,当双方不一致时候产生该告警)2658--第二路由的计费数字丢失--CHARGED NUMBER FOU THE SECOND LEG OFREROUTING IS MISSING—根据附加信息是否通知一般不用处理2659--ERROR IN POOL CONTROLLER MESSAGE TRAFFIC--不通知2661--硬盘数据库拷贝不一致--NO CONSISTENT COPY OF DATABASE ON DISK--不通知2663--数据管理器堆积错误--DUMPING ERROR IN DATABASE MANAGER--不通知2664--同一硬盘数据库拷贝停留在不一致状态--DATABASE COPY STAYS INCONSISTENT ON SAME DISK--通知2666--数据更新停留在活动单元--DBSMAN STOPPED IN ACTIVE UNIT--不通知2668--呼叫建立失败--CALL ESTABL IS HMENT FALLURE----不通知2671--数据服务单元不可用--DATA SERVICE UNIT IS NOT AVAILABLE--通知2673--MAXIMUM NUMBER OF EX ECUTED DIGIT A NALYSIS EXCEEDED--不通知2683--MML命令日志访问错误--ERROR IN MML COMMAND LOG ACCESS--通知2692--相关单元或I/O设备工作状态异常--INCORRECT WORKING STATE--通知(CTU和FDU单元不用处理)---用USI查单元状态,在变为测试状态时系统会自动诊断,用UDH查诊断结果,结果为3999表示已通过,若状态仍未恢复,则需手动恢复2693--WO-EX单元错误--WO-EX UNIT FAULTY-通知2733--NO FREE RING DISK FILE--不通知2734--事件缓冲器溢出--EVENT BUFFER OVERFLOW--通知2735--事件缓冲器溢出--EVENT BUFFER OVERFLOW--通知2737--回声道删除失败--ECHO CANCELLER CHANNEL FAILURE--通知2740--呼叫指数保留有过多干扰--EXCESSIVE DISTURBANCES IN CALL INDEX RESERVATION2742--BSC退出服务--BSC/MGW(REL99) OUT OF SERVICE IN MSC--通知2744--MSC上的BSC或BTS状态错误--BSC/MGW(REL99) OR BTS/SAC IN WRONG STATE IN MSC--不通知2745--网络结构错误--CELLULAR NETWORK CONFIGURATION ERROR--通知地市(一般因相邻小区数据做错或未做引起)---用EDO或EPO查,LAC和CI号需转换为10进制2748--短信中心地址未分析--NO ANALYSIS FOR SMSC ADDRESS-2749--NO ANALYSIS FOR SMSC AEN--不通知2750--DC/DC CONVERTER FAILURE--通知2751--插件单元丢失--PLUG-IN UNIT MISSING--通知---WTI查插板2754--保险丝断连--FUSE FAILURE--通知2755--时钟创建失效--CARTRIDGE CLOCK FAILURE--通知2757--备用电源故障--CARTRIDGE NON-REDUNDANT POWER SUPPLY FAILURE--通知2758--电源故障--POWER SUPPLY ADAPTER FAILURE--通知,需发单2759--电源保险丝故障--POWER SUPPLY FUSE FAILURE--通知2760--HWAT板故障--HWAT FAILURE--通知2764-- CLS FAILURE2773--自BSC的电路重启确认失败--RESET CIRCUIT ACKNOWLEDGEMENT MISSING FROM BSC--不通知(一般由于传输引起,附加信息第三项为ET号)2777--CDSU CHANNEL SUPERVISION FAILED--不通知2778-- MOST OF CDSU CHANNELS ARE IN FAULTY STATE--通知2779--CDSU PIU SOF TWARN LOADING FAILED--不通知2802--CTU DISK BUFFERING INTERRUPTED--不通知2806--SOMAFI文件更新错误--SOMAFI UPDATE ERROR--通知(索玛菲文件很重要)2827--EMT协议失败--EMT PROTOCOL FAILURE--通知2860--硬盘故障--DISK FAILURE-通知2861--硬盘无法存取--NO ACCESS TO DISK--通知(注:硬盘系统严重故障,不能正常读写数据)2862--硬盘错误--DISK CHECKSUM ERROR--通知2883--磁带满--TAPE MEDIA FULL--不通知2900--引起信号丢失--MULTIFRAME MISSING--通知2909--传输告警--AIS RECEIVED--通知2915--传输告警--FAULT RATE MONITORING--通知地市RCI:SEA=4:CRCT=ET号-1&&-31;看局向发单2925--滑码超过界限--SLIP FREQUENCY LIMIT EXCEEDED-3053--以太网界面错误--ETHERNET INTERFACE FAILURE--通知(大量闪断时需发单,一般伴随2262告警)3083--回声抑制故障--ECHO CANCELLER FAILURE--通知3084--回声抑制信道故障--ECHO CANCELLER CHANNELS FAILURE--通知(可能是ET的某个时隙不好引起,也可能是由于硬件故障引起,一般重启ET后告警就能恢复)3126--用户数据库即将达到满容量门限--DATABASE FILE FOR NORMAL SUBSCRIBERS IS IN DANGER TO GET FULL--无需通知即发单至对端3146--风扇故障--FAN UNIT FAILURE--通知,发单话务3263--CALL ESTABLISHMENT FAILURE IN USER PLANE CONTROL--不通知(由于版本升级引起)3294--容量告警--LICENCE CAPACITY WARNING--通知,发单7404--AIR-CONDITION ABNORMAL7410--WATER7723--FAILURE IN SENDING SYSTEM7724--CONFLICT BETWEEN BSS RADIO NET WORK DATAB7406--TEMPERATURE OUER THE THRESHOLD7408-RECTIFIER ABNORMAL8050--LOSS OF INCOMING 2M SIGNAL8086--LOSS OF CRC MULTIFRAME ALIGNMENT8099--RECEIVED BIT ERROR RATIO(BER)〉IE-39108--通信链路失败--FAILURE IN OMC-NE COMMUNIC ATION LINK--通2494—MSRN RESERVATION RATIO注:漫游号保留的比率,可能引起限呼2099—LIMIT FOR UNSUCCESFUL CALLS EX CEEDED 注:成功的呼叫率低,在忙时需引起重视2397—DATABASE FILE IS IN DANGER TO GET FULL 注:在HLR中出现过,数据库文件满,需在附加信息中确定是哪一个数据库文件满。
SDH常见告警及处理SDH常见告警及处理故障定位关键是:将故障点准确地定位到单站。
故障定位的一般原则可总结为四句话:先外部,后传输;先网络,后网元;先高速,后低速;先高级,后低级。
故障定位的一般原则可总结如下:先定位外部,后定位传输在定位故障时,应先排除外部的可能因素,如光纤断,对接设备故障或电源问题等。
先定位网络,后定位网元在定位故障时,首先要尽可能准确地定位出是哪个站的问题。
先高速部分,后低速部分从告警信号流中可以看出,高速信号的告警常常会引起低速信号的告警;因此在故障定位时,应先排除高速部分的故障。
先分析高级别告警,后分析低级别告警在分析告警时,应首先分析高级别的告警,如紧急告警、主要告警;然后再分析低级别的告警,如次要告警和提示告警。
一、紧急告警类 1、R_LOS 告警表示接收线路侧信号丢失(Receive loss ofsignal),为紧急告警, SL16板会上报此告警。
告警原因? 断纤; ? 线路衰耗过大; ? 本板接收方向故障;? 对端站发送部分故障,线路发送失效;? 对端站交叉时钟板故障或不在位。
处理步骤:? 如果相邻两端的线路板同时告R-LOS,用网管查询发射光功率正常,则应该为光缆故障。
?检查对端光板发射功率是否正常,如果不正常,更换线路板?清洁本站尾纤接头和线路板接收光口,查看告警是否排除?用光功率计检查本站光接收是否正常,如果正常,更换线路板?检查本站的法兰盘和光衰减器是否连接正确,光衰减器的衰减值是否过大。
正确使用法兰盘和光衰减器后,查看告警是否排除。
R_LOS告警为高级告警,跟随它出现的会有R_LOF、APS_INDI、AU_AIS、MS_AIS,往往处理完R_LOS告警后,跟随它出现的许多告警会随着消失。
2、BUS_ERR. 概述BUS_ERR告警表示总线错误告警(Bus error),为紧急告警,GXCS,EXCS板会上报此告警。
告警原因交叉芯片损坏;线路板到交叉板的母板总线坏。
爱立信LTE无线专业常见告警目录Heartbeat Failure (2)ServiceUnavailable (2)ServiceDegraded (2)Gigabit Ethernet Link Fault (3)Remote IP Address Unreachable (3)Loss of Tracking (4)Network Synch Time from GPS Missing (6)System Clock Quality Degradation (6)PowerFailure (6)LinkFailure (7)LinkStability (7)VswrOverThreshold (8)CalibrationFailure (8)Plug-In Unit HW Failure (9)Plug-In Unit General Problem (9)GeneralHwError (10)HwFault (10)GeneralSwError (10)License Key File Fault (11)LicenseKeyMissing (11)Heartbeat Failure(基站退服或断站) 告警解释:此告警表示基站心跳告警,即基站脱管。
可能原因:(1)DU掉电(2)传输故障(3)DU故障(4)OSS原因(网管)处理步骤:(1)检查电源状态。
(2)检查DU电源接头是否松动,如有松动重做接头。
(3)检查基站传输连接,如有虚接或者尾纤破损则进行重接或者更换。
(4)通知传输检查传输状态。
(5)DU下电重启.(6)更换DU。
(7)配置原因,检查数据原因,回落到割接之前的地址,更换IP ServiceUnavailable告警解释:此告警表示小区服务质量不可用,即小区退服。
该告警为伴生告警,其提示作用。
能够触发该告警的常见子告警为:●PowerFailure(电源故障)●LinkFailure(光路告警)●HwFault(RRU硬件故障)●TemperatureExceptionalTakenOutOfService(RRU高温告警)可能原因:由于该告警为伴生告警,可能原因请参见其伴生的子告警。
常见告警、性能及处理在我们日常使用各种设备和系统的过程中,经常会遇到各种各样的告警信息和性能问题。
这些问题如果不及时处理,可能会影响到我们的工作效率、甚至导致严重的后果。
下面,让我们来了解一些常见的告警、性能问题以及相应的处理方法。
首先,来说说网络方面的常见告警和性能问题。
网络连接中断是一个让人十分头疼的问题。
当我们突然无法访问网页、无法收发邮件或者与他人的在线交流中断时,很可能就是网络连接出现了故障。
这时候,我们首先要检查自己的网络设备,比如路由器、交换机等,看看指示灯是否正常。
如果指示灯显示异常,可能是设备出现了硬件故障,需要进行维修或更换。
另外,网络延迟过高也是常见的问题。
当我们在玩网络游戏或者进行视频通话时,如果出现卡顿、画面不流畅的情况,很可能就是网络延迟导致的。
造成网络延迟的原因可能是网络拥堵、服务器负载过高或者本地网络设置问题。
解决这个问题,可以尝试关闭其他占用网络带宽的程序,或者更换网络连接方式,比如从无线网络切换到有线网络。
还有一种常见的网络告警是 IP 冲突。
当多个设备被分配了相同的IP 地址时,就会出现这种情况。
这会导致网络连接不稳定,甚至无法正常上网。
解决方法是手动为每个设备设置不同的静态 IP 地址,或者通过路由器的 DHCP 功能自动分配 IP 地址。
接下来,我们谈谈计算机系统方面的常见告警和性能问题。
系统死机是很多人都遇到过的情况。
电脑突然停止响应,鼠标和键盘都无法操作,这可能是由于系统资源耗尽、软件冲突或者硬件故障引起的。
如果是系统资源耗尽,可以尝试关闭一些占用大量内存和 CPU 资源的程序。
如果是软件冲突,可以卸载最近安装的可疑软件。
如果是硬件故障,可能需要检查硬件设备是否正常工作,或者寻求专业的维修服务。
系统运行缓慢也是一个常见的问题。
当我们打开一个程序需要很长时间,或者在操作过程中经常出现卡顿,这可能是由于系统垃圾文件过多、硬盘空间不足、病毒感染等原因造成的。
基站常见的十种告警(免费)一、OML为E-U或D-U的问题在BSC或RXCDR看到此现象时,还可能看到相关的一些告警,如OML 242号告警等OML链路是OMCR到RXCDR或BSC的信令链路,可能引起此类告警的原因:①相关的MMS口退出服务;②主用MSI板没有插;③数据库中关于OML链路的定义不对;④DTE地址定义不对;⑤路由器定义不对;⑥软件进程问题二、GCLK无法锁相的问题GCLK无法锁相时会产生GCLK Failed Phase Lock的提示,并可能伴随出现4、14、13号等告警。
GLCK 的功能是使得系统与更准确的时钟同步,对于BSS来说,GCLK要与MSC的时钟同步。
时钟同步的目的是在射频部分提供±0.05ppm(ppm为百万分之一。
可能引起此类告警的原因:①因传输问题引起MMS退服;②MSI板或MMS口硬件故障(包括T43、MSI、NIU、XCDR板);③数据库定义不合理;④GCLK 本身的问题,需要校正或更换三、DRI 12号告警此告警表示信道编码失去TRAU帧同步。
此告警一般与其它告警共同出现,会影响系统的服务(单通问题)。
此告警表明CCDSP(TCU内信道编码数字处理单元)至少与RXCDR失步1秒。
这是因为TDM链路错误使得帧失步。
可能引起此类告警的原因:①RXCDR可能出现问题。
②在切换时BSC没有把原DRI的相应CCDSP置为空闲。
此告警可能伴随着以下两个告警:[9] MSI (XCDR): TRAU Frame Synchronization Loss.[11] DRI: Channel Coder TDM Link Error.四、BSP 239号告警此告警表示GPROC的安全检测进程检测到进程错误。
可能引起此类告警的原因:①GPROC、BSP、BTP板子损坏;②被检测的GPROC、BSP、BTP软件进程出现错误;③被检测的硬件出错④GPROC没插(但数据库中作了定义)⑤从TCU到BTP的HDLC链路可能出错⑥BTP的输入输出链路出错⑦TCU的运行软件出错五、MTL告警MTL最多的告警一般为0号告警,出现此告警时MTL为D-U。
4 E1/T1信号丢失告警重要接口板上的E1/T1线缆连接错误或线缆故障。
接口板和对端网元之间的传输设备故障或传输线路故障。
接口板故障。
与对端设备接地异常。
对端网元的单板故障。
对端网元的单板故障。
由于PEUa和EIUa单板主备时采用Y型线连接,如果传输故障会触发主备单板同时检测到故障,为了避免传输故障同时触发主备单板上报相同性质的告警,系统只有主板上报该告警,备板不上报。
1.检查BSC接口板与对端设备之间连接的E1/T1线缆。
2.检查BSC接口板。
3.检查BSC与对端设备的接地情况。
4.检查对端网元。
5 BBU CPRI接口异常告警重要在CPRI链路采用光接口时,可能是BBU或下级射频单元的光纤接头或光模块未插紧,或光纤链路故障。
在CPRI链路采用电接口时,可能是BBU或下级射频单元的电缆接头未插紧,或电缆故障。
BBU或下级射频单元运行异常或硬件故障。
1.远程检查是否存在相关告警。
2.远程复位下级射频单元 3.近端检查CPRI端口线缆的连接情况 4.近端更换下级射频单元5.近端排除BBU故障6 GSM小区退出服务告警重要执行了人工闭塞小区或者主BCCH载频的操作。
人工复位基站或小区、动态数据配置操作(如修改主B频点)引起BSC对BTS进行复位操作。
基站无电源输入。
LAPD链路或载频属性调整导致的BTS短时不可用、BSC复位引起基站复位、基站自动复位、单板故障、传输故障、数据配置错误、人工复位BTS单板等原因。
1. 检查小区和小区主BCCH载频。
2.检查主BCCH载频的RSL链路所在端口和时隙的环回状态。
3.检查BTS供电情况。
4.检查与小区退服所在的BTS相连的Abis接口板以及与Abis接口板同框内的XPU单板。
7 OML故障告警重要 BSC与BTS间的传输设备或传输线路故障。
BSC的Abis接口板故障。
BTS掉电。
BTS的TMU单板或E11.检查BTS传输。
2.检查BSC的Abis接口板。
基站动环常见告警及处理一、FSU离线告警(一)原因分析:1)信号差或不稳定;2)FSU设备掉电;3)无线模块硬件故障;4)FSU设备硬件故障;5)天线和无线模块连接中断,或天线丢失;6)流量卡被盗、欠费或故障。
(二)处理办法:1、第一步检查供电:1)在运维监控系统检查离线站点是否有停电告警,判断是否现场停电;2)现场检查FSU指示灯不亮设备没有供电。
3)原因分析: FSU供电异常。
2、解决方案:1)检查整个基站是否停电,如停电则通知相关人员取电;2)检查FSU供电空开是否跳闸及通电线路是否正常。
3、第二步检查无线模块:检查无线模块指示灯都不亮或都常亮。
原因分析:无线模块供电异常或无线模块故障。
4、解决方案:1)无线模块供电故障,则检查给无线模块供电接线是否正常如正常,则用万用表测量给无线模块供电FSU输出端是否有12V,如没有则为FSU供电板问题,更换FSU供电板。
2)确认供电正常,则更换无线模块进行测试。
5、第三步FSU检查登陆FSU设备,点击设备诊断管理,若信号强度小于15,表明由信号弱引起。
解决方案:更换运营商无线模块或将天线外延(室内站放到室外,室外柜放到底部隐蔽区域或有外层保护情况下放到机柜顶部)二、开关电源告警1、交流输入频率过低1)原因分析:交流输入多为市电引入,出告警即市电频率超越门限告警,低于48Hz。
2)处理方法:将数字型万用表测试档位置于Hz档,再将两根表笔分别接入信号源两端,测量信号源频率值是否低于48Hz。
2、电池充电过流告警1)原因分析:当充电电流超过0.1C时可认为是过电流充电。
3、电池熔丝故障告警1)原因分析:蓄电池熔丝未连接牢固或检测线未检测到蓄电池熔丝2)处理方法:(1)检查蓄电池熔丝是否连接牢固(2)检查检测线是否和蓄电池熔丝良好接触(3)开关电源显示屏是否有熔丝告警提示(如果没有,可能是平台数据不更新导致,或者开关电源协议解析不正确)。
4、防雷器故障告警1)原因分析:防雷器本身出现破损等故障或防雷器未插紧2)处理方法:(1)防雷器本身出现破损等故障则需要更换防雷器(2)将防雷器插紧,保证接触良好(3)核实是否在交维测试时做的告警一直未消除。
附表1:常见告警SDH网管上的告警等级SDH复用设备逻辑功能块的组成如图所示。
TTFSPI:SDH物理接口TTF:传送终端功能RST:再生段终端HOI:高阶接口MST:复用段终端LOI:低阶接口MSP:复用段保护HOA:高阶组装器MSA:复用段适配HPC:高阶通道连接PPI:PDH物理接口OHA:开销接入功能LPA:低阶通道适配SEMF:同步设备管理功能LPT:低阶通道终端MCF:消息通信功能LPC:低阶通道连接SETS:同步设备时钟源HPA:高阶通道适配SETPI:同步设备定时物理接口HPT:高阶通道终端SDH设备在图1-3所示的各功能块,提供相应的告警维护信号。
SPI:LOSRST:LOF(A1,A2)、OOF、RS-BIP Error(B1)MST:MS-AIS(K2[6:8])、MS-RDI(K2[6:8])、MS-REI(M1)、MS-BIP Error(B2)MSA:AU-AIS、AU-LOP(H1,H2)HPT:HP-RDI(G1[5])、HP-REI(G1[1:4])、HP-TIM(J1)、HP-SLM(C2)、HP-UNEQ(C2)、HP-BIP Error(B3)HPA:TU-AIS、TU-LOP(V1,V2)、TU-LOM(H4)LPT:LP-RDI(V5[8])、LP-REI(V5 [3])、LP-TIM(J2)、LP-SLM(V5 [5-7])、LP-UNEQ(V5 [5:7])、LP-BIP Error(V5 [1:2])以上各告警维护信号后的括号中标注出的是与之相应的开销字节。
ITU-T建议还规定了各告警信号的含义:•LOS:信号丢失,输入无光功率、光功率过低、光功率过高,使BER劣于10-3。
•OOF:帧失步,搜索不到A1、A2字节时间超过625us 。
•LOF:帧丢失,OOF持续3ms以上。
•RS-BBE:再生段背景误码块,B1校验到再生段——STM-N的误码块。
NE_NOT_LOGIN告警解释NE_NOT_LOGIN表示网元未登录。
告警属性告警参数无。
对系统的影响•无法从网元侧查询该网元的配置数据。
•无法在网管上管理该网元。
可能原因•原因1:网元与网管通讯中断。
•原因2:用户退出登录或登录失败。
处理步骤•原因1:网元与网管通讯中断。
解决网元与网管通讯中断方法,参见NE_COMMU_BREAK。
•原因2:用户退出登录或登录网元失败。
以其他正确的网元用户登录网元。
•查看告警是否结束,若未结束,请进行下一步。
•如果故障依然存在,请联系华为工程师。
MPLS_TUNNEL_LOCV告警解释MPLS_TUNNEL_LOCV为Tunnel连通性丢失告警。
连续3个周期内没有收到希望的CV/FFD报文时出现此告警。
告警属性告警参数在网管中浏览告警时,选中该告警,在“告警详细信息”中会显示该告警的相关参数。
告警参数的格式为“告警参数(16进制):参数1 参数2…参数n”,如:告警参数(16进制):0x01 0x08…。
每个参数的含义说明参见下表。
对系统的影响•该告警产生时,会触发MPLS APS倒换,将业务倒换到保护Tunnel。
•MPLS_TUNNEL_FDI告警将抑制MPLS_TUNNEL_LOCV告警的上报。
可能原因告警MPLS_TUNNEL_LOCV产生的可能原因如下:•原因1:Tunnel的Ingress节点停止CV/FFD。
•原因2:物理链路故障。
•原因3:Ingress节点的单板正在复位。
•原因4:业务接口配置错误。
•原因5:网络出现严重拥塞。
•原因6:CPU占用率饱和,无法处理ARP协议报文。
处理步骤•原因1:Tunnel的Ingress节点停止CV/FFD。
1.在网管上分别进入上报告警的Tunnel的Ingress节点和Egress节点的“网元管理器”,在功能树中选择“配置 > MPLS管理 >单播Tunnel管理”。
选择“OAM参数”选项卡。
设备常见告警及处理思路1.设备类告警:1.1 物理端口告警一般是接口未连接或者链路断开造成的这个是2M接口未连接的告警。
输入光功率越限告警1.2网元断链这个是网管上报的告警,存在于网管不能ping通网元管理IP情况1.3 单板告警常见是单板脱位,原因有可能是单板在重启或者已经与主控板通信失败2.隧道类告警2.1 隧道BFD down隧道检测依赖BFD,检测周期是10毫秒,超时周期30毫秒。
如果超过30毫秒未收到对端的BFD报文,认为隧道主用路径故障,在存在备用路径的情况下立即触发隧道路径倒换,出现2.2的告警。
查看命令show mpls traff tunnels tunnel-id X2.2隧道hsb切换隧道HSB路径是一个暂时存在的路径,5分钟后会撤销,隧道在5分钟内重新计算路径,如仍无法计算出路径,隧道将会down,如告警2.3查看命令show mpls traff tunnels tunnel-id X hot-standby2.3 隧道down该告警指隧道A到Z点无法计算出可达路径,隧道失效。
隧道建立依靠IGP以及RSVP-TE协议,可沿隧道路径检查IGP协议是否正常,路由是否正常,接口的RSVP-TE协议是否以及打开,协议运行是否正常。
查看命令show mpls traff tunnels tunnel-id X3.伪线类告警3.1 伪线BFD down该告警依靠伪线上的BFD检查,检侧周期50毫秒,如连续3次未收到对端发来的BFD报文,认为主用伪线故障,在配置了伪线保护组情况并且备用伪线正常情况下触发伪线倒换。
查看命令show mpls l2transport vc pw X3.2 伪线保护组倒换该告警说明伪线正在处于倒换状态,业务流量从备用伪线转发,如主用伪线恢复,在5分钟后会自动回切,该告警消失。
查看命令show l2vpn pw-redundancy-group X detail这个是PEER-BFD会话告警,目前每台汇聚到核心之间都配置了PEER-BFD,出现该告警,原因一般是链路质量了劣化。
常见(重要)告警说明一.常见(重要)告警列表:目录索引:1.1 PROCESSOR[33] ACCESS-FAIL[3] (3)1.2 BSC-ADAPT[73]EQUIPMENT-FAULT[128]: (4)1.3 BSC-CLOCK[52] LOSS-OF-SYSTEM-CLK-A[3]: (5)1.4 BSC-CLOCK[52] LOSS-OF-SYSTEM-CLK-B[4]: (5)1.5 BSC-CLOCK[52] BSC-RUN-ON-LOCAL-CLK[6]: (6)2.1 PROCESSOR[33] RESTART[0]: (7)2.2 PROCESSOR[33] RESET[1]: (7)2.3 PROCESSOR[33] SDCCH-OVRL-BSC[9]: (8)2.4 PROCESSOR[33] TAKEOVER[7]: (8)2.5 PROCESSOR[33] RELC-OV[4]: (9)2.6 GOLBAL-BSC[47] SCCP-NOT-A V AIL[1]: (10)3.1 N7[35] LNK-REP[0]: (11)3.2 TSC-TRUNK [66] TWO-MB-MISSING[50]: (11)3.3 TSC-TRUNK [66] AIS-2-MB[66]: (11)3.4 TSC-TRUNK [66] FRAME-ALIGNMENT[81]: (11)3.5 TSC-TRUNK [66] BER-10E-3[99]: (12)3.6 TSC-TRUNK [66] BER-10E-4[100]: (12)3.7 TSC-TRUNK [66] BER-10E-6[102]: (12)3.8 TSC-TRUNK [66] FAR-END-ALARM[176]: (12)4.1 BSS BVCSig is broken on: (13)4.2 BSS GSL is broken on(GSL out): (14)5.1 CELL[43] LOSS-OF-BCCH[0]: (16)5.2 CELL[43] LOSS-OF-ALL-CHAN[3]: (17)6.1 CELL[43] LOSS-OF-TCH[2]: (18)7.1 RTCH_fail_rate (18)8.1 BTS-EXTERNAL[9] bts-external-2[2] (19)8.2 BTS-EXTERNAL[9] bts-external-2[2]mbo (19)8.3 ENVIR[5] MAINS-AL[20] (19)9.1 BTS-EXTERNAL[9] bts-external-3[3] (19)9.2 BTS-EXTERNAL[9] bts-external-3[3]mbo (19)10.1 At least one temperature sensor has detected a T > 65C: (20)10.2 CNVR: disjunction due to output voltage problem on converter: (20)10.3 2.1V: no more redondancy of GPU boards: (21)二.常见(重要)告警祥解: BSC设备方面的常见告警:1.1 PROCESSOR[33] ACCESS-FAIL[3]1.2 BSC-ADAPT[73]EQUIPMENT-FAULT[128]:1.3 BSC-CLOCK[52] LOSS-OF-SYSTEM-CLK-A[3]:1.4 BSC-CLOCK[52] LOSS-OF-SYSTEM-CLK-B[4]:1.5 BSC-CLOCK[52] BSC-RUN-ON-LOCAL-CLK[6]:BSC负荷方面的常见告警:2.1 PROCESSOR[33] RESTART[0]:2.2 PROCESSOR[33] RESET[1]:2.3 PROCESSOR[33] SDCCH-OVRL-BSC[9]:2.4 PROCESSOR[33] TAKEOVER[7]:2.5 PROCESSOR[33] RELC-OV[4]:2.6 GOLBAL-BSC[47] SCCP-NOT-A V AIL[1]:BSC传输方面的常见告警:3.1 N7[35] LNK-REP[0]:3.2 TSC-TRUNK [66] TWO-MB-MISSING[50]:3.3 TSC-TRUNK [66] AIS-2-MB[66]:3.4 TSC-TRUNK [66] FRAME-ALIGNMENT[81]:3.5 TSC-TRUNK [66] BER-10E-3[99]:3.6 TSC-TRUNK [66] BER-10E-4[100]:3.7 TSC-TRUNK [66] BER-10E-6[102]:3.8 TSC-TRUNK [66] FAR-END-ALARM[176]:GRPS方面的常见告警:4.1 BSS BVCSig is broken on:4.2 BSS GSL is broken on(GSL out):4.3 LapDLink disabled:小区退服的关键告警:5.1 CELL[43] LOSS-OF-BCCH[0]:5.2 CELL[43] LOSS-OF-ALL-CHAN[3]:基站载频退服关键告警:6.1 CELL[43] LOSS-OF-TCH[2]:小区分配失败7.1 RTCH_fail_rate基站交流断电外部告警:8.1 BTS-EXTERNAL[9] bts-external-2[2] 8.2 BTS-EXTERNAL[9] bts-external-2[2]mbo 8.3 ENVIR[5] MAINS-AL[20]基站直流低电压外部告警:9.1 BTS-EXTERNAL[9] bts-external-3[3] 9.2 BTS-EXTERNAL[9] bts-external-3[3]mboMFS重要外部告警10.1 At least one temperature sensor has detected a T > 65C:10.2 CNVR: disjunction due to output voltage problem on converter:10.3 2.1V: no more redondancy of GPU boards:。
常见告警、性能及处理一:告警处理1.LOS:信号丢失告警。
表示本端接收不到光信号。
主要引起的原因是①光纤断;②对端发送光信号没有;③本端光收模块坏。
处理方法:①先将本端用一根光纤自环,若告警消失,表示本端是好的,问题在对端。
若对端自环也好,则可以肯定两端间光纤的断了;若对端自环不好,也是LOS告警,用光功率计测量其光发功率,若功率过小(-50dB或更低)则可断定光发坏了;若功率正常,则是由于没有时钟引起的,换掉时钟板,告警消失。
②若本端自环还是LOS告警,则是由于光收模块坏了,更换后告警消失。
2.LOF/OOF:帧丢失、帧失步告警。
原因和处理同1。
帧失步:连续5帧以上,找不到正确的A1、A2,则进入帧失步状态。
帧丢失:如果OOF状态持续一段时间,则进入帧丢失状态。
3.MS-AIS:该告警是伴随着远端LOS/LOF出现而出现的,或者从网管上插入该告警。
处理方法:①若本端自环也有该告警,则更换光板。
②本端自环是好的,对端又没有LOS告警,则可能是网管上插入了AIS告警,从网管上将插入AIS操作取消,若此处理不消除告警,则更换远端光板。
③若远端有LOS告警,则按1将LOS告警消除。
4.RDI:复用段远端接收故障。
产生原因是由于远端有LOS、LOF、MS-AIS告警引起的。
处理方法:按1、2、3方法消除远端告警则可。
实际工程中,我们经常遇到这样的情况:5.B1、B2、B3信号劣化告警。
原因:光板接收光功率过强或过弱,或系统本身所有。
处理方法:将本端自环,适当调节光纤插入深度,若告警消失,则是由于光功率过强或过弱引起,过强加衰减,过弱将光纤洗干净,法兰盘连接处拧紧或换光发功率强的光模块;若不是光功率引起的,则是光板或时钟板所致,更换光板或时钟板则可(误码性能的参数意义见后面详细介绍)。
6.2M业务不通原因及处理方法:①先将光口的所有告警排除,将问题定位是在光口还是其他原因所致。
②在排除光口告警的情况下,光口自环,支路口接上2M误码仪,若支路告警消失,则原问题出在2M信号源和SDH 2M支路口接反了,SDH设备本身是好的。