圆度、圆柱度公差值
- 格式:docx
- 大小:105.03 KB
- 文档页数:1
形位公差标准(GB1184-80)
机械制造中形位误差与圆柱面的尺寸误差一样,是不可避免的。
因此就要考虑,哪些切削表面应加以较严格的控制,并在图样上注出其极限数值。
这是由零件在机器上的位置、功用和装配精度要求来决定的。
零件上圆柱表面的形状误差,在间隙配合中会使间隙分布不均匀,接触不良,从而降低配合精度,加快磨损,减短使用寿命;在过盈配合中,则会使配合各处的过盈量大小不一,影响连接强度。
零件表面的位置误差,除影响配合以外,还影响机器的装配精度及工作时的运动精度。
1、形位公差等级和数值的选用原则
在GB1184-80中,除位置度用计算得出外,对形位公差规定了12个等级,其中,9~12级的数值较大,可以不再图样上一一标注,而对选定的等级在图样中加以说明。
对于需要在图样中加以较严格控制的形位公差值,应根据零件的功能要求,考虑加工的经济性和零件的结构、刚性等因素选定,并需注意下列情况。
1)在同一要素上给出的形状公差值应小于位置公差值。
2)圆柱表面的形状公差值(轴线的直线度除外),一般情况下,应小于其尺寸公差值。
3)平行度公差值应小于其相应的距离公差值。
4)对于下列情况,考虑到加工难易程度和其他参数的影响,在满足零件的功能要求下,适当降低1~1级选用。
A.细长比较大的轴和孔;
B.孔相对于轴;
C.距离较大的轴或孔;
D.宽度较大(一般大于1/2长度)的零件表面;
E.线对线和线对面相对于面对面的平行度及垂直度。
2、形状公差标准
直线度、平面度
圆度、圆柱度
3、位置公差标准
平行度、垂直度、倾斜度
同轴度、对称度、圆跳动和全跳动。
形位公差标准(GB1184-80)机械制造中形位误差与圆柱面的尺寸误差一样,是不可避免的。
因此就要考虑,哪些切削表面应加以较严格的控制,并在图样上注出其极限数值。
这是由零件在机器上的位置、功用和装配精度要求来决定的。
零件上圆柱表面的形状误差,在间隙配合中会使间隙分布不均匀,接触不良,从而降低配合精度,加快磨损,减短使用寿命;在过盈配合中,则会使配合各处的过盈量大小不一,影响连接强度。
零件表面的位置误差,除影响配合以外,还影响机器的装配精度及工作时的运动精度。
1、形位公差等级和数值的选用原则在GB1184-80中,除位置度用计算得出外,对形位公差规定了12个等级,其中,9~12级的数值较大,可以不再图样上一一标注,而对选定的等级在图样中加以说明。
对于需要在图样中加以较严格控制的形位公差值,应根据零件的功能要求,考虑加工的经济性和零件的结构、刚性等因素选定,并需注意下列情况。
1)在同一要素上给出的形状公差值应小于位置公差值。
2)圆柱表面的形状公差值(轴线的直线度除外),一般情况下,应小于其尺寸公差值。
3)平行度公差值应小于其相应的距离公差值。
4)对于下列情况,考虑到加工难易程度和其他参数的影响,在满足零件的功能要求下,适当降低1~1级选用。
A.细长比较大的轴和孔;B.孔相对于轴;C.距离较大的轴或孔;D.宽度较大(一般大于1/2长度)的零件表面;E.线对线和线对面相对于面对面的平行度及垂直度。
2、形状公差标准直线度、平面度主参数L(mm)公差等级12345678910公差值(μm)≤100.20.40.8 1.223581220>10~160.250.51 1.5 2.546101525>16~250.30.6 1.22358122030>25~400.40.8 1.5 2.54610152540>40~630.51235812203050>63~1000.6 1.2 2.5461015254060>100~1600.8 1.53581220305080>160~25012461015254060100>250~400 1.2 2.5581220305080120>400~630 1.5361015254060100150>630~10002481220305080120200>1000~16002.551015254060100160250>361220305080120200300>2500~40004815254060100150250400圆度、圆柱度主参数d (mm)公差等级012345678910公差值(μm)≤30.10.20.30.50.8 1.2234610>3~50.10.20.40.61 1.5 2.545812>6~100.120.250.40.61 1.5 2.546915>10~180.150.30.50.8 1.223581118>18~300.20.40.61 1.5 2.54691321>30~500.250.50.61 1.5 2.547111625>50~800.30.60.8 1.22358131930>80~1200.40.81 1.5 2.54610152235>120~1800.61 1.22 3.55812182540>180~2500.8 1.223 4.571014202946> 1.0 1.6 2.54681216233252>315~4001.2235791318253657>400~5001.52.54681015202740633、位置公差标准平行度、垂直度、倾斜度主参数L,d(mm)公差等级12345678910公差值(μm)≤100.40.8 1.535812203050>10~160.512461015254060>16~250.6 1.2 2.5581220305080>25~400.8 1.5361015254060100>40~6312481220305080120>63~100 1.2 2.551015254060100150>100~160 1.5361220305080120200>160~25024815254060100150250>250~400 2.551020305080120200300>400~6303612254060100150250400>630~10004815305080120200300500>1000~1600510204060100150250400600>1600~2500612255080120200300500800>2500~400081530601001502504006001000>4000~6300102040801202003005008001200>6300~1000012255010015025040060010001500同轴度、对称度、圆跳动和全跳动主参数L,d(mm)公差等级12345678910公差值(μm)≤10.40.61 1.5 2.546101525>1~30.40.61 1.5 2.546102040>3~60.50.8 1.22358122550>6~100.61 1.5 2.54610153060>10~180.8 1.2235812204080>18~301 1.5 2.54610152550100>30~50 1.2235812203060120>50~120 1.5 2.5461015254080150>120~250235812203050100200>250~500 2.5461015254060120250>500~8003581220305080150300>800~1250461015254060100200400>581220305080120250500 1250~2000>61015254060100150300600 2000~3150>81220305080120200400800 3150~5000>10152540601001502505001000 5000~8000>12203050801202003006001200 8000~10000。
14个形位公差符号形位公差是机械制造中用来描述零件几何形状和位置关系的一种技术规范。
在现代工业中,形位公差的应用非常广泛,对于确保产品的质量和性能至关重要。
本文将介绍14个常见的形位公差符号及其含义,希望能为读者提供一些初步的了解。
1. 平面度公差符号(⇒)平面度公差表示零件平面与参考面之间的偏差。
符号“⇒”用于表示。
平面度公差的数值越小,表示零件平面越平整。
2. 圆度公差符号(⭐)圆度公差表示圆形零件截面的圆度偏差。
符号“⭐”用于表示。
圆度公差的数值越小,表示零件截面的圆形越精确。
3. 圆柱度公差符号(⌢)圆柱度公差表示圆柱形零件的直径或者直线度偏差。
符号“⌢”用于表示。
圆柱度公差的数值越小,表示零件的直径或者直线度越准确。
4. 直线度公差符号(∴)直线度公差表示直线零件表面与参考直线之间的偏差。
符号“∴”用于表示。
直线度公差的数值越小,表示零件直线度越精确。
5. 垂直度公差符号(⊥)垂直度公差表示两个零件表面之间的垂直偏差。
符号“⊥”用于表示。
垂直度公差的数值越小,表示两个零件表面之间的垂直度越高。
6. 平行度公差符号(∥)平行度公差表示两个零件表面之间的平行偏差。
符号“∥”用于表示。
平行度公差的数值越小,表示两个零件表面之间的平行度越高。
7. 同轴度公差符号(⊙)同轴度公差表示零件轴线与参考轴线之间的偏差。
符号“⊙”用于表示。
同轴度公差的数值越小,表示零件轴线越精确。
8. 同心度公差符号(⥀)同心度公差表示两个圆形零件轴线之间的偏差。
符号“⥀”用于表示。
同心度公差的数值越小,表示两个圆形零件轴线越精确。
9. 全径公差符号(↔)全径公差表示圆形零件直径或者圆柱形零件长度的偏差。
符号“↔”用于表示。
全径公差的数值越小,表示零件的直径或者长度越准确。
10. 面平行性公差符号(||)面平行性公差表示两个平面之间的平行偏差。
符号“||”用于表示。
面平行性公差的数值越小,表示两个平面之间的平行度越高。
形状公差标准在机械制造和加工过程中,为了确保零件的精确度和可靠性,形状公差是非常重要的质量控制参数。
以下是常见的形状公差标准:1. 直线度直线度公差是衡量直线段或直线面在任意方向上的偏差。
它主要用于描述轴、孔、平面或导轨的直线度。
2. 平面度平面度公差是衡量平面的平整度和平滑度的标准。
它主要用于描述平面的质量。
3. 圆度圆度公差是衡量圆形物体或圆形面的圆周与理想圆的偏差。
它主要用于描述轴承、齿轮等零件的表面质量。
4. 圆柱度圆柱度公差是衡量圆柱体在任意方向上的偏差。
它主要用于描述轴、孔、滚筒等零件的表面质量。
5. 轮廓度轮廓度公差是衡量曲线或曲面与理想曲线的偏差。
它主要用于描述自由曲面的质量。
6. 对称度对称度公差是衡量物体或平面在中心线或对称轴上的偏差。
它主要用于描述零件的形状和位置精度。
7. 位置度位置度公差是衡量零件在规定位置的偏差。
它主要用于描述孔、轴等零件的位置精度。
8. 倾斜度倾斜度公差是衡量两个面之间的角度偏差。
它主要用于描述斜面、斜孔等零件的角度精度。
9. 平行度平行度公差是衡量两个平面或两个轴线之间的平行偏差。
它主要用于描述平面或轴线的平行精度。
10. 垂直度垂直度公差是衡量两个平面或两个轴线之间的垂直偏差。
它主要用于描述平面或轴线的垂直精度。
11. 同轴度同轴度公差是衡量两个轴线在同一直线上的偏差。
它主要用于描述轴线的同轴精度。
12. 跳动度跳动度公差是衡量零件在旋转过程中的偏差。
它主要用于描述旋转零件的跳动精度。
圆度及圆柱度的参数配图全解1.参数和定义参考参考圆是用某种规则匹配测量数据得到的相关圆,据此参考圆计算得到圆度的有关参数。
最小二乘参考圆(LSCI)计算得到的最小二乘参考圆与其内外数据差值的平方和最小。
该圆普遍被用作参考圆。
P=最高峰值 V=最低谷值计算得到的最小区域参考圆是两个完全包容测量数据的同心圆,这两圆之间的径向间距最小。
P=最高峰值 V=最低谷值最小外接参考圆(MCCI)计算得到的最小外接参考圆是完全将测量数据包容在内的最小圆。
V=圆度计算得到的最大内切参考圆是完全被测量数据包容在内的最大圆。
P=圆度倾斜纠正当测量的圆柱轴线建立后,当它与主轴轴线不平行时,它与主轴轴线在空间某个方向的倾斜将使测量数据发生椭圆畸变。
本选项允许在相对于圆柱轴线进行进一步计算之前,从单个圆度测量数据中去除该椭圆度。
偏心度E偏心值是所选基准轴(点)到所分析参考圆中心的距离。
偏心角为主轴零度位置与参考圆中心和基准轴连线之间的夹角。
A=基准点 B=数据中心 E=偏心值θ=偏心角(上图为315˚)偏心角为主轴零度位置与参考圆中心和基准轴连线之间的夹角。
A=最小二乘中心 B=最小二乘参考圆 C=角度θE=偏心 D=回转中心跳动两个同心圆的径向间隔,这两个圆与基准轴(或点)同心,并完全包容测量数据,即指示器读数的总变动量。
(ISO 1101; DIN 7184; BS.308第三部分)。
A=跳动 B=距基准点最近的数据点 C=基准点D=距基准点最远的数据点R此值取决于径向横臂的标定(为标尺的目视读数),仅供参考。
谐波分析数据用傅立叶级数表示。
删除点为从任何间断数据的两边删除的点的个数。
它们是从所选数据总数中删除的。
平面度平面度可用最小二乘或最小区域方法来定义。
最小二乘基准拟合一平面,测量数据至该平面差值的平方和最小。
最小区域基准拟合两个平行平面,使其完全包容测量数据,且间隔最小。
A=轴线 F=平面度LS=最小二乘基准“参考平面垂直度”值是两个平行平面最小轴向间隔,这两个平面垂直于参考轴线,并且完全包容由被测数据拟合的最小二乘平面。
圆度和圆柱度讲解一、圆柱度圆柱度是指任一垂直截面最大尺寸与最小尺寸差为圆柱度。
圆柱度误差包含了轴剖面和横剖面两个方面的误差。
.圆柱度的公差带是两同轴圆柱面间的区域,该两同轴圆柱面间的径向距离即为公差值。
圆柱度是表示零件上圆柱面外形轮廓上的各点,对其轴线保持等距状况。
圆柱度是限制实际圆柱面对理想圆柱面变动量的一项指标。
它的公差带是以公差值t为半径差的两个同轴圆柱面之间的区域。
它控制了圆柱体横剖面和轴剖面内的各项形状公差,诸如圆度、轴线直线度,素线直线度等。
使用时,一般标注了圆柱度就没有必要再标注圆度,直线度。
如果一定要单独标注圆度、直线度,则其公差值必须小于圆柱度公差值,以表示设计上对径向或轴向形状公差提出进一步要求。
通常,圆柱度误差用圆度仪或配备计算机的三坐标测量装置检测,如果没有这些装置,最好不要使用圆柱度,此时可分别用圆度和圆柱面素线的平行度来代替使用。
用圆度和平行度来代替圆柱度时,应根据圆柱体的长径比确定圆度公差值与平行度公差值。
1)当圆柱体长度大于其直径时,素线平行度公差值必须相应大于其圆度公差值。
2)当圆柱体长度等于其直径时,素线平行度公差值与其圆度公差值也应相等。
3)当圆柱体长度小于其直径时,素线平行度公差值必须相应小于其圆度公差值。
二、圆度圆度是表示零件上圆的要素实际形状,与其中心保持等距的情况。
即通常所说的圆整程度。
圆度是限制实际圆对理想圆变动量的一项指标,其公差带是以公差值t为半径差的两同心圆之间的区域。
线轮廓度是限制实际曲线对理想曲线变动量的一项指标,其公差带是包络一系列直径为公差t的圆的两包络线之间的区域,该圆圆心应位于理想轮廓线上。
从线轮廓度公差带可见,线轮廓度不仅要求它的轮廓形状正确,还有一定的尺寸要求,即它的理想形状与尺寸有关,类似于尺寸偏差。
而圆度则不然,它只限制两同心圆的半径之差,至于两同心圆的直径大小没有要求,两同心圆的位置不确定。
所以,标注了线轮廓度可以得到类似于采用包容原则的效果。
简述圆度和圆柱度公差的区别圆度和圆柱度公差都是机械加工中非常重要的参数,他们分别用于描述零件圆度和圆柱度的精度。
下面将详细讨论这两个公差的定义,区别,计算以及重要性。
圆度公差定义圆度公差是描述零件外表面上所有圆形的形状与理论圆之间的偏差大小。
即零件的距离理论圆的最大距离和最小距离的差值。
圆度公差可以用一个形状公差带来表示。
形状公差是用一条线描述理论几何元素的随意变化。
这个带子是距离理论外径和内径沿着周向平均值的上限和下限。
1. 描述的几何形状不同。
圆度公差是用来描述零件外表面上的所有的圆形,而圆柱度公差是用来描述零件直径上的面形误差。
2. 公差计算单位不同。
圆度公差的计算单位是长度,而圆柱度公差的计算单位是角度。
3. 表示方法不同。
圆度公差使用形状公差带表示,而圆柱度公差通常使用有限制的形状公差带表示。
圆度公差的计算通常通过在零件外径和内径上测量一些点,然后计算这些点距离理论圆的偏差。
可以通过下面的公式来计算公差大小:T = Tmax - Tmin其中,T代表公差大小,Tmax代表距离理论圆的最大距离,Tmin代表距离理论圆的最小距离。
圆度公差和圆柱度公差对于机械加工的质量和可靠性都非常重要。
准确地控制圆度和圆柱度公差可以确保机件在使用中的运动精度,减少零件之间的摩擦和磨损,延长机器的寿命。
由于圆度公差和圆柱度公差是直接影响机械加工质量和可靠性的参数,因此机械加工和制造行业非常注重这些公差的控制和管理。
在机械加工过程中,如果控制不好这两个公差,可能会导致机械零件不能精确地嵌合和运动,使设备失去运行能力,或者造成严重的机械故障,影响工作效率。
一旦发生,这些问题会给制造工厂和使用者带来巨大的损失。
因此,准确地控制圆度公差和圆柱度公差对于获得优质的机械零件是必不可少的。
为了确保零件质量和性能,机械加工行业必须重视圆度公差和圆柱度公差的控制,不断提高技术水平和生产水平,以满足客户的需求和要求。
为了准确地控制圆度公差和圆柱度公差,机械加工行业需要采用适当的加工方法和工具,并制定合理的加工工艺和操作规程。
直线度平面度圆度圆柱度公差带定义及标注实例1.直线度是指工件上直线轴线与参考直线轴线之间的距离偏差。
Straightness refers to the deviation distance between the straight axis of the workpiece and the reference straight axis.2.平面度是指工件上平面与参考平面之间的距离偏差。
Flatness refers to the deviation distance between the plane of the workpiece and the reference plane.3.圆度是指工件上圆形轮廓与参考圆形轮廓之间的距离偏差。
Roundness refers to the deviation distance between the circular profile of the workpiece and the reference circular profile.4.圆柱度是指工件上圆柱体轴线与参考圆柱体轴线之间的距离偏差。
Cylindricity refers to the deviation distance between the axis of the cylindrical body on the workpiece and the reference cylindrical body.5.公差带是指允许的尺寸偏差范围,在这个范围内的尺寸都是合格的。
Tolerance zone refers to the allowable range of dimensional deviation, and dimensions within this range are considered acceptable.6.在工程图纸上,直线度通常以符号“⊥”标注。
On engineering drawings, straightness is usually indicated by the symbol "⊥".7.平面度通常在工程图上以字母“F”标注。
圆度圆柱度及球度的测量及评价方法讲解圆度、圆柱度和球度是用来描述物体表面形状和几何特征的测量指标。
它们在工程设计和制造过程中起着重要的作用,可以评估产品的精度和质量。
圆度是用来描述物体的表面是否近似于一个圆形的度量指标。
圆度测量通常使用光学投影仪、三坐标测量机等精密测量设备进行。
在测量过程中,将物体放置在测量设备上,并通过旋转物体使其在水平面上转动。
测量设备会通过传感器来检测物体表面上不同位置的偏离程度,并将其显示在仪器上的圆度测量值中。
圆度测量的结果通常以最大和最小偏差以及平均偏差来表示。
通常情况下,圆度的理想值为零,表示物体表面完全近似于一个圆。
圆柱度是用来描述物体表面是否近似于一个圆柱体的度量指标。
与圆度类似,圆柱度测量也需要使用精密测量设备,如光学投影仪、三坐标测量机等。
在测量过程中,物体被放置在测量设备上,并旋转物体使其在水平面上转动。
测量设备会以不同位置的传感器来检测物体表面的偏离程度,并将其显示在仪器上的圆柱度测量值中。
与圆度测量类似,圆柱度的测量结果通常以最大和最小偏差以及平均偏差来表示。
理想情况下,圆柱度的测量值为零,表示物体表面完全近似于一个圆柱体。
球度是用来描述物体表面是否近似于一个球体的度量指标。
测量物体的球度也需要使用精密测量设备,如光学投影仪、三坐标测量机等。
在测量过程中,物体被放置在测量设备上,并以不同的角度旋转物体。
测量设备会通过传感器来检测物体表面上不同位置的偏离程度,并将其显示在仪器上的球度测量值中。
与圆度和圆柱度的测量类似,球度的测量结果通常以最大和最小偏差以及平均偏差来表示。
在理想情况下,球度的测量值为零,表示物体表面完全近似于一个球体。
评价圆度、圆柱度和球度的方法主要有以下几种:1.比较法:将被测物体与一个标准物体进行比较,通过比较两者之间的差异来评估被测物体的圆度、圆柱度和球度。
2.光学法:使用光学设备,如投影仪、显微镜等,来观察被测物体的表面形状和特征,从而评估其圆度、圆柱度和球度。
形位公差表
内容来源网络,由“深圳机械展(11万㎡,1100多家展商,超10万观众)”收集整理!
更多cnc加工中心、车铣磨钻床、线切割、数控刀具工具、工业机器人、非标自动化、数字化无人工厂、精密测量、3D打印、激光切割、钣金冲压折弯、精密零件加工等展示,就在深圳机械展.
直线度、平面度公差值(摘自GB/T1184-1996)
平行度、垂直度、倾斜度公差值(摘自GB/T1184-1996)
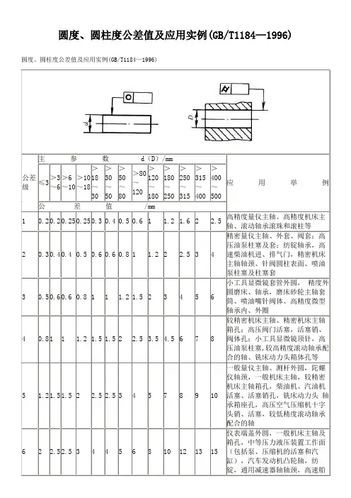
圆度、圆柱度度公差值(摘自GB/T1184-1996)
同轴度、对称度、圆跳动度和全跳动度公差值(摘自GB/T1184-1996)
内容来源网络,由“深圳机械展(11万㎡,1100多家展商,超10万观众)”收集整理!
更多cnc加工中心、车铣磨钻床、线切割、数控刀具工具、工业机器人、非标自动化、数字化无人工厂、精密测量、3D打印、激光切割、钣金冲压折弯、
精密零件加工等展示,就在深圳机械展.。
角度尺寸的极限偏差数值角度尺寸的极限偏差数值 (摘自GB/T 1804—2000)分差等级 长 度 分 段 /mm ≤10 >10~50 >50~120 >120~400 >400 精密f ±1° ±30′ ±20′ ±10′ ±5′ 中等m 粗糙c ±1°30′ ±1° ±30′ ±15′ ±10′ 最粗v±3°±2°±1°±30′±20′被测要素、基准要素的标注及其他附加符号(GB/T1182—1996) 项 目符号项目符号项目符号被测要素的标注 直接理论正确尺寸可逆要求用字母 包容要求延伸公差带 基准要素的标注最大实体要求 自由状态(非刚性零件)条件基准目标的标注最小实体要求全周(轮廓)同轴度、对称度、圆跳动和全跳动公差等级与尺寸公差等级的对应关系 同轴度、对称度、径向圆跳动、径向全跳动公差等级1 2 3 4 5 6 7 8 910 1112尺寸公差等级(I T) 2 3 4567,8 8,9 1011,1212,131415端面圆跳动、斜向圆跳动、端面全跳动公差等级1 23456 7 8 9 10 1112尺寸公差等级(I T) 1 2 34567,8 8,9 1011,1212,1314平行度、垂直度和倾斜度公差等级与尺寸公差等级的对应关系平行度(线对线、面对面)公差等级3 4567 8 9 10 11 12尺寸公差等级3,4 5,67,8,910,11,112,13,114,15,1(IT) 2 4 6垂直度和倾斜度公差等级 3 4 5 6 7 89 10 11 12尺寸公差等级(IT)5 6 7,8 8,9 10 11,12 12,131415圆度、圆柱度公差值及应用实例(GB/T1184—1996)公差等级 主 参 数 d (D )/mm 应 用≤3>3 ~>6 ~>10 >18 >30 >50 >80 >12>18>25>31>406 10 ~18 ~30 ~50 ~80 ~120 0 ~180 0 ~250 0 ~315 5 ~400 0 ~500举 例公 差 值 /mm1 0.2 0.2 0.25 0.250.3 0.4 0.5 0.6 1 1.2 1.6 2 2.5 高精度量仪主轴、高精度机床主轴、滚动轴承滚珠和滚柱等 2 0.3 0.4 0.4 0.5 0.6 0.6 0.81 1.22 2.53 4 精密量仪主轴、外套、阀套;高压油泵柱塞及套;纺锭轴承,高速柴油机进、排气门,精密机床主轴轴颈、针阀圆柱表面、喷油泵柱塞及柱塞套 3 0.5 0.6 0.6 0.81 1 1.2 1.52 3 4 5 6 小工具显微镜套管外圆,高精度外圆磨床、轴承,磨床砂轮主轴套筒、喷油嘴针阀体、高精度微型轴承内、外圈 4 0.81 1 1.2 1.5 1.52 2.5 3.5 4.56 7 8较精密机床主轴、精密机床主轴箱孔;高压阀门活塞,活塞销、阀体孔;小工具显微镜顶针,高压油泵柱塞,较高精度滚动轴承配合的轴、铣床动力头箱体孔等 5 1.2 1.5 1.5 2 2.5 2.53 4 5 7 8 910 一般量仪主轴、测杆外圆,陀螺仪轴颈,一般机床主轴,较精密机床主轴箱孔,柴油机、汽油机活塞、活塞销孔,铣床动力头、轴承箱座孔,高压空气压缩机十字头销、活塞,较低精度滚动轴承配合的轴6 2 22 3 4 4 5 6 8 1111仪表端. 5 .50 2 3 5 盖外圆,一般机床主轴及箱孔,中等压力液压装置工作面(包括泵、压缩机的活塞和汽缸),汽车发动机凸轮轴,纺锭,通用减速器轴轴颈,高速船用发动机曲轴,拖拉机曲轴主轴颈7 3 4 4 5 6 7 8 1121416182大功率低速柴油机曲轴;活塞、活塞销、连杆、汽缸;高速柴油机箱体孔,千斤顶或压力油缸活塞,液压传动系统的分配机构,机车传动轴,水泵及一般减速器轴轴颈8 4 5 6 8 9 111315182232527低速发动机、减速器、大功率曲柄轴轴颈,压气机连杆盖、体;拖拉机缸体、活塞;炼胶机冷铸轴提,印刷机传墨辊;内燃机曲轴,柴油机机体孔,凸轮轴,拖拉机,小型般用柴油机汽缸套9 6 8 9 1113161922252932364空气压缩机缸体,液压传动筒,通用机械杠杆与拉杆同套筒销子,拖拉机活塞环、套筒孔10 10 12 15 18 21 25 30 35 40 46 52 57 63 印染机导布辊、铰车、吊车、想重机滑动轴承轴颈等11 14 18 22 27 33 39 46 54 63 72 81 89 97 12 25 30 36 43 52 62 74 87100 115 130 140 155直线度、平面度公差值及应用举例(GB/T1184—1996)公差等级 主 参 数 L/mm应用举例 ≤10 >10 ~16 >16 ~25 >25 ~40 >40 ~63 >63 ~100 >100 ~160 >160 ~250 >250 ~400 >400 ~630 >630~1 000 >1 000 ~1 600 >1 600 ~2 500 >2 500 ~4 000 >400 ~63>630~100 公 差 值 /mm1 0.2 0.20.3 0.4 0.5 0.6 0.8 1 1.2 1.5 2 2.53 4 5 6 用于精密量具、测量仪器和精度要5求极高的精密机械零件,如高精度量规、样板平尺、工具显微镜等精密测量仪器的导轨面,喷油嘴针阀体端面,油泵柱塞套端面等高精度零件 2 0.4 0.5 0.6 0.8 1 1.2 1.5 2 2.53 4 5 6 810 12 3 0.8 1 1.2 1.5 2 2.5 3 4 5 6 8 10 12 15 20 25用于0级及1级宽平尺的工作面,1级样板平尺的工作面,测量仪器圆弧导轨,测量仪器测杆等4 1.2 1.5 2 2.53 4 5 6 810 12 15 20 25 30 40 用于量具,测量仪器和高精度机床的导轨,如0级平板,测量仪器的V 形导轨,高精度平面磨床的V 形滚动导轨,轴承磨床床身导轨,液压阀芯等 5 2 2.53 4 5 6 810 12 15 20 25 30 40 50 60 用于1级平板,2级宽平尺、平面磨床的纵导轨、垂直导轨、立柱导轨及工作台,液压龙门刨床和六角车床床身的导轨,柴油机进、排气门导杆 6 3 4 5 6 8 10 12 15 20 25 30 40 50 60 8100 用于普通机床导轨面,如普通车床、龙门刨床、滚齿机、自动车床等的床身导轨、立柱导轨、滚齿机、卧式镗床、铣床的工作台及机床主轴箱导轨、柴油机体结合面等7 5 6 810 12 15 20 25 30 40 50 60 80 101215用于2级平板,0.020 0 0 游标卡尺尺身,机床床头箱体,摇臂钻床底座工作台,镗床工作台,液压泵盖等 8 8 10 12 15 20 25 30 40 50 60 80 100 120 150 200 25用于机床传动箱体,挂轮箱体,车床溜板箱体,主轴箱体,柴油机汽缸体,连杆分离面,缸盖结合面,汽车发动机缸盖,曲轴箱体及减速箱体的结合面等9 1122345681112234 用于3级2 5 0 5 0 0 0 0 0 00 20 50 00 50 00 00 平板、机床溜板箱、立钻工作台、螺纹磨床的挂轮架,金相显微镜的载物台,柴油机汽缸体,连杆的分离面、缸盖的结合面,阀片的平面度,空气压缩机的汽缸体,液压管件和法兰的联接面等10 20 25 30 40 50 60 80 100 120 150 200 250 300 400 500 600用于3级平板,自动车床床身底面的平面度,车床挂轮架的平面度,柴没机汽缸体,摩托车的曲轴箱体、汽车变速箱的壳体,汽车发动机缸盖结合面、阀片的平面度,以及辅助机构及手动机械的支承面 11 30 40 50 60 8100 120 150 200 250 300 400 500 600 800 1 000 用于易变形的薄片、薄壳零件、如离合器的摩擦片、汽车发动机缸盖的结合面,手动机12 60 8100 120 150 200 250 300 400 500 600 800 1 01 21 52 000 00 00 00 械支架、机床法兰等未注形位公差的公差值 (GB/T1184—1996) (mm )直线度、平面度 垂 直 度 对 称 度 圆 跳 动 基本长度公差等级 基本长度公差等级 基本长度公差等级 公差等级H K LH K LH K L H K L≤10 0.02 0.05 0.1 ≤100 0.2 0.4 0.6 ≤100 0.5 0.6 0.6 0.1 0.2 0.5 >10~30 0.05 0.1 0.2 >30~100.1 0.2 0.4>10 0~30 0 0.20.40.8>10~300.30.61.>10~300.50.61.>3 00~1 00 0 0.30.61.2>30~1000.40.81.5>30~1000.50.81.5>1 00 0~3 00 0 0.40.81.6>10~3000.51.2.>10~3000.51.2.公差项公差值圆度等于给出的直径公差值,但不能大于径向圆跳动值圆柱度不作规定。