微型多功能数据采集卡的设计与开发
- 格式:pdf
- 大小:1.42 MB
- 文档页数:6
一个新能源汽车测试数据采集卡的设计与实现作者:万昭李杨李平杨超来源:《电脑知识与技术》2024年第01期關键词:新能源汽车;测试;数据采集0 引言世界范围内的资源和环境压力,使新能源汽车在全世界都有巨大的发展潜力,已经成为21世纪汽车工业重要的发展方向[1]。
目前新能源汽车中的纯电动汽车还存在着速度慢、续航里程短等诸多问题,主要采用提高动力系统中驱动电机的效率、提高车载电池的性能等方式来解决。
在整车的开发过程中,需要对整车的运行状态进行实时的监测、对故障进行诊断、连续记录整车长时间试验运行数据、离线分析等[2]。
新能源汽车测控技术的重要性也日益突出,它能明显地缩短汽车的设计周期,降低研发费用,优化汽车的性能,因此开发新能源汽车测试数据采集卡具有非常重要的意义[3-4]。
目前数据采集卡主要是国外的产品和使用国外芯片的产品[4],研究与开发使用国内芯片的数据采集卡,可以减少对国外技术和产品的依赖,解决国外高速数据采集控制技术卡脖子、供应链紧张的问题。
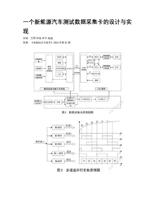
1 原理与框图新能源汽车测试数据采集卡利用并行采集、工业现场互联网EtherCAT、ARM 等技术进行开发,适用于新能源汽车整车的运行状态实时监测、试验运行数据记录、故障诊断、动力与传动系统测控平台的数据采集等。
采用ARM技术可实现多通道数据高抗干扰能力、速度快、精度高、测控范围广、信号完整性好、兼容性好、智能化程度高、具有故障自诊断能力的并行采集及数据通信,实现具有自主知识产权的数据采集单元,并可实现相关单元电路模块的集成化。
除此之外,它通常还具备功耗低、体积小、高可靠性等诸多优点。
数据采集卡原理框图如图1所示。
本数据采集卡是以EtherCAT工业以太网接口的从站设备数据采集卡,适合各种开发平台使用,适合中低速、较高精度场的测量应用。
具有 14 路模拟输入、1 路计数频率、1 路增量式编码器(可差分输入)等功能;通过 EtherCAT 以太网进行数据传输,具有多种同步模式;具有多种通信模式,满足不同条件工业场合条件下应用。
一种新型基于CPLD的多通道数据采集卡的设计与实现的开题报告引言:多通道数据采集系统在现代工业自动化中应用广泛,由于其实时性、高精度、强鲁棒性和自动化程度高等特点,已成为自动化领域中得到广泛应用的一种技术。
在多通道数据采集系统中,硬件平台和软件平台是基础,其中硬件平台是数据采集系统的重要组成部分。
本文重点研究了一种新型基于CPLD的多通道数据采集卡的设计与实现。
一、研究背景:多通道数据采集卡主要用于实时采集多种参数信号,包括电压、电流、温度、压力、流量等。
目前市场上常见的数据采集卡通常采用单片机或DSP处理器作为主控芯片,这些芯片的处理能力受到限制,无法满足高速采集、高精度采集等需求。
而CPLD作为一种可编程逻辑器件,其优势在于具有高速、低功耗、低成本和可编程等特点,能够满足高速、高精度和大容量数据处理的需求。
因此,本文研究基于CPLD的多通道数据采集卡,旨在提高数据采集系统的性能和稳定性。
二、研究内容:本文研究的内容主要包括以下方面:1.多通道信号采集模块设计多通道信号采集模块是多通道数据采集卡的主要组成部分。
本文研究设计一种基于CPLD的多通道信号采集模块,能够实时采集多种参数信号,并将其转换为数字信号进行处理。
2.CPLD设计与编程本文采用Xilinx公司的XC95108 CPLD作为主控芯片,设计了CPLD 的硬件电路,并使用HDL语言进行CPLD的编程,以实现多通道信号采集和数据处理功能。
3.与上位机通信接口设计本文设计了与上位机通信的接口,实现了数据的传输和实时监测。
同时,本文还借助LabView软件,实现了可视化操作界面,并进行了相关的性能测试和分析。
三、研究意义:本文研究了一种基于CPLD的多通道数据采集卡的设计与实现,对于提高数据采集系统的性能和稳定性具有重要意义。
该研究能够为相关领域的工程技术人员提供一种新型的数据采集方案,提高数据采集系统的可靠性和灵活性,为实现智能化、自动化和信息化提供技术支持和保障。
基于USB2.0多功能数据采集卡的室内温度自动控制系统设计摘要:为了实现高精度的室内温度控制,设计了一种以USB2.0多功能数据采集卡为控制核心的温度控制系统并进行了相关测试。
该系统采用温度传感器AD590K对室温进行测量,采用分段线性加PI积分分离控制算法进行温度控制。
实验表明,这种控制方式可以减小超调量,提高温度控制精度。
该系统可以用于对气温控制要求较高的场合。
关键词:USB2.0;AD590K;温度控制1 总体设计方案为了便于实验研究和测试,设计了一个室内温度控制系统,其控制对象为1立方米密封箱体,箱体采用双层结构制成,外层采用内贴保温材料的三合板,内层采用真空有机玻璃,以达到良好的保温效果。
该系统温度可以在一定范围内由人工设定并实现自动调整, 以保持设定的温度基本不变。
该系统实现的主要目的如下:①温度设定范围为4~50℃;②稳态下温度的波动能控制在±1℃以内;③采取有效的控制方法,当设定温度突变(由30℃降低到15℃或由15℃升高到30℃)时, 减小系统的调节时间和超调量;④定温度发生突变(由29 ℃降低到12℃)时,自动显示/记录温度变化的时间曲线。
1.1 系统的硬件结构系统硬件(系统硬件原理如图1所示)分为温度采集模块、核心控制模块、显示控制模块、制冷片驱动模块、电源驱动模块等。
其工作原理是:温度传感器AD590K根据环境温度产生电流信号,此信号被送入电流-电压转换电路,转变为电压信号,并进行调理,然后送到USB2.0多功能数据采集卡进行A/D转换。
数据采集卡上具有10位A/D转换模块和相应的控制模块,根据它的硬件环境和良好的编程环境而设计的电路可以将AD590K采集的数据转换为符合要求的数据,并对这些数据进行判断和处理,然后在计算机上显示出测得的数据。
接着判断电路应该工作的状态,经过数据采集卡上的I/O端口控制驱动电路(开关电路),从而驱动半导体制冷片工作,最终达到温度自动控制的目的。
简易数据采集系统设计题目:二选一1. 设计一个单片机控制的数据采集系统,要求A/D 精度12位,采样频率最高100KHz,输入8路信号,分时复用A/D 芯片,将采集到的波形进行4K 的SRAM 存储,然后通过串行口发送给计算机2. 设计一波形发生电路,计算机通过串行口向板卡发送波形电路,波形存储到板卡上的SRAM 中,然后进行计算机控制的D/A 波形产生,板卡上用单片机进行控制 要求:1. 选择器件,确定具体型号。
2. 画原理图。
3. 根据器件封装画PCB 图。
4. 写出相应的单片机和微机控制程序。
5. 写出详细的原理分析报告。
器件选择:TI 公司生产的8位逐次逼近式模数转换器ADC0809,8051,MAX232 原理图如下:原理报告原理报告::采集多路模拟信号时,一般用多路模拟开关巡回检测的方式,即一种数据采集的方式。
利用多路开关(MUX )让多个被测对象共用同一个采集通道,这就是多通道数据采集系统的实质。
当采集高速信号时,A/D 转换器前端还需加采样/保持(S/H)电路。
待测量一般不能直接被转换成数字量,通常要进行放大、特性补偿、滤波等环节的预处理。
被测信号往往因为幅值较小,而且可能还含有多余的高频分量等原因,不能直接送给A/D 转换器,需对其进行必要的处理,即信号调理。
如对信号进行放大、衰减、滤波等。
通常希望输入到A/D 转换器的信号能接近A/D 转换器的满量程以保证转换精度,因此在直流电流电源输出端与A/D 转换器之间应接入放大器以满足要求。
本题要求中的被测量为0~5V 直流信号,由于输出电压比较大,满足A/D 转换输入的要求,故可省去放大器,而将电源输出直接连接至A/D 转换器输入端。
关于A/D 转换器的选取: 1.转换时间的选择转换速度是指完成一次A/D 转换所需时间的倒数,是一个很重要的指标。
A/D 转换器型号不同,转换速度差别很大。
通常,8位逐次比较式ADC 的转换时间为100us 左右。
多路数据采集系统设计
多路数据采集系统设计通常包括硬件设计和软件设计两个方面。
硬件设计方面,需要考虑以下几个方面:
1. 数据采集模块:根据需要选择合适的模拟输入、数字输入或其他类型的传感器模块,并进行连接。
2. 信号调节:如果传感器输出的信号不符合需求,需要将其进行放大、滤波、隔离或其他调节。
3. 数据转换:将模拟信号转换为数字信号,可以采用模数转换芯片。
4. 多路信号复用:如果同时需要采集多个信号,可以使用多路复用器或多个采集模块。
5. 电源供应:为各个模块提供稳定的电源供应。
6. 通信接口:设计合适的通信接口,如串口、网络接口等,以方便数据传输。
7. 数据存储:选择合适的存储设备,如内存、硬盘、SD卡等,以存储采集到的数据。
软件设计方面,需要考虑以下几个方面:
1. 采集控制:编写控制程序,通过控制硬件模块的工作方式、采样时序和频率等参数,实现多路数据的同时采集。
2. 数据读取:编写数据读取程序,从硬件模块中读取采集到的数据,并进行处理。
3. 数据处理:对采集到的数据进行滤波、校正、分析等处理,以提取有用的信息。
4. 数据存储:将处理后的数据存储到合适的存储设备中,以便后续分析和使用。
5. 用户接口:设计合适的用户界面,以方便用户对系统进行操作和监视。
综上所述,多路数据采集系统设计需要综合考虑硬件和软件两个方面,确保系统能够稳定、高效地采集和处理多路数据。
多通道数据采集系统的设计与实现近年来,随着科技的不断发展和数据的迅速增长,对于多通道数据采集系统的需求越来越迫切。
多通道数据采集系统旨在通过多个输入通道同时采集、传输和处理多组数据,以满足大规模数据采集和处理的需求。
本文将详细介绍多通道数据采集系统的设计与实现。
1. 系统需求分析在设计多通道数据采集系统之前,首先要明确系统的需求。
根据具体的应用场景和目标,我们需要确定以下几个方面的需求:1.1 数据采集范围:确定需要采集的数据范围,包括数据类型、数据量和采集频率等。
这将直接影响系统的硬件选择和设计参数。
1.2 数据传输和存储要求:确定数据传输和存储的方式和要求。
例如,是否需要实时传输数据,是否需要数据缓存和压缩等。
1.3 系统的实时性要求:确定系统对数据采集和处理的实时性要求。
根据实际应用场景,可以确定系统对数据延迟和响应时间的要求。
1.4 系统的可扩展性:考虑系统的可扩展性,以满足未来可能的扩展需求。
这包括硬件和软件的可扩展性。
2. 系统设计在需求分析的基础上,我们进行多通道数据采集系统的设计。
系统设计主要包括硬件设计和软件设计两个方面。
2.1 硬件设计根据需求分析中确定的数据采集范围和要求,我们选择合适的硬件设备进行数据采集。
常用的硬件设备包括传感器、模拟信号采集卡和数字信号处理器等。
2.2 传感器选择根据需要采集的数据类型,选择合适的传感器进行数据采集。
不同的传感器适用于不同的数据类型,如温度传感器、压力传感器、光传感器等。
2.3 采集卡设计针对多通道数据采集系统的特点,我们需要选择合适的模拟信号采集卡进行数据采集。
采集卡应具备多个输入通道,并能够同时采集多个通道的数据。
2.4 数字信号处理器设计针对采集到的模拟信号数据,我们需要进行数字信号处理。
选择合适的数字信号处理器进行数据处理,如滤波、采样和转换等。
2.5 软件设计针对系统的需求和硬件的设计,我们需要进行软件设计,以实现数据采集、传输和处理。
《微型计算机控制技术》期中试题基于PCI总线的数据采集卡自动化0905班张亚明 0906050503摘要:本文采用一种基于USB接口的实用型数据采集卡。
采用CPLD和PSD进行信道前端处理,以FPGA为采集的核心控制芯片并用于参数的存储与读写,设计了一种快速、高精度数据采集卡硬件是一外置式的密封设备,软件具有很好的用户图形界面。
详细地论述了本采集卡的硬件结构,并列举了采集卡的主要性能指标,对采集卡所要求的性能指标,详细地论述了系统的硬件。
关键词:数据采集卡CPLD PCI总线 USB设计要求:该数据采集卡要求高精度数据采集,采用PCI总线,运用USB接口。
进行32位数据输入、16路数据输出、4路可程控增益,必须具有隔离功能。
引言:计算机技术在飞速发展,微机应用日益普及深入,微机在通信、自动化、工业自动控制、电子测量、信息管理和信息系统等方面得到广泛的应用。
在冶金、化工、医学和电器性能测试等许多应用场合需要同时对多通道快变的模拟信号进行采集、预处理、暂存和向上位机传送,再由上位机进行数据分析处理、自动报表生成、信号波形显示和输出打印等处理。
本文采用一种基于USB接口的实用型数据采集卡。
采用CPLD和DSP 进行信道前端处理,以FPGA为采集的核心控制芯片并用于参数的存储与读写,设计了一种快速、高精度数据采集卡硬件是一外置式的密封设备,软件具有很好的用户图形界面。
详细地论述了本采集卡的硬件结构,并列举了采集卡的主要性能指标,对采集卡所要求的性能指标,详细地论述了系统的硬件。
设计方案:一、设计总框图如图1所示:本设计要求高精度数据采集,采用PCI总线,运用USB接口。
进行32位数据输入、16路数据输出、4路可程控增益,必须具有隔离功能。
图1二、系统硬件设计:⑴ FPGA/CPLD简介:FPGA(现场可编程门阵列)与CPLD(复杂可编程逻辑器件)都是可程逻辑器件,它们是在PAL,GAL等逻辑器件的基础之上发展起来的。
多路数据采集系统毕业设计第一章绪论1.1课题研究背景和意义数据采集是指将位移、流量、温度、压力等模拟量采集、转换成数字量后,再由计算机进行存储、处理、显示或打印。
数据采集技术是信息科学的一个重要组成部分,信号处理技术、计算机技术,传感器技术是现代检测技术的基础。
数据采集技术则正是这些技术的先导,也是信息进行可靠传输,正确处理的基础。
在工业生产中,对生产现场的工艺参数进行采集、监视和记录,这样能提高产品的质量、降低成本。
在科学实验中,对应用数据进行实时采集,这样获得大量的动态信息,是研究物理过程动态变化的有效手段,也是获取科学奥秘的重要手段之一。
设计数据采集系统目的,就是把传感器输出的模拟信号转换成计算机能识别的数字信号,并把数字信号送入计算机,计算机将计算得到的数据加以利用观察,这样就实现对某些物理量的监视,数据采集系统性能的好坏,取决于它的精度和速度,在精度保证的条件下提高采样速度,满足实时采集、实时处理和实时控制的要求[1]。
数据采集常用的方式有在PC机,也可以在工控机内安装数据采集卡,如RS-422卡、RS-485卡及A/D卡;或专门的采集设备,包括PCI、PXI、PCMCIA、USB,无线以及火线FireWire接口等,可用于台式PC机、便携式电脑以及联网的应用系统中[2]。
数据采集系统起始于20世纪50年代,1956年美国首先研究了用在军事上的测试系统,目标是测试中不依靠相关的测试文件,由非成熟人员进行操作,并且测试任务是测试设备高速自动完成的。
近年来,数据采集及应用受到了人们越来越广泛的关注,数据采集系统也有了迅速的发展,数据采集系统也朝着微型化、小型化、便携式,低电压、低功耗发展。
当前市场出售的小型数据采集器相当于一个功能齐全计算机。
这些数据采集器功能强大,能够实现实时数据采集、处理的自动化设备。
具备实时采集、自动存储、即时显示、即时反馈、自动处理、自动传输功能[;不仅能保证现场数据的实时性、真实性、有效性、可用性,而且能很方便输入计算机,应用在各个领域。
单片机多任务操作的多功能采集卡设计阿占文;冯清香【摘要】针对普通采集卡程序的顺序执行法在复杂程序中存在的流程不清晰、维护困难的问题,运用单片机多任务操作模式,设计了一种多功能数据采集卡,给出了具体实现代码和硬件电路.通过时间片轮询方式,实现了串口通信、频率信号采集和A/D转换、D/A和开关量输出的多任务操作.该采集卡现已运用于HJD-DJ1型电机试验台.使用结果表明,该采集卡的使用使程序的可读性和可维护性都有所提高,在实现采集卡各种功能的前提下,减少了外围元件,降低了硬件开发难度.【期刊名称】《自动化仪表》【年(卷),期】2014(035)001【总页数】4页(P84-87)【关键词】多任务模式;任务细分;频率采集;PWM;D/A转换;多功能数据采集卡【作者】阿占文;冯清香【作者单位】华中科技大学机械科学与工程学院,湖北武汉430074;华中科技大学机械科学与工程学院,湖北武汉430074【正文语种】中文【中图分类】TP3990 引言在工业控制领域,数据采集卡是必不可少的硬件。
位移、转速、压力、电流、电压转矩等信号一般通过传感器转化为电压或电流输出,由采集卡负责进行A/D转换并交由计算机处理。
采集卡的核心芯片一般为单片机或数字信号处理器(digital signal processing,DSP),配上外围元件实现数据采集[1-3]。
本设计运用单片机的多任务操作方式,利用STC12C5A60S2单片机的定时器计数模式,实现了频率采集。
同时,采用可编程计数阵列模块的PWM模式,实现了D/A输出。
最后采用自带的A/D模块和一个125 Ω的精密电阻,实现了电压、电流采集,并由I/O口输出开关量。
1 多功能采集卡的总体设计本文所设计的采集卡运用在HJD-DJ1型电机试验台上,需要完成以下任务。
①采集电流传感器JLKT-7和电压传感器JLBV-16的信号,输出分别为0~20 mA 电流和0~5 V电压。
②采集转矩传感器和转速传感器ORT-803的信号,输出为(10±5)kHz(正反双向测量值)。
简介可编程逻辑控制器(PLC)是很多工业自动化和过程控制系统的核心,可监控和控制复杂的系统变量。
基于PLC的系统采用多个传感器和执行器,可测量和控制模拟过程变量,例如压力、温度和流量。
PLC广泛应用于众多不同应用,例如工厂、炼油厂、医疗设备和航空航天系统,它们需要很高的精度,还要保持稳定的长时间工作。
此外,激烈的市场竞争形势要求必须降低成本和缩短设计时间。
因此,工业设备和关键基础设施的设计人员在满足客户对精度、噪声、漂移、速度和安全的严格要求方面遇到了严峻的挑战。
本文以PLC应用为例,说明多功能、低成本的高度集成ADAS3022如何通过更换模拟前端(AFE)级,降低复杂性、解决多通道数据采集系统设计中遇到的诸多难题。
这种高性能器件具有多个输入范围,非常适合高精度工业、仪器、电力线和医疗数据采集卡应用,可以降低成本和加快产品面市,同时占用空间很小,易于使用,在1 MSPS速率下提供真正的16位精度。
PLC应用示例图1显示在工业自动化和过程控制系统中使用PLC的简化信号链。
PLC通常包括模拟和数字输入/输出(I/O)模块、中央处理器(CPU)和电源管理电路。
在工业应用中,模拟输入模块可获取和监控恶劣环境中的远程传感器信号,例如存在极端温度和湿度、振动、爆炸化学物品的环境。
典型信号包括具有5 V、10 V、±5 V和±10 V满量程范围的单端电压或差分电压,或者0 mA至20 mA、4 mA至20 mA、±20 mA范围的环路电流。
当遇到具有严重电磁干扰(EMI)的长电缆时,通常使用电流环路,因为它们本身具有良好的抗扰度。
模拟输出模块通常控制执行器,例如继电器、电磁阀和阀门等,以形成完整自动化控制系统。
它们通常提供具有5 V、10 V、±5 V和±10 V满量程范围的输出电压,以及4 mA至20 mA的环路电流输出。
典型模拟I/O模块包括2个、4个、8个或16个通道。
单片机多任务操作的多功能采集卡设计
阿占文;冯清香
【期刊名称】《自动化仪表》
【年(卷),期】2014(035)001
【摘要】针对普通采集卡程序的顺序执行法在复杂程序中存在的流程不清晰、维护困难的问题,运用单片机多任务操作模式,设计了一种多功能数据采集卡,给出了具体实现代码和硬件电路.通过时间片轮询方式,实现了串口通信、频率信号采集和A/D转换、D/A和开关量输出的多任务操作.该采集卡现已运用于HJD-DJ1型电机试验台.使用结果表明,该采集卡的使用使程序的可读性和可维护性都有所提高,在实现采集卡各种功能的前提下,减少了外围元件,降低了硬件开发难度.
【总页数】4页(P84-87)
【作者】阿占文;冯清香
【作者单位】华中科技大学机械科学与工程学院,湖北武汉430074;华中科技大学机械科学与工程学院,湖北武汉430074
【正文语种】中文
【中图分类】TP399
【相关文献】
1.单片机数据采集卡及其实时多任务机制的实现 [J], 靳其兵;田野;谢祖荣
2.实时多任务操作系统与单片机软件设计 [J], 李仕涌;谭南林;王小东
3.实时多任务操作系统与单片机软件设计 [J], 李仕涌;谭南林;等
4.一种单片机多任务操作系统的设计与应用 [J], 朱德良;吴国强;陈新春
5.基于MCS51单片机的多任务操作系统内核设计 [J], 行江;沙林秀
因版权原因,仅展示原文概要,查看原文内容请购买。
西南交通大学硕士研究生学位论文第1页第1章绪论数据采集是指将温度、压力、流量、位移等模拟量采集转换成数字量后,再由计算机进行存储、处理、显示或打印的过程。
相应的系统称为数据采集系统。
随着计算机技术的飞速发展和普及,数据采集系统迅速得到了广泛的应用。
而数据采集系统性能的好坏,主要取决于它的精度和速度。
在保证精度的条件下,应用尽可能高的采样速度,以满足实时采集实时处理和实时控制对速度的要求。
微机总线的选择则是决定数据采集系统性能很关键的一个因素。
1.1微机总线发展综述微机总线是计算机各模块间进行信息传输的通道,是提高微机系统性能的一个至关重要的因素。
从微型计算机诞生到现在,微机总线技术在不断发展。
常用的总线结构有如下类型:ISA总线、MCA总线、EISA总线、VESA局部总线、PCI局部总线和可选择总线等。
ISA总线(IndustryStandardArchitectureBUS)是IBM公司八十年代为IBM-PC/AT机设计的,又称AT总线,用于AT机主板和各接口电路板的连接。
ISA总线是16位数据线、24位地址线,工作频率为8MHz,数据传输率为8邶/s,大大改善了CPU处理性能。
但由于ISA标准的限制,使得对系统总线上的I/o、存储器的访问没有大的改进,从而在强大的CPU处理能力与低性能的系统总线间形成了一个瓶颈。
为打破这一瓶颈,IBM公司推出了MCA总线(MicroChannelArchitectureBUS)。
MCA总线是32位数据线、32位地址线,该总线最初使用在PS/2机上,提供突发模式,最大数据传输率为2伽B/s。
但IBM并没有对外公开mCA总线的技术标准,从而限制了这一总线的普及。
EISA总线(ExtendedIndustrialStandardArchitectureBUS)是以Compaq公司为代表的九家公司联合推出、专为32位PC(PersonalComputer)机设计的,西南交通大学硕士研究生学位论文第2页它与ISA兼容。