六付隧道仰拱栈桥计算书
- 格式:doc
- 大小:734.50 KB
- 文档页数:7
一、概况为确保隧道施工畅通,并保证掌子面与仰拱同时施工的需要,经研究决定在施工仰拱时,临时架设一副栈桥。
从结构可靠性、经济性及施工工期要求等多方面因素综合考虑,仰拱栈桥采用8片I40a工字钢作为主梁,4片为一组,两组工字钢间净距60cm,工字钢上横向满铺Φ22螺纹钢(间距0.05m)。
设计栈桥承载不小于40吨(不含栈桥自重,隧道施工用车中最大重量为35吨)。
二、荷载分析根据现场施工需要,栈桥承受荷载主要由桥梁自重荷载q,及车辆荷载P两部分组成,其中车辆荷载为主要荷载。
如图1所示:图1为简便计算方法,桥梁自重荷载按均布荷载考虑,车辆荷载按集中荷载考虑。
以单片工字钢受力情况分析确定q、P值。
1、q值确定由资料查得I40a工字钢每米重67.598kg,Φ22螺纹钢每米铺设20根,每根长1.2m,Φ22螺纹钢每米铺设重71.52kg。
单片工字钢自重按3.419KN/m计算,即q=3.4191KN/m。
2、P值确定根据施工需要,栈桥要求能通过后轮重40吨的大型车辆,及单侧车轮压力为200KN ,单片I40a 工字钢尺寸如图2:如单侧车轮压力由4片梁同时承受,因车轮单个宽30cm ,因此必须求出车轮中心点处最大压力m ax f ,I40a 工字钢翼板宽14.2cm ,每片工字钢间横向间距为21cm ,由于上方Φ22螺纹钢铺满桥面,因此单侧车轮同时均匀的作用于4片工字钢上。
而f 按图3所示转换为直线分布,如图4:f maxmaxf fff图4由图4可得到m ax f =F/4=50KN 取50KN 。
由于栈桥设计车辆匀速通过,车辆对桥面的冲击荷载较小,故冲击荷载不考虑,P=50KN 。
三、结构强度检算由图1所示单片工字钢受力图示,已知q=3.419KN/m ,P=50KN ,工字钢计算跨径l =10m ,根据设计规范,I40a 工字钢容许弯曲应力图3F f[]w σ=175MPa ,容许剪应力[]τ=100MPa 。
长沙市浏阳河隧道一标暗挖段仰拱栈桥设计及结构强度检算中国中铁股份有限公司浏阳河隧道项目部2008年10月1、全幅封闭仰拱施工方法为了加快施工速度,确保仰拱施工质量,浏阳河隧道左右线宜采用全幅封闭仰拱施工工艺。
首先进行仰拱土方开挖,仰拱槽段土方采用松动爆破开挖,挖掘机配合修边及装碴,大型自卸汽车运输。
仰拱槽段开挖完毕后进行初支型钢拱架成环支护,型钢间距5~0.8m(同上部初支型钢拱架间距),与上部初支型钢拱架采用螺栓连接,使拱架封闭成环,纵向采用φ22钢筋牢固焊接,钢筋环向间距1.0m 。
初支型钢拱架成环支护后,即进行仰拱砼双层钢筋制安,完成后即可进行仰拱砼浇注工作,仰拱砼为C25防水砼,灌注至二衬砼设计高度后并达一定强度后,在其上接着回填C15砼至仰拱设计高度。
仰拱一次施工完毕,每一次施作长度为6m 。
由于不影响二衬施工,边墙水沟在拱墙二衬完成后进行施工,仰拱上约36cm 复合路面待隧道贯通后施工。
为了减少仰拱施工对隧道内运输线路的干扰,在前方工作不需要运输时即进行槽段土方开挖,初步完成后即在仰拱槽段上方架设两片自制简易仰拱栈桥,以备大型自卸汽车通过仰拱施工段。
由于并不干扰隧道内运输线路,在仰拱槽段上方通车的同时,可对仰拱进行一次性全幅施工(包括仰拱二衬钢筋砼施工及仰拱砼回填)。
仰拱砼施工由专业作业队施工,确保仰拱施工段距前方开挖面不超过50 m ,确保仰拱施工段距后方拱墙二衬约50m ,并与拱墙二衬平行作业,均衡向前推进。
仰拱施工总的要求是:仰拱开挖断面符合设计要求,不许欠挖;施作仰拱混凝土前应清除隧底虚碴、杂物和积水;超挖部分采用同级混凝土回填。
2、全幅封闭仰拱施工工艺为保证砼“尺寸准确,强度合格,内实外美,不渗不漏”,把二次衬砌砼以管沟盖板顶下15cm 为分界线,分边墙基础及拱墙两部分施工。
分界线以上部分用模板台车整体浇注,分界线以下部分用人工立模浇筑。
施工顺序:仰拱(有仰拱地段)超前→边墙基础→拱墙衬砌→人工立模沟槽施工。
仰拱栈桥施工作业指导书12.1 适用的范围条件本作业指导书适用于仰拱初期支护、仰拱衬砌、仰拱填充整幅施工作业。
12.2 施工设备及机具仰拱砼全部采用生产能力为100m3/h的全自动计量搅拌站拌制,6 m3砼搅拌运输车运送砼,砼输送泵泵送砼入模,为防止砼离析影响砼质量,砼进入砼输送泵前要进行二次拌和,采用插入式及附着式捣固器振捣砼。
砼达到2.5MPa强度后脱模,脱模后立即进行填充砼,砼填充砼达到5MPa后方可行人,100%强度后方可行车。
12.3 施工工艺流程施工作业总体的施工步骤:栈桥架设→隧底底板开挖及清理→架立钢拱架→仰拱喷射砼→砼养护→绑扎衬砌钢筋→立模、安设止水带→浇注衬砌砼→砼养护→中心水沟支座架设→中心水沟固定→立仰拱填充模板→仰拱填充混凝土施工→砼养护12.4 施工作业说明12.4.1栈桥施工根据隧道施工的实际情况,与开挖面的设备配置和施工进度要求相适应,仰拱衬砌及回填采用移动式仰拱栈桥方案,栈桥主梁用贝雷桁架拼装而成,桥面满铺10mm的防滑板,栈桥主梁长32m和20m两种规格,桥面有效宽为3.5m。
(1)移动步骤顶升前后液压缸,前后轮抬起,使后支脚离地,并保持桥面相对水平。
牵引车挂住前端车轮平衡梁上的铰点缓慢匀速行走(2m/min左右)。
当后端测距雷达第一个探头位于隧洞已浇筑底板边沿时,牵引车停止行走,栈桥在惯性力作用下向前行一定距离,但距离不大。
放置前后工作支撑,收回前后液压缸,安装前后端引桥(2)注意事项安装桁架顶部拉杆,以增加栈桥移动行走时的扭转刚度。
行走要缓慢。
行走时路面要相对平整,防止桥体过大振动、扭曲,而损坏结构。
如果后端混凝土强度小,出现较大车轮碾压痕迹,应铺设一小段钢板,通过倒换,使车轮落在钢板上行走。
栈桥前后支撑应尽可能放平,前端支撑和引桥应与地面岩石接触牢固,以防止载荷汽车对桥的冲击引起桥的位移。
载荷汽车上桥速度要缓慢,行驶速度也不能快,小于5km/h。
应避免在桥面上瞬间加减速。
栈桥计算书1 概述1.1 设计说明本工程项目拟建栈桥结构形式为4排单层贝雷桁架,使用900型标准贝雷花架进行横向联结,栈桥纵向标准设计跨径为12m+9m;桥面系为专用桥面板;横向分配梁为I22,间距为0.75m;基础采用υ630×7mm和υ820×7mm钢管桩,为加强基础的整体稳定性,每排钢管桩间均采用[20号槽钢连接成整体;墩顶横梁采用2工36a。
栈桥布置结构形式如下图1。
图1、栈桥一般构造图(单位:cm)1.2 设计依据1)《公路桥涵设计通用规范》(JTG D60-2004)2)《公路桥涵地基与基础设计规范》(JTJ024-85)3)《公路桥涵钢结构及木结构设计规范》(JTJ025-86)4)《公路桥涵施工技术规范》(JTJ041—2000)5)《海港水文规范》(JTJ213-98)1.3 技术标准1)设计顶标高;2)设计控制荷载:栈桥运营期间:施工重车荷载主要表现在混凝土罐车满载,自重20T+载重30T,考虑1.3的动力系数,按照65T荷载对栈桥桥面板及分配梁I22a进行验算;考虑本栈桥桥位实际地理条件,其施工工艺采用50T履带吊,50T履带吊自重50T+吊重15T,考虑车辆自重及1.3的车辆冲击系数,栈桥设计中选择85吨履带吊车荷载进行贝雷梁及承重梁的验算;3)设计行车速度10km/h。
2 荷载布置2.1 上部结构恒重(4米宽计算)1)钢便桥面层:8mm厚钢板,单位面积重62.8kg,则4.08kN/m。
2)面板加劲肋工12.6,单位重14.21kg/m,则0.14kN/m,间距0.24m 。
3)面层横向分配梁:I,单位重33.05kg/m,则0.33kN/m ,1.32kN/根,间距1.5m;224)纵向主梁:横向4排321型贝雷梁,4.3kN/m;5)桩顶分配主梁:2I,单位重60 kg/m ,则1.2kN/m。
36a2.2 车辆荷载1)轮压:车轮接地尺寸为0.5m×0.2m;图2、罐车荷载布置图2:50T履带吊横向及纵向布置图(469mm×76mm)单侧履带压:单侧履带着地尺寸为0.76m×4.69m,单侧履带荷载按线性荷载计算为850 kN/m÷2÷4.69=90kN/m。
浙江省乐清湾大桥及接线工程乐清湾2号桥栈桥设计计算书中交第一公路工程局有限公司乐清湾2号桥项目部二O一四年九月目录乐清湾2号桥栈桥设计计算书一、计算说明1.1、设计依据乐清湾2号桥施工图乐清湾2号桥招标文件《公路桥涵设计通用规范》(JTG D60-2004)《公路工程技术标准》(JTG B01-2003)《钢结构设计规范》(GB 50017-2003)《路桥施工计算手册》(周水兴等编著)《建筑结构静力计算手册》2004版《港口工程荷载规范》(JTJ215-98)《港口工程桩基规范》(JTJ254-98)1.2、技术标准1.2.1 荷载1)旋挖钻机,行走运输状态自重130t,考虑1.2冲击系数;2)70t履带吊,自重+吊重=90t,考虑侧吊偏载;3)10m3混凝土搅拌运输车,自重加混凝土重40t;4)公路一级荷载;其中以130t旋挖钻行走荷载最重,为栈桥设计的主要荷载。
1.2.2 宽度、车速栈桥设计车速:15km/h。
考虑施工车辆通行需求和合同要求,栈桥宽度为8m,并设置1m宽人行专用通道,用警示柱隔离。
1.2.3 水流力按流速1.75m/s考虑。
1.2.4 材料参数1)Q235钢材参照《钢结构设计规范》(GB50017-2003)σ抗拉、压[]pa215M=τ抗剪[]pa=119M2)贝雷梁双排单层(不加强)贝雷梁容许弯矩1576.4KN·m;双排单层(不加强)贝雷梁容许剪力490.4KN。
二、栈桥结构主栈桥全长2.9Km,栈桥宽8.0m,桥面系由上往下依次为1.2cm厚花纹钢板匹配I14小纵梁,间距35cm(或1.0cm厚花纹钢板匹配I12.6小纵梁,间距30cm);工25a横向分配梁,间距150cm。
纵梁向主梁采用贝雷梁,标准联布置为3×12+3+3×12,中间3米为制动墩,标准跨12m。
栈桥基础为φ800×8mm钢管桩,分配梁采用2600200HN⨯或3500200HN⨯,栈桥横断面见下图2.1-1。
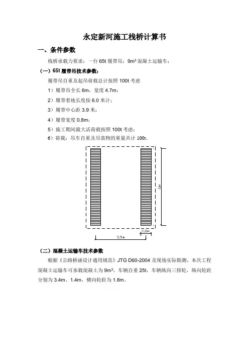
永定新河施工栈桥计算书一、条件参数栈桥承载力要求:一台65t履带吊;9m3混凝土运输车;(一)65t履带吊技术参数:履带吊自重及起吊荷载总计按照100t考虑1)履带吊全长6m,宽度4.7m;2)履带着地长度按6.0米计;3)履带中心距3.9米;4)履带宽度0.8m;5)施工期间最大活荷载按照100t考虑;6)荷载:吊车自重及吊装物的重量共计100t。
(二)混凝土运输车技术参数根据《公路桥涵设计通用规范》JTG D60-2004及现场实际勘测,本次工程混凝土运输车可承载混凝土为9m3,车辆自重25t,车辆纵向三排轮,纵向轮距分别为3.4m、1.4m,横向轮距为1.8m。
前轮着地面积(单排轮)后轮着地面积(双排轮)二、相关计算(一)履带吊计算履带吊产生的单位面积荷载值:2/1028.0628.9100m kN A Q q =⨯⨯⨯==1、18×18cm 方木计算对于方木的计算,以上层单拼I360b 工字钢为支点,工字钢间距为0.6m ,即方木计算跨度为0.6m 。
采用最不利的布置方式,即0.8m 单侧履带吊荷载全部作用于方木上,计算简图如下:线荷载:m kN q /36.1818.01021=⨯=计算结果如下: 弯矩图:2剪力图:x2位移图:x从图中可以看出:方木最大弯矩值m kN M ⋅=83.0max ,最大剪力值kN V 51.5max =, 最大位移位移第1单元的中部:mm f 03.0max = 方木正应力:226max max/62.0200200611083.0mm N WM =⨯⨯⨯==σ<[]2/11mm N f m =方木剪应力:23max max/21.02002001051.52323mm N A V =⨯⨯⨯=⋅=τ<[]2/2.1mm N f v = 以上均满足相关设计规范要求。
2、上层I360b 工字钢纵梁计算纵梁采用I560b 工字钢,纵梁间距0.6m ,其下部采用双拼I360b 工字钢作为支撑。
目录1.工程概况 (1)2.计算复核依据 (3)3.计算荷载及工况组合 (3)3.1基本计算参数 (3)3.2计算荷载 (3)3.3荷载组合 (5)4.栈桥上部结构复核 (5)4.1 桥面板复核 (5)4.1.1面板强度复核 (5)4.1.2面板刚度复核 (6)4.2 桥面板纵肋板复核 (6)4.2.1纵肋强度复核 (6)4.2.1纵肋刚度复核 (8)4.3横向分配梁复核 (8)4.3.1横向分配梁强度复核 (8)4.2.1横向分配梁刚度复核 (10)4.4贝雷复核 (10)4.4.1 贝雷布置 (10)4.4.2 横向分布系数计算 (10)4.4.3计算模型 (12)4.4.4复核计算结果 (13)4.5桩顶I45横梁复核 (16)4.6错车平台复核 (17)4.6.1 错车平台布置 (17)4.6.2横向分配梁验算 (17)4.6.3贝雷验算 (18)5.基础承载力验算 (21)5.1 钢管桩受力计算 (21)5.2 钢管桩承载能力验算 (21)5.3钢管桩强度计算 (22)5.4 钢管桩受压整体稳定计算 (22)6.复核意见 (22)1.工程概况神定河栈桥全长243.4m,共有3联,桥跨布置为〔12+(15+3)×3+15〕+〔(15+3)×2+15+15+12〕+12×7,在栈桥中间设置36米长的错车平台。
标准桥宽:5.0m,加宽段8.5m。
栈桥上部结构主分配梁为6排贝雷梁,贝雷梁之间采用花架交叉连接。
次分配梁采用I25a,以60cm间距布置,固定于贝雷梁上部。
次分配梁上部布置I12.6做为面板纵肋,间距20cm。
采用δ12mm厚花纹钢板做为面板,面板与纵肋焊接固定,增强整体稳定性。
基础采用φ820mm×10mm钢管桩桩基墩柱,每排墩布置2根,间距3.5m,加宽段每排墩布置3根,间距3.5m。
钢管间设I25a横联,并设置[20槽钢交叉斜撑。
桩顶横梁为2I45b的工字钢。
宣城市宣狸路改建工程 L4 标 北山河大桥临时栈桥计算书安徽省公路桥梁工程公司 2010 年 12 月 30 日宣狸路改建工程 L4 标北山河钢便桥栈桥计算书计算书1 概述1.1 设计说明本工程项目位于宣城市狸路改建工程第四合同段。
拟建栈桥长约132km,桥面宽 4.0m,跨越北山河桥。
拟建栈桥结构形式为4排单层贝雷桁架,桁架间距0.9m,标准跨径为12m,通航孔 位置设置15m跨径;桥面系为厚度为6mm钢板与间距为24cm的工12.6焊接而成的组合桥 面板;横向分配梁为I22,间距为0.75m;基础采用φ529×7mm和φ630×8mm钢管桩, 为加强基础的整体稳定性,每排钢管桩间均采用[20号槽钢连接成整体;墩顶横梁采 用2工40a。
栈桥布置结构形式如下图1。
图1 栈桥一般构造图(单位:cm)1.2 设计依据1)《公路桥涵设计通用规范》 2)《公路桥涵地基与基础设计规范》2(JTG D60-2004) (JTJ024-85)宣狸路改建工程 L4 标北山河钢便桥 3)《公路桥涵钢结构及木结构设计规范》 4)《公路桥涵施工技术规范》 5)《海港水文规范》 6)大桥图纸计算书 (JTJ025-86) (JTJ041—2000) (JTJ213-98)1.3 技术标准1)设计控制荷载:120吨重箱梁运输车辆(考虑车辆自重及安全系数);50T履 带吊+15T吊重(考虑冲击系数),按85T吨计。
2)设计使用寿命:2年; 3)设计行车速度10km/h。
2 荷载布置2.1 上部结构恒重(4 米宽计算)(1)钢便桥面层:8mm 厚钢板,单位面积重 62.8kg/m2,则 4.08kN/m。
(2)I12.6 单位重 14.21kg/m,则 0.14kN/m,间距 0.24m 。
(3)I22a 单位重 33.05 kg/m,则 0.33kN/m,1.98KN/根,最大间距 0.75m。
(4)纵向主梁:横向4排321型贝雷梁,4.4KN/m; (5)桩顶分配主梁:2I ,单位重67.56 kg/m ,则1.35kN/m。
一、概况为确保隧道施工畅通,并保证掌子面与仰拱同时施工的需要,经研究决定在施工仰拱时,临时架设一副栈桥。
从结构可靠性、经济性及施工工期要求等多方面因素综合考虑,仰拱栈桥采用8片140a工字钢作为主梁,4片为一组,两组工字钢间净距60cm工字钢上横向满铺L22螺纹钢(间距)。
设计栈桥承载不小于40吨(不含栈桥自重,隧道施工用车中最大重量为35吨)。
二、荷载分析根据现场施工需要,栈桥承受荷载主要由桥梁自重荷载q,及车辆荷载P 两部分组成,其中车辆荷载为主要荷载。
如图1所示:D图1为简便计算方法,桥梁自重荷载按均布荷载考虑,车辆荷载按集中荷载考虑。
以单片工字钢受力情况分析确定q、P值。
1、q值确定由资料查得I40a工字钢每米重,d22螺纹钢每米铺设20根,每根长,cL22螺纹钢每米铺设重。
单片工字钢自重按m计算,即q=m2、P值确定根据施工需要,栈桥要求能通过后轮重40吨的大型车辆,及单侧车轮压力为200KN单片I40a工字钢尺寸如图2:因车轮单个宽 30cm 因此必须求出车 轮中心点处最大压力 f max ,I40a 工字钢翼板 宽,每片工字钢间横向 间距为21cm 由于上方空22螺纹钢铺满桥面,因此单侧车轮同时均匀的作用于4片工字钢上。
而f 按图3所示转换为直线分布,如图4:由图4可得到f max=F/4=50KN 取50KN由于栈桥设计车辆匀速通过,车辆对桥面的冲击荷载较小,故冲 击荷载不考虑,P=50KN 三、结构强度检算由图1所示单片工字钢受力图示,已知q=m P=50KN 工字钢计算 跨径l =10m 根据设计规范,140a 工字钢容许弯曲应力 w=175MPa容许剪应力 =100MPa如单侧车轮压力由4片梁同时承受,Irl1、计算最大弯矩及剪力最大弯距(图1所示情况下):2、验算强度正应力验算:M max /w 167.738KN m 1090cm 3153.888MPa(w 为I40a 工字钢净截面弹性抵抗矩,查表得到为1090cm )剪力验算:由于工字钢在受剪力时,大部分剪力由腹板承受,且腹板中的剪 力较均匀,因此剪力可近似按V/(h w t w )计算。
施工平台(栈桥)承载力计算书(12根桩基)一、单桩承载力验算1、计算公式Qu=λsUΣq sui l iq sui、-桩周第i层土的极限侧阻;l i-桩周第i层土的厚度;λs-侧阻挤土效应系数;2、基本参数参照设计图纸及《建筑施工手册第四版》可知:q su2=30kPa(粉砂)l2=8m,λs=0.83、单桩承载力Qu=λsUΣq sui l i=0.8×3.14×0.6×30×8=361.73KN考虑0.5的安全系数,单桩承载力为241.2KN二、纵向钢梁受力计算本施工平台分配梁上铺设单拼36#b工字钢,其计算跨径为5.5m。
取最不利情况做受力计算(7棵工字钢中5棵受力,最边两棵工字钢不受力),所以单跨单棵工字钢受力为:70吨(整个施工平台)/2(两跨)/5(5棵工字钢受力)=7吨=70KN(1)抗弯强度计算1)跨中最大弯矩计算Mx=ql2/8l-计算跨径,l=5.5mq-均布荷载,q=70/5.5=12.73KN/mMx=(12.73×5.5×5.5)/8=48.14KN·m2)强度计算M x/W nx≤f-----------------------------由《钢结构设计规范》中查得M x-最大计算弯矩,M x=48.14KNmf-钢材抗弯强度设计值,f=215N/mm2W nx-工字钢的截面抵抗矩,取920.8mm3则:M x/nW nx=(48.14×1000)/920.8=52.28N/mm2<f=215N/mm2(2)抗剪承载力计算1)最大剪力V max=0.5×q×l=0.5×48.14×5.5=132.39KNl-计算跨径,l=5.5m2)抗剪计算Τmax=VS/It w≤f vV-计算截面沿腹板平面作用的剪力,V=132.39KNf v-钢材抗剪强度设计值,f v=125N/mm2S-36b工字钢面积矩541.2cm4I-36b工字钢的截面惯性矩16574cm3I/S=16574cm4/541.2cm3=31cmt w-腹板厚度,取12mmΤmax=VS/It w=(132.39×1000)/(31×10×12)=35.59/mm2<f v=125N/mm2(3)型钢变形计算5ql4/n384EI≤[f] --------------由《建筑施工脚手架实用手册》中查得q-荷载,q=48.14KN/ml-工字钢的跨径,l=5.5m。
北排河桥梁改造工程栈桥施工方案及技术总结[1] 栈桥[2]栈桥拆除方案[3] 栈桥计算书[4]栈桥施工安全规定[5] 栈桥施工进度计划表[6]栈桥施工实施细则[7] 栈桥施工总结*****路桥公司北排河桥梁改造工程栈桥施工方案编制: xue日期:2008-6-12北排河桥梁改造工程栈桥计算程及施工方案一、设计说明1、工程概况1.1、采用规范和技术标准:1)采用规范交通部《公路工程技术标准》JTG B01-2003交通部《公路圬工桥涵设计规范》JTG D61—2005交通部《公路桥涵设计通用规范》JTG D60-2004交通部《公路钢筋混凝土及预应力混凝土桥涵设计规范》JTGD62—2004交通部《公路桥涵地基与基础设计规范》JTG024—85交通部《公路工程抗震设计规范》JTG004—89交通部《公路路基设计规范》JTG D30-2004交通部《公路工程地质勘察规范》JTG064—98交通部《公路基本建设工程投资估算编制办法》;《中国地震动参数区划图》GB18306—2001交通部《公路水泥混凝土路面施工技术规范》JTGF30-20032)技术标准根据道路横断面布置,桥梁设计为单幅桥。
(1)设计基准期:100年(2)桥梁分类:大桥(3)设计安全等级:二级(4)设计洪水频率:1/50(5)设计荷载等级:公路-Ⅱ级(6)设计环境类别:Ⅱ(7)地震动峰值加速度:0。
15g(8)斜交角度:900(9)桥面坡度:纵坡0%;横坡1。
5%(单幅双向坡)1。
2工程材料1)混凝土梁板:C30混凝土绞缝、垫石:C40小石子混凝土墩台盖梁、挡块、耳背墙、防撞护栏及搭板:C30混凝土墩台桩基:C25混凝土桥面水泥铺装:C40聚丙烯纤维微膨胀防水混凝土2)钢材R235(Ⅰ级)钢、HRB335(Ⅱ级)钢、HRB400(Ⅲ级)钢1。
3设计要点桥梁结构计算根据现行规范要求进行上部结构:该桥结构为简支空心板梁结构,采用铰接板法进行横向分配基桩配筋设计:墩台基桩配筋设计根据计算的基桩最不利组合时最大内力值,并考虑荷载效应后,进行配筋设计。
目录1 工程概况................................................................................................................................ - 1 -2 编制依据................................................................................................................................ - 1 -3 支栈桥施工方案.................................................................................................................... - 2 -4 支栈桥计算............................................................................................................................ - 2 -4.1 结构形式...................................................................................................................... - 2 -4.2 荷载工况...................................................................................................................... - 3 -4.3 荷载组合...................................................................................................................... - 3 -4.4 建立模型...................................................................................................................... - 4 -4.4.1 模型单元 ......................................................................................................... - 4 -4.4.2 边界条件 ......................................................................................................... - 4 -4.4.3 支栈桥整体模型 ............................................................................................. - 4 -4.5 支栈桥计算分析.......................................................................................................... - 4 -4.5.1 支栈桥整体变形 ............................................................................................. - 4 -4.5.2 面板组合应力 ................................................................................................. - 5 -4.5.3 面板分配梁组合应力 ..................................................................................... - 5 -4.5.4 贝雷梁支撑花架组合应力 ............................................................................. - 6 -4.5.5 贝雷片主桁腹杆组合应力 ............................................................................. - 6 -4.5.6 贝雷片主桁上弦杆组合应力 ......................................................................... - 7 -4.5.7 贝雷片主桁下弦杆组合应力 ......................................................................... - 7 -4.5.8 钢管桩桩顶分配梁组合应力 ......................................................................... - 8 -4.5.9 钢管桩平联组合应力 ..................................................................................... - 9 -4.5.10 钢管桩组合应力 ........................................................................................... - 9 -4.5.11 钢管桩支撑反力.......................................................................................... - 10 -4.5.12 钢管桩稳定性分析 ..................................................................................... - 10 -4.5.13 钢管桩入土深度计算 ................................................................................. - 12 -支栈桥设计计算书1 工程概况五峰山过江通道南北公路接线工程是江苏省“五纵九横五联”高速公路网规划中“纵三”组成部分,北接京沪高速公路(G2),南联沪宁高速公路(G42),是京津地区和长三角地区间南北向最便捷的过江通道。
施工平台、钻孔平台、辅助栈桥设计及施工方案 页脚内容1 韶关浈江大桥钢栈桥施工方案 1 栈桥概述 新建铁路赣州至韶关段韶关浈江大桥处于浈江急湾段,桥位处河宽约200m,线路与河流斜交角度为15度。桥址处地表为第四系全新统人工填筑粉质黏土,残坡积粉质黏土,第四系全新统冲、洪积粉质黏土、粉砂和卵石土,下伏石炭系下统石灰岩。浈江为规划Ⅶ级航道,为了尽量减少水上施工对航道的影响,根据浈江目前河床特征,结合本工程施工条件及要求,拟在韶关浈江大桥与韶关疏解线浈江大桥之间从韶关岸[D5#]墩河堤开始沿两桥中轴线位置搭设栈桥至[D3#]墩钻孔桩水上施工平台附近。栈桥设计定位为可供砼运输车与25t汽车吊在其上通行。 2 栈桥结构形式 栈桥桥面设计宽6m,总长70m,桥面标高出常用水位3m。栈桥采用双排4m一跨φ530mmδ=10mm钢管桩基础,桩长根据河床地质不同而有所不同,桩之间剪刀撑采用[12cm槽钢。 桩顶焊接□80cm×80cmδ10mm钢板作桩帽,采用I56#工字钢作为栈桥下横梁,其上搁置7条I40#工字钢间距0.9m做纵向分配梁,然后上铺间距30cm横向分配梁[14cm槽钢及桥面板为δ8mm的钢板,其中钢管桩、桩帽、下横梁、纵向分配梁构均加强焊接牢固,确保其稳固性满足荷载要求。栈桥结构形式见附图。 3 栈桥结构强度验算
3.1[14槽钢横向分配梁验算 3.1.1荷载 3.1.1.1均布荷载
桥面钢板:qa=7.85×0.008×0.3=0.019KN/m [14槽钢横向分配梁:qh=0.279KN/m 则:均布荷载合计为:q=0.298KN/m 3.1.1.2车辆荷载 栈桥设计可通过砼运输车(总荷载约40t)与25t汽车吊。只有单辆车通过栈桥。为简化计算,取汽车后轴150KN作为验算荷载。汽车后轴荷载由两根槽钢负担,因纵向分配梁间距为0.9m,则每根横向分配梁的每节段荷载为: 冲击系数:μ=a/(b+l)=20/(80+6)=0.233 P=150/4×(1+0.233)=46.24KN。 3.1.2计算模型 按单跨简支梁计算,取汽车荷载在横向分配梁跨中时验算,计算模型如图1所示。 施工平台、钻孔平台、辅助栈桥设计及施工方案 页脚内容2 图1 [14槽钢横向分配梁 3.1.3弯矩验算 Mmax=Pl/4+1/8×ql2=46.24×0.9/4+0.298×0.92/8=10.44KN.m [14槽钢横向分配梁抗弯模量=0.0805×10-3m3 σmax= Mmax /W=10.44KN.m/0.0805×10-3m3=129.7MPa<[σ0] 满足要求。 3.1.4剪力验算 Qmax=P/2+ql/2=23.26KN τmax=( QmaxSm)/(Imδ)=65.6Mpa<[τ]=100MPa 满足要求。
目 录
1. 仰拱栈桥简介........................................................................................................................... 3
2. 编制依据 .................................................................................................................................... 3
3. 结构计算参数........................................................................................................................... 3
3.1、极限荷载 ......................................................................................................................... 3
3.2、自重 ................................................................................................................................... 3
4. 抗弯计算 .................................................................................................................................... 4
5. 抗剪计算 .................................................................................................................................... 4
6. 最不利截面弯剪应力计算 ................................................................................................... 5
7. 整体稳定 .................................................................................................................................... 6
8. 疲劳计算 .................................................................................................................................... 6
9. 焊缝计算 .................................................................................................................................... 7
10. 总结 ........................................................................................................................................... 7
仰拱栈桥计算书
1.仰拱栈桥简介
仰拱施工的同时,采用仰拱便桥保证隧道开挖、初支施工的正常进行。仰拱栈
桥净跨度 11.35m,为两端简支结构,主要为满足隧道内施工车辆通行,仰拱栈桥
分左右两支设置,单支由 12 根 I25a 工字钢并排,翼缘满焊接成箱型结构,宽度
1.2m,表面焊接Φ8 圆钢防滑,两支栈桥之间宽度 1.0m,栈桥总宽度 3.4m。
2.编制依据
2.1《钢结构设计规范》GB50017-2003
2.2《鹤岗至大连高速公路小沟岭(黑吉界)至抚松段》两阶段施工图设计
2.3 现场调查的工地自然条件、区域资源条件等
3.结构计算参数
3.1、极限荷载
最大荷载为 8m3 混凝土运输车装载 6m3 混凝土时通过栈桥,8m3 混凝土运输车自
重 14t,混凝土按 2400kg/m3 计算,总质量 28.4t。综合考虑慢速通过(≤5km/h)
的动荷载、人行荷载、其他荷载等偶然因素影响,按最大总荷载的 120%考虑极限
荷载,单支极限荷载 错误!未找到引用源。 ,考虑混凝土搅拌运输车 80%以
上荷载集中在后轮,计算时按照最不利情况,以极限荷载下的点荷载作用考
虑。
3.2、自重
仰拱栈桥自重计算部分以净跨度计算,I25a 工字钢单位重量 38.1kg/m,
单
支仰拱栈桥自重荷载错误!未找到引用源。。
4.抗弯计算
根据简支梁受弯结构特性,最大荷载在简支梁中心时产生最大弯矩,栈桥最
大弯矩由点荷载弯矩和自重荷载弯矩两部分组成:
点荷载最大弯矩错误!未找到引用源。
自重荷载最大弯矩错误!未找到引用源。
抗弯计算按照《钢结构设计规范》(GB 50017-2003)中 4.1.1 公式
M
x
M
y
f(4.1.1)
γ
xWnx γyWny
式中 Mx、My——同一截面处绕 x 轴和 y 轴的弯矩(对工字形截面:x 轴为强
轴,y 轴为弱轴);
Wnx、Wny——对 x 轴和 y 轴的净截面模量; x 、 y ——截面塑性发展
系数;对工字形截面, x =1.05, y =1.20;对箱
形截面, x = y =1.05;
f——钢材的抗弯强度设计值。
仰拱栈桥单支栈桥抗弯强度计算:
f1 M M 2 (4.97 105 7.36104)10 3 112N/ mm
2
1
xWnx
1.05(4.02105 12)
I25a 工字钢采用 Q235 钢材,抗弯强度设计值为 f 205N / mm2 ,安全系
数为
k f 205 1.83
f
1
112
经验算抗弯强度满足设计要求。
5.抗剪计算
根据简支梁承重特性,简支梁剪力最大值为简支梁两端,最大剪力由自重
剪力与荷载剪力。
极限荷载剪力VA F 1.75105 N
自重剪力VB
ql
4.57 103 N / m 11.35m
2.6104N
2
2
抗剪计算采用《钢结构设计规范》(GB 50017-2003)中 4.1.2 公式
VS
f
v
(4.1.2)
It
w
式中 V——计算截面沿腹板平面作用的剪力;
S——计算剪应力处以上毛截面对中和轴的面积矩;
I——毛截面惯性矩;
tw——腹板厚度;
fv——钢材的抗剪强度设计值。
仰拱栈桥单支栈桥抗剪强度计算:
VS 1.75105 2.610 4 9.7N/mm 2 Itw 21.6 10812
I25a 工字钢采用 Q235 钢材,抗剪强度设计值为 fv 120N / mm2 ,安全系
数为
k fv 1209.7 12.4
经验算抗剪强度满足设计要求。
6.最不利截面弯剪应力计算
由极限荷载在栈桥中间位置引起的弯矩和剪力同时作用,造成中间截面工字
钢同时承受弯矩和剪力的同时作用,需对该部位弯剪应力进行校核。
校核采用《钢结构设计规范》(GB 50017-2003)中 4.1.4 公式
22cc32
1
f
(4.1.4-1)
式中 σ、τ、σc——腹板计算高度边缘同一点上同时产生的正应力、剪应力
和局部压应力,τ和σc 应按公式(4.1.2)和公式(4.1.3-1)计算,σ应按下式计
算:
M
y
(4.1.4-2)
I
n
1
σ和σc
以拉应力为正值,压应力为负值;
In——梁净截面惯性矩;
y1——所计算点至梁中和轴的距离;