微孔板吸声原理
- 格式:pdf
- 大小:79.72 KB
- 文档页数:2
多孔吸声材料的吸声机理多孔吸声材料是一种用于降低噪声和改善声学环境的材料。
它通过利用多孔材料的结构特点,使声波在材料内部发生多次反射、散射和吸收,从而起到吸声的作用。
多孔吸声材料的吸声机理主要包括孔隙结构、声波的传播和散射过程以及材料的吸声特性等方面。
多孔吸声材料的吸声机理与其孔隙结构有密切关系。
多孔材料的孔隙结构是指材料内部存在的孔隙的形状、大小、分布等特征。
这些孔隙可以分为连通和非连通两种类型。
连通孔隙是指孔隙之间存在通道,使声波能够在材料内部传播;非连通孔隙是指孔隙之间没有通道,声波无法在材料内部传播。
多孔吸声材料通常采用连通孔隙结构,因为它可以使声波在材料内部发生多次反射、散射和吸收,从而增强吸声效果。
声波在多孔吸声材料中的传播和散射过程也是吸声机理的重要方面。
当声波传播到多孔吸声材料中时,一部分声波会被材料吸收,转化为热能而消失;另一部分声波会在材料内部发生散射,改变传播方向。
这些散射和吸收过程导致声波能量的衰减,从而减少了声波的反射和传播,达到吸声的效果。
此外,多孔吸声材料的孔隙结构也会对声波的散射过程产生影响。
当声波的波长与孔隙的尺寸相当或接近时,声波会被孔隙阻挡或散射,增加了声波能量的损失,提高了吸声效果。
多孔吸声材料的吸声特性也是其吸声机理的重要方面。
多孔吸声材料的吸声特性是指材料对声波的吸收能力。
吸声特性取决于材料的吸声系数,即材料吸收声波能量的能力。
吸声系数越大,材料的吸声效果就越好。
多孔吸声材料的吸声特性与材料的孔隙率、孔隙结构、孔隙大小等因素密切相关。
孔隙率越高,孔隙结构越复杂,孔隙大小越适中,材料的吸声系数就越大,吸声效果就越好。
多孔吸声材料的吸声机理主要包括孔隙结构、声波的传播和散射过程以及材料的吸声特性等方面。
通过合理设计和选择多孔吸声材料的孔隙结构和材料特性,可以实现对声波的吸收和散射,从而达到降噪和改善声学环境的目的。
多孔吸声材料在建筑、交通工具、航空航天等领域有着广泛的应用前景,对提高人们的生活质量和工作环境起到了重要作用。
第五节噪声控制技术——吸声一、材料的声学分类和吸声特性(一)、吸声材料的分类吸声材料按其吸声机理来分类,可以分成多孔性吸声材料及共振吸声结构两大类。
1.多孔性吸声材料①无机纤维材料,如玻璃棉、岩棉及其制品。
②有机纤维材料,如棉麻植物纤维及木质纤维制品(软质纤维板、木丝板等)。
③泡沫材料,如泡沫塑料和泡沫玻璃、泡沫混凝土等。
④吸声建筑材料,如膨胀珍珠岩、微孔吸声砖等。
2.共振吸声结构由于共振作用,在系统共振频率附近对入射声能具有较大的吸收作用的结构,称为共振吸声结构。
穿孔板吸声结构微穿孔板吸声结构薄板和薄膜吸声结构等。
(二)、吸声系数和吸声量1.吸声系数吸声系数定义为材料吸收的声能与入射到材料上的总声能之比,可用吸声系数来描述吸声材料或吸声结构的吸声特性。
计算式为:式中:Ei—入射声能;Ea—被材料或结构吸收的声能;Er—被材料或结构反射的声能;r—反射系数。
a=0,表示无吸声作用;a=1,表示完全吸收。
一般的材料或结构的吸声系数在0-1之间,a值越大,表示吸声性能越好,它是目前表征吸声性能最常用的参数。
吸声系数是颇率的函数,同一种材料,对于不同的频率,具有不同的吸声系数。
平均吸声系数a:中心频率125,250,500,1 000,2 000,4 000六个倍频程的吸声系数的平均值,称为平均吸声系数a。
2.吸声量吸声材料的实际吸声量按下式计算:A=aS (7-2)吸声量的单位是m2。
房间总的吸声量A可以表示为:右式第一项为所有壁面吸声量的总和,第二项是室内各个物体吸声量的总和。
二、多孔吸声材料(一)、多孔吸声材料的吸声原理内部具有无数细微孔隙,孔隙间彼此贯通,且通过表面与外界相通,当声波入射到材料表面时,一部分在材料表面上反射,一部分则透入到材料内部向前传播。
在传播过程中,引起孔隙中的空气运动,与形成孔壁的固体筋络发生摩擦,由于粘滞性和热传导效应,将声能转变为热能而耗散掉。
声波在刚性璧面反射后,经过材料回到其表面时,一部分声波透回空气中,一部分又反射回材料内部,声波的这种反复传播过程,就是能量不断转换耗散的过程,如此反复,直到平衡,这样,材料就“吸收”了部分声能。
多孔吸声材料的吸声原理及其分类细孔共振是指当声波经过材料的孔隙时,会与孔隙之间的空气发生共振,产生摩擦阻尼和声能的转化。
这种共振现象能够有效地减弱声波的强度,达到吸声的效果。
细孔共振的吸声效果主要取决于孔隙的形状、大小和孔隙密度。
多次反射是指声波在材料内部的多个界面上反射多次,通过多次反射来达到吸声的效果。
当声波经过多次反射后,其能量会逐渐耗散和转化为热能,从而减弱声波的强度。
多次反射的吸声效果主要取决于材料的厚度和界面的形状。
根据多孔材料的吸声原理和结构特点,可以将多孔吸声材料分为以下几类:1.随机纤维状吸声材料:这类材料主要由纤维状的孔隙构成,例如纤维素纤维板和无纺布。
纤维状孔隙能够形成多次反射,吸收声波的能量。
2.泡沫吸声材料:这类材料主要由开放孔隙和半开放孔隙构成,例如泡沫塑料和多孔金属。
开放孔隙和半开放孔隙能够形成细孔共振,在各个频率范围内都有较好的吸声效果。
3.网状吸声材料:这类材料主要由网状结构和开放孔隙构成,例如玻璃纤维网和金属网。
网状结构能够形成多次反射,提高吸声效果。
4.颗粒吸声材料:这类材料主要由颗粒状孔隙构成,例如聚苯颗粒和矿物棉。
颗粒状孔隙能够形成多次反射,吸收声波的能量。
除了以上分类,还有一些复合结构的多孔吸声材料,例如细孔泡沫吸声材料和多孔复合材料。
这些材料通过不同结构的组合,能够在不同频率范围内实现更好的吸声效果。
总之,多孔吸声材料通过细孔共振和多次反射来吸收声波的能量,达到降低噪音和提高声学环境的效果。
根据材料的结构和吸声原理的不同,多孔吸声材料可以分为多种类型,每种类型都有其适用的场景和吸声效果。
吸音材料的吸音原理吸音材料是一种能够减少声波反射和吸收噪音的材料。
它在许多领域中被广泛应用,例如建筑、汽车、航空航天等。
吸音材料的吸音原理是通过改变声波的传播路径和能量分布来实现的。
一般来说,声波在遇到材料时会发生反射、透射和吸收等现象。
而吸音材料主要是通过吸收声波的能量来减少反射和传播。
吸音材料的吸音原理可以从以下几个方面来解释:1. 多孔结构:吸音材料通常具有多孔的结构,这种结构能够使声波在材料中发生多次反射和散射,从而增加声波与材料之间的接触面积,提高能量的吸收效率。
多孔结构的材料通常具有较大的表面积和较小的孔隙尺寸,这样可以增加声波的散射和摩擦,进而增加材料对声波能量的吸收。
2. 摩擦耗能:吸音材料中的多孔结构可以增加声波与材料之间的接触面积,使声波在材料中发生多次反射和散射。
这种多次反射和散射会引起声波与材料之间的摩擦,从而将声波的能量转化为热能。
这种摩擦耗能的过程可以有效地减少声波的反射和传播。
3. 惯性耗能:吸音材料中的多孔结构还可以增加声波与材料之间的接触面积,使声波在材料中发生多次反射和散射。
这种多次反射和散射会引起材料中的空气和材料颗粒的振动,从而将声波的能量转化为材料的惯性能量。
这种惯性能量的转化可以有效地减少声波的反射和传播。
4. 声波吸收层:吸音材料中通常包含一层特殊的吸音材料,这一层材料能够吸收特定频率范围内的声波能量。
这种吸音材料通常具有较好的吸声性能,可以将声波的能量转化为热能或其他形式的能量,从而减少声波的反射和传播。
吸音材料的吸音原理主要包括多孔结构、摩擦耗能、惯性耗能和声波吸收层等。
这些原理使得吸音材料能够有效地吸收声波的能量,减少声波的反射和传播。
吸音材料的应用可以提高环境的舒适性,减少噪音对人体的影响,促进工作和生活的质量。
因此,吸音材料在各个领域中的应用前景非常广阔。
多孔吸声材料多孔吸声材料是普遍应用的吸声材料,其中包括各种纤维材料:超细玻璃棉、离心玻璃棉、岩棉、矿棉等无机纤维,棉、毛、麻、棕丝、草质或木质纤维等有机纤维。
纤维材料很少直接以松散状使用,通常用胶黏剂制成毡片或板材,如玻璃棉毡(板)、岩棉板、矿棉板、木丝板、软质纤维板凳。
微孔吸声砖等也属于多孔吸声材料。
泡沫塑料,如果其中的空隙相互连通并通向外表,可作为多孔吸声材料。
一、多孔材料的吸声机理多孔吸声材料具有良好吸声性能的而原因,不是因为表面的粗糙,而是因为多孔材料具有大量内外两桶的微小空隙和空洞。
图12-1(a)表示了粗糙表面和多孔材料的差别。
那种认为粗糙墙面(如拉毛水泥)吸声好的概念是错误的。
当声波入射到多孔材料上,声波能顺着微孔进入材料的内部,引起空隙中空气的振动。
由于空气的黏滞阻力、空气与孔壁的抹茶和热传导作用等,使相当一部分声能转化为热能而被损耗。
因此,只有孔洞对外开口,孔洞之间互相连通,且孔洞深入材料内部,才可以有效地吸收声能。
这一点与某些隔热保温材料的要求不同。
如聚苯和部分聚氯乙烯泡沫塑料以及加气混凝土等材料,内部也有大量气孔,但大部分单个闭合,互补连通(见图12-1b),他们可以作为隔热温饱材料,但吸声小郭却不好。
二、影响多孔材料吸声系数的因素多孔材料一般对中高频声波具有良好的吸声。
影响和控制多孔材料吸声特性的因素,主要是材料的孔隙率、结构因子和空气流阻。
孔隙率是指材料中连通的空隙体积和材料总体积之比。
结构因子是有多孔材料结构特性所决定的物理量。
空气流阻反应了空气通过多孔材料阻力的大小。
三则中以空气阻留最为重要,它定义为:当稳定气流通过多孔材料时,材料两面的静压差和气流线速度之比。
单位厚度材料的流阻,称为“比流阻”。
当材料厚度不大时,比流阻越大,说明空气穿透两就小,牺牲性能就下降,但比流阻大小,声能因摩擦力、黏滞力而损耗的效率就低,吸声性能就会下降。
所以,多孔材料存在最佳流阻。
当材料厚度充分大,比流阻小,则吸声就打。
多孔吸声材料
多孔吸声材料是一种能够有效吸收环境中噪音的材料,广泛应用于建筑、汽车、航空航天等领域。
它具有优良的吸声性能,能够有效减少噪音对人体的影响,提高环境的舒适度。
本文将介绍多孔吸声材料的原理、特点、应用领域以及未来发展方向。
多孔吸声材料的原理是利用材料内部的孔隙结构和材料本身的阻尼特性,将噪
音能量转化为热能而达到吸声的效果。
这种材料通常由多孔隙材料和阻尼材料组成,多孔隙材料用于吸收高频噪音,而阻尼材料用于吸收低频噪音。
通过合理设计材料的孔隙结构和厚度,可以实现对不同频率噪音的有效吸收。
多孔吸声材料具有吸声效果好、重量轻、易加工成型、耐高温、耐腐蚀等特点。
它可以有效减少建筑内部和车辆内部的噪音,提高人们的工作和生活质量。
在建筑领域,多孔吸声材料被广泛应用于各类办公室、会议室、影音室等需要降噪处理的场所;在汽车领域,多孔吸声材料被应用于汽车内饰、发动机舱、车身板等部位,有效降低了汽车的噪音水平。
未来,随着人们对环境噪音的重视和对舒适性要求的提高,多孔吸声材料将会
得到更广泛的应用。
同时,随着科技的发展,新型多孔吸声材料的研发也将成为一个热点。
人们将继续探索材料的微观结构和声学特性,以提高多孔吸声材料的吸声性能和耐久性,满足不同领域对噪音控制的需求。
总的来说,多孔吸声材料是一种具有广泛应用前景的材料,它在降噪领域发挥
着重要作用。
随着技术的不断进步和应用需求的不断增加,相信多孔吸声材料将会得到更好的发展,并为人们的生活和工作环境带来更多的舒适和便利。
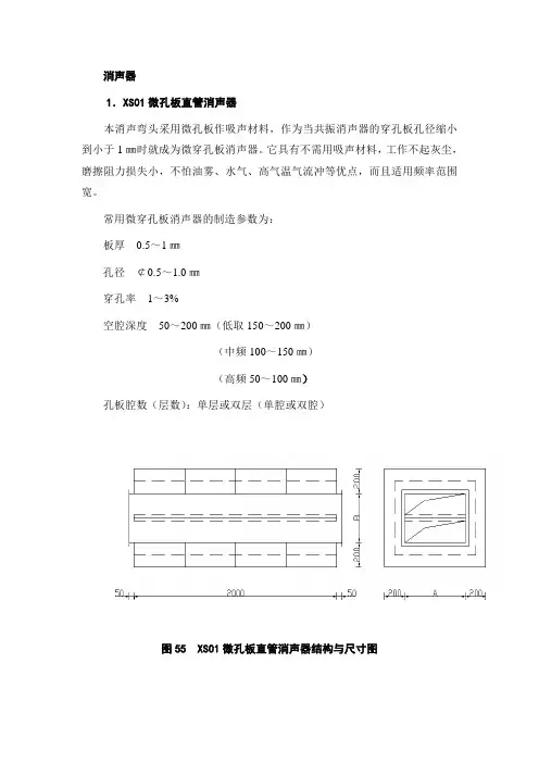
消声器1.XS01微孔板直管消声器本消声弯头采用微孔板作吸声材料,作为当共振消声器的穿孔板孔径缩小到小于1㎜时就成为微穿孔板消声器。
它具有不需用吸声材料,工作不起灰尘,磨擦阻力损失小,不怕油雾、水气、高气温气流冲等优点,而且适用频率范围宽。
常用微穿孔板消声器的制造参数为:板厚 0.5~1㎜孔径¢0.5~1.0㎜穿孔率 1~3%空腔深度 50~200㎜(低取150~200㎜)(中频100~150㎜)(高频50~100㎜)孔板腔数(层数):单层或双层(单腔或双腔)图55 XS01微孔板直管消声器结构与尺寸图表40 微穿孔板消声器的消声量和阻损表41 微穿孔板消声器系列及规格2.XS02微孔板式弯头微穿孔板消声弯头、消声频带宽,阻力损失小,适用于有防潮、耐高温及洁净要求的空调通风系统中。
图56 XS02微孔板式弯头结构与尺寸图表42 XS02微孔板消声弯头单双层消声量及阴损性能参数表表43 XS02规格系列注:单层弯头腔深100㎜,双层弯头200㎜。
表44 常用微穿孔板吸声性能表3. XS03阻抗式直管消声器适用:本系列产品为国标消声器之一,由木框或钢板折弯作骨架的玻璃板吸声片及内管截面的突变和内外管之间的膨胀室所构成外壳呈矩形,对中低频及高频都有较大的消声作用,可用于降低空气调节,采暧通风系统中的中低压风机噪声。
性能:消声量低频R =10-15分贝/米中频R =15-25分贝/米 高频R =25-30分贝/米阻力系数 ξ= 0.4阻力损失 H = ξO mmH zgrV 22图57 XS03结构与尺寸图表45注:1-4 号为单节使用,5-10 号为多节串联使用。
4.XS04阻抗式消声弯头本消声弯头采用外角内圆结构,有利于提高消声效果,减少阻力损失,降低再生噪声,外壳采用钢板(或镀锌板),吸声材料为玻璃卡布隆包裹超细玻璃棉或无纺布,并以木框(或钢框)作龙骨,保证吸声材料在高速气流下的稳定性。
图58 XS04结构与尺寸图表46表47 性能参数。
物理性污染指标一.名词解释1.物理环境:在地球表面自然环境系统中存在的重力场、地磁场、电场、辐射场等物理因素的作用下,自然界中各种物质都在以不同的运动形式进行能量的交换和转化。
物质能量交换和转化的过程即构成了物理环境。
2.人工物理环境:人类活动的物理因素不同程度地干预天然物理环境所生成的次生物理环境。
3.噪声:凡是人们不需要的声音4.声音的频谱:组成声音的各种频率的分布图形。
5.频谱分析:观察频率的分布,分析声压级所对应的频率6.A计权声级:能较好反映人耳对噪声强度与频率的主观感觉,对一个连续的稳态噪声是一种较好的评价方法。
7.等效连续A声级:某时段内的非稳态噪声的A声级,用能量平均的方法,以一个连续不变的A声级来表示该时段内噪声的声级。
8.消声器:一种允许气流通过,又能有效阻止或减弱噪声向外传播的装置。
9.有源噪声控制:在指定区域内人为地产生一个次级声信号、有目的地去控制初始声信号以达到降噪目的的技术方法。
10.振动污染:振动超过一定的界限,从而对人体的健康和设施产生损害,对人的生活和工作环境形成干扰,或使机器、设备和仪表不能正常工作。
11.积极减振也称主动减振:是在机器与基础之间安装弹性支承即隔振器,减少机器振动激振力向基础的传递量,迫使机器的振动得以有效隔离的方法。
12.消极减振也称被动隔振:在仪器设备与基础之间安装弹性支承(即隔离器),以减少基础的振动对仪器设备的影响程度,使仪器设备能正常工作或不受损害。
13.电磁辐射污染:人类使用产生电磁辐射的器具而泄露的电磁能量流传播到室内外空间中,其量超出环境本底值,且其性质、频率、强度和持续时间等综合影响引起周围受辐射影响人群的不适感,并使健康和生态环境受到的损害。
14.天然本底辐射:天然辐射主要来自宇宙辐射、地球和人体内的放射性物质。
15.人工辐射源:对公众造成自然条件下原本不存在的辐射的辐射源。
16.热环境:又称环境热特性,是指提供给人类生产、生活及生命活动的生存空间的温度环境,它主要是指自然环境、城市环境和建筑环境的热特性。
多孔吸声材料的吸声原理多孔吸声材料的吸声原理,其实说白了,就是让我们身边的噪音不再那么刺耳。
想象一下,某个热闹的地方,旁边的人在大声聊天,音乐响得飞起,感觉像在打仗一样。
这时候,要是有些吸声材料在旁边,就像给耳朵穿上了一层软绵绵的保护罩,噪音就被吸收了,周围环境顿时宁静了不少。
大家可能会问,这些材料究竟是怎么做到的呢?原理并不复杂,多孔的结构就是它们的秘密武器。
就像蜂巢一样,里面有许多小孔洞,这些孔洞就像是吸音的小能手,能够把声波捕捉住,逐渐减弱它们的能量。
声波通过空气传播,撞上这些多孔材料时,就像小鸟撞上了柔软的云朵,瞬间就被吸住了。
那些小孔就像无数的小手,紧紧抓住声波,声波在里面来回折腾,渐渐地失去了力气。
就像我们在游泳池里,水花四溅,但一旦你潜入水下,四周就变得安静无比。
这些吸声材料正是利用了这种道理,把声波的能量消耗掉,让它们无法再继续传播。
咱们日常生活中常见的吸声材料,比如泡沫、岩棉、纤维板等等,都是这种“消音高手”。
而且这些材料的颜色和形状多种多样,既实用又美观,放在家里或办公室里,不仅能改善声环境,还能增添一丝艺术气息。
聊聊这些材料的应用场景。
像电影院、音乐厅、录音棚等等地方,都是大展身手的地方。
在这些场所,音质可谓是至关重要,稍微一点杂音就会影响观众的体验。
这时候,多孔吸声材料就派上了用场。
它们被巧妙地布置在墙壁、天花板,甚至地板上,像是给整个空间披上了一层隐形的保护衣,让每一个音符都能清晰地传到每一个角落。
这不仅提高了声音的质量,还让人们的听觉体验更上一层楼,简直是听觉的盛宴啊!除了专业场所,咱们的家庭环境同样需要这样的“安静守护者”。
你想想,家里小朋友嬉闹、宠物汪汪叫,再加上电视的声音,简直是一个小型的交响乐团。
用上吸声材料之后,整个家都变得温馨了许多。
那些大声的噪音被悄悄地吸走了,家里的气氛变得更和谐,聊天时也能清清楚楚,不再像在打电话时隔着一座山。
如果你是个音乐爱好者,想在家里录音或者练习乐器,这些材料简直就是你的好伙伴。
多孔吸声材料的吸声原理及其分类一、多孔材料的吸声原理惠更斯原理:声源的振动引起波动,而波动的传播是由于介质中粒子之间的相互作用。
在连续介质中,任何一点的振动都会直接引起相邻颗粒的振动。
声波在空气中的传播符合其原理。
多孔吸声材料有许多微小的缝隙和连续的气泡,因此具有一定的透气性。
当声波入射到多孔材料表面时,主要有两种机制导致声波衰减:首先,声波产生的振动导致小孔或缝隙中的空气运动,导致与孔壁摩擦。
靠近孔壁和纤维表面的空气在孔壁的影响下不易移动。
由于摩擦力和粘滞力的作用,相当一部分声能转化为热能,从而衰减声波,减弱反射声,达到吸声的目的;其次,小孔中的空气和孔壁与光纤之间的热交换引起的热损失也会衰减声能。
此外,高频声波可以加速空隙间空气颗粒的振动速度,以及空气与孔壁之间的热交换。
这使得多孔材料具有良好的高频吸声性能。
二、多孔吸声材料的分类多孔吸声材料按其选材的柔顺程度分为柔顺性和非柔顺性材料,其中柔顺性吸声材料主要是通过骨架内部摩擦、空气摩擦和热交换来达到吸声的效果;非柔顺性材料主要靠空气的粘滞性来达到吸声的功能。
多孔吸声材料按其选材的物理特性和外观主要分为有机纤维材料,无机纤维材料,吸声金属材料和泡沫材料四大类。
1有机纤维材料早期使用的吸声材料主要是植物纤维制品,如棉麻纤维、毛毡、甘蔗纤维板、木纤维板、水泥木棉板、稻草板等有机天然纤维材料。
有机合成纤维材料主要是化学纤维,如腈纶棉、涤棉等。
这些材料在中高频范围内具有良好的吸声性能,但防火、防腐、防潮等性能较差。
此外,文献还研究了纺织纤维超高频声波的吸声性能,证明该纤维材料在超高频声波场中基本没有吸声效果。
2.无机纤维材料无机纤维材料不断问世,如玻璃棉、矿渣棉和岩棉等。
这类材料不仅具有良好的吸声性能,而且具有质轻、不燃、不腐、不易老化、价格低廉等特性,从而替代了天然纤维的吸声材料,在声学工程中获得广泛的应用。
但无机纤维吸声材料存在性脆易断、受潮后吸声性能急剧下降、质地松软需外加复杂的保护材料等缺点。
多孔材料吸声机理:惠更斯原理:声源的振动引起波动,波动的传播是由于介质中质点间的相互作用。
在连续介质中,任何一点的振动,都将直接引起邻近质点的振动。
声波在空气中的传播满足其原理。
多孔吸声材料具有许多微小的间隙和连续的气泡,因而具有一定的通气性。
当声波入射到多孔材料表面时,主要是两种机理引起声波的衰减:首先是由于声波产生的振动引起小孔或间隙内的空气运动,造成和孔壁的摩擦,紧靠孔壁和纤维表面的空气受孔壁的影响不易动起来,由于摩擦和粘滞力的作用,使相当一部分声能转化为热能,从而使声波衰减,反射声减弱达到吸声的目的;其次,小孔中的空气和孔壁与纤维之间的热交换引起的热损失,也使声能衰减。
另外,高频声波可使空隙间空气质点的振动速度加快,空气与孔壁的热交换也加快。
这就使多孔材料具有良好的高频吸声性能。
共振吸声结构的吸声机理1.薄板共振吸声结构的吸声机理薄板与墙体或顶棚之间存在空腔时也能吸声,如木板、金属板做成的天花板或墙板等,这种结构的吸声机理是薄板振动吸声。
薄板在声波作用下发生振动,并发生弯曲变形,薄板振动时,由于板内部和木龙骨间出现摩擦损耗,使声能转化为板振动的机械能,最后转变为热能而起吸声作用。
由于低频声波比高频声波容易激起薄板的振动,所以,这种结构具有低频的吸声特性。
当入射声波的频率与薄板振动结构的固有频率一致时,将发生共振。
建筑中常用的薄板吸声结构的共振频率约为80一300Hz。
薄板振动吸声结构的共振频率fr可用式(3.1)估算:式中:M为薄板面密度(kg/m2);d为板后空气层厚度(cm)。
由式(3.1)可知,增加薄板的面密度M或空气层厚度d,皆可使共振频率下移。
板共振机制大多在低频具有较好的吸声性能。
边缘固定的矩形薄板及其背后空气层形成的系统,其共振频率养可按式(3.2)计算:K为薄板的劲度[kg/m2s2],需由实验决定,一般取K=1×106—3×106。
2. 亥姆霍兹型吸声机理当墙面或天花配置带空气的穿孔板时,即使材料本身吸声性能很差,这种结构也具有吸声性能,如穿孔的石膏板、木板、金属板、甚至是狭缝吸声砖等,这类吸声机构被称为亥姆霍兹共振器,如图3.2所示。
第2章吸声和隔声材料2-3共振吸声结构在室内声源所发出的声波的激励下,房间壁、顶、地面等围护结构以及房间 中的其他物体都将发生振动。
结构或物体有各自的固有频率,当声波频率与它们 的固有频率相同时,就会发生共振。
这时,结构或物体的振动最强烈,振幅和振 动速度都达到最大值,从而引起的能量损耗也最多,因此,吸声系数在共振频率 处为最大。
利用这一特点,可以设计出各种共振吸声结构,以更多地吸收噪声能 量,降低噪声。
—、薄膜与薄板共振吸声结构皮革、人造革、塑料薄膜等材料具有不透气、柔软、受张拉时有弹性等特性。
这些薄膜材料可与其背后封闭的空气形成共振系统。
共振频率由单位面积膜的质 量、膜后空气层厚度及膜的张力大小决定。
实际工程中,膜的张力很难控制,而 且长时间使用后膜会松驰,张力会随时间变化。
因此考虑不受张拉或张力很小的 膜,其共振频率可按下式计算:式中,Mo 为膜的单位面积质量(kg/m 2); L 为膜与刚性壁之间空气膜的厚度 (cm)o 薄膜吸声结构的共振频率通常在200〜1000Hz 范围,最大吸声系数约为 0.3〜0.4, —般把它作为中频范围的吸声材料。
当薄膜作为多孔材料的面层时,结构的吸声特性取决于膜和多孔材料的种类(3)L 心丄P”〜 --------------------以及安装方法。
一般说来,在整个频率范围内吸声系数比没有多孔材料只用薄膜 时普遍提高。
把胶合板、硬质纤维板、石膏板、石棉水泥板、金属板等板材周边固定在框 上,连同板后的封闭空气层,也构成振动系统。
这种结构的共振频率可用下式计算:式中,Qo 为空气密度,c 为空气中声速(m/s),为膜的单位面积质量(kg/m 2); L 为膜与刚性壁之间空气膜的厚度(m)。
K 为结构的刚度因素(kg/m 2s 2)o K 与板的弹性、骨架构造、安装情况有关。
对于边长为a 和比厚度为力的矩形筒支薄板,Eh~(5)其中E 为板材料的动态弹性模量(N/m 2),。
隔音板原理
隔音板是一种能够减少噪音传播的装置,其原理是利用材料的特性来迫使噪音发生反射、散射和吸收。
隔音板的材料通常是吸音材料,如泡沫塑料、纤维织物、聚酯纤维等。
这些材料具有较高的吸音系数,能够将噪音能量转化成热能或其他形式的能量损失,从而减少噪音的传播。
在安装隔音板时,需要考虑板件的尺寸、形状和密度,并且通常需要额外的隔声材料,如隔音胶带或隔音膜,以确保隔音效果的最大化。
隔音板的工作原理可以通过以下几个方面来解释:
1. 反射:隔音板表面的材料,如金属或玻璃,能够将噪音反射回源头,减少传播到其他区域的噪音。
2. 散射:隔音板上的凹凸或多孔表面可以使噪音以不同的角度进行散射,从而分散噪音的能量。
3. 吸声:隔音板内部的吸音材料能够吸收噪音的能量,将其转化为热能或其他形式的能量,从而减少噪音的传播。
隔音板广泛应用于建筑、交通运输、工业设备等领域,能够有效降低噪音对人体健康和工作环境的影响。
一、微孔板吸声结构的理论
在板厚小于1.0mm的薄板上穿以孔径小于等于1.0mm的微孔,穿孔率为1~5%,后部留有一定的厚度(5-20cm)空气层,该层不填任何吸声材料 ,这样即构成了微穿孔板吸声结构。
它是一种低声质量,高声阻的共振吸声结构,其研究表明,表征微穿孔板吸声特性的吸声系数和频带宽度,主要由微穿孔板的声质量m和声阻r来决定,而这两个因素又与微孔直径d及穿孔率p有关。
微穿孔板吸声结构的相对声阻抗Z(以空气的特性阻抗ρC为单位)用式(1)计算:
Z=r+jwm=jctg(WD/C)(1)
式中:
ρ--空气密度(kg/cm3);
C--空气中声速(m/s);
D--腔深(mm);
m--相对声质量;
r--相对声阻;
w--角频率,W=2πf(f为频率);
而r和m分别由式(2)(3)表达:
r=atkr/dzp(2)
m=(0.294)×10-3tkm/p(3)
式中:
t--板厚(毫米)
d--孔径(毫米)
p--穿孔率(%)
kr--声阻系数kr=(1+x2/32)1/2+(2x)1/2/8×d/t
km--声质量系数km=1+{1+[1/(9+(x2/2))]}+0.85d/t
其中x=abf,a和b为常数,对于绝热板a=0.147,b=0.32;对于导热板a=0.235,b=0.21。
声吸收的角频带宽度,近似地由r/m决定,此值越大,吸声的频带越宽。
r/m=(l/d2)×(kr/km)(4)
式中l--常数,对于金属板l=1140,而隔热板l=500。
上式也可以用式(5)表达:
r/m=50f((kr/km)/x2)(5)
而kr/km的近似计算式为:
kr/km=0.5+0.1x+0.005x2(6)
利用以上各式就可以从要求的r、m、f求出微穿孔板吸声结构的x、d、t、p等参量。
由于微穿孔板的孔径很小且稀,基声阻r值比普通穿孔板大得多,而声质量m又很小,故吸声频带比普通穿孔板共振吸声结构大得多,一般性能较好的单层或双层微穿孔板吸声结构的吸声频带宽度可以达到6~10个1/3信频程以上。
这就是微穿孔板吸声结构最大的特点。
共振时的最大吸声系数α0为α0=4r/(1+r)2(7)
具体设计微穿孔板吸声结构时,可通过计算,也可查图表,计算结果与实测结果相近。
在实
际工程中为了扩大吸声频带的宽度,往往采用不同孔径、不同穿孔率的双层或多层微穿孔板复合结构。
二、微穿孔板理论在抗喷阻消声器设计中的应用
利用微穿孔板声学结构设计制造的消声器种类很多,主要型为抗喷阻型消声器。
该型式消声器是用不锈钢穿孔薄板制成,因该九台消声器是用于石化单位,空气腐蚀性比较大,故穿孔板后的空气层内填装的吸声材料为耐腐蚀金属软丝布。
利用吸声材料的阻性吸声原理,进一步达到降噪消声的作用,其吸声系数高,吸收频带宽,压力损失小,气流再生噪声低,且易于控制。
为获得宽频带高吸收效果,一般用三级微穿孔板结构。
微穿孔板与外壳体之间以及微穿板之间的空腔尺寸大小按需要吸收的频带不同而异,低频腔大(150~200mm),中频小些(80~120mm),高频更小些(30~50mm),双层结构的前腔深度一般应小于后腔,前后腔深度之比不大于1:3,前部接近气流的一层微穿孔板穿孔率应高于后层,为减小轴向声传播的影响,可在微穿孔板消声器的空腔内每隔500mm左右加一块横向隔板。
试验证明,微穿孔板消声器不论是低频、中频、高频消声性能实测值比理论估算值要好。
且消声量与流速有关,与消声器温升无关,当流速达到70米/秒时,一般其它型式消声器已无法解决噪声问题,而微孔型消声器可承受70m/s气流速度的冲击,仍有15dBA以上的消声器。
这也是微孔消声器优于一般消声器一个重要特点。