核电站数字化仪控系统简介
- 格式:pdf
- 大小:3.95 MB
- 文档页数:70
方家山核电站数字化仪控系统浅析摘要:文章总结了核电厂仪控技术的历史和发展,以在建的方家山核电厂数字化仪控系统为例,结合核电站数字化仪控系统的设计标准和准则,对当代核电厂数字化仪控系统的特点、结构、功能和优势进行了阐述。
关键词:数字化仪控系统;Triconex;I/A核电站从工程设计、设备制造、工程管理、工程建设、直至安全运行和退役无一不体现高端技术,数字化仪控就是其中一项重要的组成部分。
同时也是最近几十年发展和更新换代最快的一个领域。
其设计和设备除了要保证高可靠性、高可用性,还要确保整个电站寿期内的升级和改造,是现代化大型核电站体现其先进性的技术之一。
1核电站仪控系统的历史和现状核电站仪表和控制系统发展基本上经历了三个时代:第一代仪控系统采用模拟技术,采用常规仪表和继电器来进行控制;如我国大亚湾核电站2×980 MW主控制系统采用Baily9020系统。
其特点是模拟量仪表采用小规模集成电路运行放大器为基础的元件来控制逻辑仪表,采用继电器等硬逻辑电器来控制。
第二代仪控系统采用了开关量及集成电路技术;如我国秦山二期和秦山二期扩建工程就属于这一范畴。
其特点是核岛系统仍采用小规模集成电路运算放大器为基础的模拟量元件来控制,常规岛和BOP系统参照常规火电厂采用数字化仪控系统。
第三代就是现今国际上广泛应用的以微处理技术和信息技术为基准的数字化控制技术,也称集散控制系统(DCS)。
如我国的田湾核电站采用西门子公司的TXS+TXP 数字化仪控系统,以及在建的方家山核电机组同样拟采用英维斯数字化仪控系统。
2方家山核电厂采用全数字化仪控系统的设计准则及特点2.1方家山仪控系统的平台分级方家山仪控系统的平台分级如图1所示,方家山#1、2号机组仪控平台使用了完整的控制和信息系统的设计,包括以下系统。
①Level 1。
1E 安全级系统:英维斯Triconex硬件平台;NC+ 安全相关系统:Triconex硬件平台和安全级I/A硬件平台;NC 非安全级系统:英维斯Foxboro 数字化仪控系统I/A平台。
核电数字化仪控远程智能运维系统的应用分析摘要:数字化仪控系统在核电厂中的应用,为核电厂工作人员提供了更加精准的电路信息,从而促进了核电厂的正常运行。
在核电厂数字化仪控系统中,通信网络系统占据核心地位,为控制系统的建立和各个控制站间的数据交互提供可实现的基础前提。
本文主要分析了当前我国常见的几种核电厂数字化仪控系统中的通信网络,并对各类型通信网络进行了性能对比,探讨在核电厂数字化仪控系统中适用性最强的通信网络。
关键词:核电厂;数字化仪控系统;远程智能运维引言现阶段,我国核电厂的仪控系统已经开始逐步应用全数字化的仪控系统,而在数字化仪控系统中,通信网络系统占据重要地位,为建立控制系统和提高各控制站间的数据交互质量提供了重要基础。
在核电厂仪控系统中,有安全级与非安全及两种系统,前者需要具有执行紧急堆停、安全壳隔离等核安全功能,因此对仪控系统性能和仪控设备的安全可靠性有着较高的要求。
通信网络系统作为数字化仪控系统的核心,在安全级数字化仪控系统中的重要地位更加凸显。
因此,保证通信网络设计具有功能冗余性、独立性以及多样性,满足单一故障准则和故障安全准则等,是确保通信网络安全可靠的设计原则。
1概述核电数字化仪控系统(Digtal Instrument&Contral System,简称DCS)是整个核电厂的“中枢神经”系统,对保证核电站的安全、可靠、稳定运行发挥着重要作用。
运维作为核电站生命周期的关键阶段,是保证核电站安全、高效、可靠运行的重要手段。
随着新建核电站不断投运,已有的核电站不断升级,核电站目前已经普遍使用数字化仪控系统实现核电站的运行、控制和保护。
数字化仪控系统产品因大规模集成电路等的应用、智能化程度不断提高,核电DCS运维的复杂性和多样性日趋提高。
传统的人员纠正性维修、预防性维修、备件预留库存等方式已经无法满足核电DCS的维护要求,亟待进一步提高运维技术及运维管理水平。
同时,核电站数字化仪控系统产品设备维护需要维护人员介入,在现场维修窗口申请、平台深层次问题分析方面需要投入大量工作,综合成本较高。
Teleperm XS系统介绍1TXS系统发展历史反应堆控制和限制系统演化步骤:1968年:TELEPERM B系统特点:硬接线逻辑、晶体管;1973年:TELEPERM C系统特点:硬接线逻辑、集成电路;1978年:ISKAMATIC A系统特点:硬接线逻辑、集成电路1981年:TELEPERM ME特点:可编程逻辑1996年:TELEPERM XS系统特点:可编程逻辑、获得KTA、IEC、IEEE认证、自测试和自动化重复测试反应堆保护系统演化步骤:1968年:DM-System/TELEPERM B特点:硬接线逻辑(集成电路)、故障安全、获得KTA认证1981年:EDM-System TELEPERM C 8000R特点:硬接线逻辑(集成电路)、故障安全、获得KTA认证TELEPERM XS系统特点:可编程逻辑、获得KTA、IEC、IEEE认证、自测试和自动化重复测试2TXS系统架构TXS系统是一个分布式、冗余的计算机控制系统。
一般由3或4个独立冗余的数据处理通道,每一通道有2或3个操作层,这些操作层彼此之间不同步。
这样的操作层包含信号采集,数据处理,和驱动信号选择。
这些冗余通道之间利用点对点的光纤通信。
图1-1 TXS系统架构其中L2-bus为Profibus总线(速率为1.5Mbps),H1-bus为以太网总线(速率为10Mbps)。
每一个通道的信号采集层实现了来自核电站现场传感器的模拟、数字信号的采集(如温度、压力等)。
一个信号采集计算机将自己采集到的并且初步处理过的信号分发给下一层的数据处理层。
数据处理计算机实现电站保护功能信号的处理。
如信号在线确认、限定值监控和闭环控制计算等。
数据处理计算机通过处理数据,将输出结果输入到两路独立的优选计算单元。
执行计算机表决过程通常利用最小2值法(或最大2值法)的原则对信号的进行在线确认。
对冗余的测量系统,每一个保护通道使用最小2值法进行测量,并将测量值与设定的最小阈值进行比较,决定局部通道的下限值触发。
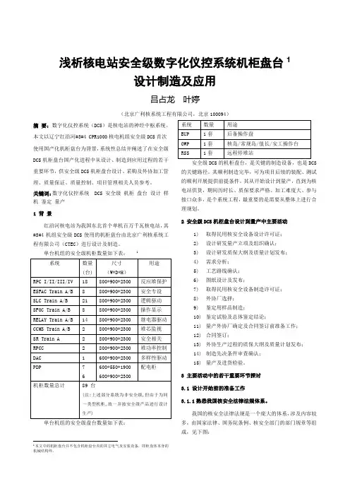
浅析核电站安全级数字化仪控系统机柜盘台1设计制造及应用吕占龙 叶婷(北京广利核系统工程有限公司,北京100094)摘 要:数字化仪控系统(DCS )是核电站的神经中枢系统。
本文以辽宁红沿河#3#4 CPR1000核电机组安全级DCS 首次使用国产化机柜盘台为背景,系统性总结并阐述了在安全级DCS 机柜盘台国产化进程中从设计、制造到应用过程的若干重要环节,供安全级DCS 机柜盘台设计、采购及外协加工管理、质量保证、质量控制、项目管理相关人员参考。
关键词:数字化仪控系统 DCS 安全级 机柜 盘台 设计 样机 鉴定 量产 1 背 景红沿河核电站为我国东北首个单机百万千瓦核电站,其#3#4机组安全级DCS 使用的机柜盘台由北京广利核系统工程有限公司(CTEC )进行设计及制造。
单台机组的安全级机柜数量如下表: 1单台机组的安全级盘台数量如下表:1本文中的机柜盘台并不包含机柜盘台内的其它电气及安装设备,即柜盘体本身的机械结构件。
安全级DCS 的机柜盘台,是关键的制造设备,也是DCS 的关键路径。
其顺利制造完毕,可为项目后续的装配、测试的顺利开展提供前提条件。
其从开始设计到量产,直到为核电站供货,期间历时长、质保要求严格、加工难度大、参与接口众多,是个系统工程,最重要的是需要从整体上进行合理规划。
2 安全级DCS 机柜盘台设计到量产中主要活动1) 取得民用核安全设备设计许可证; 2) 设计研发量产立项及组织确认; 3) 设计研发质保大纲及质量计划发布; 4) 需求分析; 5) 工艺路线确认; 6) 图纸设计及发布;7) 取得民用核安全设备制造许可证; 8) 外协厂选择; 9)鉴定用样品制造;10) 鉴定试验及总体鉴定结论;11) 量产外协厂确定及合同签订前准备工作; 12) 合同签订;13) 外协生产过程的质保大纲及质量计划发布; 14) 制造先决条件审查确认; 15) 量产及进货检验。
3 主要活动中的若干重要环节探讨 3.1 设计开始前的准备工作3.1.1熟悉我国核安全法律法规体系。
2010年05月28日13:25:04查看数:162 摘要在总结不同时期核电站仪表控制系统应用特点和发展趋势的基础上,以两座典型的核电站全数字化仪控系统为例,结合核电站仪控系统的特点及设计准则,进行详细的系统结构和功能分析,并提出我国新世纪核电站数字化仪控系统的改造与设计思路。
关键词过程控制DCS 智能化以太网现场总线核电站的仪表和控制系统是核电站的重要组成部分,机组的安全可靠、经济运行已经在很大程度上取决于仪表控制系统的性能水平。
从我国已经建成的和在建的核电工程来看,核电站的仪控系统经历了三个阶段。
第一阶段是以模拟量组合单元仪表为主的控制系统,如正在运行的我国300 MW秦山核电站主控制系统应用的FOXBORO公司的SPEC200组装仪表,大亚湾2×980 MW核电站主控制系统采用的Baily 9020系统也属于这一类。
其模拟量仪表采用小规模集成电路运算放大器为基础的元件来控制,逻辑量仪表采用继电器等硬逻辑电路来控制。
因而系统所需要的仪表控制器件数量多,运行操作管理和维护工作任务重,大部分采用手动操作,主控室布局也显得较大。
第二阶段是以模拟量和数字量混合运用的主控制系统,这一类实际是核岛系统仍采用小规模集成电路运算放大器为基础的模拟量元件来控制。
而部分常规岛和辅助系统采用PLC自动控制系统,结合软件自诊断技术、冗余技术和网络通信技术,减少很多硬接线和就地控制柜,提高了系统运行可靠性。
刚刚建成的广东岭澳核电站(2×980 MW)仪表控制系统就属于这一类。
第三阶段称为全数字化仪表控制系统,它将应用成熟的常规电站分布式控制系统(DCS)加以改进并移植过来,全面应用在常规岛、BOP、核岛部分,构成核电站全新数字化仪表控制系统。
现阶段应用比较典型的全数字化仪控系统有:日本日立等公司开发的NUCAMM-90系统、法国法马通公司N4控制系统、ABB公司的NUPLEX80 系统、美国西屋公司的Eagle21 WDPFⅡ系统以及我国在建的田湾核电站所采用的德国西门子公司的TELEPERM XP XS系统等。
核电厂数字化仪控系统信息安全探讨随着信息化时代的发展和全球能源危机的日益严峻,核能作为一种清洁、高效的能源形式受到越来越多的关注。
核电厂数字化仪控系统是核电站的重要组成部分,其安全性的保障具有重要意义。
本文将从数字化仪控系统的构成、信息安全问题以及相应的解决方法三个方面分别探讨核电厂数字化仪控系统的信息安全。
一、数字化仪控系统构成数字化仪控系统(Digital Instrumentation and Control System,简称DICS)是指应用数字化技术,通过微处理器、可编程逻辑器件(Programmable Logic Device,简称PLD)等器材提供分类和控制各个系统的设备。
数字化仪控系统由主要驱动硬件、输入/输出模块、逻辑控制器、数据总线、数据处理器等几个模块组成。
1.主要驱动硬件主要驱动硬件是系统的核心,包括各种处理器、操作系统等,它们能够实现各种算法以及控制模块的运行。
2.输入/输出模块输入/输出模块是用于将各种输入/输出设备与主要驱动硬件连接在一起的设备,包括传感器、控制阀门、执行器等。
3.逻辑控制器逻辑控制器是系统的控制中心,主要是实现数据的实时处理、数据的传输和控制逻辑的建立。
4.数据总线数据总线是连接各个模块和单元的信息传输通道,包括以太网、CAN总线等。
5.数据处理器数据处理器是将数据以特定算法处理成控制信号的设施,其中包括数字信号处理器、逻辑处理器等。
数字化仪控系统具有安全可靠、自动化程度高、运行成本低等优点,但与此同时,其信息安全问题也备受关注。
二、数字化仪控系统信息安全问题数字化仪控系统的信息安全问题主要包括以下几个方面:1.系统漏洞由于数字化仪控系统属于软件设备,其存在大量的软件漏洞,这些漏洞可能导致信息泄漏、系统崩溃等安全隐患。
2.攻击数字化仪控系统处于互联网上,因此受到黑客攻击的风险较高。
针对核电厂数字化仪控系统的攻击,一旦成功,其对系统安全和运行将产生巨大的影响。
核电站数字化仪控系统改造分析摘要:仪器控制系统,主要保证核燃料的正常运行。
它是该系统核燃料的重要核心。
仪表控制系统的数据转换后,是为了更好地促进人堆的生命安全,稳定整体运行。
其次,重点介绍了反应堆数字仪表板和控制系统的总体结构。
提出了仪表控制系统数字化改造的目的,阐述了仪表控制系统数字化改造的方案。
关键词:核电站;数字仪控系统;数字化改造引言逐步地,在现阶段整个社会经济的快速发展中,电能的生产和生活,生活和消费的需求也在迅速减少。
在这个愉快的过程中,核电厂的规划和建设也引起了更多的关注,这与中国传统的火力发电厂和水力发电厂不同。
在核电设施的全过程中,这两个过程能耗低,污染小,电站特性稳定。
在实际应用中,它为该地区稳定的电力供应奠定了基础。
我们为此奠定了很好的基础。
本文分析了核反应堆电气试验软件系统的数字化升级及研究成果。
最后,希望能为数字化时代核电站电气仪表系统的全面发展提供更多的参考。
1改造的目的1.1防止设备老化每个仪表控制系统都有自己的使用规则,在使用过程中经常发生不同的故障。
这是由于仪表控制系统本身的老化损失和设计之初设计的不显眼造成的。
数字仪表控制系统未实现。
在翻修过程中,面对这样的故障,工作人员一般采用维修或校正的方法进行改进,但这只能维持很短的一段时间,在使用一定时间后,仍会出现故障,这一循环继续减慢自动机器的速度,使其老化缓慢,缩短了其标准寿命。
然而,对仪表板控制系统的功能进行数字化意义转换是十分必要的。
1.2改善仪器控制系统的性能随着我国电子核心技术的日新月异和各种软件的更新换代,如何充分保证仪器能够对系统和性能进行控制是最值得考虑和科学研究的问题。
但是,根据中国当前仪器控制系统的基本情况,仍然有很多地方可以遵循。
随着其技术的不断发展,仪表控制软件系统的网络化转型是必然的快速发展过程,这是确保整个核燃料系统正常运行的唯一途径。
1.3解决设备零部件短缺问题旧设备重要部件的更新换代是各类设备系统面临严峻挑战的核心问题。
核电厂数字化仪控系统的发展及应用分析本文介绍了核电厂仪表与控制系统的发展进程,说明采用DCS+PLC+FCS 技术是未来核电发展的新趋势。
并以江苏田湾核电厂为例,介绍了数字化仪控技术在核电厂基建时期、运行和维修期间的优越性。
标签:核电厂;控制系统;模拟量;数字量;DCS1 前言仪表和控制系统作为现代核电厂的核心部分,对核电厂的安全稳定运行起着至关重要的作用。
纵观核电厂的发展进程,核电厂的数字化进程大致分为三个阶段:第一阶段,以模拟量组合单元仪表作为控制系统,如深圳大亚湾核电厂主控制系统所采用的Baily9020系统[1];第二阶段,随着计算机技术的迅猛发展,当前核电厂也大多采用了集散控制系统DCS(Distributed Control System),如江苏田湾核电厂所采用的Teleperm-XP仪控系统;第三阶段,电厂最新采用的则是现场总线控制系统FCS(Fieldbus Control System),是数字化仪控系统的典型代表。
2 仪控系统的特点介绍与分析2.1 模拟量仪表控制简介早期核电厂均以模拟量组合单元仪表作为控制系统。
模拟量仪表通过小规模集成电路来控制,逻辑量仪表则通过硬逻辑电路来控制。
对于整个大型核电厂来说,由于所需控制的器件数量巨大,且需操作员手动来执行控制,这严重影响机组的运行维护效率和经济性。
随着电厂的运行,设备在高温、高压、强中子辐照情况下服役,模拟量仪表老化问题日益突出,这严重影响核电厂的安全稳定运行。
这种情况下,更需研发和应用安全性与经济性更高的控制仪表。
2.2 集散控制系统DCS简介集散控制系统通过将模拟量仪控技术和计算机技术相结合,一方面继承了模拟量仪控的“点对点控制”特点,另一方面,又利用计算机技术将电厂的各类信息进行统一处理,可大大降低了操作员误操作的风险。
但由于对模拟量仪控技术的保留,DCS必须解决与模拟量仪表信号转换与对接的技术问题,即AD和DA转换(模数和数模转换)。
核电数字化保护系统控制器研究摘要目前,国际上核电仪控系统已经发展到第三代,新一代的核电仪控系统采用数字化技术,提高了核电站运行的安全性和可靠性。
我国正处于核电事业的发展阶段,不仅需要新建数座百万千瓦级的核电站,还急需将原有的部分老化的仪控系统更新换代。
因此,发展我国自主设计的核电仪控系统有着极其重要的意义。
控制模件是整个保护系统中十分重要的组成部分,控制模件首先完成数据信号采集后的预处理和数值正确性的确认,然后,根据反应堆紧急停堆系统和专设安全系统分别设定的限值产生是否到达限值的逻辑信号,再分别进行必要的逻辑运算,最后产生反应堆紧急停堆系统断路器和专设安全系统驱动装置的启动信号。
安全可靠的控制模件对于降低核电厂各种事故造成的经济损失,尤其是重大的安全事故,起到非常重要的作用。
所以说安全可靠的控制模件是实现安全仪控系统功能的前提条件。
为了保证核级数字化设备达到足够的可靠性,除了设备本身(包括相应的硬件和软件)的高可靠性外,还在很大程度上取决于系统的设计,包括它的技术方案、体系结构等。
作为保护系统中设计较为复杂的组件,控制模件系统的设计不光要考虑自身的运行情况,还要为I/O 组件、通信组件等提供必要的接口和通信协议。
本文在遵循核级仪控设备的设计准则的基础上,比较国外保护系统控制模件的设计方案,采用当今计算机领域先进的技术,提出了一种基于先进中央处理器的控制模件,通过可编程逻辑器件连接处理器和系统部件的设计方案。
文章首先对核级控制模件系统的功能需求进行分析,提出了模块化的设计方案,并对各模块进行了详细的功能说明。
其次,在基于模块设计的基础上,阐述了采用先进计算机技术的控制模件系统硬件架构设计方案,并给出了完整的设计电路。
最后,对于控制模件中比较重要的任务调度设计了一种较为可行的方法。
核电保护系统的控制模件系统设计在我国还处于一个空白阶段,希望通过本论文中的控制模件的开发,为我国核电仪控系统的自主化设计提供一些思路。
核电厂数字化仪控系统的发展及应用分析摘要现阶段,随着我国社会主义市场经济的不断发展,我国各行各业都取得了不同的成绩。
核电厂数字化仪控系统是核电厂发展的重要部分,对核电厂的安全运转与发展产生着重要的作用。
文章简述了核电厂数字化仪控系统,阐释了核电厂数字化仪控系统的发展及应用情况。
关键词核电厂数字化仪控系统发展应用随着社会主义市场经济的蓬勃发展,我国的综合实力也得到了显著的提升,各个行业也在快速的发展。
在核电厂发展的过程中,数字化仪控系统在核电厂正常的运转过程中占据着重要的地位。
因此,加强对数字化仪控系统的定期检查,能够有效的促进核电厂的健康可持续发展。
一、简述核电厂数字化仪控系统(一)核电厂数字化仪控系统的含义核电厂数字化仪控系统是核电厂在发展过程中非常重要的部分,在核电厂的发展过程中占据了主要的位置。
在核电厂正常运转的过程中,数字化仪控系统主要是以一种系统的形式所存在。
数字化仪控系统是科学技术不断发展的新型产物,数字化仪控系统在使用的过程中主要是计算机以及通讯为重,是一种分布式的系统。
在核电厂中使用数字化仪控系统,主要是根据计算机、通信、控制以及显示等四种技术。
而这四种技术的使用主要是依据网络技术的支撑,达到新型技术的应用,而这些新型技术主要是智能警报技术、远程操控技术等。
只有把这些技术应用在核电厂数字化仪控系统中,才能够对数字化仪控系统进行充分的控制。
(二)核电厂数字化仪控系统的特征核电厂数字化仪控系统的发展阶段主要是三个阶段,初创阶段、成长阶段以及扩展阶段。
数字化仪控系统在发展过程中的不同阶段,具备不同的特征。
核电厂数字化仪控系统初创阶段的特征主要展现在数据的收集以及过程的管控中,主要是单元的形式,能够有效的实现数据的快速运转,在数据运转的过程中所使用的软件和硬件都是质量非常的,但是仍然缺乏标准性以及开放性。
核电厂数字化仪控系统成长阶段的特征主要展现在系统是以局域网为主,并且功能比较多,能够有效的对现场进行控制以及对系统进行管理等。
核电厂数字化仪表与控制系统的应用现状与发展趋势核电厂数字化仪表与控制系统是指将传统的机械式、电子式仪器仪表与控制系统进行数字化改造,其中包括数字仪表、控制系统和人机界面等。
这一技术的应用对于提高核电厂的安全性、可靠性和经济性具有重要意义。
数字化仪表在核电厂的应用已经逐步普及。
数字化仪表的应用可以提高仪表的精度和稳定性,减少人为误差,提高工作效率。
数字化仪表还可以对监测数据进行传输和存储,方便数据分析和处理。
在新建核电厂中,数字化仪表已经成为主流。
核电厂控制系统的数字化改造也在不断进行。
数字化控制系统可以提高控制的精度和稳定性,减少人为误差,增强核电厂的安全性。
数字化控制系统还可以实现与其他系统的联网和数据共享,提高整个核电厂的运行效率。
在核电厂的扩建和升级改造中,数字化控制系统被广泛采用。
人机界面的数字化改造也在逐步推进。
人机界面是操作员与控制系统之间的接口,直接影响操作员对核电厂情况的掌握和决策的准确性。
数字化人机界面可以提供更直观、清晰的显示效果,方便操作员进行参数调整和故障诊断。
在核电厂中,数字化人机界面的应用也越来越广泛。
随着技术的不断进步和应用经验的积累,核电厂数字化仪表与控制系统的发展趋势主要有以下几个方面:一是系统集成化水平将进一步提高。
目前,核电厂中的数字化仪表、控制系统和人机界面往往独立存在,缺乏协同工作的能力。
未来,数字化仪表与控制系统的集成化水平将不断提高,实现数据的共享和协同处理,提高系统的整体性能。
二是智能化程度将进一步提高。
未来的核电厂数字化仪表与控制系统将具备更高的智能化水平,能够根据运行状况进行自主优化和调整。
人机界面将具备更高的智能化能力,能够根据操作员的习惯和喜好进行个性化定制,提高操作效率和工作满意度。
三是安全性将进一步提高。
核电厂数字化仪表与控制系统的应用需要具备高度的安全性和可靠性。
未来的发展趋势是通过加密、防护和安全监控等手段,提高系统的安全性。
数字化仪表与控制系统的应用还需要具备故障诊断和容错能力,及时发现和解决问题,保证核电厂的安全运行。
核电厂数字化仪控系统的发展及应用分析摘要:在核电厂快速发展的过程中,为了能够实现对核电厂的帮助,应该有效利用数字化仪控系统,从而能够在很大程度上协助核电厂的安全发展。
本文首先针对核电厂数字化仪控系统的特点、发展经历以及功能进行阐述,然后分析核电厂数字化仪控系统的应用,包括集散控制应用、模拟量仪表应用、现场总线控制应用以及通道自动化检测。
最后论述核电厂数字化仪控系统展望,旨在可以充分使用数字化仪控系统,实现核电厂的有序运行。
关键词:核电厂;数字化仪控系统;模拟量仪表引言:数字化仪控系统在核电厂运行的过程中具有非常重要的作用,能够对核电厂的运行信息进行掌握,从而可以了解核电厂运行情况,确保安全运行和检查工作的开展。
因此,工作人员需要深入了解数字化仪控系统的特点,从而能够通过多方面的使用,有效促进核电厂的安全发展。
1 核电厂数字化仪控系统概述1.1核电厂数字化仪控系统特点数字化仪控系统是核电厂日常运行工作中十分关键的系统,因为核电厂的工作是通过数字化仪控系统的人机交互模式进行监视和控制。
数字化仪控系统使用网络技术进行构建,也有多种科学技术的支持。
例如通过安装自动报警设备,如果核电厂出现问题,可以及时报警,做好维修工作,提高核电厂的管理效率。
数字化仪控系统具有人机交互功能,可以针对核电厂出现的故障情况进行显示和报警,从而提升维修人员的工作效率。
数字化仪控系统还具有网络监控的特点,能够对整个系统的运行情况进行实时显示和历史跟踪,并且利用通信设备进行相关信息的实时传输,系统能够进行分析并作出判断,为核电厂的稳定运行工作奠定基础。
此种系统的控制工作具有精确性的特点,提升整个系统的综合性能。
跟模拟盘设备进行对比,数字化控制系统能够减少电缆的使用数量,提高了数据传输的稳定性,还去除了一些冗余功能,提升系统的运行效率。
可以实现故障判断和系统自我诊断,方便数据的存储和处理,有利于后期的维护。
数字化仪控系统基础如图1所示:图1 数字化仪控系统1.2核电厂数字化仪控系统发展经历数字化仪控系统是核电厂内部的核心组成部分,可以有效提升核电厂的系统运行水平。