最新八苏木隧道监控量测技术
- 格式:doc
- 大小:8.22 MB
- 文档页数:14
隧道施工监控量测技术一、现场量测内容(一)量测目的(1)掌握围岩力学形态的变化与规律;(2)掌握支护结构的工作状态;(3)为理论解析、数据分析提供计算数据与对比指标;(4)为隧道工程设计与施工积存资料。
(二)监测项目与内容1.地质与支护状态现场观察:开挖面邻近的围岩稳固性,围岩构造情况,支护变形与稳固情况,准确掌握围岩情况。
R,变形模量E,粘聚力C,内摩擦角ϕ,泊松2.岩体(岩石)力学参数测试:抗压强度b比μ。
3.应力应变测试:岩体原岩应力,围岩应力、应变,支护结构的应力、应变。
4.压力测试:支护上的围岩压力,渗水压力。
5.位移测试:围岩位移(含地表沉降),支护结构位移。
6.温度测试:岩体(围岩)温度,洞内温度,洞外温度。
7.物理探测:弹性波(声波)测试,即纵波速度v p、横波速度v s、.动弹性模量E d、动泊松比μdp。
以上监测项目,通常分为应测项目与选测项目。
应测项目是现场量测的核心,它是设计、施工所必需进行的经常性量测。
选测项目是由于不一致地质、工程性质等具体条件与对现场量测要取得的数据类型而选择的测试项目。
由于条件的不一致与要取得的信息不一致,在不一致的隧道工程中往往使用不一致的测试项目。
但关于一个具体隧道工程来说,对上述列举的项目不可能全部应用,只是有目的地选用其中的几项。
隧道工程的量测项目如表7-5-1所示。
表中l~4项为应测项目,5~11项为选测项目。
二、量测方法这里介绍几项要紧量测项目的量测方法。
(一)地质素描与隧道施工进展同步进行的洞内围岩地质(与支护状况)的观察及描述,通常称之地质素描。
它是隧道设计与施工过程中不可缺少的一项重要地质详勘工作,是围岩工程地质特性与支护措施的合理性的最直观、最简单、最经济的描述与评价。
配合量测工作对代表性断面的地质描述,应全面准确,如实反映情况。
通常应包含对下列内容的描述:l.代表性测试断面的位置、形状、尺寸及编号;2.岩石名称、结构、颜色;3.层理、片理、节理裂隙、断层等各类软弱面的产状、宽度、延伸情况、连续性、间距等;各结构面的成因类型、力学属性、粗糙程度、充填的物质成分与泥化、软化情况;4.岩脉穿插情况及其与围岩接触关系,软硬程度及破碎程度;5.岩体风化程度、特点、抗风化能力;6.地下水的类型、出露位置、水量大小及喷锚支护施工的影响等;7.施工开挖方式方法、锚喷支护参数及循环时间;8.围岩内鼓、弯折、变形、岩爆、掉块,坍塌的位置、规模、数量与分布情况,围岩的自稳时间等;9.溶洞等特殊地质条件描述;10.喷层开裂起鼓、剥落情况描述;11.地质断面展示图(1:20~1:100)或者纵横剖面图(1:50~1:100)。
隧道现场监控量测工艺标准FHEC-SD-10-20071.适用范围适用于采用复合式衬砌的隧道。
现场监控量测是施工的重要组成部分。
为了掌握围岩在开挖过程中的动态和支护体系的稳定状态进行预测并据此确定相应的施工措施,以确保围岩结构的稳定。
2.主要应用标准和规范2.0.1中华人民共和国行业标准《公路隧道施工技术规范》(JTJ 042-94)。
2.0.2中华人民共和国行业标准《公路隧道设计规范》(JTG D70-2004)。
2.0.3中华人民共和国行业标准《铁路隧道施工规范》(TB 10204-2002)。
3.施工准备3.1 根据隧道的围岩条件,支护类型和参数,施工方法以及所确定的量测目的,编制量测计划。
量测计划的内容应包括:现场量测的主要手段,量测仪表和工具及其选用,量测项目及方法的确定;施测部位和测点布置人员组织;测试方案和实施计划的测定;量测数据处理与应用,量测管理等。
监控量测应符合设计要求。
隧道现场量测项目及量测方法现表所列。
隧道现场监控量测项目及量测方法注:上表中1,2,3,11项为必测项目,其余为选测项目。
3.1.2 对专职量测人员进行技术培训,要求量测人员持证上岗,确保现场量测,数据处理等工作的顺利进行。
3.1.3 检查仪表设备是否完好,如发现问题及时修理或更换。
3.2机具准备3.2.1 单点或多点锚头和传递杆,配以机械式百分表或电测位移计(如滑阴式,电感式,差动变压器式等形式的位移计)3.2.2 单点或多点锚头和传达室递钢丝,配以机械式百分表,挠度计或电测位移计。
3.2.3 各种类型的收敛计,应考虑到既简易可靠,又具有规定的精度,便于撑握使用和具有长期稳定的性能,3.2.4 精密水准仪,精密水准尺和挂钩式钢尺。
3.2.5 地质罗盘和地质锤等。
3.3财料准备埋设测点所用的钢钎或φ22mm螺纹钢,带孔钢板,水泥锚固剂等。
3.4 作业条件3.4.1量测前应根据围岩条件,隧道工程规模,覆盖层厚度,支护类型和施工方法等选择测试项目。
隧道监控量测方法1、监控量测目的监控量测是在隧道施工过程中,通过对围岩和支护系统的稳定状态 进行监测,为喷锚支护和二次衬砌的设计支护参数调整提供依据,确定 二衬的施作时间,依据量测资料采取相应措施,在保证施工安全的前提 下加快施工进度;积累量测数据资料,提高施工技术水平。
把量测的数 据经整理和分析得到信息及时反馈给设计和施工,以进一步优化设计和 施工方案,达到安全、经济、快速施工的目的。
监控量测是信息化施工 的基础,是施工安全和质量的保障,是施工管理中的一个重要环节,在 施工中应把它当作一个工序来管理。
结合超前地质预测预报工作,综合 分析隧道围岩的稳定性、施工安全性和经济合理性。
2、量测项目监控量测项目及内容 :监控量测项目分必测项目和选测项目两类。
严 格按照设计要求开展监控量测工作。
监控量测项目及内容见《监控量测必测项目表》及《监控量测选测 项目表》。
监控量测必测项目表序号量测主要项目测试方法和仪表主要内容开挖面围岩自稳性;岩质破碎带、褶皱节理 等情况;核对围岩类别及风化变质情况;地 下水情况;支护变形开裂情况;洞口浅埋地 表下沉情况。
地质和支护状况观察目测 1数码相机 JSS30A 收敛计、隧 道激光断面仪、全 站仪周边收敛 根据收敛情况判断围岩的稳定性;支护设计 和施工方法的合理性;模筑砼衬砌时间。
2位 移 水准测量的方法, 水准仪、钢尺 监视拱顶下沉值,了解断面变化情况,判断 拱顶的稳定性,防止坍方。
3 4拱顶下沉 洞口地表下沉 水准测量的方法, 水准仪、水准尺 监控仰坡和洞口外 35m 范围内的地表沉降情 况,判断洞口及仰坡稳定。
(h ≤ 2b 时) o沉降缝两侧底 板及洞口段与 路基过度段不沉降缝两侧底板(或仰拱填充层面)沉降及 洞口底板(或仰拱填充层面)与洞口过度段 的不均匀沉降观测5三等水准测量均匀沉降观测监控量测选测项目表测试方法和仪表水准测量的方法、水准仪、塔尺 水准测量的方法、水准仪、塔尺 多点位移计 序号 1 监测项目 地表下沉 测试精度 备注 1mm h >2b 时o2 隧底隆起 1mm3 围岩内部位移 钢架受力 0.1mm 0.1MPa4 钢筋计5 锚杆杆体应力 喷砼受力 钢筋计 0.1MPa 10με6 砼应变计 7二次衬砌内应力砼应变计0.1MPa注:h -隧道埋深; b-隧道最大开挖宽度。
隧道施工监控量测项目和方法一、监控量测的内容隧道监控量测的项目应根据工程特点、规模大小和设计要求综合选定。
量测项目可分为必测项目A和选测项目B两大类。
隧道施工过程中应进行洞内、外观察,洞内观察可分开挖工作面观察和已施工地段观察两部分。
浅埋暗挖法各种监控量测项目的简介见表10-1。
(1)洞内观察:开挖工作面观察应在每次开挖后进行。
观察中发现围岩条件恶化时,应立即采取相应处理措施;观察后应及时绘制开挖工作面地质素描图、填写开挖工作面地质状态记录表和施工阶段围岩级别判定卡。
对已施工地段的观察每天至少应进行1次,主要观察围岩、喷射混凝土、锚杆和钢架等的工作状态。
(2)洞外观察重点应在洞口段、岩溶发育区段地表和洞身埋置深度较浅地段,其观察内容应包括地表开裂、地表沉陷、边坡及仰坡稳定状态、地表水渗透情况、地表植被变化等。
表10-1 隧道现场监控量测项目注:b—隧道开挖宽度;h—隧道埋深。
二、监控量测的方法(一)目测观察1.目的在地下工程施工中,开挖前的地质勘探工作很难提供非常准确的地质资料,所以在施工过程中对开挖面附近围岩的性质、状态进行目测。
另外,对开挖后初期支护稳定状态进行目测,也是监控量测中的重要项目。
2.目测观察的内容开挖后对无支护围岩的目测内容包括:(1)围岩类型及分布特征、结构面位置和产状、节理裂隙发育程度和几何特性、节理裂隙的填充物的性质和状态等。
(2)开挖工作面的围岩稳定状态,顶板有无剥落掉块现象。
(3)是否有涌水、涌水量大小、涌水位置、地下水的物理性质(颜色、气味、色度等)。
开挖后对已支护段的目测内容包括:(1)有无锚杆被拉断或垫板陷入围岩内部的现象。
(2)喷射混凝土是否产生裂隙或剥离,要特别注意喷射混凝土是否发生剪切破坏。
(3)钢拱架有无被压屈现象。
(4)是否有底鼓现象。
3.目测结果如果发现异常现象,要详细记录发现的时间、距开挖工作面的距离以及附近监控量测点的各项监控量测数据,及时综合观察测量数据并分析原因,采取相应措施。
隧道监控量测施工方案一、工程概况本方案针对某隧道工程项目制定,该隧道全长XX米,地质条件复杂,为确保施工安全与工程质量,特编制此隧道监控量测施工方案。
二、监控量测内容1.拱顶沉降量测:在隧道开挖后,定期监测拱顶的垂直位移变化,以评估围岩稳定性及支护效果。
2.周边收敛量测:对隧道开挖面周边的围岩变形进行连续监测,防止因收敛过大导致的安全风险。
3.地表沉降观测:通过布设地表沉降观测点,实时掌握隧道施工对地表的影响情况。
4.锚杆(索)应力监测:监测锚杆(索)受力状况,确保其工作性能满足设计要求。
5.洞内环境监测:包括通风、排水、瓦斯、地下水位等参数的监测,保障施工环境安全。
三、监控量测方法与设备选择根据上述监测内容,采用全站仪、收敛计、多点位移计、应力传感器等专业设备进行量测。
同时运用现代信息技术,建立隧道施工自动化监控系统,实现数据实时采集、传输和分析。
四、监控量测实施步骤1.量测点布置:根据隧道断面结构、地质条件等因素合理布置量测点,并做好标识。
2.初始值测定:在施工前先测定各量测点的初始值,作为后续对比分析的基础。
3.施工过程中的动态监测:按照预定频率进行持续监测,及时记录并分析数据,发现异常立即报告,并采取相应措施。
4.数据处理与预警机制:对收集的数据进行整理分析,设置合理的预警阈值,当达到预警条件时,启动应急预案。
五、安全保障与质量控制所有监控量测人员应接受专业培训,严格遵守操作规程。
同时,与施工进度紧密配合,将监控量测结果作为调整施工方法、优化支护参数的重要依据,确保隧道施工的安全与质量。
隧道围岩监控量测方案监控量测是新奥法施工的重要组成部分,是确保隧道施工安全的信息化手段。
1、 监控量测的目的 掌握围岩和支护的动态信息并及时反馈,指导施工作业。
通过对围岩和支护的 变位、应力量测,及时提供准确数据和可靠预测,修改支护系统设计;对已开挖、 支护段的力学状态进行评价,在有险情时及时采取必要补救措施。
确保隧道安全、 经济、快速地施工。
2、 监控量测施工流程: 详见下图 分析地质勘测资料制定监控量测计划施 工监 控地表观测地质预测与开 挖验证围岩支护结 构状态观测围岩支护结构 受力形变量测修改支护参数否否 综合分析判断 是 施工是否完成 是 结束应急措施3、量测的项目、方法及工具 监控量测的实施方法详见下表。
隧道现场监控量测项目及量测方法量测间隔时间 序 项目名称 号 方法和工具 布置 1~15d ~ 1 个月 个月 岩性、 结构面产状 洞内外地质和 1 支护状况观察 或描述, 地质罗盘 等 每 10~50m 一个断 1~2 次 2 周边位移 收敛计 面,每个断面 2~3 /天 个测点 水平尺、水准仪、 每 10~50m 一个断 3 拱顶下沉 钢尺或测杆 面 每 10m 一个断面, 锚杆测力计及拉 4 锚杆抗拔力 拔器 根锚杆 每 5~50m 一个断 面, 每个断面至少 7 5 地表下沉 水平仪、水准尺 个测点,每隧道至 少 2 个断。
中线每 5~20m 一个测点 围岩体内位移 6 (洞内设点) 单点、 多点杆式或 面, 每个断面 2~11 /天 /2 天 次/ 次/ 洞内钻孔中安设 每 5~100m 一个断 1~2 次 开挖面距量测断面前后<2B 时, 1~2 次/天。
开挖面距量测断面 前后<5B 时,1 次/2 天。
开挖面 距量测断面前后>5B 时,1 次/1 周。
1次 1~2 1~3 每个断面至少做 3 — — — — /天 /2 天 周 月 1~2 次 1次 次/ 次/ /2 天 周 1~2 月 1~3 1次 次/ 次/ 1~2 1~3 后进行 及支护裂缝观察 开挖后和初期支护 每次爆破后进行 后 16d 1~3 月以 3 个钢丝式位移计个测点周月每代表性地段一个 围岩体内位移 7 (地表设点) 各类位移计 5 个钻孔 每代表性地段一个 围岩压力及两 8 层支护间压力 20 个测点 钢支撑内力和 9 外力 喷射砼应力及 应变计、应力计、 10 衬砌砼应力、 裂 测缝计 缝量测 围岩弹性波测 11 试 套探头 各种声波仪及配 有代表性地段设置 — — — — 设 11 个测点 断面,每个断面宜 /天 /2 天 周 月 它测力计 对测力计 每代表性地段一个 1~2 次 1次 次/ 次/ /天 /2 天 周 1~2 月 1~3 支柱压力计或其 每 10 榀钢拱支架一 1~2 次 1次 次/ 次/ 各种类型压力盒 断面, 每个断面 5~ /天 /2 天 周 1~2 月 1~3 1~2 次 1次 次/ 次/ 1~2 1~3 地面钻孔中安设 断面, 每个断面 3~ 同序号 5 地表下沉要求注:B 为隧道开挖宽度。
隧道施工洞内施工监控量测方案施工监控量测是在隧道开挖过程中,使用各种量测仪表和工具对围岩变化情况和支护结构的工作状态进行量测,及时提供围岩稳定程度和支护结构可靠性的安全信息,预见事故和险情,作为调整和修改支护设计的依据,并在复合式衬砌中,依据量测结果确定两次衬砌施做时间。
根据隧道围岩的多样性及不良地质地段多的特点,为加强施工过程的监控量测,确保施工安全,我们拟采用信息化施工监控量测技术和实用的量测围岩应力-应变方法,控制围岩变形,掌握准确的数据,修正参数,指导施工。
1. 各类围岩量测项目监测项目分必测项目(A 类)和选测项目(B 类)。
必测项目是用以判断围岩的变化情况和支护结构工作状态的经常性量测。
选测项目是用以判断隧道围岩松动状态、喷锚支护效果和积累资料为目的的量测。
各类围岩量测项目见表7-12. (表略)2. 运用隧道三维非接触量测新技术方法在隧道工程中,工程测试技术越来越受到重视,但围岩净空位移量测基本上还是沿用20 世纪60~70 年代的量测方法,一般采用钢尺式收敛计,挂钢尺抄平等接触方式进行。
这种方法具有成本低、简便可靠、能适应恶劣环境等优点,但采用此种方法有以下几点不利因素:该法对施工干扰大;由于人为因素对测量精度影响较大,测量质量不稳定,容易产生人为错误,不能保证施工安全;测速慢,从而更加大了对施工的干扰;当跨度大于15m 时,由于钢尺的抖动、拉伸、温差等因素及工作条件恶化使测量无法进行。
以上这些都使钢尺式收敛计越来越难以满足现代隧道快速、大跨、安全施工的技术要求,因此,在施工中我们从高精度、简单实用、快速准确的原则出发采用非接触观测。
(1)非接触观测原理非接触观测是以光学/电磁方式远距离测定结构上点位的三维坐标。
由于无须接近测点,该法避免了传统接触式观测必须触及测点才能观测的缺点,是隧道变形观测技术的发展方向。
在施工中我们采用全站仪自由设站,全站仪自由设站是仪器从任一未知点上设站观测若干已知点的方向和距离,通过坐标变换求得该测站上仪器中心的坐标,然后以此测出其余新点的坐标。
施工监控量测方案1监测目的 (2)2监测项目与测点布置 (2)2.1监测控制标准 (3)2.2监测频率 (7)3监测方法 (7)3.1地表沉降 (7)3.2地面建筑沉降与倾斜 (8)3.3桩(坡)顶水平位移 (9)3.4桩体变形 (10)3.5土体侧向位移 (10)3.6钻孔桩内力 (11)3.7土压力 (11)3.8孔隙水压力 (12)3.9锚索(土钉)内力 (12)3.10地下水位 (13)3.11地下管线沉降与位移 (14)3.12拱顶下沉 (14)3.13隧道周边位移 (15)3.14围岩压力 (16)3.15钢支撑内力 (17)4监测反馈程序 (17)4.1监测数据的处理及反馈 (17)4.2监测管理体系 (18)4.3提交的监测成果 (19)1 监测目的为确保XX隧道施工的安全以及施工过程的顺利进行,必须在施工的全过程中进行全面、系统的监测工作。
我们将按照招标文件的要求,建立专门组织机构开展监测工作,并将其作为一道重要工序纳入施工组织设计中去。
监控量测的目的主要有:1、掌握围岩和支护的动态信息并及时反馈,指导施工作业。
2、通过对围岩和支护的变位、应力量测,修改支护系统设计。
3、检验设计所采取的各种假设和参数的正确性,指导基坑开挖和支护结构的施工,确保基坑支护结构的安全。
4、通过监控量测,收集数据,为以后的工程设计、施工及规范修改提供参考和积累经验,并可以和计算结果比较,完善计算理论。
2 监测项目与测点布置为全面掌握暗挖隧道和明挖基坑在施工过程中对周围环境的影响范围及程度,围护及支护结构的受力与变形状况,并结合本工程的地形、地质条件、支护类型、施工方法等特征选择监测项目,具体监测项目、测点布置原则及要求、仪器设备、监测频率见表1。
明挖段测点布置见图1、图2、图3、图4,暗挖段测点布置见图5。
2.1 监测控制标准在信息化施工中,监测后应及时对各种监测数据进行整理分析,判断其稳定性,并及时反馈到施工中去指导施工。
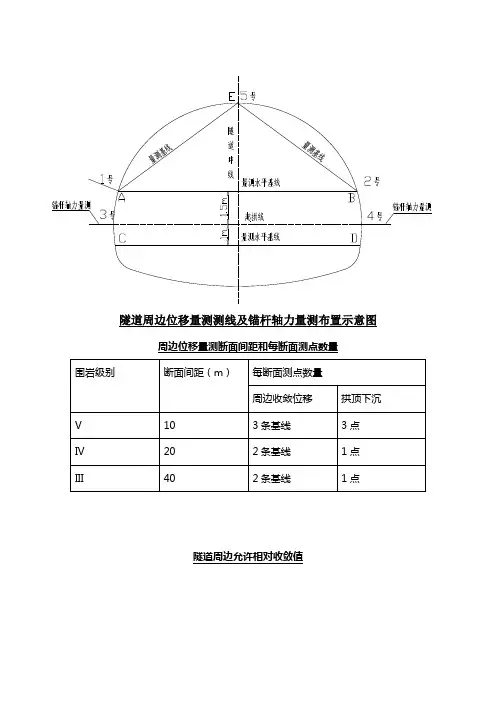
隧道周边位移量测测线及锚杆轴力量测布置示意图隧道周边允许相对收敛值V IV III<5050~300>300 0.20~0.800.15~0.500.10~0.300.60~1.600.40~1.201.00~3.000.20~0.500.80~2.000.40~1.20说明:1、本图为公路隧道监控量测必测项目设计图;2、周边收敛位移量测是隧道施工监控量测的重要项目,收敛值是最基本的量测数据,必须量测准确,计算无误;3、洞身相对收敛值指实测收敛量与两测点之间距离之比;4、周边收敛位移量测应持续到变形基本稳定后2~3周结束。
对于膨胀性和挤压性围岩,位移长时间没有减缓趋势时,应适当延长量测时间;5、一般情况下,周边熟练测点距开挖工作面应小于2m,测点埋设后,第一次量测时间应在上次爆破后24小时内,并在下次爆破前进行;第一次量测的初读数是关键型数据,应反复测读,当连续量测3次的误差R≤0.18mm时(R根据收敛计而异),才能最终确定为初读数;6、周边收敛位移量测在洞口段和浅埋段应布设3条测线;7、拱顶下沉观测基准点应设在距离观测点3倍洞径以外的稳定点处;8、拱顶下沉量测断面每个断面布置1~3个测点,测点设在拱顶中心或其附近;9、拱顶下沉量测精度为±1mm,量测时间应延续到拱顶下沉稳定后;10、锚杆轴力量测应该和净空收敛量测、拱顶下沉量测设在同一断面;11、量测锚杆所有的孔位应布置在同一垂直断面内;水平钻孔倾斜角度在垂直断面内应不超过5°,水平面内钻孔与隧道壁面交角应在85°~90°之间;钻孔时孔径应比量测锚杆杆体直径大20~30mm,扩孔深为200~250mm;钻孔完成后,应该要均匀饱满地往孔内注满水泥砂浆,插入量测锚杆时务必使锚杆端部与围岩壁面保持在同一水平面内;12、每次隧道开挖工作面爆破后应立即对没有支护的围岩进行工程地质和水文地质条件进行观察,对于支护段的隧道还应对喷砼、锚杆、钢架的状态进行观察。
监视和测量操作的安全技术措施
1、在隧道监控量测过程中应设有安全岗哨。
监视和测量操作区域
的照明必须满足数据收集和操作员安全操作的需要。
隧道施工过程中
要妥善保护监控量测的元器件,并有显著的安全标识。
2、隧道观测的重点应是洞口段和浅埋洞身段。
洞外地表观察应记
录地表开裂与变形、洞口边坡与仰坡稳定状态等情况,同时应对地面
建(构)筑物进行观察。
3、隧道穿过浅埋地段时,作好控制爆破设计和地表监控量测设计,加强地表沉降和地面爆破震动观测。
4、隧道开挖面地质简图及支护状态、地表影响范围内建(构)筑
物的描述,应每掘进循环记录1次,必要时,对地表影响范围内的建(构)筑物的描述频率应加大。
5、监视和测量操作时,操作员必须佩戴安全带。
6、埋设多点锚杆位移器、锚杆应力计时,操作人员必须遵守有关
机械设备操作安全的规定。
隧道施工监控量测技术在隧道施工中,监控量测是确保施工安全和质量的重要措施之一。
监控量测技术涵盖了隧道施工前、施工中和施工后的各个环节,从地质勘探到隧道通车后的维护等各个方面。
其中,隧道施工中的监控量测技术对于最终隧道的质量和使用寿命具有至关重要的作用。
本篇文章将介绍隧道施工监控量测技术的相关内容。
隧道施工前监控量测在隧道施工前,应该对隧道所在地的地质环境进行全面详细的研究和分析。
通过这些研究,可以预测隧道施工中可能出现的问题和隐患。
其中,数据获取和分析扮演着非常重要的角色。
目前,常用的隧道施工前监测技术有:离散元数值模拟离散元数值模拟技术是利用离散元理论和方法,将岩土工程的求解过程离散化、数值化,并用计算机模拟求解岩土工程问题的技术。
通过离散元数值模拟可以重现隧道施工过程中的运动规律并检查地下障碍物。
地下水位监测地下水位监测是在隧道施工前通过水文地质勘探来确定地下水位的位置和深度,从而预测施工时可能遇到的水文问题,并采取相应的草案工作。
地面水位监测地面水位监测是实时监测隧道所在区域地面的水位变化,从而及时掌握降雨等水文情况的异常变化,助力隧道施工的正常开展。
隧道施工中监控量测隧道工程监测预测技术隧道工程监测预测技术是应用近年来的新技术和新方法,在隧道施工过程中,通过实时监测与预测分析,对隧道施工工程进行全程控制和全面监测,防止出现安全事故,最终保障隧道建设工程的安全高效顺利完成。
隧道变形监测在隧道施工中,不可避免地会出现不同程度的变形。
因此需要采取相应的监测措施。
隧道变形监测是施工过程中的重要技术之一,其目的是实时监测地下隧道的变形情况,确定隧道变形的趋势、程度和速率。
隧道支护措施监测隧道支护措施的监测是在隧道施工中的必要措施。
支护结构的形变量、支撑力、局部变形值和位移值的监测是隧道支护措施监测的主要内容。
隧道施工后监控量测地面沉降监测地面沉降监测是检测地面沉降的一种方法,包括直接测量和间接测量。
矿产资源开发利用方案编写内容要求及审查大纲
矿产资源开发利用方案编写内容要求及《矿产资源开发利用方案》审查大纲一、概述
㈠矿区位置、隶属关系和企业性质。
如为改扩建矿山, 应说明矿山现状、
特点及存在的主要问题。
㈡编制依据
(1简述项目前期工作进展情况及与有关方面对项目的意向性协议情况。
(2 列出开发利用方案编制所依据的主要基础性资料的名称。
如经储量管理部门认定的矿区地质勘探报告、选矿试验报告、加工利用试验报告、工程地质初评资料、矿区水文资料和供水资料等。
对改、扩建矿山应有生产实际资料, 如矿山总平面现状图、矿床开拓系统图、采场现状图和主要采选设备清单等。
二、矿产品需求现状和预测
㈠该矿产在国内需求情况和市场供应情况
1、矿产品现状及加工利用趋向。
2、国内近、远期的需求量及主要销向预测。
㈡产品价格分析
1、国内矿产品价格现状。
2、矿产品价格稳定性及变化趋势。
三、矿产资源概况
㈠矿区总体概况
1、矿区总体规划情况。
2、矿区矿产资源概况。
3、该设计与矿区总体开发的关系。
㈡该设计项目的资源概况
1、矿床地质及构造特征。
2、矿床开采技术条件及水文地质条件。
八苏木隧道监控量测
技术
八苏木隧道监控量测技术
一、前言与工程概述
随着新奥法(N ATM)在隧道施工中的广泛运用,作为新奥法的灵魂,现场监控量测也越来越得到了广泛的重视。
监控量测技术是现代隧道新奥法施工的重要组成部分,是监控围岩与结构稳定性的重要手段。
当进行隧道施工时,尤其是对于Ⅳ级以上围岩隧道,采用新奥法施工时,施工监控量测是必不可少的。
进行现场监控量测,主要达到以下目的:①掌握围岩在施工中的动态,控制围岩变形;②了解支护结构在不同情况时的受力状态,及时采取措施,安全施工;
③通过监控量测信息反馈,优化施工组织设计,指导现场施工,确保隧道既稳定又经济;④提供二次衬砌支护的合理时间,以便在安全的前提下充分发挥围岩的自承能力;⑤评价支护结构、施工方法的合理性,并为优化设计参数、调整施工工艺提供依据,在保证施工安全的前提下加快施工进度。
八苏木隧道是京包线集宁至包头段增建第二双线重点控制工程,是单洞双线长大隧道,也是我局独立承建的目前最长大隧道。
位于内蒙古高原南缘之大青山低中山区,隧道起讫里程为DK525+046~DK533+230,全长8184m(设计中Ⅱ级围岩长1385m,Ⅲ级围岩长4090m,Ⅳ级围岩长2425m,Ⅴ级围岩长284m,Ⅴ级、Ⅳ级围岩占33%),隧道最大埋深约130m。
八苏木隧道监控量测点布设如下图示
二、小组概况
八苏木隧道属于长达隧道,断面大,地质较差,其中设计IV级以上围岩占隧道长度的33%(不包括变更)。
为保证施工中做好监控量测,指导现场施工,预报险情,确保安全,另外通过隧道施工现场监控量测获得围岩动态,为支护和衬砌提供信息,以及为隧道工程设计与施工积累技术资料,为今后隧道工程设计与施工提供类比法依据。
经理部于2009年9月20日成立“八苏木隧道监控量技术”小组,由项目部主管领导和工程部技术人员组成。
小组成员概况
三、选题及选题理由
四、活动目标及保证措施
1.活动目标
(1)使施工组织设计更加合理化;为变更设计、支护参数的调整提供依
据;通过监控量测数据分析研究制定隧道支护安全的变形允许值。
(2)使监控量测数据能够基本反映隧道初期支护在施工过程中围岩的变化情
况。
(3)进一步提高监控量测的及时性、全面性及准确性,使测点布置、观
测时间、观测频率更加合理化。
(4)确定不同围岩级别的收敛及下沉标准,为相关条件下施工提供可
行性参考。
(5)紧抓质量,提高施工经济效益,争创精品与样板工程
2.保证措施
(1)编制详细合理的《监控量测施工方案》与《监控量测实施细则》;(2)广泛收集查阅相关类似工程的测点布设及数据分析方法和新奥法施
工量测资料、规范以作参考;
(3)组织QC 小组成员及有关人员学习《监控量测实施细则》,掌握各项
量测工作(如拱顶下沉观测、周边收敛观测等)的要领、难点和重点,并在作业过程中加强控制;
(4)加强作业人员的培训教育,提高全员质量意识,端正每一个人的态
度;
(5)建立健全完善的保障体系。
五、方案比选
悉数目前隧道采用的监控量测方法,主要有两种,即有尺量测(传统方法)和非接触量测。
传统的监控量测方法,周边位移一般采用钢尺式收敛计进行观测,拱顶下沉一般采用水准仪、水平仪、钢尺或测杆进行观测。
非接触量测采用全站仪,对布设好的量测点进行量测,用围岩收敛软件对量测数据进行收敛分析。
对两种测量方案进行比较
方案对比表
经过对比,结合现场实际情况,八苏木隧道监控量测采用非接触法量测。
六、原因分析
七、要因确认
八、指定对策及实施
1. 现场监控量实施
(1)量测项目
①.隧道内、外目测观测;
②.隧道净空位移量测;
③.拱顶下沉量测。
(2)测量方法
采用全站仪进行非接触量测,对布设好的量测点进行量测,结合机载软件和数据分析软件,对隧道净空变形进行有效快速监测,即在隧道内自由建站进行量测,如下图所示:
(3)测量仪器设备
八苏木隧道采用莱卡1200+R400型全站仪,仪器精度为±1”、分辨率为0.1”,本仪器是八苏木隧道专门配置的高精度智能化全站仪,测量精度高,保证了量测数据的精度。
另外还配套了量测专用莱卡小棱镜及围岩收敛分析软件,先进的仪器设备为监控量测提供了技术保障。
莱卡1200+R400型全站仪莱卡小棱镜
(4).测量工艺
测点布设→数据采集→数据整理→输入计算机→整理报表→信
息反馈。
①测点布设;
监控点布设采用人工钻孔,然后用锚固剂埋入扁铁,再安装监控用小棱镜。
测点埋设应达到设计要求的质量。
并做到位置准确,安全稳固,设立醒目的保护标志。
钻孔埋点
②数据采集;
成立了专门的量测小组,对于不同的量测项目,人员要相对固定,以确保数据资料的连续性。
量测点的初读数最为重要,在埋点后及时进行第一次量测数据采集。
每次测试前检查仪表设备是否完好,如发现故障应及时修理或更换;确认测点是否松动或人为损坏,只有测点状态良好时方可进行量测工作。
严格按照隧道施工规范,按时进行监控量测,根据围岩稳定情况,进行相应频率测量。
现场量测
③运用软件进行分析。
结合机载软件和数据分析软件对量测数据进行分析,结果精确、可靠。
围岩收敛变形分析软件
④信息反馈
严格按照要求,进行量测结果的信息反馈。
在整理好报表之后,及时找相关领导签字,反馈量测信息。
出现变形较大情况,及时汇报。
⑤监控量测回归分析
每环量测点测量结束后,绘制时态曲线并及时进行回归分析,预测出最大收敛值和最大下沉值,并判定围岩稳定性好坏。
以K532+190里程量测点为例
时态曲线
1.经过一阶段的监控量测,用于指导现场施工。
如调整施工方法,减小对围岩的扰动,或加强支护参数,保证施工安全。
如正台阶开挖法进行下台阶开挖时,可根据控制边墙一次开挖的长度减少围岩的变形,使围岩变形在可控范围内。
仰拱开挖对围岩的影响也可通过施工质量及工序的控制改善,根据测量经验证明,初期支护拱架的锁脚锚杆可有效减小仰拱开挖对围岩变形的影响,因此在拱架施工时,应严格控制锁脚锚杆的安装质量,尤其是底脚的锁脚锚杆,可根据实际情况,适当将底脚径向锚杆变为锁脚锚杆,同时也要求径向锚杆与拱架焊接牢固。
另外也可以调整施工工序,如仰拱开挖测量合格后立即浇筑仰拱砼,并在24小时后立即施作填充。
在仰拱及填充砼凝固后,可迅速控制围岩的变形。
此外,如初期支护不及时,一次开挖进尺过长,钻爆方案不合理等对围岩的影响都较大,可通过调整工序,改进方案消除其影响。
2.通过监控量测数据分析,指定出合理的预留沉降量,减少不必要的超挖,节约混凝土用量,减少施工成本,增加经济效益。
3.使监控量测工作更细致合理,数据能及时全面反映地面沉降情况,为施工和下一步的量测工作提供了经验。
4.建立一套完整的数据分析系统,使整个隧道布点更加合理、有效,进一步规范了信息化施工质量。
5、通过QC 小组活动,提高了全员素质,积累了经验,培养了人才。
十、体会及今后打算
本次QC活动,依靠集体的智慧和力量,在现场施工中,成功的应用了监控量测技术。
本次目标的实现,增强了我们解决困难的决心和处理问题的能力,提高了我们运用新工艺、新技术的信心,施工中多学习、多创造。
隧道的监控量测原本属于动态的过程,在今后的监控量测中,集思广益、群策群力做好监控量测工作,积累监控量测方面的经验。
不断总结和改进,使监控量测更好的指导施工,保证隧道安全。