抛光片标准规格及术语.
- 格式:ppt
- 大小:3.83 MB
- 文档页数:97
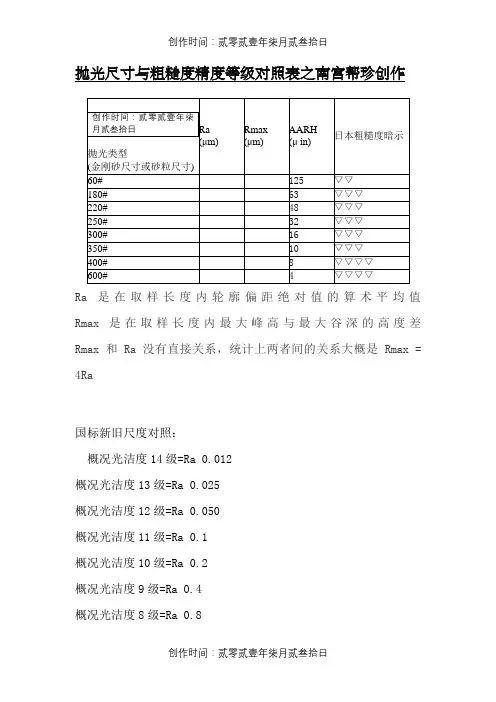
抛光尺寸与粗糙度精度等级对照表之南宫帮珍创作
Ra是在取样长度内轮廓偏距绝对值的算术平均值Rmax是在取样长度内最大峰高与最大谷深的高度差Rmax和Ra没有直接关系,统计上两者间的关系大概是Rmax = 4Ra
国标新旧尺度对照:
概况光洁度14级=Ra 0.012
概况光洁度13级=Ra 0.025
概况光洁度12级=Ra 0.050
概况光洁度11级=Ra 0.1
概况光洁度10级=Ra 0.2
概况光洁度9级=Ra 0.4
概况光洁度8级=Ra 0.8
概况光洁度7级=Ra 1.6
概况光洁度6级=Ra 3.2
概况光洁度5级=Ra 6.3
概况光洁度4级=Ra 12.5
概况光洁度3级=Ra 25
概况光洁度2级=Ra 50
概况光洁度1级=Ra 100
以上概况粗糙度单位均为μm,即微米。
抛光尺寸与粗糙度精度等级对照表
Ra是在取样长度内轮廓偏距绝对值的算术平均值Rmax是在取样长度内最大峰高与最大谷深的高度差Rmax和Ra没有直接关系,统计上两者间的关系大概是Rmax = 4Ra
μin是半导体方面的单位与1μm=39.37μin
倒三角是日本的粗糙度,一个三角是是1.6μm,两个三角就是3.2μm
国标新旧标准对照:
表面光洁度14级=Ra 0.012
表面光洁度13级=Ra 0.025
表面光洁度12级=Ra 0.050
表面光洁度11级=Ra 0.1
表面光洁度10级=Ra 0.2
表面光洁度9级=Ra 0.4
表面光洁度8级=Ra 0.8
表面光洁度7级=Ra 1.6
表面光洁度6级=Ra 3.2
表面光洁度5级=Ra 6.3
表面光洁度4级=Ra 12.5
表面光洁度3级=Ra 25
表面光洁度2级=Ra 50
表面光洁度1级=Ra 100
以上表面粗糙度单位均为μm,即微米。
抛光尺寸与粗糙度精度等级对照表
Ra 是在取样长度内轮廓偏距绝对值的算术平均值
Rmax 是在取样长度内最大峰高与最大谷深的高度差
Rmax 和Ra没有直接关系,统计上两者间的关系大概是Rmax = 4Ra
μin是半导体方面的单位与1μm=39。
37μin
倒三角是日本的粗糙度,一个三角是是1.6μm,两个三角就是3。
2μm
国标新旧标准对照:
表面光洁度14级=Ra 0。
012
表面光洁度13级=Ra 0.025
表面光洁度12级=Ra 0。
050
表面光洁度11级=Ra 0。
1
表面光洁度10级=Ra 0。
2
表面光洁度9级=Ra 0.4
表面光洁度8级=Ra 0.8
表面光洁度7级=Ra 1.6
表面光洁度6级=Ra 3.2
表面光洁度5级=Ra 6。
3
表面光洁度4级=Ra 12。
5
表面光洁度3级=Ra 25
表面光洁度2级=Ra 50
表面光洁度1级=Ra 100
以上表面粗糙度单位均为μm,即微米。
单晶硅抛光片的物理性能参数同硅单晶技术参数新闻来源:中国太阳能电池资讯网作者:未知日期:2006-6-1 9:26:00 点击数:269厚度(T)200-1200um总厚度变化(TTV)<10um弯曲度(BOW)<35um翘曲度(W ARP)<35um单晶硅抛光片的表面质量:正面要求无划道、无蚀坑、无雾、无区域沾污、无崩边、无裂缝、无凹坑、无沟、无小丘、无刀痕等。
背面要求无区域沾污、无崩边、无裂缝、无刀痕。
(2)加工工艺知识多晶硅加工成单晶硅棒:多晶硅长晶法即长成单晶硅棒法有二种:CZ(Czochralski)法FZ(Float-Zone Technique)法目前超过98%的电子元件材料全部使用单晶硅。
其中用CZ法占了约85%,其他部份则是由浮融法FZ生长法。
CZ法生长出的单晶硅,用在生产低功率的集成电路元件。
而FZ 法生长出的单晶硅则主要用在高功率的电子元件。
CZ法所以比FZ法更普遍被半导体工业采用,主要在于它的高氧含量提供了晶片强化的优点。
另外一个原因是CZ法比FZ法更容易生产出大尺寸的单晶硅棒。
目前国内主要采用CZ法CZ法主要设备:CZ生长炉CZ法生长炉的组成元件可分成四部分(1)炉体:包括石英坩埚,石墨坩埚,加热及绝热元件,炉壁(2)晶棒及坩埚拉升旋转机构:包括籽晶夹头,吊线及拉升旋转元件(3)气氛压力控制:包括气体流量控制,真空系统及压力控制阀(4)控制系统:包括侦测感应器及电脑控制系统加工工艺:加料→熔化→缩颈生长→放肩生长→等径生长→尾部生长(1)加料:将多晶硅原料及杂质放入石英坩埚内,杂质的种类依电阻的N或P型而定。
杂质种类有硼,磷,锑,砷。
(2)熔化:加完多晶硅原料于石英埚内后,长晶炉必须关闭并抽成真空后充入高纯氩气使之维持一定压力范围内,然后打开石墨加热器电源,加热至熔化温度(1420℃)以上,将多晶硅原料熔化。
(3)缩颈生长:当硅熔体的温度稳定之后,将籽晶慢慢浸入硅熔体中。
抛光尺寸与粗糙度精度等级对照表
Ra 是在取样长度内轮廓偏距绝对值的算术平均值
Rmax 是在取样长度内最大峰高与最大谷深的高度差
Rmax 和Ra没有直接关系,统计上两者间的关系大概是Rmax = 4Ra
μin是半导体方面的单位与1μm=39.37μin
倒三角是日本的粗糙度,一个三角是是1。
6μm, 两个三角就是3。
2μm
国标新旧标准对照:
表面光洁度14级=Ra 0.012
表面光洁度13级=Ra 0。
025
表面光洁度12级=Ra 0。
050
表面光洁度11级=Ra 0.1
表面光洁度10级=Ra 0。
2
表面光洁度9级=Ra 0。
4
表面光洁度8级=Ra 0.8
表面光洁度7级=Ra 1.6
表面光洁度6级=Ra 3。
2
表面光洁度5级=Ra 6.3
表面光洁度4级=Ra 12.5
表面光洁度3级=Ra 25
表面光洁度2级=Ra 50
表面光洁度1级=Ra 100
以上表面粗糙度单位均为μm,即微米。
硅抛光片的几何参数及一些参数定义集成电路硅片的规格要求比较严格,必须有一系列参数来表示和限制。
主要包括:硅片的直径或边长,硅片的厚度、平整度、翘曲度及晶向的测定,下面分别一一讨论。
1.硅片的直径(边长),硅片的厚度是硅片的重要参数。
如果硅片的直径(边长)太大,基于硅片的脆性,要求厚度增厚,这样就浪费昂贵的硅材料,而且平整度难于保证,对后续加工及电池的稳定性影响较大,再说单晶硅的硅锭直径也很难产生很大;直径或边长太小,厚度减小,用材少,平整度相对较好,电池的稳定性较好,但是硅片的后续加工会增加电极等方面的成本。
一般情况下,太阳能电池的硅片是根据硅锭的大小设置直径或边长的大小,一般的圆形单晶、多晶硅硅片的直径为(76.2mm)或(101.6mm),而单晶正方形硅片的边长为100mm、125mm、150mm;多晶正方形硅片的边长为100mm、150mm、210mm。
2.硅片的平整度是硅片的最重要参数,它直接影响到可以达到的特征线宽和器件的成品率。
对于太阳能硅片则影响转换效率和寿命,不同级别集成电路的制造需要不同的平整度参数,平整度目前分为直接投影和间接投影,直接投影的系统需要考虑的是整个硅片的平整度,而分步进行投影的系统需要考虑的是投影区域的局部的平整度。
太阳能硅片要求较低,硅片的平整度一般用TIR和FPD这两个参数来表示。
(1)TIR(TotalIndicationReading)表示法对于在真空吸盘上的硅片的上表面,最常用的参数是用TIR来表示。
如图一所示,假定一个通过对于硅片的上表面进行最小二次方拟合得到的参考平面,TIR定义则为相对于这一参考平面的最大正偏差与最大负偏差之和。
TIR=a+b图一、TIR 和FPD 的定义图二、BOW 的定义(2)FPD(Focal Plane Deviation)表示法如果选择的参考面与掩膜的焦平面一致,FPD 定义则是相对于该参考面的正或负的最大偏差中数值较大的一个,如图一所示。
抛光尺寸与粗糙度精度等级对照表
Ra是在取样长度内轮廓偏距绝对值的算术平均值Rmax是在取样长度内最大峰高与最大谷深的高度差Rmax和Ra没有直接关系,统计上两者间的关系大概是Rmax = 4Ra
μin是半导体方面的单位与1μm=39.37μin
倒三角是日本的粗糙度,一个三角是是1.6μm,两个三角就是3.2μm
国标新旧标准对照:
表面光洁度14级=Ra 0.012
表面光洁度13级=Ra 0.025
表面光洁度12级=Ra 0.050
表面光洁度11级=Ra 0.1
表面光洁度10级=Ra 0.2
表面光洁度9级=Ra 0.4
表面光洁度8级=Ra 0.8
表面光洁度7级=Ra 1.6
表面光洁度6级=Ra 3.2
表面光洁度5级=Ra 6.3
表面光洁度4级=Ra 12.5
表面光洁度3级=Ra 25
表面光洁度2级=Ra 50
表面光洁度1级=Ra 100
以上表面粗糙度单位均为μm,即微米。
抛光等级、表⾯粗糙度对应表抛光尺⼨与粗糙度精度等级对照表
Ra 是在取样长度内轮廓偏距绝对值的算术平均值
Rmax 是在取样长度内最⼤峰⾼与最⼤⾕深的⾼度差
Rmax 和Ra没有直接关系,统计上两者间的关系⼤概是Rmax = 4Ra µin是半导体⽅⾯的单位与1µm=µin
倒三⾓是⽇本的粗糙度,⼀个三⾓是是µm,两个三⾓就是µm
国标新旧标准对照:
表⾯光洁度14级=Ra
表⾯光洁度13级=Ra
表⾯光洁度12级=Ra
表⾯光洁度11级=Ra
表⾯光洁度10级=Ra
表⾯光洁度9级=Ra
表⾯光洁度8级=Ra
表⾯光洁度7级=Ra
表⾯光洁度6级=Ra
表⾯光洁度5级=Ra
表⾯光洁度4级=Ra
表⾯光洁度3级=Ra 25
表⾯光洁度2级=Ra 50
表⾯光洁度1级=Ra 100
以上表⾯粗糙度单位均为µm,即微⽶。
抛光尺寸与粗拙度精度品级对比表之阿布丰王创作
Ra是在取样长度内轮廓偏距绝对值的算术平均值Rmax是在取样长度内最年夜峰高与最年夜谷深的高度差Rmax和Ra没有直接关系,统计上两者间的关系年夜概是Rmax = 4Ra
μin是半导体方面的单元与1μm=39.37μin
倒三角是日本的粗拙度,一个三角是是1.6μm, 两个三角就是
3.2μm
国标新旧标准对比:
概况光洁度14级=Ra 0.012
概况光洁度13级=Ra 0.025
概况光洁度12级=Ra 0.050
概况光洁度11级=Ra 0.1
概况光洁度10级=Ra 0.2
概况光洁度9级=Ra 0.4
概况光洁度8级=Ra 0.8
概况光洁度7级=Ra 1.6
概况光洁度6级=Ra 3.2
概况光洁度5级=Ra 6.3
概况光洁度4级=Ra 12.5
概况光洁度3级=Ra 25
概况光洁度2级=Ra 50
概况光洁度1级=Ra 100
以上概况粗拙度单元均为μm,即微米.。
抛光尺寸与粗糙度精度等级对照表
Ra 是在取样长度内轮廓偏距绝对值的算术平均值
Rmax 是在取样长度内最大峰高与最大谷深的高度差
Rmax 和Ra没有直接关系,统计上两者间的关系大概是Rmax = 4Ra
μin是半导体方面的单位与1μm=39.37μin
倒三角是日本的粗糙度,一个三角是是1.6μm,两个三角就是3。
2μm
国标新旧标准对照:
表面光洁度14级=Ra 0。
012
表面光洁度13级=Ra 0.025
表面光洁度12级=Ra 0。
050
表面光洁度11级=Ra 0.1
表面光洁度10级=Ra 0.2
表面光洁度9级=Ra 0。
4
表面光洁度8级=Ra 0。
8
表面光洁度7级=Ra 1.6
表面光洁度6级=Ra 3。
2
表面光洁度5级=Ra 6。
3
表面光洁度4级=Ra 12。
5
表面光洁度3级=Ra 25
表面光洁度2级=Ra 50
表面光洁度1级=Ra 100
以上表面粗糙度单位均为μm,即微米。