气体中甲烷、氧化亚氮和二氧化碳浓度测定——气相色谱法
- 格式:pdf
- 大小:347.43 KB
- 文档页数:9
FHZHJDQ0001环境空气 总烃的测定 气相色谱法F-HZ-HJ-DQ-0001环境空气—总烃的测定—气相色谱法1范围本方法适用于空气中总烃的测定。
氢火焰检测器所测的碳氢化合物(C1~C8)为总烃,以甲烷计。
本方法用注射器采集空气样品,以带氢火焰离子化检测器的气相色谱仪直接进行测定。
样品经过空柱或玻璃微珠阻尼柱导入检测器,测定总烃含量。
所用的仪器不同,方法的测定范围不同。
总烃测定下限为0.14mg/m3。
以氮气为载气测定空气中总烃含量时,总烃峰中包括氧组分,因样品中氧对响应值有效应,在此,采用除烃净化空气求出空白值,从总烃峰中扣除氧组分值。
2试剂2.1载气和辅助气体2.1.1氮气:99.9%的纯氮。
用装有5A分子筛净化管净化。
2.1.2氢气:99.9%。
用装有硅胶和活性炭净化管净化。
2.1.3空气:由高压钢瓶或用无油空气压缩机供气,用装有硅胶和活性炭净化管净化。
2.1.4净化空气:经除烃的净化空气装置处理(详见附录A)。
2.2硅烷化玻璃微珠。
2.3色谱标准物:以氮气为底气7.1mg/m3(10ppm)左右的甲烷标准气体。
3仪器3.1仪器:配有氢火焰离子化检测器的气相色谱仪。
3.1.1仪器主要部件:带有氢火焰离子化检测器,附带柱加热炉,温度调节器,注入口加热器,检测器加热器及相应的温度调节器,放大器等。
3.1.2控制载气的压力表、流量计和辅助气体的指示流量计,3.2进样器:仪器自带不锈钢进样口或六通阀,1mL定量管。
3.2.1注射器;1mL、5mL、50mL、100mL注射器若干个。
3.3色谱柱:3.3.1色谱柱类型:空柱或填充柱。
3.3.2色谱柱数量:2~3根。
3.3.3色谱柱的特征;3.3.3.1材料;不锈钢。
3.3.3.2长度:1~2m。
3.3.3.3内径:Ø5mm。
3.3.3.4形状:螺旋形。
3.3.4填充物:3.3.4.1装硅烷化玻璃微珠或不装任何填料(空柱子)。
3.3.4.2粒度:60~80目。
气相色谱法测定大气中的CO、CO2以及低级烃类物质张丽萍;王久荣;陈闻;耿梅梅;袁红朝;李春勇;彭灿;许丽卫【期刊名称】《分析测试学报》【年(卷),期】2017(036)009【摘要】建立了运用气相色谱对大气中一氧化碳、二氧化碳以及3种低级烃类甲烷、乙烯和乙炔进行同时分析的方法.气相色谱分析系统由自动进样器、1个十通阀协同1个六通阀,以及1个十通阀协同1个四通阀组成,可以实现进样、分离和反吹功能.HP-PLOT Q开口毛细管柱用于5种气体的分离,柱后连接热导检测器;分离完成后,一氧化碳和二氧化碳通过甲烷转化炉中的镍催化作用转化为甲烷,用氢火焰离子化检测器进行检测.5种目标分析物在9 min内完全分离.一氧化碳、甲烷、二氧化碳、乙烯以及乙炔的线性范围分别为3.3 ~4 990.0、3.3~5 010.0、6.6~4 990.0、4.2~5 080.0、3.9 ~5 030.0 μmol/mol,检出限为1.0~2.0 μmol/mol,相关系数不低于0.997,相对标准偏差(RSD,n=5)不大于3.5%.该方法简单、准确,可操作性强.【总页数】5页(P1119-1123)【作者】张丽萍;王久荣;陈闻;耿梅梅;袁红朝;李春勇;彭灿;许丽卫【作者单位】中国科学院亚热带农业生态研究所亚热带农业生态过程重点实验室,湖南长沙410125;中国科学院亚热带农业生态研究所亚热带农业生态过程重点实验室,湖南长沙410125;中国科学院亚热带农业生态研究所亚热带农业生态过程重点实验室,湖南长沙410125;中国科学院亚热带农业生态研究所亚热带农业生态过程重点实验室,湖南长沙410125;中国科学院亚热带农业生态研究所亚热带农业生态过程重点实验室,湖南长沙410125;中国科学院亚热带农业生态研究所亚热带农业生态过程重点实验室,湖南长沙410125;中国科学院亚热带农业生态研究所亚热带农业生态过程重点实验室,湖南长沙410125;中国科学院亚热带农业生态研究所亚热带农业生态过程重点实验室,湖南长沙410125【正文语种】中文【中图分类】O657.7;X132【相关文献】1.气相色谱法测定工作场所空气中多苯类、多环芳烃类、不饱和脂肪族酯类化合物[J], 严静芬2.活性炭吸附-毛细管柱气相色谱法测定空气及废气中的卤代不饱和烃类化合物 [J], 潘旭东3.毛细管柱气相色谱法测定工作场所空气中芳香烃类化合物 [J], 杭学宇;汪怡;王芹4.气相色谱法测定车间空气中的低级脂肪胺 [J], 龙亿涛;王士相;夏芸;李小娟;张金5.呼出气中低级烃类的气相色谱法测定 [J], 庞呈义;马培珍因版权原因,仅展示原文概要,查看原文内容请购买。
环境空气测甲烷的原理环境空气测甲烷的原理主要是通过气体色谱仪的分析方法实现的。
气体色谱仪是一种专用仪器,用于分析空气中各种气体的成分和浓度。
气体色谱仪的工作原理是基于气体在固定相(固体或涂覆在固体表面的液体)和流动相(气体)两个相之间进行分配的原理。
其中,固定相主要是一些特定的吸附剂,例如石墨、活性炭、硅胶等。
这些吸附剂能吸附不同气体成分,使其在流动相中的移动速度不同,从而实现气体的分离和检测。
具体到甲烷的测量,通常采用焚烧法来实现。
焚烧法是利用气体色谱仪配合火焰离子化检测器(FID)进行分析。
FID能够通过检测电离火焰中产生的电流,来测量甲烷的浓度。
在气体色谱仪分析过程中,首先需要采集空气样品。
通常采样方法有主动式和被动式两种。
主动式采样是通过将空气样品引入到气体色谱仪中进行处理,而被动式采样则是通过置放样品收集装置,利用空气自然流动将样品收集起来,最后再将收集的样品转入气体色谱仪进行检测。
接下来,采集到的样品会先经过样品通道的预处理。
在预处理过程中,主要是对样品进行干燥、除尘和浓缩等处理,以减小样品中杂质的影响,并提高甲烷的测量灵敏度。
然后,样品会被输送到柱子中进行分离。
气体色谱柱是气体色谱仪的重要组成部分,不同的气体成分会因其与吸附剂之间的相互作用而在柱子中有不同的停留时间。
甲烷在这个过程中会因其与吸附剂的相互作用而停留时间较短,在柱子中快速通过。
最后,样品进入火焰离子化检测器中进行检测。
火焰离子化检测器是一种常用的气体检测器,通过将样品与氧气混合并燃烧,产生电离火焰。
甲烷燃烧后会生成离子,离子流在电场的作用下会形成电流信号,通过测量电流信号的大小,可以得到甲烷的浓度。
总的来说,环境空气测甲烷的原理就是利用气体色谱仪进行样品的分离和检测。
通过采集空气样品,经过样品通道的预处理,样品进入柱子进行分离,最后进入火焰离子化检测器进行甲烷的浓度测量。
这样的原理能够有效地实现对环境空气中甲烷浓度的监测和分析。
方法验证报告目录开展新检测项目申请表修改记录:第0次HJ38-2017气相色谱法测定固定污染源废气总烃、甲烷和非甲烷总烃的测定方法验证报告1.方法依据依据《固定污染源废气总烃、甲烷和非甲烷总烃的测定气相色谱法》HJ38-2017。
2.方法原理将气体样品直接注入具氢火焰离子化检测器的气相色谱仪,分别在总烃柱和甲烷柱上测定总烃和甲烷的含量,两者之差即为非甲烷总烃的含量。
同时以除烃空气代替样品,测定氧在总烃柱上的响应值,以扣除样品中的氧对总烃测定的干扰。
3.适用范围本标准规定了测定固定污染源废气中总烃、甲烷和非甲烷总烃的气相色谱法。
本标准适用于固定污染源有组织排放废气中的总烃、甲烷和非甲烷总烃的测定。
当进样体积为1.0ml 时,本方法测定总烃、甲烷的检出限均为0.06mg/m3(以甲烷计),测定下限均为0.24mg/m3(以甲烷计);非甲烷总烃的检出限为0.07mg/m3(以碳计),测定下限为0.28mg/m3(以碳计)。
4.主要仪器4.1、气相色谱仪。
5.主要试剂5.1、除烃空气:总烃含量(含氧峰)W0.40mg/m3(以甲烷计);或在甲烷柱上测定,除氧峰外无其他峰。
5.2、甲烷标准气:16.0pmol/mol、800pmol/mol,平衡气为氮气。
也可根据实际工作需要向具资质生产商定制合适浓度标准气体。
5.3、氮气:纯度±99.999%。
5.4、氢气:纯度±99.99%。
5.5、空气:用净化管净化。
5.6、标准气体稀释气:高纯氮气或除烃氮气,纯度±99.999%,按样品测定步骤测试,总烃测定结果应低于本标准方法检出限。
6.本方法样品的米集、处置和保存6.1、气袋采集按照图1所示连接采样装置。
固定污染源废气采样位置与采样点、采样频次和采样时间的确定、排气参数的测定和采样操作执行GB/T16157、HJ/T397和HJ732的相关规定。
开启加热采样管电源,采样时将采样管加热并保持在120°C±5°C(有防爆安全要求的除外),气袋须用样品气清洗至少3次,结束采样后样品应立即放入样品保存箱内保存,直至样品分析时取出。
西南交通大学工程实践项目“气相色谱法测试技术研究”结题报告(第二部分)项目成员:孙立朋,林鹏鹏,田野一、在项目中的分工在实验的前期准备、完成实验和后期的总结中,我们共完成了以下的任务:⑴查找与实验相关的书籍和在网上搜集与仪器相关的知识,了解气象色谱仪的原理以及应用。
⑵制定实验计划,拟定实验方案。
⑶结合说明书熟悉安捷伦7890A气相色谱仪的各个元件及其参数,并结合老师的讲解掌握仪器的具体操作过程和注意事项,及其掌握最后数据的读取、分析。
⑷开始实验,完成对甲烷气体的测定。
并根据在实际操作中遇到的问题不断修改和完善实验方案。
最后完成数据分析,总结实验经验。
⑸完成实验论文和结题报告。
其中(1),(2),)(3),(5),是由小组三人共同完成,在试验过程中,由田野控制温度的设定,林鹏鹏调整GC参数,孙立朋负责气体的操作与控制。
二、查阅资料等准备工作⑴在图书馆借阅了《分析化学》、《环境监测》等相关书籍,学习了气相色谱法的原理、应用。
⑵从网上查找相关的论文做参考并制定本实验的具体方案。
⑶了解并掌握仪器的使用:a)学习Agilent 7890A气象色谱仪现场培训教材。
b)听老师讲解安捷伦7890A气相色谱仪的具体操作过程。
c)阅读相关书籍,对试验仪器有更深入的了解。
d)上机操作,熟悉仪器。
三、项目实施过程描述(1)实验准备确定实验中甲烷气体的来源,从可行性和合理性及实际的状况出发,最后决定选用实验室的生活垃圾填埋场生物反应器模拟填埋柱中采集的气体,含有N2、CH4、CO2等气体。
仪器的使用,通过查阅资料和结合老师的讲解,并通过实际的上机操作逐渐了解了安捷伦7890A气相色谱仪的具体操作过程并利用仪器完成相关数据的测定。
(2)实验方案通过在允许范围内不断改变前进样口和后检测器的温度,在过程中观察甲烷含量的变化,并对这种变化结果分析前进样口和后检测器在不同温度下的工作状态,以此找出安捷伦7890A气相色谱仪在不同温度下测量甲烷含量,通过画图观察曲线的走向,这样就可以找出在测量甲烷含量时安捷伦7890A气相色谱仪的前进样口和后检测器的最佳工作温度。
气相色谱法分析一氧化碳、二氧化碳混合气体标准物质刘春英发布时间:2021-10-15T01:53:23.659Z 来源:《学习与科普》2021年10期作者:刘春英郭亚慧[导读] 如今,气相色谱法被大量的应用于石油工业、环境保护等众多方面,且获得了令人称赞的成绩和效果,也被大量应用煤质烯烃气体含量测定中。
北京航天试验技术研究所北京 100074摘要:随着生活水平逐步提高,食品安全逐渐成为人们关注的焦点。
二氧化碳是目前世界上应用最广泛的气体食品添加剂,其品质好坏,直接关系到广大消费者的身体健康。
在饮料行业,国内外许多厂家生产的碳酸饮料需要使用大量的食品级二氧化碳。
本文主要分析二氧化碳中一氧化氮气体标准物质研制。
关键词:食品添加剂;二氧化碳;一氧化氮;气体标准物质;纯度分析如今,气相色谱法被大量的应用于石油工业、环境保护等众多方面,且获得了令人称赞的成绩和效果,也被大量应用煤质烯烃气体含量测定中。
煤制烯烃项目中,乙烯、丙烯在催化剂作用下反应生成聚乙烯、聚丙烯,其中作为原料的乙烯、丙烯、H2中的微量CO和CO2,会使催化剂中毒,影响其反应。
故检测其中的微量CO和CO2有重要的意义。
由于测量是微量组分,为了保障仪器长周期的运行,本文通过对各方面的因素逐一排查,解决一氧化碳峰分离效果不好,二氧化碳响应低的问题。
因此我们必须要查明各种原因,及时快速准确的解决问题,从而更加高效的为工艺生产提供准确的分析数据。
二氧化碳气体通常含有一氧化碳、苯、硫、醛、烃等杂质。
由于生产工艺、设备和检测手段的不规范。
食品级二氧化碳往往含有一氧化氮等杂质,通过食物进入人体后会对人体造成不可逆的伤害。
一氧化氮在空气中不稳定,迅速变成二氧化氮,刺激人体。
一氧化氮主要损害人体呼吸道。
1、实验部分1.1主要仪器与试剂气瓶真空干燥装置:RC–Y5型,江苏丹阳荣昌空气厂;滚筒滚动装置:江苏丹阳荣昌航空分公司;配气装置:上海博瑞杰公司;质量比较仪:CCE40K3,德国赛多利斯公司;气相色谱仪:(1)配有等离子发射检测器和火焰离子化检测器的GC9560,上海艾华色谱分析技术有限公司;(2)带热导检测器的GC2010,日本岛津公司;一氧化碳气体分析仪:型号48i,美国赛默飞世科技有限公司;二氧化碳气体分析仪:410i型,赛默飞世科技有限公司;精密露点仪:373LX,瑞典MBW公司;傅里叶变换红外光谱仪:Tensor37,德国Brook公司;氧化氮分析仪:CLD60,瑞士ECOPHYSICS公司;二氧化碳和一氧化氮:纯度分别为99.999%和99.9%的高纯气体,光明化工研究设计院有限公司;氦中氢、氮、氧、一氧化碳、二氧化碳和甲烷的参考物质编号为GBW(东)061538。
色谱法测定气态化合物中的CO和CO21 测定原理,在注入气相色谱的填充柱,经转化器生成甲烷,FID用来检测甲气体样品中微量的CO、CO2含量用外标法定量。
烷产物,CO和CO22 分析仪器2.1 色谱柱A:9.1m1/16英寸OD、0.050英寸ID不锈钢管填充80-100目“PORAPAK Q”;2.2 色谱柱B:3m1/16英寸OD、0.050英寸ID不锈钢管填充60-80目13X分子筛;2.3 气相色谱:程序升温,FID检测器;2.4 气体转化器3 操作步骤反复进标准气体样品在获得峰面积,与标准气体含量计算各组分的校正因子;再进样品由样品的各组分的峰面积,计算样品含量。
R=A/B式中: A---各组分的含量; R---各组分的校正因子;B---各组分的平均峰面积;每天测定仪器的校正因子。
4 计算计算每种组分的含量用下列公式:各组分的含量,mass-ppm=E·R式中: E=各组分峰面积;R=各组分校正因子;5 精密度重复性根据每两个分析进行两次测试,在一个实验室进行2天共8次测试,室内标准偏差按下式计算,用不同的方法在一个实验室中做2次测试,不在同一天,将会出现更大的偏差;化合物浓度,moL-ppm 实内标准偏差,moL-ppm 结果差别,moL-ppmCO2 4 0.09 0.4CO2 214 2.4 9CO 6 0.58 2CO 182 2.6 10东莞德信诚精品培训课程(部分)内审员系列培训课程查看详情TS16949五大工具与QC/QA/QE品质管理类查看详情 JIT东莞德信诚公开课培训计划>>> 培训报名表下载>>> /download/dgSignUp.doc附加--人事管理第一节总则第一百零二条为进一步完善人事管理制度,根据国家有关劳动人呈法规、政策及公司章程之规定,制定本制度。
第一百零三条公司执行国家在关劳动保护法规,在劳动人呈部门规定的范围内有权自行招收员工,全权实行劳动工资和人事管理制度。
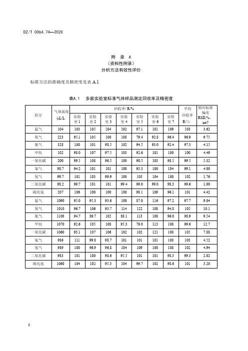
附录 A
(资料性附录)
分析方法有效性评价
标准方法的准确度及精密度见表A.1
表A.1 多家实验室标准气体样品测定回收率及精密度
8
表A.1 多家实验室标准气体样品测定回收率及精密度(续1)
9
表A.1多家实验室标准气体样品测定回收率及精密度(续2)
10
11
附 录 B
(资料性附录) 标准气体气相色谱图
氦气、氢气、氧气、氩气、氮气、甲烷、一氧化碳、二氧化碳和硫化氢等组分气相色谱图见图B.1、B.2和B.3。
氩气、氧气、氮气、一氧化碳、甲烷标准气体气相色谱图(TCD 检测器)
出峰顺序:1.氩气;2.氧气;3.氮气;4.一氧化碳;5.甲烷。
图B.1 氦气、氢气标准气体气相色谱图(TCD
检测器)
出峰顺序:1.氦气;2.氢气。
图B.2 二氧化碳、硫化氢标准气体气相色谱图(TCD 检测器)
出峰顺序:1.氧氮合峰;2.二氧化碳;3.硫化氢。
_________________________________。
气相色谱法测定甲烷的不确定度评定气相色谱法测定甲烷的测量不确定度评定1.检测依据HJ 38-2017 《固定污染源废气总烃、甲烷和非甲烷总烃的测定气相色谱法》2.过程描述2.1测量原理用带有FID检测器的气相色谱仪,注射器直接进样,样品中甲烷含量。
2.2实验步骤将气相色谱仪调节到实验所需条件,待仪器稳定后,用甲烷标准气配制5个浓度点,每个浓度点测三次,拟合校准曲线,线性相关系数≥0.995,样品连续测定6次,相对偏差不大于5%。
2.3测试结果表l甲烷峰面积响应值图1 甲烷线性曲线注:进样量为1mL样品测定数值:样品中甲烷含量为:12.4mg/m3。
3.数学模型建立数学模型,公式如下:u 3=√∑(Ai ?A )2n i=1n (n ?1)/AAi ;为被测样品组分峰面积; A 为被测样品组分峰面积平均值;n 为检测次数相对扩展不确定度:U c =√(u 12+u 22+u 32+u 42)4.不确定度分量来源气相色谱法分析的不确定度来源包括:1.色谱仪的不确定度;2.测定环境条件的不确定度;3.测定方法的不确定度;4.标准气的不确定度; 5.人员操作影响的不确定度; 6.色谱仪本身的稳定性。
在环境条件、仪器性能稳定的情况下,采用外标法定量,测定过程中所引入的不确定度在计算过程中被抵消。
因此,检测过程中的不确定度主要由以下几个不确定度分量组成:1.载气流速稳定性的不确定度;2.气相色谱仪的相对不确定度;3.样品气测定过程中定量重复性的不确定度;4.标准气的不确定度。
5.各不确定度分量的评定5.1载气稳定性的相对标准不确定度5.1.1 载气流速的相对不确定度用秒表、皂膜流量计对载气流速稳定性检定时,引入的不确定度主要来源于秒表的不确定度和皂膜流量计的不确定度。
校正后载气流速按式(2)计算:Fc=jFo*Td/Tr* (1-Pw/Po)------------------- (2)式中,Fc:为校正后的载气流速,mL/min;Fo:为室温下用皂膜流量计测得的检测器出口的载气流速,mL/min;Td:为检测器温度,K;Tr:为室温,K;Pw:为室温下水的饱和蒸汽压强,MPa;Po:为标准大气压强,MPa;J:为压力梯度校正因子。
浅析气相色谱法检测废气中甲烷非甲烷总烃气相色谱法检测废气中甲烷和非甲烷总烃,是一种非常常用的方法。
废气中甲烷和非甲烷总烃的测量非常重要,因为它们是废气中的主要成分之一,而且这些成分会对环境产生巨大的影响。
本文将详细介绍气相色谱法检测废气中甲烷和非甲烷总烃的基本原理、仪器设备、样品处理以及数据分析方法等方面。
气相色谱法是一种用于分离和定量气体混合物中的有机和无机化合物的方法,它是一种高效、可靠、快速和准确的技术。
在气相色谱法中,样品经过适当的前处理后,通过气相色谱柱进行分离,然后通过各种检测器进行测量和识别,最终得到各种化合物的定量结果。
用于废气中甲烷和非甲烷总烃测量时,通常采用相对较短的柱子(例如10-30米长)和热电导检测器(TCD)。
在这种情况下,油气样品越纯,检测灵敏度越高。
一般来说,气体在气相色谱柱内的分离是通过化合物与固定在色谱柱内涂层的固定相之间的相互作用来实现的。
这些相互作用包括吸附、分子筛分离、分子识别和分子化学反应等。
在气相色谱柱中分离出来的化合物在热电导检测器中被检测到后,生成的信号被转换为质量浓度,然后采用标准曲线法来确定各种化合物的浓度,最终得到废气中甲烷和非甲烷总烃浓度的结果。
对于废气中甲烷和非甲烷总烃的测量,在气相色谱柱、进样器、检测器和某些操作条件方面,存在一些具体的要求。
在典型的气相色谱仪中,必须包括以下组件:(1)进样器:进样器必须是自动化的,能够满足批量和连续流程样品的需求,并且适合于各种样品类型(例如液体、气体、固体等)。
(2)色谱柱:色谱柱必须是不容易阻塞的,且能长时间运行而不影响分离效果。
柱直径为0.53-0.25mm,长度通常在10-30米之间。
(3)检测器:对于废气中甲烷和非甲烷总烃的测量,通常采用热导检测器、火焰光度检测器或质谱检测器。
样品的前处理和采样技术对于有效和精确的气相色谱分析具有至关重要的作用。
样品前处理涉及到废气的收集、样品传递、样品净化以及含量的测定等步骤。
甲烷气相色谱峰值-概述说明以及解释1.引言1.1 概述概述:甲烷是一种常见的烃类气体,在许多领域如能源生产、环境监测和化工生产中具有重要的应用价值。
气相色谱技术是一种常用的分析方法,可以对甲烷进行准确、快速的检测和分析。
本文旨在探讨甲烷气相色谱峰值的检测方法及影响因素,为相关领域的研究和实践提供参考和借鉴。
的内容1.2 文章结构文章结构部分应对整篇文章的结构进行简要介绍。
在这篇关于甲烷气相色谱峰值的文章中,我们将从以下几个方面展开讨论:1. 引言:首先介绍文章的背景和目的,引起读者的兴趣。
2. 正文:依次介绍甲烷气相色谱分析、峰值检测方法和影响峰值的因素。
3. 结论:对文章的内容进行总结和分析,并展望未来的研究方向。
通过这样清晰的文章结构,读者可以更好地理解文章的内容和框架,帮助他们更好地理解和消化文章所传达的信息。
1.3 目的本文旨在探讨甲烷气相色谱峰值的检测方法及影响因素,通过对甲烷气相色谱分析的深入研究,旨在提高对甲烷分析的准确性和可靠性。
通过研究峰值检测方法和影响因素,可以更好地理解甲烷在气相色谱中的行为特性,为甲烷在环境监测、化工生产等领域的应用提供参考和指导。
同时,深入分析甲烷气相色谱峰值的特性,有助于拓展对气相色谱技术的理解和应用,促进该领域的研究进展和技术创新。
2.正文2.1 甲烷气相色谱分析甲烷是一种常见的碳氢化合物,在环境监测、石油化工等领域具有重要的应用价值。
气相色谱技术是一种常用的分析方法,可以有效地分离和检测样品中的化合物成分。
在甲烷气相色谱分析中,通常采用色谱柱将混合气体中的甲烷分离出来,然后利用检测器对其进行检测和定量。
甲烷在气相色谱中的分析通常包括以下几个步骤:样品进样、色谱分离、检测和定量。
首先,样品被进样系统引入色谱柱进行分离。
色谱柱一般采用非极性柱,如聚二甲硅或聚四氟乙烯等。
甲烷在色谱柱中会根据其与柱填料的亲疏性不同而被分离出来。
接着,甲烷被带着惰性气体一起送入检测器进行检测。
1气体中甲烷、氧化亚氮和二氧化碳浓度测定——气相色谱法1范围本标准规定了气体中甲烷、氧化亚氮和二氧化碳浓度测定相关的术语和定义、测量仪器、测量步骤、浓度计算等技术要求。
本标准适用于指导碳排放监测领域和碳核查领域的检测人员测定各类气体样品中的二氧化碳(CO 2,浓度<1%)、甲烷(CH 4,浓度<20μmol mol -1)和氧化亚氮(N 2O,浓度<2μmol mol -1)的浓度。
2规范性引用文件下列文件中的条款通过本标准的引用而成为本标准的条款。
凡是注日期的引用文件,其随后修订版均不适用于本标准。
凡是不注日期的引用文件,其最新版本(包括所有的修改单)适用于本标准。
专利ZL 201010162476.7一种对大气中N 2O 浓度的测量系统和方法GB/T 31705-2015气相色谱法本底大气二氧化碳和甲烷浓度在线观测方法GB/T 31709-2015气相色谱法本底大气二氧化碳和甲烷浓度在线观测数据处理方法3术语和定义下列术语和定义适用于本标准。
3.1二氧化碳浓度concentration of carbon dioxide气体中二氧化碳气体的摩尔分数或体积分数,单位为μmol mol -1或μL L -1。
3.2甲烷浓度concentration of methane气体中甲烷气体的摩尔分数或体积分数,单位为μmol mol -1或μL L -1。
3.3氧化亚氮浓度concentration of nitrous oxide (分子式N 2O)气体中氧化亚氮气体的摩尔分数或体积分数,单位为µmol mol -1或µL L -1。
3.4标准气体standard gas底气为干洁空气、合成空气或高纯氮气,已知浓度的甲烷、氧化亚氮或二氧化碳气,其单一或三种混合气体。
3.5气相色谱法gas chromatography method2利用试样中各组分在色谱柱中的气相和固定相间的分配系数不同,当汽化后的试样被载气带入色谱柱中运行时,组分就在其中的两相间进行反复多次的分配(吸附-脱附-放出)由于固定相对各种组分的吸附能力不同(即保存作用不同),因此各组份在色谱柱中的运行速度就不同,经过一定的柱长后,便彼此分离,顺序离开色谱柱进入检测器,产生的离子流信号经放大后,在记录器上描绘出各组分色谱峰的分析方法。
3.6载气carrier gas以一定的流速载带气体样品或经气化后的样品气体一起进入色谱柱进行分离,再将被分离后的各组分载入检测器进行检测,最后流出色谱系统放空或收集,载气只是起载带而基本不参于分离作用。
3.7标准曲线standard curve line标准物质的物理/化学属性跟仪器响应之间的函数关系。
建立标准曲线的目的是推导待测物质的理化属性。
3.8变异系数coefficient of variation原始数据标准差与原始数据平均数的比,用CV表示,它是一个没有量纲的数,反映数据离散程度。
4检测分析系统及技术要求4.1检测分析系统构成温室气体-气相色谱法系统共由三部分组成,4.1.1气源部分(Ⅰ)包括高压钢瓶(高纯氮气、高纯氢气、高浓度CO 2气(氮气本底))、气体发生器(提供干燥纯净空气)和过滤器(分子筛、活性炭、硅胶、脱氧过滤器)。
4.1.2自动进样部分(Ⅱ)包括进样阀、电磁阀4.1.3分析检测部分(Ⅲ)色谱柱(3个分析柱,1个前置柱)、切换阀、1个镍触媒转化器和2个检测器(氢火焰离子化检测器FID 和电子捕获检测器ECD)。
CO 2、CH 4和N 2O 的分析采用相互独立的进样与分离气路,其中CO 2和CH 4采用单阀单柱进样分离气路,共用同一个检测器FID;N 2O 采用双阀双柱自动进样、反吹、分离和切换气路,单独使用ECD 检测器。
系统操作、运行流程详见附录。
3图1气相色谱法检测甲烷、氧化亚氮和二氧化碳的分析气路图4.2测量仪器设备及要求4.2.1气相色谱仪(例如Agilent7890)带有2种检测器(氢火焰离子化检测器FID 和电子捕获检测器ECD)4.2.2计算机(台式或移动式)装有Window XP 以上版本的操作系统和工作站软件(例如Agilent 2070AA)。
4.2.3其他设备对于经常断电或电压经常不稳的野外站点,需要配置大容量(对于单套气相色谱仪器,应当大于1千伏安)不间断电源,专门为气相色谱仪、控制仪器的计算机和提供压缩空气的空气压缩机进行日常供电,以避免断电、电压变幅过大等导致的仪器难稳定、易损坏等问题。
4.2.4所需气体a)高纯氮气(纯度99.999%)b)高纯氢气(纯度99.999%)c)压缩空气(用高压钢瓶或空气压缩机提供)d)10%CO 2(以高纯氮气为底气)e)工作标准气体:从国家标准物质中心或拥有特种气体质资的商家订购的混合气体,底气为干洁空气、合成空气或高纯氮气,要求其CH 4浓度约为2.0µmol mol -1(µL L -1即ppmv),N 2O 约为0.350µmol mol -1(µL L -1即ppmv)、CO 2约为1000µmol mol -1(µL L -1即ppmv),使用前需要经过能溯源国4际标准的气体再标定,如果一瓶标准气体的使用期超过保质期,也需要再标定。
4.2.5气相色谱分析条件a)气相色谱仪器分析气体样品CH 4、N 2O 和CO 2浓度的色谱条件详见表1。
b)为了防止气体样品中携带的灰尘进入到仪器的气路中而导致仪器元件精密阀系统的意外损伤,必须在气体进样口前安装内填气相色谱用玻璃纤维的二通阀或三通阀过滤头,并且每个月需要更换一次填充的玻璃纤维,填充前需要先用注射器吹洗用作过滤头的二通阀或三通阀气路。
表1分析气体样品CH 4、N 2O 和CO 2浓度的气相色谱仪的分析条件检测的目标气体CH 4CO 2N 2O色谱柱分析柱:SS 2m×2mm 填充:60-80目13XMS分析柱:SS 2m×2mm填充:60-80目Porapak Q前置柱:SS 1m×2mm 分析柱:SS 3m×2mm均填充:80-100目的Porapak Q载气/流量(mL min -1)高纯N 2/30高纯N 2/30高纯N 2/30柱箱温度(˚C)555555转化器/温度(˚C)/镍触媒/375/检测器/温度(˚C)FID/250FID/250ECD/330空气及高纯H 2/流量(mL/min)空气/400H 2/30空气/400H 2/30/缓冲气(10%CO 2)/流量(mL/min)//2注:SS:不锈钢;MS:微分子筛;FID:氢火焰离子化检测器;ECD:电子捕获检测器5测量5.1气相色谱仪开机需在分析样品前一天开机,给仪器足够的稳定时间。
5.1.1通气和检漏a)打开高纯氮气钢瓶主阀,将分压调至0.4MPa ;b)打开空气泵开关(或压缩空气钢瓶主阀),分压调至0.4MPa ;c)打开高纯氢气钢瓶主阀,分压调至0.4MPa ;d)10%CO 2辅助气钢瓶主阀打开,分压调至0.4MPa ;e)用皂液检查钢瓶、连接管路的气密性,确认无漏气。
5.1.2仪器开机a)打开气相色谱电源开关;b)打开气相色谱工作站软件;c)待FID 升至设定温度(必须大于150℃)后,给FID 点火;d)等待ECD 、镍触媒温度升至设定温度;5.1.3仪器待机或烤柱过夜a)关闭气相色谱工作站软件;b)将柱箱温度升至150℃,过夜;c)关闭氢气、空气,使FID检测器熄灭d)关闭电脑5.2样品分析之前的准备工作5.2.1FID检测器点火开H2气钢瓶主阀,给FID点火(如果之前待机或烤柱时灭火);5.2.2启动色谱工作站启动运行色谱工作站软件,将OVEN温度降至55℃,调用“GHGs”方法;5.2.3色谱仪基线等待FID和ECD基线平稳(约需2-3个小时左右),平稳后,一般FID基线在15-20,ECD基线在110-150;5.2.4检查注射器气密性用三通阀密闭注射器,用力拔活塞到大约20mL的位置,放开活塞,如果活塞立即弹回原位,注射器中没有被抽进空气,则表明注射器及其带的三通阀密封性能良好,可以用于采样,否则,需要更换注射器或其三通阀。
5.2.5仪器稳定性评估用带三通开关阀的气袋抽取室外空气约500mL,关阀保存;用注射器从气袋中采气(用带三通阀的注射器取气,在正式取气(60mL)之前,需要清洗气袋和注射器连接处的气路3次,每次从气袋中抽10mL左右的气体,通过转动注射器上的三通阀放掉),连续进样5-6次,对仪器稳定性进行评估;当这些平行样品CH4、CO2和N2O峰面积的变异系数(CV,即平行样品峰面积的标准偏差与平均值之比)均小于1%时,认为仪器已经稳定,可以进行仪器标定/标准曲线制作,以及进行样品分析。
5.3仪器标定及工作曲线制作对于具体的样品分析,可根据检测到的仪器0点状态和预计样品浓度范围来决定是采用工作曲线标定方式或是单点标定方式。
标气需要从常压条件下用注射器取出再注入气相色谱进行分析。
常压力标气的准备方法和步骤:i.用高纯氮气洗净的1L容积气袋,分别用100mL标气清洗气袋两次;ii.将气袋与标气连接,仔细检查确保气密,转动气袋上的三通阀,用标气对进气袋前的气路清洗3秒钟;iii.向气袋中放入大约400mL 标气(不要充太满,以免撑破气袋)。
气相色谱分析的标气均用注射器取自气袋中存储的常压标气。
取常压标气进行的分析是为了避免用注射器直接从钢瓶取样可能存在使不同标气样品的进样压力不一致的问题。
55.3.1单点标定即可以使用单个标准气体浓度对不同浓度的气体样品进行标定。
如果气相色谱响应信号(用峰面积或峰高表征)随气体浓度而变化的关系曲线在纵坐标上的截距很接近于0,表明响应信号直接与气体浓度大小成比例,这是可以使用单个标准气体浓度对不同浓度的气体样品进行标定。
5.3.2工作曲线标定:如果上述的截距明显大于0或小于0,表明仪器的0点漂移严重,这时应当用不同浓度梯度的标准气体制作的工作曲线来表达样品气体的目标气体浓度。
另外,气相色谱仪器对宽浓度范围的响应具有非线性效应,因而,当气体样品的浓度跨度较大时,也应当采用工作曲线标定方式。
如果采用工作曲线标定方式,则需要配置足以涵盖样品浓度范围的标准气体系列(通常应当包括至少5个梯度,小至背景大气浓度水平,大至预计的最大气体样品浓度以上)。
测定过程中,每天需要制作一条新的工作曲线,用以标定当天分析的样品,并且应当在样品分析过程中穿插与样品浓度比较接近的标准气体的跟踪分析,以评估和修正标准曲线的漂移。
5.4样品分析用注射器从钢瓶或气袋中抽取气体的步骤如下:5.4.1步骤一通过三通阀将100ml塑料注射器与气袋或钢瓶上的气体出口连通,并确保连接不漏气;5.4.2步骤二开气袋和钢瓶上的阀门,用注射器抽取气袋的气体,或让钢瓶中的气体直接正压充入注射器;5.4.3步骤三控制阀门的开启程度,让气体缓慢流入注射器,通过注射器上的三通阀转向,清洗连接气路3-5次,每次用10ml左右的气体;5.4.4步骤四抽取100mL(可连续分析3次的气体量)气袋气或钢瓶存储的标气。