电液伺服折弯机价格
- 格式:docx
- 大小:197.60 KB
- 文档页数:3
数控折弯机/高端数控折弯设备
1.采用荷兰Delem公司DA52专用数控折弯机系统和德国BOSCH 公司电液比例伺服阀,系统运行稳定,制作精密高。
数控系统光栅尺、电液比例阀及阀用电子放大器组成的闭环式控制系统,精确的检测和控制了滑块与工作台的相对位置、同步精度,是滑块保持同步运行,保证了折弯深度和折弯角度。
2. 整体钢板焊接结构,机架厚实,刚性高,减震性强;
3. 本机床的机械结构主要由机架、工作台、滑块、主油缸和后挡料等部分组成。
完善的设计与制造工艺,可以有效的保证机床的制造和使用精度。
主要结构件的制造工艺流程(过程检验穿插其中):
板料入库→ 理化检验→ 板料预处理(打磨除锈)→ 数控火焰切割下料→ 切割加工各焊接结合面→ 阻焊→ 气体保护焊接→ 振动时效处理→ 大型落地镗铣床等机械加工工序→ 装配成品;
4. 上动式折弯设计,工作平稳,操作方便、完全;
5. 机床的机架、滑块、工作台等主要件均利用数控大型落地镗铣床一次装卡精加工而成,保证了主机的各项几何精度要求;
6. 机床导轨采用先进的自润滑材料,不需进行经常性的润滑保养;
7. 工作台、立柱、横梁、滑块的设计刚度较高,折弯时工作台与滑块的变形小,制件有良好的直线度和角度的一致性;
8. 滑块在下止点有保压延时功能,确保工作件精度。
9. 采用双缸结构,电液比例伺服阀同步(Y1、Y2),电液比例伺服系统是一种位置控制系统,机床的抗偏裁能力很强,它能通过光栅动态地检测出滑块的位置误差,电液比例阀分别控制改变两油缸的运动速度,进而纠正滑块的同步误差;
10. 液压系统采用德国原装电液比例液压系统,管路简捷集中;。
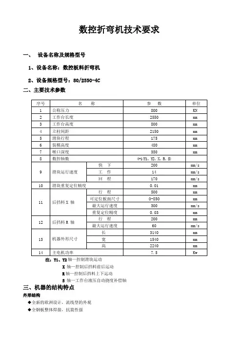
数控折弯机技术要求一、设备名称及规格型号1、设备名称:数控板料折弯机2、设备规格型号:80/2550-4C二、主要技术参数注:Y1、Y2轴—控制滑块运动X轴—控制后挡料前后运动R轴—控制后挡料上下运动S 轴—工作台液压自动挠度补偿轴三、机器的结构特点外形结构◆全新的欧洲设计,流线型的外观◆全钢板整体焊接,抗震性强◆采用大型回火炉消除应力,稳定性好,机架永不变形◆机架经西班牙五面体加工中心一次装夹加工成形,保证了各安装面的平行度及垂直度◆一流安全标准◆二个可按步距调节的托料架◆涂装采用立邦聚氨脂漆滑块结构◆上动式折弯设计,低噪音,工作状态稳定◆滑块加厚、加宽,将挠曲度降至最低调量◆双导轨结构,滑块运行更平稳◆Y1、Y2的平行公差为0.01mm◆Y1、Y2可单独编程,可在偏载状态下工作,也可锥形折弯◆下死点有保压时间,可编程,确保不同制件精度◆有慢速回程控制的功能,操作者可以更好的控制工件◆通用的上模安装面,可最大限度满足模具的装夹要求液压系统◆采用最先进的全闭环电液伺服同步控制系统◆液压控制阀堆进口德国HOERBIGER公司◆选用进口线性礠栅尺,高精度的导向系统、位置测量系统和液压均衡功能,能满足全长或偏心的加工需要◆喉口设有“C”形板机构,直接检测上、下模之间的距离,确保制件精度◆油缸内密封件为国际最著名品牌,密封性强,寿命长◆液压系统管件、接头采用国外进口,质量佳,性能强◆液压系统有超负荷溢流安全保护◆油位高度清晰直观显示◆机床可在额定负载下连续工作,液压系统保证无泄漏且加工持续稳定,精度高后定位系统◆设备适用于生产多道折弯、高精度工件◆采用数字式交流伺服电机且速度闭环控制,有退让控制功能◆后挡料X轴采用滚珠丝杠传动,直线导轨导向,数字式交流伺服电机驱动,有退让控制功能◆挡料梁采用箱式结构,具有足够的机械强度和刚度◆R轴自动升降调节,Z轴叁只挡指沿双直线导轨手动调节,操作方便,精度高◆独特的挡子结构,扩大了挡料范围电气系统◆电气元件采用国外进口或合资产品,符合国际标准,安全可靠,寿命长,抗干扰能力强◆可移动式按钮站,方便操作,有紧急停机功能挠度补偿◆ 欧洲九十年代成熟的补偿技术◆ 补偿量由数控系统自动设定,保证了全长折弯角度的一致◆ 在机器偏载工作的情况下,也能进行有效补偿CNC控制系统◆ 瑞士 CYBELEC 60S模具装夹及配置◆ 上模夹紧方式:无锡天骏新快夹◆ 下模固定方式:2-V “T”型快换标准上模无锡求实 1付模具手册10.105 尺寸:515*5 其中一段标准分段左右割耳2V下模无锡求实 1付 V=8/12mm 尺寸:515*5 其中一段标准分段四、主要配套件清单五、本机床设计、制造、检验、安装符合以下标准1、GB17120-2015 《锻压机械安全技术条件》2、JB/T2257.1-92 《板料折弯机技术条件》3、GB/T24349-2011 《数控板料折弯机精度》六、质保及售后支持质保及售后支持由供货厂家提供书面说明,作为评标依据临工金利机械有限公司2018年2月21日。
PPEB培训教材三环集团黄石锻压机床二00二年十一月目录第一章概述 (3)第二章机床的结构 (3)§2.1 数控折弯机的构成及工作原理 (3)§2.2 折弯机的主参数 (3)§2.3 数控折弯机的数控轴 (4)第三章机床的液压传动及同步操纵 (6)§3.1 液压传动回路的构成 (6)§3.2 液压元件的结构及工作原理 (6)§3.2 数控折弯机的液压传动原理 (8)§3.3 数控折弯机的同步操纵 (9)第四章机床的电气操纵系统 (11)§4.1 机床电气操纵系统的组成 (11)§4.2 数控系统的介绍 (11)§4.3 CADMAN软件的安装 (14)§4.4 CADMAN-B的操作 (19)4.4.1 图形编辑器 (21)4.4.2 下模的编辑 (26)4.4.3 上模的编辑 (28)4.4.4 生产设置(模具组合)的编辑 (31)4.4.5 板料的编辑 (33)4.4.6 工件的编辑 (33)4.4.7 自动编程 (35)4.4.8 手动编程 (37)4.4.9 MNC程序的修改 (39)§4.5 CADMAN-CNC的操作 (40)4.5.1 主页面 (40)4.5.2 配置模式 (42)4.5.3 生产模式 (49)4.5.4 联机模式 (57)4.5.5 用户级别 (59)4.5.6 机床坐标系 (60)第五章变形工艺及典型工件举例 (61)§5.1 几种折弯方法介绍 (61)§5.2 典型工件举例 (61)第六章机床常见故障的处理 (71)第一章概述折弯机是用来完成板料整体弯曲成型的设备,在滑块一次行程后,即能将板料折弯成一定几何形状的横截面型材,通过更换模具和多次折弯还可得到较为复杂的各种截面形状。
在锻压设备中,折弯机已成为最受人们欢迎的金属成型设备之一,近年来随着工艺水平的不断提高,其加工的工艺范畴越来越广。
剪板机是借于运动的上刀片和固定的下刀片,采用合理的刀片间隙,对各种厚度的金属板材施加剪切力,使板材按所需要的尺寸断裂分离。
剪板机可分为:脚踏式(人力)、机械剪板机式、液压摆式剪板机等。
剪板机常用来剪裁直线边缘的板料毛坯。
剪切工艺应能保证被剪板料剪切表面的直线性和平行度要求,并尽量减少板材扭曲,以获得高质量的工件。
剪板机剪切后应能保证被剪板料剪切面的直线度和平行度要求,并尽量减少板材扭曲,以获得高质量的工件。
剪板机的上刀片固定在刀架上,下刀片固定在工作台上。
工作台上安装有托料球,以便于板料的在上面滑动时不被划伤。
后挡料用于板料定位,位置由电机进行调节。
压料缸用于压紧板料,以防止板料在剪切时移动。
护栏是安全装置,以防止发生工伤事故。
回程一般靠氮气,速度快,冲击小。
操作前要穿紧身防护服,袖口扣紧,上衣下摆不能敞开,不得在开动的机床旁穿、脱换衣服,或围布于身上,防止机器绞伤。
必须戴好安全帽,辫子应放入帽内,不得穿裙子、拖鞋。
剪板机操作人员必须熟悉剪板机主要结构、性能和使用方法。
剪板机适用于剪切材料厚度为机床额定值的各种钢板、铜板、铝板及非金属材料板材,而且必须是无硬痕、焊渣、夹渣、焊缝的材料,不允许超厚度。
剪板机的使用方法:按照被剪材料的厚度,调整刀片的间隙;根据被剪材料的宽度调整靠模或夹具;剪板机操作前先作 1 — 3 次空行程,正常后才可实施剪切工作。
使用中如发现机器运行不正常,应立即切断电源停机检查。
调整机床时,必须切断电源,移动工件时,应注意手的安全。
剪板机各部应经常保持润滑,每班应由操作工加注润滑油一次,每半年由机修工对滚动轴承部位加注润滑油一次。
一、认真执行《锻压设备通有操作规程》有关规定。
二、认真执行下述有关补充规定:(一)工作前认真作到:1、作空运转试车前,应先用人工盘车一个工作行程,确认正常后才能开动设备。
2、有液压装置的设备、检查储油箱油量应充足。
启动油泵后检查阀门、管路是否有泄漏现象,压力应符合要求。
目录摘要 (I)1 绪论 (1)1.1板料折弯机概述 (1)1.1.1板料折弯机的工作原理 (1)1.1.2板料折弯机的分类 (2)1.1.3板料折弯机的作用 (2)1.2 国内外的发展现状及研究动态 (2)1.3 本设计的技术要求 (3)1.4 任务分析 (3)2 折弯机的工况分析 (5)2.1 负载分析计算 (5)2.2 运动分析计算 (6)3 折弯机液压系统的设计 (8)3.1 确定液压系统主要参数 (8)3.1.1 初选执行组件的设计压力 (8)3.1.2 计算和确定液压缸的主要结构尺寸 (9)3.1.3 计算液压缸所需压力、流量及功率 (9)3.2 编制液压缸的工况图 (12)3.3 制定液压回路方案 (13)3.4 拟定液压系统原理图 (14)3.5液压系统工作原理 (15)4 液压元件的选型 (16)4.1 液压泵及其驱动电机的计算与选定 (16)4.2 液压控制阀的选定 (17)4.3 辅助元件的选定 (17)5.液压系统的性能验算 (18)5.1 液压系统油箱散热计算 (18)5.2 液压系统发热量计算 (18)5.3 液压系统散热计算 (18)6 折弯机液压系统的日常维护与故障分析 (20)6.1 折弯机的日常维护方法 (20)6.2 折弯机的常见故障分析及故障排除方法 (21)7 总结 (23)参考文献 (24)1 绪论1.1板料折弯机概述板料液压折弯机是一种由液压电气联合控制,用来对板料进行整体弯曲一次成形的机床,它采用简单的模具把金属板料压制成可需的几何形状,可广泛运用于电器、电子、金属结构、仪器、仪表、日用五金、建筑装潢等行业。
1.1.1板料折弯机的工作原理折弯机的组成包括支架、工作台和夹紧板,工作台置于支架上,工作台由底座和压板构成,底座通过铰链与夹紧板相连,底座由座壳、线圈和盖板组成,线圈置于座壳的凹陷内,凹陷顶部覆有盖板。
使用时由导线对线圈通电,通电后对压板产生引力,从而实现对压板和底座之间薄板的夹持。
伺服压力机品牌_伺服压力机厂家排名内容来源网络,由深圳机械展收集整理!更多冲压加工工艺及设备展示,就在深圳机械展。
伺服压力机通常指采用伺服电机进行驱动控制的压力机。
包括金属锻压用伺服压力机及耐火材料等行业伺服压力机。
因伺服电机的数控化特点,有时也广泛称其为数控压力机。
伺服压力机通过一个伺服电机带动偏心齿轮,来实现滑块运动过程。
通过复杂的电气化控制,伺服压力机可以任意编程滑块的行程,速度,压力等,甚至在低速运转时也可达到压力机的公称吨位。
以下就为你介绍伺服压力机企业,排名不分先后:江苏中兴西田数控科技有限公司CPTEK-兴锻是由2011年9月成立的江苏中兴西田数控科技有限公司所创立的品牌,公司位于江苏溧阳天目湖畔,注册资本8000万,总投资1.6亿元,规划占地135亩。
公司由一支热爱锻压事业,并在中日锻压行业里工作多年的技术和管理团队所组成,以及有新加坡中国精密技术有限公司和日本西田精机株式会社等股东的资金和技术支持。
公司将国际上的伺服、多工位和冷温挤压等新型锻压设备及周边自动化装置等推向市场,为国内汽车、家电、电子等行业提供金属冲压成型解决方案。
天田(中国)集团株式会社天田(AMADA CO.,LTD)是一个生产钣金加工机械的大型跨国公司,从市场规模、产品结构、产品技术性能以及综合的经营管理体系等方面,逐步形成了一个集产品开发、设计、制造、教育培训售后服务为一体并具备营销网络的集团性上市公司。
公司在世界各大洲设有83个分支机构,产品营销全球100多个国家和地区,其生产钣金加工机械的品种多(达近千品种)。
公司在九十年代开发制造的21世纪智能化自动钣金加工中心。
AMADA公司的产品具有全面合理的机械结构;能给用户提供品质,它具有高效无公害的运行特征,能给用户创造利益,放心使用;公司年销售达到2000亿日元。
江苏扬力集团股份有限公司始创于1998年,坐落于长三角扬州,是目前国内金属成形装备制造企业之一。
PPEB折弯机培训教材三环集团黄石锻压机床有限公司二00二年十一月目录第一章概述 (3)第二章机床的结构 (3)§2.1数控折弯机的构成及工作原理 (3)§2.2折弯机的主参数 (3)§2.3数控折弯机的数控轴 (4)第三章机床的液压传动及同步控制 (6)§3.1液压传动回路的构成 (6)§3.2液压元件的结构及工作原理 (6)§3.2数控折弯机的液压传动原理 (8)§3.3数控折弯机的同步控制 (9)第四章机床的电气控制系统 (11)§4.1机床电气控制系统的组成 (11)§4.2数控系统的介绍 (11)§4.3CADMAN软件的安装 (14)§4.4CADMAN-B的操作 (19)4.4.1 图形编辑器 (21)4.4.2 下模的编辑 (26)4.4.3 上模的编辑 (28)4.4.4 生产设置(模具组合)的编辑 (31)4.4.5 板料的编辑 (33)4.4.6 工件的编辑 (33)4.4.7 自动编程 (35)4.4.8 手动编程 (37)4.4.9 MNC程序的修改 (39)§4.5CADMAN-CNC的操作 (40)4.5.1 主页面 (40)4.5.2 配置模式 (42)4.5.3 生产模式 (49)4.5.4 联机模式 (57)4.5.5 用户级别 (59)4.5.6 机床坐标系 (60)第五章变形工艺及典型工件举例 (61)§5.1几种折弯方法介绍 (61)§5.2典型工件举例 (61)第六章机床常见故障的处理 (71)第一章概述折弯机是用来完成板料整体弯曲成型的设备,在滑块一次行程后,即能将板料折弯成一定几何形状的横截面型材,通过更换模具和多次折弯还可得到较为复杂的各种截面形状。
在锻压设备中,折弯机已成为最受人们欢迎的金属成型设备之一,近年来随着工艺水平的不断提高,其加工的工艺范围越来越广。
课题描述本次课题是通过WC67Y液压板料折弯机的维修对液压传动有更深刻、系统的认识。
对液压板料折弯机的液压系统组成及组成液压系统的各个零件的作用、液压系统的工作原理有了具体深入的了解。
进一步加深对所学基础理论、基本技能的理解与运用,并逐步系统化;可培养独立工作、解决问题的能力,进而达到培养独立获取新知识的能力;通过文献检索等基本技能的训练,掌握撰写技术报告的能力;通过设计过程的训练,培养刻苦钻研的科学态度及团队协作能力,为以后工作时的产品开发、技术改进打下坚实基础,在将来的实际生产中灵活处理质量、生产率和成本之间的关系,能获得良好的经济效益。
折弯机是机械加工行业的专用设备,它是利用液压传输驱动工作台的相对运动,结合上、下模的形状,从而实现对板材的折弯变形的。
也可用作压力机完成易模成型及压铆、校平、断差成形等。
由于其强度大的成形功能而被广泛用于机械加工行业。
折弯机对折弯金属板料具有较高的劳动生产率和较高的折弯精度。
该机器是采用钢板连接机构,具有足够的强度和刚度,液压传动保证工作是不至于因板料厚度变化或下模V形槽选择不当而引起的严重超载事故。
此外本机器工作平稳可靠,操作方便,具有点动、单次行程,并能保压,用户只须配备各种不同的模具,就能将金属板料折弯成各种不同形状的工件,当配备相应的装备后,还能作冲孔用。
图1为液压板料折弯机的外观图,液压板料折弯机的主要工作是靠液压系统来提供动力,液压传动装置的体积小、重量轻、惯性小、结构紧凑、布局灵活。
结构特点:1、采用全钢焊结构,具有足够的强度和刚性;2、液压上传动,机床两端的油缸安置于滑块上,直接驱动滑动工作;3、滑块同步机构采用扭轴强迫同步;4、采用机械档块结构,稳定可靠;5、滑块行程机动快速调,手动微调,计数器显示;6、斜楔式的挠度补偿机构,以保证获得较高的折弯精度。
但是液压系统的缺点也是不容忽视的,因为它是以油液作为工作介质,所以容易泄漏。
现有的常规测试方法,只能近似的或有限的对液压支路及液压元件进行测试,而对繁多液压系统和液压元件,进行精确、快速地测试其性能,进而准确判断液压系统故障部位,显得力不存心。
DELEM & ESTUN G:\缪军\重要备份\DELEM海安培训(James025********)剪板机系统介绍E20DAC310DAC350G:\缪军\重要备份\DELEM海安培训(James025********)G:\缪军\重要备份\DELEM海安培训(James025********)折弯机系统介绍E20+,DA41,DA51,DA53/56,DA65W、DA66W、DA69WDELEM & ESTUNDA51 G:\缪军\重要备份\DELEM海安培训(James025********)DA51硬件连接说明G:\缪军\重要备份\DELEM海安培训(James025********)G:\缪军\重要备份\DELEM海安培训(James025********)G:\缪军\重要备份\DELEM海安培训(James025********)图中带*号的I/O端口表示根据不同的配置和参数有不同的作用。
信号A16 C16电液同步手动平行开关145号参数为0时,即滑块无位置检测扭轴同步退让换步参数为1 156 146G:\缪军\重要备份\DELEM海安培训(James025********)G:\缪军\重要备份\DELEM 海安培训(James025********)硬件连接说明DA51硬件诊断说明G:\缪军\重要备份\DELEM海安培训(James025********)进入诊断程序DA51:1、选择编程常量模式。
2、按‘N’键,提示输入密码。
3、输入密码:14753,回车确认,进入参数与诊断页面。
G:\缪军\重要备份\DELEM海安培训(James025********)G:\缪军\重要备份\DELEM 海安培训(James025********)硬件诊断说明键盘诊断操作模式键G:\缪军\重要备份\DELEM海安培训(James025********)G:\缪军\重要备份\DELEM海安培训(James025********)G:\缪军\重要备份\DELEM海安培训(James025********)G:\缪军\重要备份\DELEM海安培训(James025********)G:\缪军\重要备份\DELEM海安培训(James025********)G:\缪军\重要备份\DELEM 海安培训(James025********)硬件诊断说明系统初始化:DA51及DM51、DM54系统都没有专用于系统复位的菜单选择项,只能利用硬件复位,让系统进行初始化,初始化只清除系统内模具参数,机床外形参数、手动页面参数,同时复位系统内所有机床参数成缺省值。
科技发展的同时,带动的了人们生活品质的提升,社会的水平也得到
了提升,从另一个方面来看,生活水平的提升,其实得益于工业等产
业得到了较大幅度的提升,想知道为什么嘛?因为生产设备的科技得
到了改善,使得生产效率大大提升。
电液伺服折弯机就是这么一种设备,
电液伺服折弯机是一种能够对薄板进行折弯的机器,其结构主要包括
支架、工作台和夹紧板,工作台置于支架上,工作台由底座和压板构
成,底座通过铰链与夹紧板相连,底座由座壳、线圈和盖板组成,线
圈置于座壳的凹陷内,凹陷顶部覆有盖板。使用时由导线对线圈通电,
通电后对压板产生引力,从而实现对压板和底座之间薄板的夹持。由
于采用了电磁力夹持,使得压板可以做成多种工件要求,而且可对有
侧壁的工件进行加工,操作上也十分简便。
那么相关的折弯机具有哪些性能呢?
液压折弯机包括支架、工作台和夹紧板,工作台置于支架上,工作台
由底座和压板构成,底座通过铰链与夹紧板相连,底座由座壳、线圈
和盖板组成,线圈置于座壳的凹陷内,凹陷顶部覆有盖板。
使用时由导线对线圈通电,通电后对压板产生引力,从而实现对压板
和底座之间薄板的夹持。由于采用了电磁力夹持,使得压板可以做成
多种工件要求,而且可对有侧壁的工件进行加工。折弯机可以通过更
换折弯机模具,从而满足各种工件的需求。
那么这么一种设备大概多少钱呢?
这样一种设备一般价格都不会便宜,所以在我们自己找不到思绪的时
候,我们可以去问问相关的工作人员,给我们讲解一下·折弯机的性
能与价格的关系。一般地,性能越好的机械,价格相应来说会更贵一
些。如果还想知道的更仔细,我们也可以上网查找相关的资料。
马鞍山市中亚机床制造有限公司是由现任董事长兼总经理许齐宝同
志于2001年创立,企业前期在山东腾州机床总厂以厂房合作方式生
产销售。 2001年受家乡镇府的诚挚邀请,回乡创业,并获得首块发
展土地30亩,成立之初建厂房约3000平米,办公楼600平米,员
工仅二十几人。2002年正式生产销售,由于公司发展战略正确、服
务到位,折弯机产品在市场上的推广一帆风顺,短短两年便出现供不
应求!