烟气制酸工艺流程讲课讲稿
- 格式:doc
- 大小:36.00 KB
- 文档页数:5
该烟气制酸根据冶炼系统提供的二氧化硫烟气,采用了技术先进、经验成熟的工艺。
烟气净化采用稀酸洗涤、绝热蒸发稀酸冷却移热、动力波气体净化工艺流程。
干燥和吸收采用一级干燥、两级吸收、循环酸泵后冷却工艺流程。
转化采用“3+1”式四段双接触转化工艺,“ⅣⅡⅠa—ⅢⅠb”换热流程。
废酸处理采用硫化法处理工艺。
烟气制酸系统按工序分为净化工段、干吸工段、转化工段、酸库工段、废酸处理工段。
(1)净化工段烟气制酸净化系统采用动力波泡沫洗涤烟气净化技术,该技术已在国内成功应用并国产化,其基本流程为:将由收尘系统来的温度为300℃的冶炼铜时产生的烟气送入净化工段,该烟气首先在一级动力波洗涤器逆喷管中被绝热冷却和洗涤并除去杂质,然后通过一级动力波气液分离槽进行气液分离,分离后的气体进入气体冷却塔进一步冷却及除杂,由气体冷却塔出来的气体进入二级动力波洗涤器的逆喷段进一步除杂。
从二级动力波洗涤器出来的烟气中绝大部分烟尘、砷及氟等杂质已被清除,同时烟气温度降至40℃左右,然后进入两级管式电除雾除下酸雾,使烟气中的酸雾含量降至≤5mg/Nm3。
烟气中夹带的少量砷、尘等杂质也进一步被清除,净化后的烟气送往干吸工段。
净化工段中的一级动力波洗涤器、气体冷却塔、二级动力波洗涤器均有单独的稀酸循环系统。
气体冷却塔的循环酸通过板式换热器进行换热,将热量移出系统。
稀酸采取由稀向浓,由后向前的串酸方式。
根据废酸中含砷、含氟、含尘量从一级动力波洗涤器中抽出一定的量送至沉降槽、过滤器沉降。
底流送至现有的铅压滤系统进行液固分离,产生的副产品铅滤饼可外售,其滤液与过滤器的上清液一起送至废酸处理工段进行进一步处理。
(2)干吸工段干吸工段采用了常规的一级干燥、二次吸收、循环酸泵后冷却的流程与双接触转化工艺相对应。
干吸工段基本流程为将来自净化工段经二级电除雾器的烟气在干燥塔入口加入空气,将烟气中氧硫比调到1.0后进入干燥塔,在塔内与塔顶喷淋下来的95%硫酸充分接触,经丝网捕沫器捕沫,使出口烟气含水份≤0.1g/Nm3后进入SO2主鼓风机。
山西远力黄金冶炼股份有限公司关于冶炼烟气制取硫酸工艺的介绍经焙烧后金精矿中的硫转化为SO2,烟气经除尘后进行硫酸的制备,是将矿物中有害元素转变为重要的化工产品,既避免了SO2对环境的污染又实现了资源的综合利用。
(1)调浆工段:(本工段为湿法调浆无粉尘和危害气体产生)来自不同矿山的金精矿根据硫品位高低配矿后,送至车间原料库,通过一台桥式抓斗(5t)将金精矿加入机械搅拌调浆槽(Φ4000×4500mm)内加水调浆,经泵打入焙烧控制室的金精矿搅拌储浆槽(Φ3500×4000mm)。
(2)焙烧工段:(本工段沸腾炉内为负压,通过干吸工段SO2风机将烟气及焙砂通过密闭管道吸入收尘工段,产生烟气不外溢)储浆槽的矿浆再经泵送至高位分槽分成4路均匀流量的矿浆自流进入喷枪,来自空气压缩机的高压气体将矿浆雾化吹入第一段沸腾焙烧炉(33m3)内进行焙烧,同时风机产生的风由炉底进入炉内将矿尘吹起翻腾形成沸腾状态。
金精矿浆在沸腾焙烧炉内进行高温氧化发生物理-化学反应,使得金精矿中细粒金的包裹体-硫化矿氧化脱硫形成裂缝和孔隙状的焙砂,金颗粒部分表面裸露出来要以与氰化物溶液接触发生浸出反应。
焙烧时精矿中的其他金属硫化物也分别转化为该金属的氧化物或硫酸盐。
通过反应金精矿中的S、C、As等氧化生成SO2、CO2、As2O3进入烟气;Cu、Pb、Zn转化生成硫酸盐,进一步采用稀酸浸出除去,减轻或消除了对氰化提金过程的不良影响,Fe则转变为不参与氰化反应的Fe2O3滞留于渣中。
(3)收尘工段:(本工段为负压工段,烟气通过除尘后经密闭管道进入下一工段)沸腾炉炉膛溢流口直接进入焙砂冷却器。
由于焙烧中的细焙砂基本上随烟气一起带走,在烟气进入制酸系统前必须通过炉冷、旋风最后通过电收尘进行严格收尘。
电收尘器的正常效率99.7%。
此时烟气中的含金焙砂细尘基本上被收净,炉冷、旋风、电收尘收集下来的焙砂尘也进入水淬槽,由各水淬槽溢流出的焙砂浆汇合于泵池中,由耐酸耐磨砂泵泵到浸铜工段。
烟气制酸工艺流程
《烟气制酸工艺流程》
烟气制酸工艺是一种利用烟气中的二氧化碳来生产酸的技术,其流程包括收集烟气、净化和催化转化为酸。
下面将介绍该工艺的详细流程。
首先,工艺流程的第一步是收集烟气。
燃烧燃料产生的烟气中含有大量的二氧化碳和其他有害物质,需要将其收集到一定的储存设备中。
这一步通常通过燃煤锅炉或煤气化炉等设备的烟气净化装置来实现。
第二步是对收集的烟气进行净化。
在工业生产中,烟气中往往含有大量的硫化物、氮氧化物和其他污染物,这些物质会对后续的催化转化过程产生影响。
因此,需要利用吸附剂或化学药剂来去除这些有害物质,以保证后续工艺的顺利进行。
接下来是催化转化为酸的过程。
经过前两步的处理,收集的烟气中已经主要含有二氧化碳和水蒸气,这两种气体可以通过催化剂的作用进行反应,生成相应的酸。
常用的催化剂包括氢氧化钠或氢氧化钙等碱性物质,它们能够与二氧化碳反应生成碳酸。
此外,还可以通过控制反应条件和催化剂的选择来生产其他酸,如硫酸、硝酸等。
最后,经过催化剂反应生成的酸需要进行收集和提纯。
常用的方法包括蒸馏、结晶等,将产生的酸提纯后即可得到成品。
这些酸可以广泛用于化工、医药、农业等各个领域。
总的来说,烟气制酸工艺流程是一种有效利用烟气资源的技术,能够减少燃烧过程中产生的有害物质排放,同时生产出具有经济价值的酸产品。
随着环保意识的提高和资源化利用的重要性,该工艺将在未来得到更广泛的应用和发展。
冶炼烟气制酸转化工序的工艺流程分析摘要:随着我国国民经济水平的提高,科学技术的不断进步,冶炼烟气制酸转化工序也有很大的进步,为了进一步完善冶炼烟气制酸的工艺流程,下面就针对某公司在一期和二期的锌冶炼烟气制酸系统进行分析,同时和铅冶炼烟气制酸转化工序的工艺流程做了对比分析,希望能给有关人士一些借鉴。
关键词:冶炼烟气制酸;转化工序;工艺流程前言业内人士都十分清楚,冶炼烟气制酸转化工序的工艺流程非常复杂,而且涉及到的环节也非常多,如果在任何一道环节中出现问题,将会直接影响到酸的质量问题,因此通常在工业生产中,都是使用五段转化的方式,其是在四段转化的基础上衍生而来的,由于其优异的性能因此在行业中广泛推广,而且使用的实际效果也非常好,深受技术人员的青睐。
1企业冶炼烟气制酸概况某公司在一期和二期锌冶炼烟气制酸系统中,在初步的规划中,设计硫酸产量要达到18万t/a,而其中的冶炼烟气制酸转化工序使用“Ⅲ、Ⅰ—Ⅴ、Ⅵ、Ⅱ”五段转化流程,该设计方案有很多优势,而且制酸的效果也非常好,在操作现场中恶化DCS集控相互结合,无论是在资金投入方面,还是设备操作方面,其都非常科学合理,在投产以来,对各项工艺指标都进行了逐年优化,不仅脱离了之前的传统制备方式,而且减少了对周围环境的污染,同时也得到了非常好的经济效回报。
2五段转化的优势2.1国产催化剂效果更好由于之前都是使用四段转化的方式生产酸,但是其技术的落后性,致使生产工艺中只能使用国外进口的催化剂,不仅增加了生产的成本,而且制酸的效果也不好,因此为了提高整体的生产水平,选择使用了五段转化的方式和四段的区别就是在所有环节都结束后,再增加一个再次降温的环节,有效的提高平衡转化率,由此就能应用到国产的催化剂了。
如果在系统的整体配置方面分析,设置两段催化成会比一段催化层的效果更好,整体质量更可靠。
就我国自行生产的催化剂而言,其转化率可以达到99.5%,这样尾气排放就能达标,而且也节约了开支。
第一章概述第一节硫酸工业的发展世界上最早的硫酸,产生于15世纪后半叶,当时的原料为绿矾石[FeSO4·7H2O]。
通过对其加热分解和吸收制出硫酸。
这种方法距今已有500多年的历史了。
到了1746年世界上第一座运用亚硝基法制酸的工厂,铅室法制取硫酸在英国的伯明翰建成并投入生产。
这就是世界上最早的铅室法制酸工厂。
之后在硫酸工业和其它工业的推动下,又出现了塔式法制酸。
尽管如此,到了1940年,染料、化纤、有机合成及石油、化工等工业取得了逢勃发展,它们不仅增加了对硫酸的需求量,特别对硫酸浓度提出了更高的要求(需要发烟硫酸)。
万里铅室法、塔式法成品酸浓度不够(产品酸:65%、76%)从而不能满足上述工业部门的需要。
必需寻求制酸的新方法。
接触法诞生于1831年,用二氧化硫在空气中通过接触铂粉或铂丝并在炽热条件下制取三氧化硫为生产高浓度硫酸创造了条件。
这就是最早的接触法,触媒用昂贵的铂。
此法到了20世纪初得到了迅速的发展。
特别是1913年,前西德BASF AG公司发明出了活性好、不易中毒,而价格又较便宜的钒触媒。
钒触媒取代了铂触媒,从而推动了硫酸工业的快速发展。
世界上接触法硫酸生产装置始建于19世纪末和20世纪初,并采用了钒催化剂,到20世纪60年代,钒催化剂得到了广泛应用。
50年代初,前联邦德国和美国同时开发了硫铁矿沸腾焙烧技术。
1964年前联邦德国的一家公司开始应用两次转化工艺,70年代初又建成年产500KT硫磺制酸装置和年产360KT硫铁矿制酸装置。
90年代初,加拿大的一家公司采用美国孟山都环境化学公司技术,建成年产2900KT冶炼烟气制酸装置。
近年来,国外还出现了三转三吸工艺和加压法转化流程。
催化剂开发方面力求活性高、起燃温度低、抗毒性能好、寿命长。
在低位热能回收利用、低浓度SO2烟气回收等方面也有很大进步。
我国于1934年建成第一座接触法硫酸装置,但当时硫酸工业基础相当薄弱。
1949年以后,我国硫酸工业发生巨大的变化,不仅产量增加,生产技术也有很大的提高。
烟气制酸工艺流程烟气制酸是一种将工业废气中的二氧化硫通过吸收转化为酸的工艺,主要用于环保和资源化利用的目的。
下面是一个简单的烟气制酸工艺流程的描述。
1.烟气收集:从工业生产设备排放出的废气首先通过烟道被收集起来,集中到一个烟气处理装置。
2.烟气预处理:在烟气处理装置内,烟气经过过滤、脱水等预处理步骤,去除其中的颗粒物、水蒸气等杂质,使烟气清洁后进一步处理。
3.二氧化硫吸收:烟气中的二氧化硫被导入酸液中进行吸收。
酸液可采用硫酸、硝酸等,但硫酸是常用的吸收剂。
在吸收剂中,二氧化硫发生化学反应转化为二硫化碳:SO2+H2O→H2SO3→H2CO3其中,二氧化硫(SO2)先与水(H2O)反应生成亚硫酸(H2SO3),随后亚硫酸会进一步自动分解为碳酸(H2CO3)。
4.二氧化硫转化:二氧化硫转化为二硫化碳后,酸液中的溶质浓度会逐渐上升。
当溶液浓度达到一定程度时,会形成含有二硫化碳的酸性溶液。
5.融合过程:融合是指将含有二硫化碳的酸性溶液进行升温处理,使其中的其他成分反应使得酸性溶液中的二硫化碳被转化为二氧化碳和硫酸。
H2CO3→CO2↑+H2O2H2SO3→2SO2↑+O2↑通过这个过程,二硫化碳转化为二氧化碳和硫酸,进一步提高了酸性溶液中的溶质浓度。
6.辅助处理:在上述过程中,还可能需要对反应物质进行补充、循环或排除。
例如,为了提高酸性溶液中溶质的浓度,可以在融合过程中持续添加酸性溶液。
同时,通过监测酸性溶液中的pH值和溶液浓度,对溶液进行调控以获得所需的反应结果。
7.结果产物回收:经过融合和辅助处理后,得到的酸性溶液中含有较高的浓度的硫酸。
这个酸性溶液可以进一步用于其他工业生产或者回收处理。
整个烟气制酸工艺流程主要是通过二氧化硫的吸收转化来完成的,既达到了环保要求,又实现了废气资源化利用的目的。
然而,这个工艺流程只是一个简单的描述,实际应用中还需要根据具体情况进行更详细的设计和调整。
烟气制酸工艺流程酸雾污染一直是工业生产中的一个难题,特别是在化工、冶金、电镀等行业中。
为了解决这一问题,烟气制酸工艺得以应用。
烟气制酸工艺是指通过将含有酸性物质的烟气经过一系列处理步骤,最终将其中的酸性物质转化为酸液,达到资源化利用的目的。
下面将介绍烟气制酸工艺的流程。
一、烟气收集需要将产生酸性烟气的设备的烟气进行收集。
这可以通过设置烟气收集装置来实现。
常用的烟气收集装置有湿式废气净化器和干式废气净化器。
湿式废气净化器通过喷淋水或碱液来吸收烟气中的酸性物质,而干式废气净化器则通过干式吸附剂来吸附烟气中的酸性物质。
二、烟气预处理在收集到烟气后,需要进行预处理以去除其中的杂质和颗粒物。
这可以通过设置过滤器或电除尘器来实现。
过滤器可以过滤掉烟气中的颗粒物和粉尘,而电除尘器则通过电场作用将颗粒物带电并收集下来。
三、酸性物质转化经过预处理后的烟气中仍然含有酸性物质,需要进行进一步处理将其转化为酸液。
这一步骤通常采用吸收和氧化两个过程来完成。
吸收过程中,烟气通过酸性溶液或碱液,酸性物质与碱液发生反应,生成对应的盐。
氧化过程中,将盐溶液经过氧化反应,使其中的酸性物质转化为酸液。
四、酸液处理得到的酸液需要进行进一步处理,以满足工业生产或其他用途的要求。
这一步骤通常包括稀释、中和、过滤等过程。
稀释可以调整酸液的浓度,中和可以将酸液中的酸性物质与碱液反应,使其达到中性或碱性,过滤可以去除其中的杂质和颗粒物。
五、酸液储存和利用经过处理后的酸液可以被储存和利用。
酸液储存通常采用专门的容器或储罐,以确保其安全和稳定。
酸液的利用可以根据具体需求进行选择,例如用于工业生产中的酸洗、脱硫等工艺,或者用于农业领域的土壤调理等。
六、废气处理在烟气制酸工艺中,废气处理也是一个重要的环节。
废气中可能含有一些有害物质,需要进行处理以达到排放标准。
常见的废气处理方法有吸收、吸附和燃烧等。
吸收可以通过溶液或吸附剂来吸收废气中的有害物质,而燃烧则是将废气进行燃烧,将有害物质转化为无害物质。
烟气制酸工艺流程烟气制酸工艺流程是利用烟气中的二氧化硫进行炼化焦酸的生产过程。
以下是一个典型的烟气制酸工艺流程示例:1.烟气收集:首先要将烟气从炉烟囱或其它烟气排放口处集中收集。
为了保证烟气能够充分接触到反应剂,一般会通过烟气脱除设备将烟气中的灰尘、杂质等物质去除,以确保烟气的纯净度。
2.烟气回收:在烟气脱除设备之后,可以进行烟气的回收。
一般采用湿法烟气回收设备,如湿式电除尘器或湿式脱硫设备,将烟气中的二氧化硫和其它有价值的成分进行回收利用。
3.酸碱化反应:将回收的烟气引入酸碱化反应器,添加适量的碱性溶液,一般为氢氧化钠(NaOH),开始进行酸碱中和反应。
反应中,二氧化硫和氢氧化钠发生化学反应,生成硫代硫酸钠。
反应的化学方程式为:SO2 + 2NaOH → Na2SO3 + H2O。
4.氧化反应:酸碱中和反应后的溶液通过氧化反应器,进行二次反应。
反应中,通过添加氧气或其它氧化剂,将硫代硫酸钠氧化为硫酸钠(Na2SO4)。
反应的化学方程式为:2Na2SO3+ O2 → 2Na2SO4。
5.含酸溶液处理:经过酸碱化反应和氧化反应后,获得的溶液中含有较高浓度的硫酸钠。
需要进一步对溶液进行处理,将其中的杂质和不纯物质去除,得到纯度较高的硫酸钠溶液。
6.酸的提取:通过浓缩和蒸发等工艺,将得到的硫酸钠溶液进一步处理,使其浓缩至一定的程度,从而获得硫酸。
7.产品处理:将浓缩后的硫酸进行过滤、冷却、结晶等处理工艺,得到纯度高的炼化焦酸作为最终产品。
8.废水处理:在整个烟气制酸过程中,会产生大量废水。
为了保护环境,需要对废水进行处理,去除其中的有毒有害物质,以达到排放标准要求。
以上是一个简要的烟气制酸工艺流程示例。
实际生产中,可能会根据不同的工艺和设备配置有所差异。
总的来说,烟气制酸工艺是一项复杂的过程,需要综合考虑烟气的收集、处理、反应和产品的提取等环节,以确保生产过程的高效稳定和产品的优质符合要求。
烟气制酸工艺流程烟气制酸工艺是一种利用烟气中的二氧化碳和其他气体制取酸的工艺方法。
它可以实现废气的资源化利用,减少环境污染,同时也可以生产出有用的化学产品。
下面将介绍烟气制酸的工艺流程。
首先,烟气制酸工艺需要收集烟气。
在工业生产过程中,烟气中会含有大量的二氧化碳、氮氧化物和硫化物等气体,这些气体可以被利用来制取酸。
因此,首先需要将工厂排放的烟气进行收集和处理,以便后续的酸的制取工艺。
接下来,收集到的烟气需要进行净化处理。
这是因为烟气中可能含有大量的杂质和有害物质,这些物质会影响后续酸的制取过程,甚至损坏设备。
因此,需要通过吸附、洗涤、脱硫等方法对烟气进行净化处理,确保烟气中的二氧化碳和其他气体的纯度。
然后,净化后的烟气被输送到制酸设备中。
在制酸设备中,烟气会与酸性溶液进行接触,从而使二氧化碳和其他气体溶解到溶液中。
这个过程通常需要在一定的温度和压力下进行,以便提高溶解度和反应速率。
随后,溶解了二氧化碳和其他气体的酸性溶液被送到分离设备中。
在分离设备中,通过调节温度和压力,可以使溶液中的二氧化碳和其他气体重新释放出来,从而得到纯净的酸。
这个过程通常需要进行多级分离,以确保酸的纯度。
最后,得到的酸可以进行包装和储存,以便后续的销售和使用。
同时,分离出的二氧化碳和其他气体也可以被回收利用,从而实现资源的循环利用。
总的来说,烟气制酸工艺是一种利用工业废气制取酸的环保工艺。
通过收集、净化、溶解和分离等步骤,可以将烟气中的二氧化碳和其他气体转化为有用的化学产品,同时减少对环境的污染。
这种工艺不仅有利于工厂的环保和节能,也为酸的生产提供了一种新的途径。
锌Ⅰ系统烟气制酸工艺操作规程1 范围本标准规定了锌Ⅰ系统烟气制酸生产的工艺流程、基本原理、原材料及质量要求、工艺操作条件、岗位操作法、产出物料及质量要求、主要技术经济指标和主要设备。
本标准适用于锌Ⅰ系统精矿焙烧烟气制取工业硫酸的工艺操作过程。
2 规范性引用文件下列文件对于本文件的应用是必不可少的。
凡是注日期的引用文件,仅注日期的版本适用于本文件。
凡事不注日期的引用文件,其最新版本(包括所有的修改单)适用于本文件。
GB/T 534 工业硫酸HG 2086 二氧化硫氧化制硫酸催化剂3 工艺操作流程工业硫酸生产工艺设备流程4 基本原理4.1 净化原理烟气经绝热蒸发降温除尘、稀酸洗涤冷却后,在电场力作用下将酸雾除去。
4.2 烟气脱汞原理烟气脱汞工艺是一个连续的气体洗涤过程,当二氧化硫烟气被氯化汞络合物溶液洗涤时,溶液中的汞离子将与烟气中的金属汞蒸气进行一个快速而完全的反应,生成不溶于水的氧化亚汞晶体,一部分氧化亚汞用氯气重新氯化成溶于水的氯化汞,加入洗涤液中继续循环,多余部分经处理后成为甘贡产品。
其化学反应如式:回收部分:Hg+HgCl2(2-n个负离子)=Hg2Cl2+nCl(负离子) (n≥4) SO2+2HgCl2+2H2O=Hg2Cl2+2HCl+H2SO4 (边界量)氧化过程:Hg2Cl2+Cl2=2HgCl2HgCl2+nCl(负离子)=HgCln(2-n个负离子)4.3 干吸原理4.3.1 干燥原理利用浓硫酸具有强吸水性而干燥烟气。
4.3.2 吸收原理当含有SO3的烟气与浓硫酸接触时,SO3选择性的溶解在浓硫酸中,该过程的化学反应如式:SO3+H2O=(可逆号)H2SO4+Q4.4 转化原理二氧化硫烟气在反催化剂触媒的作用下氧化为三氧化硫,化学反应如式: SO2+1/2O2=(可逆号)SO3+Q5 原材料及质量要求5.1 锌焙烧烟气(干燥塔入口)化学成分:SO2:4.5%~6.5% O2:7%~10%含酸雾:≤5mg/Nm ³含尘≤5mg/Nm³5.2 钒催化剂(触媒)5.2.1 S101型钒催化剂:应符合HG 2086的规定,其中:化学组分(重量)及特性(%)五氧化二钒(V2O5):≥7.5活性率(耐热后二氧化硫转化率):≥815.2.2 S107-1H型钒催化剂:应符合HG 2086的规定,其中:化学组分(重量)及特性(%)五氧化二钒(V2O5):≥6.2活性率(耐热后二氧化硫转化率):≥356 工艺操作条件6.1 空塔6.1.1 进口气温:220℃~300℃6.1.2 出口气温:≤65℃6.1.3 进口压力:-1000Pa~0Pa6.1.4 循环酸(H2SO4)温度:45℃~60℃6.1.5 循环酸浓度:≤4%6.2 填料塔6.2.1 烟气入口温度:≤65℃6.2.2 烟气出口温度:35℃~44℃6.2.3 烟气入口压力:-2500Pa~0Pa6.2.4 循环酸浓度:≤4%6.2.5 进塔酸温:20℃~40℃6.2.6 出塔酸温:45℃~60℃6.3 一级电除雾器6.3.1 出口气体含酸雾量:≤0.03g/Nm³ 36.3.2 出口气体含尘量:≤0.005g/Nm³ 36.3.3 工作电流1#、3#:≥0.05A6.3.4 工作电压1#、3#:4.0×10^4~8.0×10^4V6.4 二级电除雾器6.4.1 出口气体含酸雾量:≤0.005g/Nm³ 36.4.2 出口气体含尘量:≤0.005g/Nm³ 36.4.3 工作电流2#、4#:≥0.05A6.4.4 工作电压2#、4#:4.0×10^4~8.0×10^4V6.5 脱汞塔6.5.1 进塔烟气温度:35℃~44℃进塔烟气Hg含量:≤30mg/Nm³ 36.5.2 循环洗涤液应符合下表的规定元素汞离子/g/L Cr离子/g/L H2SO4/g/L Hg2Cl2/g/L 含量(g/L)1~3 1~4 1~75 ≤16.5.3 液氯化汞溶液应符合下表的规定元素HgCl2/g/L Cl离子/g/L H2SO4/g/L含量(g/L)30~70 1~5 1~206.5.4 脱汞后烟气要求Hg含量:≤0.2mg/Nm³ 36.6 干燥塔6.6.1 进塔烟气温度:35℃~45℃6.6.2 出塔烟气温度:45℃~55℃6.6.3 循环酸(H2SO4)浓度:≥92.5%6.6.4 进塔酸温度:35℃~50℃6.6.5 出塔酸温度:50℃~65℃6.6.6 进塔烟气负压:5000Pa~8000Pa6.6.7 出塔烟气负压:7000Pa~10000Pa6.6.8 出塔烟气含水分:≤0.1g/Nm³ 36.7 一吸塔6.7.1 进塔烟气温度:140℃~180℃6.7.2 出塔烟气温度:60℃~70℃6.7.3 循环酸(H2SO4)浓度:98.0%~99.5%6.7.4 进塔酸温度:60℃~80℃6.7.5 出塔酸温度:75℃~90℃6.7.6 进塔烟气负压:15000Pa~17000Pa6.7.7 出塔烟气负压:12000Pa~14000Pa6.8 二吸塔6.8.1 进塔烟气温度:160℃~200℃6.8.2 出塔烟气温度:60℃~70℃6.8.3 循环酸(H2SO4)浓度:98.0%~99.5%6.8.4 进塔酸温度:65℃~75℃6.8.5 出塔酸温度:70℃~85℃6.8.6 进塔烟气负压:3500Pa~4000Pa6.8.7 出塔烟气负压:500Pa~1000Pa6.9 二氧化硫风机6.9.1 二氧化硫风机出口水分:≤0.1g/Nm³6.9.2 二氧化硫风机出口酸雾:≤0.005g/Nm³6.10 转化器工艺操作条件应符合表规定名称单位1层2层3层4层入口烟气温℃430~450 420~470 400~450 400~450度出口烟气温度℃550~600 440~500 405~460 405~4607 岗位操作法8 产出物料及质量要求冷却烟气制工业硫酸的理化指标应符合GB/T534的规定序号指标名称浓硫酸(优等品)浓硫酸(一等品)浓硫酸(合格品)1 硫酸的质量分数/%≥92.5或98.0 92.5或98.0 92.5或98.02 水分的质量分数/%≤0.02 0.03 0.103 铁的质量分数/%≤0.005 0.010 -4 砷的质量分数/%≤0.0001 0.005 -5 汞的质量分数/%≤0.001 0.01 -6 铅的质量分数/%≤0.005 0.02 -7 透明度/min≥80 50 -8 色度/mL ≤ 2.0 2.0 -注:指标中的“-”表示该类别产品的技术要求中没有此项目9 主要技术经济指标9.1 SO2转化率:≥99.5%9.2 吸收率:≥99.99%9.3 尾气中二氧化硫浓度:≤960mg/Nm³9.4 尾气酸雾浓度:≤45mg/Nm³10 主要设备1 空塔 12 空塔高位槽 13 空塔循环泵 24 安全水化槽 15 填料塔A 1填料塔B 16 填料塔循环泵 27 稀酸板式换热器 38 脱气塔 19 送液泵210 一级电除雾器 211 二级电除雾器 212 脱汞反应塔 113 脱汞循环槽 114 循环泵215 一级沉降槽 116 二级沉降槽 117 浓液给料槽 118 甘汞氧化槽 119 氧化循环槽 220 螺旋进料机 121 甘汞槽 122 干燥塔 123 一吸塔 124 二吸塔 125 干燥塔循环槽 126 一吸塔循环槽 127 二吸塔循环槽 128 干燥塔循环酸泵 129 一吸塔循环酸泵 130 二吸塔循环酸泵 131 干燥酸冷却器 132 一吸酸冷却器 133 二吸酸冷却器 134 成品酸冷却器 135 计量槽 236 计量槽泵 237 SO2鼓风机 1附:高压电机液力耦合器 138 转化器 139 一型换热器 140 二型换热器 141 三a型换热器 1四b型换热器 142 五型换热器 143 1#电加热炉 144 2#电加热炉 145 尾气烟囱 1。
火法炼铜烟气制酸工艺
火法炼铜烟气制酸工艺是指在炼铜过程中,通过将铜矿石加热至高温,使其释放出的烟气经过多重反应和处理,最终得到一种可用于冶炼的硫酸。
1. 工艺流程
铜矿石原料加热→释放SO2烟气→烟气进入冷却器冷却→烟气进入脱硫器脱除SO2→烟气进入吸收塔和水反应→生成硫酸和水→硫酸收集和提纯
2. 工艺特点
(1)高效率:该工艺具有高效率的特点,通过多重反应和处理,可以使烟气中的SO2得到充分利用,最终产出高纯度的硫酸。
(2)环保:该工艺对环境的影响较小,通过使用脱硫器和吸收塔等设备,可以有效控制烟气中的污染物排放,保护环境。
(3)成本低廉:该工艺使用的是常见的原料和设备,因此成本较低,且可以在大规模生产环境下进行。
3. 应用范围
火法炼铜烟气制酸工艺主要适用于铜矿石含硫量高的地区,例如中国中部和西南部地区。
目前已经广泛应用于铜冶炼行业,并且在其他金属冶炼行业中也有较大的应用潜力。
4. 市场前景
随着工业化进程的加快,对硫酸等化工原料的需求也越来越大,火法炼铜烟气制酸工艺可以满足市场中对于高纯度硫酸的需求,有望在未来的市场中发挥重要的作用。
烟气制酸尾气课程设计一、课程目标知识目标:1. 让学生理解烟气制酸尾气的基本概念,掌握其化学组成和生成过程;2. 学会运用化学知识分析烟气制酸尾气的污染特性及对环境的影响;3. 了解我国烟气制酸尾气处理的技术现状和发展趋势。
技能目标:1. 培养学生运用所学知识分析和解决实际问题的能力,能设计简单的烟气制酸尾气处理方案;2. 提高学生实验操作技能,能独立完成烟气制酸尾气相关实验;3. 培养学生团队合作能力,能在小组讨论中积极发表见解,共同解决问题。
情感态度价值观目标:1. 培养学生关注环境保护,增强环保意识,形成可持续发展的观念;2. 激发学生学习化学的兴趣,培养其探索精神和创新意识;3. 引导学生树立正确的价值观,认识到科学技术在环保方面的重要作用。
课程性质:本课程为化学选修课程,结合当前环保热点问题,以提高学生的化学素养和环保意识为目的。
学生特点:高二年级学生对化学知识有一定的基础,具备一定的实验操作能力,对环保问题较为关注。
教学要求:教师应注重理论与实践相结合,采用启发式教学,引导学生主动参与课堂讨论和实验操作,提高学生的综合素养。
通过本课程的学习,使学生在知识、技能和情感态度价值观方面取得具体的学习成果,为后续相关课程的学习打下坚实基础。
二、教学内容本课程教学内容主要包括以下几部分:1. 烟气制酸尾气的产生与组成:介绍工业生产中烟气制酸尾气的来源、化学组成及其对环境的影响,对应教材中有关工业气体污染物章节。
2. 烟气制酸尾气处理技术:讲解目前我国烟气制酸尾气处理的主要技术,如湿法脱硫、干法脱硫等,分析各种技术的优缺点,对应教材中环保技术章节。
3. 烟气制酸尾气实验操作:组织学生进行烟气制酸尾气相关实验,如脱硫实验、氮氧化物减排实验等,提高学生的实验操作技能,对应教材中实验操作章节。
4. 烟气制酸尾气处理案例分析:分析典型的烟气制酸尾气处理工程案例,让学生了解实际工程中的应用,提高学生分析和解决问题的能力,对应教材中案例分析章节。
制酸工艺讲解一、制酸装置来自真空解吸装置真空泵的酸气在硫酸装置中进一步处理,生产78%浓度的硫酸。
残余的废气将通过一座烟囱排入大气。
(一)工艺流程(二)燃烧炉和废热锅炉来自真空解吸装置真空泵的温度约40℃的酸气被送入燃烧炉的烧嘴,通过一次空气酸气将被加热到900℃,而且HCN、NH3和碳氢化合物这些易燃成分将被燃烧。
在第二燃烧阶段,通过二次空气H2S将转变成S02,随着空气的过剩那里的温度将达到1050℃。
H2S +3/2O2→SO2 + H2O为了使燃烧炉内的温度达到900℃~1050℃,而且使过程气中的氧含量在7~9%(体积),空气总量将按照酸气量的配比进行控制。
在正常情况下是不需要焦炉煤气的,但在特殊情况下如烘炉或特别低的负荷时则需要。
在后续的废热锅炉里,过程气将被冷却到420~450℃,它是下游接触塔的进口温度。
废热锅炉将生产压力为40bar的高压蒸汽,切并入蒸汽管网。
锅炉给水罐将通过低压蒸汽对软水进行脱氧。
为了使锅炉给水碱性化,同时考虑一套定量添加磷酸三钠(Na3PO4)的装置。
(三)接触塔温度在420~450℃,氧含量在7~9%(体积)过程气,从接触塔的顶部供给第一层接触床。
在5层接触床内,SO2到SO3的转化反应按下式发生:SO2+1/2O2→SO3使用不同粒径的多孔硅酸作为催化剂五氧化二钒(V2O5)载体。
将空气供入到催化剂床层之间,补充用于转化和冷却过程气的氧。
圆柱截面的温度必需谨慎的调节,因为低温可能造成腐蚀而高温可能造成催化剂的破坏。
过程气离开接触塔,温度大约在410℃。
接触塔是由一个不锈钢塔壳和只有在塔的底部带有一层耐酸砖的衬里组成。
(四)吸收塔和酸循环SO3到H2SO4的更进一步的水合作用是在过程气体中按下列反应发生:SO3+H2O →H2SO4温度约40℃的大量硫酸通过喷嘴从吸收塔的顶部喷入,在吸收塔的底部排出,温度约60-70℃的硫酸直接自流到硫酸槽。
用泵将硫酸送入冷却器,移走吸收热。
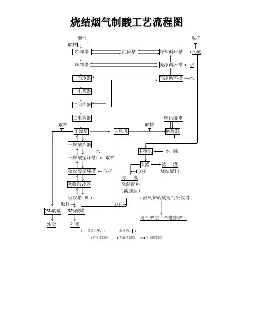
该烟气制酸根据冶炼系统提供的二氧化硫烟气,采用了技术先进、经验成熟的工艺。
烟气净化采用稀酸洗涤、绝热蒸发稀酸冷却移热、动力波气体净化工艺流程。
干燥和吸收采用一级干燥、两级吸收、循环酸泵后冷却工艺流程。
转化采用“3+1”式四段双接触转化工艺,“ⅣⅡⅠa—ⅢⅠb”换热流程。
废酸处理采用硫化法处理工艺。
烟气制酸系统按工序分为净化工段、干吸工段、转化工段、酸库工段、废酸处理工段。
(1)净化工段
烟气制酸净化系统采用动力波泡沫洗涤烟气净化技术,该技术已在国内成功应用并国产化,其基本流程为:将由收尘系统来的温度为300℃的冶炼铜时产生的烟气送入净化工段,该烟气首先在一级动力波洗涤器逆喷管中被绝热冷却和洗涤并除去杂质,然后通过一级动力波气液分离槽进行气液分离,分离后的气体进入气体冷却塔进一步冷却及除杂,由气体冷却塔出来的气体进入二级动力波洗涤器的逆喷段进一步除杂。
从二级动力波洗涤器出来的烟气中绝大部分烟尘、砷及氟等杂质已被清除,同时烟气温度降至40℃左右,然后进入两级管式电除雾除下酸雾,使烟气中的酸雾含量降至≤5mg/Nm3。
烟气中夹带的少量砷、尘等杂质也进一步被清除,净化后的烟气送往干吸工段。
净化工段中的一级动力波洗涤器、气体冷却塔、二级动力波洗涤器均有单独的稀酸循环系统。
气体冷却塔的循环酸通过板式换热器进行换热,将热量移出系统。
稀酸采取由稀向浓,由后向前的串酸方式。
根据废酸中含砷、含氟、含尘量从一级动力波洗涤器中抽出一定的量送至沉降槽、过滤器沉降。
底流送至现有的铅压滤系统进行液固分离,产生的副产品铅滤饼可外售,其
滤液与过滤器的上清液一起送至废酸处理工段进行进一步处理。
(2)干吸工段
干吸工段采用了常规的一级干燥、二次吸收、循环酸泵后冷却的流程与双接触转化工艺相对应。
干吸工段基本流程为将来自净化工段经二级电除雾器的烟气在干燥塔入口加入空气,将烟气中氧硫比调到1.0后进入干燥塔,在塔内与塔顶喷淋下来的95%硫酸充分接触,经丝网捕沫器捕沫,使出口烟气含水份≤0.1g/Nm3后进入SO2主鼓风机。
来自一次转化的SO3烟气进入第一吸收塔,在塔内与塔顶喷淋下来的约98%的浓硫酸充分接触,吸收烟气中的SO3生成硫酸,烟气经纤维除雾器后进入转化工段进行二次转化。
经二次转化的SO3烟气进入第二吸收塔,在塔内与塔顶喷淋下来的98%浓硫酸充分接触,吸收烟气中的SO3生成硫酸,烟气经纤维除雾器除雾后将酸雾量降至≤42mg/Nm3,然后由100m尾气烟囱排空。
干燥塔、第一吸收塔以及第二吸收塔均设有单独的酸循环系统,循环方式均为塔→槽→泵→酸冷却器→塔。
干燥塔循环酸吸收烟气中的水分后浓度有所降低,而第一吸收塔和第二吸收塔的循环酸吸收SO3后浓度有所提高,根据工艺操作要求各自需维持一定的酸浓度,为此采用干燥和吸收相互串酸和加水的方式进行自动调节。
系统中多余的98%酸或者93%酸可作为成品酸产出。
(3)转化工段
从SO2鼓风机来的冷SO2气体,俗称一次气,利用第Ⅳ热交换器、第Ⅱ热交换器和第Ⅰa热交换器被第四、二段触媒层出来的热气体和第一段触媒层出来的部分热气体加热到420℃进入转化器一段触媒层。
经第一、二、三段触媒层催化氧化后SO2转化率约为94.3%的SO3气体,经各自对应的换热器换
热后送往第一吸收塔吸收SO3制取硫酸。
第一吸收塔出来的SO2气体,俗称二次气,利用第Ⅲ热交换器和第Ⅰb热交换器被第三段触媒层出来的热气体和第一段触媒层出来的另一部分热气体加热到425℃,进入转化器四段触媒层进行第二次转化。
经催化转化后,总转化率≥99.8%的SO3气体经第Ⅳ热交换器换热后送往第二吸收塔吸收SO3制取硫酸。
在各换热器进行换热时,被加热的SO2气体走各列管热交换器的管间,而被冷却的SO3气体则走各列管热交换器的管内。
为了控制进第二吸收塔的SO3烟气温度不至于太高,在第Ⅳ热交换器与第二吸收塔之间设置了热管锅炉,将进第二吸收塔的温度控制在185℃,同时回收多余的热量。
(4)废酸处理工段
由烟气净化系统送来的含铅酸泥,由泥浆泵送至原有铅压滤机进行压滤,滤液返回烟气净化系统,滤饼则运往滤饼库堆存或外售。
废酸处理工段工艺流程为:废酸先进入石膏工序,在石膏工序废酸与经球磨粉碎的石灰石乳反应,通过控制pH值调节石灰石乳的加入量,反应后液体经浓密机沉降后,底流过滤得石膏,滤液和浓密机上清液混合后送入硫化原液受槽。
硫化原液用泵送入硫化反应槽,在硫化反应槽内加入硫化钠溶液,与废酸中铜、砷等重金属离子发生硫化反应,生成硫化物沉淀。
通过浓密机沉降分离,底流送入压滤机得硫化滤饼出售;滤液和浓密机上清液送污水处理工段进一步处理后达标排放。
2.3.2 项目主要设备
35.8×104t/a 硫酸(折100%计)建设项目主要设备见表2-2。