新型近红外脑血氧监测设备的研制
- 格式:pdf
- 大小:351.25 KB
- 文档页数:4
《近红外光谱技术监测新生儿脑组织氧合的临床研究》篇一一、引言随着医学技术的不断进步,新生儿健康监测逐渐成为临床医学研究的重要领域。
其中,脑组织氧合的监测对于新生儿健康至关重要,因为它直接关系到新生儿的神经发育和整体健康。
近红外光谱技术作为一种非侵入性、无创的监测方法,为新生儿脑组织氧合的实时监测提供了可能。
本文旨在探讨近红外光谱技术在新生儿脑组织氧合监测中的临床应用及效果。
二、研究背景近红外光谱技术利用近红外光在不同组织中的吸收和散射特性,实现对脑组织氧合的监测。
该技术具有无创、实时、连续监测等优点,在新生儿健康监测中具有重要意义。
本研究以近红外光谱技术为基础,结合临床实际需求,探讨其在新生儿脑组织氧合监测中的临床应用及效果。
三、研究方法本研究采用近红外光谱技术对新生儿脑组织氧合进行实时监测,并结合临床数据进行分析。
具体步骤如下:1. 选取研究对象:选择在本院新生儿科接受治疗的足月儿和早产儿作为研究对象。
2. 监测设备:采用近红外光谱监测设备对新生儿脑组织氧合进行实时监测。
3. 数据采集:记录新生儿的生命体征、病情变化及近红外光谱监测数据。
4. 数据处理与分析:对近红外光谱监测数据及临床数据进行统计分析,探讨近红外光谱技术在新生儿脑组织氧合监测中的应用效果。
四、实验结果通过对近红外光谱监测数据及临床数据的分析,得出以下结论:1. 近红外光谱技术可实现对新生儿脑组织氧合的实时、连续监测,具有较高的准确性和可靠性。
2. 近红外光谱监测数据与临床数据具有良好的一致性,可为临床医生提供有价值的参考信息。
3. 通过对足月儿和早产儿的对比分析,发现早产儿脑组织氧合水平较低,需加强监测和干预。
4. 近红外光谱技术有助于及时发现新生儿脑组织氧合异常,为及时采取治疗措施提供了有力支持。
五、讨论近红外光谱技术在新生儿脑组织氧合监测中具有重要价值。
首先,该技术具有无创、实时、连续监测等优点,可减少对新生儿的侵入性操作,降低并发症的发生率。
(19)中华人民共和国国家知识产权局(12)实用新型专利(10)授权公告号 (45)授权公告日 (21)申请号 202120605866.0(22)申请日 2021.03.25(73)专利权人 杭州沃维医疗科技有限公司地址 311100 浙江省杭州市余杭区东湖街道新颜路22号7幢401V(72)发明人 周文浩 杨红 程国强 王来栓 陆春梅 秦瑞 严凯 (74)专利代理机构 杭州运酬专利代理事务所(特殊普通合伙) 33429代理人 王叶娟(51)Int.Cl.A61B 5/1455(2006.01)(54)实用新型名称一种新型近红外脑氧检测仪(57)摘要本实用新型公开了一种新型近红外脑氧检测仪,包括弧形板,弧形板上滑动套设有左壳体和右壳体,弧形板的两端分别设置右弹力部,弧形板的顶部固设有滑轨,滑轨上滑动安装有多个滑动座,滑动座的底部设置有近红外线传感器,本实用新型通过调节螺杆来改变左壳体和右壳体的初始间距,来适应使用者的头部尺寸,利用弹力部和弧形板的配合使本装置由刚性佩戴变为柔性佩戴,减少使用者的不适,使用时将多个与近红外线传感器固接的固定块卡置在滑动座上,以达到测量目的,且整体佩戴方便快速,近红外线传感器拆装方式简单,佩戴舒适感程度高,无医用胶残留现象,有效提高脑氧检测设备的检测效率和专业性。
权利要求书1页 说明书3页 附图2页CN 215778087 U 2022.02.11C N 215778087U1.一种新型近红外脑氧检测仪,包括弧形板(1),其特征在于:所述弧形板(1)上滑动套设有左壳体(2)和右壳体(9),左壳体(2)的底部一体连接有左接耳(14),右壳体(9)的底部一体连接有右接耳(10),弧形板(1)的两端分别通过弹力部(13)和左接耳(14)与右接耳(10)相连接,所述左接耳(14)和右接耳(10)之间连接有下护围(16),所述弧形板(1)的顶部固设有滑轨(19),滑轨(19)上滑动安装有多个滑动座(20),滑动座(20)内设置有凹槽(23),凹槽(23)内卡置有固定块(21),固定块(21)的底部设置有近红外线传感器(25),所述弧形板(1)、左壳体(2)和右壳体(9)上均开设有便于近红外线传感器(25)穿过的条形槽(17)。
基于近红外光谱的三波长脑组织氧监测系统的研制
李泽熙;李翰林;尹琦;蔡世杰;叶继伦;张旭;于辉;勾大海
【期刊名称】《中国医疗器械杂志》
【年(卷),期】2024(48)1
【摘要】近20年来,近红外光谱技术因具有无创、实时等特点,被广泛用于人体监测。
氧作为人体主要新陈代谢物质,在脑组织中消耗量最大,为防止患者治疗时出现脑组织氧降低而出现并发症,需要实时监测患者的脑组织血氧饱和度。
目前临床使用的脑血氧无创检测设备大多采用双波长,在探测路径上其他物质会对测量结果产生误差,为此该研究基于近红外光谱无创监测脑血氧的基本原理,提出一种三波长探测光源的脑组织氧饱和度监测方法,并通过所搭建的系统进行初步验证,为后续的系统工程化奠定基础。
【总页数】5页(P26-29)
【作者】李泽熙;李翰林;尹琦;蔡世杰;叶继伦;张旭;于辉;勾大海
【作者单位】广东省宝莱特公司创新研究院;深圳大学医学部生物医学工程学院;广东省生物医学信息检测与超声成像重点实验室
【正文语种】中文
【中图分类】R197.39;TH77
【相关文献】
1.基于近红外光谱技术的脑血氧监护仪的研制
2.近红外光谱联合脑电双频谱指数监测在深低温停循环手术脑氧平衡监测中的应用
3.近红外双波长反射式脑血氧监测
仪的研究4.近红外线光谱分析用于脑氧合和脑血流的监测5.近红外无损伤脑血氧监测仪的研制——系统设计及实验验证
因版权原因,仅展示原文概要,查看原文内容请购买。
《近红外光谱技术监测新生儿脑组织氧合的临床研究》篇一一、引言随着医学技术的不断进步,新生儿脑部健康监测逐渐成为临床医学领域的重要研究课题。
近红外光谱技术(NIRS)作为一种非侵入性、无创的监测手段,在新生儿脑组织氧合监测中具有重要应用价值。
本文将通过一系列临床研究,深入探讨近红外光谱技术在新生儿脑组织氧合监测中的实践与应用。
二、近红外光谱技术概述近红外光谱技术是一种利用近红外光谱进行非侵入性检测的技术。
其原理基于近红外光在不同组织中具有不同的吸收和散射特性,通过测量这些特性可以推算出组织的氧合状态。
在新生儿脑组织氧合监测中,近红外光谱技术可实时监测脑部组织的血氧饱和度、血流速度等参数,为临床医生提供重要参考信息。
三、研究方法本研究采用近红外光谱技术对新生儿脑组织氧合进行监测,具体方法如下:1. 选取研究对象:选取某医院新生儿科收治的足月正常分娩的新生儿作为研究对象。
2. 仪器设备:使用先进的近红外光谱仪进行监测。
3. 监测方法:将传感器放置在新生儿的头皮上,确保传感器与头皮紧密接触。
通过仪器采集近红外光谱数据,实时监测脑组织氧合状态。
4. 数据处理与分析:对采集的数据进行处理与分析,包括血氧饱和度、血流速度等参数的提取与计算。
四、结果与讨论1. 结果:本研究共监测了XX名新生儿,通过近红外光谱技术得到了大量关于脑组织氧合的实时数据。
数据显示,新生儿脑组织氧合水平在出生后XX小时内波动较大,随后逐渐趋于稳定。
此外,我们还发现,某些病理情况下,如窒息、缺氧等,近红外光谱技术可及时发现并提示医生进行干预。
2. 讨论:近红外光谱技术在新生儿脑组织氧合监测中具有重要价值。
首先,该技术具有非侵入性、无创的特点,避免了传统有创监测方法带来的痛苦和风险。
其次,该技术可实时监测脑部组织的血氧饱和度、血流速度等参数,为医生提供了重要的参考信息。
最后,通过及时监测和干预,有助于降低新生儿脑部疾病的发生率和死亡率。
然而,近红外光谱技术也存在一定的局限性,如对环境光线、传感器位置等因素的敏感性等。
基于近红外光谱技术的脑血氧监护仪的研制
韩怀骁;张言;吴华炜;钱志余;李韪韬
【期刊名称】《中国医疗器械杂志》
【年(卷),期】2017(041)006
【摘要】该文以STM32芯片为核心,设计了一套基于近红外光谱技术(Near-infrared Spectroscopy,NIRS),可用于临床的脑血氧数据采集与显示系统.首先介绍了脑血氧(SaO2)检测的基本原理,阐述了系统方案,介绍由光源、光源驱动、光电检测及信号处理等模块组成的硬件系统,以及基于uC/OS-III的软件系统.最后通过前臂阻断实验和3D电视实验验证了本系统的可行性和有效性.本系统具有无创伤,体积小,数据存储,方便移动,使用便捷等特点.
【总页数】5页(P407-411)
【作者】韩怀骁;张言;吴华炜;钱志余;李韪韬
【作者单位】南京航空航天大学,南京市,211100;南京航空航天大学,南京
市,211100;南京航空航天大学,南京市,211100;南京航空航天大学,南京市,211100;南京航空航天大学,南京市,211100
【正文语种】中文
【中图分类】TH772.2
【相关文献】
1.基于双核处理器的新生儿脑功能监护仪的研制 [J], 张山根;叶大田;彭诚
2.基于单导脑电的数字化新生儿脑功能监护仪的研制 [J], 彭诚;丁海艳;杨宝爵;叶
大田
3.基于MSP430超低功耗处理器的监护仪脉搏血氧模块 [J], 冯奇
4.便携式多参数监护仪的研制与开发——脉搏血氧测量仪 [J], 罗剑;雷勇;涂国强;侯海军
5.近红外光谱技术在测定新生儿坏死性小肠结肠炎脑血氧饱和度和判定肠坏死程度的探讨 [J], 毛建雄;肖东;罗燕;张翅;王秀良
因版权原因,仅展示原文概要,查看原文内容请购买。
电子科技大学UNIVERSITY OF ELECTRONIC SCIENCE AND TECHNOLOGY OF CHINA 硕士学位论文MASTER THESIS(电子科技大学图标)论文题目基于近红外光谱技术的脑血氧检测学科专业生物医学工程学号 201121090318作者姓名徐文廷指导教师蒋田仔教授分类号密级UDC注1学位论文基于近红外光谱技术的脑血氧检测(题名和副题名)徐文廷(作者姓名)指导教师蒋田仔教授电子科技大学成都(姓名、职称、单位名称)申请学位级别硕士学科专业生物医学工程提交论文日期2014.04论文答辩日期2014.05学位授予单位和日期电子科技大学2014年06月27日答辩委员会主席李永杰评阅人李永杰郭大庆注1:注明《国际十进分类法UDC》的类号。
BRAIN BLOOD-OXYGEN DETECTION BASED ON NEAR-INFRARED SPECTROSCOPYA Master Thesis Submitted toUniversity of Electronic Science and Technology of ChinaMajor:Biomedical EngineeringAuthor: Wenting XuAdvisor: Prof.Tianzi JiangSchool:School of Life Science and Technology独创性声明本人声明所呈交的学位论文是本人在导师指导下进行的研究工作及取得的研究成果。
据我所知,除了文中特别加以标注和致谢的地方外,论文中不包含其他人已经发表或撰写过的研究成果,也不包含为获得电子科技大学或其它教育机构的学位或证书而使用过的材料。
与我一同工作的同志对本研究所做的任何贡献均已在论文中作了明确的说明并表示谢意。
作者签名:日期:年月日论文使用授权本学位论文作者完全了解电子科技大学有关保留、使用学位论文的规定,有权保留并向国家有关部门或机构送交论文的复印件和磁盘,允许论文被查阅和借阅。
《近红外光谱技术监测新生儿脑组织氧合的临床研究》篇一一、引言新生儿医学作为临床医学的重要组成部分,一直受到广大医护人员的关注。
对于新生儿的健康状况监测,特别是对脑组织的氧合状况监测,具有重要的临床意义。
近年来,近红外光谱技术(NIRS)因其非侵入性、无创性、实时监测等特点,被广泛应用于新生儿脑组织氧合的监测中。
本文将通过临床研究,探讨近红外光谱技术在新生儿脑组织氧合监测中的应用效果及价值。
二、材料与方法1. 研究对象本项研究选择了在某大型三甲医院新生儿科接受治疗的新生儿患者为研究对象,按照入院的先后顺序随机分组。
2. 方法(1)近红外光谱技术:使用先进的近红外光谱仪对新生儿的脑组织进行监测,记录数据。
(2)常规监测:采用常规的监测方法对新生儿进行监测,如脉搏血氧饱和度等。
(3)对比分析:对近红外光谱技术的监测结果与常规监测结果进行对比分析。
三、结果1. 近红外光谱技术监测结果通过近红外光谱技术对新生儿脑组织进行监测,我们发现该技术能够实时、准确地反映新生儿的脑组织氧合状况。
在监测过程中,我们记录了大量的数据,并进行了详细的分析。
2. 常规监测与近红外光谱技术对比分析我们将近红外光谱技术的监测结果与常规监测结果进行了对比分析,发现近红外光谱技术具有更高的准确性,且无创、无痛的特性大大减少了新生儿的不适感。
此外,近红外光谱技术还能实时反映新生儿的脑组织氧合变化情况,为临床医生提供了更多的参考信息。
四、讨论1. 近红外光谱技术在新生儿脑组织氧合监测中的应用价值近红外光谱技术作为一种新型的监测技术,具有无创、实时、准确等特点,在新生儿脑组织氧合监测中具有很高的应用价值。
它不仅能够实时反映新生儿的脑组织氧合状况,还能为临床医生提供更多的参考信息,帮助医生及时调整治疗方案,提高治疗效果。
2. 近红外光谱技术的优缺点及改进方向虽然近红外光谱技术在新生儿脑组织氧合监测中具有诸多优点,但也存在一些不足。
例如,该技术对操作人员的技能要求较高,且在特定情况下可能存在误差。
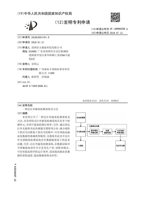
(19)中华人民共和国国家知识产权局(12)发明专利申请(10)申请公布号 (43)申请公布日 (21)申请号 201910334454.5(22)申请日 2019.04.24(71)申请人 深圳市太赫兹科技有限公司地址 518000 广东省深圳市宝安区航城街道固戍开发区泰华梧桐工业园5A号建筑3层(72)发明人 宋四云 (74)专利代理机构 广州嘉权专利商标事务所有限公司 44205代理人 唐致明 洪铭福(51)Int.Cl.A61B 5/1455(2006.01)(54)发明名称一种近红外脑氧检测系统及方法(57)摘要本发明公开了一种近红外脑氧检测系统及方法,本发明的近红外脑氧检测系统具有多个检测单元,有利于提高检测分辨率;另外,通过将近红外光源和光电传感器交错排列分布,减少接收干扰信号以降低干扰信号的噪声,可有效提高脑血氧数据的准确度和精度,克服现有技术中近红外光谱脑氧检测系统存在数据精度低下的技术问题。
另外,近红外脑氧检测系统,在数据读取环节和数据处理环节中采用生产者/消费者模式,可有效提高程序的运行效率,进而提高脑血氧数据的获取速度,提高数据获取实时性。
权利要求书1页 说明书4页 附图3页CN 109998559 A 2019.07.12C N 109998559A权 利 要 求 书1/1页CN 109998559 A1.一种近红外脑氧检测系统,其特征在于,包括主控电路、用于驱动近红外光源的光源驱动电路和多个检测单元,所述检测单元包括近红外光源和光电传感器,所述近红外光源可发出两种不同波长的近红外光,所述光电传感器的输出端与所述主控电路的输入端连接,所述主控电路的输出端与所述光源驱动电路的输入端连接,所述光源驱动电路的输出端与所述近红外光源的输入端连接,所述检测单元用于向脑部组织发射近红外光并接收经所述脑部组织散射和折射后出射的近红外光,所述近红外光源与所述光电传感器之间交错排列分布。
《近红外光谱技术监测新生儿脑组织氧合的临床研究》篇一一、引言新生儿医学作为临床医学的一个重要领域,关注于出生后新生儿健康的早期监测与干预。
其中,脑组织氧合的监测对于预防和治疗新生儿脑部疾病具有重要意义。
近红外光谱技术(NIRS)作为一种非侵入性、连续监测的技术,在新生儿脑组织氧合监测方面具有显著优势。
本文旨在探讨近红外光谱技术在新生儿脑组织氧合监测的临床研究。
二、研究背景及意义随着医疗技术的发展,对于新生儿健康的早期诊断和持续监测已成为提高生存质量的重要手段。
其中,近红外光谱技术因其独特性被广泛关注,该技术利用近红外光与生物组织的相互作用,对脑部组织的氧合状态进行连续监测。
该技术不仅无创、无辐射,而且可以实时监测脑部组织的血氧饱和度、血流灌注等重要参数,为临床医生提供了重要的参考依据。
三、研究方法本研究采用近红外光谱技术对新生儿脑组织氧合进行监测,并对其与常规监测方法进行比较。
具体研究方法如下:1. 研究对象:选取某医院新生儿科收治的足月正常分娩的新生儿作为研究对象。
2. 监测方法:采用近红外光谱仪对新生儿脑部进行连续监测,同时记录常规的生理参数。
3. 数据收集与分析:收集近红外光谱仪的数据以及常规生理参数数据,对两组数据进行同步分析。
4. 统计分析:使用统计学软件对收集的数据进行分析处理。
四、结果通过对数据的分析,我们发现近红外光谱技术在新生儿脑组织氧合监测中具有以下特点:1. 准确性高:近红外光谱技术监测的脑部血氧饱和度与常规监测方法相比,具有较高的准确性。
2. 实时性:近红外光谱技术可实现实时连续监测,有助于及时发现脑部缺氧等异常情况。
3. 无创性:与传统的有创监测方法相比,近红外光谱技术无需穿刺等操作,减少了新生儿的痛苦和感染风险。
4. 指导治疗:通过实时监测数据,医生可以更准确地判断病情变化,及时调整治疗方案。
五、讨论近红外光谱技术在新生儿脑组织氧合监测中具有显著优势。
然而,仍需注意以下几点:1. 技术优化:尽管近红外光谱技术具有诸多优点,但仍需进一步优化设备性能和算法,提高其准确性和灵敏度。
清华大学科技成果——近红外组织血氧参数无损监测仪成果简介氧是维持人体正常生命活动的最重要物质之一。
人体组织只有得到充足的氧供应并保持正常的氧合水平,才能实现正常的生理功能。
如果组织供氧、供血不足,就会引发缺氧,长时间的缺氧可危及生命。
例如,临床上因脑损伤致死的人群中,脑缺血缺氧的比例高达90%。
因此,实时监测人体组织的氧合状况,并据此采取有效措施以防止缺氧,具有重要意义。
目前临床上常用有创血气分析和脉搏血氧饱和度监测两种方法间接评定氧合。
但前者有创,操作难度大,成本高,无法连续监测;后者得到的是动脉血氧饱和度,很多情况下不能反映人体局部组织(如大脑皮层)的氧合状况。
为克服现有方法的上述缺点,我们采用近红外光谱技术,可实现人体局部组织氧合状况,特别是人体组织氧饱和度的无损、实时、连续监测,很好地反映组织氧合水平。
清华大学经过十余年的理论研究和临床实践,已在本领域取得了很好进展,研制成功了具有独立自主知识产权的“TSAH-100型近红外组织血氧参数无损监测仪”。
该仪器已获得医疗器械注册证,并在国内占有80%以上的市场份额。
该技术和仪器已应用于新生儿医学、整形外科、手术监护、运动功能评定等多个领域,已测试2000余例受试者。
课题组及合作单位已发表相关学术论文80多篇,其中SCI收录20篇,已授权1项国际专利和5项国家发明专利。
技术指标(1)可无损、实时、连续监测组织的氧饱和度,检测误差不超过3%;(2)测量结果可上传到PC;(3)仪器净重3.5kg,便于携带。
应用说明该仪器对人体完全无损,使用时将探头固定在待测组织对应的体表,开机测量即可。
现有主要应用领域包括:(1)新生儿医学:无损、实时监测新生儿脑组织氧饱和度,并及时发现脑缺氧。
(2)手术监护:体外循环手术中监测患者脑组织氧饱和度,预防因缺氧造成脑损伤。
(3)整形外科:皮瓣移植术后的血运监测,及时发现血管吻合不畅等问题。
(4)运动医学:骨骼肌有氧代谢功能评定,为运动员选材、训练效果评定等提供参考。
专利名称:一种近红外脑氧检测系统专利类型:实用新型专利
发明人:宋四云
申请号:CN201920575368.9
申请日:20190424
公开号:CN210408435U
公开日:
20200428
专利内容由知识产权出版社提供
摘要:本实用新型公开了一种近红外脑氧检测系统,本实用新型的近红外脑氧检测系统具有多个检测单元,有利于提高检测分辨率;另外,通过将近红外光源和光电传感器交错排列分布,减少接收干扰信号以降低干扰信号的噪声,可有效提高脑血氧数据的准确度和精度,克服现有技术中近红外光谱脑氧检测系统存在数据精度低下的技术问题。
申请人:深圳市太赫兹科技有限公司
地址:518000 广东省深圳市宝安区航城街道固戍开发区泰华梧桐工业园5A号建筑3层
国籍:CN
代理机构:广州嘉权专利商标事务所有限公司
更多信息请下载全文后查看。
专利名称:一种基于近红外光谱的抗扰动脑血氧分析仪专利类型:实用新型专利
发明人:高秀强
申请号:CN201821911826.3
申请日:20181120
公开号:CN210644032U
公开日:
20200602
专利内容由知识产权出版社提供
摘要:本实用新型公开了一种基于近红外光谱的抗扰动脑血氧分析仪,包括遮光罩,遮光罩底部安装有用于贴合头部的柔性贴合部,遮光罩两侧安装有用于将遮光罩固定在头部的固定带。
遮光罩内安装有近红外光源探头、光电接受器和光电传感器,近红外光源探头、光电接受器和光电传感器安装在柔性贴合部上方,柔性贴合部开设有使近红外光透过柔性贴合部的透光槽,近红外光源探头和光电接受器均安装有调节装置。
柔性贴合部使遮光罩更好的与头部贴合,避免遮光罩漏光,通过光电传感器检测环境光以及近红外光源的散射光并在检测的整体数据中排除其影响,从而提高血氧数据的准确性。
申请人:湖北永强富科技实业有限公司
地址:437699 湖北省咸宁市通山县通羊镇洋都大道(物价局旁)
国籍:CN
更多信息请下载全文后查看。
基于STM32的近红外脑局部血氧检测装置
刘永康;李韪韬;钱志余;谢捷如
【期刊名称】《数据采集与处理》
【年(卷),期】2013(28)5
【摘要】根据近红外光检测脑血氧的基本原理研制了一种新型的检测人脑局部血氧浓度变化的装置,利用具有双波长的LED光源和位于特定位置的光电探测器实现对脑血氧浓度变化的检测.该装置的CPU采用了高性能、低成本、低功耗的STM32芯片,该芯片具有12位的高精度AD转换器,抗干扰能力强.在信号检测中,通过将4路分离的信号分时经过同一个运放电路中进行放大,减少了因不同放大电路带来的误差.最后,通过人体手臂血液阻断实验和ISS Oximeter仪器对比,证明了该检测装置的有效性.
【总页数】6页(P691-696)
【作者】刘永康;李韪韬;钱志余;谢捷如
【作者单位】南京航空航天大学生物医学工程系,南京,210016;南京航空航天大学生物医学工程系,南京,210016;南京航空航天大学生物医学工程系,南京,210016;南京航空航天大学生物医学工程系,南京,210016
【正文语种】中文
【中图分类】TP23;R318.6
【相关文献】
1.用近红外脑组织血氧仪评定保健食品抗疲劳效果 [J], 吴剑;丁海曙;叶大田
2.近红外脑血氧监测设备在临床中的应用 [J], 李良成;张永顺;李忠红
3.新型近红外脑血氧监测设备的研制 [J], 李良成;李凯扬;秦钊
4.基于nRF9E5的无线环形血氧检测装置的设计 [J], 潘霞莲;和卫星;钱坤喜;李天博
5.基于STM32单片机的脉搏血氧测量仪的设计 [J], 卢妙婷;鄢艳红
因版权原因,仅展示原文概要,查看原文内容请购买。
第36卷 第8期 激光与红外Vol.36,No.8 2006年8月 LASER & I N FRARE D August,2006 文章编号:100125078(2006)0820661204新型近红外脑血氧监测设备的研制李良成1,李凯扬2,秦 钊2(1.白求恩军医学院医学影像教研室,河北石家庄050081;2.武汉大学物理科学与技术学院生物医学工程实验室,湖北武汉430072)摘 要:文中研制了一种双光源双探头近红外脑血氧监测设备,实现对双侧脑组织局部血、氧参数的同时检测,两个光源通过脉冲序列信号控制分时发光,同时检测双侧脑组织局部血、氧参数,为临床通过对比来评价患侧脑血氧变化量提供了新方法,同时以四通道输出两侧脑组织的血容量和氧含量信息,供计算机进行功率谱、相关性等后处理,从而实现对病人双侧脑组织血、氧变化参数长时间实时、连续的监测。
关键词:近红外光;双光源;双探头;无创伤;脑血氧中图分类号:T N219,R443.+8 文献标识码:BDevelop ment of New2type Near2i n frared Bra i nBlood2Oxygen M on itorL IL iang2cheng1,L I Kai2yang2,Q I N Zhao2(1.Staff Room of Medical I m age,Nor man Bethune M ilitaryM edical College,Shijiazhuang050081,China;borat ory of B i omedical Engineering,College of Physics,W uhan University,W uhan430072,China)Abstract:The main pur pose of the paper is t o describe the design of the near2infrared bl ood2oxygen monit or with duallight s ources and dual detect ors,and the monit or can detect the bl ood2oxygen para meters of t w o sides of the l ocalbrain tissue.The monit or has t w o la mp s,they are lightened alternately by the pulse sequence,which make the moni2t or achieve the functi on of dual detect ors.A t the sa me ti m e,the apparatus can monit or the brain bl ood2oxygen para m2eters of the patients continuously in real ti m e,and out put the curves of the bl ood2oxygen para meters of t w o sides ofbrain tissue.Key words:near2infrared;dual light s ources;dual detect ors;non2invasive;brain bl ood2oxygen1 引 言氧是人体新陈代谢的重要物质,脑组织新陈代谢率高,耗氧量占全身总量的20%左右,在心脑血管疾病及脑外伤病人临床抢救与治疗中,如果缺乏对脑组织供氧的监护手段,就有可能造成脑组织神经功能的丧失或损害。
因此,如果能提供一种连续、无创伤检测大脑供氧状况的临床设备,就可以减少病患脑组织的损伤,改善术后认知能力。
目前国内临床上测量脑血氧状况的方法主要有脑电图、颈静脉血氧饱和度测量、脉搏血氧饱和度测量等,这些方法属于有创测量或间接测量,无法实时准确地反映大脑的供血供氧状态。
国外虽有利用近红外光测量脑组织血氧饱和度的设备,但尚未见双通道同时检测双侧脑组织血氧,并通过比较来反映患侧脑组织血氧含量变化的报道[1-2]。
本文介绍的脑血氧监测设备能同时采集左右两侧大脑对称位置的血氧参数,为临床通过对比来评价患侧脑血氧变化量提供了新方法,同时它以四通道分别输出两侧脑组织血容量和氧含量的信息,供计算机进行功率谱、相关性等后处理。
基金项目:武汉市科技型中小企业创新基金(武财[2005]84号)。
作者简介:李良成(1971-),男,硕士,讲师,主要研究方向为生物医学工程。
收稿日期:20062012112 基本原理2.1 检测原理本设备的检测原理是根据氧合血红蛋白和还原血红蛋白对红光及近红外光不同的吸收特征[3](见图1)。
wavelength /nm图1 氧合血红蛋白、还原血红蛋白近红外吸收谱[4]Fig .1 abs or p ti on s pectra of oxy 2hemogl obin anddeoxy 2he mogl obin [4] 依据朗伯特—比尔定律(The La mbert 2Beer La w )有:OD =∑εcd =-Ln I/I o (1)其中,OD 为光密度;ε表示光吸收系数;c 表示物质浓度;d 表示光穿过物质的路径长度;I 、I o 分别表示出射光强和入射光强。
利用该定律和血红蛋白在红光区和近红外光区(600~1000nm )吸收特性可以得到下列公式[5-6]:血容量=c (Hb )+c (Hb O2)=a ·OD (R )+b ·OD (I )≈Gb ·[I (R )+Kb ·I (I )](2)氧含量=c (Hb O2)=g ·OD (R )-k ·OD (I )≈Go ·[I (R )-Ko ·I (I )](3)其中,Gb 、Go 分别表示血通道和氧通道的增益;a 、b 、g 、k 、Kb 、Ko 都是与ε有关的常数;I (R )、I (I )分别表示红光和近红外光的接收光强。
2.2 光子传播特性图2 光子在组织中传播路径Fig .2 the move path of the phot on in the tissue 本设备测量是依据光子在哺乳动物组织中的传播模型,光源与探头的放置如图2所示。
一般来说,光子在哺乳动物组织中的传播是散射传播,呈现随机性,但从概率意义上来讲,光子在光源与探测器之间的运动路线近似一条抛物线状,穿透深度大约相当于探测器与光源距离的1/4,脉冲可以透射得更深一些[7-8]。
3 硬件设计本设备由检测探头、主机及计算机等部分组成,其系统框图及工作流程如图3所示。
图3 设备系统框图Fig .3 syste m fra me structure3.1 检测探头检测探头由光源、光电传感器和前端转换电路组成。
探头基座采用硬度很低的黑色医用硅胶材料,与人体的接触面设计成弧形(如图4),边缘做成斜口,使探头容易弯折,更好地贴紧病人前额,使之遮光性能大大提高,同时降低了弹性绷带固定检测探头时给病人带来的不适感,黑色材料也有利于减少环境光产生的噪声,有利于提高设备的信噪比。
图4 检测探头Fig .4 the structure of the detect or 检测探头两端的小圆孔用于固定光源,光电传感器则固定在中央的圆孔内。
根据图2可知检测深度随光源和光电传感器之间的距离而改变,本仪器将光源和传感器之间的距离设定为40mm 。
检测探头的光源选用两个小功率灯泡,以恒压源驱动,并在脉冲信号的控制下分时发光以实现双探头检测功能。
检测时,将检测探头固定在前额中部,两侧光源发出的光分时地进入左、右半脑,经过大脑组织散射后由光电传感器接收并转换为电信号,实现对两侧大脑血、氧参数的同时监控。
检测探头的光电传感器由窄带滤光片和光电二极管组合而成。
本仪器选用S1226系列光电传感器,其暗电流很小(在VR =10mV 时小于2pA ),峰值波长(720n m )的感光灵敏度为0.36A /W ,工作波266激光与红外 第36卷长为320~1100nm 。
窄带滤光片分别选用760n m 和850nm 两种,其光谱特性足以保证滤过光线为接近于所需波长的单色光,这大大减少了背景噪声,提高了仪器的信噪比。
前端转换电路与光电二极管采用零偏置方式连接,确保接收光强和转换电流之间的线性关系,提高了仪器的准确性。
3.2 主机电路仪器的主机电路由脉冲序列发生及光源驱动模块、陷波器模块、滤波降噪模块、运算模块和直流电源等组成。
实现对光源的驱动及对输出信号进行运算处理,并输出血容量和氧含量的相关信息。
3.2.1 脉冲序列信号发生与光源驱动电路由方波发生器输出的方波信号作为脉冲序列的脉冲源,经过计数译码器4017后输出四路脉冲信号A 、B 、C 、D (如图5)。
图5 脉冲序列Fig .5 the sequences of pulse 四路信号通过分路开关分别控制760nm 和850nm 两路信号进行滤波降噪及和差运算等处理,其中两路脉冲信号A 和C 传送至探头光源恒压源,控制检测探头光源的分时发光,以实现同时对两侧脑组织的实时监测,从而实现双探头检测功能。
3.2.2 陷波电路工频干扰是检测信号的主要干扰源,必须用专门的陷波器电路滤除,我们采用有源双T 陷波电路,T 网络具有选频作用,在低频段输入信号通过电阻传输,在高频段输入信号通过电容传输,当信号频率与特征频率w n =1RC相等时,阻抗很大,使传输系数接近于零,实现陷波作用,在双T 网络的后面加运放构成有源双T 带阻滤波器,改善陷波特性,提高电路性能。
其传递函数是:A (j w )=A V F i +(j w w n)21+1Q 3j w w n +(j w w n)2(4)其中w n =1RC ;A V F =1+R 11R 111;Q =12(2-A V F )可得出整个电路的传递函数为:A ′(j w )=A VF i +(j w w n )21+1Q 3j w w n +(j w w n )23A VF i +(j w w n)21+1Q 3j w w n +(j w w n)2(5)经过实验,该电路可以很好地滤除工频干扰。
3.2.3 滤波降噪电路由于红光和红外光谱发光特性本身的差异,窄带滤光片对两者透过特性不同,以及光电二极管对它们转换效率的差别,都会给检测带来误差。
通过改进光源、滤光片和光电二极管的制造工艺来实现检测的平衡是相当困难的,但是通过电路实现平衡调节则简单许多。