白刚玉和电熔白刚玉的区别 电熔白刚玉你不容错过
- 格式:docx
- 大小:13.45 KB
- 文档页数:2
白刚玉粒度砂粒度标准白刚玉是一种高纯度的氧化铝,因其纯洁无杂质、硬度高、熔点高等特性,被广泛应用于制作磨料、陶瓷等领域。
而白刚玉的砂粒度标准也是制作磨料时需要重点考虑的一个指标。
白刚玉的粒度指的是其颗粒的大小。
在磨料制备中,选用不同粒度的白刚玉可以制备出不同粒径的磨粒,以适应不同物料的加工需求。
目前,国内使用的白刚玉粒度标准主要分为国标和美标两种,分别是GB/T2481-2009和FEPA标准。
按照国标GB/T2481-2009,白刚玉以筛分法测定,分为36种不同的粒度,从最粗的F4到最细的W63,逐渐递增。
其中,F4代表着大颗粒的白刚玉,W63则代表着超细小颗粒的白刚玉,其粒径分别为4.75mm和0.315μm。
这样的标准适用于磨料、研磨等领域,可以帮助制备出不同颗粒大小的白刚玉粉末,以满足不同加工需求。
而按照美标FEPA标准,白刚玉的粒度使用角砾轮法进行测定,以字母和数字相结合的方式表示不同的粒度。
其中,字母代表颗粒的形态,数字则代表最大粒径。
例如,D代表重形刚砂,F代表棕刚砂,P代表精制磨料,数字则代表最大颗粒的直径,单位是μm。
例如,FEPAF220代表最大粒径为63μm的棕刚砂,FEPA P240则代表最大粒径为53μm的精制磨料。
这样的标准适用于磨料制备和表面处理等领域,可以帮助选择合适的白刚玉磨粒,提高加工效率和加工质量。
综上所述,白刚玉粒度砂粒度标准是磨料制备中非常重要的指标。
无论是采用国标还是美标,都需要经过严格的测定和划分,以便在加工过程中得到最佳的效果。
因此,在磨料制备和表面处理等领域中,需要根据不同的需求选择合适的白刚玉粒度和砂粒度标准,以达到最佳的加工效果和加工质量。
白刚玉冶炼工艺
白刚玉是一种高纯度的氧化铝陶瓷材料,常用于制作高温高压下的工业物料。
其冶炼工艺一般包括以下步骤:
1. 原料准备:选用高纯度的铝矾土或氧化铝作为原料,经过破碎、筛选等处理后,进行配料。
2. 炼制:将原料加入电炉或氧化铝还原炉中,在高温下进行还原反应。
反应产生的氯化铝气体与惰性气体进行混合,并在冷却器中凝结成为粉末状的氧化铝。
3. 粉末处理:将粉末状的氧化铝进行筛分、磨碎、混合等处理,以获得适合制备白刚玉的物料。
4. 成型:将处理好的物料通过压制、注塑等方式成型。
5. 烧结:将成型后的物料放入高温炉中进行烧结处理,使其形成致密的晶体结构。
6. 加工:将烧结好的白刚玉进行加工,如切割、打孔、抛光等,以满足不同的应用需求。
需要注意的是,白刚玉的冶炼工艺会受到原料的纯度、炉温、还原剂的种类及用量等因素的影响,因此需要进行严格的工艺控制和质量检测。
白刚玉的冶炼方法耐火材料白刚玉白刚玉有两种冶炼方法倾倒法和熔块法。
倾倒法生产白刚玉,炉衬修筑材料一般采用白刚玉砂或铝氧粉。
接包分无衬接包和有衬接包。
且透气性好,炉体分有衬和无衬两种。
有衬一般要求采用烧结制品,无衬热损耗较大,一般占产品能耗的24%以上,有衬热损仅占4%左右。
白刚玉适用范围:白刚玉适用于各种高端产品,工艺或者五金等产品表面美化处理,喷砂后表面洁白无任何杂质,免去清洗烦恼。
细号白刚玉可用作抛光研磨之首。
也可用做各种产品添加剂。
1 蚀刻加工:玉石,水晶,玛瑙,半宝石,印章,雅石,古董,大理石墓碑,陶瓷,木材,竹片等之蚀刻美工。
2 表面加工:金属氧化层,碳化物黑皮,金属或非金属表面污锈清除,如重力压铸模,橡胶模之氧化物或离形剂之去除,陶瓷表面黑点,铀色去除,彩绘重生3 前处理加工:铁氟龙(TEFLON),PU,橡胶,塑料被覆,橡胶滚桶(ROLLER),电镀,金属喷焊,镀钛等之前处理,使表面附着力增加。
4 美化加工:各种黄金,K金饰品,贵金属制品之消光或雾面处理,水晶,玻璃,波纹,压克力等非金属之雾面加工以及能使白刚玉加工物表面成金属光泽。
5 应力消除加工:航天,国防,精密工业之零件,除锈,除漆消光,整修等之应力消除加工的处理。
6 毛边加工:电木,塑料,锌,铝压铸品,电子零件,磁芯等之毛边去除。
白刚玉是制作高级耐火材料的原材料,白刚玉可经受1900 摄氏度的高温,熔点达到2250 摄氏度。
粘土在古代是高级耐火材料,工业革命前后高炉、焦炉、热风炉用耐火材料,近代后期新型耐火材料及其制造工艺,现代耐火材料制造技术及主要技术进步,耐火材料与高温技术相伴出现,大致起源于青铜器时代中期。
中国东汉时期已用粘土质耐火材料做烧瓷器的窑材和匣钵。
20世纪初,耐火材料向高纯、高致密和超高温制品方向发展,同时出现了完全不需烧成、能耗小的不定形耐火材料。
到了现代铝质制品中的主晶相是莫来石和刚玉,白刚玉的含量随着氧化铝含量的增加而增高,含氧化铝95%以上的刚玉制品是一种用途较广的优质耐火材料。
棕刚玉和白刚玉生产工艺流程棕刚玉和白刚玉生产工艺流程一、棕刚玉:棕刚玉是用高铝矾土熟料、碳素材料和铁屑三种原料混匀加入电弧炉中经过高温熔化和杂质还原后冷却而结晶成的棕褐色熔块。
其主要成分是氧化铝,含量为94.5%—97%。
棕刚玉冶炼是利用铝对氧的亲和力比铁、硅、钛等大的基本原理,可以通过控制还原剂的数量,用还原冶炼的方法使铝矾土中的主要杂质还原,被还原的杂质生成硅铁合金并与刚玉熔液分离,从而获得结晶且质量符合要求、氧化铝含量大于95%的棕刚玉。
二、冶炼工艺:1、冶炼方法:棕刚玉冶炼一般有三种方法:1)流放发:连续生产,自动化程度高,但投资大,结构复杂,适合于大功率冶炼。
2)倾倒法:连续生产,机械化程度高,投资较小,生产效率好,目前使用普遍的一种方法(倾倒炉冶炼法)。
3)固定法(熔块法):间断生产,机械化程度低,但投资小,设备简单,工艺方便,是目前小型磨料厂进行刚玉冶炼的主要方法(固定炉冶炼法)。
2、倾倒法与固定法的工艺比较:3、棕刚玉冶炼工艺方法及特点:1)工艺特点:①炉液温度>2050℃。
②炉内炉料层次:上固态层,中半熔层,下熔融层。
③炉内电能分配:电弧热,电阻热。
④冶炼过程,通过控制功率、配料比和料层厚度,来随时保证熔液深度和熔化面积。
2)工艺方法:焖炉法(埋弧法)特点:①料层厚,容量为1800~2500KVA的炉子,初期厚度一般为600~1000mm左右;1000KVA以下的炉子,初期厚度一般为400~600mm左右。
②粒度较大。
③弧光被料层完全覆盖。
优点:①热利用率高。
②电极和炉衬损耗小,炉体上部设备受高温辐射的程度小。
③减小了辐射热对工人的危害。
缺点:①固定炉回收料多,原料消耗增加,劳动量大(对倾倒炉作业影响不大)。
②小时投料量大,操作不当,熔液熔化速度较快,热源中心上移,熔池面积小。
③易引起喷炉。
④固定炉易产生刚玉和硅铁混杂或熔块各部位质量不均现象。
敞炉法(明弧法)特点:料层薄,粒度细,弧光外露时间长,料层厚度一般在300mm。
讲述⼀下:电熔和热熔的区别
热熔和电熔都是hdpe缠绕管和pe管材常⽤的连接⽅式,那么电熔和热熔⼜有什么区别呢?下⾯就有我来给⼤家解释⼀下不同之处:
举例来说以pe给⽔管20-63推荐采⽤热熔承插式连接,管材是插⼊配件⾥,配件内径略⼩于管材外径,这样⼦熔接没缝隙。
63以上管材可以采⽤热熔对接⽅式,就是管材和管材之间,或者管材和管件之间是同⼝径同端⾯⾯积对接连接,热熔后会有个翻边。
电熔连接的成本较⾼,电熔管件也会有嵌⼊式,漆包线式,裸露式等布线。
靠铜丝发热,实现熔接。
管材外⾯刮⼑刮除氧化层,插⼊管件内。
⽤电熔焊机完成焊接。
中财采⽤英国MSA布线机,双⼯位嵌⼊式电熔连接。
了解了电熔和热熔连接⽅式的不同之处,我们在安装管道的时候就会知道什么情况下采⽤什么样的连接⽅式了,既简单⼜⽅便,欢迎选⽤“帛丰”塑料管道,⾼品质管道⽣产供应商。
白刚玉砂轮用途
1.金属加工:白刚玉砂轮可用于对各种金属材料进行研磨和修整,如钢铁、铜、铝、不锈钢等。
它能够去除工件表面的氧化物、积碳、锈蚀和焊缝等缺陷,使金属表面光滑、平整,并提供良好的切削表面。
2.刃具磨削:白刚玉砂轮常被用于磨削和修磨各种刃具,如钻头、铣刀、车刀、刨刃等。
它能够精确地进行刃口修整,恢复刀具的锋利度和几何形状,提高切削力和加工质量。
3.陶瓷加工:白刚玉砂轮可用于磨削和修整各种陶瓷材料,如瓷砖、陶瓷刀具、瓷砂轮等。
它能够去除陶瓷表面的毛刺、凹凸、裂纹等缺陷,使陶瓷制品具有更好的美观和强度。
4.磨具制造:白刚玉砂轮也可以用来制造磨具,如切割片、砂轮、砂布等。
它能够提供高强度和高密度的切割边缘,使磨具具有更好的耐磨性和寿命。
同时,它还可以用于构成砂轮,通过切削和研磨来完成具体的加工任务。
5.岩石加工:白刚玉砂轮可用于石材、大理石、花岗岩等岩石的研磨和打磨。
它能够去除岩石表面的凹凸、污渍、划痕等缺陷,提供平整的工作表面,并增强岩石材料的美观和质感。
6.玻璃制造:白刚玉砂轮可用于玻璃材料的研磨和修整。
它能够去除玻璃表面的气泡、划痕和瑕疵,使玻璃具有更高的透明度和平滑度。
7.电子器件:白刚玉砂轮也可以用于电子器件的研磨和抛光。
它能够在不损坏器件的情况下,去除电路板表面的氧化物和污渍,提高电子器件的可靠性和性能。
总结起来,白刚玉砂轮在工业生产中具有广泛的应用,可以用于金属加工、刃具磨削、陶瓷加工、岩石加工、玻璃制造、电子器件等领域。
它能够提高加工效率、改善加工质量,并延长工具和材料的使用寿命。
烧结板状刚玉
一.烧结板状刚玉是以纯氧化铝原料,经磨细,成型,烘干,在1950℃
±20℃的超高温竖窑内快速升温、冷却而形成的致密结晶体,其微观晶相是片状,被称为板状刚玉。
板状刚玉的莫氏硬度是9,熔点是2050℃,化学成份和物理指标如下表:
注:物理参数检测用样品由3-6mm段粒度组成。
二.板状刚玉作为超高温耐火材料,具有高纯、低碱、高致密度、
高强度、高导热性、高抗震性、耐腐蚀性、高绝缘性等,主要作为高级耐火材料骨料和粉料,用于定型和不定型耐火材料中,只要使用电熔白刚玉、亚白刚玉、棕刚玉的地方,都可以用板状刚
玉代替,且产品性能有明显提高。
主要应用在:冶金、化工、电子、陶瓷、高温窑炉、磨料磨具等行业。
电熔刚玉是高能耗、高污染行业,随着国家对环境、高能耗治理力度加大,电熔刚玉逐渐淡出市场,板状刚玉的需求越来越大。
第一部分化学品及企业标识化学品中文名称:白刚玉化学品英文名称:white fused alumina企业名称:地址:邮编:电子邮件地址:传真号码:企业应急电话:技术说明书编码:生效日期:第二部分成分/组成信息纯品■混合物□化学品名称:阿尔法-氧化铝化学品分子式:Al2O3分子量:101.96有害物成分含量CAS 号:1344-28-1第三部分危险性概述危险性类别:无资料侵入途径:吸入、食入,经皮吸收。
健康危害:对机体一般不易引起毒害,对粘膜和上呼吸道有刺激作用。
经呼吸道吸入其粉尘可引起肺部轻度纤维化,肺部和肺淋巴结有大量的铝沉积。
环境危害:无资料燃爆危险:本品不燃,具刺激性。
第四部分急救措施皮肤接触:脱去污染的衣着,用流动清水冲洗。
眼睛接触:提起眼睑,用流动清水或生理盐水冲洗。
就医。
吸入:脱离现场至空气新鲜处。
食入:饮足量温水,催吐。
就医。
第五部分消防措施危险特性:未有特殊的燃烧爆炸特性。
有害燃烧产物:自然分解产物未知。
灭火方法及灭火剂:消防人员必须穿全身防火防毒服,在上风向灭火。
灭火时尽可能将容器从火场移至空旷处。
灭火注意事项:无资料。
第六部分泄露应急处理个人防护:无资料环境保护措施:无资料清洁/吸收措施:无资料应急处理:隔离泄漏污染区,限制出入。
建议应急处理人员戴防尘面具(全面罩),穿防毒服。
避免扬尘,小心扫起,置于袋中转移至安全场所。
若大量泄漏,用塑料布、帆布覆盖。
收集回收或运至废物处理场所处置。
第七部分操作处置与储存操作注意事项:密闭操作,局部排风。
操作人员必须经过专门培训,严格遵守操作规程。
建议操作人员佩戴自吸过滤式防尘口罩,戴化学安全防护眼镜,穿防毒物渗透工作服,戴橡胶手套。
避免产生粉尘。
避免与氧化剂接触。
搬运时轻装轻卸,防止包装破损。
配备泄漏应急处理设备。
倒空的容器可能残留有害物。
储存注意事项:储存于阴凉、干燥、通风良好的库房。
远离火种、热源。
保持容器密封。
应与氧化剂分开存放,切忌混储。
随着厂家创新发展、突破自我,使白刚玉生产工艺不断发展、用途不断挖掘,其种类也是越来越多,如研磨用白刚玉、抛光用白刚玉、喷砂用白刚玉、耐火材料用白刚玉等,因此,选择不同,其价格也会不同。
如客户选择的为研磨用白刚玉,即用于研磨显象管、光学玻璃、单晶硅、镜片、钟表用玻璃、水晶玻璃、玉器等材料的白刚玉,其市场价格一般在在5000左右一吨,质量差一些的,,则在4000左右,两者价格差别不算太大,但使用效果前者确会好很多,所以一般不建议大家购买后者。
如客户选择的为研磨用白刚玉价格,其价格则会相较高6000元左右一吨,不过由于白刚玉可以多次使用,一般可以重复使用4次左右。
相当于您买一吨当4吨使用,也就是一吨核算下来才一千块钱左右。
因此,咱们买东西还应主要看效果,不能本末倒置一味地追求价格上的低廉,否则效果不好的话再便宜也是亏了。
除此以外,选择的白刚玉砂质量不同,其价格也会不同,如,白刚玉段砂Al2O3≥99%段砂主流报价在5500-5800元/吨左右(出厂含税),部分高端价格在5800-6000元/吨,细粉价格在5600-5800元/吨不等(出厂含税)。
最后就是市场上用户对白刚玉砂需求量的多少直接影响价格,当有很多的用户购买时,会出现一种供不应求的现象,这时候一些厂家会为了自己的利益抬高价格,价格都会随着升高;反之当有很少的用户购买时,设备的价格就会降低。
总之,白刚玉砂的价格是受多方面影响的,因此,价格也是有高有低,想要了解具体的价格是多少,还需根据实际需求咨询专业的白刚玉砂厂家。
郑州祥昱新材料有限公司为一家专业从事多品种氧化铝系列产品和超硬材料微粉的专业生产厂家,主要生产有电熔白刚玉、电熔莫来石、碳化硼、锆刚玉、片状氧化铝、类球形氧化铝等,不仅产品质优价廉,且服务好,因此,现深受客户的好评。
氧化铝与白刚玉,颜色虽都是白色,仅靠肉眼无从分辨,但其实两者是有区别的,下面就这个问题给大家介绍一下。
第一,白刚玉是以氧化铝为原料,经高温熔融冷却后制成的人造磨料;而氧化铝确是高硬度化合物。
第二,白刚玉的主要成分是氧化铝。
具体地说,它是氧化铝的晶型,即α-Al2O3。
除氧化铝外,还有少量的杂质,如氧化铁和氧化硅;而氧化铝则是铝的稳定氧化物。
主要元素是氧和铝,化学式为氧化铝。
有许多均匀和非均匀的晶体,如α-Al2O3,β-Al2O3和γ-Al2O3。
第三,物理性能白刚玉熔点2250℃,外观晶型为三角晶;氧化铝的熔点则低于2010℃-2050℃。
其外观为白色粉末,晶相为γ相。
第四,白刚玉一般用于制造磨料,也可用于触媒、绝缘体、铸造、喷砂等行业;氧化铝则主要用于导热、抛光、电镀、催化剂等行业。
除此以外,氧化铝与白刚玉从物理的角度进行对比也是有所区别的,如,白刚玉,密度:3.90 g/c㎥;硬度:努谱硬度2000-2200Kg/m㎡,莫氏硬度9.0;最高使用温度:1900℃;比热(Cal/g.C):0.26(20-90C);热传导系数:室温900C(Cal/cm3.sec.C);折光率:e=1.760 w=1.768(Na line);线膨胀系数:(7-9)*10^-6/K(0-1600C);而氧化铝平均粒度(nm):20±5;含量%:大于99.9%;沸点:2980 ℃;相对密度(水=1):3.97-4.0;颜色:白色,煅烧后颜色深蓝。
综上就是白刚玉和氧化铝比较常见的区别介绍,希望对大家在区分时有所帮助,同时,如想了解更多有关产品知识可咨询郑州祥昱新材料有限公司。
一般来说,金刚砂有很多种,白刚玉就是其中之一。
其实金刚砂包括白刚玉,黑碳化硅,绿色碳化硅,锆刚玉等。
总的来说,白刚玉是一种金刚砂,而金刚砂有广泛的规划。
白刚玉的主要原料是工业氧化铝粉,它是在2000以上的高温电弧中熔化,然后冷却,再经过损伤整形、磁选、除铁等几道加工工序,筛分出各种粒度。
白刚玉用途广泛,适用于制造陶瓷、树脂结合磨料、研磨、抛光、喷砂、精密铸造(精密铸造专用刚玉)等。
也可用于制造优质耐火材料,代号WA,连同国际通用规范和国家规范,多为出口,如韩国、日本等工业用地无剩余的国家。
因此,白刚玉只是金刚砂中的一个品种,所以不要在未来感到困惑。
金刚砂自然中既有人工金刚砂,也有天然金刚砂。
由于其硬度、粒度、形状和研磨力,金刚砂也有“工业牙齿”的美誉,金刚砂通过选择和分级方法制作研磨数据。
刚玉成分为α-Al2O3,属三方晶系,晶形为短柱状,真密度为3.85~4.01g/cm3,硬度
为9,熔点为2050℃。
敢于还具有高的热导性和电绝缘性、优良的化学稳定性和抵抗还原剂作用的能力。
因此,刚玉可作高级耐火材料的原料,也是重要的人造磨料。
刚玉一般是用工业氧化铝或铝土矿经烧结或电熔后而制成的。
当用工业氧化铝电熔时,得到的是白色刚玉,其Al2O3含量大于98.5%;当用铝土矿作原料时,则获得普通刚玉或称矾土基刚玉(又称为亚白刚玉或灰刚玉),其Al2O3含量为91%~93%,经处理后,Al
O3含量大于97%;板状刚玉可用电熔法和烧结法生产,稳固高达1950℃以上,氧化铝晶2
粒达到完全的再结晶α-Al2O3,在显微镜下晶体呈平板状和短柱状结构,其含量≥90%。
当添加铁屑时,可生产棕刚玉;当添加锆英石或氧化锆时,则得到锆刚玉。
这就是说,刚玉可分为烧结刚玉和电熔刚玉两大类,又可分为白刚玉、亚白刚玉、棕刚玉、锆刚玉和铬刚玉等。
白刚玉还分为普通电熔刚玉和低气孔或致密电熔刚玉。
在不定形耐火材料中,采用致密刚玉、白刚玉、板状刚玉、矾土基刚玉和棕刚玉作耐火骨料和粉料,应用越来越多,并取得显著效果。
下表为刚玉的理化指标:。
白刚玉粒度标准
白刚玉的粒度标准主要根据不同用途和制造方法来划分,常见的标准如下:1.粗颗粒级别:粒度在24目(即直径为0.71mm)及以上的颗粒。
根据不同
国家和地区的标准,粗颗粒级别的上限可以达到8目(即直径为2.36mm)或10目(即直径为2mm)等。
2.中颗粒级别:粒度在36目(即直径为0.5mm)至80目(即直径为
0.18mm)之间的颗粒。
根据不同国家和地区的标准,中颗粒级别的上限
可以达到100目(即直径为0.15mm)或120目(即直径为0.125mm)等。
3.细颗粒级别:粒度在180目(即直径为0.075mm)至400目(即直径为
0.0375mm)之间的颗粒。
此外,白刚玉的粒度还可以根据其使用用途进行分类,如磨料、研磨剂、过滤材料等不同用途的粒度标准也有所不同。
白刚玉和电熔白刚玉的区别 电熔白刚玉你不容错过
都知道白刚玉在工业中经常用到,但是电熔白刚玉你了解过吗?其实白刚玉
和电熔白刚玉都是工业磨料中经常用到重要磨料,但是仔细分辨还是有很大的不
同的,那么什么是电熔白刚玉呢?白刚玉和电熔白刚玉的区别是什么呢?下面让千
家信耐材的小编给大家详细介绍一下吧!
什么是电熔白刚玉?
电熔白刚玉是一个专业的名字,它的英文缩写是AZS,电熔白刚玉是一种中
高档耐火原材料,色泽洁白,晶莹夺目,具有体积密度大、气孔率低等优点,能
有效提高材料的体积稳定性和抗热震性能。
电熔白刚玉是生产中高档不定性和定形耐火材料的主要原料,用于大型钢包
浇注料、中高档铁沟浇注料、喷补料、预制件等不定形耐火材料和刚玉砖、刚玉
质及莫来石刚玉质匣体、精炼用刚玉多孔塞砖、整体喷枪和复合水口、高温工业
窑炉衬材等各种刚玉的制品。广泛应用于钢铁、水泥、陶瓷、磨料、石化等行业。
通常所说的“熔融氧化铝”一般是指“电熔白刚玉”。白刚玉细粉是以煅烧
氧化铝或工业氧化铝为原料,在电弧炉内高温熔化而成,Al2O3≥98.5%,白色块
料,显气孔率6%—10%,主晶相为α- Al2O3,晶体为长条形和菱形,而且往往
呈骸状晶体。由于原料纯度高,在电炉作业中不发生化学反应,但熔融液体的温
度、冷却速度等对块料的结构有很大的影响。在均质方面,重要的是获得尽可能
致密的块料。
白刚玉和电熔白刚玉的区别:
要区分白刚玉和电熔白刚玉可以从外观、形状、用途、价格等方面来分析:
以下几个方面来进行区分:
白刚玉:以工业氧化铝粉为原料,筛分成多种粒度,其质地致密、硬度高,
粒形成尖角状,适用于制造陶瓷、树脂固结磨具以及研磨、抛光、喷砂、精密铸
造等。
电熔白刚玉:以工业氧化铝或煅烧氧化铝为原料,在电弧炉内高温融化而成,
是制作耐火材料的重要原料,也广泛用于磨料行业。电熔白刚玉电熔法制成的白
刚玉质耐火原料二氧化铝含量高。白刚玉晶粒完整粗大。化学稳定性高、 以上
业氧化铝或高铝矶土熟料为原料在电弧沪内熔融,除去余质,冷却而成的熔块。
价格对比:同样规格作用的电熔白刚玉价格要比白刚玉价格高,所以在选择
替代品的时候要考虑其用途能否代替,价格是否合算,还有关键的就是研磨效果
是否会影响。
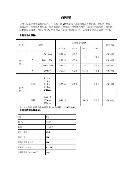
以下是白刚玉的部分粒度指标以及理化指标
白刚玉段砂:0-1mm、1-3mm、3-5mm、5-8mm、8-12mm
理化指标:Al2O3≥99% Na2O≤0.5% CaO ≤0.4%
磁性物≤0.003%
白刚玉细粉:180#-0、200#-0、320#-0
理化指标:Al2O3≥98.5% Na2O≤0.5% CaO ≤0.5%
磁性物≤0.003%
有些时候白刚玉的粒度标准可以按照客户不同的需求进行加工。
以上就是小千给大家介绍的“什么是电熔白刚玉呢?白刚玉和电熔白刚玉的
区别是什么呢?”,其实这两种不同类型的白刚玉在用途上都很广泛,只不过的
两字之差用途就发生了变化,大家在选择的时候可以根据自己的需求来选择适合
自己的刚玉!
后期小千会给大家带来更多的磨料磨具知识!