JW 4G接触网作业车
- 格式:ppt
- 大小:4.96 MB
- 文档页数:96
JW-4型接触网作业车运用作业指导书版本号:2015011. 作业项目名称2. 作业内容范围本指导书适用于徐州供电段管内JW-4型接触网作业车的检查、保养、操作以及应急处理。
3. 编制(修订)文件依据《接触网作业车管理规则》4. 人员工具材料及图纸资料要求4.1. JW-4型接触网作业车。
4.2.司机、副司机共2人。
4.3.随车工具一套,摄像手电1只,用于检查作业;乘务通1台,用于故障处理时的资料存放和指导。
5. 安全风险预想及卡控措施5.1.安全风险预想5.1.1.平台检查中存在高空坠落的危险。
5.1.2.检查车底部位,易发生碰头、摔倒的危险。
5.1.3.检查传动部件时,有发生挤、刮的危险。
5.1.4.动车时,二人配合不当存在着人身伤害的危险。
5.2. 卡控措施5.2.1.检查平台等高空作业要做到站稳、抓牢,上下车及平台不得背向车体上下。
5.2.2.按规定配带劳动防护用品,注意地沟的清洁,有漏油处所要及时清理。
5.2.3.不要用手和锤触碰运行中的部件。
5.2.4.起机、动车时要高声呼唤,确认人员处于安全地带时再动车。
6. 作业内容6.1 JW-4型接触网作业车检查程序JW-4型接触网维修作业车采用1A-A1四轴结构,主要由动力及传动系统、走行部、电气系统、制动系统、液压系统及液压升降回转作业平台、随车起重机、检测装置(连东1034018选装)等组成,动力及传动系统采用重庆康明斯NTC-290型柴油发动机和富勒RT-11509C型变速箱。
针对此类型的车辆,作业车检查程序如下:JW-4接触网作业车检查程序及标准6.2. JW-4接触网作业车行驶操作6.2.1. 行驶前的准备工作6.2.1.1.闭合电源总开关(在Ⅰ位端主司机椅左侧地板),将电源转换开关扳至正确位置。
(图1为断开位,图2为闭合位,顺时针为开)图1.断开位图2.闭合位6.2.1.2.起动发动机:把变速杆放在空档位置,手油门置于适当位置,然后扭动点火钥匙进行起动,如10秒内不能起动,应松开重新进行第二次起动。
JW-4接触网作业车日常检查注意事项
接触网作业车主要是用于正线或车厂上对接触网设备的一个检测与数据采集的作用,接触网的维护与维修必须建立在接触网作业车采集回来的数据上。
因此,这就要求我们必须对接触网作业车的功能与性能有足够的了解。
同样,对机车的了解也要建立在基础之上,而这个基础就是检车,也就是我们平常工作中必不可少的整备作业。
下面我们就针对接触网作业车检查流程的一些注意事项进行学习。
PS:检车过程中如用检测锤,应逆向轻敲螺丝,防止螺丝松脱,不可用检测锤,锤向油压减震器等易于变形的部位。
作业车司机高级工技能鉴定测试题(含答案)一、单选题(共78题,每题1分,共78分)1.JW-4G接触网作业车( )通过发动机前端传递的动力驱动空气压缩机、工作油泵和散热油泵工作。
A、换向分动箱B、分动齿轮箱C、液力传动箱D、车轴齿轮箱正确答案:B2.接触网作业车运行接近限速地段前( ),司机、副司机要双人核对限速命令,并注意地面限速要求及减速地点标。
A、2000mB、1.5kmC、500mD、1km正确答案:A3.接触网专用平车代号为( )。
A、ZB、PC、GD、C正确答案:B4.接触网专用平车方向一般以制动缸活塞杆推出的方向来确定,制动缸活塞杆推出方向为( )端。
A、左B、ⅡC、右D、Ⅰ正确答案:D5.接触网作业车平台立柱升降时,其接触表面将发生( ),因此要经常检查磨耗板与套筒接触面之间的间隙,及时补充润滑脂。
A、擦伤B、磨耗C、摩擦D、磨损正确答案:D6.JZ-7型制动系统作用风缸用来控制( )的动作。
A、单阀B、减压阀C、作用阀D、分配阀正确答案:C7.车辆在车站停放时须有人( ),并采取防溜措施。
A、留守B、维护C、防护D、检查正确答案:A8.( )主要由电磁铁、阀体、柱塞及复位弹簧等组成。
A、平衡阀B、液压电磁阀C、卸荷阀D、溢流阀正确答案:A9.道德的功能是( )功能和调节功能。
A、管理B、学习C、认识D、约束正确答案:C10.用车轮第四种检查器直角边外形尺寸( )的长度,水平插入车钩开锁位钩舌与钩腕内侧之间,上、中、下测三点,其中一处能插入时即为不合格。
A、150mmB、140mmC、120mmD、100mm正确答案:B11.相互运动的表层金属逐渐形成微粒剥落而造成的磨损叫( )。
A、砂粒磨损B、疲劳磨损C、摩擦磨损D、消耗磨损正确答案:C12.接触网专用平车过轨检查技术标准之一是同一转向架左右旁承间隙之和( )。
A、6~12B、3~20C、2~12D、2~20正确答案:D13.DA12接触网作业车轴距为( )。
铁路JW-4型接触网作业车大修范围1、范围1.1接触网作业车大修是按规范对全部总成全面检查修理,更换必要部件,恢复整车性能的修理工作。
1.2接触网作业车大修由具备相应资质的单位实施。
各承修单位必须按规定范围进行修理。
承修单位须完善质量保证体系,严格执行质量检查、监造、验收制度,认真落实本范围的内容。
修竣后,须出具大修合格证及质量保证书。
1.3大修周期JW-4型接触网作业车大修周期为8年或走行160000公里。
局部改造和更换必要部件的修理工作可结合大修一并进行。
使用单位接触网作业车应按规定的大修周期及时进厂大修。
1.4路试里程大修出厂前路试里程不少于100公里。
1.5质量保证期1.5.1大修后的接触网作业车及主要零部件在正常运用、维修保养的情况下,免费质量保证期按不低于1年或走行2万公里,以先到为准。
1.5.2大修后自出承修单位之日起,在正常运用、保养和维护条件下,承修单位在一个大修期内须保证:a) 车体、转向架新焊修部分不发生裂纹;b) 柴油机新换机体不发生裂纹;c) 柴油机新换曲轴不发生断裂;d) 整体车轮不发生裂纹;e) 各齿轮箱新换齿轮不发生折损和断裂。
1.6适用范围本范围适用于JW-4型接触网作业车。
其他相近机械传动的车型可比照本范围执行。
2 、规范性引用文件接触网作业车管理规则接触网检修作业车大修规则TBT2180-2006电气化铁路接触网综合检修车技术条件3 、JW-4型接触网作业车大修范围3.1NTC290型柴油机3.1.1气缸体a) 解体检修气缸体上各机件和附属配件;b) 清洗检查气缸体上各机件和附属金属配件;c) 检测气缸体上平面平面度误差、气缸体曲轴、凸轮轴轴承孔的同轴度公差、气缸体后端面对曲轴两端面轴承孔公共轴线的端面全跳动、缸套止口直径、缸套止口深度、缸套的突起高度、缸套下部与机体孔的间隙、机体下部缸套孔内径、缸套内孔圆柱度误差、主轴承孔径、从主轴承中心线到机体顶面的距离、凸轮轴衬套内径、凸轮轴衬套孔内径、缸套内径、活塞与缸套配合间隙等数据;d) 更新气缸套、水封圈、碗形塞、各锥形螺塞、各衬套和橡胶、石棉、塑料及小型配件;e) 检修更新到限及损坏部件;f)缸体水压试验。
文章编号:1674-9146(2016)12-0093-03襄樊金鹰轨道车辆有限责任公司研制开发了新一代标准化JW-4型接触网作业车,主要适用电气化铁路接触网上设备的安装、维修及日常检查、保养,也可兼作牵引车辆。
该重型轨道车采用了电喷发动机和国外原装进口的液力机械变速器,除起步档位和倒档外,还有高低2个档区的8个前进档位,气助力操纵,其发动机功率大,变速箱档位多,牵引特性良好。
转向架采用两轴焊接转向架结构,轴箱采用拉杆定位方式,整车具有良好的运行平稳性和稳定性[1]。
1整车结构及主要部件JW-4型接触网维修作业车主要由动力及传动系统、走行部、电气系统、制动系统、液压系统及液压升降回转作业平台、随车起重机(选装)、检测装置(选装)等组成,符合GB 146.1—1983标准轨距铁路机车车辆限界的有关规定。
车内根据具体使用要求设计一定的生活设施设备。
图1为JW-4型接触网维修作业车整车结构与外形。
JW-4型接触网维修作业车动力充足,单机最大运行速度110km ·h -1,线路轨距1435mm ,车辆轴距2400mm ,轴列式1A-A1,车轮直径840mm ,车钩中心高度(距轨面)(880±10)mm ,整备重量约36t ,外形尺寸(长×宽×高)13600×3055×4650mm 。
制动方式为空气制动及驻车制动,采用机车JZ-7G型空气制动机,具有“停车制动”和“作业制动”功能,与液力机械变速器配套可在平台上控制车辆运行及停止。
挡位开关控制设置了中间“停”位,避免误操作;折臂吊机加装高空作业斗,扩展了作业车的功能。
2整车技术特点2.1动力及传动系统动力及传动系统由发动机、离合器、变速箱、万向节传动轴、固定轴、换向分动箱、车轴齿轮箱等部件组成。
发动机是整车的动力来源,传动箱将发动机输出的动力经过调整后输送到齿轮箱上,最终作用在驱动轮上。
发动机水冷却系统由水散热JW-4型接触网作业车设计王辉收稿日期:2016-10-11;修回日期:2016-11-15作者简介:王辉(1983-),男,甘肃庆阳人,工程师,主要从事机械设计研究,E -m ail :289037764@q q.co m 。
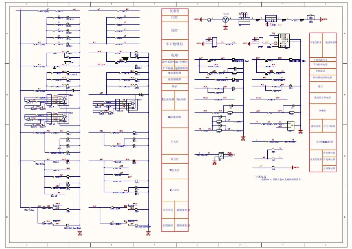
12345678DDCCBBAAFU1.1(6A)SA1.1SA1.2SA1.3SA1.4SA1.5E15-E16E1-E2E3-E6E7-E8FU1.3(16A)SA1.7FM1SA1.8LB1MY4FU1.5(32A)SA1.12KA11E1.1E1.2E1.3KA11.1,KA11.3FU1.6(25A)E1.4SA1.13SA1.14SA1.16KA9FU1.7(16A)KB9.1,KB9.2SA1.195A7A2311151719A25A11222A 24A A32A31A33A35A36B36B37A41aA43A39A38仪表灯门灯顶灯车下检修灯电扇II 副雨刮器喷水下大灯信号灯II 位头灯I 位头灯本端操作联锁继电器A9GB2GB1F1QS1F2F3WL B+B-发电机GNDGND965311731741751741751702C 2C+15V-15VG N DO U T1234G2+15V-15VGNDOUT1234G1GNDKJ0主电机快慢复位-+1357MY1212A 14A 主电机快慢复位-+1357MY2SA1.9SA1.10SA1.26KB4.1,KB4.2A44A47点火开关联锁继电器8S13n6FU1.2(16A)SA1.6E9-E12A1321KA13,KA14KA15SA1.9SA1.10SA1.11FU1.4(10A)A27A14A16A24KA13.1KA15.1KA13.4KA15.3KA14.1KA15.2KA13.3KA13.2KA15.4KA14.210A 20A 12A122A124A114A1SA1.15KA12A37KA12.1,KA12.3A34E1.5E1.6n7SA2.1FM2SA2.7LB2SA2.8E13,E14E2.3SA2.13KB9SA2.19KA9.1,KA9.2A7A23XS5,XS6B9B25B11B36A38B39B41aB43A35SA2.26KA4.1,KB4.2B44B47SA2.2SA2.3SA2.4SA2.5SA2.6A131115171921n8MY5KB13KB14SA2.9SA2.10SA2.11A27B14B16B24n9212B 14B 主电机快慢复位-+1357MY3SA1.10KB13.1KB14.1KB13.2KB14.2KB13.310B 12B114B1SA2.12B32A31KB11E2.1E2.2KB11.1,KB11.2B33SA2.14SA2.15A36A37SA2.16KB12B37KB12.1,KB12.3B34E2.4E2.5II 主雨刮器I 雨刮器雨刮器慢档雨刮器快档车下插座遥控探照灯调平系统电源电喇叭KA2.3n4YM4n5YM5S4,S5DC24V DC24VG3FU1.13(16A)GNDPLC1PLC10=2546141KB2.3S3KJ2.1,KJ2.2FU1.9(16A)n3YM3YKG1YKG2YKG3YKGKJ0.1,KJ0.2KJ4KJ5KJ6GND4612112054846A2319843B70A2354FU1.8(6A)199技术要求1.二极管N1-N5直接安装在电磁阀插接件内。
作业车司机高级工技能鉴定模拟习题+答案一、单选题(共78题,每题1分,共78分)1.JW-4G接触网作业车动力传递路线为:分动齿轮箱←发动机→( )→万向传动轴→车轴齿轮箱→轮对。
A、离合器B、变速器C、液力传动箱D、固定轴正确答案:C2.主阀属于三压力机构,其大膜板上方是通( ),下方是工作风缸压力。
A、列车管B、总风管C、大气D、作用风缸正确答案:A3.JW-4G接触网作业车发动机ECU控制线束为42孔插接件线束,其中( )脚为启动信号。
A、37、38B、8、9C、10D、1、17正确答案:C4.JW-4接触网作业车(110km/h)牵引特性三档运行速度范围为( )km/h。
A、13~18B、15~18C、10~13D、18~23正确答案:D5.JZ-7制动机11号管对应的管路名称是( )。
A、总风缸管B、单独缓解管C、单独作用管D、中均管正确答案:C6.下列车型轴列式为2-B的是( )。
A、JW-2B、JW-4GC、JW-4D、DA12正确答案:B7.柴油发动机在冷状态时,响声明显,温度升高后,响声减弱或消失,是( )。
A、曲轴轴承敲击声B、活塞敲缸声C、活塞销响D、连杆轴承敲击声正确答案:A8.轨道车运行控制设备GYK具有正常监控模式、目视行车模式、( )模式、区间作业模式和非正常行车模式五种基本控制模式。
A、调车B、连挂C、防碰D、卸车正确答案:A9.为防止正、负极板产生( ),在相邻两片正、负极板之间,夹有一片有槽的多孔性木料或塑料隔板。
A、断路B、短路C、电流D、放电正确答案:B10.液压油缸是液压系统中的( ),它的作用是将液压能转换成机械能。
A、辅助元件B、执行元件C、动力元件D、控制元件正确答案:B11.客货车转换阀在货车位,当自阀手柄在( )时,总风遮断阀呈关闭状态。
A、前2位C、第2位D、后2位正确答案:B12.采用施工特定行车办法行车时,准许列车司机凭( )的显示进站。
1.车辆的整备1.1.燃油的整备柴油机所使用的燃油规格应符合GB252轻柴油的规定。
夏季应选用0号轻柴油,冬季则应根据地区气候条件不同,分别选用-10号、-20号或-35号轻柴油。
其质量不低于GB252中一级品的规定。
两燃油箱的总容积为1000L,车辆使用时,燃油应保持不少于250L。
加油应通过加油口的滤网进行,且应观察燃油箱两侧的油表,防止两侧油位不一致时燃油从较高油位侧外溢。
为了加快上油速度,在加油时,宜打开另一侧加油口,以减小燃油箱的背压,加快燃油箱上部空气的排出。
1.2.机油的整备选择机油的原则是:一是粘度适当;二是冬季和夏季不同,南方和北方的不同。
冬季、北方选用粘度较小的机油;夏季、南方选择粘度较大的机油。
只有按规定选用适当牌号、粘度的机油,才能保证良好的润滑,减少机油消耗。
本车发动机采用潍柴动力专用机油,机油牌号为WSO-2,适合WP12系列300马力以上柴油机使用。
润滑油容量36L。
具体使用见柴油机使用保养说明书。
1.3.液力传动油的整备液力传动油不仅是传递动力的介质,而且还是液力元件冷却、润滑和变速箱的控制系统的工作油液。
液力传动油的品质好坏,直接影响到液力传动的性能和可靠性。
液力传动油的牌号为SGL18,为德国ADDINOL公司生产,也可以采用液力传动箱使用保养说明书上推荐的其它牌号的液力传动油,但必须清洗干净,两种不同牌号的油不得混用。
具体使用见液力传动箱使用保养说明书。
1.4.冷却水柴油机冷却用水必须清洁,水质硬度的酸碱度应适当。
水质过软,对冷却系统侵袭过大;水质过硬,水中矿物质多而形成水垢,影响散热。
酸碱度过强,会腐蚀水冷却系统零部件。
因此,冷却用水应符合TB1751“铁路内燃机车冷却液用水”及TB1750“铁路内燃机车冷却液添加剂“标准中的规定。
具体使用见柴油机使用保养说明书。
1.5.车辆用砂车辆上使用的砂子,应具有良好的流动性,因此,要求砂子干燥,没有尘土和块状杂物,砂粒应在0.5〜1mm范围内,最小不小于0.2mm,最大不大于2mm。