茂名热电厂300MW机组掺烧印尼煤研究
- 格式:pdf
- 大小:234.72 KB
- 文档页数:3
妈湾电厂磨煤机掺烧印尼煤着火分析及处理摘要:随着国家供给侧结构性改革和煤炭行业去产能政策等实施,国内燃煤价格急速上升,增加了发电厂的运营压力。
电厂为降低燃料成本,掺烧具有高挥发分、高水分、低发热量、低灰分、低成本等特点的印尼煤成为主要手段,给电厂带来经济效益的同时相应也增加制粉系统爆燃事故风险,对机组运行的安全性和稳定性造成严重影响。
基于此,本文以妈湾电厂为例,通过磨煤机着火前后参数变化,分析6E磨煤机掺烧印尼煤着火的原因,并针对着火原因,结合相关运行管理经验,对着火事故进行处理,以期为同类事故提供经验参考。
关键词:妈湾电厂;磨煤机;着火原因;掺烧;处理磨煤机作为大型火电机组的重要辅机设备之一,其运行的稳定性直接影响着机组的安全稳定运行。
而正压直吹式制粉系统爆燃不仅会损坏磨煤机及其附件,还会影响机组的安全稳定运行。
因此,在日常运行维护工作中,相关运行人员不仅要基于掺烧印尼煤的情况及磨煤机着火规律,在磨煤机着火初期采取提前干预措施,同时还应及时采取合理的处理措施,以降低着火事故对制粉系统以及整个燃烧系统的影响。
本文以妈湾电厂2020年12月某次6E磨煤机掺烧印尼煤着火事故为背景,对磨煤机掺烧印尼煤着火分析及处理进行如下分析。
1设备概况妈湾电厂现投运6台330MW国产燃煤机组,锅炉采用哈尔滨锅炉厂的HG-1025/18.2-YM6型、亚临界压力、一次中间再热、控制循环汽包炉,采用平衡通风、正压直吹、四角切圆喷燃燃烧,设计煤种为晋北烟煤(校核煤种:澳大利亚煤、安太堡煤),燃烧器采用摆动式直流燃烧器四角直吹切圆喷然方式,燃烧器顶部设有两层紧凑燃尽风、底部设有一层AA底部辅助风,低氮燃烧改造后燃烧器顶部上面还布置了四层高位燃尽风。
每台炉配六台正压直吹式制粉系统,采用HP803中速碗式磨煤机,五用一备,其内部结构如图1所示。
为降低燃料成本掺烧印尼煤,其掺烧基本分析数据如表1所示。
图1 HP803中速碗式磨煤机内部结构表1 掺烧印尼煤的基本分析数据煤种热值(kj/kg)硫分(%)挥发分分(%)灰分(%)全水份(%)MA 印尼煤50620.1148.353.0321.38CRI 印尼煤54060.3952.4412.5313.39BA 印尼煤60740.3643.826.0413.492着火过程2020年12月1日,给煤机减速箱检修后启动制粉系统,吹扫5 min后启动磨煤机,给煤量19 t/h,热风调门开度100%,冷风调门开度45%,磨煤机电流27.36A。
年第6期6300MW发电机进相运行的探讨郑广明(广东省茂名热电厂,广东茂名525011)摘要本文主要根据茂名热电厂一台300MW 机组的进相运行试验实况对该机组进相运行时对机组本身及粤西电网系统的影响进行分析,并提出优化建议及总结。
关键词:粤西电网;进相;试验;电压;温升Research on Leading Phase Oper ation of 300MW Gener atorZheng Guangming(Maoming Heat ﹠Power Plant,Maoming,Guangdong 525011)Abstr act This paper mainly talk about an analysis of the test on leading phase operation of 300MW generator in Maoming Heat &Power Plant on the generator itself and on the impact of Western Guangdong power system,then proposes some optimization suggestions and summarize.Key words :western Guangdong power system ;leading phase ;test ;voltage ;core temperature1引言目前广东电网的边远地区普通存在无功过剩现象,电网电压经常偏高,在节假日、丰水季节和小方式运行时问题尤为突出[1]。
在位于粤西地区的茂名电厂的300MW 机组开展进相运行,具有重要的意义。
为此,该机组于投运初期进行了一次进相试验,下面就此次试验进行分析,并提出建议方案及总结。
2粤西地区电网简介粤西地区的电网简图见图1。
图1粤西地区的电网简图由图1可看出,300MW 是茂名热电厂容量最大的机组[2],处湛江地区和阳江地区的中部,220kV 母线的电压必须维持在220~242kV 之间,茂阳线,茂榭甲线,茂榭乙线,茂河线所输送的无功直接影响到整个地区的电压质量。
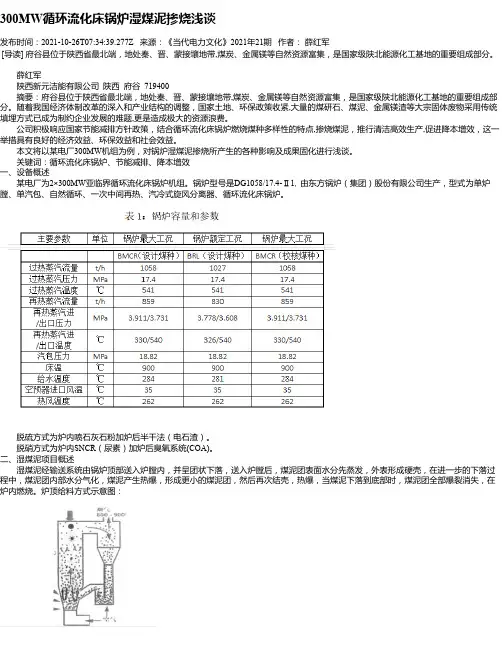
300MW循环流化床锅炉湿煤泥掺烧浅谈发布时间:2021-10-26T07:34:39.277Z 来源:《当代电力文化》2021年21期作者:薛红军[导读] 府谷县位于陕西省最北端,地处秦、晋、蒙接壤地带,煤炭、金属镁等自然资源富集,是国家级陕北能源化工基地的重要组成部分。
薛红军陕西新元洁能有限公司陕西府谷 719400摘要:府谷县位于陕西省最北端,地处秦、晋、蒙接壤地带,煤炭、金属镁等自然资源富集,是国家级陕北能源化工基地的重要组成部分。
随着我国经济体制改革的深入和产业结构的调整,国家土地、环保政策收紧,大量的煤研石、煤泥、金属镁渣等大宗固体废物采用传统填埋方式已成为制约企业发展的难题,更是造成极大的资源浪费。
公司积极响应国家节能减排方针政策,结合循环流化床锅炉燃烧煤种多样性的特点,掺烧煤泥,推行清洁高效生产,促进降本增效,这一举措具有良好的经济效益、环保效益和社会效益。
本文将以某电厂300MW机组为例,对锅炉湿煤泥掺烧所产生的各种影响及成果固化进行浅谈。
关键词:循环流化床锅炉、节能减排、降本增效一、设备概述某电厂为2×300MW亚临界循环流化床锅炉机组。
锅炉型号是DG1058/17.4-Ⅱ1,由东方锅炉(集团)股份有限公司生产,型式为单炉膛、单汽包、自然循环、一次中间再热、汽冷式旋风分离器、循环流化床锅炉。
脱硫方式为炉内喷石灰石粉加炉后半干法(电石渣)。
脱硝方式为炉内SNCR(尿素)加炉后臭氧系统(COA)。
二、湿煤泥项目概述湿煤泥经输送系统由锅炉顶部送入炉膛内,并呈团状下落,送入炉膛后,煤泥团表面水分先蒸发,外表形成硬壳,在进一步的下落过程中,煤泥团内部水分气化,煤泥产生热爆,形成更小的煤泥团,然后再次结壳,热爆,当煤泥下落到底部时,煤泥团全部爆裂消失,在炉内燃烧。
炉顶给料方式示意图:湿煤泥系统由上料、制备、仓储、泵送系统四部分组成;#1、#2、#5、#6煤泥泵进入#1锅炉;#3、#4、#7、#8煤泥泵进入#2锅炉。
电厂燃煤掺烧调研报告电厂燃煤掺烧调研报告一、调研目的和背景近年来,随着能源需求的不断增加和能源结构的深度调整,煤炭资源的可持续利用成为重要的能源发展问题之一。
燃煤电厂是我国主要的能源供应来源,寻找一种能够减少煤炭消耗、提高发电效率的新方法,具有重要的现实意义。
本次调研旨在了解电厂燃煤掺烧技术的应用情况及效果,并针对其优势和问题进行评估和分析,为电厂能源利用的可持续发展提供参考。
二、调研方法1. 实地调研:选择了山西某电厂进行调研,了解该电厂的掺烧煤种、比例以及掺烧对发电效率和大气污染物排放的影响。
2. 文献调查:查阅相关文献和报道,了解国内外电厂燃煤掺烧技术的研究进展和应用情况。
三、调研结果与分析1. 掺烧煤种和比例:调研发现,该电厂采用了多种煤种进行掺烧,包括无烟煤、褐煤、煤矸石等。
通过调整掺烧比例,最终实现了煤炭资源的合理利用和发电效率的提高。
2. 发电效率改善:燃煤掺烧技术能够提高电厂的发电效率,减少煤炭的消耗量。
调研数据显示,该电厂采用掺烧技术后,发电效率提高了10%,有效降低了能源浪费和成本支出。
3. 大气污染物排放控制:掺烧技术能够提高燃烧效率,减少了煤炭的消耗量,从而降低了大气污染物的排放量。
调研数据显示,该电厂采用掺烧技术后,二氧化硫、氮氧化物等大气污染物排放量显著下降,环境质量得到了明显改善。
4. 经济效益和环境效益的权衡:电厂燃煤掺烧技术具有明显的经济效益和环境效益,但在实际应用中仍然存在一些问题。
例如,掺烧煤种的选择、掺烧比例的调整以及设备的改造等,需要大量的投资和技术支持,同时涉及到能源安全和环境保护等方面的权衡和抉择。
四、总结和建议1. 电厂燃煤掺烧技术具有重要的应用前景和经济效益,但在推广应用过程中,需要更多的投资和技术支持。
2. 在掺烧煤种的选择上,应根据电厂实际情况和煤种特性进行合理选择,以达到最佳的经济效益和环境效益。
3. 需要加强对燃煤掺烧技术的研究和创新,提高掺烧技术的稳定性和可行性,降低掺烧的技术门槛。
-起磨煤机停运时发生爆燃的分析与预防措施摘要:茂名臻能热电有限公司300 MW锅炉E给煤机要进行电子皮带称校验,运行值班员根据电子皮带称实煤校验方案的要求,一共进行了多次E给煤机启停的操作,最后一次停运时发生了磨煤机风道入口爆燃事件。
本文针对此次事件进行具体分析,并提出相应的预防措施。
关键词:印尼煤出口温度爆燃预防措施1 制粉系统概况我厂制粉系统采用中速磨煤机、冷一次风机、正压直吹制粉系统,每台锅炉配6台磨煤机,5台运行,1台备用。
磨煤机型号:ZGM95N中速辊式磨煤机,额定空气量16.45 kg/s,通风阻力≤5740 Pa,标准磨出力51.5 t/h。
为了降低燃料成本,提高经济性,以适应市场的需要,发展生产,在#6锅炉磨煤机配煤方式上掺烧高挥发分、高硫分的印尼煤。
2 发生经过3月15日E磨煤机给煤量大幅度波动约5吨,热控人员检查结果是电子皮带称故障,需要更换电子皮带称。
16日更换好电子皮带称,要重新进行实煤校验。
运行人员根据电子皮带称实煤校验方案的要求,3月17日4:23至19日7:40,共进行了8次烧空E煤仓的启停操作,最后一次停运时发生了磨煤机风道入口爆燃事件。
事件的详细经过如下。
2010年3月19日2:00,#6炉E原煤仓上好待校煤种,为拓展1号煤与印尼煤1∶1混煤,按校验要求零点班烧完。
2:35启动E磨煤机运行,投入相应的一次风保护和冷热风门自动调节。
6:50运行人员判断E原煤仓差不多烧空,将E磨煤机出力降至9 t/h,磨煤机出口温度降至58 ℃,磨煤机入口一次风量降至38 t/h。
7:42 E原煤仓烧空、E给煤机煤量降到零,运行人员停给煤机,热风调门自动由24.4%关至零,冷风调门自动由31.2%关至15.8%,一次风量下降至15.89 t/h,运行人员手动开大冷风调门。
7:43分12秒一次风量回升至29.4 t/h时,E磨煤机热风入口发生煤粉爆燃,磨煤机出口压力由-0.9 kPa瞬间上升至7.9 kPa、入口一次风道压力由1.3 kPa瞬间上升至3.97 kPa,43分53秒停止E磨煤机运行。
印尼煤掺烧对超临界630MW机组影响对策谭占臣发布时间:2021-08-17T07:14:02.605Z 来源:《电力设备》2021年第6期作者:谭占臣[导读] 随着国家对煤炭市场的调控,火电厂燃煤保供控价压力增大,而配煤掺烧是降低燃料成本、提高企业经济效益的有效途径,但需做好经济煤种的掺烧安全,尤其掺烧高挥发、低灰分特点的印尼煤种,极易发生自燃,给制粉系统安全运行会造成很大威胁。
为防止掺烧该煤种制粉系统的爆燃异常事件发生,结合我厂的系统状况,特制定出印尼煤的最佳掺烧方案和相关措施,保证机组安全运行。
谭占臣(国能铜陵发电有限公司安徽铜陵 244000)摘要:随着国家对煤炭市场的调控,火电厂燃煤保供控价压力增大,而配煤掺烧是降低燃料成本、提高企业经济效益的有效途径,但需做好经济煤种的掺烧安全,尤其掺烧高挥发、低灰分特点的印尼煤种,极易发生自燃,给制粉系统安全运行会造成很大威胁。
为防止掺烧该煤种制粉系统的爆燃异常事件发生,结合我厂的系统状况,特制定出印尼煤的最佳掺烧方案和相关措施,保证机组安全运行。
关键词:煤炭;燃料成本;印尼煤种;掺烧;着火;结焦引言为降低发电运营成本,煤炭配煤掺烧已成为燃煤电厂挖掘增效的必要举措,某电厂630MW机组锅炉掺烧低灰熔点的运行情况,分析掺烧印尼煤后通过运行参数调整等手段对磨煤机运行的影响,并提出针对性的技术措施,有效避免制粉系统着火爆燃、锅炉结焦等异常情况的发生,最大限度保证锅炉经济运行[1]。
1 概述某电厂两台锅炉由东方锅炉(集团)股份有限公司与东方-日立锅炉有限公司合作设计、联合制造,其型号为 DG1900/25.4-Ⅱ1,型式为超临界参数变压直流本生锅炉,一次再热,前后墙对冲燃烧,单炉膛,尾部双烟道结构,固态排渣,全钢构架,全悬吊结构,平衡通风,露天布置。
每台锅炉配有正压、直吹式制粉系统,6 台 HP-1003型中速磨煤机,燃烧设备系统为前、后墙布置,采用对冲燃烧、旋流式燃烧器系统, F、 A 层(前、后墙下层)八台煤粉燃烧器改造为兼有等离子点火及稳燃功能的燃烧器,燃用设计煤种时5台磨煤机就可以满足锅炉MCR负荷。
发电厂燃用印尼煤常见问题与防范措施苏晓键(广东能源集团有限公司沙角A电厂,广东东莞523936)摘要:印尼煤具有热值低、灰熔点低、水分高、挥发份高的特点。
电厂锅炉燃用印尼煤易出现结焦、堵磨等问题。
现分析了印尼煤煤质特点与锅炉不良运行状况之间的联系,并以电厂300MW机组煤粉炉为例,介绍了电厂锅炉燃用印尼煤的常见问题与防范措施。
关键词:印尼煤;燃煤电厂;锅炉燃烧;堵磨;结焦0引言近年来由于动力煤价格上涨,燃煤电厂的成本也随之上升。
以煤分煤为众多燃煤电厂降低运营、保障动力煤供的有效措施。
,印尼煤低,产,有为电厂煤烧煤。
1印尼煤煤质特点印尼煤于,低,运,低,成为沙角A电厂煤之外的煤。
1为电厂2018年52020年3的印尼煤煤种的煤质值。
表1沙角A电厂2018年5月一2020年3月采购煤种的平均煤质煤种低位发热量/(MJ/kg)硫分/%全水分/%灰分/%挥发份/%/%灰熔点/7印尼煤18.830.3327.45 4.4539.0738.441229煤21.510.8712.3519.3229.3747.611,4431,印尼煤于煤,煤质具有热值低、硫分低、水分高、灰分低、灰熔点低的特点,特点挥发份高、低。
,分灰分低点,而热值低、灰熔点低、水分高印尼煤的点。
2燃用印尼煤的常见问题印尼煤的热值低,机组燃,磨煤机容易出现电机电、电机等障。
机组AGC运行时,,印尼煤达不煤种热值,动煤易堵磨况。
有煤印尼煤例过高,机组不电系,能降。
印尼煤的水分高,易煤的煤煤不,起采用吹制粉系的锅炉波动。
煤煤管堵塞,需减倒换制粉系统。
煤质水分高,原煤进入磨煤机后长间烘干,才能形成煤粉吹出。
但长的烘干间,身水分,印尼煤将被压实。
旧的煤未被烘干吹出磨煤机又有新煤补充,将出现堵磨问题。
提高热风温度能克服一般高水分煤种的易堵磨问题。
但印尼煤具有挥发份高的特点,磨煤机内挥发份与高温空气接触可能爆炸。
高挥发份限制了磨煤机热风温度,无法有效缩短印尼煤磨煤机内的停留间。
300MW火电燃煤机组掺烧印尼煤试验方法及性能优化随着近几年煤价高企和上网电价逐步受控下调,国内燃煤火电厂的效益普遍受到较大影响,运营压力日益增大。
电厂总运营成本中占比最大的就是燃煤成本,所以,降低燃煤成本就成为国内燃煤火电厂控制发电成本的重要方面,为了达到这一目的,国内已经出现部分电厂采用购买成本较低的印尼煤进行掺烧,但所掺烧的印尼煤与原本锅炉的设计煤种往往相差较远,所以燃用相对来说比较劣质的印尼煤在给发电厂带来经济效益的同时也会相应地带来各种负面影响,例如:炉膛结焦情况加剧,制粉系统能耗相应增加,机组效率降低等。
为解决上述问题,当前国内电厂面临的重大问题就是如何确定最佳的燃煤掺烧比例,来保证机组运行安全、稳定、经济。
本研究就是针对上述问题,以广州某300MW燃煤电厂燃煤锅炉掺烧印尼煤项目为对象,进行了包括煤种的选择、煤种的实验室分析、试验对象锅炉的适应性试验和基础性调整,试烧试验的方式和步骤,同时通过试验在制粉系统最大出力、煤粉细度测量、风速测量、一氧化碳含量、着火情况、炉膛温度和结焦情况、石子煤排放、大渣可燃物和飞灰、空预器进出口烟温、排烟含氧量、氮氧化物和二氧化硫排放、锅炉热效率、辅机电耗等方面列举了大量的实测数据,通过对数据的统计整理,研究变化趋势,并逐项进行了分析。
通过大量的现场试验,数据采集和统计分析,针对试验得出的数据和趋势,从安全性、经济性、环保性、适应性等方面的掺烧印尼煤进行了分析,对比了在不同工况下安全性、经济性、环保性、适应性等方面的优劣,分析了原因。
对印尼煤掺烧的运行特性进行了比较深入的研究,对不同的印尼煤种进行测试,为机组长期稳定燃用提供了比较准确的依据。
同时也通过对试验结果进行研究,对试验机组的经济性进行了评估,最终得出了适合电厂的最佳掺烧方式。