330MW机组锅炉燃用印尼煤分析
- 格式:pdf
- 大小:181.44 KB
- 文档页数:2
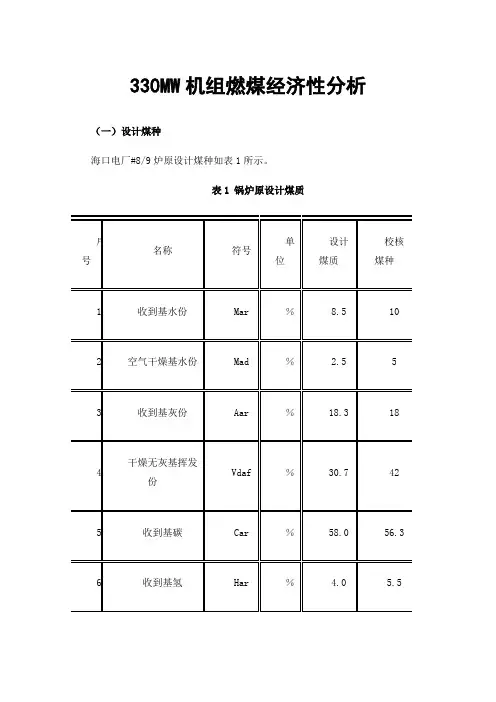
330MW机组燃煤经济性分析(一)设计煤种海口电厂#8/9炉原设计煤种如表1所示。
表1锅炉原设计煤质2017年#8/9炉进行环保超低排放改造时,锅炉主要进行了低氮燃烧器改造、SCR装置提效改造和空预器改造。
由于煤炭市场不稳定,实际入厂煤的煤种波动较大,依据海口电厂近年实际的入厂煤质数据,改造时采用的设计煤种和校核煤种见表2。
表2环保升级改造设计煤质(二)常用煤种根据数据统计,海口电厂近年来常用的煤种为印尼煤(热值在3800~4800kcal/kg范围)、国产混煤(热值5100kcal/kg左右)、另会有少量的俄罗斯煤、蒙煤、菲律宾煤等煤种。
通常印尼煤与国内煤来船计划按3:1比例,每隔2个月来一艘国产煤作为安全煤种和保库存。
并根据实际发电量来调整来煤。
煤种主要边界参数见表3。
表3海口电厂燃煤采购计划煤种(三)燃用不同煤种经济性试验分析1.试验结果分析方法(1)供电总成本计算方法:根据汽机试验的高、中、低负荷段热耗,分别计算出不同负荷段不同煤种的发电标煤耗,再按标煤单价700元/吨计算出发电燃煤成本,加上厂用电、液氨和石灰石成本,减去石膏和灰渣收益,得出供电总成本。
(2)三种煤单位运行消耗性材料(石灰石粉、液氨)按典型的国产煤、中热值印尼煤、低热值印尼煤的消耗取样。
表4不同煤种的运行消耗性材料费用2.高负荷段试验结果分析表5高负荷段计算资料由上表知,在高负荷段,燃用国产煤时的发电煤耗最低、厂用电率最低、锅炉效率最高,燃用印尼煤发电煤耗和厂用电率均上升,锅炉效率降低,而且印尼煤热值越低,发电煤耗、厂用电率、锅炉效率三项指标均越差。
#8、9机组在燃用低热值印尼煤时带不满负荷说明:西安热工院对我厂#8机组协调控制系统进行了优化,通过实验得出磨煤机以下结论:当#8炉磨煤机煤量超过30t/h时,实际入炉煤量变化速度已经不能等同于给煤机给煤量变化量,会造成主汽压力的偏差持续增加,以造成给煤量过调,为确保安全,#8炉单台磨煤机给煤量不大于36t/h。
江苏新海发电有限公司2×330MW 机组锅炉掺烧印尼煤分析及总结刘庆华朱广忠林革摘要介绍了新海发电有限公司2×330 MW机组锅炉掺烧印尼煤的试验情况,针对印尼煤高挥发份、高内水、低热值、低灰分的特性,提出了切实可行的掺烧措施,为2×330 MW锅炉燃烧高挥发分煤种积累了经验,扩大了锅炉燃煤的适应范围。
关键词四角切向燃烧印尼煤高挥发分低热值掺烧前言:江苏新海发电有限公司2×330 MW 机组(#15、#16机组)相继于2005年6月、2005年8月投产,锅炉设计煤种为山西贫煤,可燃基挥发份(Vdaf)在15.64%,低位发热量(Qnet,ar)在21.77MJ/kg。
2×330 MW机组投产后,曾试烧过挥发份较高的神华煤,取得一定成功,并积累了烧高挥发份煤的经验。
随着电力体制的深化改革,电力燃料的供应逐步走向市场化,在2008年1月份,由于自然环境的异常变化,加之交通运力的不足,造成我公司煤碳供应相当紧张,为避免出现无煤停机的局面,公司从港口运进7万多吨高挥发份、高内水、低热值的印尼煤,要求进行掺混配烧,并确保机组安全运行,缓解公司生产压力。
1 设备概况2×330 MW机组锅炉型号:WGZ1100/17.45-4型亚临界、一次中间再热、自然循环汽包炉,生产厂家为:武汉锅炉厂。
制粉系统采用ZGM95G型中速磨煤机、冷一次风机、正压直吹、负压炉膛、平衡通风制粉燃烧系统,配5台磨煤机,其中4台运行,1台备用。
设计煤粉细度R90≤13%。
锅炉采用四角切向燃烧、直流式百叶窗水平浓淡燃烧器。
燃烧器正四角布置,在炉内形成双切圆燃烧,假想切圆分别为Φ890mm 和Φ1206mm。
过热器系统设有两级喷水减温系统,再热蒸汽调温以烟气挡板调节为主,喷水调温为辅助调节手段,在再热蒸汽的进口管道上,装有事故喷水减温器,作为事故紧急喷水用,以保护再热器。
表1 锅炉主要设计参数2 印尼煤特性新海发电有限公司此次掺烧的印尼煤由中港印能源集团有限公司提供, 印尼煤煤质特性:可燃基挥发份(Vdaf)为50.81%,低位发热量为14.94MJ/kg,全硫Sad为0.19%,灰熔点在1150℃左右。
燃用印尼煤的措施一、原煤仓进煤:1. 必须了解印尼煤进仓前水份、粘度、堆放等情况。
2. 五台磨煤机均完好时,印尼煤原则上单机只上一个仓,值长根据制粉系统的情况及负荷来安排上煤,严禁印尼煤上错煤仓。
3. 上印尼煤的煤仓仓位控制在70%左右。
4. 燃运专业加强上煤全过程管理,严格控制“四大块”进行原煤仓。
5. 严禁将已自燃的印尼煤进入原煤仓,在煤仓入口处应配有充足的CO2灭火器材,燃料运行加强对煤仓的检查。
6. 一旦发现煤仓有发热、自燃现象,应即向煤仓内喷入CO2气体,同时通知值长、输煤控制室,向煤仓进挥发份低的煤种,并尽快燃用该仓原煤。
7. 燃运专业应针对输煤系统长期输送印尼煤的情况,制定防止输煤系统火灾、粉尘爆炸事故的措施并严格执行。
二、制粉系统的相关措施:1. 集控人员应了解印尼煤的煤质情况。
2. 使用印尼煤的给煤机就地放好锤子等工具,随时做好敲打疏通落煤管堵煤的准备。
3.加强对磨煤机灭火蒸汽系统的检查,保证自动疏水正常,灭火蒸汽系统处于热备用状态,随时可以正常投用;各台磨煤机的本体、废料箱的消防蒸汽手动门应开启,做好随时投用消防蒸汽的准备。
4. 使用印尼煤的磨煤机除了正常巡查及出石子煤外,其周围严禁无故长时间逗留。
5. 使用印尼煤的磨煤机原则上必须连续运行。
若使用印尼煤的磨煤机需要正常停运(缺陷检修、计划检修、停磨备用等),若条件允许,应安排该磨使用低挥发份煤种运行两个小时后才能停运。
6. 两台炉如有多台磨煤机同时使用印尼煤,由当班值长统筹安排调峰停运的磨煤机。
7. 连续使用印尼煤达一个星期的磨煤机,原则上应更换低挥发份煤种运行不少于两个小时,此项工作由部门根据煤场存煤或来煤情况计划安排。
8. 使用印尼煤的磨煤机启动注意事项:1) 认真检查给煤机、磨煤机没有积煤积粉自燃的现象;2) 启动前先敲打原煤斗落煤管;3) 充分检查磨煤机启动的各项条件均能够具备,通入灭火蒸汽5~10分钟后再通风暖磨,启磨条件满足后应立即启动;4) 暖磨过程应控制四个一次风管温度均不超过75℃;5) 先保持最低给煤量给煤30S后启动磨煤机,防止磨煤机启动时振动大;6) 磨煤机启动时就地观察监护人员应站在靠捞渣侧距磨煤机5米范围外;9. 使用印尼煤的磨煤机正常运行中的注意事项:1) 在保证机组负荷要求的前提下,通过各台磨煤机给煤量、风量的调整,严格控制磨出口温度(四个一次风管温度)均不超过65℃;2) 加强对磨煤机运行参数的监视、调整、分析,控制磨进出口压差稳定,防止磨煤机堵煤;3) 加强对磨煤机各点温度的监视、及时发现异常及时处理;4) 加强对给煤机运行情况的检查,至少每小时就地检查一次,及时发现处理堵煤情况;5) 加强对石子煤出渣过程的管理。
印尼煤的煤质分析:全水分27.74,灰分6,挥发分35.4,硫0.3,低位发热量4278Kcal。
如用流化床锅炉燃烧此煤种,由于灰分太少,无法发挥流化床锅炉的优势,无法有效的传递热量,负荷肯定受影响,建议与其他物料或煤种掺烧。
流化床锅炉的掺烧方式大致有三种:1、在印尼煤中掺烧石英砂,由于石英砂在高温下硬度非常大,会加剧受热面的磨损,最好不要采用。
2、如果贵厂还有链条炉或者附近有其他企业燃烧链条炉,可以将将链条炉渣掺烧到印尼煤中。
链条炉渣的热值可以达到2000 Kcal左右。
3、在印尼煤中掺烧煤矸石,利用煤矸石的高灰分提高混合煤种的灰分比例。
选择一种煤矸石:灰分73,挥发分20,低位发热量2231Kcal。
将70%的印尼煤和30%的煤矸石混合后低位发热量为3664 Kcal,灰分为26.1,挥发分为30.78。
经计算燃烧混合煤的锅炉热效率为88.7%,每小时燃煤量14.9吨(10.4吨印尼煤和4.5吨煤矸石)。
经过混合后的煤种品质可认为烟煤,完全适应471或478型流化床锅炉,但和燃用孟县煤有一些区别:1、燃混合煤(低位发热量为3664 Kcal)的每小时煤量比用孟县煤(低位发热量5850 Kcal)大了60%。
燃用孟县煤时需要适当调整一二次风量,保证煤与空气量相配合适。
2、燃烧不同煤种时循环流化床锅炉主循环回路和尾部对流烟道的热量分配是用区别的。
燃用低挥发分的孟县煤时,炉膛采用了较高的床温,因此进入尾部对流烟道的烟气温度高,携带的热量要比燃用混合煤多。
燃用孟县煤时需要注意过热器气温和喷水量的调整。
济南锅炉厂设计处2010年9月9日根据锅炉专业通过丽村印尼保运人员了解,该煤种由于挥发份高,灰份低在炉子本身的燃烧调整上表现出来的主要特点如下:1、具有较高的燃烧效率,非常容易燃尽,单从挥发份和灰份上讲类似于油页岩。
2、燃用此煤种很难蓄积料层,建立良好的物料循环,需要进行掺伴,1(印尼煤)/5(其他煤种)。
掺烧印尼煤安全性及经济性分析摘要:印尼煤具有低热值、低熔点等特点,合理地掺烧印尼煤可以有效地降低成本的支出,具有极高的经济价值。
基于此,本文首先从制粉系统运行、调温风比例、受热面磨损等方面对掺烧印尼煤安全性进行分析,其次从锅炉效率、耗煤量、排放物成本等方面对掺烧印尼煤经济性进行分析,最后从炉煤热值、掺烧比例、购买成本方面并且结合试验的方法对掺烧印尼煤的经济性进行分析,从而保障印尼煤被合理的使用。
关键词:印尼煤;安全性;经济性;锅炉效率引言:随着电力市场影响压力的增大,为了有效地降低企业的发电成本,提高企业的经济效益,各大企业纷纷尝试新的运营模式,并且对锅炉的燃烧方式进行改进,采用了掺烧印尼煤的燃烧方式,希望能够通过这种办法来降低企业的成本,进而提高企业的经济效益。
1掺烧印尼煤安全性分析1.1制粉系统运行制粉系统是锅炉系统的重要组成部分,往往是安全性影响最大的地方。
为了提高制粉系统的安全性,需要避免制粉系统中出现积粉问题,从而有效地防止爆炸事故的发生。
在制粉系统中,爆炸的地方主要发生在气粉混合较多的区域,如管道、煤粉仓等,在这些区域,煤粉极易发生沉积。
在温度的影响下,将会导致煤粉迅速地氧化,随着时间的推移,当煤粉的温度达到自燃的临界点时,就会引起煤粉发生爆炸,进而导致安全事故的发生。
通过对煤粉的挥发分进行控制可以在很大程度上降低煤粉爆炸的风险,所以在掺烧印尼煤时需要控制好这一物理量。
通常情况下,需要将挥发分的数值控制在20%以下,防止煤粉加热过程中快速分解,这样的煤粉在燃烧过程中更加的稳定,提高锅炉的燃烧效率。
同时在制粉系统中着火后也更加容易扑灭,从而降低制粉系统发生自燃或者爆炸事故[1]。
1.2磨煤机干燥通风量磨煤机的干燥通风量对于锅炉的安全性具有较大的影响,当通风量发生变化时,将会引起风煤比的变化。
当风煤比增大时,煤粉的浓度相对地就会降低,煤粉燃烧过程就会不稳定;当风煤比减少时,煤粉的浓度相对地就会增大,煤粉无法完全被吹出管道,进而导致煤粉在管道发生沉积,存在极大的爆炸隐患。
印尼煤质分析报告1. 引言本报告旨在对印尼煤矿的煤质进行分析和评估。
通过对印尼煤矿的采样和实验室测试,我们将提供详细的煤质数据和分析结果,以帮助您了解该煤矿的煤质特征和潜在用途。
2. 背景印尼作为世界上最大的煤炭出口国之一,具有丰富的煤炭资源。
印尼煤炭多样化,包括褐煤、无烟煤和贫瘠煤等。
煤质数据的准确性和全面性对于煤炭采购和利用非常重要。
3. 实验方法为了获得准确的煤质数据,我们采用了以下实验方法:•采样:按照国际标准方法,在煤矿现场进行采样,并确保样本的代表性。
•试验室分析:采用标准试验方法对煤样进行物理性质和化学组成的测试。
其中包括灰分、挥发分、固定碳、高位发热量等指标的测定。
4. 煤质数据分析根据实验室测试结果,我们得到了以下煤质数据:•灰分:印尼煤矿样本的平均灰分含量为20%左右。
灰分含量高的煤炭通常燃烧产生的灰渣也较多,适用于工业燃料和水泥生产等领域。
•挥发分:印尼煤矿样本的平均挥发分含量为30%左右。
挥发分含量高的煤炭燃烧时产生的热量较高,适用于发电和加热等需要高温的应用。
•固定碳:印尼煤矿样本的平均固定碳含量为40%左右。
固定碳含量高的煤炭燃烧时产生的烟尘较少,适用于工业锅炉和冶金炉等对环境要求较高的领域。
•高位发热量:印尼煤矿样本的平均高位发热量为5500大卡/千克左右。
高位发热量高的煤炭具有较高的燃烧效率,适用于发电和工业加热等高能耗领域。
5. 煤质评估根据以上煤质数据分析,印尼煤矿样本具有以下特点和潜在用途:•适用于工业燃料:由于平均灰分含量较高,该煤炭适用于工业燃料和水泥生产等领域,可以提供稳定的热量和较多的灰渣。
•适用于发电:由于平均挥发分含量较高,该煤炭适用于发电行业,可以提供较高的热量,并满足发电厂对煤质的要求。
•适用于环保要求高的领域:由于平均固定碳含量较高,该煤炭适用于工业锅炉和冶金炉等对环境要求较高的领域,可以减少烟尘排放。
•适用于高能耗行业:由于平均高位发热量较高,该煤炭适用于发电和工业加热等高能耗领域,可以提供高效的燃料。
万方数据万方数据屋岛它景分析与探讨GUANGⅪDIAl、YE图1燃烧器一、二次风间隔布置简图2.2.3燃烧器改用一次风喷口集中布置方式根据燃用无烟煤及劣质贫煤的实践经验,燃烧器一般都采用一次风集中布置方式。
l号炉燃烧器改造是将两层一次风喷VI集中布置,并采用一次风切圆对冲布置,而二次风喷口采用分层布置方式,由于一次风在向火面,一次风可以直接吸收上游射流的辐射和湍流传热,二次风布置在一次风的外侧,可减缓一次风气流的刷墙程度。
一次风集中布置方式由于燃烧集中,煤粉浓度较高,所需着火热小,着火条件好,相对提高了着火区温度,有利于保持较高的炉温。
二次风采用分层布置,一、二次风喷口保持较大的距离,以推迟一、二次风混合,待一次风煤粉气流着火稳定后再高速喷入二次风,使二次风卷吸的高温烟气与煤粉气流强烈扰动混合,有利于在燃烧器出口某一位置形成局部的“三高”区(高氧量、高温度、高煤粉浓度),使煤粉尽量燃烧完全,大大减少了不完伞燃烧产生的还原性气氛及炉膛结焦,因而一次风集中布置适用于低挥发分、难着火及难以燃尽的劣质烟煤,2号炉目前采用的燃烧器布置方式(如图l所示)只适用于燃烧挥发分较高的烟煤,根据该厂来煤的实际情况,应将2号炉的燃烧器改为一次风集中布置方式。
3结束语由以上分析可知,合山电厂影响供电煤耗最大的因素是锅炉热效率偏低及汽机热耗高,其中尤以提高锅炉热效率的潜力为最大。
而提高锅炉热效率的潜力主要在降低飞灰可燃物上。
飞灰可燃物含量每降低1%,锅炉热效率可提高约0.72~0.75%,锅炉热效率每提高1%,发电标准煤耗就下降3.89/kwh左右,按照电厂燃用的劣质烟煤,飞灰可燃物含量月平均值能控制在3%左右,锅炉热效率可提高1.5%~2%,达到90.5%~91%,如主再热汽温、给水温度、凝结器真空及机组负荷接近或达到设计值运行,汽机热耗可控制在8000kJ/kWh以下,若厂用电率控制在9.O%左右,则发电标准煤耗月平均值可降至333.5—3359/kWh左右,从而达到国内同类型机组平均水平。
中速磨燃用印尼煤种爆燃原因及防爆措施浅析黄辉;符俊平;田新荆;张彪;周淼【摘要】A 660MW supercritical boiler is used in a plant in Indonesia. High volatile bituminous Indonesian coal with medium speed milling is used in the boiler. The pulverized coal explosion has happened in the process of starting again after the abnormal trip of coal mill. For this, the deflagration causes of pulverized coal of the coal mill are analyzed by the operation, and the measures to prevent the pulverized coal deflagration for this kind of coal mill are put forward.%针对印尼某厂660MW级超临界锅炉采用中速磨燃用高挥发份印尼煤种时发生的两次磨煤机异常跳闸后再次启动过程中煤粉爆燃事故,从运行操作角度分析了磨煤机煤粉爆燃原因,并提出防止此类磨煤机煤粉爆燃的措施。
【期刊名称】《价值工程》【年(卷),期】2017(036)004【总页数】3页(P131-132,133)【关键词】中速磨;印尼煤;煤粉爆燃【作者】黄辉;符俊平;田新荆;张彪;周淼【作者单位】国网湖北省电力公司电力科学研究院,武汉430077;国网湖北省电力公司电力科学研究院,武汉430077;国网湖北省电力公司电力科学研究院,武汉430077;国网湖北省电力公司电力科学研究院,武汉430077;国网湖北省电力公司电力科学研究院,武汉430077【正文语种】中文【中图分类】TM621印尼某厂660MW超临界机组采用超临界变压直流炉,锅炉由东方锅炉股份有限公司设计、生产、制造,并采用一次再热、单炉膛、前后墙对冲燃烧方式、尾部双烟道结构、挡板调节再热汽温、固态排渣、平衡通风、装型布置。
Shebei Guanli yu Gaizao♦设备管理与改造某磨煤机爆燃原因分析及控制措施梁远(茂名臻能热电有限公司,广东茂名525000)摘要:某电厂600MW机组燃用印尼煤的磨煤机在启动过程中出现爆燃事故,造成磨煤机一次风入口防爆门撕裂,严重威胁机组运行安全。
通过对磨煤机出口温度、排渣箱漏风、粉管堵塞、一次风室堵煤等因素进行分析,得出原煤携带的金属与磨盘发生摩擦产生火花点燃煤粉造成爆燃的,出的,粉的运行供了依据。
关键词:磨煤机;制粉;爆燃;挥发分;出口温度;控0引言粉系统是燃煤电厂主要机之一,其运行稳定的燃 中粉燃造磨煤机,威胁安全,,防燃磨煤机运行要的防[煤的、煤热解的磨煤机热风与煤粉的热,防出现爆燃事故磨煤机的出口温度,过的出口温度限粉的,且防爆燃叭某厂600MW机组燃用印尼煤的磨煤机爆燃事故,分析磨煤机煤粉爆燃与磨煤机出口温度等要素的,发生爆燃的原因,出有效的°1系统介绍及煤种参数某厂600MW机组锅炉型号为DG1920/25.4-!6型,制粉用ZGM113中磨煤机,一次风,对后对燃[磨煤机1[煤煤,燃印尼煤,分析全30.9%,10.08%,灰分2.27%,挥发分43.09%,固定碳43.69%。
落1------次风机;2—(—次风隔绝门;3—(—次风调节门;4—热一次风隔绝门;5—热一次风调节门;6—热一次风调整总门;7—膨胀节;8—排渣箱;9—8压落渣门;10—出□粉管.图1磨煤机系统2事故过程及原因分析某日2031,F给煤机减速箱检修后启动F制粉系统,20:36吹扫5min后启动磨煤机运行,此时出口温度729,风量77t/h, 20:44运行8min后磨煤机入口温度208<,风量80t/h,出口温度80=。
磨煤机发生巨响,出口温度快升高,运行人员迅判断为磨煤机爆燃,投入消防蒸汽,急停磨煤机。
就地检发现入口一次风防爆门动作,焊处撕裂。
磨煤机爆燃时的参数变化表1。
从爆燃时磨煤机进出口差的变化可以看出,差先上升下,且入口一次风力的变化先磨煤机上下碗差磨煤机分离器出口压力,可判断爆燃发生在磨碗近,产生的力波传递到磨煤机出口使得出口力上升,同时将磨煤机出口空气送进膛,磨煤机出口温度下,随后磨碗处煤粉被点燃使得磨煤机出口温度快速上升。
3800卡印尼煤指标一、引言随着全球能源需求的日益增长,煤炭作为主要的能源来源之一,其品质和性能指标备受关注。
在众多煤炭出口国中,印尼凭借其丰富的煤炭资源和优越的地理位置,成为了全球煤炭市场的重要供应国。
其中,3800卡印尼煤更是因其稳定的品质和良好的燃烧性能,受到了广泛欢迎。
本文将对3800卡印尼煤指标进行专业分析,帮助读者更深入了解这一产品的特点和应用价值。
二、3800卡印尼煤指标解析1.热量指标:3800卡印尼煤的热量指标非常稳定,这意味着这种煤炭在燃烧过程中能够提供持续、稳定的热能输出。
这种特性使得3800卡印尼煤成为发电、工业锅炉和其他需要大量热能应用的理想选择。
2.含硫量:低含硫量是3800卡印尼煤的另一个重要指标。
硫是煤炭中的有害元素,含量过高不仅会对环境造成污染,还会对煤炭的燃烧性能产生负面影响。
3800卡印尼煤的含硫量较低,有利于减少燃烧过程中硫化物的排放,符合环保要求。
3.灰分与挥发分:灰分是指煤炭燃烧后剩余的不可燃部分,而挥发分则是煤炭在加热过程中会产生的可燃气体。
适当的灰分和挥发分含量可以提高煤炭的燃烧效率和热值。
3800卡印尼煤在这两方面表现良好,能够在保证热量输出的同时,减少不必要的浪费和污染。
4.水分:水分是影响煤炭品质和运输的重要因素。
水分含量过高会导致煤炭质量下降,同时也增加了运输成本。
3800卡印尼煤的水分含量较低,保证了其优良的品质和运输效率。
三、应用价值与市场前景1.电力行业:作为发电的主要燃料,3800卡印尼煤的稳定品质和高效燃烧性能能够满足大型电厂的需求。
它不仅保证了发电效率,还降低了运营成本和维护难度。
随着全球能源结构的调整和新能源的开发利用,传统能源仍将在一段时间内占据主导地位。
而高品质的煤炭资源对于电力行业来说至关重要,3800卡印尼煤凭借其优秀的品质指标和合理的价格,将在全球电力市场占据一席之地。
2.工业领域:除了电力行业,3800卡印尼煤在工业领域也有着广泛的应用。
掺烧印尼褐煤对机组经济性的影响研究摘要:本文分析了掺烧印尼褐煤对制粉系统和运行安全性的影响,包括风温、风量、风煤比等参数的变化,以及结渣、沾污、自燃、爆炸等现象的发生。
采用了实验和理论相结合的方法,对不同掺混比例和燃烧方式下的制粉系统和运行安全性进行了评估,并提出了相应的优化措施。
研究结果表明,掺烧印尼褐煤可以提高锅炉效率和降低耗煤量,但也会增加制粉系统的电耗和排放物成本,以及运行安全性的风险。
因此,掺烧印尼褐煤需要根据具体情况合理选择掺混比例和燃烧方式,以达到经济性和安全性的平衡。
关键词:掺烧印尼褐煤;机组经济性;影响0引言印尼褐煤是一种含硫、含灰、挥发分高的低品位煤,具有丰富的储量和低廉的价格,但印尼褐煤的水分较高,导致其低位发热量较低,因此需要增加风量和风温来保证其干燥和输送。
这样会增加制粉系统的电耗,并可能引起制粉机组的自燃或爆炸事故。
此外,由于印尼褐煤的灰分较高,且含有较多的碱金属元素,会促进锅炉受热面的结渣和沾污现象。
这些现象不仅会影响锅炉效率和耗煤量,还会增加锅炉受热面的损坏风险。
因此,如何评估并优化掺混印尼褐煤对制粉系统和运行安全性的影响,是一个值得深入探讨的问题。
1掺烧印尼褐煤对锅炉效率和排放物成本的影响掺烧印尼褐煤对锅炉效率的影响主要体现在排烟温度、散热损失、未完全燃烧损失等方面。
由于印尼褐煤的水分高、发热量低、灰熔点低等特性,会导致锅炉的排烟温度升高,散热损失增大,未完全燃烧损失增加,从而降低锅炉的效率[1]。
根据计算公式,锅炉效率可以表示为:η=100%−∑Q i其中,η为锅炉效率,Q i为各项热损失。
可知,排烟温度是影响锅炉效率的一个重要因素,排烟温度越高,排烟热损失越大,锅炉效率越低。
以排烟温度为例,排烟温度每上升10℃,锅炉效率就会下降0.6-0.8%。
掺烧印尼褐煤对排放物成本的影响主要体现在SO2、NO x等方面。
由于印尼褐煤的含硫量低、挥发分高等特性,会导致SO2和NO x的排放量减少,从而节约排放物处理费用。