装配式钢筋混凝土简支梁桥的构造与设计.
- 格式:pdf
- 大小:586.23 KB
- 文档页数:7
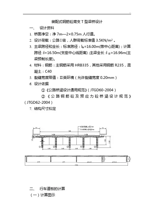
装配式钢筋砼简支T型梁桥设计一、设计资料1.桥面净空:净7m—2×0.75m人行道。
2.设计荷载:公路I级,人群荷载标准值3.5KN/m2 。
3.主梁跨径和全长:标准跨径:l b=16.00m(墩中心距离);计算跨径:l=16.50m(支座中心线距离);主梁全长:l全=16.96m(主梁预制长度)。
4.材料:钢筋:主钢筋采用HRB335,其他采用钢筋R235,混凝土:C405.裂缝宽度限值:Ⅱ类环境(允许裂缝宽度0.20mm)6.设计依据①《公路桥涵设计通用规范》(JTGD60-2004)②《公路钢筋砼及预应力砼桥涵设计规范》(JTGD62-2004)7.结构尺寸拟定二、行车道板的计算(一)计算图示考虑到主梁翼缘板在接缝处沿纵向全长设置连接钢筋,故行车道板可按两端固定和中间铰接的板计算,见图(二)永久荷载及其效应1.每延米板上的横载g沥青混凝土层面:g1=0.02×1.0×23=0.46(KN/m)C30混凝土垫层:g2=0.09×1.0×24=2.16(KN/m)T梁翼缘板自重g3=0.11×1.0×25=2.75(KN/m)每延米跨宽板恒载合计:g=∑gi=5.37KN/m2.每米宽板条的恒载内力弯矩:M Ah=-21×5.37×(218.060.1-)2=-1.35(KN/m)剪力:V Ah=2)'(blgb-=5.37×218.060.1-=3.81(KN)3.车辆荷载产生的内力公路—I级:以重车后轮作用于绞缝轴线上为最不利位置,此时两边的悬臂板各承受一半的车轮荷载。
按照《公路桥涵设计通用规范》知后车轮地宽度b 2及长度a 2为a 2=0.2mb 2=0.6m顺行桥向轮压分布宽度:a 1=a 2+2H=0.2+2×0.11=0.42(m) 垂直行车方向轮压分布宽度:b 1=b 2+2H=0.6+2×0.11=0.82(m) 荷载作用于悬臂根部的有效分布宽度: a=a 1+1.4+2l 0=0.42+1.4+2×0.71=3.24(m) 冲击系数:1+μ=1.3作用于每米板宽条上的弯矩为:M Ap =-(1+μ)aP4(l 0-41b )×2=-1.3×24.3235 (0.71-482.0)=-14.18(KN/m)作用于每米板宽条上的剪力为: V Ap =(1+μ)a P 42=1.3×24.370=28.09(KN) 4.基本组合 恒+汽:1.2M Ah +1.4M Ap =-1.2×1.35-1.4×14.18=-1.62-19.85=-21.47(KN/m ) 1.2V Ah +1.4V Ap =1.2×3.81+1.4×28.09=4.57+39.33=43.90(KN)故行车道板的设计作用效应为:M A =-21.47(KN/m ) V A =43.90(KN)(三)截面设计、配筋与强度验算悬臂板根部高度h=14cm ,净保护层a=2cm 。
13M装配式钢筋混凝土简支T型梁桥装配式钢筋混凝土简支型梁桥计算题目:装配式钢筋混凝土简支T梁桥计算一、基本设计资料1.跨度和桥面宽度(1)标准跨径:13m(墩中心距)。
(2)计算跨径:12.6m。
(3)主梁全长:12.96m。
(4)桥面宽度(桥面净空):净-9+2×0.75m2.技术标准设计荷载:公路—II级,人行道和栏杆自重线密度按照单侧6kN/m计算,人群荷载为3kN/㎡。
环境标准:I类环境。
设计安全等级:二级。
3.主要材料(1)混凝土:混凝土简支T形梁及横梁采用C50混凝土;桥面铺装上层采用0.03m沥青混凝土,下层为厚0.06~0.13m的C30混凝土,沥青混凝土重度按23kN/3m计。
m计,混凝土重度按25kN/3(2)刚材:采用R235钢筋、HRB335钢筋。
4.构造形式及截面尺寸如图8-1所示,全桥共由5片T形梁组成,单片T形梁高为1.4m,宽1.8m;桥上横坡为双向2%,坡度由C30混凝土桥面铺装控制;设有五根横梁。
(五)设计依据(1)《公路桥涵设计通用规范》(JTG D60-2004),简称“桥规”(2)《公路钢筋混凝土及预应力混凝土桥涵设计规范》(JTG 62-2004),简称“公预规”(3)《公路工程技术标准》(JTG B01-2003)(六)参考资料(1)结构设计原理:叶见曙,人民交通出版社(2)桥梁工程:姚玲森,人民交通出版社(3)公路桥梁设计手册《梁桥》(上、下册)人民交通出版社(4)桥梁计算示例丛书《混凝土简支梁(板)桥》(第三版)易建国主编。
人民交通出版社;(5)《钢筋混凝土及预应力混凝土简支梁结构设计》闫志刚主编,机械工业出版社。
二、 主梁的计算1、 主梁的荷载横向分布系数1.跨中荷载横向分布系数(按G-M 法)承重机构的宽跨比为:B/L=12/12.6=0.95(1)主梁的抗弯及抗扭惯矩Ix 和ITX1)求主梁截面的重心位置 (图2)xa翼缘板厚按平均厚度计算,其平均板厚度为:h1=1/2(10+16)=13cm 则1813011)18160(21001810021313)18220(⨯+⨯-⨯⨯+⨯⨯-=x a=24.19cm2)抗弯惯性矩Ix 为:42423231078.35501.3557834)19.242100(1001810018121)21319.24(13)18220(13)18220(121[m cm I X -⨯==-⨯⨯+⨯⨯+-⨯⨯-+⨯-⨯=对于T 形梁截面,抗扭惯性矩可近似按下式计算T 形抗扭惯矩近似等于各个矩形截面的抗扭惯矩之和,即: ITX=∑3ii i t b c式中:Ci 为矩形截面抗扭刚度系数(查附表1);ti t2/b2=0.18/(1.3-0.11)=0.151,c2=0.301 故 ITX=1.6×0.113/3+0.301×1.19×0.183 =0.71×10-3=2.80×10-3m4 单位抗弯及抗扭惯矩:JX=Ix/b=6.628×10-2/160=4.142×10-4m4/cm JTX=ITx/b=2.280×10-3/160=3.15×10-5m4/cm(2)计算抗扭修正系数β:221112Ti it it Gl I E a I β=+∑∑计算得β=0.99(3)按修正的刚性横梁法计算横向影响线竖坐标值5211i ij i i a e na ηβ==+∑式中,n=5,521ii a=∑=48.4m2ij η表示单位荷载p=1作用于J 号梁轴上时,i 号梁轴上所受的作用。
装配式混凝土简支T 型梁桥设计目录装配式钢筋砼简支T 型梁桥设计 (2)主梁设计 (3)一、结构尺寸拟定 (3)二、主梁内力计算 (6)(一)主梁的荷载弯矩横向分布系数 (6)(二)、内力计算 (12)1.恒载内力 (13)2、活载内力计算 (14)三、截面设计、配筋与验算。
(19)1)截面设计 (19)2)截面复核 (20)4)跨中截面的纵向受拉钢筋计算 (21)5)腹筋设计 (21)(4)箍筋设计 (22)(5)弯起钢筋及斜筋设计 (23)(6)斜截面抗剪承载力的复核。
(27)四、裂缝宽度验算 (28)五、变形验算 (29)装配式钢筋砼简支T 型梁桥设计(一)设计资料1、装配式钢筋混凝土简支 T 型梁桥设计(1)桥面净空净—9+2×1m 人行道(二)设计荷载公路-I 级和人群荷载标准值为 3 kN m2(三)主梁跨径和全长标准跨径:lb=16.00 m (墩中心距离);计算跨径:l =15.50 m (支座中心距离);主梁全长:l全=15.96 m (主梁预制长度)。
(四)材料钢筋:主钢筋采用 HRB335,其它用钢筋采用 R235混凝土:C40(五)缝宽度限值:Ⅱ类环境(允许裂缝宽度 0.02mm)。
(六)设计依据①《公路桥涵设计通甩规范》(JTGD60-2004)②《公路钢筋混凝土及预应力混凝土桥涵设计规范》(JTGD62-2004)主梁设计一、结构尺寸拟定①主梁截面尺寸:根据《公路桥涵设计通用规范》(JTGD60-2004),梁的高跨比的经济范围在1/11 到1/16 之间,此设计中标准跨径为16m,拟定采用的梁高为1.60m,翼板宽1.7m,腹板宽0.18m。
②主梁间距和主梁片数:桥面净空:净—9+2×1.0m 人行道,采用7 片T 型主梁标准设计,主梁间距为 1.70m。
二、行车道板计算计算如图所示的 T 梁翼板,荷载为公路一级,桥面铺装为 9cm(计算行车道板安全考虑)的沥青混凝土和 8cm 的C40 混凝土垫层。
课程编号:021141《桥梁工程》课程设计大纲2周2学分一、课程设计性质、目的及任务桥梁工程课程设计是土木工程专业交通土建专业方向重要的实践性教学环节,是学生修完《桥梁工程》课程后对梁式桥设计理论的一次综合性演练。
其目的是使学生深入理解梁式桥的设计计算理论,为今后独立完成桥梁工程设计打下初步基础。
其任务是通过本次课程设计,要求熟练掌握以下内容:1.梁式桥纵断面、横断面的布置,上部结构构件主要尺寸的拟定。
2.梁式桥内力计算的原理,包括永久作用的计算、可变作用的计算(尤其是各种荷载横向分布系数的计算)、作用效应的组合。
3.梁式桥纵向受力主筋的配置、弯起钢筋和箍筋的配置,以及正截面抗弯、斜截面抗剪、斜截面抗弯和挠度的验算,预拱度的设置。
4.板式橡胶支座的设计计算。
二、适用专业交通土建专业三、先修课程材料力学、弹性力学、结构力学、结构设计原理、地基与基础工程、交通规划与道路勘测设计、道路工程、桥涵水力水文四、课程设计的基本要求本设计为装配式钢筋混凝土简支T型梁桥设计(上部结构),其下部结构为重力式桥墩和U型桥台,支座拟采用板式橡胶支座。
学生在教师的指导下,在两周设计时间内,综合应用所学理论知识和桥梁工程实习所积累的工程实践经验,贯彻理论联系实际的原则,独立、认真地完成装配式钢筋混凝土T型梁桥的设计。
基本要求为:计算书应内容完整,计算正确,格式规范,叙述简洁,字迹清楚、端正,图文并茂;插图应内容齐全,尺寸无误,标注规范,布置合理。
五、课程设计内容1.题目:装配式钢筋混凝土简支T形梁桥设计(上部结构)2.基本资料(1)桥面净空:净—9+2×1m(2)永久荷载:桥面铺装层容重γ=23kN/m³。
其他部分γ=25kN/m²。
(3)可变荷载:汽车荷载,公路-Ⅰ级(或Ⅱ级),人群荷载2.5kN/m²;人行道+栏杆=5kN/m²。
(4)材料:主筋采用Ⅱ级钢,其他用Ⅰ级钢,混凝土标号C40。
装配式钢筋混凝土简支T形梁桥课程设计一、设计资料1、桥面净宽:净+2×(防撞护栏)。
2、主梁跨径和全长标准跨径:Lb=(墩中心距离)。
计算跨径:L=(支座中心距离)。
预制长度:L’=(主梁预制长度)。
3、设计荷载公路-II级,人群荷载:m2材料规格内容钢筋HRB335(原Ⅱ级)主梁主筋、弯起钢筋和架立钢筋R235(原Ⅰ级)箍筋混凝土C40主梁C20桥面铺装丶防撞护栏5、结构尺寸横隔梁5根,肋宽15cm。
桥梁纵向示意图6、计算极限状态法7、设计依据1.《公路工程技术标准》,(JTGB 01-2003);2.《公路桥涵设计通用规范》,(JTG D60-2004);3.《公路圬工桥涵设计规范》(JTG D61-2005);4.《公路钢筋砼及预应力砼桥涵设计规范》,(JTG D62-2004); 5.《公路桥涵地基与基础设计规范》,(JTG D63-2007);6.《公路钢筋砼及预应力砼桥涵设计规范》, JTGD62-2004);7.《桥梁工程》(上、下册),范立础编;人民交通出版社 8.周念先编,《桥梁方案比选》9.范立础编,《预应力混凝土连续梁桥》 10.林元培编,《斜拉桥》 人民交通出版社 11.《公路桥梁设计从书》 人民交通出版社12. 陈忠延编,《土木工程专业毕业设计指南(桥梁工程专业)》 13.叶见曙编《结构设计原理》人民交通出版社 14.其他教材和参考书。
二、行车道板的计算 (一)计算模式行车道板按照两端固定中间铰接的板来计算 (二)荷载及其效应 1.每延米板上的恒载个g沥青表面处置:10.02 1.0230.46/g kN m =⨯⨯= 混凝土垫层: 20.09 1.025 2.25/g kN m =⨯⨯= T 梁翼缘板自重:30.13 1.025 3.25/g kN m =⨯⨯=每延米跨宽板恒载合计:1230.46 2.25 3.25 5.96/g g g g kN m =++=++= 2.永久荷载产生的效应弯矩:22min,011 1.840.185.96() 2.05222g M gl kNm -=-=-⨯⨯=-剪力:0 5.960.83 4.95Ag Q gl kN ==⨯= 3.可变荷载产生的效应以重车后轮作用于绞缝轴线上为最不利布置,此时两边的悬臂板各承受一半的车轮荷载根据《公路桥涵设计通用规范》条后轮着地宽度2b 及长度2a 为:m a 2.02= m b 6.02=顺行车方向轮压分布宽度:1220.220.110.42a a H m =+=+⨯=垂直行车方向轮压分布宽度:1220.620.110.82b b H m =+=+⨯=荷载作用于悬臂根部的有效分布宽度101.420.4 1.420.83 3.48a a l m =++=++⨯= 根据《公路桥涵设计通用规范》条,局部加载冲击系数:3.11=+μ 作用于每米宽板条上的弯矩为:1min,02800.82(1)() 1.3(0.83)16.34/444 3.44p b P M l kN m a μ=-+-=-⨯⨯-=-⨯作用于每米宽板条上的剪力为:280(1) 1.326.1544 3.4sp P Q kN a μ=+=⨯=⨯ 4.基本组合根据《公路桥涵设计通用规范》条 承载力极限状态内力组合计算 基本组合:1.2 1.4 1.2(2.05) 1.4(16.34)25.34/ud Ag Ac M M M kN m =+=⨯-+⨯-=-故行车道板的设计作用效应为:25.34/ud M kN m =- 42.55ud Q kN =正常使用极限状态内力组合计算 短期效应组合:()0.7 2.050.716.3413.489Ag Ac Msd M M =+=-+⨯-=-/kN m0.7 4.950.726.1523.26Ag AP Qsd Q Q =+=+⨯=/kN m(三)截面设计、配筋与强度验算 1.界面设计与配筋悬臂板根部高度16h cm =,净保护层2a cm =。
装配式钢筋砼简支T型梁桥设计一、设计资料1.桥面净空:净7m—2×0.75m人行道。
2.设计荷载:公路I级,人群荷载标准值3.5KN/m2 。
3.主梁跨径和全长:标准跨径:l b=16.00m(墩中心距离);计算跨径:l=16.50m(支座中心线距离);主梁全长:l全=16.96m(主梁预制长度)。
4.材料:钢筋:主钢筋采用HRB335,其他采用钢筋R235,混凝土:C405.裂缝宽度限值:Ⅱ类环境(允许裂缝宽度0.20mm)6.设计依据①《公路桥涵设计通用规范》(JTGD60-2004)②《公路钢筋砼及预应力砼桥涵设计规范》(JTGD62-2004)7.结构尺寸拟定二、行车道板的计算(一)计算图示考虑到主梁翼缘板在接缝处沿纵向全长设置连接钢筋,故行车道板可按两端固定和中间铰接的板计算,见图(二) 永久荷载及其效应 1.每延米板上的横载g沥青混凝土层面:g1=0.02×1.0×23=0.46(KN/m ) C30混凝土垫层:g 2=0.09×1.0×24=2.16(KN/m) T 梁翼缘板自重g 3=0.11×1.0×25=2.75(KN/m) 每延米跨宽板恒载合计:g=∑gi =5.37KN/m 2.每米宽板条的恒载内力 弯矩:M Ah =-21×5.37×(218.060.1-)2=-1.35(KN/m) 剪力:V Ah =2)'(b l g b -=5.37×218.060.1-=3.81(KN) 3.车辆荷载产生的内力公路—I 级:以重车后轮作用于绞缝轴线上为最不利位置,此时两边的悬臂板各承受一半的车轮荷载。
按照《公路桥涵设计通用规范》知后车轮地宽度b 2及长度a 2为a 2=0.2mb 2=0.6m顺行桥向轮压分布宽度:a 1=a 2+2H=0.2+2×0.11=0.42(m) 垂直行车方向轮压分布宽度:b 1=b 2+2H=0.6+2×0.11=0.82(m) 荷载作用于悬臂根部的有效分布宽度: a=a 1+1.4+2l 0=0.42+1.4+2×0.71=3.24(m) 冲击系数:1+μ=1.3作用于每米板宽条上的弯矩为:M Ap =-(1+μ)aP4(l 0-41b )×2=-1.3×24.3235 (0.71-482.0)=-14.18(KN/m) 作用于每米板宽条上的剪力为: V Ap =(1+μ)aP42=1.3×24.370=28.09(KN)4.基本组合 恒+汽:1.2M Ah +1.4M Ap =-1.2×1.35-1.4×14.18=-1.62-19.85=-21.47(KN/m )1.2V Ah +1.4V Ap =1.2×3.81+1.4×28.09=4.57+39.33=43.90(KN) 故行车道板的设计作用效应为:M A =-21.47(KN/m ) V A =43.90(KN)(三)截面设计、配筋与强度验算悬臂板根部高度h=14cm ,净保护层a=2cm 。
(1)主梁、横隔梁的构造布置主梁、横隔梁的构造布置主要是决定主梁间距和横隔梁尺寸。
对钢筋混凝土简支T形梁来说,主梁间距一般取1.60- 2.20m。
按照横隔梁的作用,一般在跨端和跨间处必须设置横隔梁,跨间横隔梁对主梁的荷载横向分配起主要作用,所以一般建议横隔梁应是奇数设置,而且当主梁横向为刚性连接时,横隔梁在纵轴向间距不应大于10m。
跨端横隔梁对保证装配梁体运输到安装过程中的稳定性和主梁的抗扭能力是非常必要的。
横隔梁一般做成板肋式,肋宽常用0.12 -0. 20m,预制时做成上宽下窄和内宽外窄的楔型,以便脫模工作。
横隔梁高度可取为主梁高度的3/4左右,也有把横隔梁做成与主梁一样高,使运输与安装的稳定性更好。
(2)主梁横断面布置横断面布置主要是主梁片数、主梁间距、主梁高度和主梁细部尺寸等的确定。
a.主梁间距与主梁片数对一定桥面宽度而言,主梁间距小,主梁片数就多,T梁翼板挑出亦短;反之,主梁间距大,主梁片数就少,T梁翼板挑出亦长。
如何选择,要综合考虑以下几方面的问题:·钢筋、混凝土等材料用量最经济;∙·主梁片数尽可能地少,以减少预制工作量;∙·预制T梁不宜过重,要考虑施工单位常规的吊装能力;∙·要考虑T梁翼板刚度及结构协调等因素。
一般来说,如果没有起重能力的限制,对跨径较大的桥,主梁片数适当减少,材料用量比较经济,且可减少预制工作量,缩短工期,这对多跨简支T形梁桥有很大的经济价值。
但是,必须要注意到T梁翼板(桥面板)不宜挑出过大,翼板悬臂端挠度过大,会引起桥面在T梁接缝处的纵向裂缝,直接影响桥梁的使用寿命,这个因素在无横隔梁的装配式钢筋混凝土简支T形梁中为严重,而且也是目前不再采用无横隔梁的装配式钢筋凝土简支T形梁的一个重要原因。
增设横隔梁,这种裂缝可以避免或减小。
然而在较大跨径中,横隔梁间距不宜过大。
b.主梁高度与主梁细部尺寸桥跨如果不受建筑高度的限制,主梁高度高一些可以节约钢筋配筋量。
公路桥梁课程设计--装配式钢筋混凝土简支T形梁桥设计目录一.设计课题二. 设计目的三. 设计资料四. 设计参考书五. 设计内容:(一)行车道板的计算:1.结构自重及其内力计算2.汽车荷载作用计算3.内力组合4.翼缘板截面配筋5.截面复核(二)主梁的计算:1.结构自重产生的内力2 .汽车荷载和人群荷载计算3..汽车荷载和人群荷载汇总(三)主梁内力组合:1.内力汇总2.主梁配筋3.主梁配筋截面复核(四)横隔梁内力计算:1.群定计算荷载2.绘制内力影响线3.确定横隔梁设计内力一.设计课题:装配式钢筋混凝土简支T 形梁桥设计。
二.设计目的:通过本课程设计,使学生掌握荷载横向分布系数的计算、内力计算,切实掌握《桥梁工程》的主要理论知识,对中、小型桥梁的构造原理和设计计算方法有进一步的理解,培养动手、设计能力,对最新桥涵设计规范的运用更加熟练,能独立完成钢筋混凝土T 梁梁桥的设计。
三.设计资料:一级公路,双向六车道,单向车道(采用分离式),设计速度100km/h ,要求设有人行道。
(1) 主要设计指标:1. 荷载等级:汽车荷载为公路—Ⅰ级,人群荷载取3.0KN/2M 桥面净空:车道宽+安全宽+人行道=3.75×3+0.5×2+1=1.25m2. 标准跨径:K L =20M3. 计算跨径:0L =19.5M (2) 资料1. 钢筋:主钢筋,弯起钢筋和架立钢筋用HRB400钢筋,其它用R235钢筋。
2. 钢筋混凝土:主梁用35C 混凝土,桥面铺装用25C 混凝土(重度为24KN/3M ,沥青混凝土重度23KN/3M ).(3)安全等级:一级四.设计参考书:《公路桥涵设计通用规范》(JTGD60-2004)人民交通出版社北京《桥梁工程》李辅元人民交通出版社《混凝土简支梁(板)桥》易建国,人民交通出版社《公路钢筋混凝土及预应力混凝土桥涵设计规范》(JTGD62-2004)人民交通出版社北京《公路桥涵钢筋混凝土受弯构件的计算》李美东,中国水利水电出版社,知识产权出版社五.设计内容结构尺寸,主梁的高度与梁的间距,活载大小等相关,对于跨径为20M的设计桥梁高采用1.5M,高跨比为1/11—1/16,而梁肋宽为180MM,桥面净宽13.25M,即设计6片梁,梁的翼缘板宽为b=2200mm,f翼缘板端部宽80mm,翼缘板根部宽140mm,横隔梁高度为主梁高度的3/4,即h横=3/4×1.5m≈1.1m,横隔梁的间距为4850mm,横隔梁的肋横断面图(单位:mm)纵断面图(单位:mm)宽上部为160mm,下部为150mm,具体图示如下:(一)行车道板的计算1.设计一座梁式装配式钢筋混凝土T 形简支梁截面如上图,计算跨径19.5m ,桥面净宽11.25+2×0.5+1m ,桥面铺装2cm 的沥青表面处治(重力密度为23KN/3M )和平均9cm 厚混凝土层(重力密度为24KN/3M ),T 形翼缘板35C 的重力密度25KN/3M ,设计标准为公路Ⅰ级,人群荷载3.0KN/2M ,结构重要系数为1.1,计算行车道板和主梁的内力。
模板 装配式钢筋混凝土简支T形梁桥课程设计 装配式钢筋混凝土简支T形梁桥课程设计 一、设计资料 1、桥面净宽:净4.5+2×0.5(防撞护栏)。 2、主梁跨径和全长 标准跨径:Lb=35.00m(墩中心距离)。 计算跨径:L=33.88m(支座中心距离)。 预制长度:L’=34.96m(主梁预制长度)。 3、 设计荷载 公路-II级,人群荷载:3.0KN/m2
材料 材料 规格 内容
钢筋 HRB335(原Ⅱ级) 主梁主筋、弯起钢筋和架立钢筋
R235(原Ⅰ级) 箍筋 混凝土 C40 主梁
C20 桥面铺装丶防撞护栏 5、结构尺寸 14
横隔梁5根,肋宽15cm。 桥梁纵向示意图
6、计算 极限状态法 7、设计依据 1.《公路工程技术标准》,(JTGB 01-2003); 2.《公路桥涵设计通用规范》,(JTG D60-2004); 3.《公路圬工桥涵设计规范》(JTG D61-2005); 4.《公路钢筋砼及预应力砼桥涵设计规范》,(JTG D62-2004); 5.《公路桥涵地基与基础设计规范》,(JTG D63-2007); 6.《公路钢筋砼及预应力砼桥涵设计规范》, JTGD62-2004); 7.《桥梁工程》(上、下册),范立础编;人民交通出版社 14
8.周念先编,《桥梁方案比选》 9.范立础编,《预应力混凝土连续梁桥》 10.林元培编,《斜拉桥》 人民交通出版社 11.《公路桥梁设计从书》 人民交通出版社 12. 陈忠延编,《土木工程专业毕业设计指南(桥梁工程专业)》 13.叶见曙编《结构设计原理》人民交通出版社
14.其他教材和参考书。
二、行车道板的计算 (一)计算模式 行车道板按照两端固定中间铰接的板来计算 (二)荷载及其效应 1.每延米板上的恒载个g
沥青表面处置:10.021.0230.46/gkNm
混凝土垫层: 20.091.0252.25/gkNm T梁翼缘板自重:30.131.0253.25/gkNm 每延米跨宽板恒载合计:1230.462.253.255.96/ggggkNm 2.永久荷载产生的效应 弯矩:22min,0111.840.185.96()2.05222gMglkNm
装配式钢筋混凝⼟简⽀T形梁桥设计(上部结构)桥梁⼯程课程设计题⽬:装配式钢筋混凝⼟简⽀T形梁桥设计(上部结构)专业:⼟⽊⼯程⽬录第⼀章设计任务书 (3)1.1基本设计资料 (3)1.1.1跨度和桥⾯宽度 (3)1.1.2技术标准 (3)1.1.3主要材料 (3)1.1.4构造形式及截⾯尺⼨ (3)第⼆章主梁的荷载横向分布系数计算 (4)2.1主梁荷载横向分布系数的计算 (4)2.1.1 刚性横梁法计算横向分布系数 (4)2.1.2 杠杆原理法计算梁端剪⼒横向分布系数 (5)第三章主梁的内⼒计算 (6)3.1 永久作⽤效应 (6)3.1.1 永久荷载: (7)3.1.2 永久作⽤效应计算 (7)3.2 可变作⽤效应 (8)3.2.1 汽车荷载冲击系数计算: (8)3.2.2 公路-Ⅱ级均布荷载q K (9)3.2.3可变作⽤弯矩效应计算 (10)3.2.4可变作⽤剪⼒效应计算 (11)第四章主梁截⾯设计、配筋及验算 (14)4.1 主梁受⼒钢筋配置 (14)4.2截⾯抗弯承载⼒验算 (16)4.3斜截⾯弯起钢筋箍筋的配筋及验算 (16)4.3.1斜截⾯抗剪承载⼒计算 (16)4.3.2弯起钢筋设计 (17)4.3.3箍筋设计 (19)4.3.4 斜截⾯抗剪验算 (21)第五章主梁的裂缝宽度验算 (24)5.1最⼤裂缝宽度按下式计算 (24)5.2效应组合 (25)第六章主梁的挠度验算 (27)6.1抗弯刚度计算 (27)6.2挠度验算 (28)第七章设计总结 (30)附录设计⼈简介 (31)第⼀章设计任务书1.1 基本设计资料1.1.1 跨度和桥⾯宽度1)标准跨径:20.7m(墩中⼼距离)2)计算跨径:20.2m(⽀座中⼼距离)3)主梁全长:20.66m(主梁预制长度)4)桥⾯宽度(桥⾯净空):净7m(⾏车道)+2×1.0m⼈⾏道1.1.2技术标准1)设计荷载标准:公路-Ⅱ级,⼈⾏道和栏杆⾃重线密度按单侧6kN/m计算,⼈群荷载3kN/m22)环境标准:Ⅰ类环境3)设计安全等级:⼆级1.1.3 主要材料1)混凝⼟:混凝⼟简⽀T梁及横梁采⽤C40混凝⼟;桥⾯铺装上层采⽤0.03m沥青混凝⼟,下层为0.06~0.13m的C30混凝⼟,沥青混凝⼟重度按23kN/m3,混凝⼟重度按25kN/m3计。
3.2 装配式钢筋混凝土简支梁桥的构造与设计装配式钢筋混凝土简支梁桥受力明确,构造简单,施工方便,便于工业化生产,可节省大量的模板和支架,降低劳动强度,缩短工期,因此在小跨径桥梁中,尤其是标准跨径为13~25m 的桥梁,成为应用最多的桥型。
3.2.1 横截面设计梁桥的横截面设计主要是确定横截面的布置形式,包括主梁截面形式、主梁间距、截面各部尺寸等,它与立面布置、建筑高度、施工方法、美观要求及经济用料等因素有关。
1.横截面形式装配式钢筋混凝土简支梁桥横截面最基本的类型为T 形。
我国目前用得最多的装配式简支梁桥是图3.15a 所示的T 形梁桥。
T 形梁的翼板构成桥梁的行车道板,直接承受车辆和人群荷载的作用,又是主梁的受压翼缘。
它的优点是:外形简单,制造方便,肋内配筋可做成刚劲的钢筋骨架,主梁之间借助横隔梁连接,整体性较好,接头也较方便。
但构件的截面形状不稳定,运输和安装较麻烦;横向接头正好位于桥面板的跨中,对板的受力不利。
装配式钢筋混凝土T 梁的常用跨径约为7.5~25m。
图3.15 装配式简支梁桥的横截面 d )b )c )a )箱形截面梁由于受拉区混凝土不参与工作,多余的底板徒然增大了自重,所以一般不适用于钢筋混凝土简支梁桥。
下面即重点介绍装配式钢筋混凝土T 形梁桥的构造和设计,图3.16即为该类桥梁上部构造的典型概貌。
图3.16装配式T形简支梁桥概貌2.主梁布置对于一定的跨径和桥面宽度(包括行车道和人行道)的桥梁,确定出适当的主梁间距(或片数),是构造布置中首先需要解决的重要课题。
应从材料用量经济,尽可能减少预制工作量,考虑构件的吊装重量及保证翼板的刚度等方面综合考虑确定。
显然,主梁间距越大,主梁的片数就越少,预制工作量就少,但构件的吊装重量增大,使运输和架设工作趋于复杂,同时桥面板的跨径增大,悬臂翼缘板端部较大的挠度对引起桥面接缝处纵向裂缝的可能性也增大。
根据建桥经验,装配式钢筋混凝土T形简支梁桥的主梁间距一般在1.5~2.3m之间。
《公路桥涵设计图》(JT/GQS 025—84)中所采用的主梁间距为2.2m,预制宽度为1.6m,吊装后接缝宽度为0.6m,当前采用较多。
3.主梁细部尺寸(1)主梁梁肋尺寸主梁的合理高度与主梁的跨径、活载的大小等有关。
经济分析表明,梁高与跨径之比(俗称高跨比)的经济范围大约在1/11~1/18,跨径大的取用偏小的比值。
我国标准设计为10m、13m、16m和20m四种跨径,其梁高分别为0.8~0.9m, 0.9~1.0m, 1.0~1.1m,1.1~1.3m。
主梁高度受限制时,高跨比就要适当减小,致使钢筋用量增加,增加造价。
主梁梁肋的宽度,应满足主拉应力强度和抗剪强度要求,以及不致使捣固混凝土发生困难。
梁肋宽度多采用160~240mm,一般不应小于140mm,且不小于梁肋高度的1/15。
钢筋混凝土简支梁一般沿跨径方向做成等截面的形式,以便于预制施工。
(2)主梁翼板尺寸一般装配式主梁翼板的宽度视主梁间距而定,在实际预制时,翼板的宽度应比主梁间距小2cm,以便在安装过程中易于调整T梁的位置和制作上的误差。
在中小跨径的钢筋混凝土简支T形梁中,翼板的厚度主要满足桥面板承受车辆局部荷载(即强度)的要求,另外还应满足构造最小尺寸的要求。
根据受力特点,翼板通常都做成变厚度的,即端部较薄,向根部逐渐加厚。
为了保证翼板与梁肋连接的整体性,翼板与梁肋衔接处的厚度应不小于主梁高度的l/10。
翼板的端部尺寸一般不应小于100mm;横向整体现浇连接的预制T 形截面梁,悬臂端厚度不应小于140mm。
3.2.2配筋构造装配式T 形简支梁桥的钢筋可分为纵向主钢筋、架立钢筋、斜钢筋、箍筋和分布钢筋等几种。
1.钢筋最小保护层厚度为了防护钢筋免于锈蚀,钢筋至梁体边缘的净距,应符合«桥规»(JTG D62)规定的钢筋最小混凝土保护层厚度要求(见表 3.1)。
主钢筋的最小混凝土保护层厚度:Ⅰ类环境条件为30cm,Ⅱ类环境条件为40cm,Ⅲ、Ⅳ类环境条件为45cm。
表3.1 普通钢筋和预应力直线形钢筋最小混凝土保护层厚度(mm) 环 境 条 件 序 号 构 件 类 别ⅠⅡ Ⅲ、Ⅳ 1 基础、桩基承台⑴基坑底面有垫层或侧面有模板(受力主筋)⑵基坑底面无垫层或侧面有模板(受力主筋)40 60 50 75 60 85 2 墩台身、挡土结构、涵洞、梁、板、拱圈、拱上建筑(受力主筋)30 40 45 3人行道构件、栏杆(受力主筋) 20 25 30 4箍筋 20 25 30 5缘石、中央分隔带、护栏等行车道构件 30 40 45 6 收缩、温度、分布、防裂等表层钢筋 15 20 25 注:1)Ⅰ类环境是指温暖或寒冷地区的大气环境;与无侵蚀性的水或土接触的环境。
2)Ⅱ类环境是指严寒地区的大气环境;使用除冰盐环境;海滨环境。
3)Ⅲ类环境是指海水环境。
4)Ⅳ类环境是指受侵蚀性物质影响的环境。
2.钢筋布置简支梁承受正弯矩作用,故抵抗拉力的主钢筋设置在梁肋的下缘。
随着弯矩向支点截面减小,主钢筋可在跨间适当位置处弯起。
主钢筋不宜截断,如必须截断时,则应从按正截面抗弯承载力计算充分利用该钢筋强度的截面至少延伸(0h l a +)长度,此处为最小锚固长度,为梁截面有效高度;同时,应从按正截面抗弯承载力计算不需要该钢筋的截面至少延伸20d(环氧树脂涂层钢筋25d),d 为钢筋直径,以保证该钢筋从理论切断点起能充分受力。
a l 0h 为保证主筋和梁端有足够的锚固长度和加强支承部分的强度,《桥规》规定,钢筋混凝土梁的支点处,应至少有两根且不少于总数20%的下层受拉主钢筋通过。
两外侧钢筋应伸出支点截面以外,并弯成直角顺梁高延伸至顶部,与顶层纵向架立钢筋相连。
两侧之间不向上弯起的受拉主钢筋伸出支承截面的长度不应小于lOd (环氧树脂涂层钢筋伸出12.5d)(图3.17a),R235钢筋应带半圆钩(图3.17b)。
简支梁靠近支点截面的剪力较大,需设置斜钢筋以增强梁体的抗剪强度。
斜钢筋可由主钢筋弯起而成(称弯起钢筋),当可供弯起的主钢筋数量不足时,需加配专门的焊接于主筋和架立筋上的斜钢筋。
斜钢筋与梁轴线的夹角一般取45o 。
箍筋的主要作用也是增强主梁的抗剪强度。
其直径不小于8mm 且不小于1/4主钢筋直径。
配筋率sv ρ,R235钢筋不小于0.18%,HRB335钢筋不小于0.12%。
其间距应不大于梁高的1/2和400mm,在支座中心向跨径方向长度相当于不小于一倍梁高范围内,箍筋间距不大于100mm。
近梁端第一根箍筋应设置在距端面一个混凝土保护层距离处。
T 形梁腹板两侧还应设置纵向分布钢筋,直径宜不小于8mm,以防止因混凝土收缩等原因产生裂缝。
每个梁肋内分布钢筋的总面积取为(0.001~0.002)bh,式中b 为梁肋宽度,h为梁的高度。
当梁跨较大、梁肋较薄时取用较大值。
靠近下缘的距不应大于腹板宽度,且不应大于200mm;在上部受压区则可疏些,但间距不应大于300mm。
在支点附近剪力较大区段,纵向钢筋间距宜为100~150mm。
图3.17梁端主钢筋的锚固支承中心线a )b )受拉区应布置得密些,其间架立钢筋布置在梁肋的上缘,主要起固定箍筋和斜筋并使梁内全部钢筋形成骨架。
受弯构件的钢筋净距应考虑浇筑混凝土时,振捣器可以顺利插入。
各主筋之间的横向净距和层与层之间的竖向净距,当钢筋为三层及以下时,不小于30mm,并不小于1d。
在三层以上时,不小于40mm,并不小于l.25d。
图3.18焊接钢筋骨架在装配式钢筋混凝土T 形梁中,钢筋数量众多,为了尽可能地减小梁肋尺寸,通常将主筋叠置,并与斜筋、架立筋一起通过侧面焊缝焊接成钢筋骨架(图3.18)。
试验表明,焊接钢筋骨架整体性好,刚度大,能有效减小梁肋尺寸,钢筋的重心位置较低,还可避免大量的绑扎工作。
但是,彼此焊接后的主筋与混凝土的粘结面积减小,削弱了其抗裂性,所以,应限制焊接骨架的钢筋层数(不超过6层),并选用较小直径的钢筋(不大于32mm ),有条件时还可将箍筋与主筋接触处点焊固结,以增大其粘结强度,从而改善其抗裂性能。
图3.19 T 梁的钢筋布置 为了缩短接头长度,并减小焊接变形,钢筋骨架的焊接最好采用双面焊缝,但当骨架较长而不便翻身时,就可用单面焊缝。
侧面焊缝设在弯起钢筋的弯折点处,并在中间直线部分适当设置短焊缝。
为保证焊接质量,使焊缝处强度不低于钢筋本身强度,焊缝的长度必须满足规定:采用双面焊缝时,斜钢筋与纵向钢筋之间的焊缝长度为5d,纵向钢筋之间的短焊缝长度为2.5d,d为纵向钢筋直径。
采用单面焊时,焊缝长度加倍。
T梁翼缘板内的受力钢筋沿横向布置在板的上缘,以承受悬臂负弯矩(图3.19)。
板内主筋的直径不小于10mm,间距不应大于200mm。
垂直于主钢筋还应设置分布钢筋,直径不小于8mm,间距不大于200mm,截面面积不小于设置分布钢筋的板的截面面积的0.1%。
3.2.3 横隔梁布置与构造1.横隔梁布置横隔梁在装配式T形梁桥中起着保证各根主梁相互连接成整体的作用,它不但有利于制造、运输和安装阶段构件的稳定性,而且能显著加强全桥的整体性;有中横隔梁的梁桥,荷载横向分布比较均匀,且可以减轻翼板接缝处的纵向开裂现象。
一般来说,当梁横向刚性连接时,横隔梁的间距不应大于10m,当为铰接时,其间距可取5m左右。
对于钢筋混凝土简支梁桥,一般在梁端、跨中和四分点处各设一道横隔梁就可满足要求。
2.横隔梁尺寸跨中横隔梁的高度应保证具有足够的抗弯刚度,通常可取为主梁高度的3/4左右。
从运输和安装阶段的稳定性考虑,端横隔梁应做成与主梁同高,但如果端横隔梁底部与主梁底缘之间留有一定的空隙,或做成与中横隔梁同高,对安装和检查支座有利。
具体可视工地施工的情况而定。
横隔梁的宽度可取12~20cm,最常用的为15~18cm,且宜做成上宽下窄和内宽外窄的楔形,以便于脱模。
3.横隔梁配筋图3.20所示为常用的中主梁中横隔梁的构造形式。
对装配式钢筋混凝土T形梁桥而言,其横隔梁近似于弹性支承于各根主梁上的连续梁,承受正、负两种弯矩。
因此,靠近下缘布置有四根承受正弯矩的钢筋(N1),上缘配有两根承受负弯矩的钢筋(N1)。
当采用焊接钢板连接时,受力钢筋焊接钢板及锚固钢筋(N2, N3)焊在一起做成钢筋骨架。
横隔梁中一般不需配置斜钢筋,剪力由箍筋承受。
图3.20 中主梁的横隔梁配筋图(尺寸单位:cm)3.2.4 主梁的横向连接装配式T形梁桥通常均借助横隔梁和桥面板的接头使所有主梁连接成整体。
接头要有足够的强度,以保证结构的整体性,并使在运营过程中不致因荷载反复作用和冲击作用而发生松动。
常用的接头形式有以下几种。
1.焊接钢板接头图3.21为常用的钢板连接的接头构造。