广西新旧固体矿产资源储量分类对应关系表
- 格式:docx
- 大小:19.77 KB
- 文档页数:3
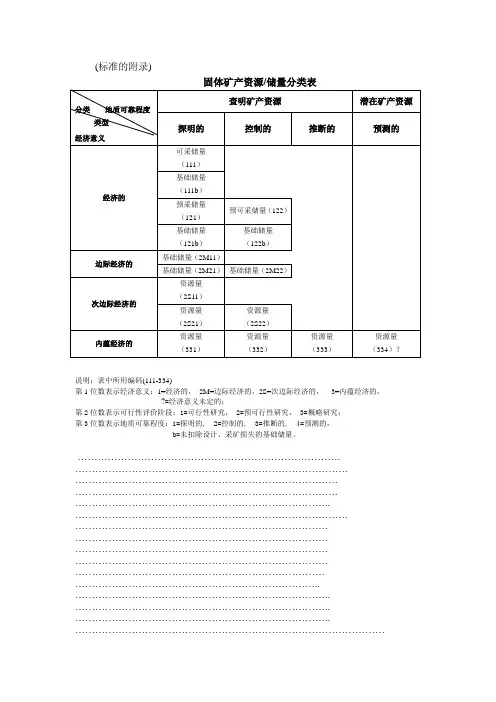
(标准的附录)固体矿产资源/储量分类表说明:表中所用编码(111-334)第1位数表示经济意义:1=经济的,2M=边际经济的,2S=次边际经济的,3=内蕴经济的,?=经济意义未定的;第2位数表示可行性评价阶段:1=可行性研究, 2=预可行性研究, 3=概略研究;第3位数表示地质可靠程度:1=探明的, 2=控制的, 3=推断的, 4=预测的,b=未扣除设计、采矿损失的基础储量。
……………………………………………………………………. ………………………………………………………………………. ……………………………………………………………………. ……………………………………………………………………. ………………………………………………………………….. ………………………………………………………………………. …………………………………………………………………. …………………………………………………………………. …………………………………………………………………. …………………………………………………………………. ………………………………………………………………………………………………………………………………….. ………………………………………………………………….. ………………………………………………………………….. ………………………………………………………………….. …………………………………………………………………………………(标准的附录):指标的定义可供详查的矿产地:通过矿产资源普查(定义见《固体矿产资源/储量分类》)的矿区,或由地质可靠程度较高的基础储量或资源量外推的地段,矿产勘查工作程度已达到普查要求,矿床规模达到中型以上,具备开展详查工作的条件。
验收标准:1已经大致查明矿区地质、构造情况,矿点、矿化、各类异常的含矿性以及矿体分布和成矿远景。
2对已知主要矿体已有稀疏地表工程控制,深部也有少量工程控制,大致查明了矿体(层)的形态、产状和分布情况,大致查明了矿石品位、物质成分、结构构造、自然类型等地质特征。
固体矿产资源/储量分类(GB/T17766-1999)1 范围本标准规定了我国固体矿产资源/储量分类的适用范围、定义、分类、类型、编码等。
本标准适用于固体矿产资源勘查、开发各阶段编制设计、部署工作、计算储量(资源量)、编写报告;也适用于固体矿产资源/储量评估、登记、统计,制定规划、计划,制订固体矿产资源政策,编制矿产勘查规范、规定、指南;也可作为矿业权转让、矿产勘查开发筹资融资等活动中评价、计算矿产资源/储量的依据。
2 定义本标准采用下列定义:2.1 固体矿产资源:在地壳内或地表由地质作用形成具有经济意义的固体自然富集物,根据产出形式、数量和质量可以预期最终开采是技术上可行、经济上合理的。
其位置、数量、品位、质量、地质特征是根据特定的地质依据和地质知识计算和估算的。
按照地质可靠程度,可分为查明矿产资源和潜在矿产资源。
2.1.1 查明矿产资源:是指经勘查工作已发现的固体矿产资源的总和。
依据其地质可靠程度和可行性评价所获得的不同结果可分为:储量、基础储量和资源量三类。
2.1.2 潜在矿产资源:是指根据地质依据和物化探异常预测而未经查证的那部分固体矿产资源。
2.2 矿产勘查1)工作分为预查、普查、详查、勘探四个阶段。
2.2.1 预查:依据区域地质和(或)物化探异常研究结果、初步野外观测、极少量工程验证结果、与地质特征相似的已知矿床类比、预测,提出可供普查的矿化潜力较大地区。
有足够依据时可估算出预测的资源量,属于潜在矿产资源。
2.2.2 普查:是对可供普查的矿化潜力较大地区、物化探异常区,采用露头检查、地质填图、数量有限的取样工程及物化探方法,大致查明普查区内地质、构造概况;大致掌握矿体(层)的形态、产状、质量特征:大致了解矿床开采技术条件;矿产的加工选冶性能已进行了类比研究。
最终应提出是否有进一步详查的价值,或圈定出详查区范围。
2.2.3 详查:是对普查圈出的详查区通过大比例尺地质填图及各种勘查方法和手段,比普查阶段密的系统取样,基本查明地质、构造、主要矿体形态、产状、大小和矿石质量,基本确定矿体的连续性,基本查明矿床开采技术条件,对矿石的加工选冶性能进行类比或实验室流程试验研究,做出是否具有工业价值的评价。
(标准的附录)固体矿产资源/储量分类表说明:表中所用编码(111-334)第1位数表示经济意义:1=经济的,2M=边际经济的,2S=次边际经济的,3=内蕴经济的,?=经济意义未定的;第2位数表示可行性评价阶段:1=可行性研究, 2=预可行性研究, 3=概略研究;第3位数表示地质可靠程度:1=探明的, 2=控制的, 3=推断的, 4=预测的,b=未扣除设计、采矿损失的基础储量。
……………………………………………………………………. ………………………………………………………………………. ……………………………………………………………………. ……………………………………………………………………. ………………………………………………………………….. ………………………………………………………………………. …………………………………………………………………. …………………………………………………………………. …………………………………………………………………. …………………………………………………………………. ………………………………………………………………………………………………………………………………….. ………………………………………………………………….. ………………………………………………………………….. ………………………………………………………………….. …………………………………………………………………………………(标准的附录):指标的定义可供详查的矿产地:通过矿产资源普查(定义见《固体矿产资源/储量分类》)的矿区,或由地质可靠程度较高的基础储量或资源量外推的地段,矿产勘查工作程度已达到普查要求,矿床规模达到中型以上,具备开展详查工作的条件。
验收标准:1已经大致查明矿区地质、构造情况,矿点、矿化、各类异常的含矿性以及矿体分布和成矿远景。
2对已知主要矿体已有稀疏地表工程控制,深部也有少量工程控制,大致查明了矿体(层)的形态、产状和分布情况,大致查明了矿石品位、物质成分、结构构造、自然类型等地质特征。
新旧标准各类资源储量的含义一、新标准(一)储量储量是经过详查或勘探,达到控制或探明的程度,在进行了预可行性或可行性研究,扣除了设计和采矿损失,能实际采出的矿产资源数量,经济上表现为在生产期内,每年的平均内部收益率高于行业基准内部收益率。
储量是基础储量中的经济可采部分,又可分为可采储量(111)、探明的预可采储量(121)及控制的预可采储量(122)3个类型。
储量在我国以往的总则、规范及统计报表中是统称。
即不论勘查程度和经济价值大小,只要报告中提交的都是。
而现在的储量,是与国际惯例相衔接的新概念,为可以实际采出的矿量,在我国新分类中,分为可采储量和预可采储量。
其条件是:在勘查程度上,必须达到控制或探明的程度;在可行性评价阶段上,进行了预可行性研究或可行性研究;在经济意义上,评价结果是经济的。
(二)基础储量基础储量是经过详查或勘探,达到控制的和探明的程度,在进行了预可行性或可行性研究后,经济意义属于经济的或边际经济的那部分矿产资源。
基础储量据评价后的经济意义,可分为经济基础储量和边际经济基础储量。
经济基础储量是每年的内部收益率大于行业基准内部收益率并扣除设计和采矿损失之前的那部分基础储量,可分为3个类型:探明的(可研)经济基础储量(111b)、探明的(预可研)经济基础储量(121b)、控制的经济基础储量(122b)。
边际经济基础储量,是平均内部收益率介于行业基准内部收益率与零之间的那部分基础储量,也分3个类型:探明的(可研)边际经济基础储量(2M11)、探明的(预可研)边际经济基础储量(2M21)、控制的边际经济基础储量(2M22)。
由于边际经济的基础储量基本上无效益,因此,不计算其中的储量。
基础储量在我国矿产勘查工作中是一个新名称。
与储量的区别一是没有扣除影响因素;二是估算范围不同。
而储量是从基础储量的经济这部分中,扣除各种影响因素后获得。
(三)资源量可分为3部分:内蕴经济的资源量、次边际经济资源量、预测的资源量。
矿产资源储量分类中122、333表示的意思在查阅地质资料时,经常会看到122b、333这些数字,到底这些数字表示什么意思呢,看看下面的《固体矿产资源/储量分类表》就明白了。
其实最简单的就只要看最后面的那个数字就可以了,1=探明的,2=控制的,3=推断的,4=预测的。
固体矿产资源/储量分类表分类地质可靠程度类型经济意义查明矿产资源潜在矿产资源探明的控制的推断的预测的经济的可采储量(111)基础储量(111b)预采储量(121)预可采储量(122)基础储量(121b)基础储量(122b)边际经济的基础储量(2M11)基础储量(2M21)基础储量(2M22)次边际经济的资源量(2S11)资源量(2S21)资源量(2S22)内蕴经济的资源量(331)资源量(332)资源量(333)资源量(334)?注:表中所用编码(111-334)第1位数表示经济意义:1=经济的,2M=边际经济的,2S=次边际经济的,3=内蕴经济的,?=经济意义未定的;第2位数表示可行性评价阶段:1=可行性研究,2=预可行性研究,3=概略研究;第3位数表示地质可靠程度:1=探明的,2=控制的,3=推断的,4=预测的。
B=未扣除设计、采矿损失的可采储量。
三量是有你煤矿各种巷道圈定的,开拓巷道、准备巷道和回采巷道,他们圈定的3个采区工作面和水平画入相应的类别就形成相应的煤量,大中型矿井开拓煤量可采期应大于3年,准备煤量可采期应大于1年,回采煤量可采期应大于4个月,小型矿井开拓煤量可采期应大于2年,准备煤量可采期应大于8个月,回采煤量可采期应大于3个月。
1、煤矿三量是指:开拓煤量,准备煤量,回采煤量,就是我们常说的三量。
三量平衡对于正常生产有现实的意义。
为了及时掌握和检查各矿井的采掘关系,按开采准备程度,将可采储量中已经进行开拓准备的那部分储量分为开拓煤量、准备煤量和回采煤量,即所谓三量。
开拓煤量,是井田范围内已掘进开拓巷道所圈定的尚未采出的那部分可采储量。
资源量和储量的类别划分图4-7-1 固体矿产资源/储量分类框架图新《总则》中,根据各勘查阶段获得的矿产资源储量开发的经济意义、可行性研究程度与地质可靠程度,将其分为资源量、基础储量和储量三个大类,细分为16个类型,并分别给以不同的编号代码(见表4-7-2)。
同时,采用了三维立体框架图(图4-7-1)表示,图形的三个轴分别代表地质轴(G)、可行性轴(F)、经济轴(E)。
表4-7-2 矿产资源储量类别与勘查各阶段对比表1资源量(resource)指所有查明与潜在(预测)的矿产资源中,具有一定可行性研究程度,但经济意义仍不确定或属次边际经济的原地矿产资源量。
可分为三部分:(1)内蕴经济资源量矿产资源勘查工作自普查至勘探,地质可靠程度达到了推断的至探明的,但可行性评价工作只进行了概略研究,由于技术经济参数取值于经验数据,未与市场挂钩,区分不出其真实的经济意义,统归为内蕴经济资源量。
可细分为3个类型:探明的内蕴经济资源量(331)、控制的内蕴经济资源量(332)、推断的内蕴经济资源量(333)。
(2)次边际经济资源量据详查、勘探成果进行预可行性、可行性研究后,其内部收益率呈负值,在当时开采是不经济的,只有在技术上有了很大进步,能大幅度降低成本时,才能使其变为经济的那部分资源量。
细分为3个类型:探明的(可研)次边际经济资源量(2S11)、探明的(预可研)次边际经济资源量(2S21)、控制的(预可研)次边际经济资源量(2S22)。
(3)行预测资源量经预查,依据各方面资料分析、研究、类比、估算的预测资源量(334)?各项参数都是假设的,经济意义不确定,属潜在矿产资源。
可作为区域远景宏观决策的依据。
2基础储量(basic reserve)经过详查或勘探,地质可靠程度达到控制的和探明的矿产资源,在进行了预可行性或可行性研究后,经济意义属于经济的或边际经济的,也就是在生产期内,每年的平均内部收益率在0以上的那部分矿产资源。
广西自然资源一、矿产种类与矿产地截至2001年底,广西已发现矿种145种(含亚矿种),已探明资源储量的矿产有97种,约占全国已探明资源储量矿种(212种)的45.75%,其中探明的钇、铼、芒硝、凝灰熔岩、麦饭石储量尚未列入矿产资源储量表。
已发现但尚无探明资源储量的矿产有48种。
目前,探明资源储量矿产地1326处,保有资源储量矿产地1286处。
详见图1-1、图1-2、图1-3、图1-4、表1-1、表1-2。
2001年广西矿产种类一览表矿类名称已发现并探明资源储量的矿种已发现尚未探明资源储量的矿种尚未发现的矿种矿种数名称矿种数名称矿种数名称能源矿产8 煤、油页岩、石油、天1 煤层气资料来源:《截至2001年广西壮族自治区矿产资源储量简表》广西国土资源厅,2002年4月;矿种名称下加横线者为已探明资源储量尚未上储量表的矿种。
2001年广西具保有资源储量的矿种(亚矿种)及产地数统计表资料来源:《截至2001年广西壮族自治区矿产资源储量简表》广西国土资源厅,2002年4月二、矿产资源储量及其在全国各省(区)同类矿产的比重广西探明资源储量的矿产较丰富,在全国占有较重要的地位,列在全国前十位的矿产有64种,居前5位的有47种,其中以非金属矿产最多。
国民经济赖以发展的45种支柱性重要矿产广西有35种探明资源储量,其中保有资源储量在全国前十位的有:锰、锑、磷钇矿、钛、铅、锌、铝、钨、银矿、轻稀土矿、滑石、重晶石、水泥用灰岩、高岭土、普通萤石等矿种(详见表1-3)。
广西矿产保有资源储量在全国前十位的矿种资料来源:全国矿产储量表汇总表(截止2000年底),为旧标准仅供参考。
广西有的矿产虽然保有资源储量居全国前列,但其富矿保有资源储量占全国同类矿产的比例却很低,如铌坦矿、镉矿等,其保有资源储量仅占全国总量的2.64%和6.84%。
保有资源储量占全国同类矿产总量大于20%的矿产17种,详见表1—4。
广西矿产保有资源储量占全国同类矿产总量(>20%)统计表资料来源:全国矿产储量表汇总表(截止2000年底),为旧标准仅供参考。
资源量和储量的类别划分图4-7-1 固体矿产资源/储量分类框架图新《总则》中,根据各勘查阶段获得的矿产资源储量开发的经济意义、可行性研究程度与地质可靠程度,将其分为资源量、基础储量和储量三个大类,细分为16个类型,并分别给以不同的编号代码(见表4-7-2)。
同时,采用了三维立体框架图(图4-7-1)表示,图形的三个轴分别代表地质轴(G)、可行性轴(F)、经济轴(E)。
表4-7-2 矿产资源储量类别与勘查各阶段对比表1资源量(resource)指所有查明与潜在(预测)的矿产资源中,具有一定可行性研究程度,但经济意义仍不确定或属次边际经济的原地矿产资源量。
可分为三部分:(1)内蕴经济资源量矿产资源勘查工作自普查至勘探,地质可靠程度达到了推断的至探明的,但可行性评价工作只进行了概略研究,由于技术经济参数取值于经验数据,未与市场挂钩,区分不出其真实的经济意义,统归为内蕴经济资源量。
可细分为3个类型:探明的内蕴经济资源量(331)、控制的内蕴经济资源量(332)、推断的内蕴经济资源量(333)。
(2)次边际经济资源量据详查、勘探成果进行预可行性、可行性研究后,其内部收益率呈负值,在当时开采是不经济的,只有在技术上有了很大进步,能大幅度降低成本时,才能使其变为经济的那部分资源量。
细分为3个类型:探明的(可研)次边际经济资源量(2S11)、探明的(预可研)次边际经济资源量(2S21)、控制的(预可研)次边际经济资源量(2S22)。
(3)行预测资源量经预查,依据各方面资料分析、研究、类比、估算的预测资源量(334)?各项参数都是假设的,经济意义不确定,属潜在矿产资源。
可作为区域远景宏观决策的依据。
2基础储量(basic reserve)经过详查或勘探,地质可靠程度达到控制的和探明的矿产资源,在进行了预可行性或可行性研究后,经济意义属于经济的或边际经济的,也就是在生产期内,每年的平均内部收益率在0以上的那部分矿产资源。
固体矿产资源量和储量的类别划分新《总则》中,根据各勘查阶段获得的矿产资源储量开发的经济意义、可行性研究程度与地质可靠程度,将其分为资源量、基础储量和储量三个大类,细分为16个类型,并分别给以不同的编号代码(见表1、表2)。
表1 固体矿产资源/储量分类表表2 矿产资源/储量类别与勘查各阶段对比表同时,采用了三维立体框架图(图1)表示,图形的三个轴分别代表地质轴(G)、可行性轴(F)、经济轴(E)。
图1 固体矿产资源/储量分类框架图1资源量(resource)指所有查明与潜在(预测)的矿产资源中,具有一定可行性研究程度,但经济意义仍不确定或属次边际经济的原地矿产资源量。
可分为三部分:(1)内蕴经济资源量矿产资源勘查工作自普查至勘探,地质可靠程度达到了推断的至探明的,但可行性评价工作只进行了概略研究,由于技术经济参数取值于经验数据,未与市场挂钩,区分不出其真实的经济意义,统归为内蕴经济资源量。
可细分为3个类型:探明的内蕴经济资源量(331)、控制的内蕴经济资源量(332)、推断的内蕴经济资源量(333)。
(2)次边际经济资源量据详查、勘探成果进行预可行性、可行性研究后,其内部收益率呈负值,在当时开采是不经济的,只有在技术上有了很大进步,能大幅度降低成本时,才能使其变为经济的那部分资源量。
细分为3个类型:探明的(可研)次边际经济资源量(2S11)、探明的(预可研)次边际经济资源量(2S21)、控制的(预可研)次边际经济资源量(2S22)。
(3)行预测资源量经预查,依据各方面资料分析、研究、类比、估算的预测资源量(334)?各项参数都是假设的,经济意义不确定,属潜在矿产资源。
可作为区域远景宏观决策的依据。
2基础储量(basic reserve)经过详查或勘探,地质可靠程度达到控制的和探明的矿产资源,在进行了预可行性或可行性研究后,经济意义属于经济的或边际经济的,也就是在生产期内,每年的平均内部收益率在0以上的那部分矿产资源。
固体矿产资源储量新旧分类标准对比《固体矿产资源/储量分类》(GB/T17766-1999)新标准已于发布,并于开始实施,至今已经4年多了,但从这几年我区矿山企业及地质勘查单位提交的资源储量核实报告中看,仍有些同志在新旧标准资源储量分类分级对比上不太清楚,为了使广大地质工作者及有关人员尽快掌握对比方法,在此简要介绍一下新旧分类标准资源储量对比。
一重新制定《固体矿产资源/储量分类》原因近50年来,我国的储量分类分级虽经多次修订,但基本上仍是前苏联的模式,框架没有大的变化。
不论是地质勘探单位、矿山设计单位、生产单位还是综合部门,对分类分级都非常熟悉、得心应手。
那么为什么又重新制定呢?有如下几个原因:1.为了落实“更好地利用国内外两个市场、两种资源”的经济发展战略需要。
我国矿产资源虽然丰富,但人均占有量严重不足,且以矿石品位低、成份复杂、规模小者居多。
要想保证我国国民经济可持续发展,就必须更好地利用国内外两个市场、两种资源。
2.适应市场经济的需要。
我国原来的矿产储量分类分级系统,对勘探获得的矿产资源数量,不论勘查程度和经济意义如何,统称矿产储量,显然是不科学的,也不能满足市场的要求。
且我国的矿产储量与国际的储量和资源储量,或一些国家的储量基础都没有可比性,故需要重新制定标准。
3.需要转变观念、统一标准。
要适应国际上矿产资源储量分类与勘查阶段相对应的观念。
例如:联合国分类框架中详细勘探对应的是确定的矿产资源,一般勘探对应的是推定的矿产资源等等。
而我国储量级别在不同的勘查阶段交叉使用,造成观念上、统计上的混淆,不能被国外矿业界接受。
4.计划经济的色彩浓厚。
原分类分级中的勘探储量比例及与其有密切关系的勘探类型和工程间距,都是计划经济体制下,国家独资开发矿业时,为了减少风险、增加资源的可靠程度,在总结我国已生产矿山探采对比资料基础上确定的。
而现在勘探和开采都走向投资多元化,已不适应市场经济的需要了。
二《固体矿产资源/储量分类》我国新标准是在联合国分类标准的框架下,根据矿产资源/储量的经济意义、可行性评价阶段、地质可靠程度,并结合我国的实际情况制订出来的,将固体矿产资源/储量分为储量、基础储量和资源量3大类16种类型。
固体矿产资源储量新旧分类标准对比《固体矿产资源/储量分类》(GB/T17766-1999)新标准已于发布,并于开始实施,至今已经4年多了,但从这几年我区矿山企业及地质勘查单位提交的资源储量核实报告中看,仍有些同志在新旧标准资源储量分类分级对比上不太清楚,为了使广大地质工作者及有关人员尽快掌握对比方法,在此简要介绍一下新旧分类标准资源储量对比。
一重新制定《固体矿产资源/储量分类》原因近50年来,我国的储量分类分级虽经多次修订,但基本上仍是前苏联的模式,框架没有大的变化。
不论是地质勘探单位、矿山设计单位、生产单位还是综合部门,对分类分级都非常熟悉、得心应手。
那么为什么又重新制定呢?有如下几个原因:1.为了落实“更好地利用国内外两个市场、两种资源”的经济发展战略需要。
我国矿产资源虽然丰富,但人均占有量严重不足,且以矿石品位低、成份复杂、规模小者居多。
要想保证我国国民经济可持续发展,就必须更好地利用国内外两个市场、两种资源。
2.适应市场经济的需要。
我国原来的矿产储量分类分级系统,对勘探获得的矿产资源数量,不论勘查程度和经济意义如何,统称矿产储量,显然是不科学的,也不能满足市场的要求。
且我国的矿产储量与国际的储量和资源储量,或一些国家的储量基础都没有可比性,故需要重新制定标准。
3.需要转变观念、统一标准。
要适应国际上矿产资源储量分类与勘查阶段相对应的观念。
例如:联合国分类框架中详细勘探对应的是确定的矿产资源,一般勘探对应的是推定的矿产资源等等。
而我国储量级别在不同的勘查阶段交叉使用,造成观念上、统计上的混淆,不能被国外矿业界接受。
4.计划经济的色彩浓厚。
原分类分级中的勘探储量比例及与其有密切关系的勘探类型和工程间距,都是计划经济体制下,国家独资开发矿业时,为了减少风险、增加资源的可靠程度,在总结我国已生产矿山探采对比资料基础上确定的。
而现在勘探和开采都走向投资多元化,已不适应市场经济的需要了。
二《固体矿产资源/储量分类》我国新标准是在联合国分类标准的框架下,根据矿产资源/储量的经济意义、可行性评价阶段、地质可靠程度,并结合我国的实际情况制订出来的,将固体矿产资源/储量分为储量、基础储量和资源量3大类16种类型。
固体矿产资源、储量分类及编码(doc 9页)固体矿产资源/储量分类及编码固体矿产资源/储量分分类分类依据:矿产资源经过矿产勘查所获得的不同地质可靠程度和经相应的可行性评价所获不同的经济意义,是固体矿产资源/储量分类的主要依据。
据此,固体矿产资源/储量可分为储量、基础储量、资源量三大类十六种类型,分别用二维形式 ( 图 l) 和矩阵形式 ( 表 1) 表示。
储量:是指基础储量中的经济可采部分。
在预可行性研究、可行性研究或编制年度采掘计划当时,经过了对经济、开采、选冶、环境、法律、市场、社会和政府等诸因素的研究及相应修改,结果表明在当时是经济可采或已经开采的部分。
用扣除了设计、采矿损失的可实际开采数量表述,依据地质可靠程度和可行性评价阶段不同,又可分为可采储量和预可采储量。
基础储量:是查明矿产资源的一部分。
它能满足现行采矿和生产所需的指标要求 ( 包括品位、质量、厚度、开采技术条件等 ) ,是经详查、勘探所获控制的、探明的并通过可行性研究、预可行性研究认为属于经济的、边际经济的部分,用末扣除设计、采矿损失的数量表述。
资源量:是指查明矿产资源的一部分和潜在矿产资源。
包括经可行性研究或预可行性研究证实为次边际经济的矿产资源以及经过勘查而末进行可行性研究或预可行性研究的内蕴经济的矿产资源;以及经过预查后预测的矿产资源。
固体矿产资源/储量分类编码编码:采用 ( EFG) 三维编码, E、F 、G 分别代表经济轴、可行性轴、地质轴 ( 见图 l) 。
编码的第 1 位数表示经济意义: 1 代表经济的, 2M 代表边际经济的, 2S 代表次边际经济的, 3 代表内蕴经济的;第 2 位数表示可行性评价阶段: 1 代表可行性研究, 2 代表预可行性研究, 3 代表概略研究;第 3 位数表示地质可靠程度: 1 代表探明的, 2 代表控制的 3 代表推断的, 4 代表预测的。
变成可采储量的那部分基础储量,在其编码后加英文字母“ b ”以示区别于可采储量。
附件3新旧固体矿产资源储量分类对应关系表关于新旧固体矿产资源储量分类对应关系表的说明一、查明矿产资源1、储量(1)“证实储量”对应GB/T17766-1999规范中的(111)、(121)。
“证实储量”是指经过预可行性研究、可行性研究或与之相当的技术经济评价,基于探明资源量而估算的储量。
与可采储量(111)、预可采储量(121)对应。
(2)“可信储量”对应GB/T17766-1999规范中的(121)(某些转换因素尚存在不确定性时)、(122)。
“可信储量”是指经过预可行性研究、可行性研究或与之相当的技术经济评价,基于控制资源量估算的储量;或某些转换因素尚存在不确定性时(转换因素主要包括采矿、加工选冶、基础设施、经济、市场、法律、环境、社区和政策等),基于探明资源量而估算的储量。
与预可采储量(121)(某些转换因素尚存在不确定性时)、预可采储量(122)对应。
2、资源量(1)“探明资源量”对应GB/T17766-1999规范中的(331)、(111b)、(121b)。
新分类的“探明资源量”是指在系统取样工程基础上经加密工程圈定并估算的资源量。
与探明的内蕴经济资源量(331)、探明的(可研)经济基础储量(111b)、探明的(预可研)经济基础储量(121b)对应。
(111b)、(121b)虽经过可研、预可研,但因其未扣除设计、采矿损失,不能套改为新分类的“证实储量”或“可信储量”。
(2)“控制资源量”对应GB/T17766-1999规范中的(332)、(122b)。
新分类的“控制资源量”是指经系统取样工程圈定并估算的资源量。
与控制的内蕴经济资源量(332)、控制的经济基础储量(122b)对应。
(122b)虽经过预可研,但因其未扣除设计、采矿损失,不能套改为新分类的“可信储量”。
(3)“推断资源量”对应GB/T17766-1999规范中的(333)。
新分类的“推断资源量”是指经稀疏取样工程圈定并估算的资源量,以及控制资源量或探明资源量外推部分。
附件3
新旧固体矿产资源储量分类对应关系表
关于新旧固体矿产资源储量分类对应关系表的说明
一、查明矿产资源
1、储量
(1)“证实储量”对应GB/T17766-1999规范中的(111)、(121)。
“证实储量”是指经过预可行性研究、可行性研究或与之相当的技术经济评价,基于探明资源量而估算的储量。
与可采储量(111)、预
可采储量(121)对应。
(2)“可信储量”对应GB/T17766-1999规范中的(121)(某些转换因素尚存在不确定性时)、(122)。
“可信储量”是指经过预可行性研究、可行性研究或与之相当的技术经济评价,基于控制资源量估算的储量;或某些转换因素尚存在不确定性时(转换因素主要包括采矿、加工选冶、基础设施、经济、市场、法律、环境、社区和政策等),基于探明资源量而估算的储量。
与预可采储量(121)(某些转换因素尚存在不确定性时)、预可采储量(122)对应。
2、资源量
(1)“探明资源量”对应GB/T17766-1999规范中的(331)、(111b)、(121b)。
新分类的“探明资源量”是指在系统取样工程基础上经加密工程圈定并估算的资源量。
与探明的内蕴经济资源量(331)、探明的(可研)经济基础储量(111b)、探明的(预可研)经济基础储量(121b)对应。
(111b)、(121b)虽经过可研、预可研,但因其未扣除设计、采矿损失,不能套改为新分类的“证实储量”或“可信储量”。
(2)“控制资源量”对应GB/T17766-1999规范中的(332)、(122b)。
新分类的“控制资源量”是指经系统取样工程圈定并估算的资源量。
与控制的内蕴经济资源量(332)、控制的经济基础储量(122b)对应。
(122b)虽经过预可研,但因其未扣除设计、采矿损失,不能套改为新分类的“可信储量”。
(3)“推断资源量”对应GB/T17766-1999规范中的(333)。
新分类的“推断资源量”是指经稀疏取样工程圈定并估算的资源量,以及控制资源量或探明资源量外推部分。
与推断的内蕴经济资源量(333)对应。
二、潜在矿产资源
“潜在矿产资源”对应GB/T17766-1999规范中的(334)?。
“潜在矿产资源”是指未查明的矿产资源,是根据区域地质研究成
果以及遥感、地球物理、地球化学信息,有时辅以极少量取样工程预测的。
其数量、质量、空间分布、开采利用条件等信息尚未获得,或者数量很少,难以评价且前景不明;潜在矿产资源不以资源量表述。
其与GB/T17766-1999规范中预测的资源量(334)?对应。
三、尚难利用矿产资源
“尚难利用矿产资源”是指当前和可预见的未来,采矿、加工选冶、基础设施、经济、市场、法律、环境、社区或政策等条件尚不能满足开发需求的查明矿产资源。
尚难利用矿产资源不以资源量表述。
“尚难利用矿产资源”对应GB/T17766-1999规范中的(2S11)、(2M11)、(2S21)、(2M21)、(2S22)、(2M22)以及压覆资源量和低品位矿。
(2S11)、(2M11)、(2S21)、(2M21)、(2S22)、(2M22)虽已探明或控制,但在GB/T17766-1999规范中定义的边际经济基础储量(2M开头)、次边际经济资源量(2S开头)为“开采是不经济的”,故归为“尚难利用矿产资源”。