潮流计算上机报告华电
- 格式:docx
- 大小:668.94 KB
- 文档页数:20
电力系统分析实验报告实验一:潮流计算的计算机算法>> clear;n=10;nl=10;isb=1;pr=0.00001;B1=[120.03512+0.08306i0.13455i10;230.0068+0.18375i0 1.023811;140.05620+0.13289i0.05382i10;450.00811+0.24549i0 1.023811;160.05620+0.13289i0.05382i10;460.04215+0.09967i0.04037i10;670.0068+0.18375i0 1.023811;680.02810+0.06645i0.10764i10;8100.00811+0.24549i011;890.03512+0.08306i0.13455i10] B2=[00 1.1 1.101;001002;00.343+0.21256i1002;001002;00.204+0.12638i1002;001002;00.306+0.18962i1002;001002;0.50 1.1 1.103;00.343+0.21256i1002]Y=zeros(n);e=zeros(1,n);f=zeros(1,n);V=zeros(1,n);sida=zeros(1,n);S1=zeros(nl);for i=1:nlif B1(i,6)==0p=B1(i,1);q=B1(i,2);elsep=B1(i,2);q=B1(i,1);endY(p,q)=Y(p,q)-1./(B1(i,3)*B1(i,5));Y(q,p)=Y(p,q);Y(q,q)=Y(q,q)+1./(B1(i,3)*B1(i,5)^2)+B1(i,4)./2;Y(p,p)=Y(p,p)+1./B1(i,3)+B1(i,4)./2;enddisp('导纳矩阵Y=');disp(Y)%----------------------------------------------------------G=real(Y);B=imag(Y);for i=1:ne(i)=real(B2(i,3));f(i)=imag(B2(i,3));V(i)=B2(i,4);endfor i=1:nS(i)=B2(i,1)-B2(i,2);B(i,i)=B(i,i)+B2(i,5);endP=real(S);Q=imag(S);ICT1=0;IT2=1;N0=2*n;N=N0+1;a=0;while IT2~=0IT2=0;a=a+1;for i=1:nif i~=isbC(i)=0;D(i)=0;for j1=1:nC(i)=C(i)+G(i,j1)*e(j1)-B(i,j1)*f(j1);%Σ(Gij*ej-Bij*fj)D(i)=D(i)+G(i,j1)*f(j1)+B(i,j1)*e(j1);%Σ(Gij*fj+Bij*ej) endP1=C(i)*e(i)+f(i)*D(i);Q1=C(i)*f(i)-e(i)*D(i);V2=e(i)^2+f(i)^2;if B2(i,6)~=3DP=P(i)-P1;DQ=Q(i)-Q1;for j1=1:nif j1~=isb&j1~=iX1=-G(i,j1)*e(i)-B(i,j1)*f(i);X2=B(i,j1)*e(i)-G(i,j1)*f(i);X3=X2;X4=-X1;p=2*i-1;q=2*j1-1;J(p,q)=X3;J(p,N)=DQ;m=p+1;J(m,q)=X1;J(m,N)=DP;q=q+1;J(p,q)=X4;J(m,q)=X2;elseif j1==i&j1~=isbX1=-C(i)-G(i,i)*e(i)-B(i,i)*f(i);X2=-D(i)+B(i,i)*e(i)-G(i,i)*f(i);X3=D(i)+B(i,i)*e(i)-G(i,i)*f(i);X4=-C(i)+G(i,i)*e(i)+B(i,i)*f(i);p=2*i-1;q=2*j1-1;J(p,q)=X3;J(p,N)=DQ;m=p+1;J(m,q)=X1;q=q+1;J(p,q)=X4;J(m,N)=DP;J(m,q)=X2;endendelseDP=P(i)-P1;DV=V(i)^2-V2;for j1=1:nif j1~=isb&j1~=iX1=-G(i,j1)*e(i)-B(i,j1)*f(i);X2=B(i,j1)*e(i)-G(i,j1)*f(i);X5=0;X6=0;p=2*i-1;q=2*j1-1;J(p,q)=X5;J(p,N)=DV;m=p+1;J(m,q)=X1;J(m,N)=DP;q=q+1;J(p,q)=X6;J(m,q)=X2;elseif j1==i&j1~=isbX1=-C(i)-G(i,i)*e(i)-B(i,i)*f(i);X2=-D(i)+B(i,i)*e(i)-G(i,i)*f(i);X5=-2*e(i);X6=-2*f(i);p=2*i-1;q=2*j1-1;J(p,q)=X5;J(p,N)=DV;m=p+1;J(m,q)=X1;J(m,N)=DP;q=q+1;J(p,q)=X6;J(m,q)=X2;endendendendendfor k=3:N0k1=k+1;N1=N;for k2=k1:N1J(k,k2)=J(k,k2)./J(k,k);endJ(k,k)=1;if k~=3k4=k-1;for k3=3:k4for k2=k1:N1J(k3,k2)=J(k3,k2)-J(k3,k)*J(k,k2);endJ(k3,k)=0;endif k==N0break;endfor k3=k1:N0for k2=k1:N1J(k3,k2)=J(k3,k2)-J(k3,k)*J(k,k2);endJ(k3,k)=0;endelsefor k3=k1:N0for k2=k1:N1J(k3,k2)=J(k3,k2)-J(k3,k)*J(k,k2);endJ(k3,k)=0;endendendfor k=3:2:N0-1L=(k+1)./2;e(L)=e(L)-J(k,N);k1=k+1;f(L)=f(L)-J(k1,N);endfor k=3:N0DET=abs(J(k,N));if DET>=prIT2=IT2+1;endendICT2(a)=IT2;ICT1=ICT1+1;enddisp('迭代次数:');disp(ICT1);disp('没有达到精度要求的个数:');disp(ICT2);for k=1:nV(k)=sqrt(e(k)^2+f(k)^2);sida(k)=atan(f(k)./e(k))*180./pi;E(k)=e(k)+f(k)*j;enddisp('各节点的实际电压标幺值E为(节点号从小到大排列):');disp(E);disp('-----------------------------------------------------');disp('各节点的电压大小V为(节点号从小到大排列):');disp(V);disp('-----------------------------------------------------');disp('各节点的电压相角sida为(节点号从小到大排列):');disp(sida);for p=1:nC(p)=0;for q=1:nC(p)=C(p)+conj(Y(p,q))*conj(E(q));endS(p)=E(p)*C(p);enddisp('各节点的功率S为(节点号从小到大排列):');disp(S);disp('-----------------------------------------------------');disp('各条支路的首端功率Si为(顺序同输入B1时一致):');for i=1:nlp=B1(i,1);q=B1(i,2);if B1(i,6)==0Si(p,q)=E(p)*(conj(E(p))*conj(B1(i,4)./2)+(conj(E(p)*B1(i,5))...-conj(E(q)))*conj(1./(B1(i,3)*B1(i,5))));Siz(i)=Si(p,q);elseSi(p,q)=E(p)*(conj(E(p))*conj(B1(i,4)./2)+(conj(E(p)./B1(i,5))...-conj(E(q)))*conj(1./(B1(i,3)*B1(i,5))));Siz(i)=Si(p,q);enddisp(Si(p,q));SSi(p,q)=Si(p,q);ZF=['S(',num2str(p),',',num2str(q),')=',num2str(SSi(p,q))];disp(ZF);disp('-----------------------------------------------------');enddisp('各条支路的末端功率Sj为(顺序同输入B1时一致):');for i=1:nlp=B1(i,1);q=B1(i,2);if B1(i,6)==0Sj(q,p)=E(q)*(conj(E(q))*conj(B1(i,4)./2)+(conj(E(q)./B1(i,5))...-conj(E(p)))*conj(1./(B1(i,3)*B1(i,5))));Sjy(i)=Sj(q,p);elseSj(q,p)=E(q)*(conj(E(q))*conj(B1(i,4)./2)+(conj(E(q)*B1(i,5))...-conj(E(p)))*conj(1./(B1(i,3)*B1(i,5))));Sjy(i)=Sj(q,p);enddisp(Sj(q,p));SSj(q,p)=Sj(q,p);ZF=['S(',num2str(q),',',num2str(p),')=',num2str(SSj(q,p))];disp(ZF);disp('-----------------------------------------------------');enddisp('各条支路的功率损耗DS为(顺序同输入B1时一致):');for i=1:nlp=B1(i,1);q=B1(i,2);DS(i)=Si(p,q)+Sj(q,p);disp(DS(i));DDS(i)=DS(i);ZF=['DS(',num2str(p),',',num2str(q),')=',num2str(DDS(i))];disp(ZF);disp('-----------------------------------------------------');endfigure(1);subplot(1,2,1);plot(V);xlabel('节点号');ylabel('电压标幺值');grid on;subplot(1,2,2);plot(sida);xlabel('节点号');ylabel('电压角度');grid on;figure(2);subplot(2,2,1);P=real(S);Q=imag(S);bar(P);xlabel('节点号');ylabel('节点注入有功');grid on;subplot(2,2,2);bar(Q);xlabel('节点号');ylabel('节点注入无功');grid on;subplot(2,2,3);P1=real(Siz);Q1=imag(Siz);bar(P1);xlabel('支路号');ylabel('支路首端注入有功');grid on;subplot(2,2,4);bar(Q1);xlabel('支路号');ylabel('支路首端注入无功');grid on;B1 =1.00002.0000 0.0351 + 0.0831i 0 + 0.1346i 1.0000 02.00003.0000 0.0068 + 0.1838i 0 1.0238 1.00001.0000 4.0000 0.0562 + 0.1329i 0 + 0.0538i 1.0000 04.00005.0000 0.0081 + 0.2455i 0 1.0238 1.00001.0000 6.0000 0.0562 + 0.1329i 0 + 0.0538i 1.0000 04.0000 6.0000 0.0422 + 0.0997i 0 + 0.0404i 1.0000 06.00007.0000 0.0068 + 0.1838i 0 1.0238 1.00006.0000 8.0000 0.0281 + 0.0664i 0 + 0.1076i 1.0000 08.0000 10.0000 0.0081 + 0.2455i 0 1.0000 1.00008.0000 9.0000 0.0351 + 0.0831i 0 + 0.1346i 1.0000 0 B2 =0 0 1.1000 1.1000 0 1.00000 0 1.0000 0 0 2.00000 0.3430 + 0.2126i 1.0000 0 0 2.00000 0 1.0000 0 0 2.00000 0.2040 + 0.1264i 1.0000 0 0 2.00000 0 1.0000 0 0 2.00000 0.3060 + 0.1896i 1.0000 0 0 2.00000 0 1.0000 0 0 2.0000 0.5000 0 1.1000 1.1000 0 3.00000 0.3430 + 0.2126i 1.0000 0 0 2.0000导纳矩阵Y=Columns 1 through 69.7177 -22.8591i -4.3185 +10.2135i 0 -2.6996 + 6.3834i 0 -2.6996 + 6.3834i-4.3185 +10.2135i 4.5104 -15.3311i -0.1964 + 5.3083i 0 0 00 -0.1964 + 5.3083i 0.2011 - 5.4347i 0 0 0-2.6996 + 6.3834i 0 0 6.4271 -18.7292i -0.1313 + 3.9744i -3.5993 + 8.5110i0 0 0 -0.1313 + 3.9744i 0.1344 - 4.0690i 0-2.6996 + 6.3834i 0 0 -3.5993 + 8.5110i 0 11.8891 -32.7444i0 0 0 0 0 -0.1964 + 5.3083i0 0 0 0 0 -5.3984 +12.7660i0 0 0 0 0 00 0 0 0 0 0Columns 7 through 100 0 0 00 0 0 00 0 0 00 0 0 00 0 0 0-0.1964 + 5.3083i -5.3984 +12.7660i 0 00.2011 - 5.4347i 0 0 00 9.8514 -26.9275i -4.3185 +10.2135i -0.1344 + 4.0690i0 -4.3185 +10.2135i 4.3185 -10.1462i 00 -0.1344 + 4.0690i 0 0.1344 - 4.0690i迭代次数:4没有达到精度要求的个数:17 18 17 0各节点的实际电压标幺值E为(节点号从小到大排列):Columns 1 through 61.1000 1.0757 - 0.0207i 1.0050 - 0.0780i 1.0772 - 0.0175i 1.0171 - 0.0631i 1.0762 - 0.0152iColumns 7 through 101.0112 - 0.0666i 1.0778 - 0.0051i 1.0996 + 0.0304i 1.0177 - 0.0814i-----------------------------------------------------各节点的电压大小V为(节点号从小到大排列):1.1000 1.0759 1.0080 1.0773 1.0191 1.0763 1.0134 1.0778 1.1000 1.0209-----------------------------------------------------各节点的电压相角sida为(节点号从小到大排列):0 -1.1046 -4.4373 -0.9283 -3.5503 -0.8106 -3.7665 -0.27181.5822 -4.5707各节点的功率S为(节点号从小到大排列):Columns 1 through 60.7165 + 0.2587i 0.0000 + 0.0000i -0.3430 - 0.2126i -0.0000 + 0.0000i -0.2040 - 0.1264i -0.0000 + 0.0000iColumns 7 through 10-0.3060 - 0.1896i -0.0000 + 0.0000i 0.5000 + 0.0089i -0.3430 - 0.2126i-----------------------------------------------------各条支路的首端功率Si为(顺序同输入B1时一致):0.3485 + 0.0932iS(1,2)=0.3485+0.093157i-----------------------------------------------------0.3441 + 0.2420iS(2,3)=0.34409+0.24201i-----------------------------------------------------0.1904 + 0.0760iS(1,4)=0.19038+0.07599i-----------------------------------------------------0.2044 + 0.1400iS(4,5)=0.20445+0.13999i-----------------------------------------------------0.1777 + 0.0895iS(1,6)=0.17767+0.089525i------------------------------------------------------0.0163 - 0.0055iS(4,6)=-0.016305-0.0054856i-----------------------------------------------------0.3069 + 0.2128iS(6,7)=0.30686+0.21281i------------------------------------------------------0.1477 - 0.0234iS(6,8)=-0.14767-0.02338i-----------------------------------------------------0.3443 + 0.2509iS(8,10)=0.34427+0.25091i------------------------------------------------------0.4925 - 0.1508iS(8,9)=-0.49251-0.15077i-----------------------------------------------------各条支路的末端功率Sj为(顺序同输入B1时一致):-0.3441 - 0.2420iS(2,1)=-0.34409-0.24201i------------------------------------------------------0.3430 - 0.2126iS(3,2)=-0.343-0.21256i------------------------------------------------------0.1881 - 0.1345iS(4,1)=-0.18815-0.13451i------------------------------------------------------0.2040 - 0.1264iS(5,4)=-0.204-0.12638i------------------------------------------------------0.1755 - 0.1482iS(6,1)=-0.17551-0.14815i-----------------------------------------------------0.0163 - 0.0413iS(6,4)=0.016326-0.041272i------------------------------------------------------0.3060 - 0.1896iS(7,6)=-0.306-0.18962i-----------------------------------------------------0.1482 - 0.1001iS(8,6)=0.14824-0.10014i------------------------------------------------------0.3430 - 0.2126iS(10,8)=-0.343-0.21256i-----------------------------------------------------0.5000 + 0.0089iS(9,8)=0.5+0.0089402i-----------------------------------------------------各条支路的功率损耗DS为(顺序同输入B1时一致):0.0044 - 0.1488iDS(1,2)=0.0044095-0.14885i-----------------------------------------------------0.0011 + 0.0294iDS(2,3)=0.0010897+0.029445i-----------------------------------------------------0.0022 - 0.0585iDS(1,4)=0.0022306-0.058518i-----------------------------------------------------0.0004 + 0.0136iDS(4,5)=0.00044972+0.013613i-----------------------------------------------------0.0022 - 0.0586iDS(1,6)=0.0021584-0.058629i-----------------------------------------------------0.0000 - 0.0468iDS(4,6)=2.1344e-005-0.046758i-----------------------------------------------------0.0009 + 0.0232iDS(6,7)=0.00085804+0.023186i-----------------------------------------------------0.0006 - 0.1235iDS(6,8)=0.00056584-0.12352i-----------------------------------------------------0.0013 + 0.0384iDS(8,10)=0.001267+0.038353i-----------------------------------------------------0.0075 - 0.1418iDS(8,9)=0.0074931-0.14183i----------------------------------------------------- >>。
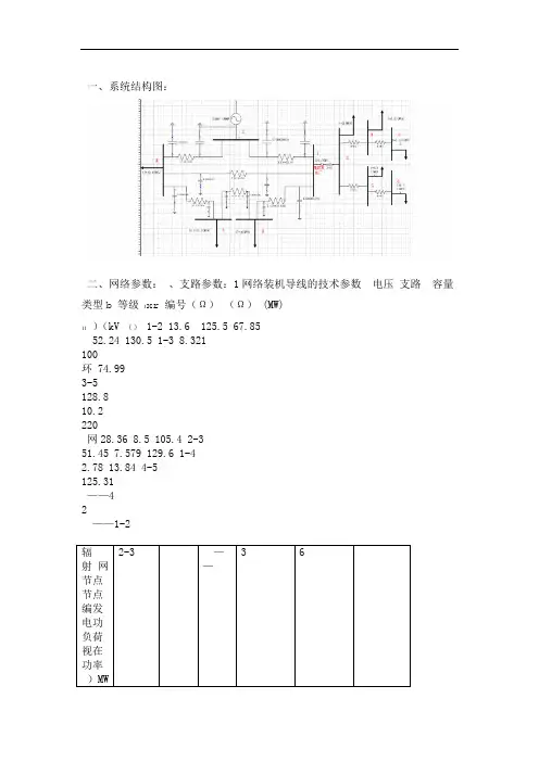
一、系统结构图:二、网络参数:、支路参数:1网络装机导线的技术参数电压支路容量类型b等级1xr编号(Ω)(Ω) (MW)11)(kV () 1-2 13.6 125.5 67.8552.24 130.5 1-3 8.321100环 74.993-5128.810.2220网28.36 8.5 105.4 2-351.45 7.579 129.6 1-42.78 13.84 4-5125.31——42——1-22、节点参数:4+2i 0 2辐6+3.2i 3 0射3+1.44i 4 0网4+3.2i 5 02+1.1i6:三、潮流计算流程图四、matlab程序:clear;输入所需的额定电压%请输入'Un:'); Un=input(PQ=[无功有功 %节点电压Un 0 0Un 4 2Un 6 3.2Un 3 1.44Un 4 3.2.Un 2 1.1];FT=[末端%首端 4 33 26 55 22 1];RX=[% R X4 83 64 41 22 4];节点数%NN=size(PQ,1);支路数数NB=size(FT,1); %初始电压相量%V V=PQ(:,1);maxd=1k=1 maxd>0.0001whilek=k+1;每一次迭代各节点的注入有功和无功相同 PQ2=PQ; % PL=0.0;i=1:NB for前推始节点号% kf=FT(i,1);前推终节点号% kt=FT(i,2);A平方计算沿线电流 / x=(PQ2(kf,2)^2+PQ2(kf,3)^2)/V(kf)/V(kf);% /MW 计算线路有功损耗 losss(i,1)=RX(i,1)*x; %/MW 计算线路无功损耗losss(i,2)=RX(i,2)*x; %/MW RX(i,1)*R%计算支路首端有功PQ1(i,1)=PQ2(kf,2)+RX(i,1)*x;/MW RX(i,2)*X%计算沿支路的无功 PQ1(i,2)=PQ2(kf,3)+RX(i,2)*x;PQ2(kt,2)= PQ2(kt,2)+PQ1(i,1); %用PQ1去修正支路末端节点的有功P 单MW位PQ2(kt,3)= PQ2(kt,3)+PQ1(i,2); %用PQ1去修正支路末端节点的有功Q 单Mvar位endangle(1)=0.0; i=NB:-1:1for回代始节点号 kf=FT(i,2); %回代终节点号kt=FT(i,1); % dv1=(PQ1(i,1)*RX(i,1)+PQ1(i,2)*RX(i,2))/V(kf); %计算支路电压损耗的dv1纵分量 dv2=(PQ1(i,1)*RX(i,2)-PQ1(i,2)*RX(i,1))/V(kf); %计算支路电压损耗的dv2横分量/kV计算支路末端电压 V2(kt)=sqrt((V(kf)-dv1)^2+dv2^2); %计算支路% angle(kt)=angle(kf)+atand(dv2/(V(kf)-dv1));end maxd=abs(V2(2)-V(2));V2(1)=V(1); i=3:1:NN for abs(V2(i)-V(i))>maxd;ifmaxd=abs(V2(i)-V(i));end end计算线路总损耗 fullloss(1,1)=0;% fullloss(1,2)=0;finalPQ=max(PQ1); i=1:NB for fullloss(1,1)=fullloss(1,1)+losss(i,1);fullloss(1,2)=fullloss(1,2)+losss(i,2);end)''辐射网迭代次数:disp(k) 辐射网系统电压差精度:'disp('maxd)'disp('辐射网系统末端节点有功和无功:MVA 即支路首端潮流%finalPQ 潮流分布)辐射网系统总功率损耗:''disp(MVA线路总损耗%fullloss)辐射网系统各支路功率损耗:'disp('MVA%各支路损耗losss)辐射网系统各节点电压幅值:'disp('kV%节点电压模计算结果V=V2)辐射网系统各节点电压相角:'disp('节点电压角度计算结果单位度angle %endclc)'disp('辐射网迭代次数:k) 'disp('辐射网系统电压差精度:maxd)'/MVA:disp('辐射网系统末端节点有功和无功MVA 即支路首端潮流%FinPQ=finalPQ(1,1)+finalPQ(1,2)*j潮流分布):'disp('辐射网系统总功率损耗/MVA MVA%线路总损耗Fulloss=fullloss(1,1)+fullloss(1,2)*j)'辐射网系统各支路功率损耗/MVA:disp('(a=1:5)for MVA各支路损耗LOSS=losss(a,1)+losss(a,2)*j %end)'/KV'辐射网系统各节点电压幅值:disp(kV节点电压模计算结果V=V2 %)'辐射网系统各节点电压相角:disp('节点电压角度计算结果单位度angle %');节点数%input('n=5;');支路数nl=6; %input('');平衡母线节点号isb=1; %input('pr=');误差精度:pr=0.000001; %input('B1=[1,2,13.6+125.5i,0.00006785i,1,0;1,3,8.321+130.5i,0.00005224i,1,0;3,5,10.2+128.8i,0.00007499i,1,0;2,3,8.5+105.4i,0.00002836i,1,0;1,4,7.579+129.6i,0.00005145i,1,0;');%input('由支路参数形成的矩阵4,5,13.84+125.31i,0.0000278i,1,0];B2=[-FinPQ,0,Un,0,0,1;100,0,Un,Un,0,3;0,15+9.4i,Un,0,0,2;0,27+6i,Un,0,0,2;');各节点参数形成的矩阵0,35.5+25.5i,Un,0,0,2]; %input('Y=zeros(n);e=zeros(1,n);f=zeros(1,n);V=zeros(1,n);sida=zeros(1,n);S1=对各矩阵置零%zeros(nl);-------修改部分------------%ym=1;定义视在功率和电压基值%SB=100;UB=Un; 若不是标幺值%if ym~=0定义导纳标幺值 YB=SB./UB./UB; % BB1=B1; BB2=B2;i=1:nl for切换为阻抗标幺值% B1(i,3)=B1(i,3)*YB;切换为导纳标幺值 B1(i,4)=B1(i,4)./YB; %end);B1=' disp('支路矩阵 sparseB1=sparse(B1);B1输出标幺值稀疏矩阵disp(sparseB1) %);'-----------------------------------------------------' disp( i=1:n for切换为视在功率标幺值% B2(i,1)=B2(i,1)./SB;切换为视在功率标幺值% B2(i,2)=B2(i,2)./SB;切换为电压标幺值 B2(i,3)=B2(i,3)./UB; %切换为电压标幺值B2(i,4)=B2(i,4)./UB; %切换为视在功率标幺值B2(i,5)=B2(i,5)./SB; %end);B2=' disp('节点矩阵 sparseB2=sparse(B2);B2输出标幺值稀疏矩阵disp(sparseB2) %end);disp('-----------------------------------------------------'% % %---------------------------------------------------支路数% i=1:nlfor侧左节点处于%1if B1(i,6)==0p=B1(i,1);q=B1(i,2);else使左节点处于低压侧% p=B1(i,2);q=B1(i,1);end求解非对角元导纳 Y(p,q)=Y(p,q)-1./(B1(i,3)*B1(i,5)); %对角元两侧对称Y(q,p)=Y(p,q); %侧KY(q,q)=Y(q,q)+1./(B1(i,3)*B1(i,5)^2)+B1(i,4)./2; %对角元侧%对角元1Y(p,p)=Y(p,p)+1./B1(i,3)+B1(i,4)./2;end求导纳矩阵%); Y=''导纳矩阵disp(sparseY=sparse(Y);输出导纳稀疏矩阵%disp(sparseY));disp('-----------------------------------------------------'%---------------------------------------------------------- %分解出导纳阵的实部和虚部G=real(Y);B=imag(Y);i=1:n for节点初始电压的实部i给定e(i)=real(B2(i,3)); %节点初始电压的虚部if(i)=imag(B2(i,3)); %给定节点电压给定模值V(i)=B2(i,4); %PV end %给定各节点注入功率for i=1:n SG-SL 节点注入功率%i S(i)=B2(i,1)-B2(i,2);节点无功补偿量 B(i,i)=B(i,i)+B2(i,5); %iend%===================================================================定义有功功率和无功功率%P=real(S);Q=imag(S);ICT1=0;IT2=1;N0=2*n;N=N0+1;a=0; %定义迭代次数ICT1和不满足精度要求的IT2节点个数.仍有不满足精度要求的节点 IT2~=0 %while置零IT2=0;a=a+1; %IT2 i=1:n for %非平衡节点ifi~=isbC(i)=0;D(i)=0; j1=1:n forC(i)=C(i)+G(i,j1)*e(j1)-B(i,j1)*f(j1);%Σ(Gij*ej-Bij*fj)D(i)=D(i)+G(i,j1)*f(j1)+B(i,j1)*e(j1);%Σ(Gij*fj+Bij*ej)endP1=C(i)*e(i)+f(i)*D(i);%节点功率P计算eiΣ(Gij*ej-Bij*fj)+fi(Gij*fj+Bij*ej)Σ Q1=C(i)*f(i)-e(i)*D(i);%节点功率Q计算fiΣ(Gij*ej-Bij*fj)-ei(Gij*fj+Bij*ej)ΣP',Q' %求电压模平方 V2=e(i)^2+f(i)^2; % =========Jacobi矩阵元素以下针对非PV节点来求取功率差及%=========节点%非PV if B2(i,6)~=3节点有功功率差 DP=P(i)-P1; % %节点无功功率差DQ=Q(i)-Q1;=================%=============== 以上为除平衡节点外其它节点的功率计算===================矩阵%================= 求取Jacobi j1=1:n for&非对角元非平衡节点 j1~=isb&j1~=i if%X1=-G(i,j1)*e(i)-B(i,j1)*f(i); %X1=N(i,j1)=dDP(i)/de(j1).X2=B(i,j1)*e(i)-G(i,j1)*f(i); %X2=H(i,j1)=dDP(i)/df(j1)X3=X2; %X2=H(i,j1)=dDP(i)/df(j1)=X3=M(i,j1)=dDQ(i)/de(j1)X4=-X1; %X1=N(i,j1)=dDP(i)/de(j1)=-X4=-L(i,j1)=-dDQ(i)/df(j1)p=2*i-1;q=2*j1-1;Q扩展列△ J(p,q)=X3;J(p,N)=DQ;m=p+1;%P扩展列△ J(m,q)=X1;J(m,N)=DP;q=q+1;%矩阵赋值对%JacobiJ(p,q)=X4;J(m,q)=X2;&对角元elseif j1==i&j1~=isb %非平衡节点X1=-C(i)-G(i,i)*e(i)-B(i,i)*f(i);%X1=N(i,i)=dDP(i)/de(i) X2=-D(i)+B(i,i)*e(i)-G(i,i)*f(i);%X2=H(i,i)=dDP(i)/df(i) X3=D(i)+B(i,i)*e(i)-G(i,i)*f(i); %X3=M(i,i)=dDQ(i)/de(i) X4=-C(i)+G(i,i)*e(i)+B(i,i)*f(i);%X4=L(i,i)=dDQ(i)/df(i)Q扩展列△p=2*i-1;q=2*j1-1;J(p,q)=X3;J(p,N)=DQ;% m=p+1;P%扩展列△J(m,q)=X1;q=q+1;J(p,q)=X4;J(m,N)=DP;矩阵赋值JacobiJ(m,q)=X2; %对endendelse===========矩阵的元素Jacobi节点来求取PV下面是针对%===============节点有功误差 DP=P(i)-P1; % PV节点电压误差DV=V(i)^2-V2; % PV j1=1:n for非对角元%非平衡节点&if j1~=isb&j1~=iX1=-G(i,j1)*e(i)-B(i,j1)*f(i); %X1=N(i,j1)=dDP(i)/de(j1)X2=B(i,j1)*e(i)-G(i,j1)*f(i); %X2=H(i,j1)=dDP(i)/df(j1) X5=0;X6=0; %X5=R(i,j1)=X6=S(i,j1)=0V%p=2*i-1;q=2*j1-1;J(p,q)=X5;J(p,N)=DV;扩展列△ m=p+1;P%扩展列△ J(m,q)=X1;J(m,N)=DP;q=q+1;J(p,q)=X6;矩阵赋值对JacobiJ(m,q)=X2; %对角元%非平衡节点&elseifj1==i&j1~=isbX1=-C(i)-G(i,i)*e(i)-B(i,i)*f(i);%X1=N(i,i)=dDP(i)/de(i) X2=-D(i)+B(i,i)*e(i)-G(i,i)*f(i);%X2=H(i,i)=dDP(i)/df(i)% X5=R(i,i)=-2e(i) X5=-2*e(i); % X6=F(i,i)=-2f(i) X6=-2*f(i);V扩展列△ p=2*i-1;q=2*j1-1;J(p,q)=X5;J(p,N)=DV;%m=p+1;P% J(m,q)=X1;J(m,N)=DP;q=q+1;J(p,q)=X6;扩展列△矩阵赋值%对Jacobi J(m,q)=X2;endendendendend=====================%========= 以上为求雅可比矩阵的各个元素fork=3:N0 % N0=2*n (从第三行开始,第一、二行是平衡节点)Q、△ N=2*n+1扩展列△P k1=k+1;N1=N; % N=N0+1 即Q 、△扩展列△P for k2=k1:N1 %非对角元规格化 J(k,k2)=J(k,k2)./J(k,k); %end对角元规格化 J(k,k)=1; %不是第三行 k~=3 %if%============================================================k4=k-1;行消去k4k3行从第三行开始到当前行前的用for k3=3:k4 % 行后各行下三角元素 k2=k1:N1 for% k3消去运算 J(k3,k2)=J(k3,k2)-J(k3,k)*J(k,k2);%endJ(k3,k)=0;endk==N0 if;breakend%========================================== k3=k1:N0fork2=k1:N1for消去运算% J(k3,k2)=J(k3,k2)-J(k3,k)*J(k,k2);endJ(k3,k)=0;endelsek3=k1:N0fork2=k1:N1 for消去运算J(k3,k2)=J(k3,k2)-J(k3,k)*J(k,k2);%endJ(k3,k)=0;endendend%====上面是用线性变换方式将Jacobi矩阵化成单位矩阵(利用线性代数求解电压实部)=====与虚部 k=3:2:N0-1 for L=(k+1)./2;修改节点电压实部%e(L)=e(L)-J(k,N);k1=k+1;修改节点电压虚部% f(L)=f(L)-J(k1,N);end-----------修改节点电压%------ k=3:N0forDET=abs(J(k,N));电压偏差量是否满足要求 DET>=pr %if1不满足要求的节点数加IT2=IT2+1; %endendICT2(a)=IT2; ICT1=ICT1+1;end睜??屖用高斯消去法解%);''迭代次数disp(disp(ICT1););没有达到精度要求的个数''disp(disp(ICT2););disp('-----------------------------------------------------' k=1:n for计算实际电压大小 V(k)=sqrt(e(k)^2+f(k)^2); %计算实际电压相角% sida(k)=atan(f(k)./e(k))*180./pi;计算实际电压相量% E(k)=e(k)+f(k)*j; end ===========================计算各输出量%===============);:'为(节点号从小到大排列)'disp(各节点的实际电压标幺值E sparseE=sparse(E);disp(sparseE);EE=E*UB;);disp('-----------------------------------------------------');':)节点号从小到大排列(为EE各节点的实际电压'disp(sparseEE=sparse(EE);disp(sparseEE););disp('-----------------------------------------------------');'节点号从小到大排列):disp('各节点的电压标幺值幅值V为(sparseV=sparse(V);disp(sparseV););'-----------------------------------------------------'disp(VV=V*UB;);'):VV为(节点号从小到大排列'disp(各节点的电压幅值sparseVV=sparse(VV);disp(sparseVV););disp('-----------------------------------------------------');')(节点号从小到大排列:disp('各节点的电压相角为sparsesida=sparse(sida);disp(sparsesida));'-----------------------------------------------------'disp( p=1:n for C(p)=0; q=1:n for计算电流的共轭C(p)=C(p)+conj(Y(p,q))*conj(E(q));%end计算节点的视在功率% S(p)=E(p)*C(p);end);':)节点号从小到大排列(为S各节点的功率标幺值'disp(sparseS=sparse(S);disp(sparseS););'-----------------------------------------------------'disp();'节点号从小到大排列):disp('各节点的功率实际值SS为(SS=S*SB;sparseSS=sparse(SS);disp(sparseSS););'-----------------------------------------------------'disp();:'为(顺序支路参数矩阵顺序一致)SS disp('各条支路的功率损耗S标幺值和实际值HDDS=0;i=1:nl for p=B1(i,1);q=B1(i,2);Si(p,q)=E(p)*(conj(E(p))*conj(B1(i,4)./2)+(E(p)-E(q))*(conj(E(p))-conj(E(q)))*conj(1./(B1(i,3))))+E(q)*(conj(E(q))*conj(B1(i,4)./2));,num2str(Si(p,q))];')=',num2str(p),',',num2str(q), ZF1=['S(' disp(ZF1);SSi计算各条支路的消耗功率实际值 SSi(p,q)=Si(p,q)*SB;%HDDS=HDDS+SSi(p,q);,num2str(SSi(p,q))];')='',''SS(',num2str(p),,num2str(q),ZF=[ disp(ZF);end);环网总网损为;'disp(',num2str(HDDS)];'HDDS='ZH=[环网总网耗%disp(ZH);ZSS=HDDS+Fulloss;);'disp('总网损为:ZSS五、额定电压不同时对系统参数的分析:(1)额定电压为240V:辐射网:环网:(2)额定电压为220V:辐射网:环网:(3)额定电压为200V:辐射网:环网:结果分析:240V时总损耗为0.8856KVA 220V时为0.95KVA 200V时为0.9828KVA电压等级越高,损耗越小。
课程设计报告学生姓名:学号:学院:班级:题目: 电力系统潮流计算课程设计课设题目及要求一 .题目原始资料1、系统图:两个发电厂分别通过变压器和输电线路与四个变电所相连。
2、发电厂资料: 母线1和2为发电厂高压母线,发电厂一总装机容量为( 300MW ),母线3为机压母线,机压母线上装机容量为( 100MW ),最大负荷和最小负荷分别为50MW 和20MW ;发电厂二总装机容量为( 200MW )。
3、变电所资料:(一) 变电所1、2、3、4低压母线的电压等级分别为:35KV 10KV 35KV10KV(二) 变电所的负荷分别为:60MW 40MW 40MW 50MW(三) 每个变电所的功率因数均为cos φ=0.85;变电所1变电所母线 电厂一 电厂二(四) 变电所1和变电所3分别配有两台容量为75MVA 的变压器,短路损耗414KW ,短路电压(%)=16.7;变电所2和变电所4分别配有两台容量为63MVA 的变压器,短路损耗为245KW ,短路电压(%)=10.5;4、输电线路资料:发电厂和变电所之间的输电线路的电压等级及长度标于图中,单位长度的电阻为Ω17.0,单位长度的电抗为Ω0.402,单位长度的电纳为S -610*2.78。
二、 课程设计基本内容:1. 对给定的网络查找潮流计算所需的各元件等值参数,画出等值电路图。
2. 输入各支路数据,各节点数据利用给定的程序进行在变电所在某一负荷情况下的潮流计算,并对计算结果进行分析。
3. 跟随变电所负荷按一定比例发生变化,进行潮流计算分析。
1) 4个变电所的负荷同时以2%的比例增大;2) 4个变电所的负荷同时以2%的比例下降3) 1和4号变电所的负荷同时以2%的比例下降,而2和3号变电所的负荷同时以2%的比例上升;4. 在不同的负荷情况下,分析潮流计算的结果,如果各母线电压不满足要求,进行电压的调整。
(变电所低压母线电压10KV 要求调整范围在9.5-10.5之间;电压35KV 要求调整范围在35-36之间)5. 轮流断开支路双回线中的一条,分析潮流的分布。
一、实训目的本次实训旨在通过实际操作,加深对电力系统潮流计算理论和方法的理解,掌握电力系统潮流计算的基本步骤和常用算法,提高解决实际电力系统运行问题的能力。
二、实训内容1. 实训背景实训选取我国某地区典型电力系统进行潮流计算,该系统包含若干发电厂、变电站、输电线路和负荷,采用双绕组变压器和单相交流系统。
2. 实训步骤(1)建立电力系统模型根据实训提供的系统参数,建立电力系统节点、支路和设备模型,包括节点电压、支路阻抗、变压器变比、负荷等。
(2)选择潮流计算方法本实训采用牛顿-拉夫逊法进行潮流计算,该方法适用于大型电力系统计算,收敛速度快,精度高。
(3)编写潮流计算程序利用编程语言(如MATLAB、Python等)编写潮流计算程序,实现牛顿-拉夫逊法的基本步骤,包括计算雅可比矩阵、求解修正方程等。
(4)进行潮流计算运行潮流计算程序,对电力系统进行潮流计算,得到各节点电压、支路电流、功率损耗等数据。
(5)分析计算结果对计算结果进行分析,包括节点电压是否满足要求、支路电流是否越限、功率损耗是否合理等。
3. 实训结果(1)节点电压通过潮流计算,得到各节点电压值,并与设计要求进行比较。
结果显示,大部分节点电压满足要求,但部分节点电压略低于设计值,需进一步分析原因。
(2)支路电流计算各支路电流,并与额定电流进行比较。
结果显示,大部分支路电流未超过额定电流,但部分支路电流接近额定值,需注意运行安全。
(3)功率损耗计算系统总功率损耗,并与设计值进行比较。
结果显示,系统功率损耗略高于设计值,需优化运行方式,降低损耗。
三、实训总结1. 实训收获通过本次实训,我对电力系统潮流计算有了更深入的理解,掌握了牛顿-拉夫逊法的基本原理和编程实现方法。
同时,提高了分析电力系统运行问题的能力。
2. 实训体会(1)电力系统潮流计算是电力系统运行、规划、设计等方面的重要基础,掌握潮流计算方法对电力系统工作人员具有重要意义。
(2)编程能力在电力系统潮流计算中发挥着重要作用,熟练掌握编程语言有助于提高工作效率。
电力系统潮流计算数字仿真实验实验报告(PASAP软件的使用)电力系统潮流计算数字仿真实验实验报告班级姓名学号五节点潮流计算(原图) (3)不同负荷水平时刻的潮流计算——负荷加倍 (6)各节点负荷减半作为谷时 (8)两种不同运行方式的潮流计算 (10)两种不同调度结果的潮流计算 (12)2一、五节点潮流计算(原图)结果导出:①物理母线单位:kA\kV\MW\Mvar区域分区厂站全网全网全网母线名称电压幅值电压相角-------- -------- --------* b 103.48250 -8.0217g 217.28740 -5.1551x 106.31940 -10.2418Ⅰ 242.00000 0Ⅱ 116.39210 -2.35793②发电机单位:kA\kV\MW\Mvar区域分区厂站全网全网全网发电机名称母线名类型有功发电无功发电功率因数---------- ------ ---- -------- -------- -------- Gen_1 Ⅰ Vθ 202.4800 155.9800 0.79220 Gen_2 Ⅱ PQ 40.0000 30.0000 0.80000 Gen_3 g PQ0.0000 10.0000 0.00000③负荷结果报表单位:kA\kV\MW\Mvar区域分区厂站全网全网全网负荷名称母线名类型有功负荷无功负荷功率因数-------- ------ ---- -------- -------- -------- Load_1 b PQ 50.0000 30.0000 0.85749 Load_3 x PQ 180.0000 100.00000.87416④交流线结果报表单位:kA\kV\MW\Mvar区域分区全网全网交流线名称 I侧母线 J侧母线 I侧电压 I侧有功 I侧无功---------- ------- -------- ------- ------- ------- AC_1 Ⅰ g 242.00000 180.4800 162.8100 AC_3 Ⅱ b 116.39210 61.9700 22.1800 AC_9 bx 103.48250 6.7700 -15.8100 J侧电压 J侧有功 J侧无功------- ------- -------217.28740 174.5300 131.0300103.48250 56.7700 14.1900106.31940 6.3200 -16.50004⑤两绕组变压器结果报表单位:kA\kV\MW\Mvar区域分区厂站全网全网全网两绕组变压器名称 I侧母线 J侧母线 I侧有功---------------- ------- ------- -------T2w_1 ⅠⅡ 21.9900 T2w_2 g x 174.5300I侧无功 J侧有功 J侧无功------- ------- --------6.8200 21.9600 -7.8200141.0300 173.6800 116.50005二、不同负荷水平时刻的潮流计算——负荷加倍问题:如果不增加无功功率,负荷在正常运行基础上加倍时潮流计算不成功,因为根据电压损耗公式,负荷加倍后电压损耗变大,部分母线电压过低,所以潮流计算不成功。
电力系统流量计算课程设计课程主题和要求1、题目的原始数据1、系统图:两座发电厂分别通过变压器和输电线路与四个变电站相连。
2.电厂信息:1、2为电厂高压母线。
第一电厂总装机容量为(300MW ),母线3为机压母线。
机压母线装机容量为(100MW ),最大和最小负荷分别为50MW 和20MW 。
;第二电厂总装机容量为(200MW )。
变电所1变电所母线电厂一 电厂二3、变电站信息:(一) 1、2、3、4变电站低压母线电压等级为:35KV 10KV 35KV 10KV (二)变电站负荷为:60MW 40MW 40MW 50MW (三) 各变电站功率因数cos φ=0.85;(四)1、3变电站分别配备两台容量为75MVA 的变压器,短路损耗为414KW ,短路电压(%)=16.7;变电站2、变电站4分别配备两台容量为63MVA 的变压器,短路损耗为245KW ,短路电压(%)=10.5;4、输电线路信息:电厂与变电站之间输电线路的电压等级和长度如图所示,Ω17.0单位长度电阻为 ,单位长度电抗Ω0.402为 ,单位长度电纳为S -610*2.78。
二、 课程设计的基本内容:1. 给定网络,并画出等效电路图。
2. 输入各支路数据,在变电站一定负荷条件下,通过给定程序计算各节点数据,并对计算结果进行分析。
3. 跟随变电站负荷按一定比例变化,进行潮流计算分析。
1) 4个变电站负荷同时增加2%; 2) 4个变电站负荷同时降低2%3) 1、4号变电站负荷同时下降2%,2、3号变电站负荷同时上升2%; 4. 在不同的负载条件下,分析潮流计算的结果,如果每条母线的电压不符合要求,则调整电压。
(变电站低压母线电压10KV 需要在9.5-10.5之间调整;35KV 电压需要在35-36之间调整)5. 断开支路双回线路之一,分析潮流分布。
(好几根树枝断了好几次)6. 使用DDRTS 软件,绘制系统图,分析上述各种情况的流程,并比较结果。
南昌大学实验报告学生姓名:学号:专业班级:实验类型:□验证□综合■设计□创新实验日期:实验成绩:一、实验项目名称直流潮流计算实验二、实验目的与要求:目的:电力系统分析的潮流计算是电力系统分析的一个重要的部分。
通过对电力系统潮流分布的分析和计算,可进一步对系统运行的安全性,经济性进行分析、评估,提出改进措施。
电力系统潮流的计算和分析是电力系统运行和规划工作的基础。
潮流计算是指对电力系统正常运行状况的分析和计算。
通常需要已知系统参数和条件,给定一些初始条件,从而计算出系统运行的电压和功率等;潮流计算方法很多:高斯-塞德尔法、牛顿-拉夫逊法、P-Q分解法、直流潮流法,以及由高斯-塞德尔法、牛顿-拉夫逊法演变的各种潮流计算方法。
本实验采用直流潮流算法进行电力系统分析的潮流计算程序的编制与调试,获得电力系统中各个支路的有功分布,为进一步进行电力系统分析作准备。
通过实验教学加深学生对电力系统潮流计算原理的理解和计算,初步学会运用计算机知识解决电力系统的问题,掌握潮流计算的过程及其特点。
熟悉各种常用应用软件,熟悉硬件设备的使用方法,加强编制调试计算机程序的能力,提高工程计算的能力,学习如何将理论知识和实际工程问题结合起来。
要求:编制调试电力系统潮流计算的计算机程序。
程序要求根据已知的电力网的数学模型(节点导纳矩阵)及各节点参数,完成该电力系统的潮流计算,要求计算出节点电压、功率等参数。
三、实验基本原理(一)、直流潮流的介绍在电力系统稳态分析课程中,我们已经学习过有关高斯-塞德尔和牛顿-拉夫逊等潮流计算方法,它们所面对的是个非线性方程组求解问题。
虽然这些方法都具有一定的精度,但计算量较大,这显然不适应形成电网规划方案时多次而反复的潮流计算要求。
直流潮流模型是把非线性电力潮流问题简化为线形电路问题,从而使分析计算非常方便,直流潮流专门用于研究电网中有功潮流的分布。
(二)、直流潮流算法的形成过程对下图所示等值电路图,对于之路(i,j ),如果忽略其并联支路,例如忽略线路的充电电容。
课程设计报告一、课程设计的目的与要求培养学生的电力系统潮流计算机编程能力,掌握计算机潮流计算的相关知识二、设计正文(详细内容见附录)总体步骤如下:读入相关数据 -> 构造节点导纳阵Y -> 计算ΔP,ΔQ,构造Δf -> 构造雅克比矩阵 -> 计算潮流分布(包括迭代修正数据) -> 输出结果3 2 1母线数据1 3 1.0 0 0 0 0 02 1 1.0 0 0.8 0.6 0 03 2 1.1 0 0 0 0.4 0支路数据1 1 3 1 0.0497 0.2000 0 02 1 2 1 0.0100 0.0400 0 0接地支路1 3 0 0.33迭代数量:iteration = 3计算结果:电压相角(弧度)相角1 0 00.96653 -0.0269036 -1.541461.1 0.05205522.98255母线上的P和Q注入:编号 P Q1 0.425894 0.2458942 -0.8 -0.63 0.4 0.0587502线路潮流分布:编号 I J Sij Sji1 1 3 -0.38481+j-0.396925 -0.139061+j0.5920072 1 2 0.810705+j0.642819 0.423529+j-0.905883功率损耗:Ploss = 0.0258945 Qloss = -0.2953569 9 0母线数据1 3 1.04 0. 0. 0. 71.641 27.045922 2 1.025 0. 0. 0. 163. 6.653663 2 1.025 0. 0. 0. 85. -10.85974 1 1. 0. 0. 0. 0. 0.5 1 1. 0. 125. 50. 0. 0.6 1 1. 0. 90. 30. 0. 0.7 1 1. 0. 0. 0. 0. 0.8 1 1. 0. 100. 35. 0. 0.9 1 1. 0. 0. 0. 0. 0. 支路数据1 4 12 0. 0.0576 0. 1.2 7 2 2 0. 0.0625 0. 1.3 9 3 2 0. 0.0586 0. 1.4 7 8 1 0.0085 0.072 0.149 05 9 8 1 0.0119 0.1008 0.209 06 7 5 1 0.032 0.161 0.306 07 9 6 1 0.039 0.17 0.358 08 5 4 1 0.01 0.085 0.176 09 6 4 1 0.017 0.092 0.158 0迭代数量:iteration = 4计算结果:电压相角(弧度)相角1.04 0 01.025 0.165578 9.486941.025 0.0833249 4.774171.0105 -0.039445 -2.260050.9727 -0.070866 -4.060350.9890 -0.064734 -3.709031.0113 0.067145 3.847140.9972 0.013673 0.783421.0180 0.0355712.03811母线上的P和Q注入:编号 P Q1 0.71641 0.5468462 1.63 0.3040183 0.85 0.1424344 0 05 -1.25 -0.56 -0.9 -0.37 0 08 -1 -0.359 0 0线路潮流分布:编号 I J Sij Sji1 4 1 -0.719499+j-0.503352 -0.719499+j0.5468462 7 2 -1.63+j-0.140465 -1.63+j0.3040183 9 3 -0.85+j-0.101004 -0.85+j0.1424344 7 8 0.763816+j0.0521904 0.717905+j-0.3345885 9 8 0.242231+j0.0755265 0.193826+j-0.3301066 7 5 0.866184+j-0.0280722 0.775227+j-0.4739837 9 6 0.607769+j-0.121426 0.533117+j-0.436418 5 4 -0.407805+j-0.461515 -0.305617+j0.4004949 6 4 -0.306286+j-0.248276 -0.222811+j0.200074功率损耗:Ploss = 0.0494989 Qloss = -0.156702三、课程设计总结或结论本次课程实验有如下的收获:1.学会使用基本的c++语法进行程序编写,掌握了指针与数组的关系与其应用。
Beijing Jiaotong University电力系统潮流计算仿真报告…姓名:TYP班级:电气0906学号:指导老师:吴俊勇完成日期:一、实验内容电力系统潮流计算是研究电力系统稳态运行情况的一种基本电气计算。
它的任务是根据给定的运行条件和网路结构确定整个系统的运行状态,如各母线上的电压(幅值及相角)、网络中的功率分布以及功率损耗等。
电力系统潮流计算的结果是电力系统稳定计算和故障分析的基础。
对于简单系统,可以将其分为开式网络和闭式网络手工计算。
对于复杂电力系统,根据定解条件,应用牛顿—拉夫逊法进行计算,在手工计算中,由于涉及大量变量、微分方程、矩阵计算,求解很烦琐,而且容易出错,计算不同系统时需要重新计算。
故而我们可以借助计算机来进行潮流计算,方便快捷且准确率高。
二、计算机潮流计算方法@我们常用牛顿—拉夫逊法来进行潮流计算。
牛顿—拉夫逊法(简称牛顿法)在数学上是求解非线性代数方程式的有效方法,其要点是把非线性方程式的求解过程变成反复地对相应的线性方程式进行求解的过程,即通常所称的逐次线性化过程。
1、基本原理从几何意义上,牛顿—拉夫逊法实质上就是切线法,是一种逐步线性化的方法。
2、牛顿—拉夫逊法潮流求解过程以下讨论的是用直角坐标形式的牛顿—拉夫逊法潮流的求解过程。
当采用直角坐标时,潮流问题的待求量为各节点电压的实部和虚部两个分量,由于平衡节点的电压向量是给定的,因此待求量共2(n-1)需要2(n-1)个方程式。
事实上,除了平衡节点的功率方程式在迭代过程中没有约束作用以外,其余每个节点都可以列出两个方程式。
求解过程大致可以分为以下步骤:!(1)形成节点导纳矩阵;(2)将各节点电压设初值;(3)将节点初值代入相关求式,求出修正方程式的常数项向量;(4)将节点电压初值代入求式,求出雅可比矩阵元素;(5)求解修正方程,求修正向量;(6)求取节点电压的新值;(7)检查是否收敛,如不收敛,则以各节点电压的新值作为初值自第3步重新开始进行狭义次迭代,否则转入下一步;(8)计算支路功率分布,PV节点无功功率和平衡节点功率。
Beijing Jiaotong University电力系统潮流计算仿真报告姓名:TYP班级:电气0906学号:09291183指导老师:吴俊勇完成日期:2019.6.24一、实验内容电力系统潮流计算是研究电力系统稳态运行情况的一种基本电气计算。
它的任务是根据给定的运行条件和网路结构确定整个系统的运行状态,如各母线上的电压(幅值及相角)、网络中的功率分布以及功率损耗等。
电力系统潮流计算的结果是电力系统稳定计算和故障分析的基础。
对于简单系统,可以将其分为开式网络和闭式网络手工计算。
对于复杂电力系统,根据定解条件,应用牛顿—拉夫逊法进行计算,在手工计算中,由于涉及大量变量、微分方程、矩阵计算,求解很烦琐,而且容易出错,计算不同系统时需要重新计算。
故而我们可以借助计算机来进行潮流计算,方便快捷且准确率高。
二、计算机潮流计算方法我们常用牛顿—拉夫逊法来进行潮流计算。
牛顿—拉夫逊法(简称牛顿法)在数学上是求解非线性代数方程式的有效方法,其要点是把非线性方程式的求解过程变成反复地对相应的线性方程式进行求解的过程,即通常所称的逐次线性化过程。
1、基本原理从几何意义上,牛顿—拉夫逊法实质上就是切线法,是一种逐步线性化的方法。
2、牛顿—拉夫逊法潮流求解过程以下讨论的是用直角坐标形式的牛顿—拉夫逊法潮流的求解过程。
当采用直角坐标时,潮流问题的待求量为各节点电压的实部和虚部两个分量,由于平衡节点的电压向量是给定的,因此待求量共2(n-1)需要2(n-1)个方程式。
事实上,除了平衡节点的功率方程式在迭代过程中没有约束作用以外,其余每个节点都可以列出两个方程式。
求解过程大致可以分为以下步骤:(1)形成节点导纳矩阵;(2)将各节点电压设初值;(3)将节点初值代入相关求式,求出修正方程式的常数项向量;(4)将节点电压初值代入求式,求出雅可比矩阵元素;(5)求解修正方程,求修正向量;(6)求取节点电压的新值;(7)检查是否收敛,如不收敛,则以各节点电压的新值作为初值自第3步重新开始进行狭义次迭代,否则转入下一步;(8)计算支路功率分布,PV节点无功功率和平衡节点功率。
华北电⼒⼤学电⼒系统过电压上机计算《电⼒系统过电压》课程设计任务书⼀、⽬的与要求1.熟练使⽤EMTP程序。
2.掌握集中参数、分布参数回路中的暂态计算⽅法。
3.了解输电线路⼯频过电压、操作过电压的数值计算⽅法。
掌握限制⼯频过电压、操作过电压的主要措施,并评价其效果。
4.了解输电线路防雷分析的数值计算⽅法。
⼆、主要内容1.EMTP简介;2.简单的集中参数电路、分布参数电路暂态计算集中参数电路暂态计算;⾮线性电感电路计算;电容放电电路计算;分压器的电位分布;断路器触头恢复电压计算;波在单相线路上的传播;冲击波作⽤于单相线路的研究;180km分布参数输电线路及集中参数电路计算。
计算参数见附录1。
3.⼯频过电压计算与分析输电线路在正常送电状态下甩负荷⼯频过电压计算;单相接地故障⼯频过电压计算;两相接地故障⼯频过电压计算;并联电抗器的作⽤。
4.操作过电压计算与分析合闸、重合闸空载输电线路的统计操作过电压计算;统计开关的应⽤;并联电抗器、避雷器的作⽤。
5.输电线路耐雷⽔平计算在考虑接地电阻变化的情况,得出输电线路耐雷⽔平三、进度计划四、设计成果要求1.计算程序(电⼦版),包括原始数据输⼊⽂件(*.adp,*.atp)、计算结果输出⽂件(*.lis),*为学号。
2.设计报告,包括简单的集中参数电路、分布参数电路暂态计算、⼯频过电压(或操作过电压、线路耐雷⽔平)计算结果及分析。
五、考核⽅式综合以下⽅式给定成绩(五级计分制)。
1.程序、设计报告等设计成果。
40%2.独⽴⼯作能⼒及设计过程的表现。
60%六、参考书1.实验教材:《A《电⼒系统过电压上机计算指导书》2.《ATP使⽤说明》电⼦版3.《过电压防护及绝缘配合》,张纬钹编著,清华⼤学出版社,2002年5⽉第1版4.《国家电⽹公司输变电⼯程典型设计---330kV输电线路部分》中国电⼒出社版5.《国家电⽹公司输变电⼯程典型设计---220kV输电线路部分》中国电⼒出社版6.《国家电⽹公司输变电⼯程典型设计---500kV输电线路部分》中国电⼒出社版7.《国家电⽹公司输变电⼯程典型设计---110kV输电线路部分》中国电⼒出社版学⽣姓名:指导教师:屠幼萍2007 年12 ⽉28 ⽇附件1 简单的集中参数电路、分布参数电路暂态计算练习题习题1集中参数电路暂计算步长s t 01.0=?,最⼤计算时间:s t 10max =。
潮流计算报告一、系统结构图:二、网络参数:1、支路参数:网络类型支路编号电压等级(kV)装机容量(MW)导线的技术参数1r(Ω)1x(Ω)1b()环网1-222010013.6 125.5 67.85 1-3 8.321 130.5 52.24 3-5 10.2 128.8 74.99 2-3 8.5 105.4 28.36 1-4 7.579 129.6 51.45 4-5 13.84 125.31 2.78辐射网1-2————2 4——2-3 3 63-4 4 82-5 1 25-6 4 42、节点参数:节点类型节点编号发电功率(MW)负荷视在功率环网1 0 未知(平衡节点)2 100 0(PV节点)3 0 15+9.4i4 0 27+6i5 0 35.5+25.5i辐射网1 0 未知(平衡节点)2 0 4+2i3 0 6+3.2i4 0 3+1.44i5 0 4+3.2i6 0 2+1.1i三、潮流计算流程图:Un 2 1.1];FT=[%首端末端4 33 26 55 22 1];RX=[% R X4 83 64 41 22 4];NN=size(PQ,1); %节点数NB=size(FT,1); %支路数数V=PQ(:,1); %V初始电压相量maxd=1k=1while maxd>0.0001k=k+1;PQ2=PQ; %每一次迭代各节点的注入有功和无功相同PL=0.0;for i=1:NBkf=FT(i,1); %前推始节点号kt=FT(i,2); %前推终节点号x=(PQ2(kf,2)^2+PQ2(kf,3)^2)/V(kf)/V(kf);%计算沿线电流 /平方Alosss(i,1)=RX(i,1)*x; %计算线路有功损耗 /MWlosss(i,2)=RX(i,2)*x; %计算线路无功损耗/MWPQ1(i,1)=PQ2(kf,2)+RX(i,1)*x; %计算支路首端有功/MW RX(i,1)*RPQ1(i,2)=PQ2(kf,3)+RX(i,2)*x; %计算沿支路的无功/MW RX(i,2)*XPQ2(kt,2)= PQ2(kt,2)+PQ1(i,1); %用PQ1去修正支路末端节点的有功P 单位MWPQ2(kt,3)= PQ2(kt,3)+PQ1(i,2); %用PQ1去修正支路末端节点的有功Q 单位Mvarendangle(1)=0.0;for i=NB:-1:1kf=FT(i,2); %回代始节点号kt=FT(i,1); %回代终节点号dv1=(PQ1(i,1)*RX(i,1)+PQ1(i,2)*RX(i,2))/V(kf); %计算支路电压损耗的纵分量dv1dv2=(PQ1(i,1)*RX(i,2)-PQ1(i,2)*RX(i,1))/V(kf); %计算支路电压损耗的横分量dv2V2(kt)=sqrt((V(kf)-dv1)^2+dv2^2); %计算支路末端电压/kV angle(kt)=angle(kf)+atand(dv2/(V(kf)-dv1)); %计算支路endmaxd=abs(V2(2)-V(2));V2(1)=V(1);for i=3:1:NNif abs(V2(i)-V(i))>maxd;maxd=abs(V2(i)-V(i));endendfullloss(1,1)=0;%计算线路总损耗fullloss(1,2)=0;finalPQ=max(PQ1);for i=1:NBfullloss(1,1)=fullloss(1,1)+losss(i,1);fullloss(1,2)=fullloss(1,2)+losss(i,2);enddisp('辐射网迭代次数:')kdisp('辐射网系统电压差精度:')maxddisp('辐射网系统末端节点有功和无功:')finalPQ %潮流分布即支路首端潮流MVAdisp('辐射网系统总功率损耗:')fullloss %线路总损耗MVAdisp('辐射网系统各支路功率损耗:')losss %各支路损耗MVAdisp('辐射网系统各节点电压幅值:')V=V2 %节点电压模计算结果kVdisp('辐射网系统各节点电压相角:')angle %节点电压角度计算结果单位度endclcdisp('辐射网迭代次数:')kdisp('辐射网系统电压差精度:')maxddisp('辐射网系统末端节点有功和无功/MVA:')FinPQ=finalPQ(1,1)+finalPQ(1,2)*j %潮流分布即支路首端潮流MVA disp('辐射网系统总功率损耗/MVA:')Fulloss=fullloss (1,1)+fullloss(1,2)*j %线路总损耗MVA disp('辐射网系统各支路功率损耗/MVA:')for(a=1:5)LOSS=losss (a,1)+losss(a,2)*j %各支路损耗MVAenddisp('辐射网系统各节点电压幅值/KV:')V=V2 %节点电压模计算结果kVdisp('辐射网系统各节点电压相角:')angle %节点电压角度计算结果单位度n=5; %input('节点数');nl=6; %input('支路数');isb=1; %input('平衡母线节点号');pr=0.000001; %input('误差精度:pr=');B1=[1,2,13.6+125.5i,0.00006785i,1,0;1,3,8.321+130.5i,0.00005224i,1,0;3,5,10.2+128.8i,0.00007499i,1,0;2,3,8.5+105.4i,0.00002836i,1,0;1,4,7.579+129.6i,0.00005145i,1,0;4,5,13.84+125.31i,0.0000278i,1,0]; %input('由支路参数形成的矩阵');B2=[-FinPQ,0,Un,0,0,1;100,0,Un,Un,0,3;0,15+9.4i,Un,0,0,2;0,27+6i,Un,0,0,2;0,35.5+25.5i,Un,0,0,2]; %input('各节点参数形成的矩阵');Y=zeros(n);e=zeros(1,n);f=zeros(1,n);V=zeros(1,n);sida=zeros(1,n);S1= zeros(nl);%对各矩阵置零%-------修改部分------------ym=1;SB=100;UB=Un; %定义视在功率和电压基值if ym~=0 %若不是标幺值YB=SB./UB./UB; %定义导纳标幺值BB1=B1;BB2=B2;for i=1:nlB1(i,3)=B1(i,3)*YB; %切换为阻抗标幺值B1(i,4)=B1(i,4)./YB; %切换为导纳标幺值enddisp('支路矩阵B1=');sparseB1=sparse(B1);disp(sparseB1) %输出标幺值稀疏矩阵B1disp('-----------------------------------------------------');for i=1:nB2(i,1)=B2(i,1)./SB; %切换为视在功率标幺值B2(i,2)=B2(i,2)./SB; %切换为视在功率标幺值B2(i,3)=B2(i,3)./UB; %切换为电压标幺值B2(i,4)=B2(i,4)./UB; %切换为电压标幺值B2(i,5)=B2(i,5)./SB; %切换为视在功率标幺值enddisp('节点矩阵B2=');sparseB2=sparse(B2);disp(sparseB2) %输出标幺值稀疏矩阵B2enddisp('-----------------------------------------------------');% % %---------------------------------------------------for i=1:nl %支路数if B1(i,6)==0 %左节点处于1侧p=B1(i,1);q=B1(i,2);elsep=B1(i,2);q=B1(i,1); %使左节点处于低压侧endY(p,q)=Y(p,q)-1./(B1(i,3)*B1(i,5)); %求解非对角元导纳Y(q,p)=Y(p,q); %对角元两侧对称Y(q,q)=Y(q,q)+1./(B1(i,3)*B1(i,5)^2)+B1(i,4)./2; %对角元K侧Y(p,p)=Y(p,p)+1./B1(i,3)+B1(i,4)./2; %对角元1侧end%求导纳矩阵disp('导纳矩阵 Y=');sparseY=sparse(Y);disp(sparseY) %输出导纳稀疏矩阵disp('-----------------------------------------------------');%----------------------------------------------------------G=real(Y);B=imag(Y); %分解出导纳阵的实部和虚部for i=1:ne(i)=real(B2(i,3)); %给定i节点初始电压的实部f(i)=imag(B2(i,3)); %给定i节点初始电压的虚部V(i)=B2(i,4); %PV节点电压给定模值endfor i=1:n %给定各节点注入功率S(i)=B2(i,1)-B2(i,2); %i节点注入功率SG-SLB(i,i)=B(i,i)+B2(i,5); %i节点无功补偿量end%=================================================================== P=real(S);Q=imag(S); %定义有功功率和无功功率ICT1=0;IT2=1;N0=2*n;N=N0+1;a=0; %定义迭代次数ICT1和不满足精度要求的节点个数IT2while IT2~=0 %仍有不满足精度要求的节点IT2=0;a=a+1; %IT2置零for i=1:nif i~=isb %非平衡节点C(i)=0;D(i)=0;for j1=1:nC(i)=C(i)+G(i,j1)*e(j1)-B(i,j1)*f(j1);%Σ(Gij*ej-Bij*fj)D(i)=D(i)+G(i,j1)*f(j1)+B(i,j1)*e(j1);%Σ(Gij*fj+Bij*ej)endP1=C(i)*e(i)+f(i)*D(i);%节点功率P计算eiΣ(Gij*ej-Bij*fj)+fi Σ(Gij*fj+Bij*ej)Q1=C(i)*f(i)-e(i)*D(i);%节点功率Q计算fiΣ(Gij*ej-Bij*fj)-ei Σ(Gij*fj+Bij*ej)%求P',Q'V2=e(i)^2+f(i)^2; %电压模平方%========= 以下针对非PV节点来求取功率差及Jacobi矩阵元素 =========if B2(i,6)~=3 %非PV节点DP=P(i)-P1; %节点有功功率差DQ=Q(i)-Q1; %节点无功功率差%=============== 以上为除平衡节点外其它节点的功率计算 =================%================= 求取Jacobi矩阵 ===================for j1=1:nif j1~=isb&j1~=i %非平衡节点&非对角元X1=-G(i,j1)*e(i)-B(i,j1)*f(i); %X1=N(i,j1)=dDP(i)/de(j1)X2=B(i,j1)*e(i)-G(i,j1)*f(i); %X2=H(i,j1)=dDP(i)/df(j1)X3=X2; %X2=H(i,j1)=dDP(i)/df(j1)=X3=M(i,j1)=dDQ(i)/de(j1)X4=-X1; %X1=N(i,j1)=dDP(i)/de(j1)=-X4=-L(i,j1)=-dDQ(i)/df(j1)p=2*i-1;q=2*j1-1;J(p,q)=X3;J(p,N)=DQ;m=p+1;%扩展列△QJ(m,q)=X1;J(m,N)=DP;q=q+1;%扩展列△PJ(p,q)=X4;J(m,q)=X2; %对Jacobi矩阵赋值elseif j1==i&j1~=isb %非平衡节点&对角元X1=-C(i)-G(i,i)*e(i)-B(i,i)*f(i);%X1=N(i,i)=dDP(i)/de(i)X2=-D(i)+B(i,i)*e(i)-G(i,i)*f(i);%X2=H(i,i)=dDP(i)/df(i)X3=D(i)+B(i,i)*e(i)-G(i,i)*f(i); %X3=M(i,i)=dDQ(i)/de(i)X4=-C(i)+G(i,i)*e(i)+B(i,i)*f(i);%X4=L(i,i)=dDQ(i)/df(i)p=2*i-1;q=2*j1-1;J(p,q)=X3;J(p,N)=DQ;%扩展列△Q m=p+1;J(m,q)=X1;q=q+1;J(p,q)=X4;J(m,N)=DP;%扩展列△PJ(m,q)=X2; %对Jacobi矩阵赋值endendelse%=============== 下面是针对PV节点来求取Jacobi矩阵的元素 ===========DP=P(i)-P1; % PV节点有功误差DV=V(i)^2-V2; % PV节点电压误差for j1=1:nif j1~=isb&j1~=i %非平衡节点&非对角元X1=-G(i,j1)*e(i)-B(i,j1)*f(i); %X1=N(i,j1)=dDP(i)/de(j1)X2=B(i,j1)*e(i)-G(i,j1)*f(i); %X2=H(i,j1)=dDP(i)/df(j1)X5=0;X6=0; %X5=R(i,j1)=X6=S(i,j1)=0p=2*i-1;q=2*j1-1;J(p,q)=X5;J(p,N)=DV;%扩展列△V m=p+1;J(m,q)=X1;J(m,N)=DP;q=q+1;J(p,q)=X6;%扩展列△PJ(m,q)=X2; %对Jacobi矩阵赋值elseif j1==i&j1~=isb %非平衡节点&对角元X1=-C(i)-G(i,i)*e(i)-B(i,i)*f(i);%X1=N(i,i)=dDP(i)/de(i)X2=-D(i)+B(i,i)*e(i)-G(i,i)*f(i);%X2=H(i,i)=dDP(i)/df(i)X5=-2*e(i); % X5=R(i,i)=-2e(i) X6=-2*f(i); % X6=F(i,i)=-2f(i) p=2*i-1;q=2*j1-1;J(p,q)=X5;J(p,N)=DV;%扩展列△V m=p+1;J(m,q)=X1;J(m,N)=DP;q=q+1;J(p,q)=X6;%扩展列△PJ(m,q)=X2; %对Jacobi矩阵赋值endendendendend%========= 以上为求雅可比矩阵的各个元素 =====================for k=3:N0 % N0=2*n (从第三行开始,第一、二行是平衡节点)k1=k+1;N1=N; % N=N0+1 即 N=2*n+1扩展列△P、△Qfor k2=k1:N1 % 扩展列△P、△QJ(k,k2)=J(k,k2)./J(k,k); % 非对角元规格化endJ(k,k)=1; % 对角元规格化if k~=3 % 不是第三行%========================================================== ==k4=k-1;for k3=3:k4 % 用k3行从第三行开始到当前行前的k4行消去for k2=k1:N1 % k3行后各行下三角元素J(k3,k2)=J(k3,k2)-J(k3,k)*J(k,k2);%消去运算endJ(k3,k)=0;endif k==N0break;end%==========================================for k3=k1:N0for k2=k1:N1J(k3,k2)=J(k3,k2)-J(k3,k)*J(k,k2);%消去运算endJ(k3,k)=0;endelsefor k3=k1:N0for k2=k1:N1J(k3,k2)=J(k3,k2)-J(k3,k)*J(k,k2);%消去运算endJ(k3,k)=0;endendend%====上面是用线性变换方式将Jacobi矩阵化成单位矩阵(利用线性代数求解电压实部与虚部)=====for k=3:2:N0-1L=(k+1)./2;e(L)=e(L)-J(k,N); %修改节点电压实部k1=k+1;f(L)=f(L)-J(k1,N); %修改节点电压虚部end%------修改节点电压-----------for k=3:N0DET=abs(J(k,N));if DET>=pr %电压偏差量是否满足要求IT2=IT2+1; %不满足要求的节点数加1endendICT2(a)=IT2;ICT1=ICT1+1;end%用高斯消去法解"w=-J*V"disp('迭代次数');disp(ICT1);disp('没有达到精度要求的个数');disp(ICT2);disp('-----------------------------------------------------'); for k=1:nV(k)=sqrt(e(k)^2+f(k)^2); %计算实际电压大小sida(k)=atan(f(k)./e(k))*180./pi;%计算实际电压相角E(k)=e(k)+f(k)*j; %计算实际电压相量end%=============== 计算各输出量 ===========================disp('各节点的实际电压标幺值E为(节点号从小到大排列):');sparseE=sparse(E);disp(sparseE);EE=E*UB;disp('-----------------------------------------------------'); disp('各节点的实际电压EE为(节点号从小到大排列):');disp(sparseEE);disp('-----------------------------------------------------'); disp('各节点的电压标幺值幅值V为(节点号从小到大排列):');sparseV=sparse(V);disp(sparseV);disp('-----------------------------------------------------'); VV=V*UB;disp('各节点的电压幅值VV为(节点号从小到大排列):');sparseVV=sparse(VV);disp(sparseVV);disp('-----------------------------------------------------'); disp('各节点的电压相角为(节点号从小到大排列):');sparsesida=sparse(sida);disp(sparsesida)disp('-----------------------------------------------------'); for p=1:nC(p)=0;for q=1:nC(p)=C(p)+conj(Y(p,q))*conj(E(q));%计算电流的共轭endS(p)=E(p)*C(p);%计算节点的视在功率enddisp('各节点的功率标幺值S为(节点号从小到大排列):');disp(sparseS);disp('-----------------------------------------------------');disp('各节点的功率实际值SS为(节点号从小到大排列):');SS=S*SB;sparseSS=sparse(SS);disp(sparseSS);disp('-----------------------------------------------------');disp('各条支路的功率损耗S标幺值和实际值SS为(顺序支路参数矩阵顺序一致):'); HDDS=0;for i=1:nlp=B1(i,1);q=B1(i,2);Si(p,q)=E(p)*(conj(E(p))*conj(B1(i,4)./2)+(E(p)-E(q))*(conj(E(p))-con j(E(q)))*conj(1./(B1(i,3))))+E(q)*(conj(E(q))*conj(B1(i,4)./2));ZF1=['S(',num2str(p),',',num2str(q),')=',num2str(Si(p,q))];disp(ZF1);SSi(p,q)=Si(p,q)*SB;%计算各条支路的消耗功率实际值SSiHDDS=HDDS+SSi(p,q);ZF=['SS(',num2str(p),',',num2str(q),')=',num2str(SSi(p,q))];disp(ZF);enddisp('环网总网损为;');ZH=['HDDS=',num2str(HDDS)];disp(ZH);%环网总网耗ZSS=HDDS+Fulloss;disp('总网损为:');ZSS五、额定电压不同时对系统参数的分析:(1)额定电压为240V:辐射网:环网:(2)额定电压为220V:辐射网:环网:(3)额定电压为200V:辐射网:环网:结果分析:240V时总损耗为0.8856KVA 220V时为0.95KVA 200V时为0.9828KVA电压等级越高,损耗越小。
潮流计算上机报告华电 Hessen was revised in January 2021
《电力系统潮流上机》课程设计报告
院 系:电气与电子工程学院 班 级: 学 号: 学生姓名: 指导教师: 刘宝柱 设计周数: 两周
成 绩:
日期:2012年1月5日一、课程设计的目的与要求 培养学生的电力系统潮流计算机编程能力,掌握计算机潮流计算的相关知识
二、设计正文(详细内容见附录) 1. 手算: 要求应用牛顿-拉夫逊法或P-Q分解法手算求解,要求精度为。
节点1为平衡节点,电压00.11U,节点2为PQ节点,负荷功率6.08.0~2jS,节点3是PV节点,1.1,4.033UP,两条支路分别为04.001.013jZ,2.005.012jZ,对地支路33.030jy。 2. 计算机计算 1.导纳阵 Y( 1,1 )=( , Y( 1,2 )=( , Y( 1,3 )=( , Y( 1,4 )=( , Y( 2,1 )=( , Y( 2,2 )=( , Y( 2,4 )=( , Y( 3,1 )=( , Y( 3,3 )=( , Y( 4,1 )=( , Y( 4,2 )=( , Y( 4,4 )=( ,
2.设定电压初值 01.1;01;01)0(3)0(3)0(2)0(2)0(1)0(1jjfejjfejjfe 3.计算功率和电压偏移;
27731.0])()([41)0(11)0(1)0(141)0(11)0(1)0(11)0(11)0(1jjjjjjjjsseBfGffBeGePPPP
0.05097])()([41)0(11)0(1)0(141)0(11)0(1)0(11)0(11)0(1jjjjjjjjsseBfGefBeGfQQQQ
同理可算出 52596.0)0(22)0(2PPPs,0196.0)0(22)0(2QQQs
5.0)0(33)0(3PPPs,0.02)0(3232)0(3UUU
s
4.根据求的第一次迭代时雅可比矩阵各元素的公式计算雅可比矩阵各个元素的具体值:
20000.200000066667.300003334.40052691.406629.130208.256148.00001821.182612.456148.030208.266667.3030208.256148.006298.803803.1066667.356148.030208.299265.032104.8
5.求高斯计算后的修正量:
0.0000000.1276520.023566-0.108546-0.006511-0.007919-2)0(3)0(3)0(2)0(2)0(1)0(11)0()0(3)0(3)0(2)0(2)0(1)0(1UPQPQPefefefJ
6.计算各节点电压的一次近似值:
12765.010855.000792.010000.197643.099349.0)0(3)0(3)1(3)0(2)0(2)1(2)0(1)0(1)1(1)0(3)0(3)1(3)0(2)0(2)1(2)0(1)0(1)1(1
fffffffffeeeeeeeee
返回第三步重新迭代,并校验收敛与否,令410。经过 四 次迭代后,收敛条件满足,停止迭代,求出的电压终值:
00000.005000.113002.009229.110910.095859.000764.098459.04321jUjUjUjU
7.计算出平衡节点4的注入功率。 26513.036787.0~4jS 8.各节点间功率
17564.032153.0~12624.004634.0~12694.031179.0~02432.023821.0~11804.004437.0~00094.024437.0~424124211412jSjSjSjSjSjS
9.网损为:04487.001787.0~jS 10.网损效率为:% 3. 思考题 潮流计算的方法有哪些各有何特点 答:潮流计算方法主要包括:高斯-赛德尔迭代法、牛顿-拉夫逊迭代法、P-Q分解法等算法。 各方法特点如下所示:
方法 高斯-赛德尔法 牛顿-拉夫逊迭代法 P-Q分解法 初值要求 不高 高 高 迭代次数 多 少 多 收敛速度 慢 较快 最快 精度 一样 一样 一样 应用 早期应用多,现在较少 广泛应用 应用较多
如果交给你一个任务,请你用已有的潮流计算软件计算北京城市电网的潮流,你应该做哪些工作(收集哪些数据,如何整理,计算结果如何分析) 答:1.所需要收集的数据: A.电网中所有节点的数据: a.各节点的类型,包括平衡节点、PV 节点、PQ 节点 b. 对于平衡节点要了解节点的电压大小相位、及节点所能提供的最大最小有功无功功率 c. PV节点要知道节点电压大小注入有功功率及节点所能提供的最大和最小无功功.率 d. PQ节点要知道节点的注入有功和无功功率 B.电网中所有支路的数据: a.各支路类型,即是否含有变压器 b.各支路的电阻、电感、电纳 c.各变压器的变比。 2.数据整理:将上述数据资料进行分类整理,并为每个节点及支路编上编号。将整理的结果写成本 实验中所要求的格式(原始数据的 txt 文档) ,再用本实验所编制的程序进行求解,得到各节 点电压、相位,各线路传输功率、损耗,平衡节点注入功率等数值。 3.计算结果分析:可以大致了解整个电网的运行状况并按照电力系统知识依次进行所需的调整。如调节各节点电压的大小以防止超出规定限度,调整各线路的有功无功分布状况分析整个系统的网损是否达到标准等。
设计中遇到的问题和解决的办法。 1.在设计最开始遇到的问题就是由于以前C语言所学习的知识遗忘较多,对于程序的使用不太熟练,通过老师讲解、看书、询问同学逐渐扫除了这个障碍。 2.设计的时候对于电力系统整体的知识脉络不是很清晰,编写程序时所定义的变量容易弄混淆,编写的程序产生了较多的错误,经过仔细学习和对每一排程序的排查,找出了产生错误的地方。同时也对潮流计算的过程有了更清楚的认识。
三、课程设计总结或结论 该门课程的主要目的是培养学生的电力系统潮流计算机编程能力,掌握计算机潮流计算的相关知识。 潮流计算是电力系统非常重要的分析计算,是电力系统最基本的计算,主要用以研究系统规划和运行中提出的各种问题。现代电力系统潮流就算过程比较复杂,手算有很大的困难,而计算机作为一种处理数据的工具,具有计算速度快,准确率高的优点,因此现在电力系统的潮流大多也都采用计算机的算法求解。对于写程序而言,C 语言是一种简单但很实用的语言,利用 C 语言编程实现潮流计算不仅简单易行,而且还能加深对电力系统潮流这一物理感念的理解。 通过这次潮流对 c++的面向对象编程及其过程有了更深入的了解。对于潮流计算,我更深刻的掌握了牛拉法解潮流方程的方法以及对数学高次多元方程线性化在迭代求解的方法有了更深入的认识。通过这次课程设计,自己动手编写潮流计算的程序,仔细分析了潮流计算各个步骤,理论与实践相结合,对潮流计算的思想和方法以及过程有了更深入的理解。在这两周的学习里,我不仅对C语言的学习有了更深层次的理解,还对自己在 《电力系统分析》这门课程里所学到的知识进行了查缺补漏,对电力系统的运行分析等有了更加深入的了解,受益匪浅。
四、参考文献 1. 《电力系统计算:电子数字计算机的应用》,西安交通大学等合编。北京:水利电力出版社; 2. 《现代电力系统分析》,王锡凡主编,科学出版社; 3. 《电力系统稳态分析》,陈珩,中国电力出版社,1995年,第二版; 附录(设计流程图、程序、表格、数据等) 1.设计流程图:
输入原始数据 形成节点导纳矩阵
设非平衡节点电压初值)0(ie
令迭代次数k=0
对PQ节点计算)()(.kikiQP 对PV节点计算
令节点号i=1
计算雅客比矩阵各元素)()()()()()(,,,,,kijkijkijkijkijkijSRLJNH
增加节点号解修正方程,由)()(.kikiQP )(2kiU及雅客比矩阵用高斯法求各节点的电压增量)()(,kikife
求出max)(max)(,kkfe
迭代是否收敛 max)(max)(,kkfe
雅客比矩阵是否形成,i>n
计算节点的新电压
)()()1(kikikieee
增加迭代次数k=k+1
计算平衡节点的功率及线路停止
启动