三菱PLC触摸屏与变频器应用技术四
- 格式:ppt
- 大小:1.57 MB
- 文档页数:79
三菱PLC,变频器和触摸屏通信技术运用分析发布时间:2022-07-30T02:59:34.404Z 来源:《当代电力文化》2022年6期作者:杜庆民[导读] 本文对三菱PLC、变频器以及触摸屏之间的通信技术进行分析,杜庆民广东兴发铝业有限公司佛山三水分公司 528137摘要:本文对三菱PLC、变频器以及触摸屏之间的通信技术进行分析,最先对三者之间的通信协议进行分析,对其中的数据帧以及LRC校验方式进行阐述。
之后在系统配置以及接线问题方面实现对于三菱PLC,变频器以及触摸屏的通信设置研究,最终对通信设定进行分析,旨在有效控制三菱PLC,变频器以及触摸屏通信技术的参数,提升其通信效率。
关键词:三菱PLC;变频器;触摸屏引言:现今的通信技术逐渐朝着现代化技术化的方向发展,因此在实际的控制系统运行中,需要实现对于通信技术参数的有效控制。
其中三菱PLC变频器对于现代化控制系统中的应用效果比较好,其可以实现对于通信效率以及通信质量两方面的提升,因此需要相关人员对三菱PLC变频器,触摸屏的通信技术进行分析。
1.通信协议一般情况下,三菱PLC变频器,触摸屏通信技术中使用的通信协议是Modbus通信协议,这种通信协议中对于智能化仪器的管理与通信技术应用频率相对较高,而且在数据信息的发送以及接收方面表现较好,其可以通过主站与从站的数值实现对于数据的传输与回传。
1.1信息帧在该通信协议进行通信控制的过程中,其会使用到信息帧作为其通信过程中的重要指令承载方式。
在通信协议对通信进行控制时,其会使用十六进制的数字作为密码指令发送出去,进而实现对于通信的控制。
在信息帧的发送过程中,需要对十六进制的数字进行排列整理,将其中的数字形态进行调整。
而且在实际的通信过程中,为了保证其通信指令数据正确不发生错误,需要保证每次信息帧的数字信息发送时间间隔不能超过1秒。
在信息帧中包括多种组成部分,包括起始帧、停止码、校验码等,这其中每一部分代表的都是通信过程中的不同意义。
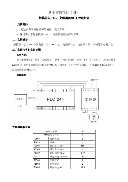
典型实训项目(四)
触摸屏与PLC、变频器的综合控制实训
一.实训目的
1. 通过实训掌握触摸屏的编程、使用方法。
2. 通过实训掌握触摸屏与PLC、变频器的综合应用方法。
二.实训设备
触摸屏一台、24V稳压电源一台、PLC一台、变频器一台、电位器一只、三相异步电机一台。
三.实训内容和实训步骤
实训内容:
编写触摸屏程序,设置“启动/停止”按钮、“电机正反转”按钮,按下“启动/停止”按钮PLC输出0.0端吸合,控制变频器起动三相异步电机,松开则停止,按下“电机正反转”按钮PLC输出0.1端口吸合,控制变频器使电机反转。
实训连线
变频器参数设置:
实训步骤:
在电脑上编写触摸屏程序,按图所示连线(注意触摸屏正负别接错,红色为正黑色为负),触摸屏与PLC的连线用白色的触摸屏通讯线。
将程序通过USB2口下载到触摸屏里,按控制按钮,观察分析实训现象。
四.实训要求
1.了解触摸屏、PLC、变频器的工作原理。
2.编写触摸屏程序。
3.写实训报告。
(在报告中应写出程序设计的方法、步骤和实训观察结果)。
项目十四 PLC与变频器、触摸屏的综合应用教案(理论)二、I/O分配表三、PLC的外部接线图四.触摸屏设置定义数据对象五.变频器参数设置小组讨论组内协作,完成任务画出梯形图思考并回答问题硬件连接前必须先进行I/O分配,写出分配表。
流程图,触摸屏数据对象I/0分配表及变频器的参数设置。
小组讨论协作完成一是画外部接线图项目十四 PLC与变频器、触摸屏的综合应用教案(实训)5. 培养学生实训操作的规范意识、节约意识,强化安全意识。
各组长按照器材列表准备实训器材,铜芯红色、蓝色软线各10米1、准确设置PLC参数;活动一:在教师引领、实训组长示范下,按任务规范要求,进行单项技能训练(2课时)任务1:确定I/O分配表,画出外部接线图(10分钟)任务2:完成PLC外部接线(20分钟)(1)按要求进行合理布局,将各元器件固定在电工盘上。
(2)安装元器件,根据布局方式,合理固定线槽。
(3)按照接线图在线槽内完成走线,线芯全部接入接线端子内,且连接牢靠。
任务3:编写梯形图程序(20分钟)任务4:触摸屏设置(20分钟)制作工程画面定义数据对象设备连接任务5:变频器设置(10分钟)任务6:调试运行(10分钟)先将电动机连线去掉,空载试车。
按下起动按钮(或触摸屏的起动按钮),运料小车满载前行,低速运转。
碰到行程开关SQ1,运料小车停车卸货,空载高速返回。
碰到行程开关SQ2,运料小车装货,并载货低速前行。
小车运动时,触摸屏上相应的指示灯亮。
按下停止按钮(或触摸屏的停止按钮),所有运动停止。
试验成功后,将电动机连接上,带载运行。
活动二:项目考核(40min/人) 2课时单项训练考核完成,分组进行技能考核,记录实训成绩,进行项目总结,完成任务工单十四。
模块9三菱PLC变频器与触摸屏综合应用工程案例基本信息:本工程案例是通过三菱PLC控制变频器和触摸屏完成对一些设备的综合控制。
该设备需要实现多个功能模块的联动,并且可以通过触摸屏进行参数设置和监控。
概述:该设备是一个加工机械,需要通过变频器控制电机的转速和运动方向,通过PLC控制机械的上下、前后和左右运动,同时通过触摸屏实现参数设置和监控功能。
整个控制系统的目标是实现高精度、高效率的加工过程。
具体功能:1.变频器控制电机转速和运动方向:通过PLC给变频器发送指令,控制电机的转速和运动方向。
变频器的参数可以通过触摸屏进行设置和监控。
2.PLC控制机械的上下、前后和左右运动:通过PLC的控制,驱动机械实现上下、前后和左右的运动。
运动参数可以通过触摸屏进行设置和监控。
3.触摸屏参数设置和监控:触摸屏通过与PLC和变频器的通信,实现对参数的设置和监控。
可以设置电机的转速、运动参数,监控设备的运行状态。
具体步骤:1.设计PLC控制逻辑:根据设备的工作流程和功能要求,设计PLC的控制逻辑。
确定PLC需要控制的输入和输出信号,编写PLC程序。
2.配置触摸屏参数:通过触摸屏的配置软件,设置触摸屏与PLC和变频器的通信参数。
配置触摸屏界面,包括参数输入框、状态显示窗口等。
3.编写触摸屏程序:通过触摸屏的编程工具,编写触摸屏程序,实现对PLC和变频器的参数设置和监控功能。
4.连接PLC和变频器:通过接线端子,连接PLC的输出信号和变频器的输入信号,实现PLC对变频器的控制。
5.连接PLC和触摸屏:通过通信接口,连接PLC和触摸屏,实现数据的传输和控制指令的发送。
6.调试和测试:对整个控制系统进行调试和测试,确保各个功能模块的正常运行。
工程案例应用实例:在一些制造厂家的加工设备上,采用了三菱PLC控制了变频器和触摸屏进行综合应用。
PLC通过变频器控制电机的转速和运动方向,通过触摸屏进行参数设置和监控。
通过触摸屏可以直观地显示电机的转速和设备的运行状态,通过调节触摸屏上的参数可以实现不同的加工需求。
触摸屏、PLC及变频器通讯技术【摘要】PLC与及变频器串行通信系统通过RS485接口和电缆连接来降低接线成本和减少外界干扰的有效方式。
本文介绍了三菱FX2N系列PLC通过RS485通信模块采用无协议模式与三菱变频器FR-A740通信的设计方法和过程,并提供了相应的程序代码。
并配以触摸屏构成的临控系统可以很好地满足变频器的各种控制和通信需求。
【关键词】PLC;变频器;触摸屏一、前言在PLC对变频器的常规控制中,变频器对PLC的输入信号和PLC对变频器的控制信号占用了PLC较多的输入/输出点,需要添加数/模转换和模/数转换特殊功能模块。
这种控制模式增加了变频器的控制成本。
另外变频器还需要繁琐的控制线路配线,由此还影响了变频器的运行稳定性,增添了系统开发的时间。
随着计算机和通信技术的发展,现在的PLC和变频器都具有通信功能,只需要一根通信电缆就能实现PLC和变频器的连接和数据交换。
目前国外设备和生产线上的PLC多采用这种通信方式来控制变频器。
这种方式使变频器与PLC 之间的连接相当简单,而且由于传输是数字信号,使系统的抗干扰能力增强。
现在的PLC都有通信指令,大部分变频器具有通信协议,用户可使用相关指令和协议实现一些基本功能。
本文采用三菱PLC的无协议模式和变频器FR-A740运转,并读取变频器的各种状态。
二、三菱系列变频器与PLC的RS-485通信1.通信格式(1)从PLC发送数据到变频器,写入数据时可根据通信的需要,选择使用格式A或格式A′;读数据时,使用格式B。
如图1所示。
(2)从变频器返回数据到PLC时,如果通信没有错误,计算机接收请求时,从变频器返回的数据格式为C、E、E′;PLC拒绝请求时,从变频器返回的数据格式为D、F。
(3)PLC根据返回数据应答变频器,当使用格式B时,PLC可检查出从变频器返回的应答数据有无错误并通知变频器,没有发现错误时使用格式G,发现错误时使用格式H。
其它格式可查变频器手册。
模块9三菱PLC变频器与触摸屏综合应用工程案例三菱PLC(可编程逻辑控制器)是一种常见的自动化控制设备,用于控制各种工业设备和系统。
而变频器则是一种用于控制电机转速的设备,通过改变电机的供电频率来达到调整电机转速的目的。
触摸屏则是一种人机界面设备,可以通过触摸屏上的按钮、图形和文本与机器进行交互。
下面是一个模块9三菱PLC变频器与触摸屏综合应用的工程案例:背景:一家汽车零部件制造厂需要对其流水线上的电机进行控制和监控。
为了提高生产效率和质量,他们决定采用三菱PLC、变频器和触摸屏来实现自动化控制和远程操作。
设计方案:1.PLC控制部分:PLC采用三菱FX系列,具有较大的输入输出点数,以满足复杂的控制需求。
PLC将用于接收传感器信号、控制电机的启停和速度,并将数据传输给变频器和触摸屏。
2.变频器控制部分:变频器选用三菱的FR-A800系列,具有高性能和稳定性。
每个电机都配备一个变频器,通过调整变频器的输出频率和电压,可以实现对电机速度的精确控制。
3.触摸屏操作部分:触摸屏采用三菱GT27系列,具有高分辨率和灵敏度。
通过触摸屏,操作人员可以实时监控电机的运行状态、调整电机的速度和进行故障诊断。
工程实施:1.PLC程序开发:根据实际需求,编写PLC程序来控制电机的启停和速度调整。
程序还需要包括监测电机运行状态和故障检测的功能。
在编写程序时,需要考虑输入信号的过滤和输出信号的保护。
2.变频器配置:针对每个电机,需要配置相应的变频器参数。
参数包括输出频率、电压、加减速时间、过载保护等。
配置完成后,将变频器与PLC连接。
3.触摸屏界面设计:根据操作人员需求,设计触摸屏界面,包括电机监控页面、速度调整页面和故障诊断页面。
通过界面,操作人员可以实时查看电机运行状态和调整电机速度,还可以通过报警信息快速排除故障。
4.系统调试与运行:完成PLC程序、变频器配置和触摸屏界面设计后,进行系统调试。
确保电机可以根据PLC命令启停和调整速度,同时触摸屏可以正确显示电机状态和接收操作指令。