ARD2F智能电动机保护器的功能
- 格式:pdf
- 大小:192.98 KB
- 文档页数:4
电机保护器两种功能有什么区别EOCRSS上海韩施电气带大家了解一下电动机保护器基本信息电动机保护器中的热保护和过载保护是两种不同的保护机制,它们分别用于保护电动机在不同情况下的安全运行。
热保护是指在电动机运行过程中,如果电动机发热超过了安全温度,就会触发热保护器,切断电源。
热保护器通常是通过测量电动机的温度来实现的,当温度超过设定的阈值时,热保护器会自动切断电源,以防止电动机过热导致损坏或故障。
过载保护是指在电动机负载过大或工作电流超出额定电流限制时,会触发过载保护器,切断电源。
过载保护器通常通过测量电动机的电流来实现,当电流超过设定的阈值时,过载保护器会自动切断电源,以防止电动机过载导致损坏或故障。
可以看出,热保护和过载保护在保护电动机方面的角度和机制是不同的。
热保护主要关注电动机的温度,用于防止电动机因过热而受损,而过载保护主要关注电动机的电流,用于防止电动机因过载而受损。
两者在保护电动机方面都起着重要的作用,可以有效延长电动机的使用寿命和提高电动机的安全性能。
是常见电动机保护器中两项基本功能,那么这两种功能有什么区别呢,接下来为大家做一个介绍。
1、热保护:热保护是反应温度高低的保护,电动机的保护方式是以绝缘发热温度为依据的,例如过载保护虽然反应的物理量是电流,但实质上是热量限制,在电机运行中,有这样一种情况即电动机的实际运行电流未超过额定值,但由于通风不良,环境温度高等原因,电动机往往已过热,达到了危险程度,还应实施温度保护。
热保护是直接装在电动机本体上,直接感受其温度。
通常由电机制造商完成,将其装于绕组端部或定子铁芯槽中,也可以装在轴承室检测轴承温度。
常用pTc热敏电阻作报警和跳闸,用pt100铂热电阻测量温度。
2、过载保护:作为电机保护的一项重要措施,过载保护应用广泛,它的原理是电动机过载运行时,电流增加,绕组过热,若时间过长就会损坏绝缘。
过载保护的功能是及时切断电源,限制电动机过热时间,以防绝缘损坏。
电动机保护器的适用1. 什么是电动机保护器电动机保护器是一种针对电动机运行中可能出现的故障和异常情况进行保护的设备。
它可以通过各种传感器来监测电动机的状态,以便在出现故障时及时停机,避免因故障导致电动机损坏。
电动机保护器的主要功能包括:•监测电动机的运行状态•检测电动机运行中的温度、电压和电流等参数•在出现故障时及时停机,保护电动机2. 电动机保护器的适用范围电动机保护器广泛应用于各种电动机的保护和控制中,特别是在高功率电机和严苛工况中的应用越来越广泛。
这包括一些典型的应用场景:2.1 机械制造在机械制造行业,许多设备都采用电动机来驱动,电动机保护器可以确保设备在运行中发生故障时及时停机,防止设备受到损坏。
例如,纺织机械、食品机械、包装机械、冶金设备、矿山设备等都需要采用电动机保护器。
2.2 电力系统电力系统中有很多重要的设备,如输电线路、变电站、发电机等,这些设备的安全运行对电力系统的稳定性和安全性都至关重要。
在电力系统中,电动机保护器可以监测设备在运行中的温度、电流和电压等参数,为设备的保护提供重要的辅助帮助。
2.3 化工行业在化工行业中,很多设备的运行过程中都需要采用电动机,如化学反应釜、离心机、输送机等。
这些设备的运行过程中可能会出现危险情况,而电动机保护器可以在设备发生故障的情况下及时停机,避免发生事故。
2.4 制药工业在制药工业中,药品的加工过程中需要各种不同类型的设备,这些设备中也有许多采用电动机来驱动。
电动机保护器可以在设备发生故障时及时停机,确保药品加工过程中安全和稳定。
3. 电动机保护器的优点相比传统的保护措施,电动机保护器具有很多优点,主要包括以下几个方面:3.1 自动化程度高电动机保护器采用了各种传感器和控制器来实现设备的自动化保护,避免人工干预和错误操作的风险,可以提高设备的可靠性和稳定性。
3.2 处理速度快电动机保护器可以在毫秒级别内检测设备的状态,并及时采取措施,避免故障的发生和扩大,保护设备的安全。
电动机综合保护器作用电动机综合保护器采用先进的微机技术与高性能的集成芯片,整机功能强大、性能优越。
测试精度高,线性度好,分辨率高,整机抗干扰能力强,保护动作可靠。
三相电流值,电压值及各类故障代号,显示于LED、LCD上、直观清晰。
稳定性好,长期工作无须维护。
电动机综合保护器作用电动机保护器的作用是给电机全面的保护,在电机出现过流、欠流、断相、堵转、短路、过压、欠压、漏电、三相不平衡、过热、轴承磨损、定转子偏心时,予以报警或保护的装置。
电机综合保护器接法及原理电动机保护器由三相电流互感器、检测、放大、延时、调整电路和执行继电器组成。
检测电路检测到电流互感器感应的电流缺相或大于设定值时,经放大器放大,使继电器动作。
继电器触头串接于接触器线圈供电回路中,继电器动作后使接触器断电,起到保护电机作用。
延时电路用于避开电机起动电流,其时长可调。
调整电路用于根据被保护电机工作电流精确设置动作电流。
正泰电动机保护器接线图德力西交流接触器和jd-5电动机综合保护器的接线方法电机综合保护器怎么调有两个电位器,一个是调节电流,一个是调动作时间,先把时间调长一点再,启动电机,把电流调到过载指示不亮的时候就行了,再把时间调成你想调定的值就可以。
步骤:1、过电流保护设定方法:把面板上的拨动开关拨至设定位置,调整电流调节电位器使电流显示器数字为该电动机的额定电流值,再把开关拨到运行位置,此时显示器上的数字为该电动机的工作电流。
2、启动延时设定方法:全压启动可调至最小,总之启动延时时间要根据用户设备需要自行调整。
3、复位方法:当电机发生故障跳闸后,故障指示灯亮,保护装置处于记忆状态,按下面板上复位健方可复。
ARD2智能电动机保护器
引言由于生产自动化及各种自动控制、顺序控制设备的出现,要求电机经常运行在频繁的起动、制动、正反转、间歇以及变负荷等方式,电机的运行要求越来越高,运行环境也越来越苛刻,同时,由于电机与配套机械连在一起,当电机发生故障时,经常波及生产系统。
因此,对电机实行有效的保护是保证生产系统正常工作的一项重要任务。
本文将要介绍的是ARD2 型电动机保护器的经济、简洁的设计方法和应用。
该型保护器主要用于对电动机运行状态的监测,并针对电动机在生产运行过程中出现的启动超时、欠压、过压、欠载、过载、短路、堵转/阻塞、断相、不平衡、剩余电流(接地/漏电)等故
障进行保护,使电动机不至于因为以上原因而导致损坏,从而使生产遭受损失,采用ARD2 电动机保护器能有效提高电动机运行的安全性,降低生产损失,是传统热继电器的理想替代品。
1技术指标ARD2 型智能电动机保护器的技术指标见表1。
表1
2设计方法目前市场上综合型的智能电动机保护器的设计主要采用交流采样方式+高性能单片机的方案,采用该设计方法的电动机保护器测量参数多、测量精度高、能够提供更完善的保护功能,但是采用此设计方法的成本较高,销售价格也高,在只需要对电动机提供过载、断相等基本常见故障保护的场合没有性价比可言。
因此采用一种设计简单、功能能够满足基本保护要求、主要用于替代热继电器的智能电动机保护器将会有很大的市场。
ARD2 型保护器就是一款设计简洁,保护功能较多,能够满足大多数电动机保护要求的经济型的智能电动机保护器。
ARD2 型智能电动机保护器采用低成本的设计方案,整体系统由信号处理单元、中央处理单元、电源模块、人机交互单元、人。
ARD3智能型电动机控制器在电厂中的应用王长幸江苏安科瑞电器制造有限公司江苏江阴214405摘要:传统的低压电动机保护是通过继电保护二次回路实现,随着电子技术的飞速发展,出现了一些对电路起全面保护的电动机控制器。
根据电厂辅助控制设备的电机保护的特点及其控制要求,结合ARD3智能型电动机控制器在发电厂低压电动机保护控制中的应用,综合介绍ARD3智能型电动机控制器产品的特点及其智能化保护、测量、控制和通讯等,供工程设计中参考。
关键词:电动机保护、智能化、通讯一、概述:随着科学技术的进步,我国发电厂电机设备的使用量逐步增多,促使电动机的正常运转发挥成为了其他的设备能够正常运转的前提条件,因此能够合理选择和使用电动机控制器是对正常的工业现场生产工作负责的表现,只有在电动机正常发挥其功能的基础上,才能够保证整个行业的工作流程不会受到干扰,可以正常运行。
在火力发电厂中,低压电动机的控制原理和应用情况在火力发电厂中一直是一项技术难题[1,2]。
在电厂电机设备的保护设计中,低压电动机的应用及保护配置可采用多种方案进行设计,对于过去采用热继电器、断路器(或熔断器)作为电动机过负荷保护、断相保护、短路保护和控制元件,由于受到通信功能不够灵活等多种条件的约束,已经无法满足日益发展的电厂设备自动化生产的要求,而新型智能电动机控制器可实现重载起动,实现对电动机的温度保护,还提供多种测控功能和多种电动机控制模式,能够满足对电动机的保护控制要求,有效地保障了电机的安全运行。
本文以ARD3智能型电动机控制器在发电厂中的实际应用进行具体介绍。
二、电厂对电动机控制器的功能要求在我国机电行业中,电动机是应用最为广泛的,发电总量中消耗在电动机上的电量就占了很大一部分,而各类风机、水泵、空压机又占电动机所耗电的一半以上。
发电厂电动机的工作环境较恶劣,经常容易发生堵转、短路、断相或长期过载运行等故障[3],所以控制器要能够对在恶劣环境中工作的电动机进行实时保护、控制,保证发电厂电动机的正常运行。
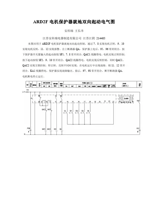
ARD2F电机保护器就地双向起动电气图安科瑞王长幸江苏安科瑞电器制造有限公司江苏江阴214405本图应用于ARD2F电机保护器就地双向起动控制,通过7、8实现电机正转,9、10实现电机反转,11、12实现报警,合上断路器QA,保护器上电后,95、96常闭闭合,按下保护器开关量输入的起动按钮SF1,7、8常开闭合,QAC1线圈得电,电机实现正转控制,按下起动按钮SF2,9、10常开闭合,QAC2线圈得电,电机实现反转控制,同时QAC1、QAC2实现互锁控制,即正转、反转不同时实现,在电机运行中出现故障,则11、12常开闭合,KA1线圈得电,保护器实现故障输出、指示,97、98常开闭合,断开断路器QA,电机断电停止运行。
图1ARD2F电机保护器就地双向直接起动原理图ARD2F智能型电动机保护器(1)ARD2F型号如下所示:图2ARD2F型号说明表1额定电流保护器额定电流变比设置互感器一次侧圈数适用电机范围(kW)可整定电流范围(A)1支持5圈0.12-2500.1-99951圈0.12-2500.1-9991.6不支持1圈0.12-0.550.4-1.66.31圈0.75-2.2 1.6-6.3 251圈3-11 6.3-25 1001圈15-4525-100 2501圈55-13263-250 8001圈160-250250-800表2额定电流附加说明电动机额定功率(kW)电动机额定电流(A)选配保护器额定电流整定电流范围(A)电机额定功率(kW)电机额定电流(A)选配保护器额定电流整定电流范围(A)0.120.42 1.60.40-1.6305710025-100 0.371 1.60.40-1.6376910025-100 0.55 1.5 1.60.40-1.6458110025-1000.752 6.3 1.6-6.35510010025-1001.12.5 6.3 1.6-6.37513525063-2502.25 6.3 1.6-6.39016525063-2503 6.525 6.3-2511020025063-250 5.51125 6.3-2513224025063-250 7.514.825 6.3-25160285800250-800 112125 6.3-25200352800250-800 1528.510025-100220388800250-800 18.53510025-100250437800250-800 224210025-100////注:表2数据适用于AC400V,50Hz,1500转/分的四极鼠笼式电动机表3附加功能代码附加功能代号附加功能代号起动控制(包含K功能)Q漏电保护L开关量输入K4~20mA模拟量输出M温度保护T失压重起(抗晃电)SU 报警(可编程输出)J SOE事件记录SR通讯接口Modbus_RTU C电压功能(相序、功率、功率因数)U Profibus_DP CPDeviceNet CD t E时间保护tE注:1、带有起动控制时,保护器最多提供2个起动继电器用于顺序控制外部2个接触器的闭合/断开,从而实现电动机的不同起动方式(如Y-∆转换起动、正反转控制,自耦降压起动等);2、温度保护的测量范围:热电阻100Ω~30kΩ;3、对于无显示要求的客户,必须在一批订单中订购一个90FL显示单元,作为调试使用。
110.1ARD2F智能电动机保护器Smart Motor Protector ARD2F使用说明书(中英文)V1.1User’s Manual V1.1安科瑞电气股份有限公司ACREL Co.,Ltd申明Declaration版权所有,未经本公司之书面许可,此手册中任何段落,章节内容均不得被摘抄、拷贝或以任何形式复制、传播,否则一切后果由违者自负。
本公司保留一切法律权利The copyright is the property of Acrel.Any information in any paragraph or section cannot be extracted,copied or otherwise reproduced or propagated.Otherwise offenders shall take all consequences.All rights are reserved.本公司保留对本手册所描述之产品规格进行修改的权利,恕不另行通知。
订货前,请垂询当地代理商以获悉本产品的最新规格。
Acrel reserves the right to modify the product specifications herein without notification.Please consult the local agent about the latest specifications before placing a purchase order.目录ContentsARD2F智能电动机保护器(Smart Motor Protector ARD2F)1、概述(Overview) (1)2、通用技术指标(General technical index) (1)3、外形尺寸及安装(Overall dimensions and installation) (2)4、显示与用户编程(Display and user programming) (7)5、接线方式(Wiring Mode) (9)6、通讯协议(Communication protocol) (11)7、保护功能设置及说明(Setting of protection functions) (29)8、注意事项(Cautions) (44)警告:用户在使用该保护器之前,请务必按所要保护电动机的实际情况对各项保护功能及保护参数进行设置Warning:User must set protective functions and parameters in accordance with conditions of your motor before using the protector.1概述OverviewARD2F系列智能电动机保护器(以下简称保护器)能对电动机运行过程中出现的多种故障情况进行保护,并设有SOE故障事件记录功能,方便现场维护人员查找故障原因。
428ARD3M智能电动机保护器使用说明书V1.2安科瑞电气股份有限公司ACREL Co.,Ltd申明版权所有,未经本公司之书面许可,此手册中任何段落,章节内容均不得被摘抄、拷贝或以任何形式复制、传播,否则一切后果由违者自负。
本公司保留一切法律权利本公司保留对本手册所描述之产品规格进行修改的权利,恕不另行通知。
订货前,请垂询当地代理商以获悉本产品的最新规格。
目录1、概述 (1)2、产品特点 (1)3、型号说明 (2)4、主要参数 (3)5、外形尺寸及安装 (5)6、保护功能说明 (12)7、功能设置与说明 (27)8、通讯设置与说明 (42)9、典型应用方案 (82)10、特色功能简介 (87)11、订货范例 (89)1、概述ARD3M智能电动机保护器(以下简称保护器)适用于额定电压至660V的低压电动机回路,集保护、测量、控制、通讯、运维于一体。
其完善的保护功能确保电动机安全运行,带有逻辑可编程功能,可以满足多种控制方式。
可选配不同通讯模块适应现场通讯需求。
该产品采用分体式结构,由主体、显示单元、互感器和选配的通讯模块组成,可适应各种柜体的安装。
产品执行标准:——GB14048.4-2010低压开关设备和控制设备第4-1部分:接触器和电动机起动器机电式接触器和电动机起动器(含电动机保护器);——JBT10736-2007低压电动机保护器。
2、产品特点■辅助电源类型可选,AC220V电源模块支持电源范围AC85-265V/DC100-300V,AC380V 电源模块支持电源范围AC/DC100-415V。
■支持基波和全波电力参数测量(U、I、P、Q、S、PF、F、EP、EQ),电压及电流不平衡度,电压、电流正序、负序、零序分量,三相电压相角,剩余电流,电压、电流2-63次分次谐波测量,分次谐波含有率及总谐波畸变率。
■保护功能包括过载反时限、过载定时限、接地、起动超时、漏电、欠载、断相、堵转、阻塞、短路、溢出、不平衡(电流、电压)、过功率、欠功率、过压、欠压、相序、温度、tE 时间、外部故障、起动次数限制、运行时间报警、故障次数报警。
智能电机保护和控制装置在电机控制系统中的应用
智能电机保护和控制装置是一种新型的电气设备,广泛应用于各种电机控制系统中。
它的主要功能是对电机状态进行监测和控制,使电机在工作过程中保持稳定、安全、高效。
智能电机保护和控制装置的应用可以分为以下几个方面:
1. 电机过载保护
电机过载是导致电机损坏和故障的主要原因之一。
智能电机保护和控制装置可以检测
电机的电流和温度,并根据设定参数判断电机是否过载,一旦发现电机过载会及时断开电源,保护电机不受损坏。
5. 电机软启动控制
电机在启动过程中会出现大电流的冲击,对电网和电机本身都会造成不利影响。
智能
电机保护和控制装置可以通过控制电机启动时的电压、电流等参数,实现电机的软启动,
保护电机和电网。
6. 电机效率检测
电机的效率是影响其能耗的重要因素之一,智能电机保护和控制装置可以通过监测电
机的电流、电压等参数,计算电机的效率,帮助用户进行能耗分析和优化。
总之,智能电机保护和控制装置在电机控制系统中的应用非常广泛,不仅可以有效保
护电机的安全稳定运转,还可以提高电机的工作效率,降低运行成本。
随着智能化技术的
不断发展,智能电机保护和控制装置的功能和性能也在不断提升,将为电机控制系统的发
展提供更加有力的支持。
电动机综合保护器的工作原理及作用电动机综合保护器是一种用于电动机保护的重要设备,它通过监测电动机的运行状态并采取相应的措施,保护电动机免受过载、过流、过热等故障的损害。
本文将从工作原理和作用两个方面介绍电动机综合保护器的重要性。
一、工作原理电动机综合保护器的工作原理可以概括为三个步骤:监测、判断和保护。
1. 监测:电动机综合保护器会通过传感器等装置实时监测电动机的电流、电压、温度等参数。
传感器会将监测到的信号转化为电信号,并传输给保护器。
2. 判断:保护器会对传感器传来的信号进行分析和判断。
根据事先设定的保护参数,如额定电流、额定电压等,保护器会判断电机是否处于正常运行状态。
同时,保护器还能检测电机是否存在过载、过热、短路等故障。
3. 保护:一旦保护器判断出电机存在故障或超过设定的保护参数,它会立即采取相应的保护措施。
常见的保护措施包括切断电源、停机报警、降低负载等。
这些措施旨在防止电机继续运行并进一步受损。
二、作用电动机综合保护器在电动机运行中起到至关重要的作用,主要体现在以下几个方面:1. 预防故障:电动机综合保护器能够实时监测电机的运行状态,及时发现电机存在的故障风险。
通过对电流、电压、温度等参数的监测,保护器能够提前预警并采取措施,避免电机因故障而损坏。
2. 保护电机:一旦保护器判断电机存在故障或超过设定的保护参数,它会立即采取相应的保护措施。
这些保护措施能够快速切断电源,避免电机继续运行并进一步受损。
保护器还可以防止电机因过载、过热等问题而引发火灾等安全事故。
3. 增加电机寿命:电动机综合保护器能够及时发现电机存在的故障风险,并采取相应的保护措施。
这有效地减少了电机的损坏和故障次数,延长了电机的使用寿命。
通过保护器的作用,电机能够在正常工作范围内运行,提高了整个电机系统的可靠性和稳定性。
4. 提高生产效率:电动机综合保护器能够实时监测电机的运行状态,并对异常情况进行快速响应。
一旦发生故障,保护器会立即切断电源,避免了停机时间的延长和生产效率的下降。
ard2智能电动机保护器的设计与应用摘要:介绍一款经济型智能电动机保护器-ard2型的设计与应用,该保护器将众多保护功能集于一体,针对电动机在实际使用中会遇到的多种故障进行保护,使电机在各种故障条件下不会产生损坏,提高电动机运行的可靠性,减少由于电动机的故障问题带来的生产损失。
关键字:电动机保护器,ard2型,保护功能,经济型引言本文将要介绍的是ard2型电动机保护器的经济、简洁的设计方法和应用。
该型保护器主要用于对电动机运行状态的监测,并针对电动机在生产运行过程中出现的启动超时、欠压、过压、欠载、过载、短路、堵转/阻塞、断相、不平衡、剩余电流(接地/漏电)等故障进行保护,使电动机不至于因为以上原因而导致损坏,从而使生产遭受损失,采用ard2电动机保护器能有效提高电动机运行的安全性,降低生产损失,是传统热继电器的理想替代品。
1 技术指标ard2型智能电动机保护器的技术指标见表1。
2 设计方法ard2型智能电动机保护器采用低成本的设计方案,整体系统由信号处理单元、中央处理单元、电源模块、人机交互单元、人机界面、控制模块、通讯接口模块等构成,装置硬件结构如图1所示。
2.1信号处理单元信号处理单元采用整流放大滤波电路,该电路能将采样得到的交流信号整流成直流信号,由cpu片内ad进行转换计算。
图中ic1为运算放大器lm324,采用双电源供电,这样可以保证lm324输出电压达到5v充分利用a/d转换提高显示精度。
ic1将采样得到的信号进行两级放大处理,提高了信号的采样精度,保证了信号的线性度。
2.2 中央处理单元中央处理单元选用motorola公司的第一款基于高度节能型s08核的器件mc9s08aw32高性能单片机,该单片机片上资源丰富,抗干扰能力突出。
内含32k字节用户程序空间,片上集成2k的ram,支持bdm片上调试功能,片内集成看门狗电路,片上集成8通道10位ad。
外部扩展了铁电存储器,用于存储一些重要的参数,即使以后升级程序也不会丢失先前的重要数据。
智能电动机控制器保护及其应用
智能电动机控制器保护主要是通过监测电动机运行状态,开启或关闭控制器的重要组成部分。
它检测并监控电动机的工作情况,能够及时发现故障的情况,从而保护电动机不受伤害,节省大量的成本和提高生产效率。
智能电动机控制器保护包括电动机过流保护、电动机温度保护、电动机超速保护、电动机空载过载保护等。
电动机过流保护是指当电动机输入电流过大时,控制器会及时停止电动机的运行,以防止电动机烧毁。
温度保护则是指当电动机过热时,控制器会停止电动机的运行,以防止电动机因过热而损坏。
此外,超速保护的原理是检测电动机的速度是否超出设定的范围,如果超速,则会立即停止电动机的运行,以防止电动机因过度负荷而损坏。
最后,电动机空载过载保护将监测电动机是否在空载状态下超负荷,如果是,则会停止电动机的运行,以防止过载。
智能电动机控制器保护应用十分广泛,主要应用在电动车、电动机、风力发电机、风扇、水泵、工业设备、家用电器等。
电动车、电动机是最常见的应用,它能够保护电动车、电动机,使它们能够长期稳定工作,也可以避免因故障而受损。
风力发电机可以使风力发电机可以更安全的运行,能够更加有效的发挥其作用,实现更好的能源节约。
此外,风扇、水泵及其他工业设备也都能够应用智能电动机控制器保护,以获得更好的运行效率以及更长的使用寿命。
总之,智能电动机控制器保护在各种不同的应用中有着十分重要的作用,它不仅可以检测并监控电动机的运行状态,还能够
及时开启和关闭控制器的重要组成部分,以保护电动机不受伤害,节省大量的成本和提高生产效率。