屋面(淋水)试验记录表
- 格式:doc
- 大小:15.50 KB
- 文档页数:1
屋面排水性能试验记录表格
试验概述
本次试验旨在评估屋面排水系统的性能,以确保其正常运行和有效排水。
试验包括检查排水管道、检测排水速度以及观察排水装置的工作情况。
试验设备和材料
- 排水管道
- 测量仪器(如流量计、计时器等)
- 屋面排水装置
试验步骤
步骤一:排水管道检查
1. 检查排水管道的布局和连接情况。
2. 确保排水管道没有堵塞或漏水现象。
步骤二:排水速度测量
1. 将试验设备连接到排水管道。
2. 打开水源,使水流进入排水管道。
3. 使用流量计测量水流的速度。
4. 根据试验要求,记录水流速度和时间数据。
步骤三:排水装置观察
1. 检查屋面排水装置的工作情况。
2. 观察排水装置是否正常排水,没有积水或渗漏现象。
3. 如发现异常情况,记录并进行必要的修复或更换。
试验结果记录
排水管道检查结果
- 布局和连接情况:良好
- 堵塞或漏水情况:无
排水速度测量结果
- 水流速度:XX m/s
- 试验时间:XX 秒
排水装置观察结果
- 排水情况:正常
- 积水或渗漏情况:无
结论
根据本次试验结果,屋面排水系统的性能良好,能够有效排水
并正常工作。
备注
在试验过程中,如发现任何异常情况或有其他需要记录的内容,请在备注中详细记录。
检验(建)表5.1.1共页第页
检验(建)表5.1.1共页第页
屋面淋水(蓄水)试验记录
检验(建)表5.1.1共页第页
屋面淋水(蓄水)试验记录
检验(建)表5.1.1共页第页
屋面淋水(蓄水)试验记录
检验(建)表5.1.1共页第页
屋面淋水(蓄水)试验记录
检验(建)表5.1.1共页第页
屋面淋水(蓄水)试验记录
检验(建)表5.1.1共页第页
屋面淋水(蓄水)试验记录
检验(建)表5.1.1共页第页
屋面淋水(蓄水)试验记录
检验(建)表5.1.1共页第页
屋面淋水(蓄水)试验记录
检验(建)表5.1.1共页第页
屋面淋水(蓄水)试验记录
检验(建)表5.1.1共页第页
屋面淋水(蓄水)试验记录
检验(建)表5.1.1共页第页
屋面淋水(蓄水)试验记录
检验(建)表5.1.1共页第页
屋面淋水(蓄水)试验记录
检验(建)表5.1.1共页第页
屋面淋水(蓄水)试验记录
检验(建)表5.1.1共页第页
欢迎您的下载,资料仅供参考!。
屋面淋水试验记录试验目的:本次试验旨在测试屋面的淋水性能和蓄水性能,并评估其对建筑物屋顶的保护效果。
试验器材:1.模拟屋顶平台:使用方便安装和拆卸的木质平台。
2.水源:使用水龙头供水,确保水压稳定。
3.滑道:设计一条滑道将水引流至屋面。
4.测量工具:使用水位计测量屋面上的水位,使用皮尺测量屋面上的积水厚度。
试验步骤:1.安装模拟屋顶平台:在试验区域的地面上安装木质平台,确保平台水平且能够承受试验所需的重量。
2.设计并安装滑道:将一条滑道放置在平台上,并将另一端延伸至水源处。
滑道应具有适当的坡度,以保证水能顺利地引流至屋面。
3.测量基准:在试验前,使用水位计测量平台上的基准水位,并记录下来。
4.开始淋水:打开水源,使水顺着滑道流至屋面。
试验期间应保持水压稳定,以确保试验结果准确可靠。
5.记录:定时记录屋面上的水位和积水厚度。
每隔固定时间记录一次,以获取不同时间段内的数据。
6.延长试验时间:持续进行试验,直到屋面不再积水或者水位达到一定高度。
7.停止试验:当试验满足预定条件时,关闭水源,并停止记录数据。
8.结束试验:拆除滑道和模拟屋顶平台,清洁试验区域,并整理和保存测量记录。
试验结果分析:根据试验记录和测量数据,对结果进行分析和评估。
可以从以下几个方面进行评估:1.淋水性能:根据试验结果可以评估屋面在不同时间段内的淋水情况。
较好的淋水性能意味着屋面能够及时排水,减少水在屋面上滞留的可能性。
2.蓄水性能:根据试验结果可以评估屋面在不同时间段内的蓄水情况。
较好的蓄水性能意味着屋面能够有效地蓄水并承受较大的水压。
3.保护效果:根据淋水和蓄水性能的评估,可以综合评估屋面对建筑物屋顶的保护效果。
较好的保护效果意味着屋面能够有效地防止水渗漏和损坏。
改进措施:根据试验结果和评估,可以提出一些改进措施以提升屋面的淋水和蓄水性能1.优化屋面设计:调整屋面的坡度、排水系统和材料选择,以提高淋水性能和蓄水性能。
2.增加排水设施:在屋面中增加排水孔、槽或管道,以便更快地排水。
华润置地福建省公司
1
淋水试验检查记录表
工 程 名 称
记 录 编 号
# - LSSY -
施 工 单 位 试 验 部 位 淋 水 时 间
检 查 时 间
检 查 项 目
□ 外墙抹灰; □ 门窗封堵; □ 门窗; □ 外墙装饰面; □ 斜屋面;
执行标准及编号
《建筑装饰装修工程质量验收规范》(GB50210-2001);
《福建省住宅工程质量分户验收规程》(DBJT 13-119-2010); 渗漏情况记录
检查时间
渗漏部位
渗漏处理完成情况
处理情况复查
1 2 3 4 5 6 7 8 9 10 11 12 13
淋水试验 影像资料
淋水试验结论 □ 淋水试验符合要求,渗漏已经处理并复查合格。
□ 淋水试验不符合要求,重新做淋水试验再报验收。
分包/班组
总包单位
监理单位
建设单位。
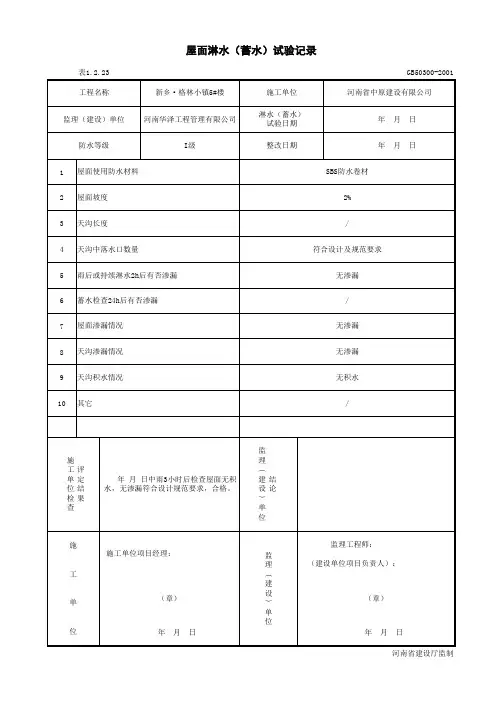
检验(建)表5.1.1 共页第页工程名称龙岩市消防指挥中心屋面形式(斜或平屋面)平屋面屋面防水等级三级设防要求一道防水设防分项工程名称卷材防水层分项施工时间2005.7.11 施工单位福建省七建工程有限公司项目经理林龙川专业工长陈水仁淋水(蓄水)部位±24.900m屋面蓄水高度 0.20米淋蓄水时间24h质量验收规范规定施工单位检查评定记录(观察时间及次数)监理(建设)单位验收记录根据GB50207—2002《屋面工程质量验收规范》规定:可采用雨后或淋水、蓄水检验。
斜屋面(平屋面)采用2h淋水试验,或有监理(建设)单位签认的经一场2h以上的大雨记录。
采用蓄水试验,蓄水时间不少于24h。
时间:蓄水3小时,无渗透。
时间:蓄水6小时,无渗透。
时间:蓄水9小时,无渗透。
时间:蓄水12小时,无渗透。
时间:蓄水15小时,无渗透。
时间:蓄水18小时,无渗透。
时间:蓄水21小时,无渗透。
时间:蓄水24小时,无渗透。
施工单位检查评定结果经蓄水试验,未发现渗水现象,符合规范要求,自检评定合格。
项目专业质量检查员:年月日项目质量检查员:年月日监理(建设)单位验收结论监理工程师:(建设单位项目专业技术负责人)年月日检验(建)表5.1.1 共页第页工程名称龙岩市消防指挥中心屋面形式(斜或平屋面)平屋面屋面防水等级三级设防要求一道防水设防分项工程名称卷材防水层分项施工时间2005.7.11 施工单位福建省七建工程有限公司项目经理林龙川专业工长陈水仁淋水(蓄水)部位±20.100m屋面蓄水高度 0.20米淋蓄水时间24h质量验收规范规定施工单位检查评定记录(观察时间及次数)监理(建设)单位验收记录根据GB50207—2002《屋面工程质量验收规范》规定:可采用雨后或淋水、蓄水检验。
斜屋面(平屋面)采用2h淋水试验,或有监理(建设)单位签认的经一场2h以上的大雨记录。
采用蓄水试验,蓄水时间不少于24h。
时间:蓄水3小时,无渗透。
屋面淋(防)水试验记录(通用)
工程名称皖江·新沁园15#楼工程施工单位铜陵新林建筑公司建筑面积4626.88㎡结构形式框架结构试水日期年月日试水部位屋面
试水简况
所有的屋面天沟落水口处,用胶袋装砂堵塞,经过两次大雨连续不断的淋落,待雨停止后,组织相关人员对屋面及天沟防水部位(对天棚、天沟板)进行彻底的细致检查。
检查结论
通过整体细致的检查,未发现屋面天棚及天沟板有潮湿、渗漏现象,本工程淋水试验结果,符合设计要求及工程施工质量验收规范的规定。
复
查结果
本工程屋面淋水试验后,以后又继续进行几次的大雨淋落,并组织相关人员重新复查,仍未发现渗漏现象。
评
定
意
见
年月日
参加人员监理(建设)单位
施工单位
专业技术负责人质检员试验员。