1、土方开挖(开挖深度大于或等于3.0m)
- 格式:doc
- 大小:28.00 KB
- 文档页数:1
开挖支护施工方案当基坑开挖深度H≤3.0m时采用放坡开挖;当开挖深度H>3.0m 时,采用拉森钢板桩+支撑支护开挖。
本工程管道基坑开挖深度H即有大于3.0m的,也有小于3.0m的,故基坑开挖时采用:(1)放坡开挖;(2)拉森钢板桩+支撑支护开挖;(3)大开挖施工结合拉森钢板桩+支撑支护开挖。
拉森钢板桩采用Ⅲ型钢板桩,板桩间设二道支撑(设置位置如下图如示),支撑采用宽翼缘H型钢。
1、大开挖施工(1)施工流程(2)开挖采用1:1 放坡坡度,开挖采用机械和人工结合的方法施工。
为防止扰动槽底土层,机械挖除控制在距槽底土基标高20㎝处采用人工挖土、修整槽底。
沟槽挖土,随挖随运,及时外运至业主指定地点,沟槽边不得堆土,以减少沟槽壁的侧压力。
为保证槽底土的强度和稳定,施工时不得超挖,也不能扰动;当发生超挖或扰动时,必须按规程进行地基处理。
(3)沟槽开挖时应保证沟槽两侧土体稳定,以确保“管—土”共同作用条件,应严格控制槽底高程,不得超挖或挠动原土基面。
施工时严格按规范操作。
(4)沟槽宽度:沟槽的最小宽度b应按下列公式计算确定:b≥D1+2S式中:b——沟槽的最小宽度;D——管外径(mm);S——管壁到沟槽的距离(mm)。
S应符合下列要求:(5季节,我们必须在沟槽底两侧设置集水沟(坑),确保沟槽内无水施工。
(6)土方堆放。
开挖出来的土一部分可以运作回填,剩余土运到业主的指定点。
2、拉森Ⅲ型钢板桩支护基槽施工管道施工总流程:2.1施工准备2.1.1设备:锤击打桩机2台套。
采用2T锤施打,落距1~2m。
2.1.2材料:本工程管线沟槽部分采用拉森钢板桩Ⅲ支护,钢板桩入土深度为基坑深度的2.4-3倍。
2.2钢板桩的检验与矫正及吊运、堆放2.2.1钢板桩检验用于基坑临时支护的钢板桩,进行外观表面缺陷、长度、宽度、厚度、高度、端头矩形比、平直度和锁口形状等检验、对桩上影响横断面实际厚度,予以折减。
钢板桩检验标准钢板桩的矫正有以下六种方法:(1)表面缺陷矫正先清洗缺陷附近表面的锈蚀和油污,然后用焊接修补方法补平,再用砂轮磨平。
危大工程识别及荷载计算一、什么是危大工程?危大工程是指房屋建筑和市政基础设施工程在施工过程中, 容易导致人员群死群伤或者造成重大经济损失的分部分项工程。
二、危大工程范围包括:(1)基坑工程:①开挖深度超过 3m(含 3m)的基坑(槽)的土方开挖、支护、降水工程;②开挖深度虽未超过 3m,但地质条件、周围+环境和地下管线复杂,或影响毗邻建、构筑物安全的基坑(槽)的土方开挖、支护、降水工程。
(2)模板工程及支撑体系:①各类工具式模板工程:包括滑模、爬模、飞模、隧道模等工程;②混凝土模板支撑工程:搭设高度 5m及以上,或搭设跨度 10m 及以上,或施工总荷载(荷载效应基本组合的设计值,以下简称设计值)10kN/m2 及以上,或集中线荷载(设计值)15kN/m 及以上,或高度大于支撑水平投影宽度且相对独立无联系构件的混凝土模板支撑工程;③承重支撑体系:用于钢结构安装等满堂支撑体系。
三、超过一定规模的危大工程范围包括:(1)深基坑工程:开挖深度超过 5m(含 5m)的基坑(槽)的土方开挖、支护、降水工程。
(2)模板工程及支撑体系:①各类工具式模板工程:包括滑模、爬模、飞模、隧道模等工程;②混凝土模板支撑工程:搭设高度 8m及以上,或搭设跨度 18m 及以上,或施工总荷载(设计值)15kN/m2及以上,或集中线荷载(设计值)20kN/m 及以上;③承重支撑体系:用于钢结构安装等满堂支撑体系,承受单点集中荷载7kN 及以上。
(3)起重吊装及起重机械安装拆卸工程:①采用非常规起重设备、方法,且单件起吊重量在 100kN 及以上的起重吊装工程;②起重量 300kN 及以上,或搭设总高度 200m 及以上,或搭设基础标高在 200m 及以上的起重机械安装和拆卸工程。
(4)脚手架工程:①搭设高度 50m 及以上的落地式钢管脚手架工程;②提升高度在 150m 及以上的附着式升降脚手架工程或附着式升降操作平台工程;③分段架体搭设高度 20m 及以上的悬挑式脚手架工程。
2021年市政施工基础知识练习题和答案(Part14)共3种题型,共75题一、单选题(共30题)1.整体式现浇钢筋混凝土池体结构施工流程()。
A:测量定位→土方开挖及地基处理→防水施工→垫层施工→底板浇筑→池壁及柱浇筑→顶板浇筑→功能性试验B:测量定位→土方开挖及地基处理→底板浇筑→垫层施工→防水施工→池壁及柱浇筑→顶板浇筑→功能性试验C:测量定位→土方开挖及地基处理→垫层施工→防水施工→底板浇筑→池壁及柱浇筑→顶板浇筑→功能性试验D:测量定位→土方开挖及地基处理→底板浇筑→防水施工→垫层施工→池壁及柱浇筑→顶板浇筑→功能性试验【答案】:C【解析】:整体式现浇钢筋混凝土池体结构施工流程:测量定位→土方开挖及地基处理→垫层施工→防水施工→底板浇筑→池壁及柱浇筑→顶板浇筑→功能性试验。
2.下列选项中不属于先张法制作预应力混凝土梁板工艺流程的是()。
A:调整初应力B:张拉预应力筋C:管道压浆D:整修锚、夹具【答案】:C【解析】:先张法施工工艺采用先张法制作预应力混凝土构件,一般是在预制场内进行。
先张法施工是在混凝土浇筑前,将预应力筋摆放于台座上,根据设计要求的控制应力对预应力筋进行张拉,并用夹具临时固定在台座上,然后浇筑混凝土,待混凝土达到一定强度后,放松预应力筋。
由于预应力筋的弹性因缩,借助预应力筋与混凝土之间的粘接力,使混凝土获得预压应力3.真空预压的施工顺序一般为()。
A:设置竖向排水体→铺设排水垫层→埋设滤管→开挖边沟→铺膜、填沟、安装射流泵等→抽空→抽真空、预压B:铺设排水垫层→设置竖向排水体→开挖边沟→埋设滤管→铺膜、填沟、安装射流泵等→抽空→抽真空、预压C:铺设排水垫层→设置竖向排水体→埋设滤管→开挖边沟→铺膜、填沟、安装射流泵等→抽空→抽真空、预压D:铺设排水垫层→设置竖向排水体→埋设滤管→开挖边沟→抽空→铺膜、填沟、安装射流泵等→抽真空、预压【答案】:C【解析】:真空预压的施工顺序一般为:铺设排水垫层→设置竖向排水体→埋设滤管→开挖边沟→铺膜、填沟、安装射流泵等→抽空→抽真空、预压。
2021年市政质量基础知识练习题和答案(Part9)共3种题型,共60题一、单选题(共40题)1.燃气管道在做强度试验时,一般情况下试验压力为设计压力的()倍,但钢管不得低于()MPa,正确的选项是。
A:1.0;0.4B:1.0;0.5C:1.5;0.4D:1.5;0.5【答案】:C【解析】:燃气管道在做强度试验时,一般情况下试验压力为设计压力的1.5倍,但钢管不得低于0.4MPa。
2.道路横断面图的比例,视()而定。
A:排水横坡度B:各结构层的厚度C:路基范围及道路等级D:切缝深度【答案】:C【解析】:道路横断面图的比例,视路基范围及道路等级而定。
3.城市热力管道焊接质量检验次序是()。
A:强度和严密性试验一无损探伤检验一对口质量检验一表面质量检验B:对口质量检验一无搠擦伤检验一表面质量检验一强度和严密性试验C:表面质量检验一强度和严密性试验一对口质量检验一无损探伤检验D:对口质量检验一表面质量检验一无损探伤检验一强度和严密性试验【答案】:D【解析】:城市热力管道焊接质量检验次序是,对口质量检验一表面质量检验一无损探伤检验一强度和严密性试验4.施工总承包单位承包建设工程后的下列行为中,除()以外均是法律禁止的。
A:将承包的工程全部转让给他人完成的B:施工总承包单位将有关专业工程发包给了有相应资质的专业承包企业完成的C:分包单位将其承包的建设工程肢解后以分包的名义全部转让给他人完成的D:劳务分包企业将承包的部分劳务作业任务再分包的【答案】:B【解析】:《建筑法》第29条规定:禁止总承包单位将工程分包给不具备相应资质条件的单位,禁止分包单位将其承包的工程再分包。
依据《建筑法》的规定:《建设工程质量管理条例》进一步将违法分包界定为如下几种情形:①总承包单位将建设工程分包给不具备相应资质条件的单位的;②建设工程总承包合同中未有约定,又未经建设单位认可,承包单位将其承包的部分建设工程交由其他单位完成的;③施工总承包单位将建设工程主体结构的施工分包给其他单位的;④分包单位将其承包的建设工程再分包的。
《安全员岗位实务知识》习题第四章土方与基础工程施工安全技术一、单项选择题(在每小题的备选答案中。
只有一个符合题意。
)1.人工开挖土方时,两人的操作间距应保持( )。
A.1m B.1~2m C.2~3m D.3.5~4m2.在临边堆放弃土,材料和移动施工机械应与坑边保持一定距离,当土质良好时,要距坑边( )远。
A.0.5m以外,高度不超0.5m B.1m以外,高度不超1.5mC.1m以外,高度不超lm D.1.5m以外,高度不超2m3.人工挖掘土方必须遵守( )顺序放坡进行。
A.自上而下B.自下而上C.自左至右D.自右至左4.边坡开挖作业中如遇地下水涌出,应坚持( )的原则安排施工,严防边坡坍塌。
A.先排水后开挖B.先开挖后排水C.边开挖边排水D.不排水开挖5.滑坡地段开挖作业,应从滑坡体( )进行:A.中部向两侧自下而上B.中部向两侧自上而下C.两侧向中部自下而上D.两侧向中部白上而下6.机械开挖时,为保证基坑土体的原状结构,应预留( )原土层,由人工挖掘修整。
A.100~250mm B.150~300mm C.200~350 mm D.250~400 lnm7.基坑开挖时,土方机械禁止在离电缆( )距离内作业。
A.0.5m B.1.0m C.1.5 m D.2.0 m8.土方开挖应在降水达到要求后,采用分层开挖的方法施工,分层厚度不宜超过( )。
A.1.5m B.2.0m C.2.5 m D.3.0m9.多台机械开挖基坑时,挖土机间距应大于( )。
A.5m B.10m C.15m D.20m10.基坑四周及栈桥临空面必须设置萌护栏杆,栏杆高度不应低于( )。
A.0.6m B.0.9m C.1.2m D.1.5m11.采用人工挖孔桩挖土时,按设计桩径加( )护壁厚度控制截面。
A.1倍B.2倍C.3倍D.4倍12.采用人工挖孔桩挖土时,挖孔截面的尺寸允许误差不超过( )。
A.20mm B.30mm C.40mm D.50mm13.桩孔直径大于( )以上的人工挖孔蛙的开挖,应设护壁。
第1篇一、工程概况本工程为XX项目,位于XX地区,占地面积约XX平方米,总建筑面积约XX平方米。
基础工程土方施工设计主要包括土方开挖、土方运输、土方回填等环节。
二、施工方案1. 土方开挖(1)根据地质勘察报告,基坑土方开挖涉及2个地质层,分别为回填土和戈壁园砾土。
(2)土方开挖深度约为1.3m~3.75m,自然地面高度-0.65m,基础底面标高-1.85m~-4.3m,另加0.1m垫层高度。
(3)采用机械开挖为主,人工开挖为辅的方式进行土方开挖。
(4)开挖过程中,注意保持土方质量,避免土方流失。
2. 土方运输(1)土方运输采用自卸汽车运输,运输线路应避开交通要道,确保交通安全。
(2)运输过程中,严格控制土方运输量,避免超载。
(3)运输车辆应配备覆盖物,防止扬尘污染。
3. 土方回填(1)回填土料应符合设计要求,保证回填土的密实度。
(2)回填过程中,分层压实,每层厚度控制在20cm左右。
(3)回填土料采用分层压实,压实度达到设计要求。
(4)回填土完成后,进行表面平整,确保满足后续施工要求。
三、施工进度计划1. 土方开挖:预计工期为XX天。
2. 土方运输:预计工期为XX天。
3. 土方回填:预计工期为XX天。
四、施工安全措施1. 施工现场设置安全警示标志,明确施工区域。
2. 施工人员必须佩戴安全帽、安全带等个人防护用品。
3. 施工机械操作人员必须经过专业培训,取得操作资格。
4. 施工现场设置消防设施,确保消防安全。
5. 施工过程中,加强现场巡查,及时发现并处理安全隐患。
五、环境保护措施1. 施工过程中,严格控制扬尘污染,采取洒水降尘、覆盖裸露地面等措施。
2. 施工过程中,严格控制噪声污染,采取隔音措施。
3. 施工结束后,及时清理施工现场,恢复地貌。
六、质量保证措施1. 施工过程中,严格按照设计要求和施工规范进行施工。
2. 施工过程中,加强质量控制,确保施工质量。
3. 施工完成后,进行质量验收,确保工程质量满足设计要求。
附件1重要的分部分项工程监理旁站用表表1-1 分项工程名称:土方开挖(开挖深度大于或等于3.0m)编号:注:旁站中对符合要求的在“□”方格内打“√”,必要时也可用文字说明。
重要的分部分项工程监理旁站用表表1-2 分项工程名称:土方回填(按检验批为单位)编号:重要的分部分项工程监理旁站用表表1-3 分项工程名称:土钉墙编号:注:旁站中对符合要求的在“□”方格内打“√”,必要时也可用文字说明。
监理旁站用表重要的分部分项工程监理旁站用表表1-5 分项工程名称:施打预应力管桩或方桩编号:注:旁站中对符合要求的在“□”方格内打“√”,必要时也可用文字说明。
重要的分部分项工程监理旁站用表表1-6 分项工程名称:梁柱节点钢筋编号:注:旁站中对符合要求的在“□”方格内打“√”,必要时也可用文字说明。
重要的分部分项工程监理旁站用表表1-7 分项工程名称:普通砼、防水砼、后浇带等砼工程编号:注:旁站中对符合要求的在“□”方格内打“√”,必要时也可用文字说明。
(所有砼浇筑均用本表)重要的分部分项工程监理旁站用表表1- 8 分项工程名称:预应力张拉(有粘结)编号:注:旁站中对符合要求的在“□”方格内打“√”,必要时也可用文字说明。
重要的分部分项工程监理旁站用表表1-9 分项工程名称:涂料防水及细部构造处理(屋面及地下防水、卫生间)编号:注:旁站中对符合要求的在“□”方格内打“√”,必要时也可用文字说明。
重要的分部分项工程监理旁站用表表1-10 分项工程名称:卷材防水层及细部构造处理(屋面及地下等防水)编号:注:旁站中对符合要求的在“□”方格内打“√”,必要时也可用文字说明。
重要的分部分项工程监理旁站用表表1-11 分项工程名称:钢结构安装编号:注:旁站中对符合要求的在“□”方格内打“√”,必要时也可用文字说明。
重要的分部分项工程监理旁站用表表1-12 分项工程名称:塔吊、施工电梯(安装、拆卸)编号:注:旁站中对符合要求的在“□”方格内打“√”,必要时也可用文字说明。
重要的分部分项工程监理旁站用表表1-1 分项工程名称:土方开挖(开挖深度大于或等于3.0m)编号:重要的分部分项工程监理旁站用表表1-2 分项工程名称:土方回填(按检验批为单位)编号:重要的分部分项工程监理旁站用表表1-3 分项工程名称:土钉墙编号:重要的分部分项工程监理旁站用表表1-4 分项工程名称:泥浆护壁成孔浇注桩(冲钻桩)(按一根桩为单位)编号:重要的分部分项工程监理旁站用表表1-5 分项工程名称:施打预应力管桩或方桩编号:重要的分部分项工程监理旁站用表表1-6 分项工程名称:梁柱节点钢筋编号:重要的分部分项工程监理旁站用表表1-7 分项工程名称:普通砼、防水砼、后浇带等砼工程编号:重要的分部分项工程监理旁站用表表1- 8 分项工程名称:预应力张拉(有粘结)编号:重要的分部分项工程监理旁站用表表1-9 分项工程名称:涂料防水及细部构造处理(屋面及地下防水、卫生间)编号:重要的分部分项工程监理旁站用表表1-10 分项工程名称:卷材防水层及细部构造处理(屋面及地下等防水)编号:重要的分部分项工程监理旁站用表表1-11 分项工程名称:钢结构安装编号:重要的分部分项工程监理旁站用表表112 分项工程名称:塔吊、施工电梯(安装、拆卸)编号:重要的分部分项工程监理旁站用表表1-13 项目名称:扣件式钢管支撑高大模板搭设安装编号:重要的分部分项工程监理旁站用表表1-14 项目名称:扣件式钢管支撑高大模板拆除编号:重要的分部分项工程监理旁站用表表1-15 项目名称:落地式钢管脚手架编号:重要的分部分项工程监理旁站用表表1-16 分项工程名称:碗扣式钢管支撑模板塔设(达到危险性较大的)编号:重要的分部分项工程监理旁站用表表1-17 分项工程名称:建筑节能、墙体工程(按检验批为单位)编号:重要的分部分项工程监理旁站用表表1-18 分项工程名称:幕墙节能工程(按检验批为单位)编号:重要的分部分项工程监理旁站用表表1-19 分项工程名称:门窗节能工程(按检验批为单位)编号:重要的分部分项工程监理旁站用表表1-20 分项工程名称:屋面节能工程编号:重要的分部分项工程监理旁站用表表1-21 项工程名称:通风与空调节能工程编号:。
监测题库一、单项选择题1.下列哪项不属于地下水处理不当直接引起的危害?() A.突涌 B.流沙 C.管涌 D.地面裂缝2.下列哪项基坑降水方法在长三角地区一般不适合使用?() A.电渗井点 B.砂(砾)自渗井 C.轻型井点 D.真空深井3.根据宁波地区水文地质特点,适合地铁深基坑开挖的降水方法中,最常用哪种降水方法进行疏干性降水。
() A.集水明排 B.轻型井点 C.真空深井 D.辐射井点4.基坑降水过程中,哪种围护结构形式对基坑疏干降水最有利?() A.钻孔灌注桩 B.SMW工法 C.地下连续墙 D.水泥搅拌桩5.宁波轨道交通1号线一期工程基坑疏干性降水过程中平均单井涌水量约多少m3/d?() A.小于10m3/d B.10~50m3/d C.50~200m3/d D.大于200m3/d 6.开挖基坑要考虑什么效应?() A.时空 B.安全 C.土力学 D.光电7.在开挖基坑中抽水前应对什么井做抽水试验?() A.疏干井 B.降压井 C.承压井 D.空压井8.地下水是深基坑施工过程中的重要危险源之一,下列哪项地下水处理措施属于降水手段确保基坑安全施工措施?() A.坑内疏干降水 B.围护堵漏 C.围护接缝处加固 D.减压降水9.降水运行过程中,降水单位除做好工程现场的降水及管理工作外,还应每日向总包单位提交什么材料?() A.水位水量日报表 B.施工日志 C.施工监测报表 D.成孔成井报表10.下列哪些不属于基坑降水过程中的应急措施。
() A.备用井、备用水泵 B.应急人员组织结构 C.降水应急方案、人员、设备材料 D.备用电源11. 基坑内加横向隔离墙作用()A.减少围护墙位移 B.防止灰尘 C.减少土体纵向滑坡的可能性D.美观作用12. 系统工程理论中的三维不包含哪个维?()A.知识维 B.物质维 C.时间维 D.逻辑维13.开挖基坑前应开启疏干井降至哪个面以下1米进行土体预压()A.地墙顶面 B.基坑(设计)底面 C.最后钢支撑 D.开挖面14.基坑突涌可能性计算一般采用的计算方法是哪种?() A.规范法 B.安全系数法 C.土力学法 D.静水压力法15.在降水井成井过程中,为确保成井质量,可采用多种洗井方法,对于减压井一般采用下列哪种洗井方法较合理、有效?() A.水泵洗井法 B.化学药剂洗井法 C.活塞洗井法 D.空压机洗井法16. 在基坑开挖监测过程中,应根据设计要求提交()A.完整的监测数据; B.全部监测数据; C.阶段性监测报告; D.完成的监测报告。
一、单选题1、根据深基坑施工安全等级划分开挖深度大于(A)m的基坑工程和设计使用年限超过()年的基坑工程为一级基坑。
(《建筑深基坑工程施工安全技术规范》JGJ311-2013,3.0.1)A、15,2B、10,3C、10,2D、15,32、基坑现场勘查和环境调查时,勘查与调查范围应超过基坑开挖边线之外,且不得小于基坑深度的(A)倍。
(《建筑深基坑工程施工安全技术规范》JGJ311-2013,4.2.1)A、2B、3C、4D、53、对施工安全等级为一级、分布有地下管网的基坑工程,宜采用(C)为主的勘查方法。
《建筑深基坑工程施工安全技术规范》JGJ311-2013,4.2.2 )A、钻探B、坑探C、物探D、触探4、基坑工程施工安全专项方案应与(B)同步编制。
(《建筑深基坑工程施工安全技术规范》JGJ311-2013,5.2.1)A、基坑开挖专项施工方案B、基坑工程施工组织设计C、基坑支护专项方案D、基坑技术交底5、危险源分析根据危险程度和发生的频率,识别为重大危险源和(C)。
(《建筑深基坑工程施工安全技术规范》JGJ311-2013,5.3.1)A、特大危险源B、较大危险源C、一般危险源D、可控危险源6、深基坑工程施工的危险源分析应采用(D),并应在施工安全专项方案中及时对危险源进行更新和补充。
(《建筑深基坑工程施工安全技术规范》JGJ311-2013,5.3.4 )A、因果分析法B、对比分析法C、数据分析法D、动态分析方法7、深基坑施工时坑外地下水位下降速率过快引起周边建筑物与地下管线沉降速率超过警戒值,应调整抽水速度减缓地下水位下降速度或采用(A)措施。
(《建筑深基坑工程施工安全技术规范》JGJ311-2013,5.4.2)A、回灌B、坑外灌水C、坑内加载D、支护加固8、基坑工程变形监测数据超过(B),或出现基坑、周边建(构)筑、管线失稳破坏征兆时,应立即停止施工作业,撤离人员,待险情排除后方可恢复施工。
旁站监理记录表
表B.0.1
注:旁站中对符合要求的在“□”方格内打“√”,必要时也可用文字说明。
旁站监理记录表
表B.0.2分项工程名称:土方回填(按检验批为单位)编
旁站监理记录表
表B.0.3分项工程名称:土钉墙编
旁站监理记录表
表B.0.4
旁站监理记录表
表B.0.5分项工程名称:施打预应力管桩或方桩编
旁站监理记录表
表B.0.6分项工程名称:梁柱节点钢筋编
旁站监理记录表
表B.0.7
旁站监理记录表
表B.0.8
旁站监理记录表
表B.0.9
旁站监理记录表
表B.0.10
旁站监理记录表
表B.0.11分项工程名称:钢结构安装
编
旁站监理记录表
表B.0.12
旁站监理记录表
表B.0.13
旁站监理记录表
表B.0.14
旁站监理记录表
表B.0.15项目名称:落地式钢管脚手架编
旁站监理记录表
表B.0.16
旁站监理记录表
表B.0.17
旁站监理记录表
表B.0.18
旁站监理记录表
表B.0.19
旁站监理记录表
表B.0.20分项工程名称:屋面节能工程编
旁站监理记录表
表B.0.21。
旁站记录表(市政工程)旁站记录工程名称:施工单位:施工部位基面标高:旁站的关键部位、关键工序名称:土方开挖(开挖深度大于或等于3.0m)编号:旁站开始时间:年月日时分旁站结束时间:年月日时分1.开挖方式:□人工□机械施工单位的质检员、施工员等管理人员已到岗。
2.岗情况,特殊工种人员持证上岗情况,现场作业人员人数,操作人员的各工种数量已记录。
3.开挖及运输机械设备(型号、规格、数量等)及其工作情况已记录。
4.土方开挖(含基坑支护、降水排水及监测监控等)施工方案已经监理审批确认。
5.建设单位已提供场地内的地下管线、沟涵洞等相关地质勘探资料。
6.施工场地内的地下管线保护,现场障碍物清除,临时道路修筑已完成。
7.基坑(槽)支护,基坑内桩基保护,基坑及周边变形监测措施已落实。
8.基坑边坡出现异常时的抢险材料及设备准备情况已准备。
9.开挖前的地面高程、开挖位置复核情况已复核无误。
10.基坑(槽)周边荷载、堆载情况已记录。
11.开挖顺序方向、间隔分段、分层厚度、尺寸位置情况已记录。
12.降水排水设备设施及其运行情况已记录。
13.基底土质预留与人工修整情况已记录。
14.基底土质情况已记录。
注:本表一式一份,项目监理机构留存。
旁站记录旁站的关键部位、关键工序名称名称:土方回填(按检验批为单位)编号:工程名称:施工部位:施工单位:起止标高:旁站开始时间:年月日时分旁站结束时间:年月日时分1.回填方法已记录。
2.施工单位的质检员、施工员等管理人员已到岗,特殊工种人员持证上岗情况已记录,操作人员的各工种数量已记录。
3.压实设备(名称、规格、数量)已记录。
4.填土施工方案已经监理审批确认。
5.基坑、基槽、填土、取土或填土前地面的高程复核已记录。
6.施工用水、地面雨水、抽排情况已记录。
7.基坑、基槽或填土前原地面的腐植物、树根、草皮是否清理并压实已记录。
8.回填土来源、土壤类别(土的名称)已记录。
9.填土后遇雨已将雨淋土、泡水土挖除,再填新土已记录。
建设工程安全B证复审资格考试模拟试题考试时间:年月日姓名:___________ 得分: _____ 一、判断题(共23分,1分/题)( )1、高处作业中用于施工垂直方向水平防护时,应选用立网。
( )2、作业层端部脚手板探头长度应取150mm,其板长两端均应与支承杆可靠地固定。
( )3、混凝土泵车应停放在平整坚实的地方,与沟槽和基坑的安全距离应符合说明书的要求。
( )4、当钢丝绳出现笼状畸变时应立即报废。
( )5、《生产安全事故报告和调査处理条例》规定,重大事故、较大事故、一般事故,负责事故调查的人民政府应当自收到事故调查报告之日起30日内做出批复。
( )6、法律关系的客体包括物、精神产品、行为、人身利益等。
( )7、在施工生产过程中,造成人员死亡、伤害、职业病、财产损失或其他损失的意外事件,称为生产安全事故。
( )8、垂直运输机械人员、安装拆卸工、爆破作业人员、登高架设作业人员、电工、锅炉工、焊工、信号工等特种作业人员必须经过考核合格取得操作证后方准上岗作业。
( )9、严禁用推土机推石灰、烟尘等粉尘物料和用作碾碎石块的作业。
( )10、拆模之前必须有拆模申请,当混凝土养护试块强度达到规定要求时,经技术负责人批准后,方可拆模。
( )11、对没有国家标准和行业标准而又需要在省、自治区、直辖市范围内统一的工业产品的安全、卫生要求,应当制定地方标准。
( )12、土方工程作业时,应向有关操作人员作详细技术交底,明确施工要求,做到安全施工。
( )13、建筑施工企业应当为施工现场从事施工作业和管理的人员,在施工活动过程中发生的人身意外伤亡事故提供保障,办理建筑工伤保险,支付保险费。
( )14、在钢丝绳直径相同的情况下,绳股中的钢丝数愈多,钢丝的直径愈细,钢丝愈柔软,绕性也就愈好。
( )15、脚手架基础经验收合格后,应按施工组织设计或专项方案的要求放线定位。
( )16、墙和板、梁和柱连接部位的混凝土强度符合设计和规范要求。
2022-2023年施工员《市政施工基础知识》预测试题(答案解析)全文为Word可编辑,若为PDF皆为盗版,请谨慎购买!第壹卷一.综合考点题库(共50题)1.下列机械中,不能用于平整场地的是()A.推土机B.铲运机C.挖掘机D.装载机正确答案:C本题解析:挖掘机是用来进行土,石方开挖的一种机械。
2.桥墩是多跨桥的中间支撑结构,主要起( )作用。
()A.支撑B.承重C.挡土D.连接正确答案:B本题解析:暂无解析3.下列选项中,说法正确的是()。
A.一根压杆的临界力与作用荷载的大小无关B.长细比越大,压杆的临界力越大C.对同一根压杆,改变其两端的约束形式,其临界力不发生变化D.压杆材料的强度越大,则其临界力越大正确答案:A本题解析:杆越细长,其临界应力也就越小,压杆就越容易失稳。
反之,杆越粗短,其临界应力就越大,压杆就越稳定。
故B错。
故C错误根据计算公式可以判断D错误。
4.混凝土立方体抗压强度标准值系指按照标准方法制成边长为150mm的标准立方体试件,在标准条件(温度20℃±2℃,相对湿度为95%以上)下养护28d,然后采用标准试验方法测得的极限抗压强度值。
正确答案:正确本题解析:按照标准方法制成边长为150mm的标准立方体试件,在标准条件(温度20℃±2℃,相对湿度为95%以上)下养护28d,然后采用标准试验方法测得的极限抗压强度值,称为混凝土的立方体抗压强度。
5.下列关于水泥粉煤灰碎石桩的说法中,表述正确的是()A.在一个基础中,同一水平面内的接桩数不得超过桩基总数的50%,相邻桩的接桩位置应错开1.0m以上B.承受轴向荷载为主的摩擦桩沉桩时,入土深度控制以桩尖设计标高为主,最后以贯入度作为参考C.在饱和的细、中、粗砂中连续沉桩时,易使流动的砂紧密挤实于桩的周围,,妨碍砂中水分沿桩上升,在桩尖下形成压力很大的“水垫”,产生“吸入”现象。
D.在黏土中连续沉桩时,由于土的渗透系数小,桩周围水不能渗透扩散而沿着桩身向上挤出,而形成“假极限”现象。
旁站监理记录表3.0m)编号:001分项工程名称:土方开挖(开挖深度大于或等于工程名称子单位)单位(兴涵水都新港桥回迁安置区建设项目工程名称)分部(子分部基坑土方开挖2015 年现日场施工单位:广州富利建筑安装有限公司月工天气施分包单位:气候位情况单37℃至29 ℃项目经理/分包项目经理:李吓海气温人员开挖面标高(m)分部位时施工开始日+5.200710起止日20时分结束现场土质类别名称淤泥土质0010时间完成工程量开挖方式□人工√机械m3土方开挖(含基坑支护、降水排水及监测监控□已审批,审批日期:年月日1 .等)施工方案已经监理审批确认建设单位是否有提供场地内的地下管线、沟□不符合要求□已提供2涵洞等相关地质勘探资料。
施工场地内的地下管线保护,现场障碍物清□不符合要求□已完成3除,临时道路修筑是否完成。
基坑(槽)支护,基坑内桩基保护,基坑及周□不符合要求□已落实4边变形监测措施落实情况。
基坑边坡出现异常时的抢险材料及设备准备□不符合要求□已准备5检情况查□不符合要求开挖前的地面高程、开挖位置复核情况□已复核无误6内(LG850铲车、型号、规格、数量等台SK260 挖掘机、)台辆开挖及运输机械设备容7及其工作情况运输车基坑(槽)周边荷载、堆载情况□不符合要求□无超堆载8开挖顺序方向、间隔分段、分层厚度、尺寸□不符合要求□符合要求9位置情况降水排水设备设施及其运行情况□符合要求□不符合要求10□不符合要求□符合要求基底土质预留与人工修整情况11□与勘察设计不符□与勘察设计相符基底土质情况12监理对出现问题处理意见交接班留言项目经理部(章)项目监理机构(章)) (签字质检员( )旁站监理员签字日期:日期:。
旁站监理记录表
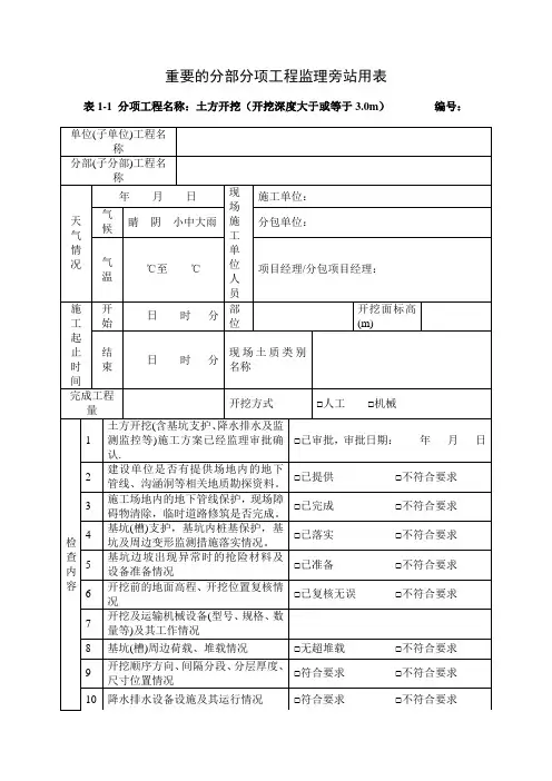
表B.0.1 分项工程名称:土方开挖(开挖深度大于或等于3.0m)编号:
单位(子单位)工程名称
分部(子分部)工程名称
天气情况
年月日现场
施工
单位
人员
施工单位:
气候睛阴小中大雨分包单位:
气温℃至℃项目经理/分包项目经理:
施工起止时间开始日时分部位
开挖面标高
(m)
结束日时分现场土质类别名称
完成工程量开挖方式□人工□机械
检查内容1
土方开挖(含基坑支护、降水排水及监测监
控等)施工方案已经监理审批确认.
□已审批,审批日期:年月日2
建设单位是否有提供场地内的地下管线、
沟涵洞等相关地质勘探资料。
□已提供□不符合要求
3
施工场地内的地下管线保护,现场障碍物
清除,临时道路修筑是否完成。
□已完成□不符合要求
4
基坑(槽)支护,基坑内桩基保护,基坑及周
边变形监测措施落实情况。
□已落实□不符合要求
5
基坑边坡出现异常时的抢险材料及设备准
备情况
□已准备□不符合要求
6 开挖前的地面高程、开挖位置复核情况□已复核无误□不符合要求
7
开挖及运输机械设备(型号、规格、数量等)
及其工作情况
8 基坑(槽)周边荷载、堆载情况□无超堆载□不符合要求
9
开挖顺序方向、间隔分段、分层厚度、尺
寸位置情况
□符合要求□不符合要求
10 降水排水设备设施及其运行情况□符合要求□不符合要求
11 基底土质预留与人工修整情况□符合要求□不符合要求
12 基底土质情况□与勘察设计相符□与勘察设计不符
监理对出现问题处理意见
交接班留言
项目经理部(章)
质检员(签字) 日期:项目监理机构(章)
旁站监理员(签字) 日期:
注:旁站中对符合要求的在“□”方格内打“√”,必要时也可用文字说明。