常用机床电路图共41页
- 格式:ppt
- 大小:5.98 MB
- 文档页数:41
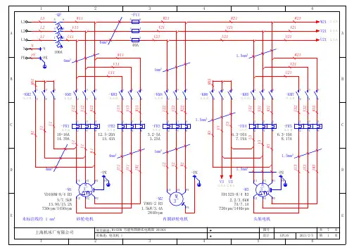
A B C D EABCDE标签完整的名称F24_002 - GB - A4结构描述结构标识符总览=DOC(文档图纸)高层代号=SCH(原理图)高层代号=REP1(接线图表)高层代号=REP2(材料表)高层代号+A电柜位置代号+B操作站位置代号+C1床身位置代号+C2拖板位置代号+E床头位置代号+F刀架位置代号+R液压站位置代号+L冷却箱位置代号+I排屑器位置代号+M尾座位置代号ABCDEABCDE开关电源电子手轮变频器主轴电机主轴编码器X 伺服电机X 驱动器Z 驱动器Z 伺服电机电动刀架AC/DC配电盘润滑油泵冷却泵机床照明GSK980TB3数控系统-XS2电源接口-XS30X 驱动接口-XS31Z 驱动接口-XS32主轴编码器-XS38手轮-XS34主轴接口-XS39输出1-XS40输入1-XS41输入2-XS42输出2A B C D EABCDE 端子图表F13_003 - GB-A4端子排功能文本线号线号目标代号目标代号短连接短连接内部目标外部目标放置=SCH(原理图)+A-X1L1L11电源L1-QF0:1+/1.1:C L2L22=L2-QF0:3+/1.1:C L3L33=L3-QF0:5+/1.1:C PE PE PE=A B C D EABCDE功能文本线号线号目标代号目标代号短连接短连接内部目标外部目标放置=SCH(原理图)+A-X2-FN1:121电柜风机2-QF7:2+/3.4:A2-X2:3+/3.5:C-FN1:202电柜风机-GD2:N+/3.3:C+B-A1-GD1:N+/4.3:C0-X2:4+/3.6:C-FN1:PE PE PE电柜风机-FN2:123=2-X2:1+/3.4:C-FN2:204=0-X2:2+/3.4:C-FN2:PE PE PE=+E-M2:U1U25主电机冷却风机U2-QM1:2+/9.2:B+E-M2:V1V26=V2-QM1:4+/9.2:BW2-QM1:6+/9.2:B+E-M2:W1W27=+E-M2:PE PE PE=U5-KM1:2+/14.1:C+F-M5:U1U58刀架电机U5-FV2+/14.1:CV5-KM1:4+/14.1:C+F-M5:V1V59刀架电机V5-FV2+/14.1:C+F-M5:W1W510刀架电机W5-KM1:6+/14.2:CW5-FV2+/14.1:CA B C D EABCDE功能文本线号线号目标代号目标代号短连接短连接内部目标外部目标放置=SCH(原理图)+A-X2+F-M5:PE PE PE刀架电机+L-M6:U1U611冷却泵电机U6-KM3:2+/16.2:B+L-M6:V1V612=V6-KM3:4+/16.2:B+L-M6:W1W613=W6-KM3:6+/16.2:B+L-M6:PE PE PE=+R-M7:114导轨润滑电机+R-M7:215=22-U3-X2:5C+/17.3:C+R-M7:PE PE=A B C D EABCDE功能文本线号线号目标代号目标代号短连接短连接内部目标外部目标放置=SCH(原理图)+A-X31系统上电L+-GD2:+24V+/3.3:C+B-SB1:21L+2=3+B-SB1:22+/4.1:A+B-SB2:1333=4+B-SB2:14+/4.1:C-KA0:14(+)44X 限位+24V-XS40A-X:11+/6.4:C+B-SB3:21+24V+24V-X3:4+/8.2:A+24V-X3:4+/7.2:A+B-SB5:13+24V4循环启动-X3:10+/8.3:A+24V+C2-SQ1-1:1175X 限位7+B-SB3:22+/7.2:B+B-SB4:137+C2-SQ1-3:32+/7.2:D6X 限位+C1-SQ2-3:3210*ESP+B-SB4:14+/7.5:C-XS40A-X:10*ESP7急停*ESP+C1-SQ2-1:11+/7.3:C8循环启动+B-SB5:14ST ST-XS40A-X:8+/8.2:D*SP-XS40A-X:7+/8.3:D9进给保持+B-SB6:22*SP+24V-X3:4+/8.2:A+C2-SQ1-2:21+24V10X 零点+24V-X3:12+/8.4:A*DECX-XS40A-X:1+/8.3:D+C2-SQ1-2:22*DECX11X 零点12Z 零点+C1-SQ2-2:21+24V+24V-X3:10+/8.3:A+C1-SQ2-2:22*DECZ13=*DECZ-XS40A-X:9+/8.4:DA B C D EABCDE功能文本线号线号目标代号目标代号短连接短连接内部目标外部目标放置=SCH(原理图)+A-X3+F-U5:+24V+24V14刀架电源+24V-XS40A-X:23+/15.2:D+F-U5:0V0V15=0V-XS40A-X:24+/15.2:D+F-U5:1T01161号刀T01-XS40A-X:6+/15.3:D+F-U5:2T02172号刀T02-XS40A-X:5+/15.4:D+F-U5:3T03183号刀T03-XS40A-X:4+/15.5:D+F-U5:4T04194号刀T04-XS40A-X:3+/15.5:D+C2-EL24V20机床照明24V-QF5:2+/2.5:D+C2-EL:x2021=0-TC2+/2.3:C-GD2:N+/3.3:CA B C D EABCDE符号地址设备标识符 PLC地址项目名称功能文本放置端子车床数控改造电路图-变频主轴(GSK980TB3)=SCH(原理图)+B-A1+/10.1:A主轴故障7+/10.2:A模拟电压10+/10.3:A0V11+/6.1:A13+/6.2:A18+/6.2:A19+/6.2:A20+/6.2:A21+/6.3:A22+/6.3:A23+/6.3:A24+/6.3:A25+/6.4:A11+/6.5:A14+/6.5:A15+/6.5:A16+/6.5:A17+/6.6:A18+/15.2:D电源23+/15.2:D0V24+/6.6:A25+/10.2:D电源11A B C D EABCDE符号地址设备标识符 PLC地址项目名称功能文本放置端子车床数控改造电路图-变频主轴(GSK980TB3)=SCH(原理图)+B-A1X1.0+/7.5:E急停10X1.1+/8.4:E Z 零点减速9X1.2+/8.2:E循环起动8X1.3+/8.3:E进给保持7X1.5+/8.3:E X 零点减速1X2.0+/15.3:D 1 号刀6X2.1+/15.4:D 2 号刀5X2.2+/15.5:D 3 号刀4X2.3+/15.5:D 4 号刀3X3.7+/10.1:D速度到达7Y5.0+/10.5:A主轴正转7Y5.1+/10.6:A主轴反转3Y5.3+/16.4:A冷却15Y5.4+/17.4:A润滑6Y6.6+/14.5:A刀架正转12Y6.7+/14.6:A刀架反转13A B C D EABCDE 元件汇总表元件代号型号描述制造商数量广州数控2伺服驱动器,20A模块,适配1~1.3kw伺服电机DA98A-20-A2广州数控2伺服驱动器,30A模块,适配1.5~1.88kw伺服电机DA98A-30-A3阿尔法2变频器,三相380V,7.5kw/11kw,17A/25A;ALPHA6000E-37R5GB/3011PB-A4广州数控1数控车床系统,横式,7寸液晶屏GSK980TB3-A11LED机床工作灯,长臂式,24V AC,12W。
CAK36系列数控车床CAK40系列数控车床机床控制参数表GSK 980TDi沈阳机床股份有限公司沈一车床厂CAK36/40系列 机床控制参数表沈阳机床股份有限公司 1 / 5参数号 参数值 备注 00100011010Bit4=1模拟电压控制 002 00000010 Bit1=1刀尖半径补偿有效003 00110000004 01000000Bit=0 公制 005 00010010006 00000000007 10000000008 00011100010 ********012 10101001015 1X 齿轮比分子 016 1Z 齿轮比分子 017 1X 齿轮比分母 018 1Z 齿轮比分母 019 5020 0021 -390022 4000X 快移速度 8000Z 快移速度 026 100027 8000切削进给上限速度 028 200029 100030 200031 1260032 200F0时X 快移速度 400F0时Z 快移速度 033 100X 回零速度 200Z 回零速度 034 0X 反向间隙补偿 0Z 反向间隙补偿 036 0037 3000主轴1档最高速度 038 3000主轴2档最高速度 039 3000主轴3档最高速度 040 3000主轴4档最高速度 041 100042 10插入段号增量值 043 99G96恒线速主轴最低转速 044 115200波特率 045+99999999X 正向软限位 +99999999Z 正向软限位 参数号 参数值 备注 046 -99999999 X 负向软限位 -99999999Z 负向软限位 047 0 各轴返回机床零点后绝对坐标的设置值0 0480 049 0 050 0051 2500 G71、G72时的单次进刀量 052 5000 G71、G72时的单次退刀量 053 15000 G73时,X 轴的退刀量 054 -25000 G73时,Z 轴的退刀量 055 3 G73循环车削的切削次数056 5000057 1 G76的重复次数058 0 059 0 060 0 061 0 062 0 063 0 064 0 065 0 066 0067 100 S1轴换挡输出电压 068 0 手动/手轮方式下S1速度 069 0 液压压力低检测时间ms070 1024 主轴编码器线数071 32 072 50073 4095 S1最大转速钳制 074 0 S1最小转速钳制 084 4 刀架总刀位数 109 40 主轴点动速度 110 1 S1轴对应参数 111 1 S1轴对应参数 113 3800 X 轴对应参数 7600 Z 轴对应参数119 3 140 1000 174 00001000175 ******** Bit6=1检查主轴转速到达 18111100000不检查/检查主轴速度CAK36/40系列 机床控制参数表沈阳机床股份有限公司 2 / 5参数号 参数值 备注 18400000000Bit6=0中文DT 时间参数 参数号 数值 备注DT002 2000 压力低报警检查时ms DT009 1500 刀架反转锁紧时间ms DT012 3000 主轴点动时间ms DT013 0 手动润滑开启时间ms DT014 1500 卡盘夹紧时间ms DT015 1500 卡盘松开时间ms DT016 1800000 自动润滑间隔时间ms DT017 10000 自动润滑输出时间msK 参数 参数号 数值 备注 K011.0 换刀方式00方式B/01方式AK011.1 K011.2 1/0 刀位信号低电平/高电平有效K011.3 1/0 检测/不检测 刀架锁紧信号 K011.4 1/0 刀架锁紧信号 高电平/低电平有效K011.5 1/0 换刀结束时检测/不检查刀位信号K011.6 1/0 非换刀过程检测/不检查锁紧信号K011.7 1/0 非换刀过程检测/不检查刀位信号 K014.0 1/0 液压压力检测功能有效/无效K014.1 1/0 液压压力检测信号低电平/高电平时关闭防护门K014.2 1/0 防护门功能 有效/无效K014.3 1/0 防护门信号高电平/低电平时关闭防护门 K014.4 1/0 防护门锁/防护门开关 K014.5 1/0 防护门开时倍率,冷却限制/不限制K014.61/0防护门打开,手动下主轴转速限制/不限制参数号 数值 备注K014.7 1/0 液压控制功能 有效/无效 K016.2 1/0 自动润滑开机时 是/否输出润滑 K016.3 1/0 润滑油位低 检测/不检测 K016.4 1/0 润滑油位高电平/低电平报警 K016.7 1/0 手轮/单步方式 x1000档无效/有效 K017.0 1/0 主轴伺服/主轴变频器控制K017.1 1/0 主轴风扇异常 检测/不检测 K017.2 1/0 主轴转速到达信号 低电平/高电平有效K017.3 1/0 主轴停止时关闭/不关闭模拟电压 K017.41/0主轴低电平/高电平异常报警DC 参数 参数号 数值 备注 DC000 10 主轴零速输出范围r/min DC010 200000000 行程润滑距离伺服参数 参数号 X 轴 Z 轴 0 315 315 1 122 146 29 1024 4096 30 625 1875CAK36/40系列机床控制参数表蓝海华腾V系列驱动器参数参数参数值参数含义备注标记F03.030 无编码器矢量控制F04.00 1端子控制F04.02 3 模拟量给定F04.045260 最高转速F04.11 3 加速时间F04.12 3 减速时间F04,14 1 使用能耗制动F04.15 680 制动电压F05.00 3 X1端子,正转F05.012X2端子,反转F05.0236X3端子,准停定位F05.0334 X4端子,刚性攻丝F05.0466X5端子,零伺服使能端子F05.1214继电器1端子,驱动器故障F05.13 32继电器2端子,准停到位输出F06.00 4044 模拟量曲线输入修正F06.01 0 曲线输入修正A0L0.00380电机额定电压VL0.01 50电机额定频率HzL0.054电机极数L0.06 1500 额定转速L0.07 7.5 电机额定功率KWL0.08 17 电机额定电流A沈阳机床股份有限公司 3 / 5CAK36/40系列机床控制参数表欧瑞SD20系列驱动器参数参数参数值参数含义备注标记Po0023100 最高转速限制36/40单轴Po010 2 刚性设置36/40单轴Po101200 比例增益36/40单轴Po1022500 积分增益36/40单轴Po10920 加速时间36/40单轴Po11030 减速时间36/40单轴Po4003000 电机转速,小于Po00236/40单轴Po0022500 最高转速限制40变档Po010 5 刚性设置40变档Po101500 比例增益40变档Po1021000 积分增益40变档Po10950 加速时间40变档Po110100 减速时间40变档Po4001800 电机转速,小于Po00240变档刚性设定:运转过程中若出现电机抖动、主轴振动情况时,将Po010刚性降低至振动消失,可以步进为1进行调整,若振动较大,可以步进为2进行调整。
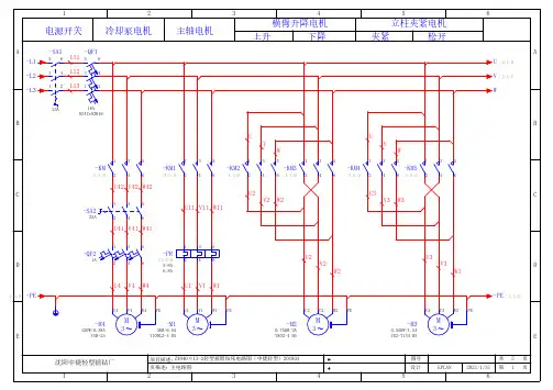
A B C D EABCDE标签完整的名称F24_002 - GB - A4结构描述结构标识符总览+M机床位置代号+B机床床身位置代号+W砂轮架位置代号+H头架位置代号+P操纵面板位置代号+E电箱位置代号+C水箱位置代号+Y油箱位置代号A B C D EABCDE功能文本线号线号目标代号目标代号短连接短连接内部目标外部目标放置=+-XT1L1L1L1电源开关L1-QF:1/2.1:CL2L2L2=L2-QF:3/2.1:CL3L3L3=L3-QF:5/2.1:CN N N=N-N/2.2:BPE PE PE=PE-PE/2.2:BA B C D EABCDE功能文本线号线号目标代号目标代号短连接短连接内部目标外部目标放置=+-XT2+W-M1:U1U1砂轮电机-KM1:2/3.1:BU1U1-KM2:3/3.2:DU1+W-M1:V1V1V1砂轮电机V1-KM1:4/3.1:BV1-KM2:5/3.2:D+W-M1:W1W1W1砂轮电机W1-KM1:6/3.2:BW1-KM2:1/3.2:D-KM2:21U11U1砂轮电机1U1+W-M1:U2/3.1:D1V1+W-M1:V2/3.1:D1V1=-KM2:41V1-KM2:61W11W11W1+W-M1:W2/3.1:D=U2头架电机U2-TU:U/3.4:C+H-M2:U2U2V2V2-TU:V/3.4:C+H-M2:V2V2=W2=+H-M2:W2W2W2-TU:W/3.4:CPE=PE-TU:PE/3.4:C+H-M2:PE PE-X1:1U3U3油泵电机U3-QM4:2/4.1:C-QM4:4/4.1:CV3=V3-X1:2V3W3-QM4:6/4.1:CW3=-X1:3W3-QM6:2/4.4:C-X2:1U4冷却电机U4U4V4=-QM6:4/4.4:CV4-X2:2V4W4=W4-QM6:6/4.4:C-X2:3W4A B C D EABCDE功能文本线号线号目标代号目标代号短连接短连接内部目标外部目标放置=+-XT2-X4:1U5U5顶尖电机U5-QM5:2/4.5:C-X4:2V5V5=V5-QM5:4/4.5:C-X4:3W5W5=W5-QM5:6/4.5:C-X5:1U6U6磁性分离器电机U6-QM3:2/4.3:C-X5:2V6V6=V6-QM3:4/4.3:C-X5:3W6W6=W6-QM3:6/4.3:C-HL30101指示灯电源01-FU4:2/5.4:C03油泵指示灯03-KM5:14/6.2:A05砂轮指示灯05-KM1:14/6.2:A09机床照明-SA4:14/6.3:A-SA4:130707照明电源07-FU3:2/5.3:C-HL30电源指示灯0-TC1/5.2:B-EL:PE/6.3:D-TU:MC55控制电源5-FU2:2/5.2:C-SB1:121919急停19-QM6:14/7.1:D-SB1:112121=21-SB2:13/7.2:A-SB6:112323油泵23-SB2:14/7.2:A23-KM5:44/7.2:A-SB6:1223a油泵23a-KM5:A1/7.2:DA B C D EABCDE 端子图表F13_003 - GB-A4端子排功能文本线号线号目标代号目标代号短连接短连接内部目标外部目标放置=+-XT2-SB5:142525头架25-KM7:A1/7.3:D -SA1:1425-SA2:142929水泵29-KM6:A1/7.4:D -SB3:143333延时33-KM2:21/7.5:C -RP15454调速电位器-TU:+V/3.6:C -RP15656=-TU:A1/3.6:C -RP15858=-TU:AC/3.6:C -PR6060转速表-TU:AC/3.5:C -PR6262=-TU:AM/3.5:CA B C D EABCDE37-XT2导轨式接线端子,导线截面 1.5 mm²,Ie 16A,Ue 660V,螺钉M3JHY1-16A1机床工作灯,E27/AC24V/40W;;JC34-EL茗熔电器1RT18熔断器底座,2P,带指示灯,配装熔断体尺寸 10×38;;RT18-32X/2P-FU1茗熔电器2普通熔断体(gG),尺寸φ10.3×38,6A;;RO15(RT18-32)-6A-FU1茗熔电器3RT18熔断器底座,1P,带指示灯,配装熔断体尺寸 10×38;;RT18-32X/1P-FU2...-FU4茗熔电器1普通熔断体(gG),尺寸φ10.3×38,4A;;RO15(RT18-32)-4A-FU2茗熔电器2普通熔断体(gG),尺寸φ10.3×38,2A;;RO15(RT18-32)-2A-FU3;-FU4上海二工1指示灯,孔Φ22,LED6VAC/DC,白;;AD16-22C/W21S-HL3西门子2交流接触器,3P/32A/15KW,2NO+2NC,线圈AC110V;;3TB44 22 - 0XF0-KM1;-KM2西门子2交流接触器,3P/22A/11KW,2NO+2NC,线圈AC110V;;3TB43 22 - 0XF0-KM3;-KM5西门子3 3TB40 22 - 0XF0-KM4;-KM6;-KM7交流接触器,3P/9A/4KW,2NO+2NC,线圈AC110V;;1ST3P系列时间继电器底座,8 脚,轨道安装TP28X-E-KT1无锡明达1指针式直流转速表,30r/min 10V85C1 30r/min 10V-PR1塑壳断路器,3P,In 80A,Ue 400VCM1-100L/3300/80A-QF常熟开关1电动机保护器,导轨安装板,380V,3P+1NO+1NC,20~32A。