快速接头的分型及型号
- 格式:wps
- 大小:349.50 KB
- 文档页数:5
金属软管快速接头按JG/T3053-1998标准JSF-JSB平包塑软管[平包塑金属软管]DKJ卡套式金属软管接头DGJ自固式管接头DPN内螺纹金属软管接头不锈钢耐压金属软管:1. 结构:是由不锈钢波纹管外编一层或多层钢丝或钢带网套,两端配以接头或法兰头,用于输送各种介质的柔性元件。
2.特点:耐腐蚀、耐高温、耐低温(-196℃~+420℃),重量轻、体积小、柔软性好。
广泛用于航空航天、石油化工、冶金电力、造纸、纺织、医药食品、烟草、交通等行业。
通用系列:4.通用波纹金属软管1接管式波纹金属软管、产品型号:HBJR公称通径:DN8~DN4001.0(MPa) ~工作压力:0.6RX21连接形式:2、接头式波纹金属软管一端内锥接一端球头外套螺母,(1头连接)产品型号:HBJR公称通径:DN4~DN3235(MPa) ~1.0工作压力:RX18/23连接形式:(两端球头外套螺母连接2产品型号:HBJR )公称通径:DN4~DN3235(MPa) 1.0~工作压力:RX18连接形式:(榫槽接头连接3产品型号:HBJR )公称通径:DN18~DN40工作压力:4.0~16(MPa)RX24 或连接形式:RX24/25一端榫面、一端槽面接头A(RX24/25)B 两端榫面接头(RX24)(55°锥管螺纹连接4产品型号:HBJR )公称通径:DN8~DN50工作压力:1.0~2.5(MPa)连接形式:RX01或RX01/09(RX01) 两端锥管阳螺纹A一端阳、一端阴锥管螺纹B(RX01/09)(油任接头连接5产品型号:HBJR )公称通径:DN15~DN80工作压力:0.25~1.6(MPa)连接形式:RX02A或RX02(RX02A) 两端油任接头A(RX02)两端油任内锥螺纹B(6开启式快速接头连接)产品型号:HBJR公称通径:DN15~DN504.0(MPa) ~工作压力:2.5RX66连接形式:(爪型快速接头连接7产品型号:HBJR )公称通径:DN40~DN150工作压力:1.6~2.5(MPa)连接形式:RX673.法兰式波纹金属软管(两端平焊法兰连接1产品型号:HBJR )公称通径:DN32~DN6002.5(MPa) ~工作压力:0.25RX06连接形式:(一端平焊法兰,一端松套法兰2连接)产品型号:HBJR公称通径:DN32~DN6002.5(MPa) ~工作压力:0.6RX06/15连接形式:(两端翻边松套法兰连接3产品型号:HBJR )公称通径:DN15~DN300工作压力:0.6~2.5(MPa)RX05连接形式:(凹凸面高压法兰连接4产品型号:HBJR )公称通径:DN32~DN200工作压力:4.0~6.4(MPa)RX26 或连接形式:RX26/27一端凸面法兰,一端凹面法A兰连接(RX26/27)B 两端凸面法兰连接(RX26)专用波纹全属软管与波纹补偿器1储罐用波纹金属软管、产品型号:CJR公称通径:DN40~DN400工作压力:0.25~2.5(MPa)RX06/15 连接形式:2泵用波纹补偿器、产品型号:HBBB公称通径:DN32~DN600工作压力:0.6~1.6(MPa)RX06/15 或RX06连接形式:3泵用波纹金属软管、产品型号:BJR公称通径:DN40~DN500工作压力:0.25~4.0(MPa)RX06/15 RX06连接形式:或。
软管快速接头标准摘要:一、引言二、水管快速接头规格与类型1.常见的水管快速接头规格2.不同类型的水管快速接头三、高压软管快速接头1.高压软管快速接头的应用2.高压油管软管接头的阻燃性能3.高压油管软管接头的温度适应性四、快速接头的选择与使用注意事项1.选择适合的快速接头2.使用快速接头时的注意事项五、结论正文:一、引言在家庭装修或者工业领域,水管快速接头是一个不可或缺的配件。
它能够方便地连接水管,使我们更好地利用水资源。
那么,软管快速接头有哪些标准呢?接下来,让我们一起来了解水管快速接头的规格和类型。
二、水管快速接头规格与类型1.常见的水管快速接头规格一般来说,水管快速接头的规格包括直径、长度和接口类型等。
常见的规格有1/2英寸、3/4英寸、1英寸等。
这些规格可以根据实际需求进行选择。
2.不同类型的水管快速接头根据接口类型,水管快速接头可分为螺纹接口、快接头接口、卡扣接口等。
不同的接口类型适用于不同的场景,可以根据实际需求进行选择。
三、高压软管快速接头1.高压软管快速接头的应用高压软管快速接头主要用于高压油管、气动系统等领域。
它能够承受较高的压力,适用于复杂的环境。
2.高压油管软管接头的阻燃性能高压油管软管接头具有良好的阻燃性能,能够在火灾事故中起到一定的防护作用。
3.高压油管软管接头的温度适应性高压油管软管接头具有较好的温度适应性,能够在-40℃至+100℃的温度范围内正常工作。
四、快速接头的选择与使用注意事项1.选择适合的快速接头在选择快速接头时,要考虑接口类型、规格、承受压力等因素,以确保其能够满足实际需求。
2.使用快速接头时的注意事项在使用快速接头时,要确保连接牢固,避免漏水。
同时,要定期检查接头的磨损情况,及时更换损坏的部件。
五、结论水管快速接头在家庭和工业领域具有广泛的应用。
了解其规格、类型和性能,选择合适的快速接头,并注意使用事项,有助于我们更好地利用水资源。
快速接头百科名片快速接头快速接头,是一种不需要工具就能实现管路连通或断开的接头。
快速接头可分为:空气用快速接头、氧气燃料气体用快速接头、气体液体共用快速接头、油压用快速接头、惰性气体用快速接头、冷却水温油用快速接头、半导体快速接头。
目录1一、按用途形式可分为1、空气用快速接头12、氧气、燃料气体用快速接头13、气体、液体共用快速接头14、油压用快速接头15、惰性气体用快速接头16、冷却水、温油用快速接头17、半导体快速接头1二、按结构形式可分为1、两端开闭式12、两端开放式13、单路开闭式三、快速接头的相关功能介绍四、为什么要用快速接头呢?五、如何选定快速接头?六、快速接头分解图和分解说明展开编辑本段一、按用途形式可分为1、空气用快速接头主要用于空气配管、气动工具配件。
对应其用途,有丰富多样的本体材质、尺寸及安装形状多样。
使用注意事项:注意l 请不要用于流体以外的用途。
l 请不要用于适用流体以外的流体。
l 使用时不要超过最高使用压力。
l 不要在使用温度范围以外使用,防止造成密封材料的变形,易导致形成泄露。
l 不要进行人为的击打、弯曲、拉伸、防止造成破损。
l 不要在混入金属粉或砂尘等地方使用,可以在此处使用,沃尔特快速接头可以在很恶劣的工况下使用,并且保证使用寿命的长久。
l 如附着杂物会造成工作不良或泄漏。
l 请勿拆卸快速接头。
2、氧气、燃料气体用快速接头主要用于通用熔断器配管,具有流量大,耐久性,抗腐蚀性的特点。
主体材质、尺寸以及安装形状丰富多样。
使用注意事项:警告l 流体必须从套筒侧流向插头侧。
l 请使用管制螺纹的外螺纹用密封材料。
l 安装螺纹时,请不要超过最大紧固扭矩,防止造成破损。
l 请不要用于快速流体接头以外的用途。
l 请不要用于适用流体以外的流体。
l 请不要与其它公司产的快速流体接头相连接。
l 使用时不要超过最高使用压力限制。
l 不要在使用温度范围以外使用,防止造成密封材料磨损或泄漏。
快换接头规格型号总汇PE E型三通:PE-4PE-6PE-8PE-10PE-12PE-16----------------------------------------------------------------------------------------------------------------------------------------------------我司供应的接头:PC螺纹直通、PCF内螺纹直通、PL L型螺纹二通、PLF L型内螺纹二通、PLL L型加长螺纹二通;PH外六角接头、PHF串联接头、PB T型螺纹三通、PD T型侧三通外螺、PX Y型螺纹三通;PKB螺纹五通、PKD螺纹五通变径、PM隔板直通、PU直通、PG 直通变径、PV L型二通;PY-Y型三通、PN Y三通变径、PE T型三通、PEN型三通变径、PZA 十字四通、PK五通、PKG五通变径;SM、SF、SH、SP、PM、PF、PH、PP快速接头.快速接头快速接头是一种不需要工具就能实现管路连通或断开的接头,它有三种结构形式:两端开闭式、两端开放式、单路开闭式。
1、两端开闭式:不连接时——当母体的套圈移到另一端时,不锈钢珠自动向外滚动,子体因母体与子体共同阀门弹簧力的作用力运作下而断开,子体与母体的阀门各自闭合,瞬间阻断流体流动。
连接时——当子体插入母体时,套圈在弹簧的作用下回到原来的位置,钢珠滚动锁紧子体紧密连接,同时母体与子体的阀门互相推动而打开,流体流通,O型圈能完全阻断流体的渗漏。
2、两端开放式不连接——当母体的套圈被推到另一端时,钢珠自动向外滚动,因此,子体被移出;由于子体与母体都没有阀门,流体向外流出。
连接——当子体插入母体时,套圈被其弹簧的作用力推到先前的位置致钢珠锁紧,流体流动,其中的O型圈以防止液漏。
3、单路开闭式不连接时——当母体的套圈移到另一端时,不锈钢珠自动向外滚动,子体被阀门弹簧的反作用力弹开,阀门就能自动关闭以阻断流体流动。
气动快插接头尺寸规格
气动快插接头的尺寸规格可以根据实际需求有所变化,但一般常见的尺寸规格有以下几种:
1. 节流型(一般用于空气压缩机、风管等):
- 公称管径:6mm、8mm、10mm、12mm、16mm、20mm、
25mm、32mm、40mm等;
- 公称流量:3mm、4mm、6mm、9mm、12mm等。
2. 阀门型(一般用于液压系统、流体控制等):
- 公称口径:DN6、DN8、DN10、DN15、DN20、DN25、
DN32等;
- 公称通径:2mm、4mm、6mm、10mm、12mm、20mm、
25mm等。
3. 快速插拔型(一般用于气动工具、气动系统等):
- 公称尺寸:1/8英寸、1/4英寸、3/8英寸、1/2英寸、3/4英寸、1英寸等;
- 公称流量:20立方米/小时、50立方米/小时、100立方米/小时、200立方米/小时等。
需要注意的是,以上尺寸规格仅作为参考,实际使用时还需根据具体工作压力、流量要求以及连接接口等因素进行选择。
同时,气动快插接头的尺寸规格也可能因不同的国家和地区而有所差异。
因此,在选购气动快插接头时,建议参考相关标准和规范,或咨询专业人士以获得准确的尺寸规格信息。
美国CPC快速接头、CPC快速接头、CPC接头、美国CPC接头美国Colder Products Company (CPC),成立于1978年,是制造塑胶射出成型快速接头的领导者,其快速接头产品全球销量最大。
CPC快速接头有数种与众不同的设计:自动闭锁、以响声确认安全连结、易于单手操作、适用不同流体介质等特点。
广泛应用于化学工业、生物工程、制药行业、医疗设备、实验室设备、包装行业等各行各业。
一、CPC快速接头与普通接头的分别二、CPC接头的特点及效益三、如何选择合适的CPC快速接头四、CPC快速接头应用例子APC 22004 HT8 LMSL31 LMSL32 LMSL33 LMSL34 LMSL35 LMSL36 PMLF31 PMNUT30 PMRL32 PMRL36 SLM31 100800 100900 100901 1011900 1012000 1012101 1012102 1012103 1012104 1012105 1012106 1012201 1012202 1012203 1012204 1012205 1012206 120700 120701 1262600 1262700 153600 1785900 1800700 1830300 1879800 1884300 1889500 1889600 21400 22400 22500 26700 269700 278100 2M3 2M4 2M5 3201085 32M3 32M4 32M5 339500 358400 3FLD60611063FLD6061108 3FLD60611710 3FLD6061178 3FLD60612210 3FLD60612283FLD6061246 3FLD6061248 404300 44902 49300 496200 4M3 4M4 4M5 5203005FLD60611012 5FLD60611712 5FLD60612212 5FLD60612412 621200 621300 6623A-251-PM-692DA MOD 2134 664400 668400 694300 70400 71800 730600 730601 730603 730604 730800 730801 730803 730804 731100 731101 731103 731104 731600 731603 731604 75200 75700 81400 83500 85600 931603 95100 95300 95400 95600 95800 95801 96000 96400 96401 97400 97401 97401(500-999) 97600 97700 97800 97900 98100 98400 98500 98600 98700 99000 99100 99200 99300 99400 APC 130M10SH APC 17004 APC 17006SH APC 200M10 APC 22006 APC10004 APC10004BSPT APC10006 APC10006BSPT APC12004 APC12006 APC120M10 APC120M8 APC13004 APC13004SH APC13006 APC13006SHAPC130M10SH APC130M8 APC130M8SH APC16004 APC16005 APC16006APC17004 APC17004(1000-2499) APC17004(2500-4999) APC17004SH APC17006 APC17006SH APC20004 APC20006 APC200M10 APC200M8 APC21004APC21006 APC22004 APC22004V APC22006 APC23004 APC23006 APC24004 APC24004BSPT APC24006 APC24006BSPT APCD10004 APCD10004BSPT APCD10006 APCD10006BSPT APCD12004 APCD12006 APCD120M10APCD120M8 APCD13004SH APCD13006SH APCD130M10SH APCD130M8SH APCD16004 APCD16005 APCD16006 APCD17004SH APCD17006SHAPCD20004 APCD20006 APCD200M10 APCD200M8 APCD21004 APCD21006 APCD22004 APCD22006 APCD23004 APCD23006 APCD24004APCD24004BSPT APCD24006 APCD24006BSPT ATO-B SETUP CHARGEBHU2202 BHU2204 BHU2206 CP103 CP104 CP105 CPC-00374-A-2.5 CPC3701 CPC5000 CPC5502 CPC6401 Sales Tool CQHD06100108 CQHD06200108CQVD06100106129 CT10 CT4-BLK DQPR0120208 DQPR0202BUT EFC22412 EFC22612 EFC23412 EFC23612 EFCD10412 EFCD10612 EFCD16412EFCD16412V EFCD16612 EFCD17412 EFCD17612 EFCD22412 EFCD22612 EFCD23412 EFCD23612 EFCD24412 EFCD24612 EFCX17612 F1009700FFC101235 FFC101235BSPT FFC101235GHT FFC10835 FFC10835BSPTFFC161235 FFC171235 FFC191235BSPP FFC191235GHT FFC221235 FFC241235 FFC241235BSPT FFC241235GHT FFC24835 FFC24835BSPT FFC261235BSPPFFC261235GHT GS420 HE12 HE2 HE3 HE330 HE4 HFC101212 HFC101235 HFC101235BSPT HFC101235GHT HFC101257BSPT HFC101257GHT HFC10612 HFC10612BSPT HFC10635 HFC10635BSPT HFC10657BSPT HFC10812HFC10835 HFC10835BSPT HFC10857 HFC10857BSPT HFC12612 HFC12812 HFC13612 HFC13812 HFC161012 HFC161035 HFC161212 HFC161235HFC16612 HFC16635 HFC16812 HFC16835 HFC171012 HFC171035 HFC171057 HFC171212 HFC171235 HFC171257 HFC17612 HFC17635 HFC17657 HFC17812 HFC17835 HFC17857 HFC191235BSPP HFC191235GHT HFC191257BSPPHFC191257GHT HFC20612 HFC20812 HFC221012 HFC221035 HFC221057 HFC221212 HFC221235 HFC221257 HFC22612 HFC22635 HFC22657 HFC22812 HFC22835 HFC22857 HFC231212 HFC23612 HFC23635 HFC23812 HFC23835 HFC241212 HFC241235 HFC241235BSPT HFC241235GHT HFC241257BSPT HFC241257GHT HFC24612 HFC24612BSPT HFC24635 HFC24635BSPTHFC24657BSPT HFC24812 HFC24835 HFC24835BSPT HFC24857HFC24857BSPT HFC261235BSPP HFC261235GHT HFC261257BSPPHFC261257GHT HFC312 HFC312L HFCD101212 HFCD101235HFCD101235BSPT HFCD101235GHT HFCD101257BSPT HFCD101257GHT HFCD10612 HFCD10612BSPT HFCD10635 HFCD10635BSPT HFCD10657BSPT HFCD10812 HFCD10835 HFCD10835BSPT HFCD10857 HFCD10857BSPT HFCD12612 HFCD12812 HFCD13612 HFCD13812 HFCD161012 HFCD161035 HFCD161057 HFCD161212 HFCD161235 HFCD161257 HFCD16182 HFCD16612 HFCD16635 HFCD16657 HFCD16812 HFCD16835 HFCD16857 HFCD171012 HFCD171035 HFCD171057 HFCD171212 HFCD171235 HFCD171257HFCD17612 HFCD17635 HFCD17635V HFCD17657 HFCD17812 HFCD17835 HFCD17857 HFCD191235BSPP HFCD191235GHT HFCD191257BSPPHFCD191257GHT HFCD20612 HFCD20812 HFCD221012 HFCD221035HFCD221057 HFCD221212 HFCD221235 HFCD221257 HFCD22612 HFCD22635 HFCD22635V HFCD22657 HFCD22812 HFCD22812V HFCD22835 HFCD22857 HFCD231212 HFCD23612 HFCD23635 HFCD23812 HFCD23835 HFCD241212 HFCD241235 HFCD241235BSPT HFCD241235GHT HFCD241257BSPTHFCD241257GHT HFCD24612 HFCD24612BSPT HFCD24635 HFCD24635BSPT HFCD24657BSPT HFCD24812 HFCD24835 HFCD24835BSPT HFCD24857 HFCD24857BSPT HFCD261235BSPP HFCD261235GHT HFCD261257BSPP HFCD261257GHT HS12 HS2 HS3 HS330 HS4 HS5 HSR32 HSR3230 HSR42 HSR4230 HSR43 HSR4330 HSR52 HSR54 HT-4 HT2 HT230 HT3 HT330 HT331 HT4 HY12 HY2 HY3 HY330 HY4 HY430 HY5 HY530 HY6 HY8 KS3 KS330 KS4 KS530 LC10004 LC10004BSPT LC10006 LC10006BSPT LC12004 LC12006LC13004 LC13006 LC15004 LC16004 LC16005 LC16006 LC17004 LC17005LC17006 LC20004 LC20006 LC21004 LC21006 LC22004 LC22005 LC22006 PLCD16004V LC23004 LC23004EPR LC23006 LC24004 LC24004BSPT LC24006 LC24006BSPT LC26004 LC26004BSPP LC40004 LC40006 LC42004 LC42005LC42006 LCD10004 LCD10004BSPT LCD10004EPR LCD10004HT LCD10004V LCD10004V(1000PCS) LCD10006 LCD10006BSPT LCD10006HT LCD10006V LCD12004 LCD12004EPR LCD12006 LCD13004 LCD13006 LCD15004LCD15004(2500-4999) LCD16004 LCD16005 LCD16006 LCD17004 LCD17005 LCD17005V LCD17006 LCD17006HT LCD20004 LCD20006 LCD20006VLCD21004 LCD21006 LCD21006HT LCD22004 LCD22005 LCD22005VLCD22006 LCD22006HT LCD23004 LCD23004V LCD23006 LCD23006VLCD24004 LCD24004BSPT LCD24004EPR LCD24004V LCD24006LCD24006BSPT LCD24006HT LCD24006V LCD26004 LCD26004BSPPLCD40004 LCD40006 LCD42004 LCD42005 LCD42006 LCP103 LCP104 LCP105 LF21 LF2130 LF31 LF41 LF4130 LF51 LM12004 LM12006 LM16004 LM16005 LM16006 LM20004 LM20006 LM21 LM22004 LM22005 LM22006 LM31 LM3130 LM41 LM4130 LM51 LMD12004 LMD12006 LMD16004 LMD16005 LMD16006 LMD20004 LMD20006 LMD22004 LMD22005 LMD22006 LMSL30 LMSR30 LMSR33 LPLUG33 LSO104204 LSO104206 LSO104224 LSO104226 LSO106224 LSO106226 LSO124204 LSO126206 LSO134204 LSO136206 LSO164224LSO166226 LSO174224 LSO176226 MAV-2-M5 MC1002 MC1002BSPTMC1002K1 MC1002K2 MC1002K3 MC1004 MC1004BSPT MC1004K1MC1004K2 MC1004K3 MC12025 MC1204 MC1204K1 MC1204K2 MC1204K3 MC1304 MC1502 MC1602 MC1602K1 MC1602K2 MC1602K3 MC1603 MC1604 MC1604K1 MC1604K2 MC1604K3 MC1702 MC1703 MC1704 MC181032MC20025 MC2004 MC2004K1 MC2004K2 MC2004K3 MC2004V MC2006MC21025 MC2104 MC2202 MC2202EPR MC2202K1 MC2202K2 MC2202K3MC2202V MC2203 MC2204 MC2204K1 MC2204K2 MC2204K3 MC2204VMC2302 MC2304 MC2402 MC2402BSPT MC2402K1 MC2402K2 MC2402K3MC2402V MC2404 MC2602 MC2602V MC2604 MC2604BSPP MC281032MC281032V MC3325-3 MC4004 MC4202 MC4203 MC4204 MCD1002MCD1002BSPT MCD1002BSPTV MCD1002EPR MCD1002HT MCD1002K1 MCD1002K2 MCD1002K3 MCD1002V MCD1004 MCD1004BSPT MCD1004EPR MCD1004HT MCD1004K1 MCD1004K2 MCD1004K3 MCD12025 MCD1204 MCD1204EPR MCD1204K1 MCD1204K2 MCD1204K3 MCD1204V MCD1304 MCD1502 MCD1602 MCD1602EPR MCD1602HT MCD1602K1 MCD1602K2 MCD1602K3 MCD1603 MCD1604 MCD1604K1 MCD1604K2 MCD1604K3 MCD1604V MCD1702 MCD1702+EPDM密封MCD1702EPR MCD1703MCD1704 MCD181032 MCD181032 EPR MCD20025 MCD2004 MCD2004EPR MCD2004V MCD2006 MCD21025 MCD2104 MCD2202 MCD2202HT MCD2203 MCD2203HT MCD2204 MCD2204V MCD2302 MCD2302V MCD2304MCD2304V MCD2402 MCD2402BSPT MCD2402EPR MCD2402HT MCD2402V MCD2404 MCD2404EPR MCD2602 MCD2602HT MCD2604 MCD2604BSPP MCD281032 MCD281032 EPR MCD4004 MCD4202 MCD4202EPR MCD4203 MCD4204 ME2 ME3 ME330 ME4 ME430 ML 6425M MM1204 MM1602 MM1603 MM1604 MM181032 MM20025 MM2004 MM2104 MM2202 MM2203 MM2204 MMD1204 MMD1602 MMD1603 MMD1604 MMD181032 MMD20025 MMD2004 MMD2104 MMD2202 MMD2203 MMD2204 MP MPC17004T03 MPC17004T39 MPC17006T03B25 MPC22004T03M MPC22004T39M MPC22006T03MB25MPC3003M MPC30L MPC32003 MPC32L MS2 MS3 MS4 MS5 MSO102204 MSO102222 MSO102224 MSO104204 MSO104222 MSO104224 MSO124204MSO134204 MSO162222 MSO164224 MSO172222 MSO174224 MT2 MT3 MT4 N32 N4P N4S8 NS2D1304 NS2D1702 NS2D1704 NS2D2004 NS2D2204NS4D10004 NS4D10004BSPT NS4D13006 NS4D17002 NS4D17004 NS4D17006 NS4D17006(拆袋散卖) NS4D20006 NS4D22002 NS4D22002(1000-2499)NS4D22004 NS4D22006 NS4D22006(拆袋散卖) NS4D24004 NS4D24004BSPT NS4D40006 NS4D42002 NS4D42004 NS4D42006 NS6D10008 NS6D10008BSPT NS6D13008 NS6D13008(500-999) NS6D17006 NS6D17008 NS6D20008NS6D22006 NS6D22008 NS6D24008 NS6D24008(500-999) NS6D24008BSPTNS6D40008 NS6D42006 NS6D42008 NSHD10006BSPT NSHD10008 NSHD10012 NSHD13006 NSHD13008 NSHD17006 NSHD17008 NSHD17010 NSHD17012 NSHD19006 NSHD20006 NSHD20008 NSHD22006 NSHD22008 NSHD22010 NSHD22012 NSHD24006BSPT NSHD24008 NSHD24012 NSHPMKIT12 PC1204 PLC10004 PLC1000412 PLC10004BSPT PLC10006 PLC10006BSPT PLC11004 PLC12004 PLC12006 PLC1200612 PLC120M10 PLC120M8 PLC13004 PLC13006 PLC1300612 PLC130M10 PLC130M8 PLC14004 PLC14006 PLC16004PLC1600412 PLC16005 PLC16006 PLC1600612 PLC17004 PLC17004 NSFPLC1700412 PLC17005 PLC17006 PLC17006(2500-4999) PLC1700612 PLC20004 PLC20006 PLC2000612 PLC200M10 PLC200M8 PLC200M812 PLC21006PLC2100612 PLC22004 PLC22004 NSF PLC2200412 PLC2200412V PLC22004V PLC22005 PLC22005V PLC22006 PLC2200612 PLC2200612V PLC22006EPR PLC22006V PLC23004 PLC2300412 PLC2300412V PLC23004V PLC23006PLC2300612 PLC2300612V PLC23006V PLC24004 PLC2400412 PLC2400412V PLC24004BSPT PLC24006 PLC24006BSPT PLC29004 PLC29006 PLC300PLC310 PLC320 PLC40004 PLC40006 PLC400M10 PLC400M10(1000-2999) PLC400M8 PLC41004 PLC42004 PLC4200412 PLC42005 PLC42006 PLC4200612 PLCD10004 PLCD1000412 PLCD1000412V PLCD10004BSPT PLCD10004EPR PLCD10004NSF PLCD10004V PLCD10006 PLCD1000612 PLCD1000612V PLCD10006BSPT PLCD10006V PLCD11004 PLCD12004 PLCD12004EPR PLCD12006 PLCD1200612 PLCD120M10 PLCD120M8 PLCD13004 PLCD13006 PLCD1300612 PLCD130M10 PLCD130M8 PLCD14004 PLCD14006 PLCD16004 PLCD1600412 PLCD16005 PLCD16006 PLCD1600612 PLCD16006V PLCD17004 PLCD1700412 PLCD1700412V PLCD17004V PLCD17005 PLCD17005VPLCD17006 PLCD1700612 PLCD17006V PLCD17040612 PLCD17060812PLCD20004 PLCD20006 PLCD2000612 PLCD20006EPR PLCD200M10PLCD200M8 PLCD200M812 PLCD21006 PLCD2100612 PLCD22004PLCD2200412 PLCD2200412V PLCD22004V PLCD22005 PLCD22005VPLCD22006 PLCD2200612 PLCD2200612V PLCD22006NSF PLCD22040612 PLCD22060812 PLCD23004 PLCD2300412 PLCD2300412V PLCD23004V PLCD23006 PLCD2300612 PLCD23006V PLCD24004 PLCD2400412PLCD2400412V PLCD24004BSPT PLCD24004V PLCD24006 PLCD24006BSPT PLCD29004 PLCD29006 PLCD40004 PLCD40006 PLCD400M10 PLCD400M8 PLCD41004 PLCD42004 PLCD4200412 PLCD42005 PLCD42006 PLCD4200612 PLM12004 PLM12006 PLM16004 PLM16005 PLM16006 PLM20004 PLM20006 PLM22004 PLM22005 PLM22006 PLMD12004 PLMD12006 PLMD16004PLMD16005 PLMD16006 PLMD20004 PLMD20006 PLMD22004 PLMD22005 PLMD22006 PMC1002 PMC100212 PMC1002BSPT PMC1004 PMC100412PMC1004BSPT PMC12025 PMC1204 PMC120412 PMC12M42 PMC13025PMC1304 PMC130412 PMC13M42 PMC13M5 PMC1601 PMC160112 PMC1602 PMC1602(2500-4999) PMC160212 PMC1603 PMC1604 PMC160412 PMC1701 PMC170112 PMC1702 PMC170212 PMC1703 PMC1704 PMC170412 PMC181032 PMC181032(1000-2499) PMC191032 PMC20025 PMC2004 PMC200412 PMC2006 PMC20M42 PMC21025 PMC2102512 PMC2104 PMC210412 PMC2104VPMC2201 PMC2201(2500-4999) PMC220112 PMC220112V PMC2202PMC220212 PMC220212(2500-4999) PMC220212V PMC2202EPR PMC2202V PMC2203 PMC2203V PMC2204 PMC220412 PMC220412V PMC2204V PMC2302 PMC230212 PMC2302EPR PMC2304 PMC230412 PMC2402 PMC240212PMC2402BSPT PMC2404 PMC2404BSPT PMC281032 PMC30 PMC31 PMC32 PMC4004 PMC4201 PMC4202 PMC4203 PMC4204 PMCD1002 PMCD100212 PMCD100212BSPT PMCD100212V PMCD1002BSPT PMCD1002EPRPMCD1002V PMCD1004 PMCD100412 PMCD100412BSPT PMCD100412V PMCD1004BSPT PMCD1004BSPT EPR PMCD1004EPR PMCD1004VPMCD12025 PMCD1204 PMCD120412 PMCD1204EPR PMCD12M42PMCD13025 PMCD13025 EPR PMCD1304 PMCD130412 PMCD1304EPR PMCD13M42 PMCD13M5 PMCD1601 PMCD1601(2500-4999) PMCD160112 PMCD1602 PMCD160212 PMCD160212(2500-4999) PMCD160212VPMCD1602EPR PMCD1602V PMCD1603 PMCD1604 PMCD160412PMCD1604ACN PMCD1604V PMCD1701 PMCD170112 PMCD1702PMCD170212 PMCD170212EPR PMCD1702EPR PMCD1702EPRMBLKPMCD1703 PMCD1703V PMCD1704 PMCD170412 PMCD1704V PMCD181032 PMCD191032 PMCD191032 EPR PMCD20025 PMCD20025 EPR PMCD2004 PMCD200412 PMCD2004EPR PMCD2006 PMCD20M42 PMCD2102512PMCD2104 PMCD210412 PMCD2104EPR PMCD2201 PMCD220112 PMCD2202 PMCD220212 PMCD220212(1000-2499) PMCD220212V PMCD2202EPRPMCD2202V PMCD2203 PMCD2204 PMCD220412 PMCD220412V PMCD2204V PMCD2302 PMCD230212 PMCD2302V PMCD2304 PMCD230412 PMCD2402 PMCD240212 PMCD2402BSPT PMCD2404 PMCD2404BSPT PMCD2404BSPT EPR PMCD2404EPR PMCD281032 PMCD4004 PMCD4201 PMCD4202PMCD4202EPR PMCD4202V PMCD4203 PMCD4204 PMCD4204ACNPMLF2130 PMLF3130 PMLF41 PMLF4130 PMLM3130 PMM1204 PMM1602 PMM1603 PMM1604 PMM181032 PMM20025 PMM2004 PMM2104 PMM2202 PMM2203 PMM2204 PMMD1204 PMMD1602 PMMD1603 PMMD1604PMMD181032 PMMD20025 PMMD2004 PMMD2104 PMMD2202 PMMD2203 PMMD2204 PMNUTSST PMRL30 PMRL31 PMRL33 PMRL34 PMRL35PS1700412 PS1700612 PSC38MM PSD1700412 PSD1700612 PST1002 PTC16010 PTC16020 PTC1602096 PTC22010 PTC22020 PTC2202096 PTC22020EPRRPN30006 RPN46006 sales bag CPC SLM4130 SLM51 SMC01 SMC0112SMC0191 SMC01MBLK SMC02 SMC0212 SMC0291 SMC02MBLK SMCD01 SMCD01MBLK SMCD02 SMCD02MBLK SMCDM3 SMCDM3MBLK SMCM3SMCM3MBLK SMF01 SMF0112 SMF0191 SMF01MBLK SMF02SMF02(2500-4999) SMF0212 SMF0291 SMF02MBLK SMFD01 SMFD01MBLK SMFD02 SMFD02MBLK SMFDM3 SMFDM3MBLK SMFM3 SMFM3MBLK SMFPM01 SMFPM0112 SMFPM01BLK SMFPM02 SMFPM0212 SMFPM02BLK SMFPMD01 SMFPMD01BLK SMFPMD02 SMFPMD02BLK SMFPMDM3 SMFPMDM3BLK SMFPMM3 SMFPMM3BLK SMM01 SMM0112 SMM0191 SMM01EPR SMM01MBLK SMM02 SMM02(2500-4999) SMM0212 SMM0291 SMM02CBMBLK SMM02EPR SMM02MBLK SMM02V SMMM3 SMMM3MBLK SMMM5 SMMP SMMPM01 SMMPM0112 SMMPM01BLK SMMPM02 SMMPM0212 SMMPM02BLK SMMPM02CBBLK SMMPMM3 SMMPMM3BLK SMPT02 SMPT0212 SMPT02BLK SMPTD02 SMPTD02BLK SX17 SX42SXF1701 SXF170112 SXF1702 SXF170212 SXF17M3 SXF4201 SXF420112SXF4202 SXF420212 SXF42M3 SXFD1701 SXFD1702 SXFD17M3 SXFD4201 SXFD4202 SXFD42M3 SXM1701 SXM170112 SXM1702 SXM170212 SXM17M3 SXM4201 SXM420112 SXM4202 SXM420212 SXM42M3 TF1002 TF1004 TF2002 TF2004 TF2006 TF4004 TF4006 TFB10 TFB1001 TFB100112 TFB1002TFB100212 TFB10M3 TFBD1001 TFBD1002 TFBD10M3 TFF01 TFF0112TFF01MWHT TFF02 TFF0212 TFF02MWHT TFFD01 TFFD01MWHT TFFD02 TFFD02MWHT TFFDM3 TFFDM3MWHT TFFM3 TFFM3MWHT TJ10 TMB10 TMB1001 TMB100112 TMB1002 TMB100212 TMB10M3 TMF01 TMF0112TMF01MWHT TMF02 TMF0212 TMF02MWHT TMFM3 TMFM3MWHT TMPMWHT TPM10 TS10 TT1001 TT100112 TT1002 TT100212 TT10M3TTD1001 TTD1002 TTD10M3 YB12 ZLC10004 ZLC10004BSPT ZLC16004ZLC16005 ZLC16006 ZLC17004 ZLC17005 ZLC17006 ZLCD10004ZLCD10004BSPT ZLCD16004 ZLCD16005 ZLCD16006 ZLCD17004 ZLCD17005 ZLCD17006 ZLCD22004 ZLCD22005 ZLCD22006 ZLCX10004 ZLCX10004BSPT ZLCX16004 ZLCX16005 ZLCX16006 ZLCX17004 ZLCX17005 ZLCX17006。
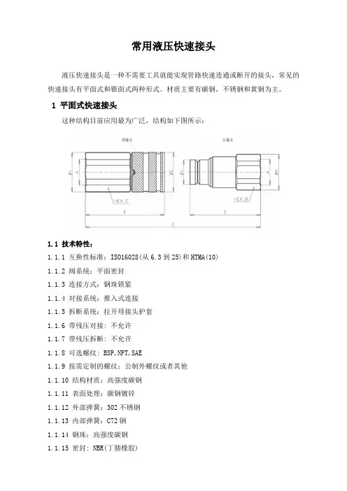
常用液压快速接头液压快速接头是一种不需要工具就能实现管路快速连通或断开的接头,常见的快速接头有平面式和锥面式两种形式。
材质主要有碳钢,不锈钢和黄铜为主。
1平面式快速接头这种结构目前应用最为广泛,结构如下图所示:1.1技术特性:1.1.1互换性标准:ISO16028(从6.3到25)和HTMA(10)1.1.2阀系统:平面密封1.1.3连接方式:钢珠锁紧1.1.4对接系统:推入式连接1.1.5拆断系统:拉开母接头护套1.1.6带残压对接:不允许1.1.7带残压拆断:不允许1.1.8可选螺纹:BSP,NPT,SAE1.1.9按需定制的螺纹:公制外螺纹或者其他1.1.10结构材质:高强度碳钢1.1.11表面处理:碳钢镀锌1.1.12外部弹簧:302不锈钢1.1.13内部弹簧:C72钢1.1.14钢珠:高强度碳钢1.1.15密封:NBR(丁腈橡胶)1.1.16其他密封材质:VITON(氟橡胶)或其他1.1.17防挤出挡圈:PTFE(聚四氟乙烯)1.2主要优点:1.2.1平面式更易清洁,帮助降低对整个液压系统的污染;1.2.2保证拆断和对接时泄漏量最小,减少油液损失;1.2.3拆断和对接夹气量最少,增强整个液压系统的性能;1.2.4内部阀设计使压降最小化,提升整个系统的效率;1.2.5模块化设计允许接口的配置更加灵活;1.2.6耐受脉冲压力;1.2.7结构紧凑;1.2.8使用简单安全。
1.3使用注意事项:1.3.1对接前清洁对接平面,避免污染物进入液压回路;1.3.2对接时将公接头的一端推入母接头反之亦然;1.3.3对接后请将外部的锁套旋转至锁紧位置以防止断开时的事故;1.3.4在断开时请将外面的锁套旋至锁槽对应的安全锁位置,拉回锁套;1.3.5勿将母接头单独用于高频率的脉冲压力之下;1.3.6不要在回路中有液压油流动和/或有动态压力的情形下对接-拆断;1.3.7不要在回路中液压油温度高于80℃的情形下对接-拆断;1.3.8快速接头不对接时,建议使用防尘帽。
快速接头的螺纹大家都司空见惯了吧,但是螺纹的规格、直径、种类等您又知道多少?例如:快速接头规格的1/4、3/8之类的是指接头的直径还是指什么?正确是指英制尺寸。
常用的是英制1英寸等于8分,等于公制的25.4毫米,1/4”就是表示1/4英寸等于0.25*25.4等于6.35毫米。
如果是螺纹的话后面应该还有多少牙数例如1/4“-24UNF意思是螺纹大径6.35 在1英寸25.4毫米内有24个螺牙,当然管螺纹不是这样计算的。
1﹑止水型母接头:有3/8"管用﹑1/2"管用,与子接头配合使用,在更换模具两接头分离时,防止冷却水外漏。
2﹑母接头:有3/8"管用﹑1/2"管用,与子接头配合使用。
3﹑子接头:直接锁于塑胶模具上,与母接头配合使用,牙部规格有细牙(PT 1分﹑PT 2分﹑PT 3分)﹑公制牙(M12﹑M14﹑M16)﹑英制粗牙(3分﹑4分﹑5分)。
4、加长型子接头:模具冷却水口较深时使用,牙部规格齐全,长度有25mm、50mm、75mm、100mm......依此类推。
1尺=10寸,1寸=10分,例如4分管就是公称通径为DN15的管子。
专业的叫法是:4分是英制管道直径长度的叫法,即1/2英寸.等于公制的15mm,即4分=1/2英寸=15mm;6分管就是公称通径为DN20的管子,6分=3/4英寸=20mm。
另外管道都是以内径计算的,不过管道的丝扣螺纹都是以中径来计算的。
用通径DN表示,螺纹分公制mm 和英制G,管道螺纹一般用英制,螺纹角度为55度,公制是60度。
扩展资料:smc快速接头型号不锈钢快速接头2 铸铁标准规范汇编2.1 GBT 1348-1998 球墨铸铁件2.2 GBT 3180-1982 中锰抗磨球墨铸铁件技术条件2.3 GBT 5612-1985 铸铁牌号表示方法2.4 GBT 5614-1985 铸铁件热处理状态的名称、定义和代号2.5 GBT 6296-1986 灰铸铁冲击试验方法不锈钢精细铸造及快速接头卷制法兰的造价要比铸造的低一些。
快速接头型号:A型、B型、C型、D型、E型、F型
快速接头,在⽇常⽣活中或是⼯业⽤途都⾮常的便利,它是⼀种不需要其它⼯具就能实现管路连通或断开的接头。
快速接头型号规格多种多样,温州欧得利阀门简单介绍以下
快速接头型号:
快速接头分为A型快速接头、B型快速接头、C型快速接头、D型快速接头、E型快速接头、F型快速接头、DC型快速接头、DP型快速接头8种。
快速接头⼜分为公头和母头,其中A型、E型、F型、DP型属于公头,B型、C型、D型、DC型属于母头。
也就是有拉环的为阴端也就是母头;没拉环的为阳端也就是公头。
⼀般是⼀公⼀母配套使⽤。
1、A型:⼀端是卡在母头⾥的圆弧接头,⼀端是内螺纹的连接的丝扣。
2、B型:⼀端是带两个拉⽿卡公头的凹槽,⼀端是外螺纹连接的丝扣。
3、C型:⼀端是带两个拉⽿卡公头的凹槽,⼀端是有⽵节状的软管接头。
4、D型:⼀端是带两个拉⽿卡公头的凹槽,⼀端是有内螺纹连接的丝扣。
5、E型:⼀端是卡在母头⾥的圆弧接头,⼀端是带有⽵节状的软管接头。
6、F型:⼀端是卡在母头⾥的圆弧接头,⼀端是带有外螺纹连接的丝扣。
7、DC型:是带两个拉⽿卡公头的凹槽,可以卡进公头圆弧的管帽堵头。
8、DP型:是⼀个圆弧堵头,也叫内塞堵头。
快速接头产品涉及⽯油、化⼯、治⾦、电⼒、化肥、制药、⾷品、城建、污⽔处理、环保等⾏业,因此对其规格型号要求标准很⾼.。
PPR管快速接头的型号规格及尺寸
1. 型号规格
PPR管快速接头通常有以下几种型号规格:
1.1 直通型(T型)
直通型PPR管快速接头通常用于管道的分支连接。
它由两个管道连接配件和一个中央接头组成,形状如字母"T"。
其中,两个管道连接配件具有相同的外径和螺纹,而中央接头的外径和螺纹与管道连接配件略有不同。
1.2 弯头型(L型)
弯头型PPR管快速接头通常用于改变管道的流向。
它由一个管道连接配件和一个中央接头组成,形状如字母"L"。
管道连接配件和中央接头的外径和螺纹均不相同。
1.3 等径型(Y型)
等径型PPR管快速接头通常用于多个管道的合流连接。
它由两个管道连接配件和一个中央接头组成,形状如字母"Y"。
其中,两个管道连接配件具有相同的外径和螺纹,而中央接头的外径和螺纹与管道连接配件略有不同。
2. 尺寸
PPR管快速接头的尺寸与管道的外径和螺纹规格相关。
常见的尺寸有以下几种:
- 20mm
- 25mm
- 32mm
- 40mm
- 50mm
- 63mm
- 75mm
- 90mm
- 110mm
请注意,具体尺寸可能因不同生产厂家而略有差异。
在选择PPR管快速接头时,应根据实际管道的外径和螺纹规格选择相应的尺寸。
以上是PPR管快速接头的型号规格及尺寸的简要介绍。
具体选择时,您可以参考相关标准和实际需求,以确保连接的安全和可靠性。
注:本文所述内容仅供参考,具体规格和尺寸请以实际情况为准。
快速接头共分为:A型B型C型D型E型F型DC型DP型8个型号,其中有A型、E型、F型、DP型4个公头和B型、C型、D型、DC型4个母头。
制造材料:304 316 铝合金等常规材料。
也可以批量加工其他材料。
公称通径:DN15-DN150mm
公称压力:16-64KG
适用温度:-20~150℃
适用介质:水、油、气及某些腐蚀性液体。
适用范围:工业,化工,液化石油气,车船制造设备等。
连接方式:螺纹,焊接,法兰,快接,扳把式等。
快速接头一般都是成套产品,也可根据需要单个购买。
A型:一变是卡在母头里的接头,一变是内螺纹的连接的丝口;
B型:一边是带两个拉耳卡公头的凹槽,一边是外螺纹连接的丝口;
C型:一变是带两个拉耳卡公头的凹槽,一边是有竹节状的软管接头;
D型:一边是带两个拉耳卡公头的凹槽,一边是有内螺纹连接的丝口;
E型:一边是卡在母头里的接头,一边是带有竹节状的软管接头;
F型:一变是卡在母头里的接头,一边是带有外螺纹连接的丝口’
DC型:是带两个拉耳可以卡进公头的圆形堵头;
DP型:是一个圆形堵头,也叫快装堵头。
常见快速接头规格型号和选型方法快速接头行业是伴随着工业发展而不断进度的,其接头方法和规格型号是根据需要封堵连接的管件的规格来决定。
快速接头的规格型号分类主要可分为直管、孔接头,凸缘管、扩口管、宝塔管接头,气瓶充装接头和螺纹接头等,具体的选型方法详见如下:一、直管、孔快速接头规格型号和选型直管、孔是指形状为规则的圆形,外壁或内壁光洁的管件,如医用导管、无缝不锈钢钢管、气管等。
在进行快速接头规格型号选型时需要了解:管件内外壁光洁度、工差、内径、外径、可插入深度、操作环境是否有障碍碰撞、测试要求(压力、流体性质、检测方式)等信息。
气动快速接头如上图所示,为气动快速接头分为外包式(接头密封圈部位包裹管件外径)和内胀式(接头密封圈部位深入管件内部),采用气压来驱动。
在接头的尾部设有驱动气孔、测试流体口和固定孔,固定孔是用于对接头进行安装到自动化工装夹具的,从而形成自动化的密封操作。
手动快速接头如上是直管、孔的手动密封方法,采用弯折手柄来实现密封连接和断开,操作简单,密封稳定。
同样分为外包式和内胀式密封方式,其中低压款适用于3Bar以内的气密测试,高压款可使用压力范围真空到70Bar,高压款符合氦检要求。
二、凸缘管、扩口管、燃油管等异型管快速接头选型由于这类管件种类多,规格不确定,在进行相应快速接头确定时需要具体参数进行确定。
管件类型如上图的管件类型,可以用G70系列相应规格型号的接头进行对应。
在选型的时候需要了解凸缘管径、管件直径、凸缘长度、工差、测试要求等信息。
其中油导轨接头是符合J2044标准的,分为自带阀门和不带阀门的(带阀在拔出接头时自动封堵,避免燃油流出)。
还有用于金属软管密封连接的G70非标定制接头。
凸缘管快速接头在新能源车和新能源电池行业水道测试等应用较多,可以很好的替代以往用软管加卡箍的方式。
凸缘管快速接头三、气瓶充装快速接头规格型号气瓶充装快速接头主要用于工业气站的氦气、氮气等惰性气体或医用氧气等气体的充注。
气管快速接头规格型号大全-气管快速接头规格型号对照表气管接头是我们生活中比较常见的一种机械配件,这种快速连接器用途比较广泛,在我们的厨卫装修,以及天然气输送都会使用到气管接头,对我们日常生活起着至关重要的作用。
那么这种气管快速接头规格型号又有哪些?气动接头特点又有哪些?小编今天来给大家介绍一下。
气管接头简介现在来说,一般市场上的气管接头有塑料接头,也有金属接头。
塑料接头大家可以想象,这种快速接头价格相对低廉,工艺流程相对而言也是十分简单的。
对于抗压能力也是比较弱的,只能耐压在一兆帕左右。
金属气管接头,这种液压快速接头加工工艺,相对而言是比较复杂的,要求也比较高,同时对于快速接头材质要求也比较高。
因此它的价格相对而言会贵一些。
塑料气动接头与金属气管接头还是存在很大不同的。
金属气动接头能够耐高温,同时还能承受分压力,能够根据特殊的环境,进行生产定制快速接头。
耐高温,耐高压是气动接头特点之一。
气管快速接头规格型号介绍气管接头应用这么广泛,那么气管快速接头规格型号有哪些呢?我们从螺纹上来区分的话,它分为R,G以及公制螺纹。
如果从材质以及使用范围,来对气管快速接头规格型号来分类的话,那就更多了。
如:标准型,迷你型,金属型,不锈钢型以及阻燃型。
塑料气体快速接头标准的外径有PAN,PFAN,PUN以及PLN这几种,而对于阻燃型的气管快速接头规格型号来说,一般为PAN-VO这种规格。
气动接头特点介绍气动接头元件优势最显著的是,安装简单快捷,结构设计紧凑,可以给我们节省不少的时间和空间。
同时气动接头形式多样化,能满足各种各样的布管路要求。
其次我们还不用担心,气管接头安装之后没有办法拆下来,有专门的锁紧装置,对接和拆卸比较方便,同时气体快速接头密封圈优点比较显著。
不会出现泄漏现象。
1, 气管接头的螺纹规格螺纹规格:M3,M4,M5,M6,M8,M10,M12,M14,M16,M1。
1. 卡套式管接头-是适用介质:油、水、气等非腐蚀性或腐蚀性介质的,密封管接头,配用铝塑管的规格要求比较灵活。
快速接头规格
不锈钢快速接头使用方法:型号B、C、D、DC可以与型号A、E、F、DP任意一种组装成一套快速接头产品使用,反之亦然。
用户可根椐自已具体使用需要来选择产品。
与螺纹连接时,螺纹部分宜添加密封物;与软管连接时,宜用喉箍卡紧,以保证连接的密封性。
快速接头主要分304 (CF8)316(CF8M)材质快速接头模具分重型快速接头,轻型快速接头,最轻型快速接头。
不锈钢快速接头任意组合,可任意组合成一端内螺纹,一端外螺纹;两端都是接管;一端外螺纹,
一端内螺纹;或是任意堵塞。
•
•
•。