驾照考试倒桩移库技巧图解
- 格式:docx
- 大小:108.26 KB
- 文档页数:5
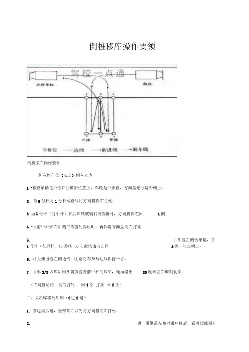
倒桩移库操作要领从右停车位(起点)倒入乙库1•检查车辆是否停在正确的位置上,车轮是否正直,方向盘记号是否朝上。
2.当6号杆与1号杆成直线时方向盘向右打死,3.当5号杆(前中杆)在后挡风玻璃右侧露出时,方向盘向左回1圈,4 •当前中杆在右后侧三角窗处露出时,再次将方向盘向右打死,5.回头看左侧倒车镜,当1号杆(左后杆)出现时,方向盘快速向左回2圈,红点朝上,6.将头伸出看左侧边线,注意将车身与边线保持平行,7 .当车2/3入库后回头朝前看着前中杆的底部,地面路出20厘米左右即刻刹停。
(方向盘动作:向右打死 > 回1圈打死回2圈)二、从乙库移到甲库(2进2退)1.前进与后退,全部都可以先将方向盘向右打死。
2.一进,引擎盖左角对准中杆后,看着边线回方向(向左打死),当车身与边线即将平行时方向盘向右回2圈,边边线即将平行时方向盘向右回 2 圈,4.二进,引擎盖中心即将对准右边杆时,看着边线回方向(向左打死),当车身与边线即将平行时方向盘向右回 2 圈,5.二退,通过车内后视镜看后挡玻璃,后中杆移至后挡玻璃左边上时快回方向(向左打死),头伸出看中线,车入甲库后回一圈刹停。
其实如果车停得很正,不回一圈刹停也可以的。
回一圈主要是怕前轮歪斜而被红外线打掉。
三、从甲库前进到左停车点1.车出乙库后当引擎盖左前角压住边界线一尺时,方向盘向左打死,2.2. 引擎盖右角对准边界线(或者柱子)时方向盘回正2圈后刹停。
头伸出看前车轮,并检查车身是否停正,如有偏斜倒车时及时修正。
四、从左停车点倒入甲库1.当3、4 号杆对准成直线前50 厘米时,方向盘向左打死,2.当前中杆与小窗角后档下部重叠时,方向盘向右回 1 又1/4 圈,3.当前中杆与小窗角前档下部重叠时再次将方向盘往左打死。
4.看右侧倒车镜,当 3 号杆(右后杆)出现时即回方向 2 圈,红点朝上,5.头伸出看中线,车身全部进入甲库后立即刹停。
倒桩图解
教练王老师讲授
学员 73XX58 整理
(C1照培训)体会
●后退操作:离合器踩到底,变速器挂倒档(向右再向前挂档)。
慢抬离合器直到吉普起动,后退运行。
方向盘向右打(顺时针转动),车尾向右偏转。
方向盘向左打(逆时针转动),车尾向左偏转。
方向盘保持不变,车尾按原运动轨迹(直行的仍直行,转弯的仍转弯)运动。
离合器踩到底,踩刹车,停车后挂空档,离合器抬起,刹车抬起。
●侧身后视:左手正握方向盘。
右手搭在副驾椅背上。
侧身回头,视线居中。
●参考点:车身上贴有人工参考点和车体部位参考点,对于初学者是必要的。
由于各学
员体态或坐姿的差异,参考点的点位需要相应调整,通过训练,每个人的参
考点位都会有所修正。
●注意事项:离合器踩到底后再挂档,避免变速箱内齿轮损伤。
先踩离合器后踩刹车以及不要挂错档,避免发动机熄火。
原地打方向盘时,不要踩刹车,避免无畏磨损。
3 / 30。
轿车倒桩图解(移库)
移库(二进二退)
要求:
1、二进二退以内,将车从左库完全移进右库;
2、除两库的中间共用线外,车辆的任何部位不碰线、不碰杆;
3、进、退中途不熄火。
准备:1、车辆停左库2紧靠库底线
第一进:
1、向右将方向打死(可打死方向)起步;
2、当车行至库中时或车头左角达到或接近中线时(如图),迅速将方向向左打死;
3、车头接近前库杆(线)时,停车;
一退:
2、将方向右打死(如图),向后起步。
车头接近前库杆(线)时,停车;
从左倒车镜观察(如图)车头接近前库杆(线)时,停车;如图
后轮接近库中线时,迅速将方向向左打死;如图。
当后轮接近库中线时,迅速将方向向左打死;从倒车镜观察如图
当车与库中线平行时,停车。
(如图)
一进一退或二进二退移库完成。
如果一进一退不能完成移库就进行第二进
二进:
不管第一退停车的状态如何,在第二进时只要将车摆成车尾对着后库斜着(车头向左),并将前轮回正。
(如图)
二退:
向后退时,观察到后轮接近标准宽或车尾大于标准宽若干时,向左打一把方向,待车身几乎平行中线(车库)时,迅速将方向回正并停车。
二进二退移库完成(如前图)。
桩考技巧,1认识场地:脸对着车库,背后是1线,左边车库叫甲库,右边车库叫乙库,左边停车位置叫A点,右边停车位置叫B点。
此主题相关图片如下:桩考技巧,2考试程序:首先,从A点往后倒,入乙库底,经两进两退将车移入甲库,然后,从甲库起步经乙库门出去至B点,再倒入甲库(车头进去即可)后,开出去至A 点,考试程序结束。
在整个过程中,只要不碰杆不越线,就算合格。
此主题相关图片如下:桩考技巧,3直线倒车方法:头必须伸到车左右宽度的中间位置(必须伸到中间位置,如若不然,你就是把后面对准了,车也不在车库的中间位置。
这一点和你能否将车倒到车库的中间位置,至关重要),而且转向后方(你的头不可能转180度,首先,身体先转90度,也就是后背对着车门,然后,头再转90度,这样,脖子就不难受了),用车尾部中间位置对准车库门正中间直线倒车,尾部进入车库门后,立刻对准车库底正中间直线倒车,左右摆动幅度不得超过10公分,如有偏差,提前调整方向。
否则不是碰杆就是越线,调整方向方法和前进时相同。
此主题相关图片如下:桩考技巧,4A点入乙库方法:1、停车位置:车左边一定要和1线保持平行,并离开1线1.5米左右,不能小于1米(如果小于1米,在转动方向盘进乙库时,由于后悬外移的出现,车头容易越1线);也不能大于两米,(如果大于两米,车右边距离乙库门的横向距离减小,转弯半径减小,调整方向时的距离缩短,入库难度加大,车尾容易越乙库的边线)。
此停车位置适合于C1驾驶证考试。
2、设计行使路线:能否沿着正确的行使路线倒车,是决定碰不碰杆和能否顺利入库的关键所在,行使路线如下图所示。
此主题相关图片如下:3、转动方向盘时机:在A点开始起步往后倒车时,先保持直线倒车,等车尾接近(甲库边线往1线延长)的延长线时,开始打方向入乙库,这时,看着车尾的右后角,在入乙库的瞬间,要和中杆保持30厘米(左右10厘米)的距离,如果不符合要求,提前调整方向。
4、回方向盘时机:车尾进库后,方向盘仍然保持转足或接近转足状态,等到车中线(眼睛和车尾部中点之间的直线)的延长线摆进库底边杆四分之一左右,接近对正乙库底中点以前,开始回方向,(眼睛,车尾部中点,车库底部中点)三点成一线时,方向必须回正,这时可按直线倒车的方法,把车倒到乙库底部。
倒桩移库技巧、倒车技巧是每位新手学车的司机都必须掌握的,这里倒桩移库技巧图解,通过图文演示形式,简单介绍了几点倒桩考试要领,描绘了倒桩移库技巧的操作步骤,帮助大家更快的掌握桩考技巧。
桩考(正反库)操作要领1.起点倒入正库:起点(倒档起步)→看大△窗前1/3对中杆(右打2圈)→大△窗后缝对中杆(回1圈)→大△窗花朵对中杆(右打1圈)→看右镜“车身平行库边线”(快回2圈)(注意:如“太紧靠中杆”应先回1圈,待车身正时再回1圈)→边修正边倒入正库→肩线刹车。
2.正库移反库:一进:起步(右打2圈)→盖左凸缝对中杆(左回4圈)→车身正(右回2圈)→到杆刹车。
一退:停车(右打2圈)→车左角对左杆(左回4圈)→车身正(右回2圈)→肩线刹车。
二进:起步(右打1圈)→车左角对中杆(左回2圈)→车身正(右回1圈)→到杆刹车。
二退:停车(右打到底)→看右镜“保险杠对边线”(左回到底)→盖左凸缝对中杆(右回2圈多)→肩线刹车。
3.前进斜穿正库至路上:起步(左打1圈)→车左角对左杆(回1圈)→出杆门(看左镜修正)→车左角对边线(左打2圈)→车身正(先刹车!)。
4.倒入反库:复位(倒档起步)→肩到线(左打2圈)→看左镜“车身离中杆20公分”(先回1圈)(注意:打晚回2圈)→车身平行边线(再回1圈)→边修正边倒入反库→肩线刹车。
5.前进返回起点:起步(一档)→车盖前缘压边线(右打2圈)→车身将要正(先回1圈)→车身正(再回1圈)→到原起点处(刹车)。
倒桩移库技巧图解的清晰描绘,再加上简洁的文字补充,相信现在大家已经掌握了倒桩考试的操作要领了!蝴蝶桩倒桩移库考试,上线:车直行向前,看车头和前方7米线重合向右缓慢把方向盘打死,车头左棱和7米线重合向左放一圈轮,脚备刹车,再放一圈轮将车和7米线平停车。
贴库:挂倒档,抬刹车,慢抬离合,车慢起步,脚压住离合,看右后窗点对中杆,向右打轮,同时裹中杆走,同时,中杆和库的左后杆重合向右打死,后风档右边点对中杆向右回两圈轮、手握12点头向中间看后中点进行调整,自然回头看后风档右下角,对中杆踩离合踩刹车停车。
倒桩移库方法
1、车倒入乙库(开始):
(1)深呼吸两次(放松),踩离合,挂倒档,松手刹,按下计时器。
轻抬离合,头向右后方看,倒至4号杆在1号杆前方2-3公分处,
(2)继续倒车,至2
(3)继续倒车,至2
方向;
(4)继续倒车,头看左侧后视镜,待红砖与后车门把手重合,
3公分距离),倒至肩膀线,踩离合,踩刹车。
注:入库时车身小幅修正方法:控制后视镜中后杆与车身尾部保持3公分距离,左右两边哪边距离大向哪边打方向。
2、移库(二进二退将车从乙库移至甲库)
(12号杆
2号杆前,踩离合,踩刹车,停住;
(23号杆
(32号杆重
2号杆前,踩离合,踩刹车,停住;
(4)二退:挂倒档,看头上后视镜,待杆子消失,
3、车从甲库穿越乙库门驶出
挂一档,行至最左侧白点与3号杆重合,控制
车身从乙库门驶出,行至2号杆在右后驾驶座中央时,
方向,等车身回直,踩离合,踩刹车,停住。
4、车倒入甲库
(1
看中间后视镜;
(2
(3
(4)继续倒车,头看左侧后视镜,待红砖与后车门把手重合,左打一圈半方向(没有红砖则控制后视镜中后杆与车身尾部保持3公分距离)
(5)退至适当距离,踩离合,踩刹车停住。
5、车从甲库驶出(结束):
挂一档,行至右后座车窗窗花与1号杆重合,。
初学驾驶人员的驾驶入门一般是从“倒桩”开始的,倒桩的目的是要求新手不断地通过倒桩练习,逐步把握对车辆的操控,掌握挂挡、离合器、方向盘和制动的使用方法,以及正确判断车身空间位置和完成倒车入库、侧方移位的能力,为以后的驾驶学习打下坚实的基础。
倒桩是驾考人员的必考项目,考试必须合格。
倒桩实际上是包含了两个方面的内容即:倒车入库和侧方移位(或叫做移库)。
就以“普桑”轿车为例,具体介绍倒桩的顺序和基本技巧。
1‘2'3'4'5'6为电子桩虚线为倒车路线实线为前进路线一、顺序1.从起点A;2.乙库;3.甲库;4.经过乙库至起点B;5.甲库;6.回起点A。
要求:按照规定路线,顺序行驶;不碰擦桩杆;车身不出线,不压线;移库准确入位。
二、技巧上车后,稳定情绪,不要紧张。
车在起点挂入倒档时,注意对车速的控制:将车速控制在一个平稳、很慢的状态。
1、倒入乙库挂入倒档,车在慢慢倒车时,回头从右车门窗看桩,当6号桩与1号桩成直线时,方向盘向右打死,车继续慢慢倒,当车头与4--5号桩平行或从右倒车镜看到车身与2--5号桩平行时,停车(离合器踩到底)回正方向,抬离合器继续倒车,并保持车身在乙库正中,倒至车尾距离1--2号桩30-50公分处停车。
2、从乙库移至甲库(2进2退)一进:挂入1档,方向向右打死(1.5圈),引擎盖左角对准中桩(5号桩)后,然后方向迅速向左边走边打死方向(3圈),车身正后,迅速向右回1.5圈并停车(不碰桩为原则)。
一退:挂入倒档,方向向右打死(1.5圈),看右倒车镜,当车尾右角与3号桩重合时,方向迅速向左边走边打死方向(3圈),车身正后,迅速向右回1.5圈并停车(不碰桩为原则)。
二进:挂入1档,方向向右打一圈,车头左角过5号桩杆约30cm左右时,方向向左回二圈,车正后方向向右回一圈,到头停车(不碰桩为原则)。
二退:挂入倒档,应看左右倒车镜2和3号桩的距离来,调整方向,使车身调整到甲库中间,退到库底停车(车尾距离桩30-50公分为宜)。
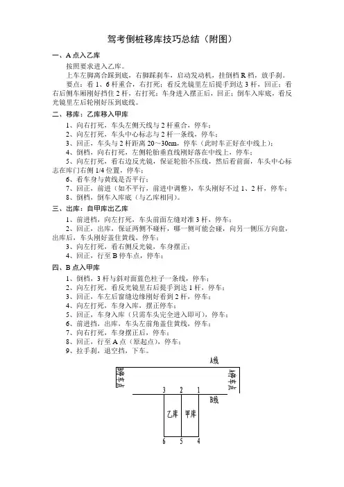
驾考倒桩移库技巧总结(附图)
一、A点入乙库
按照要求进入乙库。
上车左脚离合踩到底,右脚踩刹车,启动发动机,挂倒档R档,放手刹。
要点:看1、6杆重合,右打死;看反光镜里左后提手到达3杆,回正;看右后侧车厢刚好挡住2杆,右打死;车身进入摆正后,回正;倒车入库底,看反光镜里左后轮刚好压到底线。
二、移库:乙库移入甲库
1、向右打死,车头左侧天线与2杆重合,停车;
2、向左打死,车头中心标志与2杆一条线,停车;
3、回正,车头与2杆距离20~30cm,停车(此时车正好在中线上);
4、倒档,向右打死,左侧轮胎垂直线刚好落在中线上,停车;
5、向左打死,看右边反光镜,保证轮胎不压线,然后看前面,车头中心标志在库门右侧1/4位置,停车;
6、看车身与黄线是否平行;
7、回正,前进(如不平行,前进中调整),车头刚好不过1、2杆,停车;
8、倒档,倒车入库底(与乙库相同)。
三、出库:自甲库出乙库
1、前进档,向左打死,车头前面左缝对准3杆,停车;
2、回正,出库,保证两侧不碰杆,哪一侧可能会碰,向另一侧压方向盘,出库后,车头刚好盖住黄线,停车;
3、向左打死,看右侧反光镜,车身摆正;
4、回正,行至B停车点,停车;
四、B点入甲库
1、倒档,3杆与斜对面蓝色柱子一条线,停车;
2、向左打死,看反光镜里右后提手到达1杆,停车;
3、回正,车左后窗缝边缘刚好看到2杆,停车;
4、向左打死,车身入库,摆正停车;
5、回正,车身入库(只需车头完全进入即可),停车;
6、前进挡,出库,车头左前角盖住黄线,停车;
7、向右打死,车身摆正后,停车;
8、回正,行至A点(原起点),停车;
9、拉手刹,退空挡,下车。
桩考(正反库)操作要领1.起点倒入正库:起点(倒档起步)→看大△窗前1/3对中杆(右打2圈)→大△窗后缝对中杆(回1圈)→大△窗花朵对中杆(右打1圈)→看右镜“车身平行库边线”(快回2圈)(注意:如“太紧靠中杆”应先回1圈,待车身正时再回1圈)→边修正边倒入正库→肩线刹车。
2.正库移反库:一进:起步(右打2圈)→盖左凸缝对中杆(左回4圈)→车身正(右回2圈)→到杆刹车。
一退:停车(右打2圈)→车左角对左杆(左回4圈)→车身正(右回2圈)→肩线刹车。
二进:起步(右打1圈)→车左角对中杆(左回2圈)→车身正(右回1圈)→到杆刹车。
二退:停车(右打到底)→看右镜“保险杠对边线”(左回到底)→盖左凸缝对中杆(右回2圈多)→肩线刹车。
3.前进斜穿正库至路上:起步(左打1圈)→车左角对左杆(回1圈)→出杆门(看左镜修正)→车左角对边线(左打2圈)→车身正(先刹车!)。
4.倒入反库:复位(倒档起步)→肩到线(左打2圈)→看左镜“车身离中杆20公分”(先回1圈)(注意:打晚回2圈)→车身平行边线(再回1圈)→边修正边倒入反库→肩线刹车。
5.前进返回起点:起步(一档)→车盖前缘压边线(右打2圈)→车身将要正(先回1圈)→车身正(再回1圈)→到原起点处(刹车)。
倒桩移库操作要领1.检查车辆是否停在正确的位置上,车轮是否正直,方向盘记号是否朝上。
2.当6号杆与1号杆成直线时方向盘向右打死,3.当5号杆(前中杆)在后挡风玻璃右侧露出时,方向盘向左回1圈,4.当前中杆在右后侧三角窗处露出时,再次将方向盘向右打死,5.回头看左侧倒车镜,当1号杆(左后杆)出现时,方向盘快速向左回2圈,红点朝上,6.将头伸出看左侧边线,注意将车身与边线保持平行,7.当车2/3入库后回头朝前看着前中杆的底部,地面路出20厘米左右即刻刹停。
桩考(正反库)操作要领1.起点倒入正库:起点(倒档起步)→看大△窗前1/3对中杆(右打2圈)→大△窗后缝对中杆(回1圈)→大△窗花朵对中杆(右打1圈)→看右镜“车身平行库边线”(快回2圈)(注意:如“太紧靠中杆”应先回1圈,待车身正时再回1圈)→边修正边倒入正库→肩线刹车2.正库移反库:一进:起步(右打2圈)→盖左凸缝对中杆(左回4圈)→车身正(右回2圈)→到杆刹车一退:停车(右打2圈)→车左角对左杆(左回4圈)→车身正(右回2圈)→肩线刹车二进:起步(右打1圈)→车左角对中杆(左回2圈)→车身正(右回1圈)→到杆刹车二退:停车(右打到底)→看右镜“保险杠对边线”(左回到底)→盖左凸缝对中杆(右回2圈多)→肩线刹车3.前进斜穿正库至路上:起步(左打1圈)→车左角对左杆(回1圈)→出杆门(看左镜修正)→车左角对边线(左打2圈)→车身正(先刹车!)4.倒入反库:复位(倒档起步)→肩到线(左打2圈)→看左镜“车身离中杆20公分”(先回1圈)(注意:打晚回2圈)→车身平行边线(再回1圈)→边修正边倒入反库→肩线刹车5.前进返回起点:起步(一档)→车盖前缘压边线(右打2圈)→车身将要正(先回1圈)→车身正(再回1圈)→到原起点处(刹车)。
C1 倒桩移库倒甲库:1、挂倒档,车辆缓慢向后移动,侧身观察,待右后三角窗边与中杆重合,转向盘迅速向右打死;2、车辆继续倒退,中杆慢慢随右后三角窗移动,消失时转向盘回打半圈;3、车辆继续向后倒退,待中杆再次出现在右后三角窗时,转向盘向右打死;4、车辆继续倒退,观察左后视镜,待后杆出现时,转向盘迅速回正;5、慢慢矫正方向,车子停正。
甲库移乙库:1、转向盘向右打一圈,挂前进挡;2、待车引擎盖左筋线对准或微超中杆时,根据车速转向盘向左打2圈,车辆前行直至引擎盖盖住中杆黑点,停车,转向盘向右打2圈;3、挂倒档,车辆缓慢后退,待车引擎盖左筋线对准或微超邊杆时,根据车速转向盘向左打2圈,直至肩膀对准红线,停车,转向盘向右打2圈;4、挂前进挡;车辆前行直至车内仪表盖左角对准中杆时,转向盘向左打2圈,观察右后视镜,待镜内后杆与车身保持在车内遮阳板的长度时,停车,转向盘向右打2圈;5、挂退档,车辆后退,观察车内后视镜,当镜内杆子靠近后窗左下角商标时向左打一圈,当镜内杆子靠近后窗栏时再向左打一圈,车辆后退,直至车引擎盖细缝对准中杆。
出库:1、挂前进挡,左車頭引擎盖稍超左边杆时回正方向,车左右后视镜不碰杆出库;2、侧身观察,待后排右座位头枕中部与中杆成一线时,转向盘向左打死,慢慢矫正方向停车。
倒乙库:1、挂后退档,待左肩与红线成一线时,转向盘向左打死;2、车辆缓慢向后移动,观察车内后视镜,待镜内中杆出现在镜内小三角窗角落处时,转向盘回打180多一点;3、车辆缓慢向后移动,观察车内后视镜,待中杆与镜内三角窗边重合时,转向盘向左打死;4、车辆缓慢向后移动,观察右后视镜,待后杆出现时,转向盘迅速回正,慢慢矫正方向,车头进入库内即可停车。
出库:挂前进挡,车辆缓慢前行,待车左右后视镜不碰杆出库时,侧身观察,待右后车门小商标与右杆成一线时,车速一定要缓慢,转向盘向右打死,矫正方向停车。
侧方停车车筋线对准T字,车头覆盖T字停车。
挂后档,打开右转向灯,鸣笛,平行倒至1号杆出现在右后三角窗一般面积后,向右打死;看左后视镜,当看到4号杆在车尾出现时,向左回正方向;当看到右前小圆反光镜与1号杆平行时向左打死;当左前小圆反光镜对准1号杆时,驻车;挂前进挡,打左转向灯,鸣笛。
今天开始练习倒桩了。
我报的是C1票。
就给大家把cl驾照考试倒桩移库技巧图解+视频+详解总结一下,方便学习。
每个教练的技巧都不同,但是大同小异。
按照教练的说法练习,我发的只是网上总结的,体会一下就可以了。
今天起车灭火。
挂倒档没踩离合器,囧。
首先是口诀:
一、倒库
1 、踩离合、踩刹车;
2、挂倒档、松手刹;
3、松刹车;
4、慢松离合(倒车);
5、望右后方,①⑥杆对齐时,向右—打死方向;
6 后玻璃右上角处,出现②杆时,向左J回半圈方向;
7、②杆消失时,再向右—打死方向;
8、左后视镜中⑥杆与车尾三厘米时,向左-回正方向;
9、④杆对齐右后门上扶手中前方点时,踩刹车停车。
、移库
1、向右—打死方向,一档开车;
2、当②杆与前玻璃左下角对齐时,向左-打死方向;
3、当车靠近前杆30 厘米时,踩刹车停车;
4、向右—打死方向,倒车;
5、望右后视镜,车尾完全盖住⑤杆时,向左—打死方向;
6、当②杆位于车头左侧3 厘米位置时,踩刹车停车;
7、回正方向,一档开车,靠近②杆30厘米时停车;
8、向右—打死方向,倒车;
9、望右后视镜,车尾完全盖住⑤杆时,向左—打死方向;
10、看左侧后视镜,车身与地面黄线平行时回正方向;
11 、前方车头离①杆底2 厘米时,踩刹车停车。
三、斜出库
1、向左-打死方向,一档开车;
2、当③杆对齐左雨刷凸点时,向右一回正方向;
3、车头缓慢出杆;
4、①杆对齐右后门玻璃右上角时,向左—打死方向;
5、车头回正时,踩刹车停车(宁可车头稍向右偏,不可向左偏)四、再倒库
1、挂倒档、倒车;
2、当③④杆对齐时,向左J打死方向;
3、当②杆与左后门玻璃黑胶线重合时,向右T回半圈方向;
4、当②杆移至左后门玻璃黑胶线前方2厘米时,再向左J打死方向;
5、车身入库后,观察左侧后视镜,车身于地面黄线平行后,向右一回正方向;
6、车身完全入库后,踩刹车,停车。
五、出库
1、挂一档,前行;
2、当①杆对齐右后门玻璃黑胶线上端时,向右—打死方向;
3、当车头回正时,踩刹车停车。
起点
③②①
⑥⑤④
然后是图解:
当②杆E 左后门破理置嚴圾 重wat*问右T 回半囲方问 当®申多至£囹1玻1解 较址萌方JS*时・再问
左-打死方向
五、出库
起廉
③ ②
① ⑥ ⑤
④
附考试路线图: 、图例
倒库
二移库 商右r 打死方 时・一 档开车
当燼杆与前 破璃左下角 左4打死万
闻
尝车菊fi ilffso 厘
t.
时 > 踝剎
车 序军
冋占"打 死
3MU
他车
矍右肓很 蹟•车屋 芫宝盈住
®ffOT- 冋左TI
死方阿
当
®HK L T 上
头在制3 曲)厚再辛
回正万阿 一档幵壬 窪近駁杆 勿宅审盯
三、出露 向左1打死方邱 一档幵车
当③杆对齐左带桶凸点时・
问右于国正方向
车头嬪懂出杆
斗
挂档.甬行
兰©杆对齐右厉门璇碼翌胶枝上購咏向彳
于打死方向
二、尺寸
(一)桩长为二倍车长。
前驱动车,加50厘米;
(二)桩宽:大型车为车宽加70厘米;小型车为车宽加60厘米;
(三)路宽为车长的一点五倍。
三、操作要求:
考试时从甲库开到起点。
然后从起点倒入乙库停止,再二进二退移位到甲库停正, 前进穿过乙库至路上,倒车通过甲库出库。
四、考试合格标准。
未出现下列情况之一:
1、不按规定路线、顺序行驶;
2、碰擦桩杆;
3、车身出线;
4、移库不入;
5、中途停车两次;
&中途熄火;
7、停车后使车轮转动;
8、头、手伸出车身外或打开车门探视。
五、有关说明
1、在考试过程中,考车的行驶轨迹必须按①T②—③—④—⑤—⑥ —⑦这7个轨迹顺序行驶,其中每个轨迹都是单向倒车或前进。
2、车身出线:在考试过程中考车的任何部分都不能越过A线、C线、D线、F线。
3、车辆在完成①、⑤、⑦步骤停止时,车身任何部位垂直投影不得压、超库位线B、C、D、E、F。
4、考试期间除按规定线路行驶需改变车行方向(由倒车改前行或反之)而停车外,其余停车为违规停车。
5、考试合格标准第7 条是指不得在车辆停止时打方向盘。
6、桩杆垂直立于桩位1 、2、3、4、5、6,所有桩杆等高且比车身高50cm。
六、经验技巧
上线:
车直行向前,看车头和前方7米线重合向右缓慢把方向盘打死,车头左棱和7 米线重合向左放一圈轮,脚备刹车,再放一圈轮将车和7米线平停车。
贴库:
挂倒档,抬刹车,慢抬离合,车慢起步,脚压住离合,看右后窗点对中杆,向右打轮,同时裹中杆走,同时,中杆和库的左后杆重合向右打死,后风档右边点对中杆向右回两圈轮、手握12 点头向中间看后中点进行调整,自然回头看后风档右下角,对中杆踩离合踩刹车停车。
移库:
一上:车动向右迅速打2圈,当车头左棱对中杆时向左把轮打死,右梭对中杆再向右回2圈,备刹车停车,不能碰中杆车进库1/4。
一下:车动向右打2圈左棱对边杆向左打死,车直回2圈,停车不碰后杆车进库一半。
二上:车动向右打轮雨刷器中点,对右前杆向左打轮,车头左棱对中杆向左回轮,车直停车(根据一下车进库多少打轮。
进多慢打,进步快打)车进库多一半。
二下:根据车形,进库多少打轮,车动向右打轮,后风档中点对右后杆向左回轮,雨刷器,中点对右前杆停车,不用打轮回直。
出库:
车头左角比左前杆出库,左角与7米线重合,向左缓慢打轮,打死之后2秒钟放一圈,脚备刹车,回最后一圈轮车直停车。
倒库:
倒档,车直行,左后车门小窗对中杆向左打轮裹中杆,当中杆与右后未重合距离相差约20公分时,向左打死轮,车进库,后风档左点与右后杆合时回轮2圈手
握方握方向盘12点头向两座位中间进行调整。