(完整word版)CAD机械制图练习图
- 格式:doc
- 大小:1020.01 KB
- 文档页数:10
cad练习图(全套)之南宫帮珍创作创作时间:二零二一年六月三十日
CAD课程用图
CAD机械练习图
1.2.1实习练习图:
1)
(2)(3)
4)
(5)
6)
(7)
(9)
(11)
(12)
(14)
(26)
CAD练习图(复杂篇)
下面的图涉及的主要难点有列阵、镜像、圆角、修剪、椭圆、两圆公切线画法、斜线角度精确画法等.
而且部份在后面的一些图中尺寸参数少, 但数据反映的定位尺寸和形状尺寸都是齐全的, 需要琢磨画图的先后顺序方可真确画出.考察读图与设计等能力.
图一:
涉及的知识点:两圆公切线画法、斜线角度精确画法、过一点的切线画法、列阵等.
图二:
涉及的知识点:两圆公切线画法、斜线角度精确画法、过一点的切线画法、列阵、镜像、圆角、修剪等.
图三:
涉及的知识点:两圆公切线画法、斜线角度精确画法、过一点的切线画法、列阵、镜像、圆角、修剪等.
下图涉及的知识点:两圆公切线画法、斜线角度精确画法、列阵、镜像、圆角、修剪、椭圆等.而且图中参数少, 但数据反映的定位尺寸和形状尺寸都是齐全的, 需要琢磨画图的先后顺序方可真确画出.考察读图与设计等能力.。
cad练习图(全套)之巴公井开创作时间:二O二一年七月二十九日
CAD课程用图
CAD机械练习图
1.2.1实习练习图:
(1)
(2)(3)
(4)
(5)
(6)
(7)
(8)
(9)
(11)
(12)
(14)
(26)
图1.2.2—1
CAD练习图(复杂篇)
下面的图涉及的主要难点有列阵、镜像、圆角、修剪、椭圆、两圆公切线画法、斜线角度精确画法等。
而且部分在后面的一些图中尺寸参数少,但数据反映的定位尺寸和形状尺寸都是齐全的,需要琢磨画图的先后顺序方可真确画出。
考察读图与设计等能力。
图一:
涉及的知识点:两圆公切线画法、斜线角度精确画法、过一点的切线画法、列阵等。
图二:
涉及的知识点:两圆公切线画法、斜线角度精确画法、过一点的切线画法、列阵、镜像、圆角、修剪等。
图三:
涉及的知识点:两圆公切线画法、斜线角度精确画法、过一点的切线画法、列阵、镜像、圆角、修剪等。
下图涉及的知识点:两圆公切线画法、斜线角度精确画法、列阵、镜像、圆角、修剪、椭圆等。
而且图中参数少,但数据反映的定位尺寸和形状尺寸都是齐全的,需要琢磨画图的先后顺序方可真确画出。
考察读图与设计等能力。
cad练习图全套CAD课程用图
CAD机械练习图1.2.1实习练习图:
2 3
5
6
7 8
9
11
12
14
26
1.2.2在完成上面所有小练习题的基础上完成以下两个大图
图1.2.2—1
CAD练习图复杂篇
下面的图涉及的主要难点有列阵、镜像、圆角、修剪、椭圆、两圆公切线画法、斜线角度精确画法等;
并且部分在后面的一些图中尺寸参数少,但数据反映的定位尺寸和形状尺寸都是齐全的,需要琢磨画图的先后顺序方可真确画出;考察读图与设计等能力;
图一:
涉及的知识点:两圆公切线画法、斜线角度精确画法、过一点的切线画法、列阵等;
图二:
涉及的知识点:两圆公切线画法、斜线角度精确画法、过一点的切线画法、列阵、镜像、圆角、修剪等;
图三:
涉及的知识点:两圆公切线画法、斜线角度精确画法、过一点的切线画法、列阵、镜像、圆角、修剪等;
下图涉及的知识点:两圆公切线画法、斜线角度精确画法、列阵、镜像、圆角、修剪、椭圆等;并且图中参数少,但数据反映的定位尺寸和形状尺寸都是齐全的,需要琢磨画图的先后顺序方可真确画出;考察读图与设计等能力;。
一、基本二维绘图练习1、辅助绘图工具练习图1—1输入点的相对直角坐标、相对极坐标绘制图形图1-2打开正交模式绘制图形【习题1-3】利用各种目标捕捉方式将图1-3a修改为图1-3b.图1-3利用目标捕捉功能绘制图形【习题1-4】打开极轴追踪模式(FIO),通过输入直线的长度绘制图1-4所示的图形.图1-4利用极轴追踪功能绘制图形【习题1-5】利用极轴追踪、自动捕捉及目标捕捉追踪功能将图1-5a修改为图1—5b.图1—5综合练习1【习题1—6】利用极轴追踪、自动捕捉及目标捕捉追踪功能绘制图1-6所示的图形。
图1—6综合练习22、实体绘图命令练习【习题1-7】利用Circle(圆)和Ellipse(椭圆)等命令绘制图1-7所示的图形。
图1-7绘制圆和椭圆【习题1-8】利用Polygon(正多边形)和Circle(圆)等命令绘制图1—8所示的图形。
图1-8绘制圆和正多边形【习题1-9】用Polygon(正多边形)和Circle(圆)等命令绘制图1—9所示的图形。
【习题1-10】用Pline(组合线)和Line(线)命令绘制图1—10所示的图形。
图1-9绘制圆和正多边形 图1-10绘制组合线3、编辑命令练习【习题1-11】用Offset(等距线)、Trim(修剪)和Line命令绘制图1-11所示的图形。
图1—11用Offset和Trim等命令绘制图形 图1-12绘制等距线【习题1—13】用Offset(等距线)和Extend(延伸)命令将图1-13a修改为图1—13b。
图1—13用Offset和Extend命令绘制图形【习题1-14】用Array(阵列)等命令绘制图1-14所示的图形。
图1—14用Array命令创建环形阵列【习题1—15】用Array(阵列)和Rotate(旋转)等命令绘制图1—15所示的图形。
图1-15用Array和Rotate命令绘制图形【习题1—16】用Fillet(倒圆角)和Chamfer(倒角)命令将图1-16a修改为图1-16b。
图1:图2:
图3:图4:
图5:图6:
图7:图8:
图9:图10:
图11:图12:
图15:图16:
图17:图18:
图19:图20:
图21:图22:
图23:图24:
图
25:
图26:
图27:图28:
实验三:AutoCAD的复杂图形绘制练习
一、实验目的:
1.熟悉精确绘制图形的方法;
2.掌握较好的图形识别和判读的能力;
3.掌握AutoCAD中各种绘图和编辑命令的综合运用。
4.熟悉图形标注和图形填充的方法
二、实验内容:
按照相关绘图规范完成以下图例的绘制:
1.要求务必遵守相关制图规范;
2.根据需要,设置绘图图层;
3.绘图要求图形清晰准确
4.按照图例进行进行标注和填充。
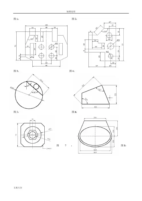
图1:图2:
图3:图4:
图5:图6:
图7:图8:
图9:
图10:
图11:
图12:
图13:
实验四:AutoCAD的图形信息查询
一、实验目的:
1.熟悉查询图形信息的相关命令;
2.掌握查询图形信息的各种方法和常见技巧。
二、实验内容:
1.按照相关绘图规范和要求从J(100,100)点处,绘制如下的图形:
1.绘制如下图形,并按照相关规范创建一个自己的标注样式,对图形进行标注。
2.在前面绘制的图形中,进一步练习尺寸标注,并对相关标注进行。
图1:图2:
图3:图4:
图5:图6:
图7:图8:
图9:图10:图11:图12:
图15:图16:图17:图18:
图19:图20:
图21:图22:
图23:图24:
图
25:
图26:
图27:图28:
实验三:AutoCAD的复杂图形绘制练习
一、实验目的:
1.熟悉精确绘制图形的方法;
2.掌握较好的图形识别和判读的能力;
3.掌握AutoCAD中各种绘图和编辑命令的综合运用。
4.熟悉图形标注和图形填充的方法
二、实验内容:
按照相关绘图规范完成以下图例的绘制:
1.要求务必遵守相关制图规范;
2.根据需要,设置绘图图层;
3.绘图要求图形清晰准确
4.按照图例进行进行标注和填充。
图1:图2:图3:图4:
图5:图6:
图7:图8:图9:
图10:图11:
图12:图13:
实验四:AutoCAD的图形信息查询
一、实验目的:
1.熟悉查询图形信息的相关命令;
2.掌握查询图形信息的各种方法和常见技巧。
二、实验内容:
1.按照相关绘图规范和要求从J(100,100)点处,绘制如下的图形:
1.绘制如下图形,并按照相关规范创建一个自己的标注样式,对图形进行标注。
2.在前面绘制的图形中,进一步练习尺寸标注,并对相关标注进行。