DW系列带式干燥机使用说明书
- 格式:doc
- 大小:64.00 KB
- 文档页数:10
常州干燥为您提供精心设计制造24米长带式干燥设备, DWP5-2×24多层带式干燥机,五层网帯式烘干机我们是常州市干燥设备有限公司位于:江苏常州专业从事:干燥机,干燥设备,混合机,粉碎机,制粒机,筛分设备,热风炉等, 可根据不同物料性质,非标设计定制,一经选购,终身维护,免费安装调试,培训操作人员,详细的设备工艺,是您的*。
DW系列多层带式干燥设备(24米长带式干燥设备, DWP5-2×24多层带式干燥机,五层网帯式烘干机)欢迎拨打我们的销售热线一三六一六一一二九八八,我们24小时专业为您服务。
非标设计定制闪蒸、带式、喷雾、盘式、流化床、桨叶、回转窑、煅烧、气流、沸腾、真空、烘箱等混合制粒设备,良好的信誉,优越的品质,完善的服务!一、24米长带式干燥设备, DWP5-2×24多层带式干燥机,五层网帯式烘干机适应范围及性能特点:本机是食品、中药、农副产品、水产品、饲料及化工原料等片状、条状、块状及颗粒物料脱水作业的理想设备。
采用加热的热气流作为干燥介质,与湿物料进行充分的热湿交换,它不但以对流方式将热量传给湿物料,起着载热体的作用,而且把湿物料蒸发出来的水蒸汽及时带走,又起到了载湿体的作用。
总之,该机工艺流程合理,结构设计新颖,具有*性;分层进风、分段干燥,符合工艺要求,产品质量好;由于采用穿流热空气加热,增加保温层和余热循环利用等措施,节能效果显著;具有较高的经济效益和社会效益。
二、4米长带式干燥设备, DWP5-2×24多层带式干燥机,五层网帯式烘干机配置清单:单体设备名称组件名称型号或规格数量主要材质制造厂家加料器 1台 304 本厂蒸汽换热器 600平方全套 Q235A/铝翅片本厂主机框架 1套 A3/组件本厂循环风机 4-72 4.5A-7.5kw 6台 Q235A/外购东南风机厂排湿风机 4-72 5A 15kw 1台 Q235A/外购东南风机厂内贴板 1套 304/δ2mm 本厂外封板防锈底漆、外罩银粉漆 1套 Q235A/δ1.5mm 本厂设备保温硅酸铝 1套外购厚度(80mm)分室板含导风板(带加强筋) 1套 304/δ1.5mm 本厂链轮、链条全套#45钢/外购浙江萧山链条厂观察清扫门含毛刷清扫装置全套 304/δ2mm 本厂主机传动装置含电机、减速机、传动主轴、轴承座等 1.5KW/台,共3台 3套外购/组件本厂不锈钢网带 B=2m 3条 304/外购江都金属丝网厂网带撑杆全套组件本厂涨紧装置全套组件本厂联接管道及风阀全套 Q235A/组件本厂电器控制部分 1台本厂三、4米长带式干燥设备, DWP5-2×24多层带式干燥机,五层网帯式烘干机主要零部件及工作原理:本机由布料装置、干燥室、主传动系统、蒸汽管路系统、供风系统、风道、排湿系统、底架及控制系统等部分组成。
User Manual Food DehydratorMODEL: WFD101W1. R EAD these instructions carefully before installing and operating theproduct. Keep them for further reference.2. R ecord in the space below the “SERIAL NO.” found on the nameplate on your product and retain this information for future reference.SERIAL NO.:Please save sales receipt for warranty.Thank you for purchasing ourWestinghouse product. This easy-to-use manual will guide you ingetting the best use of your unit.Remember to record the model andserial numbers. They are on a labelon the back of the product._____________________________ Model number _____________________________ Serial number _____________________________ Date of purchase Staple your receipt to your manual. You will need it to obtain warranty service.SAFETY INFORMATIONImportant Safety Instructions (4)Polarized Plug ............................................................................................................................................................................5SET UP & USEParts & Features .......................................................................................................................................................................6 Operation Instructions ....................................................................................................................................................7-12CLEANING & CARE ..............................................................................................................................................13TROUBLESHOOTING & WARRANTYBefore You Call For Service (13)Customer Service (13)Limited Warranty (14)IMPORTANT SAFETY INSTRUCTIONS1. Read all instructions.2. Do not touch hot surfaces. Use handles or knobs.3. T o protect against electrical shock do not immerse cord, plugs, or (unit base) in water or other liquid.4. C lose supervision is necessary when any appliance is used by or near children.5. U nplug from outlet when not in use and before cleaning. Allow to cool before putting on or taking off parts.6. D o not operate any appliances with a damaged cord or plug or after the appliance malfunctions or has been damaged in any manner. Return appliance to the nearest authorized service facility forexamination, repair or adjutsment.7. T he use of accessory attachments not recommended by theappliance manufacturer may cause injuries.8. Do not use outdoors.9. D o not let cor hang over edge of table or counter or touch hot surfaces.10. D o not place on or near a hot gas or electric burner or in a heatedoven.11. A lways attach plug to appliance first, then plug cord into the wall outlet. To disconnect, turn any control to “off”, then remove plug from wall outlet.12. Do not use appliance for other than intended use.SAVE THESE INSTRUCTIONS HOUSEHOLD USE ONLYPOLARIZED PLUGThis appliance has a polarized plug (one blade is wider than the other). To reducethe risk of electrical shock, the plug is intended to fit into a polarized outlet only one way. If the plug does not fit fully into the outlet, reverse the plug. If it still does not fit, contact a qualified electrician. DO NOT ATTEMPT TO MODIFY THE PLUG IN ANY WAY.POWER SUPPLY CORDLonger extension cords are available & may be used if care is excercised in their use.1. T he marked electrical ratings of the cord should be at least as great as theelectrical rating of the appliance.2. T he cord shall be arranged so that it will not dape over the countertopwhere it can be pulled on by children or tripped over unintentionally.NOTE: Neither Westinghouse nor the dealer can accept any liability for damage to the product or personal injury resulting from failure to observe the electrical connection procedures.PARTS & FEATURESBEFORE FIRST TIME USE• Remove all packaging from the appliance.• C heck that your mains voltage corresponds with that stated on the appliances rating label.• W ash the lid and tray sections of the appliance in warm soapy water. The power base should be cleaned with a damp cloth (do not wash the power base with water).SELECTING FOODS TO DRY• Foods that are ripe and high in quality will provide the best flavor.• F ruits such as apples, pears and peaches are best dehydrated after they have been pre-treated. To pre-treat, you can soak fruit in fruit juice such as orange, lemon or lime or alternatively blanch or steam the fruit. This will ensure the fruit does not discolour or deteriorate during the drying process.• V egetables such as green beans, broccoli, asparagus and potato should be placed in boiling water for 3 minutes, pat dry and place in the dehydrator.• S lice fruit and vegetables evenly to enable even drying. Thickly sliced fruits and vegetables or those with a high quantity of water will take longer to dry.• Disperse foods evenly to dry in single layers.• A lways wash the food before putting it into the appliance. Do not place wet food into the trays, always ensure that the food is fully dried before it is dehydrated.• C ut off any spoiled parts of the food before dehydrating. Slice the products in such a way so that it rests freely between the two trays.• I f the food placed in the higher trays is dehydrating slower than the food in the lower trays, you can change the position of the trays to allow them to dry evenly. Food placed in the higher trays will usually take slightly longer to dehydrate than those placed in the lower trays.• S ome of the fruits are covered by a natural protective layer which can increase the time it takes to dehydrate. To avoid this it is advisableto boil food for approximately 1-2 minutes then place it in cold water. Please make sure the food is completely dry before beginning the dehydrating process.• T he length of time it takes to dehydrate foods depends on certain factors such as the temperature and humidity of the room, size and thickness of food and also how ripe the food is.TO BEGIN USE1. P lace the food flat on the trays. Do not completely cover the bottom of the tray as this will stop the air circulation. Overloading the trays or placing the food on top of each other will reduce the efficiency of the dehydrator.2. P repare the food as recommended and place on the trays. Always start by placing the food in the lower sections of the dehydrator. Leave the central hole uncovered.3. P lace the trays on the power base.4. P lace the lid onto the appliance. During the dehydrating process theupper lid should always be left on the appliance.5. P lug the appliance in to the electrical socket and turn on theappliance by pressing the switch to the “On” position, the red light will then illuminate.6. S et the temperature of the dehydrator to the recommended setting.7. R otate the trays at intervals throughout, to ensure even drying. Unplug the appliance, rotate the trays, then plug the appliance back in and continue to dry.8. W hen you have finished using the appliance, turn it off by putting theswitch to the “Off” position and unplug the appliance. Allow the food to cool down and then place it into a container or jar.NOTE:I t is recommended to use all 5 trays whenever you use the appliance no matter how many sections are left empty.EXAMPLES:• W hen the food is placed in the first lower tray only, the 4 other empty trays should be placed on top of the first tray. Make sure that the lid is on the appliance.• W hen the food is placed in the first two lower trays only, the 3 other empty trays should be placed on top of the first two trays. Make sure the upper lid is on the appliance.STORAGE• V acuum packing dried foods extends the shelf life of the food by 3 times.• S tore the foods in airtight, moisture-proof containers. Do not expose to light.• S tore in cool (below 15°C), dark and dry areas. Dehydrated meat and fish are best stored in the refrigerator.• F oods such as onions and tomatoes quickly absorb moisture from the air and should be immediately packed after removing them from the dehydrator.• D uring the first week after drying, it is better to check if there is any moisture present in the container. If moisture is present, it meansthat the foods have not been fully dehydrated and you start the dehydrating process again.• T he naturally high acidic and sugar content contained in many fruits allows them to be stored for longer periods of time.• W hen packaged and stored correctly most fruit can last for about a year while vegetables can be stored for up to about 6 months.• D o not consume fruits and vegetables that show any signs of deterioration.DEHYDRATING TIPSHERBSIt is recommended to dry new leaves. Once the leaves are dry put them into paper bags or glass jars and store them in a dark cool place.Herbs and spices are most flavorful when they first open and should be harvested while very fresh, before they begin to blossom. Because the aromatic oils are very sensitive, temperatures should be 90˚F - 100˚F (30˚- 40˚C) for drying. Take care not to load trays too heavily as this will prolong the drying time.Dried flowers, herbs and spices used for potpourri should be driedat temperatures ranging from 90˚F - 100˚F (30˚ - 40˚C) to maintain aroma and color.FRUITS, FRUIT ROLLS AND VEGETABLESFruits, fruit rolls and vegetables should be dried at 130˚F - 140˚F (55˚ - 60˚C). By drying foods in this temperature range you will minimize the loss of heat-sensitive vitamins A and C. All foods sweat when they begin to dry. The temperature may be set higher than 140˚F (60˚C) during the first couple of hours of drying. The actual temperature of the food will remain 15˚F - 20˚F (6˚ to 8˚C) lower than the air temperature for the first couple of hours.NUTS AND SEEDSNuts and seeds are high in oil, and if higher temperatures are used,they will tend to become rancid, developing off flavors. The best temperature is from 90˚F - 100˚F (30˚ - 40˚C).DEHYDRATING VEGETABLESVegetable Preparing ConditionafterDuration of dehydratingprocess (hours)Artichoke Cut into strips (3-4mm)Fragile5-13 Aubergine Peel and slice (6-12mm)Fragile6-18 Broccoli Peel and cut, steam for 3-5 mins Fragile6-20 Mushrooms Slice or dry whole (small Hard6-14 Green beans Cut and boil till they become transparent Fragile8+26 Vegetable marrows Slice into pieces (6mm)Fragile6-18CabbagePeel and cut into stripes(3mm) take out the heartHard6-14Brussel sprouts Cut the sterns into 2 pieces Crispy8-30 Cauliflower Boil till soft Hard6-16 Potato Slice. Boil for about 8-10 min Crispy8-30 Onion Slice into thin pieces Crispy8-14Carrot Boil until becomes soft. Shred and slice intoround piecesCrispy8-14Cucumber Peel and slice into round pieces (12mm)Hard6-18Sweet pepper Cut into stripes or round pieces (6mm) takeout the heartCrispy4-14Piquant pepper Need to cut it Hard8-14 Parsley Put the leafs into sections Crispy2-10 Tomato Peel and cut into pieces or into round pieces Hard8-24 Rhubarb Peel and slice into pieces (3mm)Hard8-38Beetroot Boil and then let it cool down. Cut off theroots and the tops. Slice into round piecesCrispy8-26Parsley Put the leafs into sections Crispy2-10 Tomato Peel and cut into pieces or into round pieces Hard8-24 Rhubarb Peel and slice into pieces (3mm)Hard8-38Beetroot Boil and then let it cool down. Cut off theroots and the tops. Slice into round piecesCrispy8-26Celery Slice into pieces (6mm)Crispy6-14 Spring onion Shred it Crispy6-10 Asparagus Slice into pieces (2.5mm)Crispy6-14 Garlic Peel and slice into round pieces Crispy6-16 Spinach Boil until becomes wilted Crispy6-16Mushrooms Choose the mushrooms with hats which bendinside. Cut into pieces or chunks.Hard andCrispy3-10Note: The times and procedures, which are described in the table above are only a guide. Personal preferences of customers can differ to that as described in the table. It is recommended to experiment with times and temperatures to achieve your preferred texture and taste.DEHYDRATING FRUITSFruit Preparing Dryness test Approx. time (hours) Apples Pare, core and cut into slices or rings Pliable5-6Artichoke Cut into 1/8 inch strips Brittle5-13Apricots Clean, cut in halves or in slices Pliable12-38Banana Peel and cut into 1/8 inch slices Crisp8-38Berries Cut strawberries into 1/4 inch slices, otherberries wholeNo moisture8-26Cherries Pitting is optional, or pit when 50% dry Leathery8-34 Cranberries Chop or leave whole Pliable6-26 Dates Pit and slice Leathery6-26 Figs Slice Leathery6-26 Grapes Leave whole Pliable8-38Nectarines Cut in half, dry with skin side down. Pit when50% dryPliable8-26Orange rind Peel in long strips Brittle8-16Peaches Pit when 50% dry. Halve or quarter with cutside upPliable10-34Pears Peel and slice Pliable8-30RE-HYDRATING FOODSFoods that have been dehydrated can be re-hydrated in water, this can be performed in 3 ways:• F ruits and vegetables can be soaked in water for 2-6 hours, ensure that they are refrigerated during this process.• T hey can be soaked in boiling water for 5-10 minutes until they have reached the desired consistency.• Y ou can also re-hydrate fruits and vegetables by cooking them. Do not add seasoning or sugar during this process. A good general rule is to use 2 cups of water to the fruit and allow it to stew. PREPARING MEAT, FISH, POULTRY & GAMEIt is recommended to pickle meat before dehydrating it to saveits natural taste and make the meat softer. Ensure that the meat is marinated for at least 3 hours. Please note the longer your marinade the meat, the better the flavour will be.It is necessary to add salt to pickle as it helps to remove the water from the meat and allows it to dehydrate more efficiently. Always use clean meats. Meats with higher fat content do not dry correctly.STANDARD PICKLE:• 1/2 glass of soybean sauce• 1 clove of garlic, cut into small pieces• 2 tbsp. sugar• 2 tbsp. Ketchup• 1 and 1/4 tsp of salt• 1/2 tsp onion powder• 1/2 tsp dried pepperNote: Mix ingredients together.POULTRYBefore starting the drying process, poultry should be prepared by either boiling or frying it.FISHIt is recommended to boil or bake it on a stove before beginning the dehydrating process (bake it for about 15 minutes on 200˚c (392˚F) or until the fish becomes easily broken).MEAT AND GAMEPrepare the meat by cutting it into small pieces and placing it into the appliance for about 2-8 hours or until all moisture has gone.Meats and fish should be dried on the highest temperature setting of your dehydrator. These temperatures also keep bacteria and other spoilage micro-organisms, common to meat and fish, to a minimum during the first stages of drying. MAKING BEEF JERKYAs with nearly all foods, it is important to start with a quality cut of meat. Selecta lean cut or round steak about one to one and a half inches thick, trim off all the excess fat and connective tissue. Fat hampers how well the meat will dry and the connective tissue will make the beef jerky hard to chew.For easier cutting, place meat in the freezer for about 30 minutes to partially freeze. Then turn it over and freeze it for an additional 15 minutes. Cut across the grain into strips about 1/8 inch thick.Marinate the strips for three hours.Drain the marinated strips on a paper towel, and place the strips on the drying tray. Remember to protect the dehydrator from dripping foods as described earlier inthe manual. Dehydrate until strips are quite dry and can bend without breaking. This will take from 6-16 hours. Unlike other dried meats, jerky should be slightly chewy but not brittle.CLEANING THE UNIT1. B efore cleaning check if the appliance is unplugged and has fully cooled down.2. C lean the base of the appliance with the help of a damp cloth and then rub it dry3. W ash the lid and tray sections of the appliance in warm soapy water.4. D o not use metal brushes or abrasives to clean the appliance, as it can damage thesurfaces.BEFORE YOU CALL FOR SERVICEIF THE PRODUCT FAILS TO OPERATE:A) C heck for a blown circuit fuse or a tripped main circuit breaker. If these seem tobe operating properly, test the outlet with another appliance.B) C heck to make sure the temperature selector control is set and ON/OFF switch isin correct position.IF NONE OF THE ABOVE SOLVES THE PROBLEM, DO NOT TRY TO ADJUST OR REPAIR THE PRODUCT YOURSELF.CUSTOMER SERVICEIMPORTANTDO NOT RETURN THIS PRODUCT TO THE STOREIf you have a problem with this product, please contact the W Appliance Co. Customer Satisfaction Center at 1-855-855-0294. DATED PROOF OF PURCHASE, MODEL # AND SERIAL # REQUIRED FOR WARRANTY SERVICELIMITED WARRANTYWestinghouse brand is used under license. Any repair, replacement, or warranty service, and all questions about this product should be directed to W Appliance Co. at 1 (855) 855-0294 from the USA or Puerto Rico.W Appliance Co. warrants to the original purchaser that the product will be free from defects in material, parts and workmanship for the period designated for this product. The warranty commences the day the product is purchased and covers up to a period of1 year (12 months) for labor/1 year (12 months) for parts (manufacturing defects only).W Appliance Co. agrees that it will, at its option, replace the defective product with either a new or remanufactured product equivalent to your original purchase during the warranty period. Should thePart warranty period exceed the Labor warranty period, W Appliance Co. will supply at no chargefor the remainder of the Part warranty, any newor remanufactured replacement parts as requiredby the product. During this period all labor and service charges will become the responsibility of the customer.Exclusions: This warranty does not apply to thebelow:1. If the appearance or exterior ofthe product has been damaged ordefaced, altered or modified in design orconstruction.2. If the product original serial numberhas been altered or removed or cannotbe readily determined.3. If there is damaged due to power linesurge, user damage to the AC powercord or connection to improper voltagesource.4. If damage is due to general misuse,accidents or acts of God.5. If repair attempts are done byunauthorized service agents, use ofparts other than genuine parts or partsobtained from persons other thanauthorized service companies.6. On units that have been transferredfrom the original owner.7. On products that have been purchasedas refurbished, like new, second-hand, ina “As-Is” or “Final Sale” terms.8. To products used in a commercial orrental setting.9. To products used in settings other thanordinary household use or used otherthan in accordance with the providedinstructions.10. To damages for service calls forimproper installations.11. To damages to decorative trims,finishes of the appliance or homeincurred during installation.12. Transportation and shipping costs.13. Labor after the initial 12 months.14. Food loss for loss due to productfailure or delay in service, repair orreplacement.15. To charges occurred for after hourservice, weekend, holiday charges, tollsor mileage expense for service calls toremote areas.16. Charges to make product available forservice, such as removal of trim, shelvesetc. that are not a part of the appliance.17. Service calls to install or correct theinstallation of your product.18. Service calls to instruct you how to useyour product.19. Service calls to repair or replace thehouse fuse, reset the circuit breaker orcorrect the wiring in the house. REPAIR OR REPLACEMENT AS PROVIDED UNDER THIS WARRANTY IS THE EXCLUSIVE REMEDY OF THE CUSTOMER; W Appliance Co. SHALL NOT BE LIABLE FOR ANY INCIDENTAL OR CONSEQUENTIAL DAMAGES FOR BREACH OF ANY EXPRESS OR IMPLIED WARRANTY ON THIS PRODUCT, EXCEPT TO THE EXTENT PROHIBITED BY APPLICABLE LAW. ANY IMPLIED WARRANTY OF MERCHANTABILITY OF FITNESS FOR A PARTICULAR PURPOSE ON THIS PRODUCT IS LIMITED TO THE DURATION OF THE WARRANTY.Some states do not allow the exclusion or limitations of incidental or consequential damages, or limitations on how long the warranty lasts. In these cases the above exclusions or limitations may not apply to you. This warranty gives you specific legal rights and you may also have other rights which vary from state to state.Obtaining Service: To obtain service, product literature, supplies or accessories please call1 (855) 855-0294 to create a ticket for exchange/ repair. Please make sure to provide the date of purchase, model number and a brief description of the problem. Our customer service representativewill contact you or send detailed return instructions.W Appliance Co. does not warrant that the appliance will work properly in all environmental conditions, and makes no warranty and representation, either implied or expressed, with respectto the quality, performance, merchantability, or fitness for a particular purpose other than the purpose identified within this user’s manual. W Appliance Co. has made every effort to ensure that this user’s manual is accurate and disclaims liability for any inaccuracies or omissions that may have occurred. Informationin this user’s manual is subject to change without notice and does not represent a commitment on the part of W Appliance Co. W Appliance Co. reserves the right to make improvementsto this user’s manual and/or to the products described in this user’s manual at any time without notice. If you find information in this manual that is incorrect, misleading, or incomplete, please contact us at 1- 855-855-0294.W Appliance Co.,New York, NY 10018, WESTINGHOUSE, and INNOVATION YOU CAN BE SURE OFare trademarks of Westinghouse Electric Corporation. Used underlicense by W Appliance Company. All Rights Reserved.102615。
一、适用的环境和工作条件1、工作环境a) 环境温度:正常工作的环境空气温度在5℃~40℃;b) 湿度:当环境温度为40℃时,工作环境的相对湿度不超过50%,较低温下可允许较大湿度(如环境温度为20℃时,工作环境的相对湿度不超过90%)。
c) 大气压强:86kpa~106kpa。
2、工作条件a) 电源条件:AC 380V/50Hz,特殊电源条件经系统配置变更后方可适用;b) 电加热:电压220V;c) 蒸汽:压力0.4Mpa~0.8Mpa;二、环境影响1、整机运行噪声小于78dB(A),符合GMP的设备的要求;2、清洗污液的排放请遵守国家和当地政府的相关规定;三、日常维修1、设备的视觉检查a)、启动前检查机器外部有无损坏或变形,查所有接地线是否都已正确连接。
b)、检查物料容器及舱内有无划伤或变形。
c)、检查网带有无异味,并及时清理。
2、紧急制动按钮检查a)、操作之前要检查紧急制动按钮是否操作正确。
b)、确定设备已经可以进行操作之后,依次按下每个紧急制动按钮,然后尝试启动机器,每个测试后将紧急制动按钮复位。
c)、启动机器后,依次按下紧急制动按钮,确保机器能够正确制动,测试后将每个紧急制动按钮复位。
3、操作检查a)、检查所有设备和控制是否有异响和振动。
b)、验证风机电机电流不过载。
四、大型维护及保养a)5000小时后(通常小于前者)应更换PLC、触摸屏电池(请参照相关说明书或技术手册)。
b)2年或运行10000小时后应清洁减速机内部,检查齿轮有无损坏或磨损,更换严重磨损及损坏件。
C)给减速机注入润滑油至要求水平。
润滑油推荐使用工业极压齿轮油,其性能参数如下:IOS粘度等级:150运行粘度(40℃):142运行粘度(100℃):14.3倾点℃:≤-9.2闪点℃:≥204粘度指数:≥96五、长期停放的维护及保养a)长期停放时应切断电源、汽源。
b)以木箱或其他包装物对设备进行包装,设备包装前减速机中应加注符合要求的润滑油。
一、DW2-20单层带式干燥机设备用途:DW-2-20带式干燥机是成批生产用的连续式干燥设备,形式为水平的带式干燥机,采用金属丝网,前部热风由网带下向上循环流动,后部热风由网带上向下循环流动。
该设备用于处理透气性较好的片状、条状、颗粒状物料。
该干燥机具有干燥速度快、蒸发强度高、产品质量好的优点,对于脱水滤饼类的膏状物料,需经造粒或制成棒状后亦可干燥。
二、DW2-20单层带式干燥机工作原理:首先将物料加入料斗,料斗中的物料由加料器均匀地铺在网带上,网带采用40目不锈钢丝网,由传动装置拖动在干燥机内移动。
干燥段由若干单元组成,每一单元热风独立循环,其中部分尾气由专门排湿风机排出,每一单元排出废气量均有调节阀控制。
在前两个循环单元中,热风由下向上循,环循环风机出来的由侧面风道进入单元下腔,经加热器后,由下向上穿过网带,与物料进行热交换后进入上腔。
干燥过程即是热气流穿过物料层,完成热量与质量传递的过程。
上腔由风管与风机入口连接,大部分气体循环,一部分温度较低含湿量较大的气体作为废气经排湿管,调节阀,排湿风机排出。
在后三个循环单元中,热风由上向下循,循环风机出来的风先进入上腔,向下后穿过物料层进入下腔,下腔由侧面风道及回风管与风机入口相连,大部分气体循环,一部分排出。
上下循环单元根据用户需要可灵活配备,单元数量亦可根据需要选取。
三、DW2-20单层带式干燥机主要技术参数:四、DW2-20单层带式干燥机设备安装:1、由于设备安装于二楼,长度为21.8m,考虑到便于运输安装,将设备分为两段加工,然后现场组焊、封板,再安装风机、输送链条、挡料板和散热器等零配件。
2、由于设备转动平稳、无震动,不需使用地脚螺栓固定。
3、循环风管路与排湿风管现场制作安装。
4、电器控制箱在现场应检查是否有脱线等现象,电源线和各电器元件用线现场连接。
五、DW2-20单层带式干燥机操作使用:1、启动减速机。
首先启动加料段传动减速机,运转正常后,调节调速器,使网带达到工艺所需要的运行速度。
DW型带式干燥机使用说明书DW 型带式干燥机使用说明书一、主要用途:DW 系列带式干燥机主要用于成批生产的连续式干燥设备,用于透气性较好的片状、条状及颗粒状物料的干燥。
该系列干燥机具有干燥速度快、蒸发强度高、产品质量好的优点。
二、主要技术参数:1、设备名称:网带式连续干燥机2、设备型号:DW-1.6×26,有效干燥面积:41.6㎡3、网带宽度:1.6m,烘干段长度:26m4、干燥温度:80~150℃5、水份蒸发能力:120Kg/h6、网带运行速度:2~9m/h(变频调速)7、加热方式:蒸汽加热,蒸汽压力:0.3~0.6MPa8、装机功率:40Kw三、工作原理:物料均匀的铺在网带上,通过电机的带动,使物料从上料段均匀向出料段移动,完成一个干燥过程。
在循环风机作用下,箱内空气穿过网带,将热量传递给物料。
空气首先经过蒸汽换热器,将空气加热至干燥所需温度,然后与网带料层接触,完成传热质过程,此时空气温度下降,水份含量增加,一部分湿空气被引风机排出,另一部分与补充的常温空气混合后循环进行第二次干燥,达到能量充分利用。
箱内温度与湿度可通过排湿量与蒸汽供给量组合控制。
在干燥末期如需对产品进行冷却,只需关闭蒸汽阀组,停止供热,通过吸入常温空气对产品进行冷却即可。
四、主要部件结构说明:1、传动系统:系统采用电机(变频调速)+减速机+链传动组合结构。
网带的运行速度可通过电机运行频率的调整来完成。
2、输送网带系统:输送系统由主动轮、从动轮、输送链条、涨紧装置、撑杆及网带组成。
两侧的链条通过撑杆连成一休,通过链轮及角钢轨道定位,网带固定在撑杆上,与链条、撑杆同步运行。
主动轮安装在出料侧。
3、干燥室:干燥室分为主干燥室与风道两部分组成,主干燥室配有观察门,同时底部为落料斜板,并配有清扫门,可清理箱内积料。
热风循环风机安装在风道内,它将主干室上部干燥后的部分尾气经风道送至散热器下方,同时吸入部分新鲜空气,经散热器加热后与上方物料接触,完成干燥过程。
D W三层带式干燥机脱水蔬菜马铃薯多层带式
干燥设备
文档编制序号:[KKIDT-LLE0828-LLETD298-POI08]
DW系列多层带式干燥机是成批生产用的连续式干燥设备,用于透气性较好的片状、条状、颗粒状物料的干燥,对于脱水蔬菜、催化剂、中药饮片等类含水率高、而温度不允许高的物料尤为合适;该系列干燥机具有干燥速度快、蒸发强度高、产品质量好的优点,对脱水滤饼状的膏状物料,需经造粒或制成条状后方可干燥。
概述:
DW系列多层带式干燥机适用于大规模生产干燥速率较低的难干燥物料,设备结构紧凑,占地面积小,操作简单,维护方便、运行稳定。
可根据物料的干燥特性设计成不同的热风循环干燥形式,是热风循环烘箱的延伸和改进,广泛应用于冶金助剂、化工、食品、包装等领域。
随着企业技术进步,产品技术含量的提高,多层带式干燥机已具备满足大生产、多元化、集中控制、连续生产的能力。
具有高效、节能、易于管理的优势。
干燥机控制面板说明书一、 直面图,接线图,尺寸图直面图 接线图尺寸图电源灯风机运行灯加热动作灯故障灯实际温度设定温度24小时时间二、功能说明①.测、控温范围:0-400度②.加热、为PID控温方式③.24小时实时时间显示④.九段定时开,关机功能⑤.开机延时和关机延时⑥.一周七天预约时间设定方法:在上电情况下,长按“时间设定键”3S,设定灯亮,则在PV上显示“1ON”星期一开机时间,此时可以通过按“加键”或“减键”和“移位键”可修改当前设定值,再按一下“时间设定键”,则在PV上显示“1OF”星期一关机时间,此时可以通过按“加键”或“减键”和“移位键”可修改当前设定值,如此类推在“1ON-1OFF~7ON-7OFF”之间循环显示,按照上述操作,可设置周一至周七的开、关机的时间。
并且此时在“TIME”显示器上以闪烁方式显示对应的时间,完成设定后再长按“时间设定键”,或不操作10S,退出并保存参数。
⑦.时钟时间校正设定:(设定范:24小时实时时间)在上电状态下,按一下“时间SET”键,设定灯亮,进入设定状态,PV显示器显示“TNE”字样,此时“TIME”显示器闪动,此时按“加键”或“减键”和“移位键”可修改当前实时时间值。
再按一下“时间SET”键,PV显示器显示“DAY”,系统进入星期校正,此时按“加键”或“减键”和“移位键”可调整当前为星期几,范围(1~7)⑧.自动运行方式:当一周预约时间设置好后,按下“手/自动键”此时”手/自灯亮”,系统按设置好的一周预约时间,运行。
⑨.电源未开启时,按“风机”和“加热”键无效,风机未开启时,按“加热”键无效,电源开启后开,关“风机”键有效,风机开启后,开、关“加热”键有效⑩.过温温度:指PV上的测量温度大于此项温度设定时,则系统停止加热并同时输出报警三、操作按键时有风鸣音作提示开、关机过程①.上电时在PV上显示3S倒计时,在SV上显示软件版本号,3S过后,则在PV上显示“OFF”字样(此为关机状态)②.开机过程:在关机状态下,此时,按一下开/关机键,则PV、SV上立即显示出相应参数,电源指示灯亮,此时按一下“风机”键,则风机灯亮,风机继电器吸合,此时按一下“加热”键,则加热灯亮,加热继电器作PID输出,加热输出灯随加热继电器输出亮和灭(此为开机过程)③.关机过程:1.直接通过按开/关键关机时:先关加热,延时完关机风机延时后,再关风机,在延时过程中,PV上以交替方式显示“OFF”和当前温度。
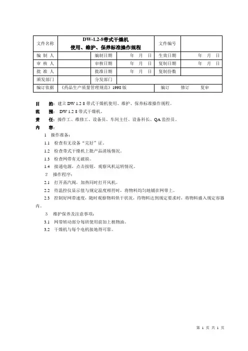
目的:建立DW-1.2-8带式干燥机使用、维护、保养标准操作规程。
范围:DW-1.2-8带式干燥机。
责任:操作工、维修工、设备员、车间主任、设备科长、QA监控员。
内容:
1 操作准备:
1.1检查有无设备“完好”证。
1.2检查带式干燥机上批产品清场情况。
1.3检查网带有无破损。
1.4接通电源,点击按钮,观察风机运转情况。
2操作程序:
2.1打开蒸汽阀,加热同时打开风机。
2.2待温控仪显示值与规定温度相符时,将物料均匀地铺在网带上。
2.3控制好网带速度,随时观察物料烘干状况,待物料达到规定要求时,将物料盛入规定容器内。
3维护保养及注意事项:
3.1网带转动部分每班使用前加上植物油。
3.2干燥机与每个电机接地得可靠。
___________________________________________________________________________________________________
第 1 页共1 页。
干燥机使用说明1. “嘿,大家看过来呀!这干燥机使用起来可简单啦!先把要干燥的东西放进去哟,就像把衣服放进衣柜一样。
然后呢,调好温度和时间,就等着它把东西变得干干爽爽啦!”例子:周末,妈妈在洗衣服,我在旁边看着。
妈妈说:“等会儿把衣服放进干燥机里。
”我好奇地问:“怎么用呀?”妈妈笑着说:“就像我刚刚说的那样呀。
”我心想:这多有意思呀。
2. “哎呀呀,干燥机使用时要注意哟!别放太多东西进去,不然它会累坏的,就像我们吃太多会撑着一样。
”例子:我和弟弟准备用干燥机干燥玩具,我一股脑儿放了好多进去,弟弟连忙说:“别放那么多呀!”我恍然大悟:“哦,对哦,就像不能吃太多一样。
”3. “嘿,记住哦,使用干燥机得选对模式呀,不同的东西要用不同的模式,这就好比不同的人要穿不同尺码的衣服嘛。
”例子:爸爸要干燥文件,妈妈在旁边指导:“要用那个专门的模式。
”爸爸点头:“哦,就像选对衣服一样重要。
”4. “大家可别小瞧这干燥机呀,它可厉害着呢!就像一个小魔法师,能把湿哒哒的东西变得干干的。
”例子:看着刚从干燥机里拿出来的干燥毛巾,我兴奋地对小伙伴说:“看,这干燥机多神奇,像魔法师一样。
”小伙伴们都点头赞同。
5. “用干燥机的时候呀,一定要把门关好,不然热气都跑啦,就像口袋破了东西会掉出来一样。
”例子:我正准备启动干燥机,妹妹喊:“门没关好!”我一看,笑着说:“哎呀,还好你提醒,不然就像口袋破了一样。
”6. “哇塞,干燥机工作的时候会发出声音哦,可别被吓到啦,就像小火车呜呜叫一样。
”例子:第一次听到干燥机工作的声音,我有点害怕,妈妈说:“别怕,就像小火车的声音呀。
”我听了后放松下来。
7. “干燥机用完啦,要记得清理哦,不然下次用就不卫生啦,就像我们每天要洗脸一样。
”例子:妈妈提醒用完干燥机后要清理,我想到:“是呀,就像我们每天都要洗脸保持干净。
”8. “嘿,你们知道吗?这干燥机的按钮可不能乱按哦,就像过马路要看红绿灯一样,得按规矩来。
一、产品名称:DWP型五层带式干燥机二、DWP-五层喷风带式干燥机用途:适合成批用的连续式干燥设备,用于条状,颗粒状、块状的物料干燥。
其特点是喷风速度高,热风布置均匀,干燥速度快,蒸发强度高,产品质量好。
三、DWP-五层喷风带式干燥机工作原理1、装配图:2、DWP型带式干燥机分双向喷风和单向喷风,其热风以狭缝流或孔束流向上、向下或上、下同时喷向输送带上的物料。
该设备用于不透性物料时,上面喷射气流仍返回上面,下面喷射气流仍返回下面,再参与循环。
对透气性物料热气体能迅速穿过物料层及在物料内部的扩散性,完成热量与质量的传递过程。
箱内大部分热气体参加循环,一部分湿热气体作为废气经排湿系统排掉。
这样做(1)维持箱内的一定湿度,不使物料表面干得过快,内部水分来不及向外扩散,造成内外温差过大,湿度梯度过大,影响产品质量。
(2)在合理的湿度下干燥既能保证产品质量,又可节约能源。
四、DWP-五层喷风带式干燥机主要结构1、五层带机现为向上喷风式,其主要结构有:(1)加料及出料系统;(2)带式主体;(3)网带传动系统及清扫装置;(4)热风循环系统;(5)加热系统。
2、主要技术参数如下:五、DWP-五层喷风带式干燥机操作与使用:1、首先启动减速机1:SBWT4-187-1.5KW。
10分钟后再启动减速机2:SBWT3-187-1.1KW,运转正常后。
再按顺序启动加料搅拌减速机3:BWD2-87-0.55KW,清扫减速机4:BWD1-71-0.55KW,出料减速机5:BWD1-87-0.55KW。
2、启动循环风机:4-72-8C-37KW;排烟风机Y5-47-4C-2.2KW和加热炉电机,待循环风温度达120℃时,开始加料,20分钟后启动排湿风机:4-72-5A-20-2.2KW。
设排湿温度为70℃,排湿风量为5000-5800m3/H。
3、加料到出料时间应为50分钟,此时减速机调速表为422rpm。
4、停机操作:先停加料系统,减少燃油量,保持热风炉出口温度达120℃,50分钟后按顺序先停加热炉和热风循环系统,再停减速机1、减速机2、减速机4、减速机5。
干燥机操作指导书一、简介干燥机是一种常用的家用电器,其主要功能是通过高温和强风力来将衣物或其他物品中的水分去除,从而达到快速干燥的目的。
本操作指导书旨在帮助用户正确使用干燥机,提高使用效果,并确保安全。
二、准备工作1. 确保电源接线正确并牢固连接。
2. 清洁滤网。
在每次使用前,务必清除滤网中的灰尘和纤维,以保证机器的正常通风。
3. 插入适当的电源插头。
使用干燥机时,务必使用具备标准插头的合适电源插座。
4. 检查衣物标签。
在使用干燥机之前,请确认衣物标签上的干燥指示,确保该衣物可用于干燥机处理。
三、使用步骤1. 将衣物及其他待干燥的物品放入干燥机中。
请确保衣物平均散开,不要堆叠或过度装填,以免引起不均匀干燥或减少干燥效果。
2. 选择合适的干燥程序。
根据衣物或物品的材质和需要,选择合适的干燥程序。
常见的干燥程序包括标准、柔软、抗皱等。
3. 调节干燥时间。
根据衣物或物品的湿度和数量,选择适当的干燥时间。
注意,不要设置过长的干燥时间,以免浪费能源和时间。
4. 启动干燥机。
按下启动按钮,开始干燥过程。
在干燥过程中,可以观察干燥机的运行状态。
5. 结束干燥过程。
干燥过程完成后,及时取出衣物或物品。
务必小心烫伤,避免接触热表面。
同时,及时关掉干燥机的电源,以节省能源和确保安全。
四、注意事项1. 不要将干燥机用于不适宜的物品。
请勿将潮湿或有液体残留的物品放入干燥机中,以免引发故障或安全问题。
2. 不要堆叠衣物。
在放置衣物时,请确保衣物散开排列,不要堆叠或过度装填,以保证干燥效果和衣物的质量。
3. 勿将干燥机长时间运行空载。
如果没有衣物需要干燥,请勿长时间将干燥机空载运行,以免浪费能源和损坏机器。
4. 定期清洁滤网。
为了保证干燥机的通风效果和使用寿命,建议定期清洁滤网并检查其他部件,如蒸发器和风扇,以确保其正常工作。
5. 不要在干燥机上放置易燃物品。
在使用干燥机时,请确保周围没有易燃物品,以防止发生火灾。
六、常见故障处理1. 干燥机无法启动:检查电源插座是否正常接通电源,检查电源线是否正确连接。
DW-1.6×10活性炭颗粒带式干燥机设计方案一、设备设计条件:1.物料状态:结晶,有部分细颗粒,60-80目(干燥介质中含有腐蚀介质,设备要考虑有效防腐,保证设备长期稳定运行);2.初水份:W1≈25%136.一611.二988≦2-3%3.终水份:W24.产量:G=1000kg/h5.加热方式:蒸气(蒸气压力约为0.7-0.8mpa);6.干燥温度:140℃;7.设备制作材质:Q235制作,表面喷涂耐高温防腐氟碳漆,输送网带及接触物料的地方均采用SUS316L材质,双层网,保证设备的防腐效果;8.电源:380V 3相 50HZ。
二、设备工艺的确定:根据需方提供的物性参数及设备设计条件,被干燥物料是颗粒状活性炭,且具有一定的腐蚀性,设备要具有很好的耐腐蚀性能,按照我们多年对同类产品的设计制造及调试使用经验,结合用户的工艺技术条件,建议采用蒸气作为热源,配套非标设计的防腐节能型活性炭专用多层带式干燥机进行连续式干燥作业,并保证设备长期稳定的连续运行,在干燥及输送过程中,物料相对于传送网带呈静止状态,层间交换时有导料板缓冲,不会导致物料破碎,经过蒸汽换热器加热后热空气由循环风机及导风装置的作用,自下而上穿过网带和物料层,与物料之间进行充分的热质交换,将物料中的水分蒸发带走,并由排湿风机及时抽出排空,使物料得到快速干燥;整套设备可分成若干个干燥单元,每个单元大部分的热风循环利用,合理排出适量的湿热空气,确保系统的干燥效果和热效率;系统的干燥温度可根据用户的工艺要求进行自动控制;网带上物料的厚度及网带的运行速度可根据工艺要求进行合理调整;设备中与物料接触的部件均采用防腐性能良好的SUS316L不锈钢材质,所有碳钢部件均采用防腐性能良好的耐高温的氟碳漆二次喷涂,从而保证设备高效、节能、抗腐、耐用;以满足用户干燥及生产工艺的要求。
三、设备的选型计算:1.物料恒算:根据工艺条件求得:水份蒸发量为W =G*(W 1-W 2)/(1-W 1)=300kg/h 2.热量恒算:设:进风温度T 1=140℃,出风温度T 2=80℃,原料温度T 3=10℃,出料温度:T 4=40℃.取当地环境T 0=10℃,年相对湿度:60%。
干燥机使用与维护说明一、干燥机的使用方法:1.准备工作:1.1.检查干燥机的电源插头和电源线是否完好无损,确保电器的安全使用;1.2.清理干燥机的滤网,确保能够顺畅通风,提高干燥效果;1.3.将要干燥的物品进行初步清洗,去除杂质和污垢。
2.操作步骤:2.1.将要干燥的物品平铺放入干燥机内,避免重叠,确保热风能够均匀地吹到每个物品上;2.2.关闭干燥机的门,选择合适的干燥时间和温度;2.3.按下“启动”按钮,干燥机开始工作;2.4.在干燥过程中,慎重选择是否需要额外添加柔顺剂等化学物品,避免不必要的化学残留。
3.结束干燥:3.1.干燥时间到达后,干燥机会自动停止工作;3.2.打开干燥机的门,将干燥好的物品取出;3.3.检查物品的干燥程度,如有需要,可根据实际情况继续干燥。
二、干燥机的维护方法:1.滤网清洁:根据干燥机的使用频率,每隔一段时间就需要清洁滤网。
一般来说,如果使用频率较高,每两周清洗一次即可;使用频率较低,每月清洗一次即可。
清洗时,先将滤网取出,用清水冲洗去除灰尘和其他杂质,然后用柔软的刷子轻轻刷洗,最后用清水冲洗干净,晾干后再放回原处。
2.干燥机的清洁:为了保持干燥机的清洁和卫生,我们需要定期清洗干燥机的内部和外部。
清洗时,先将插头拔出,用湿布擦拭干燥机的外壳,注意不要使用含有腐蚀性物质的清洁剂;然后用清水擦拭干燥机的内部,特别是密封圈和滚筒表面,确保干净无异味。
3.避免超载:干燥机在工作时会产生较大的热量,因此在使用干燥机时,需要注意避免过多的物品同时放入,以免阻塞热风的通道,影响干燥效果。
同时,要避免过量的衣物挂在干燥机的门上,以免干燥门变形。
4.定期检查电源线和插头:干燥机使用频繁,电源线和插头易受到拉扯和摩擦,因此需要经常检查电源线和插头是否损坏、松动或者有裂纹。
如果发现问题,应及时更换,避免电器的短路和火灾。
5.使用环境:为了保证干燥机的正常工作,需要将其放置在通风好、温度适宜的地方,避免阳光直射和潮湿环境的影响。
干燥机说明书范文
欢迎您使用我们的新一代干燥机!
一、安全注意事项
1. 请勿将水浸入机器内,以免损坏电路;
2. 请勿将本机暴露于雨雪或强光。
请勿将机器放置在高温、潮湿或阳光直射处;
3. 凡引起新购机热量的原因,请放置在室外,且离火源远离,以免热无法通过散热板排出;
4. 请勿将本机与金属物体放置在一起以免短路;
5. 请勿拆开机器,以防止内部电路损坏;
6. 如遇有发热情况,请拔出电源插头,防止火灾发生;
7. 当本机暂时不使用时,请拔下电源插头,以防止意外发生;
8. 安装与维修应由专业人士操作;
9. 请勿把本机用于非本用途。
二、外观说明
1. 本机外壳采用铝合金制成,金属结构,冷却效果好;
2. 采用智能控制温度,调节可靠;
3. 出风口采用双卷叶风机,节能效果好;
4. 采用自动过滤系统,有效防止机器内部成分的浓缩;
5. 采用智能感应控制,风量运行更稳定;
6. 采用自动复位功能,控制精度更高;
7. 采用精密可调温控,可以精确地控制温度。
三、操作步骤
1. 打开电源开关,打开温控开关;
2. 调节温度,选择合适的温度;
3. 选择合适的风量;。
DW系列带式干燥机使用说明书一、主要用途DW系列带式干燥机是成批生产用的连续式干燥设备。
用于透气性较好的片状、条状、颗粒状物料的干燥,对于脱水蔬菜、中药饮片等类含水率高、而物料温度不允许高的物料尤为合适;该系列干燥机具有干燥速度快、蒸发强度高、产品质量好的优点,对脱水滤饼类得膏状物料,需经造粒或制成棒状以后干燥。
二、工作原理料斗中的物料由加料器均匀地铺在网带上,网带采用12~60目不锈钢丝网,由传动装置拖动在干燥机内移动。
干燥段由若干单元组成,每一单元热风独立循环,其中部分尾气由专门排湿风机排出,每一单元排出的废气量均由调节阀控制,在上循环单元中,循环风机出来的风由侧面风道进入单元下腔,气流向上通过换热器加热,并经分配器分配后,成喷射流吹向网带,穿过物料后进入上腔。
干燥过程是热气流穿过物料层,完成热量与质量传递的额过程。
上腔由风管与风机入口相连,大部分气体循环,一部分温度较低含湿量较大的气体作为废气经排湿管、调节阀、排湿风机排出。
下循环单元中,循环风机出来的风先进入上腔,向下经换热器加热,穿过物料层进入下腔,下腔由侧面风道及回风管与风机入口相连,大部分气体循环,一部分排出。
上下循环单元根据用户需要可灵活配备单元数量亦可根据需要选取。
用于脱水蔬菜,一般使用三台设备串联使用,形成初干段、中间段及终干段。
在初干段中,由于物料含水量高,透气性差,故采用小的铺料厚度,较快的运行速度及较高的干燥温度。
对物料温度不允许超过60℃的料,在初干段中,干燥气体温度可高达120℃以上,终干段内物料停留时间是初干段的3~6倍,铺料厚度是初干段的2~4倍。
对于温度不超过60℃的要求,可采用80℃左右的干燥气体,采用多段组合能更好地发挥带式干燥机的性能,且干燥更均匀。
三、操作与使用(一)操作程序1、启动主传动电机,松开无级变速器的调节锁紧螺母,调节网带至干燥工艺需要的运行速度,调节完毕后注意调节手轮后的锁紧螺母应锁紧,以免运转过程中速度变化。
一、产品型号、名称、外形图
1、型号
D W □—□—□
干燥段长度(m)
网带宽度(m)
网带层数
网带式
带式
2、名称:多层带式干燥机
二、产品适应围及性能特点
本机是食品、中药、农副产品、水产品、饲料及化工原料等片状、条状、块状及颗粒物料脱水作业的理想设备。
采用加热的热气流作为干燥介质,与湿物料进行充分的热湿交换,它不但以对流方式将热量传给湿物料,起着载热体的作用,而且把湿物料蒸发出来的水蒸汽及时带走,又起到了载湿体的作用。
总之,该机工艺流程合理,结构设计新颖,具有独创性;分层进风、分段干燥,符合工艺要求,产品质量好;由于采用穿流热空气加热,增加保温层和余热循环利用等措施,节能效果显著;具有较高的经济效益和社会效益。
三、主要技术规格及参数一览表
备注:以上参数仅供参考,根据用户具体情况加以调整。
除上面一些型号外,可根据用户需要非标设计。
四、主要零部件及工作原理
本机由布料装置、干燥室、主传动系统、蒸汽管路系统、供风系统、风道、排湿系统、底架及控制系统等部分组成。
1、布料装置
布料装置是物料进入料斗通过其星形布料器均匀地铺在第一环网带上。
布料器的动力由干燥室的第一环网带的主动轴传给。
2、干燥室
干燥室上下安装了一环输送网带,每环输送带由主动轴和被动轴支承(其轴承座为可动式,用于调节牵引链的紧度)。
输送带两侧的牵引链与各轴上的相应的牵引链轮啮合。
牵引链的节距为76.2mm,每节链板上均有一个滚子,可在干燥室两侧墙板的导轨上滚动,以改善牵引链及传动轴的受力情况。
两条牵引链侧链板各有一个偏置的销轴,相对铰接一根小直径的钢管,用于支
承一环不锈钢丝网带。
输送带运行时,网带不受驱动拉力,因而有较长的使用寿命。
各输送带主动轴上的链轮由主传动链联动运行,物料由上而下,依次向相反的方向传送,最后落入机体外的容器里或输送带上。
物料在干燥室的运行时间(干燥周期),可根据不同物料的失水速度进行调节。
加热室有供风道和回风道。
供风道装有蒸汽换热器,干燥室顶部有离心式鼓风机,把换热器散发出来的热量带走。
热气流在导风板的引导下,穿过网带及其上的物料层,并进行较充分、均匀地接触,完成传热传质过程;当每层物料随输送带进入传动室时,那里没有热气流通过,对物料有一定的缓作用,使单元物料部的结合水向外表扩散析出,然后再进入加热室被蒸发,如此重复数次,加快了干燥速度。
另外,干燥室外壁和各门板均填充有保温材料,门边有橡胶密封条,有较好的保温效果,蒸汽工作压力为0.4-0.7Mpa(4-7kg.f/cm2),且换热器有足够的换热面积,故干燥室升温较快。
3、主传动系统
干燥室的一环输送带的运行,由一台功率为2.2KW的电磁调速电动机(或采用变频调速),带动一台卧式两级行星摆线针轮减速机,再经过链传动,把低转大扭矩的动力传给传动轴。
调速电机的调速围为1250-125r/min(无级调速或变频调速)。
在无特殊要求的情况下,减速机输出轴的链轮齿数在各种机型均相同。
而减速机速比和其上的输入轴带轮直径,则在各种机型上不同。
如果被加工物料有特殊要求,则上述数据需要调整。
4、蒸汽管路系统
锅炉蒸汽经过一系列管、阀、表和各种器件,接到安装在干燥室供风道的蒸汽换热器上。
每个加热单元各有一套蒸汽换热器以提高其蒸发能力。
5、供风系统
供风系统包括每个加热单元有一台鼓风机、分风室、余热回收风道及补充风量调节机构等部分组成。
一般是夏天或加热室温度高时打开风门,冬天或温度低时关小风门。
鼓风机的正压冷气流先通过换热器变成热气流,然后由回风道和管路回收并由鼓风机再次送入换热器进行加热,气温进一步提高,当穿过第二、第一层物料,此时介质有较高的相对湿度,所以直接排放到室外大气中。
6、排湿系统
干燥室的热气流完成传热传质作用后,载湿废气由上风道汇总起来,并由排湿系统引风机及时排放到大气中。
7、底架
整个干燥室支承在一个刚性底架上,底架两侧贯通整个干燥室长度上有两根落地的纵梁,以利于滚动搬运。
8、控制系统
整个系统由一台电控箱控制。
每一个单元都配有独立的温度控制和显示功能,使其达到精确控制的要求。
五、产品的装配、安装、调整及使用前的准备
1、每台设备出厂前必须组装好,并进行试运转。
蒸汽管路
系统进行水压试验。
2、装配工作应在平台或平坦的地面上进行,并配备必要的
工艺装备,以保证装配得以顺利进行。
3、整机装配顺序是先下后上,先后外;在平地上放好底架;
在底加上放好箱体架,并用连接件将其上下左右固定
好;换热器、供风系统、蒸汽管路、上风道、排湿系统、
控制系统、外层保温板和各种门以及传动机构等相继组
装完毕。
4、严格控制各输送带两条牵引链的横向距离,各主动轴、
被动轴上两牵引链轮的轴向距离与位置,以及每层相对
应两条导轨的横向距离(并在同一水平面),以保证输
送带运转的灵活性。
5、为防止输送带向下漏料,装配时应注意:
(1)网带经纬方向应横平竖直装到输送带上,以保证其足够的宽度;网带两侧边缘应紧靠挡料板,不
得有间隙。
(2)由上环向下环网带卸料时,导料板应有效地挡住
正面和两侧面的空隙,防止向导轨上、向下面及
各层封闭环掉料。
6、安装本机时,地基上不需要预埋地脚螺栓,不需要预制
地沟和凸台;排湿系统的管道及引风机需要在外墙或平
台上固定。
7、各输送链紧度应调整适宜,同一环输送带两侧紧度应一
致。
8、使用前对整台设备进行全面地检查:各运动部位有无故
障和异物,紧固件有无松动失灵,各环网带上有无残留
物料等。
9、检查调速电机控制器开关是否置于“关”的位置,调速旋
钮是否置于最低位置。
六、产品的操作及安全规则
6.1、产品的操作
1、排放蒸汽管路中的冷凝水,然后关闭该截止阀。
2、开启供汽阀门,对干燥室进行加热;根据各物料的特性
调节蒸汽工作压力,当温度达到设定温度时,开始给干
燥机上料。
3、开启电控箱的电源开关,置调速电机控制器的开关于
“通”的位置,然后顺时针旋转调速旋钮,视指针到需要
的位置。
4、当物料进入第一环网带前,启动各加热室的鼓风机和引
风机。
5、当首批物料运行到第三环网带末端时,检查其物料的含
水分,然后调整其设备的运行速度,使其达到满意后,
即整台设备开始了正常的作业状态。
6、当最后的一批物料离开第三环网带时,即可关闭供汽截
止阀、稍迟再关闭各风机,关闭主传动,然后将调速电
机或变频调速器归零。
最后关掉整个设备电源。
7、清扫机器及周围环境,封闭环若有料渣,则从清洗门清
除。
6.2、产品的安全规则
1、检修、保养机器时必须停机进行。
2、开机前,应环视一下机器周围,确认无不安全因素存在
后,方可开动机器。
3、电器装置不接地的绝缘电阻,不应小于2MΩ。
4、接地端子与要求接地的金属部件间的阻值,应不大于
0.1Ω。
七、维修保养
1、经常检查各运行部件的工作情况,发现问题应立即停机
进行维修。
2、检查各输送带销轴上的开口销有无脱落,这是拉环输送
带的主要隐患。
3、本机各输送带的轴承采用填脂法润滑。
填脂量不宜过
多,一般填充腔空间的1/3~1/2。
建议每年检查保养一
次。
4、本机各润滑点每月注润滑脂一次,各传运链加润滑油。
5、检查蒸汽管路系统的压力表、疏水器及截止阀等是否失
灵,各管接头有无泄漏现象。
6、检查电器元件有无损坏、失控现象。
7、检查风机有无异常声响。
8、经常清理换热器及导风板等易积尘处。
八、包装、运输和存放保管规则
1、由于每台机器出厂前均须组装好并进行机械试运转,所
以由制造厂到使作单位有运输,一般多采取整机运输的
方式。
所谓整机,是指干燥室与其底架连接在一起的空
间围的所有部分的组合。
余下的电控箱、部分蒸汽管路、
及一些风管为散件运输。
出口产品则全部装箱。
2、长途运输和露天存放时,所有部件必须有防雨措施,以
免机件锈蚀。
3、整机及部件在运输车辆上要牢固,干燥室外壁及其它薄
板零部件,严防挤压变形,防止擦伤面漆。
九、产品附件
1、出厂产品应有如下随机文件
(1)合格证
(2)包装清单
(3)使用说明书。